STORAGE存储巡检报告
- 格式:docx
- 大小:15.23 KB
- 文档页数:1
存储巡检报告模板
1. 前言
存储是一个企业非常重要的基础设施,存储设备的正常运行对于保障企业运营
至关重要。
因此,存储巡检是企业运营中的一项非常重要的工作。
本文旨在提供一份存储巡检报告模板,以便各位存储巡检人员在工作中更好地开展巡检工作。
2. 存储巡检报告模板
2.1 工作概述
本次巡检主要对企业存储设备进行检查。
巡检员通过对存储设备的性能、状态、数据完整性等方面进行检查,以判断设备是否正常运行,是否需要维护,同时也检查是否存在安全隐患,如权限管理不当、数据备份不及时等问题。
2.2 巡检时间
本次巡检时间为:(填写具体时间)。
2.3 巡检内容
本次巡检主要内容为:(填写具体巡检项目)。
2.4 巡检结果
本次巡检发现如下问题:
1.存储设备性能评估:
(填写具体评估结果)
2.存储设备状态:
(填写具体状态信息)
3.数据完整性检查:
(填写具体检查结果)
4.安全隐患:
(填写具体发现的安全隐患)
2.5 巡检结论
依据本次巡检结果,存储设备的性能、状态、数据完整性等方面均处于正常状态。
同时,本次巡检也指出了存在的安全隐患,建议相关负责人员尽快处理。
本结论仅限于本次巡检范围内。
3. 总结
通过本次存储巡检,可以看出存储设备正常运行并保持稳定状态。
存储负责人员应加强安全管理,提高数据备份的频率和完整性,保障存储数据的安全,同时应定期对存储设备进行巡检和维护,以确保存储设备的正常运行。
XXXX集团维保项目主机及网络系统巡检报告(2014.01)XXXXXXX股份有限公司2014年01月一、巡检总结用户单位: XXXXXX 巡检单位:XXXXXX用户联系人:XX 联系电话:XXXX 巡检人员:XX 联系电话:XXXX巡检地点:信息中心机房巡检时间:XX巡检内容:CISCO7609、6509、4506、4507、4948等用户要求的各矿区网络交换设备、IBM光纤交换机,小型机2台,机架式服务器10台等。
CISCO7609共计6C4506共计4台:C4948共计1台: C4507共计1台: 其他台:一、巡检结果:1、在本次巡检过程中,分别对信息中心机房等网络交换设备进行例行状态检查。
2、对服务器、存储等设备进行例行状态及日志检查。
3、对小型机进行状态检查,资源利用情况正常。
4、在本次巡检过程中,相关设备健康状况良好。
5、XXXX交换机电源接在一个电源插排上,容易造成电源的单点故障,建议交换机的两个电源分别接到两路不同的电源上。
6、HMC升级完成,黄灯告警消除。
二、用户系统配置及优化建议:1、用户系统的设备详细配置:详见附件一2、系统的硬件和软件平台:整体运行状态良好。
3、系统设备详细的优化建议:暂无4、网络可管理性优化建议暂无5、网络安全与控制优化建议对于部分矿核心交换机连接到信息中心的线路之间增加防火墙的,防火墙需要进行软件版本升级,实现对内对外关联的端口进行状态检测,动态实现一个端口DOWN,关联的另外一个端口也DOWN掉,实现网络的正常连接。
用户代表:巡检人员代表:日期:日期:二、内容描述XXXXX有限公司根据《XXXXX维保项目》技术协议对XXXXX集团的维保范围内设备进行全面的巡检。
本文档描述了主机及网络设备详细的巡检过程,并对结果进行详细地记录,保证准确反应主机及网络设备现状,为设备保修和稳定的运行提供依据。
三、巡检范围巡检约定范围如下:序号产品型号数量一、网络设备1 WS-C4506 42 WS-C4507R 13 7609-2SUP7203B-2PS 64 WS-C4948-10GE-E 15 IBM光纤交换(24口) 2二、服务器6 IBM P570 小型机(8C) 27 IBM X3850M2 58 IBM X3850M2 59 IBM DS4800 1 此外,还根据用户要求,对其辖区所属的其他矿区网络交换设备进行巡检。
数据存储设备巡检报告
概述
本次巡检是对公司数据存储设备的一次检查,主要目的是确保设备的正常运行,以及防止数据损失发生。
本次巡检的设备包括服务器、硬盘、网络存储等。
巡检内容
1. 服务器
- 检查硬件是否运行正常,包括电源,风扇等
- 检查操作系统是否正常运行并更新到最新版本
- 检查应用程序是否在运行和正常工作中
2. 硬盘
- 检查硬盘是否有损坏或故障
- 检查文件系统是否正常
- 检查磁盘空间是否充足
3. 网络存储
- 检查网络存储设备是否能够正常连接
- 检查文件共享是否正常工作
巡检结果
1. 服务器:
- 所有服务器运行正常,未发现故障。
- 操作系统已更新到最新版本。
- 应用程序正常工作。
2. 硬盘:
- 所有硬盘表现良好。
- 所有文件系统正常。
- 磁盘空间充足。
3. 网络存储:
- 所有网络存储设备能够正常连接。
- 文件共享正常工作。
结论
本次巡检结果表明,所有数据存储设备运行正常,未发现异常。
同时,对于运行操作系统和应用程序的服务器,已全部更新到最新
版本。
在进行数据存储和共享时,公司可以继续信赖这些设备。
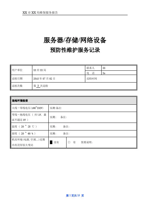
XX市XX局维保服务报告服务器/存储/网络设备预防性维护服务记录1.网络设备状态检查1.1网络交换机1.2网络安全设备2、服务器和存储设备状态检查第9页共15 页第10页共14 页第11页共14 页第12页共14 页第13页共14 页第14页共14 页尊敬的客户:您好!预防性维护服务的主要目的是对您所购买的设备进行全面检查,及早发现潜在问题,提交详细检查报告及问题的针对性建议,提高用户业务的可用性。
服务工程师有责任将检查的结果向您汇报。
如果您已了解此次预防性维护服务的内容,请在此签字:资料赠送以下资料2018年“安全”自查自纠报告为认真贯彻落实市城乡建设局文件,关于安全生产责任制、安全隐患排查、质量保证体系、,按照文件指导思想及公司安排结合我们工地目前安全生产形势,积极开展2018年“安全生产自查自纠”活动。
现将本次安全自查自纠活动总结如下:一、领导高度重视,精心部署赣州市同兴达电子科技有限公司2号仓库、3号宿舍工程,6月15日正式开工,目前处于基础孔桩施工阶段。
6月.15日建设、监理、施工单位在项目部召开安全生产自查自纠,现场检查活动。
二、全面深入排查治理安全生产隐患,堵塞安全监管漏洞,强化安全生产措施;牢牢把握制定检查方案、进行层层动员部署、排查问题及隐患、制定整改方案、落实整改措施、总结检查成效、建立长效机制等重点环节。
通过安全生产大检查,全面摸清安全隐患和薄弱环节,落实责任、认真整改、健全制度,彻底排除重大安全隐患,增强全员安全意识,进一步提高安全生产管理水平,有效预防事故的发生。
二、安全检查重点(一)安全检查范围及重点排查项目1、施工作业区的安全状况(施工现场、生活区、办公区)2、应知应会(从业人员对安全生产的重视程度,现场管理人员对安全知识及隐患排查的掌握程度,作业人员对本工种操作规程和危险源防范措施的掌握情况)(二)施工用电1、检查现场布线有无违反三级配电、两级保护的要求,检查布线必须设置专用的保护零线。
数据中心-巡检报告一、简介数据中心是一个关键的信息技术基础设施,承载着大量的数据存储和处理任务。
为了确保数据中心的正常运行和安全性,定期进行巡检和维护是至关重要的。
本报告旨在总结数据中心最近一次巡检的情况,并提供相关的问题和解决方案。
二、基础设施检查1. 电源系统在巡检过程中,我们注意到电源系统存在几个潜在的问题。
首先,备用电源的电池组需替换,以确保在电力故障时的备用能力。
其次,电源线路存在过载现象,需要及时检修。
解决方案是替换电池组并重新评估电源线路的负载情况。
2. 空调系统数据中心的温度和湿度是关键指标,要保持在适宜的范围内。
而巡检中发现,空调系统在一段时间内出现过载和故障的情况,导致温度波动较大。
建议重新审视空调系统的工作状态,并及时清洁和维护空调设备。
3. 网络设备网络设备是数据中心正常运行的关键之一。
巡检中,我们发现了部分网络设备的端口异常情况,需要进行调试和修复。
此外,网络设备的过载和故障问题也需要解决。
我们建议对网络设备进行全面的检查和维护,确保其正常运行。
三、安全检查1. 准入控制数据中心的准入控制是确保物理安全的关键环节。
巡检中,我们发现有工作人员未遵守准入规定,擅自进入数据中心,增加了潜在的风险。
我们建议加强对准入控制的培训和监管,并增加物理防护措施,例如安装更严密的门禁系统。
2. 火灾安全火灾是数据中心安全的重要威胁之一。
巡检中,我们发现灭火器的有效期过期,防火墙存在损坏的情况。
为了提高火灾安全性,建议替换过期的灭火器,并及时修复或更换受损的防火墙。
四、数据存储检查数据中心的数据存储是其核心功能之一。
本次巡检中,我们着重对数据存储系统进行了检查。
1. 存储设备存储设备的巡检发现,某些存储设备的读写速度下降,可能导致数据响应变慢。
为了解决这个问题,我们建议对这些存储设备进行优化,并定期进行性能测试和维护。
2. 数据备份数据备份是保障数据安全和可恢复性的重要手段。
巡检中,我们发现部分数据备份的计划未能按时执行或存在缺陷。
存储设备巡检报告一、巡检目的和范围本次巡检的目的是为了确保存储设备的正常运行并提前发现潜在的问题,以保障数据的安全性和稳定性。
巡检的范围包括存储设备的硬件设施、网络环境、软件系统和数据备份等方面。
二、巡检内容和步骤1.硬件设施巡检:检查存储设备的硬件设施,包括服务器、存储阵列、磁盘驱动器等是否正常运行,是否有异常噪音或发热等现象。
检查存储设备的供电和冷却系统是否正常,电源线和散热风扇是否有松动或堵塞。
检查存储设备的机箱和设备拓扑结构是否整齐、清洁。
2.网络环境巡检:检查存储设备的网络连接是否稳定,网络线缆是否连接良好。
检查存储设备的网络传输速度是否正常,网络延迟是否过高。
检查网络交换机或路由器的配置是否正确,防火墙是否正常工作。
3.软件系统巡检:检查存储设备的操作系统和存储管理软件是否正常运行,并及时对系统和软件进行升级和补丁打补。
检查存储设备的文件系统是否有异常或损坏的情况。
检查存储设备的磁盘阵列配置是否合理,磁盘是否有坏道或故障。
4.数据备份巡检:检查存储设备的数据备份是否顺利进行,备份数据是否完整和可恢复。
检查备份设备的状态和容量是否满足需求,是否有足够的空间进行备份。
三、巡检结果和问题处理1.硬件设施巡检结果:经过巡检,存储设备的硬件设施运行正常,无异常噪音和发热现象。
存储设备的供电和冷却系统正常,未发现电源线和散热风扇的松动或堵塞现象。
存储设备的机箱和设备拓扑结构整齐,没有明显的灰尘和污垢。
2.网络环境巡检结果:存储设备的网络连接稳定,网络线缆连接良好。
存储设备的网络传输速度正常,网络延迟在可接受范围内。
网络交换机和路由器的配置正确,防火墙正常工作。
3.软件系统巡检结果:存储设备的操作系统和存储管理软件正常运行。
系统和软件已经升级至最新版本,补丁也已打补,以提供更好的性能和安全保障。
存储设备的文件系统无异常或损坏,磁盘阵列配置合理,磁盘无坏道和故障。
4.数据备份巡检结果:存储设备的数据备份顺利进行,备份数据完整和可恢复。
巡检报告存储摘要:巡检报告是企业日常运维工作中非常重要的一环,对于保障系统稳定运行和提升运维效率起着至关重要的作用。
为了确保巡检报告的安全存储和管理,本文将介绍巡检报告存储的相关问题和解决方案,帮助企业合理规划和优化巡检报告存储。
1. 引言巡检报告是运维团队对系统、网络、数据库等进行定期巡检的结果总结和分析,旨在发现并解决潜在的问题,保障系统的稳定性和可靠性。
而巡检报告的存储是为了记录和备份报告,并方便后续查询和分析。
2. 巡检报告存储的需求2.1 数据安全性巡检报告包含了企业的关键信息,包括系统漏洞、网络安全风险、业务运行情况等,因此存储巡检报告的系统必须具备高度的数据安全性,防止数据泄露和非法访问。
2.2 数据可靠性巡检报告是企业日常运维工作的重要参考依据,因此存储系统必须保证数据的完整性和可靠性,防止数据丢失和损坏。
2.3 数据可查询性巡检报告的存储系统需要支持快速、准确的查询和检索功能,以方便运维团队在需要时快速找到相关报告,提高工作效率。
3. 巡检报告存储的解决方案3.1 本地存储本地存储是最常见的巡检报告存储方式之一,将巡检报告保存在本地服务器或存储介质中,例如硬盘、光盘等。
本地存储相对简单,但存在数据安全性差、数据损坏和丢失的风险。
3.2 网络存储网络存储是将巡检报告保存在网络存储设备中,例如网络硬盘、NAS(网络附加存储)等。
网络存储可以实现巡检报告的远程备份和存储,提供更高的数据安全性和可靠性。
3.3 云存储以云存储方式存储巡检报告,已成为许多企业的首选。
云存储具有高度的数据安全性和可靠性,而且能够实现跨地域备份和容灾恢复。
此外,云存储还提供了便捷的浏览、检索和分享功能,极大地提高了运维团队的工作效率。
4. 巡检报告存储的管理与备份4.1 存储管理巡检报告的存储管理包括报告的归档、命名、分类、索引等。
合理规划存储结构,建立有序的目录结构,能够方便快速查找相关报告。
4.2 定期备份定期备份是保证巡检报告数据安全和可靠性的重要手段。
巡检报告存储巡检是组织保持设备和系统的高效运行所必需的重要环节。
通过巡检,可以及时发现并解决问题,防止其扩大化和导致更严重的后果。
巡检报告是巡检工作的重要组成部分,它记录了巡检过程中的发现、问题和解决方案。
为了确保巡检报告的安全存储和方便查询,需要进行合理的巡检报告存储。
巡检报告的存储方式至关重要,它直接关系到巡检报告的可查阅性、可管理性和可持续性。
以下是几种常见的巡检报告存储方式:1. 纸质存储:传统的方式是将巡检报告打印出来,存放在文件柜或档案室中。
这种方式需要耗费大量的纸张和空间,并且需要人工管理和维护。
另外,纸质存储存在丢失、损坏和不能远程访问等问题。
2. 电子存储:利用电子存储技术,将巡检报告保存在电脑或服务器上。
这种方式避免了纸质存储的问题,节省了空间和成本,并且可以通过网络远程访问。
但是,电子存储也存在着数据丢失、硬件故障、安全性和数据备份等问题。
为了克服上述存储方式的问题,可以考虑以下几点来实现巡检报告的安全存储:1. 数据加密:对于电子存储方式,应采用数据加密技术来保护巡检报告的安全性。
通过加密,可以防止未经授权的访问和窃取敏感信息。
2. 多地备份:巡检报告应该进行多地备份,以防止因自然灾害、硬件故障或其他意外事件导致数据丢失。
备份数据应存储在不同的地理位置,以确保数据的可持续性和完整性。
3. 权限管理:在电子存储方式中,应采取严格的权限管理,只有授权人员才能访问和修改巡检报告。
权限管理可以通过用户账户、密码、角色等方式进行,并且应定期进行审计和更新。
4. 系统监控:建立巡检报告存储系统的系统监控机制,实时监测系统的运行状态和存储空间,及时发现并解决潜在的问题。
系统监控可以通过软件工具和自动化脚本来实现。
5. 文档分类:对巡检报告进行分类管理,建立良好的文档命名规范和目录结构,便于查找和管理。
可以根据设备类型、巡检时间、问题类型等进行分类,提高巡检报告的可查阅性和可管理性。
综上所述,巡检报告的存储对于组织的运营、维护和管理非常重要。
XX 市 XX 局维保服务报告联系人电 话巡检时间火线-零线电压(198~232V) 实测:零线-地线电压 ( 应<1V, 最实测:高不超过 3V )温度 ( 20 ~ 25 ℃ ) 实测:湿度 ( 20 ~ 60 % ) 实测:机房环境(电源,空调…)近期□ 没有内有没有较大变动备注: 备注:□ 有 简要说明:XX 市 XX 局2022 年 07 月 02 日第 3 次巡检用户单位巡检日期巡检次数备注:备注:XX Xx观测下列模板的工作状态1#display device检测系统配置2 #dir# display saved-configuration检测CPU、内存的利用率3 display cpudisplay memory检测当前所运行的系统中路由交换机的安全4 及配置文件#display cu | include aaa检测syslog中的告警事件5# display alarm-urgent检测设备温度6dis environment检测路由是否正常,邻居建立个数7Display ip routing-table检测上下互联端口,链路是否存在errors 8Display interface1 2 3 观测下列模板的工作状态#display device检测系统配置#dir# display saved-configuration检测CPU、内存的利用率display cpu各模板正常识别状态为Normal路由交换机NVRAM,RAM正常存储数据CPU<50%,RAM<60%Password已设置并已加密日志中无alarm urgentTemperature低于55邻居:路由协议:ospf,staticCRCERRORS各模板正常识别状态为Normal路由交换机NVRAM,RAM正常存储数据CPU<50%,RAM<60%Normal正常Cpu=4%RAM=33%已加密Info=729CRC:0ERRORS:0Normal正常CPU=8%RAM=65%□正常□不正常□正常□不正常□正常□不正常□正常□不正常□正常□不正常□正常□不正常□正常□不正常□正常□不正常□正常□不正常□正常□不正常□正常□不正常display memory检测当前所运行的系统中路由交换机的安全 Password已设置并已加4 5 6 7 8 及配置文件#display cu | include aaa检测syslog中的告警事件# display alarm-urgent检测设备温度dis environment检测路由是否正常,邻居建立个数Display ip routing-table检测上下互联端口,链路是否存在errorsDisplay interface密日志中无alarm urgentTemperature低于55邻居: 0路由协议: staticCRCERRORS1 2 3 4 5 6 7 8 观测下列模板的工作状态#display device检测系统配置#dir# display saved-configuration检测CPU、内存的利用率display cpudisplay memory检测当前所运行的系统中路由交换机的安全及配置文件#display cu | include aaa检测syslog中的告警事件# display alarm-urgent检测设备温度dis environment检测路由是否正常,邻居建立个数Display ip routing-table检测上下互联端口,链路是否存在errorsDisplay interface各模板正常识别状态为Normal路由交换机NVRAM,RAM正常存储数据CPU<50%,RAM<60%Password已设置并已加密日志中无alarm urgentTemperature低于55邻居: 0路由协议: staticCRCERRORS已加密无alarm2913CRC:0ERRORS:0Normal正常CPU=8%RAM=51%已加密无alarm3413CRC:0ERRORS:0□正常□不正常□正常□不正常□正常□不正常□正常□不正常□正常□不正常□正常□不正常□正常□不正常□正常□不正常□正常□不正常□正常□不正常□正常□不正常□正常□不正常□正常□不正常观测下列模板的工作状态1#display device检测系统配置2 #dir# display saved-configuration检测CPU、内存的利用率3 display cpudisplay memory检测当前所运行的系统中路由交换机的安全4 及配置文件#display cu | include aaa检测syslog中的告警事件5# display alarm-urgent检测设备温度6dis environment检测路由是否正常,邻居建立个数7Display ip routing-table检测上下互联端口,链路是否存在errors 8Display interface观测下列模板的工作状态1#display device 各模板正常识别状态为Normal路由交换机NVRAM,RAM正常存储数据CPU<50%,RAM<60%Password已设置并已加密日志中无alarm urgentTemperature低于55邻居:路由协议:ospf,staticCRCERRORS各模板正常识别状态为NormalNormal正常Cpu=7%RAM=32%已加密无alarm32CRC:0ERRORS:0Normal□正常□不正常□正常□不正常□正常□不正常□正常□不正常□正常□不正常□正常□不正常□正常□不正常□正常□不正常□正常□不正常检测系统配置路由交换机NVRAM,RAM2 #dir 正常存储数据正常# display saved-configuration检测CPU、内存的利用率 CPU<50%,RAM<60%CPU=5% 3 display cpuRAM=49% display memory检测当前所运行的系统中路由交换机的安全 Password已设置并已加4 及配置文件密已加密#display cu | include aaa □正常□不正常□正常□不正常□正常□不正常检测syslog中的告警事件5# display alarm-urgent检测设备温度6dis environment检测路由是否正常,邻居建立个数7Display ip routing-table检测上下互联端口,链路是否存在errors 8Display interface□正常□不正常□正常28□不正常□正常□不正常□正常□不正常邻居: 0路由协议:static CRCERRORS13CRC:0ERRORS:0日志中无alarm urgentTemperature低于55无alarm设备型号(TYPE) 操作系统版本指示灯状态风扇内存CPU 使用情况TCP 连接数电源指示灯要求:可用>20% 要求: <25%日志分析端口分析路由及连通性检查策略Policie s System Log 确定有无异常事件记录确定各端口工作模式、错误记录等参数是否正常使用 ping 及 tracerouter 等命令,检查路由可达性,测试路由是否正常要求: <10000□是□是序列号(S/N)IP□□□□□□正常正常正常正常正常正常□□□□异常异常异常异常异常异常□□□□正常正常正常正常□□□异常异常异常异常建议:建议:说明:说明:说明: free:5694774KB说明: 20%说明: 282说明:说明:说明:路由模式说明:说明: 2Ios 操作系统备份配置文件备份否否□□设备型号(TYPE) 操作系统版本指示灯状态风扇内存CPU 使用情况TCP 连接数电源指示灯要求:可用>20% 要求: <25%日志分析端口分析路由及连通性检查VPN策略Policie s System Log 确定有无异常事件记录确定各端口工作模式、错误记录等参数是否正常使用 ping 及 tracerouter 等命令,检查路由可达性,测试路由是否正常VPN 模块是否正常,建立连通性要求: <10000□是□是序列号(S/N)IP□ 正常□ 异常□ 正常□ 异常□ 正常□ 异常□ 正常□ 异常□ 正常异常□ 正常异常□正常□正常□正常□正常□正常建议:建议:说明:说明:说明:说明: 3%说明: 162说明:说明:说明:说明:说明:说明: 14Ios 操作系统备份配置文件备份异常异常异常异常异常□□否否□□□设备型号(TYPE) 控制器微码版本硬盘个数RAID 级别阵列个数序列号(S/N)管理地址:Hot Spare 个数PartitionsLUN 个数存储指示灯磁盘故障控制器状态控制器电池状态磁盘柜电源状态光纤线连接状态网线连接状态存储连接冗余指示灯无告警面板指示灯无告警灯亮状态灯无黄色告警无黄色告警,可使用寿命正常电源错误灯无告警光纤接口有无异常网口能正常发光,通讯正常控制器分别接到两个 SAN■■■■■■正常团正常正常正常团正常正常正常正常异常说明:异常说明:异常说明:异常说明:BBU 需更换异常说明:异常说明:异常说明:异常说明:Mapping 设置检查Hot space 硬盘分布是否合理。
设备名称:
检查时间:年月日时本年度第次检查
检查项目:
1.检查存储硬件情况:
设备故障灯是否有亮
SAN交换机端口LED状态
2.存储系统故障报告(Problem Log):
Problem Log/Serviceable Event
有否硬件故障
3.存储系统运行状态:
View Storage Facility State /
CdaPreverify / View RIO Topology
4.通信:
/Master Console/SMC/HMC和存储设备的通信
5.存储设备内部状态:
6.存储系统硬件状态:
双控制器同时正常工作
电池、电源和风扇模块
物理硬盘和逻辑盘
7.微码(Microcode)是否满足IBM的最低要求
8.是否启用了Call Home
9.收集存储设备基本信息存档检查结果:
□有□无
□正常□不正常
□有□无
□正常□不正常
□正常□不正常
□Good □Degraded □Offline□Rebuilding
□正常□不正常
□正常□不正常
□正常□不正常
□是□否
□是□否
□是□否
检查结论:
客户签字:
日期:年月日工程师签字:
日期:年月日。
服务器存储网络设备巡检报告服务器存储网络设备巡检报告一、引言随着信息技术的飞速发展,服务器、存储和网络设备在各行各业的数据处理中发挥着日益重要的作用。
为了确保这些设备的稳定性和安全性,我们对所有关键服务器、存储和网络设备进行了全面的巡检。
本报告将详细介绍我们的巡检过程、发现的问题以及采取的相应措施。
二、巡检过程我们按照预定的流程,对所有服务器、存储和网络设备进行了详细的检查。
巡检过程包括以下几个步骤:1、设备外观检查:检查设备的外观是否有明显的损坏,如划痕、凹痕、掉漆等。
2、设备运行状态检查:检查设备的运行状态,包括CPU、内存、硬盘等关键指标。
3、网络连接检查:检查设备的网络连接是否正常,包括网卡、交换机端口、网络线路等。
4、备份配置检查:对设备的配置备份进行验证,确保配置文件的安全性。
三、发现问题在巡检过程中,我们发现以下问题:1、服务器1的硬盘使用率较高,接近80%。
2、网络设备2的某个交换机端口处于故障状态。
3、存储设备3的备份配置文件丢失。
四、采取的措施针对以上发现的问题,我们采取了以下措施:1、对服务器1进行维护,增加硬盘空间,降低硬盘使用率。
2、更换网络设备2的故障端口,确保网络连接的稳定性。
3、重新创建存储设备3的备份配置文件,确保配置文件的安全性。
五、总结与建议本次巡检全面覆盖了所有服务器、存储和网络设备,及时发现并解决了存在的问题,确保了设备的稳定性和安全性。
为了更好地进行设备管理,我们建议:1、定期进行设备巡检,及时发现并解决问题。
2、建立完善的设备管理档案,记录设备的配置信息、运行状态等。
3、加强设备备份管理,确保备份文件的完整性和可用性。
通过以上措施的实施,我们将能够更好地保障服务器、存储和网络设备的稳定运行,为业务发展提供坚实的技术支持。
服务器、存储、数据库巡检服务器、存储与数据库巡检:确保企业数据基础架构稳定性的关键在当今高度数字化的时代,数据对于企业的运行至关重要。
巡检服务报告单
设备名称:
检查时间:年月日时本年度第次检查
检查项目:检查结果:
1. 检查存储硬件情况:
设备故障灯是否有亮□有□无
SAN交换机端口LED状态□正常□不正常
2. 存储系统故障报告(Problem Log):
Problem Log/Serviceable Event
有否硬件故障□有□无
3. 存储系统运行状态:
View Storage Facility State /
CdaPreverify / View RIO Topology □正常□不正常
4. 通信:
/Master Console/SMC/HMC和存储设备的通信□正常□不正常
5. 存储设备内部状态:□Good □Degraded □Offline□Rebuilding
6. 存储系统硬件状态:
双控制器同时正常工作□正常□不正常
电池、电源和风扇模块□正常□不正常
物理硬盘和逻辑盘□正常□不正常
7. 微码(Microcode)是否满足IBM的最低要求□是□否
8. 是否启用了Call Home □是□否
9. 收集存储设备基本信息存档□是□否
检查结果:
目前存储的问题:
客户签字:工程师签字:
日期:年月日日期:年月日。