缆风、锚锭设置专项方案
- 格式:doc
- 大小:251.00 KB
- 文档页数:4
一、方案背景随着我国经济的快速发展,基础设施建设日益完善,缆风绳作为一种重要的建筑材料,广泛应用于桥梁、隧道、高空作业等领域。
为确保缆风绳在施工过程中的安全性能,提高施工效率,特制定本专项方案。
二、方案目标1. 确保缆风绳在施工过程中的安全性能,降低安全事故发生的概率。
2. 提高缆风绳的施工效率,缩短工期。
3. 优化缆风绳的运输、储存和使用过程,减少损耗。
三、方案内容1. 缆风绳选型根据工程特点和施工要求,选择符合国家标准的缆风绳。
主要考虑以下因素:(1)强度:根据工程荷载,选择符合要求的强度等级。
(2)直径:根据施工环境和施工方法,选择合适的直径。
(3)材质:优先选用高强度、耐腐蚀、抗拉性能好的材质。
2. 缆风绳运输与储存(1)运输:采用专用车辆运输,确保缆风绳在运输过程中的安全。
(2)储存:储存场所应通风、干燥、防潮、防腐蚀,避免阳光直射。
3. 缆风绳施工准备(1)施工人员:组织具备相关资质的施工人员进行培训,确保其掌握缆风绳的施工技术。
(2)施工设备:准备必要的施工设备,如起重设备、牵引设备等。
(3)施工材料:准备足够的缆风绳、连接件、紧固件等材料。
4. 缆风绳施工工艺(1)放线:按照设计要求,准确放线,确保缆风绳的直线度。
(2)连接:采用合适的连接方式,确保连接部位的强度和可靠性。
(3)张拉:根据设计要求,进行缆风绳的张拉,确保其达到设计强度。
(4)锚固:采用可靠的锚固方式,确保缆风绳的稳定性和安全性。
5. 缆风绳施工质量控制(1)施工过程中,加强对缆风绳的检查,确保其符合设计要求。
(2)对施工人员进行现场指导,及时发现并解决施工过程中存在的问题。
(3)做好施工记录,为工程验收提供依据。
四、方案实施与监督1. 实施部门:成立缆风绳专项方案实施小组,负责方案的执行和监督。
2. 监督措施:(1)定期对缆风绳的选型、运输、储存、施工过程进行监督检查。
(2)对施工人员进行现场指导,确保施工质量。
一、编制依据1. 国家及地方相关法律法规、规范标准;2. 工程设计文件及施工图纸;3. 工程地质勘察报告;4. 施工现场实际情况。
二、工程概况1. 工程名称:XX项目;2. 工程地点:XX省XX市;3. 工程规模:XX;4. 工程类型:XX。
三、施工前提条件1. 施工场地已平整、清障,满足施工要求;2. 施工用水、用电、道路等基础设施已到位;3. 施工人员已具备相关资质,且经过专业培训;4. 施工材料、设备已按计划进场,并验收合格。
四、施工工序1. 施工准备;2. 钻孔;3. 锚索制作;4. 锚索安装;5. 锚索灌浆;6. 锚索张拉;7. 封锚;8. 施工验收。
五、施工技术及工艺1. 钻孔:采用旋转钻进法,选用适合的钻头和钻杆;2. 锚索制作:选用高强度、低松弛钢绞线,按设计要求进行锚索制作;3. 锚索安装:将锚索穿入孔内,调整锚索位置,确保锚索垂直;4. 锚索灌浆:采用水泥浆灌浆,灌浆压力控制在0.5~0.7MPa之间;5. 锚索张拉:采用张拉机具进行锚索张拉,张拉力控制在设计要求范围内;6. 封锚:采用水泥砂浆封锚,确保锚索固定牢固。
六、施工质量保证措施1. 施工人员需严格按照施工规范和操作规程进行施工;2. 施工材料、设备需经检验合格后方可使用;3. 施工过程中,加强对锚索孔位、锚索安装、灌浆、张拉等关键工序的质量控制;4. 定期对施工质量进行检查、验收,确保工程质量符合设计要求。
七、安全保证措施1. 施工人员需穿戴个人防护用品,严格遵守安全操作规程;2. 施工现场设置安全警示标志,确保施工安全;3. 加强施工现场安全管理,防止发生安全事故;4. 定期对施工人员进行安全教育培训,提高安全意识。
八、环境保护及文明施工措施1. 施工现场应保持整洁,及时清理施工垃圾;2. 施工过程中,采取措施降低噪音、粉尘等污染;3. 加强施工现场文明施工管理,确保施工环境整洁。
九、施工进度安排1. 施工准备阶段:5天;2. 施工阶段:30天;3. 验收阶段:5天。
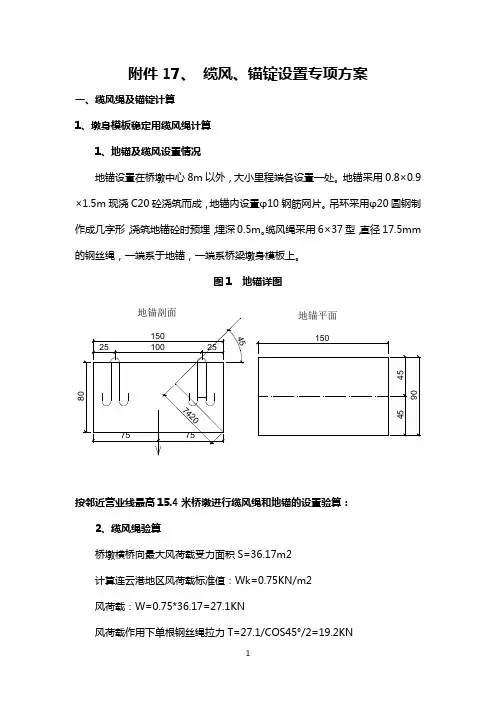
附件17、 缆风、锚锭设置专项方案一、缆风绳及锚锭计算1、墩身模板稳定用缆风绳计算1、地锚及缆风设置情况地锚设置在桥墩中心8m 以外,大小里程端各设置一处。
地锚采用0.8×0.9×1.5m 现浇C20砼浇筑而成,地锚内设置φ10钢筋网片。
吊环采用φ20圆钢制作成几字形,浇筑地锚砼时预埋,埋深0.5m 。
缆风绳采用6×37型,直径17.5mm 的钢丝绳,一端系于地锚,一端系桥梁墩身模板上。
图1 地锚详图地锚平面按邻近营业线最高15.4米桥墩进行缆风绳和地锚的设置验算:2、缆风绳验算桥墩横桥向最大风荷载受力面积S=36.17m2计算连云港地区风荷载标准值:Wk=0.75KN/m2风荷载:W=0.75*36.17=27.1KN风荷载作用下单根钢丝绳拉力T=27.1/COS45°/2=19.2KN缆风绳钢丝绳最小破断拉力:Tmin=0.82×111.53×1850=169KN经验算,采用6×37型,直径17.5mm的钢丝绳作为缆风绳满足施工要求。
3、地锚验算地锚自重:G=0.8×0.9×1.5×25=27KN(未考虑土体摩擦力)风荷载作用下缆风绳对地锚的竖向作用力:N=19.2×COS45°=13.6KN抗倾覆验算:K=(27×0.75)/(19.2×0.742)=1.42≥1施工地锚前,先进行管线位置确认,防止施工地锚基础挖断、挖伤管线。
2、脚手架稳定性验算根据附件6-2可知,墩身脚手架在不组合风荷载时:(安全)在组合风荷载时:(安全)。
故脚手架使用过程中不会发生倾覆。
但为了确保安全,设置缆风防护。
缆风采用6×37型,直径17.5mm的钢丝绳,锚锭用墩身模板锚锭。
3、桩基钻孔桩施工稳定性验算倾覆力矩:2X40×1.5+6*0.6=123.6KN.m抗倾覆力矩:80*3.5=280KN.m280/123.6=2.27移机过程中,冲击钻机锤头须卸掉,也不会发生倾覆。
门式起重机抗风缆风绳设置标准
一、抗风缆风绳设置标准
门式起重机抗风缆风绳的设置是为了提高设备的抗风能力,保障设备及人员的安全。
本标准适用于门式起重机的抗风缆风绳设置,包括适用范围、引用标准、术语和定义、抗风缆风绳设置要求、安装方法、检查与维护、使用与操作及应急处置措施等方面。
二、适用范围
本标准适用于新建和既有门式起重机的抗风缆风绳设置工作,包括规划、设计、安装、使用和维护等环节。
三、引用标准
本标准引用了《起重机械安全规程》、《起重机械监督检验规程》等相关法规和技术标准。
四、术语和定义
1.抗风缆风绳:用于固定在门式起重机端部,提高设备抗风能力的钢丝绳或合成纤维绳。
2.预紧力:在安装和使用过程中,为保证抗风缆风绳的紧固力而施加在缆风绳上的预应力。
3.锚定端:固定抗风缆风绳的端部,通常设在门式起重机端部或支撑结构上。
4.悬吊端:连接锚定端和支撑结构的可动端,通常采用滑轮或定滑轮等导向装置。
五、抗风缆风绳设置要求
1.抗风缆风绳应选用符合相关标准的钢丝绳或合成纤维绳,并经过检验合格后方可使用。
2.抗风缆风绳的直径应与起重机的类型和使用要求相匹配,且不得小于钢丝绳最小直径的规定。
3.抗风缆风绳的长度应满足设备的尺寸和使用要求,并确保在最大工作负载下不会产生过大的变形和应力。
4.抗风缆风绳的锚定端应牢固固定在门式起重机端部或支撑结构上,确保在最大风力下不会发生位移和脱落现象。
现场采用3根12缆风绳成三角形对拉锚锭桥墩模板,缆风绳锚锭于钢平台上或者已经施工完成的系梁上。
缆风绳拉力计算:T=(kp+Q)c/(asinα)T=(2×5+80) ×1/(31×sin40°)=11.66KNk—动载系数,取2p—动载重量,取5KN(0.5吨)Q—模板自重,取80KN(8吨)C—倾斜距,取1m(倾斜度5°)a—桥墩模板到锚锭的距离,取31m(支架高27m)α—缆风绳与地面的夹角,取40°缆风绳选择:F=(TK1)/δ=(11.66×3.5) /0.85=48KNT—缆风绳拉力,11.66KNK1—安全系数,取3.5δ—不均匀系数,取0.85F—钢丝绳拉力查表选用钢丝绳极限强调为1470N/mm2,6×19直径12mm钢丝绳[F]=70.2KN>48KN 满足条件锚锭计算:K2T1≤G+g+fK2—安全系数,取2T1—锚锭受拉力T后的垂直分力,T1= T×sin40°=7.49KNT—缆风绳拉力,11.66KNα—缆风绳与地面的夹角,取40°G—锚锭重力g—钢平台拉力f—钢平台摩擦力钢平台拉力g=Hblγ=0.3×0.6×0.6×80=8.64KNH—锚锭深度,取0.3mb—锚锭宽度,取0.6ml—锚锭长度,取0.6mγ—钢平台重度,取80KN/m3钢平台摩擦力f=μT2=0.4×8.9=3.56KNμ—摩擦系数,取0.4mT2—锚锭受拉力T后的水平分力,T2= T×cos40°=8.9KN 锚锭重力G≥K2T1-g-f=2×7.49-8.64-3.56=1.89KN选用混凝土块做锚锭,混凝土重度λ取24 KN/m3混凝土块方量A=G/λ=2.78/24=0.11 m3锚锭厚度h=A/bl=0.11/(0.6×0.6)=0.3m钢丝绳结构6×19+FC 6×19+IWS力学性能。
缆风绳和地锚设置规范
电缆风绳和地锚是工程起重作业的重要安全设置,在起重作业前都需要认真实施检查和设置工作,以确保安全作业。
1、电缆风绳的安装:起重打桩作业以及吊装物料时,首先要进行电缆风绳的安装工作。
主要是将吊绳从提升设备的集力器转移到在工作区域的受力锚点,为拉扯力因素及方向作好准备,将受力锚点处的吊绳与提升设备的集力器相结合,安装时也要留意不得调换吊绳安装位置和根数,且安装完成后,吊绳的张紧力要经过测量,以确保好的安全因素和操作性能。
2、地锚设置:在起重操作过程中,大多在外部进行,通常需要用到地锚来保证托杆或设备稳固不动。
在常规操作中,首先要向工地经理了解实施地锚作业的具体地点,按要求进行有效的抽样地基强度测试,按照作业程序实施拔地锚作业,地锚拔出时,应立即开展安全检查,以确保地锚正常安装。
3、安全检查:在实施电缆风绳和地锚设置前,应充分考虑安全因素,严格按要求进行带电作业,督促员工具备安全帽、安全鞋等保护设备。
认真核对受力锚点及其固定力,确保铰链紧固、吊绳不得打结,严格检查锚钉尺寸和抗拔力要求,确保发生机械故障时,可确保安全。
安全执行电缆风绳和地锚的设置,是确保起重作业安全的重要技术措施。
只有认真遵守电缆风绳和地锚设置规范,严格执行安全检查步骤,遵守工作作业程序,才能有效保障起重作业的安全稳定性。
龙门吊防台风措施
为有效防止龙门吊在台风、暴雨等恶劣天气下,倾覆、破坏等安全事故的发生,特制定龙门吊防台风加固方案。
1、一般情况下的加固(风力不大于六级)
(1)龙门吊每一作业使用完后停靠在9-10#墩固定位置,走行天车停靠在龙门吊支腿附近,滑轮组放至离地面3米高处并用绳索固定。
(2)龙门吊台车采用防滑铁靴扣死,支腿两侧均采用φ19.5缆风绳锚固在砼锚锭上,缆风绳锚固时应用5吨倒链拉紧,共设计8道缆风绳,缆风绳与地面角度约45度。
2、台风来前的加固措施
(1)台风来前应将龙门吊开至8#墩端头,使龙门吊左侧附支腿紧贴8#墩侧引桥箱梁翼板砼,采用[14槽钢联结在箱梁预埋钢筋上。
(2)龙门吊桁梁及支腿采用φ19.5缆风绳一侧锚固在引桥箱梁上,另一侧锚固在9#墩外侧的砼地锚上,均使用10吨倒链拉紧,共设计8道缆风绳(支腿两侧面各一道),两道型钢连接。
中铁四局集团第二工程有限公司 1
3、锚锭及缆风绳设置
龙门吊锚锭均采用C15砼浇注,锚锭底宽1.5米,长2.5米,高2米,重约18吨,锚锭砼内预埋三根2.5米长枕木,通过千斤绳与地面倒链相连。
缆风绳均采用φ19.5钢丝绳,纲丝绳一头固定有龙门吊支腿上,另一侧与倒链相接,龙门吊行走时取下缆风盘在龙门吊横梁即可。
中铁四局集团第二工程有限公司 2。
基础、附墙架、缆风绳和地锚安全要求模版一、基础安全要求:1. 基础选择:选择适当的地点进行基础施工,避免地势低洼或不稳定的地方,确保基础牢固可靠。
2. 基础材料:使用高质量的建筑材料,确保基础的强度和耐候性。
3. 基础设计:根据实际情况,进行合理的基础设计,包括基础的深度、规格、形状等。
4. 施工要求:确保基础施工按照相关规范和标准进行,注意施工过程中的安全措施,如防护措施、通风设备等。
5. 环境保护:在基础施工过程中,注意保护周围的环境,避免对土地、水源等造成污染。
二、附墙架安全要求:1. 材料选择:选择高质量钢材制作附墙架,确保其强度和稳定性。
2. 架设要求:附墙架应按照规范和标准进行架设,注意安全间距和架设的均匀性。
3. 固定方式:附墙架应牢固地固定在墙体上,确保其稳定性和安全性。
4. 荷载要求:附墙架应能够承受所需的荷载,如窗户、门等重量,并且能够应对风力和地震等自然灾害。
5. 检测和维护:定期检测附墙架的稳定性和安全性,并及时修复或更换损坏的部件。
三、缆风绳安全要求:1. 材料选择:选择高强度和耐候性的材料制作缆风绳,确保其能够承受强风的拉力。
2. 安装要求:缆风绳应按照规范和标准进行安装,保持适当的张力,并确保其不会松动或脱落。
3. 缆风绳间距:缆风绳的间距应根据风力和结构的要求进行合理设置,避免过小或过大。
4. 固定方式:缆风绳应牢固地固定在结构物上,确保其稳定性和安全性。
5. 维护检查:定期检查缆风绳的张力和固定情况,及时修复或更换损坏的部件。
四、地锚安全要求:1. 选择合适的地锚:根据实际情况选择适当的地锚类型,如膨胀地锚、桩式地锚等。
2. 安装要求:地锚应按照规范和标准进行安装,确保其稳固地固定在地面上。
3. 检测要求:定期检测地锚的稳定性,包括地锚的固定牢固性和地面的承载能力等。
4. 维护保养:定期清洁地锚,并检查其是否有损坏或锈蚀情况,及时维修或更换需要修复的部分。
5. 监测预警:安装地锚后,应设立监测预警机制,定期检测地锚的状态,并及时采取措施应对意外情况。
锚碇施工方法(完整已排版)锚碇施工方法1、工程概况(1)概述锚体整体呈马鞍造型,锚体顺桥向全长56m,横桥向前趾宽10m、后趾宽43.7m、锚体地面高43.57m。
横桥向上、下游锚体中心距离28.7m。
后锚室宽13m,高2.5m,深14.7m。
锚体主要采取C30和C40混凝土,预应力钢绞线主要采用环氧涂层钢绞线。
锚体锚固采用索股锚固拉杆预应力钢束锚固。
(2)施工场地周围环境工程地点位于XX路右侧,距XX加油站仅20m,距XX娃哈哈厂约30m。
由于紧挨加油站及XX路,施工安全较为困难。
2、锚碇主要施工方法及施工流程(1)锚体分块分层浇筑划分在满足大体积混凝土温控要求的前提下,锚体浇筑分层尽量方便施工。
锚体大体积混凝土包括锚块、锚块连接段、鞍部及压重块。
其中锚块15层、锚块连接段9层、压重块6层、鞍部16层、后浇带3层、侧墙8层。
(2)锚固系统施工1)主要材料锚杆采用40CrNiMoA,扣紧螺母、球面垫圈及内球面垫圈采用40Cr,连接器采用45号锻钢。
定位支架采用角钢、槽钢,材质为Q235C 钢。
锚杆外包层采用泡沫塑料和油毛毡。
2)施工要点南锚主缆锚固系统是由索股锚固拉杆构造和预应力钢束锚固构造组成的。
在前锚面位置,锚固拉杆一端与索股锚头上的锚板相连接,另一端与被预应力钢束锚固于前锚面的连接器相连接。
索股锚固拉杆构造采用单锚头类型,单锚头类型由2根拉杆和单索股锚固连接器构成,每根主缆两端有88个单锚头类型的索股锚固拉杆构造。
预应力钢束锚固系统构造由预应力钢束和锚具组成,预应力管道埋设于锚块内。
对应于单锚头类型连接器选用15-16预应力钢束锚固,预应力钢束锚具采用特制15-16型锚具。
拉杆方向需均与其对应索股方向一致。
前锚面至后锚面锚固距离为18m,前锚面与后锚面均设锚固槽口与中心索股垂直的平面。
索股锚固的预应力钢束其方向与索股方向一致。
拉杆方向误差采用球面垫圈和内球面垫圈调整。
3)锚体施工锚体为大体积混凝土结构,采取平面分块、竖向分层的施工方法。
6101标段三工区大雁山隧道出口水泥罐缆风绳安装专项方案中铁十一局集团有限公司深圳地铁6号线6101标三工区项目部二〇一五年十一月6101标段三工区大雁山隧道出口水泥罐缆风绳安装专项方案编制:审核:批准:中铁十一局集团有限公司深圳地铁6号线6101标三工区项目部二〇一五年十一月目录第一章编制依据 (1)1.1 编制依据 (1)1.2 编制原则 (1)第二章工程概况 (2)第三章缆风绳施工 (3)3.1 水泥罐型号 (3)3.2 缆风绳设置 (3)3.3 地锚设置 (4)3.4 缆风绳安装 (4)3.5 缆风绳及地锚计算 (5)第四章安全措施 (7)第一章编制依据1.1 编制依据(1)《建筑地基基础设计规范》(GB50007-2002);(2)《混凝土结构设计规范》(GB50010-2002);(3)《钢结构设计规范》(GB50017);(4)建筑结构荷载规范;1.2 编制原则(1)坚持“安全第一、预防为主”的原则(2)坚持“文明施工、严密监控、保护环境”的原则。
(3)坚持“安全高效,技术可靠,经济合理”的原则。
第二章工程概况深圳地铁 6 号线主体工程 6101 标线路起自深圳北站,终于光明中心站,全标段长度为 23.701km,共 10 站 9 区间。
其中上屋北站~长圳站区间暗挖隧道穿越大雁山,大雁山隧道全长3089m,其中包括明挖区间 856m,暗挖隧道区间2233m,是深圳市城市轨道交通 6 号线控制性工程。
喷锚拌合站设在大雁山隧道浅埋段,位于大雁山隧道出口右侧平地,负责隧道出口暗挖隧道喷锚混凝土拌合施工。
喷锚拌合站为2个50T水泥罐,总容量为100T,单个罐体重5T,罐体直径 2.8m,罐体高度为 5.4m,罐体总高度为10m,支腿临边间距为 2.04m。
水泥罐位置地基承载力大于153kPa,基础采用钢筋混凝土,基础承载力236kPa、水泥罐最大压应力(加入风荷载)为 138.32 kPa。
红岛经济区河套街道东部安置组团十一期工程(西河套01)住宅部分板房防风加固方案编制:审核:审批:青岛建设集团建兴工程有限公司2020年1月目录一、青岛气候特征 (3)二、板房加固做法 (5)三、施工安全注意事项 (6)四、附件:计算书 (7)活动板房防风加固方案一、青岛气候特征青岛市地处暖温带季风型气候区域,属温带季风气候,因受海洋调节影响,表现出海洋性气候特点:空气湿润、温度适中、四季分明。
具有春迟、夏凉、秋爽、冬长但不很严寒之特点。
青岛地区历年最高气温37.5°C,最低气温-16.4°C,历年平均气温12.2°C;历年相对湿度73%;风向以ES、WN向为最多,6级以上大风以N—NW向最多,出现频率N —NW向为16.8%,WN向为13.8%;瞬间最大风速44.2m/s(1956年7月),累年平均风速5.5m/s,11月至翌年2月风速最大,平均为6.2m/s,7、8月最小,为4.7m/s,;年平均受台风侵袭或外围影响13次;近五十年最大降水量1227.6mm,最小降水量386.3mm,平均降水量679.44mm,降水集中在6~9月份(占全年降水量的70%~76%)。
本地区有冷空气大风和台风大风两种,年平均大风日数为2.6~12.4天,因此对于本项目临设活动板房(生活区、办公区),需考虑在未来几年内尤其是沿海台风登陆受风灾影响而加固,确保在暴雨及台风天气来临之际,活动板房的整体安全性。
二、板房加固做法活动板房的加固做法由板房厂家根据板房性能以及其多年丰富的实际经验总结而成,两层与单层板房加固做法相同,具体加固做法为:在板房屋面,采用φ48×3.6钢管,竖向每3.6m一道,横向在屋面顶部两侧50公分、屋面顶部两侧250公分及屋面檐口处各一道,采用扣件搭设钢管网格架,在板房前后两个立面间隔3.6m,采用地锚与地面拉结加固(具体做法见详图),拉结采用φ6.0mm 钢丝绳进行拉结加固,钢丝绳拉结时必须拉紧(采用M12花篮螺栓调节拉紧)。
龙岩市恒达工程有限公司建筑施工井架架设安全技术二00三年九月龙岩市恒达工程有限公司施工井架架设安全技术方案一、一般技术要求1、井架结构必须符合JGJ88~42安全技术要求。
井架安装必须符合JGJ59~99“建筑施工安全检查评分标准”。
2、建筑施工井架结构有三种①格构式②杆件式③钢管扣件塔设的钢管扣件井架。
杆件式井架又有单吊笼和内双吊笼两种。
①格构式井架:架设限高(架体总高)为30米以下,用于外双吊笼井架。
②杆件式井架:架设限高(架体总高)为60米,用于内双吊笼井架或内单吊笼井架。
高于55米建筑主体施工必须使用塔吊或施工电梯。
③钢管扣件井架:用于无法架设施工井架,但又需要垂直施工机械的建筑物特殊部位,架设限高与杆件式要求相同,但支撑绳轮架受力部位及架体结构必须严格按公司总工室审批过的方案实施。
④格构式、杆件式井架必须有中国技术监督局、质量检测中心认可产品才准在建筑工地上安装和使用。
⑤井架如必须设置在建筑物的楼板或悬挑部位,必须得到设计院书面同意方准实施。
3、井架材质要求:140×58×6―GB707―65①建筑施工井架底座槽钢规格不得小于─────────A3F―YB170―6340×40×4―YB167―65②格构式井架体角钢规格不宜小于─────────A3F―YB170―6375×75×6―YB167―65③杆件式井架体角钢规格不宜小于─────────A3F―YB170―63连杆及斜拉杆角钢规格不宜小于∠50×50×5φ48×4GB70―79④脚手架钢管材质必须采用────────扣件材质必须YB234―63符合KT33-8,扣件螺栓材质必须符合GB5-66及GB41-66扣件铆钉材质必须采用20、25铆钉钢。
⑤钢丝绳宜采用GB1102-74标准。
⑥螺栓(母)宜采用GB30-76标准件。
GB1348-78⑦绳轮和改向轮材质宜采用───────QT40-174、井架在建筑施工中是把建筑材料提升到施工面重要垂直提升设备,严禁载人。
良庆大桥北锚碇施工方案一、前言良庆大桥北锚碇施工是一个复杂而重要的工程环节,对整个桥梁工程的稳定性和安全性具有关键性影响。
本文将就良庆大桥北锚碇施工的设计方案进行详细介绍。
二、施工要点1.地质勘察:在选择北锚碇的位置前,需进行详尽的地质勘察,掌握地质情况,确保施工的合理性和安全性。
2.施工工艺:采用先进的施工工艺,包括挖孔灌注桩、悬臂浇筑等,确保施工的高效性和质量。
3.材料选择:选用高质量的混凝土和钢材作为施工材料,保证北锚碇的强度和稳定性。
4.施工组织:确立科学合理的施工组织方案,明确各个工序的责任和流程,保障施工的顺利进行。
三、施工步骤1.洞口开挖:根据设计要求,在北锚碇位置进行洞口的开挖,保证开挖的尺寸和质量符合要求。
2.筑底处理:对洞口底部进行处理,确保打好的基础坚实平整。
3.钢筋安装:将预埋的钢筋按设计要求布置到位,保证北锚碇的强度和稳定性。
4.混凝土浇筑:采用振捣混凝土技术进行浇筑作业,确保混凝土质量密实坚固。
5.养护处理:对浇筑完成的北锚碇进行养护处理,保证混凝土的强度和耐久性。
四、施工安全1.安全措施:在施工过程中,严格执行施工安全规程,做好相关安全防护工作,确保施工人员的安全。
2.监测监控:进行施工过程的实时监测和监控,随时掌握施工中的各种参数和情况,及时进行调整和处理。
五、总结良庆大桥北锚碇施工方案的设计和实施,需要科学严谨的工程管理和技术支持。
只有做好施工准备、确保施工质量和安全,才能顺利完成北锚碇的施工工程,为整个大桥工程的顺利运行提供坚实保障。
一、编制依据1. 《建筑工程施工质量验收统一标准》(GBJ50300-2001)2. 《建筑基坑工程监测技术规程》(GB50497-2009)3. 《建筑基坑支护技术规程》(JGJ120-2012)4. 本单位相关施工规范及经验二、工程概况本工程为XX地区某建筑工程,基坑深度约6米,占地面积约1000平方米。
基坑支护采用预应力锚索技术,以确保工程安全、稳定。
三、施工前提条件1. 施工现场已具备施工条件,包括:临时道路、施工用水、用电等。
2. 施工人员已进行安全教育和培训,熟悉相关操作规程。
3. 施工所需材料、设备已准备齐全,质量符合要求。
四、施工工序1. 施工准备:测量放样、场地平整、材料设备进场。
2. 钻孔:根据设计要求,采用螺旋钻机进行钻孔。
3. 锚索制作:采用高强度钢绞线,按设计要求进行锚索制作。
4. 锚索安装:将锚索放入钻孔内,进行固定。
5. 注浆:对锚索进行注浆,确保锚固效果。
6. 锚索张拉:对锚索进行张拉,以达到设计要求的预应力。
7. 封锚:对锚索进行封锚处理,确保锚固效果。
五、施工技术及工艺1. 钻孔:采用螺旋钻机进行钻孔,孔径应大于锚索直径20mm。
2. 锚索制作:采用高强度钢绞线,按设计要求进行锚索制作,确保锚索质量。
3. 锚索安装:将锚索放入钻孔内,采用锚索夹具进行固定。
4. 注浆:采用水泥浆进行注浆,注浆压力应控制在0.5MPa-1.0MPa之间。
5. 锚索张拉:采用千斤顶进行张拉,张拉力应控制在设计要求的范围内。
六、施工质量保证措施1. 施工前对施工人员进行技术交底,确保施工人员掌握施工工艺和质量要求。
2. 施工过程中,对施工质量进行全过程监控,确保施工质量符合设计要求。
3. 对施工材料、设备进行严格检查,确保质量符合要求。
4. 施工完成后,对锚索进行检测,确保锚固效果。
七、安全保证措施1. 施工现场设置安全警示标志,确保施工人员安全。
2. 施工过程中,对施工人员进行安全教育和培训,提高安全意识。
2024年基础、附墙架、缆风绳和地锚安全要求一、基础安全要求1.高架提升机的基础应进行设计,基础应能可靠的承受作用在其上的全部荷载。
基础的埋深与做法,应符合设计和提升机出厂使用规定。
2.低架提升机的基础,当无设计要求时,应符合下列要求:(1)土层压实后的承载力,应不小于80kpa;(2)浇注C20混凝土,厚度300mm;(3)基础表面应平整,水平度偏差不大于10mm。
3.基础应有排水措施。
距基础边缘5m的范围内,开挖沟槽或有较大振动的施工时,必须有保证架体稳定的措施。
二、附墙架安全要求1.提升机附墙架的设置应符合设计要求,其间隔一般不宜大于9m,且在建筑物的顶层必须设置1组。
2.附墙架与建筑物结构的连接应进行设计。
附墙架与架体及建筑物之间,均应采用刚性件连接,并形成稳定结构,不得连接在脚手架上。
严禁使用铅丝绑扎。
3.附墙架的材质应与架体的材质相同,不得使用木杆、竹竿等做附墙架与金属架体连接。
三、缆风绳安全要求1.当提升机受到条件限制无法设置附墙架时,应采用缆风绳稳固架体。
高架提升机在任何情况下均不得采用缆风绳。
2.提升机的缆风绳应经计算确定(缆风绳的安全系数n取3.5)。
缆风绳应采用圆股钢丝绳,直径不得小平9.3mm。
提升机高度在20m以下(含20m)时,缆风绳不少于1组(4~8根);提升机高度在21~30m时,不少于2组。
3.缆风绳应在架体四角有横向缀件的同一水平面上对称设置,使其在结构上引起的水平分力,处于平衡状态。
缆风绳与架体的连接处应采用措施,防止架体钢材对缆风绳的剪切破坏。
对连接处的架体焊缝及附件必须进行设计计算。
4.缆风绳与地面的夹角不应大于60,其下端应与地锚连接,不得拴在树木、电杆或堆放构件等物体上。
5.缆风绳与地锚之间,应采用与钢丝绳拉力相适应的花篮螺栓拉紧。
缆风绳垂度不大于0.01L(L为长度),调节时应对角进行,不得在相邻角同时拉紧。
6.当缆风绳需要改变位置时,必须先作好预定位置的地锚,并加临时缆风绳确保提升机架体的稳定,方可移动原缆风绳的位置;待与地锚栓牢后,再拆除临时缆风绳。
附件17、 缆风、锚锭设置专项方案
一、缆风绳及锚锭计算
1、墩身模板稳定用缆风绳计算
1、地锚及缆风设置情况
地锚设置在桥墩中心8m 以外,大小里程端各设置一处。
地锚采用0.8×0.9×1.5m 现浇C20砼浇筑而成,地锚内设置φ10钢筋网片。
吊环采用φ20圆钢制作成几字形,浇筑地锚砼时预埋,埋深0.5m 。
缆风绳采用6×37型,直径17.5mm 的钢丝绳,一端系于地锚,一端系桥梁墩身模板上。
图1 地锚详图
地锚平面
按邻近营业线最高15.4米桥墩进行缆风绳和地锚的设置验算:
2、缆风绳验算
桥墩横桥向最大风荷载受力面积S=36.17m2
计算连云港地区风荷载标准值:Wk=0.75KN/m2
风荷载:W=0.75*36.17=27.1KN
风荷载作用下单根钢丝绳拉力T=27.1/COS45°/2=19.2KN
缆风绳钢丝绳最小破断拉力:Tmin=0.82×111.53×1850=169KN
经验算,采用6×37型,直径17.5mm的钢丝绳作为缆风绳满足施工要求。
3、地锚验算
地锚自重:G=0.8×0.9×1.5×25=27KN(未考虑土体摩擦力)
风荷载作用下缆风绳对地锚的竖向作用力:N=19.2×COS45°=13.6KN
抗倾覆验算:K=(27×0.75)/(19.2×0.742)=1.42≥1
施工地锚前,先进行管线位置确认,防止施工地锚基础挖断、挖伤管线。
2、脚手架稳定性验算
根据附件6-2可知,墩身脚手架在不组合风荷载时:
(安全)在组合风荷载时:
(安全)。
故脚手架使用过程中不会发生倾覆。
但为了确保安全,设置缆风防护。
缆风采用6×37型,直径17.5mm的钢丝绳,锚锭用墩身模板锚锭。
3、桩基钻孔桩施工稳定性验算
倾覆力矩:2X40×1.5+6*0.6=123.6KN.m
抗倾覆力矩:80*3.5=280KN.m
280/123.6=2.27
移机过程中,冲击钻机锤头须卸掉,也不会发生倾覆。
故冲击钻机施工和移机过程中不会发生倾覆。
但为了确保安全,设置缆风防护。
缆风采用6×37型,直径17.5mm的钢丝绳,锚锭用墩身模板锚锭。
二、缆风绳和锚锭设置
地锚设置在桥墩中心外侧8m,大小里程端各设置一处。
地锚采用0.8×0.9×1.5m现浇C20砼浇筑而成,地锚内设置φ10钢筋网片。
吊环采用φ20圆钢制作成几字形,浇筑地锚砼时预埋,埋深0.5m。
具体见下图
1、墩身模板缆风绳为2根6×37型,直径17.5mm的钢丝绳;
2、脚手架缆风绳为2根6×37型,直径17.5mm的钢丝绳;
3、冲击钻机施工和移机过程中的缆风绳为1根6×37型,直径17.5mm的钢丝绳;
4、道岔梁支架缆风绳每孔为2根6×37型,直径17.5mm的钢丝绳,在196—205#墩布置。
5、上述缆风绳共用锚锭。
6、对倒塌后的钻机、模板及脚手架等侵入铁路安全限界内的按照上述原则设置缆风绳作为防倾覆措施。
7、锚锭设置见下图。
图2 锚锭布置图(每墩布置)
三、缆风绳和锚锭施工
1、锚锭施工顺序:施工准备——锚锭预制——施工放线——现场探勘——施工确认——机械开挖——埋置锚锭——拉设缆风。
1、锚锭开挖前须会同设备管理单位探明没有地下管线后方可进行,否则须待管线迁改后方可进行;
2、锚锭采用C20混凝土预制。
待装地点基坑开挖后埋设,并将基坑周边夯实。
3、缆风绳与地锚系接时,缆风绳与地面之间的夹角按照不超过60度控制,每端安装卡扣数量不少于3个,按照同一方向布置。
4、锚锭锚筋必须采用圆钢,严禁用螺纹钢代替,必须保证锚筋埋置深度满足要求。