普氏硬度系数表
- 格式:doc
- 大小:36.50 KB
- 文档页数:1
莫氏硬度简介矿物莫氏硬度Mohs’ scale of hardness;Mons’ hardness sca le又名莫斯硬度,表示矿物硬度的一种标准。
1812年由德国矿物学家莫斯(Frederich Mohs)首先提出。
应用划痕法将棱锥形金刚钻针刻划所试矿物的表面而发生划痕,习惯上矿物学或宝石学上都是用莫氏硬度。
用测得的划痕的深度分十级来表示硬度:滑石(talc)1(硬度最小),石膏(gypsum)2,方解石(calcite)3,萤石(fluorite)4,磷灰石(apatite)5,正长石(feldspar;orthoclase;periclase)6,石英(quartz)7,黄玉(topaz)8,刚玉(c orundum)9,金刚石(diamond)10。
硬度值并非绝对硬度值,而是按硬度的顺序表示的值。
莫斯(F. Mons)创立而得名,提出测定矿物相对硬度的10种标准矿物。
由小到大分为10级:滑石1,石膏2,方解石3,萤石4,磷灰石5,正长石6,石英7,黄玉8,刚玉9,金刚石10。
应用时作刻划比较确定硬度。
如某矿物能将方解石刻出划痕,而不能刻萤石,则其莫氏硬度为3~4,其他类推。
莫氏硬度仅为相对硬度,比较粗略。
虽滑石的硬度为1,金刚石为10,刚玉为9,但经显微硬度计测得的绝对硬度,金刚石为滑石的4192倍,刚玉为滑石的442倍。
莫氏硬度应用方便,野外作业时常采用。
莫氏硬度表是在西元1812年由德国矿物学家Frederich Mohs (1773-1839)提出,硬度值愈大愈硬。
这些硬度值是经由互相磨挫来判断的,是相对的关系,不是呈现线性比例的(不能说硬度6比硬度2的硬3倍)。
除了原本列出的1~10种矿物,这里也另外收集了其他常见物品的硬度值供参考:[编辑本段]参考数据普氏系数摘要为普氏岩石压力理论中的一个系数,亦称坚固系数,一般以岩石的极限抗压强度的百分之一表示.普氏硬度表示矿岩的坚固性的量化指标.人们在长期的实践中认识到,有些岩石不容易破坏,有一些则难于破碎。
普氏硬度
表示矿岩的坚固性的量化指标.
人们在长期的实践中认识到,有些岩石不容易破坏,有一些则难于破碎。
难于破碎的岩石一般也难于凿岩,难于爆破,则它们的硬度也比较大,概括的说就是比较坚固。
因此,人们就用岩石的坚固性这个概念来表示岩石在破碎时的难易程度。
坚固性的大小用坚固性系数来表示又叫硬度系数,也叫普氏硬度系数f值)。
它是前苏联学校和普罗托季雅柯诺夫于1926年提出的,因此又被称为普氏系数。
坚固性系数f=R/100 (R单位Mpa 数值上相当于N/m㎡)
式中R——为岩石标准试样的单向极限抗压强度值。
通常用的普氏岩石分及法就是根据坚固性系数来进行岩石分级的。
如:
①极坚固岩石f=15~20(坚固的花岗岩,石灰岩,石英岩等)
②坚硬岩石f=8 ~10(如不坚固的花岗岩,坚固的砂岩等)
③中等坚固岩石f=4 ~6 (如普通砂岩,铁矿等)
④不坚固岩石f=0.8~3 (如黄土、仅为0.3)
矿岩的坚固性也是一种抵抗外力的性质,但它与矿岩的强度却是两种不同的概念。
强度是指矿岩抵抗压缩,拉伸,弯曲及剪切等单向作用的性能。
而坚固性所抵抗的外力却是一种综合的外力。
(如抵抗锹,稿,机械碎破,炸药的综合作用力)。
岩石的普氏系数(普氏硬度表示矿岩的坚固性的量化指标 )普氏硬度表示矿岩的坚固性的量化指标.人们在长期的实践中认识到,有些岩石不容易破坏,有一些则难于破碎。
难于破碎的岩石一般也难于凿岩,难于爆破,则它们的硬度也比较大,概括的说就是比较坚固。
因此,人们就用岩石的坚固性这个概念来表示岩石在破碎时的难易程度。
坚固性的大小用坚固性系数来表示又叫硬度系数,也叫普氏硬度系数f值)。
坚固性系数f=R/100 (R单位 kg/cm2)式中R——为岩石标准试样的单向极限抗压强度值。
通常用的普氏岩石分及法就是根据坚固性系数来进行岩石分级的。
如:① 极坚固岩石 f=15~20(坚固的花岗岩,石灰岩,石英岩等)② 坚硬岩石 f=8 ~10(如不坚固的花岗岩,坚固的砂岩等)③ 中等坚固岩石 f=4 ~6 (如普通砂岩,铁矿等)④ 不坚固岩石 f=0.8~3 (如黄土、仅为0.3)矿岩的坚固性也是一种抵抗外力的性质,但它与矿岩的强度却是两种不同的概念。
强度是指矿岩抵抗压缩,拉伸,弯曲及剪切等单向作用的性能。
而坚固性所抵抗的外力却是一种综合的外力。
(如抵抗锹,稿,机械碎破,炸药的综合作用力)。
奥国矿物学家摩氏(Frederich Mohs)创立一种硬度表,作为评判矿物硬度的标准。
最软者为滑石,最硬者为金刚石,共有十种矿物,定为十级,分别为:滑石(Talc)石膏(Gypsum)指甲 2.5方解石(Calcite)铜币 3.5-4萤石(Fluorite)磷灰石(Apatite)钢刀 5.5玻璃 5.5 -6正长石(Orthoclase)钢锉 6.5石英(Quartz)黄玉(Topaz)刚玉(Corundum)金刚石(Diamond)摩氏硬度表中所刊载的数字,并没有比例上的关系。
例如正长石硬度6,并不表示他是方解石硬度的两倍,数字的大小仅表明硬度排行而已。
当鉴定硬度时, 如果没有以上的摩氏硬度计, 可用其他东西代替,如小刀其硬度约为5.5;铜币约为3.5至4; 指甲约为2至3;玻璃硬度为6。
岩石普氏硬度系数表按普氏硬度系数划分的硬度等级针对不同矿石硬度,它们的用途也各不相同,比如以下几种矿石:1、砂岩石英含量较高,在砂石生产线中应用较为广泛,在生产中要解决石粉的问题。
2、河卵石河卵石也是一种优质的的制砂原料,在强度、粒型、色度方面,是替代天然砂的最佳选择。
3、石英砂岩石英砂岩是制砂的优质原材料,无论在强度还是粒型上都能达到甚至优于天然砂。
4、石灰石在砂石生产线中可同时作为砂、石子的原材料,同时石粉还可以再利用。
5、花岗岩石英含量高,硫化物含量低的花岗岩是制砂的优质原材料,但要解决粉的问题。
6、玄武岩玄武岩制成的砂搀在混凝土里,可以使混凝土重量减轻,但仍很坚固,同时有隔音、隔热等特点,是高层建筑轻质混凝土的良好骨料。
鹅卵石制砂机用于各种中等硬度固体物料的细碎,在水泥工业中,细碎石灰石、石膏、熟料、混合材等。
还可细碎磷化钙、白云石、珍珠岩矿等。
能广泛用于建材、化肥、采矿及耐火材料等工业部门。
鹅卵石制砂机主要性能特点:鹅卵石制砂机具有产品粒度细,破碎比大,产量高,采用高铬耐磨材质为磨损件,更换容易,便于检修,运转平稳等特点。
推广应用各单位均取得了明显的经济效益。
各种硬度的对应关系:莫氏硬度布氏硬度维氏硬度洛氏硬度(HRC)肖氏硬度5 285 300 28.5 426 524 609 56.0 737 620 800 63.3 868 ---- 1150 ---品名水泥熟料高炉矿渣钢渣石膏煤矸石石灰石500-650 550-700 500-600 60-100 220-330 250-400 显微硬度(HV)洛氏硬度50-58 52-60 50-55 <20 20-36 24-42 (HRC)备注:显微硬度HV值,是根据黑色金属硬度对照表中洛氏硬度HRC值推算的,供参考。
物料硬度(欧版梯形磨粉机)李固成网载于2014/6/25。
普氏系数是单轴抗压强度除以10极硬(f=20)、很硬(f=15)、坚硬(f=8~10)、较硬(f=5~6)、普通(f=3~4)、较软(f=~2)、软层(f=~1)、松软(f<1)等8类。
额分类普氏分类土壤及岩石名称天然湿度下平均容重极限压碎强度用轻钻孔机钻进1m开挖方法及工具紧固系数Kg/m3Kg/cm2min f四类土壤Ⅳ土含碎石重粘土,其中包括石炭纪、侏罗纪的硬粘土1950--用尖锹并同时用镐和撬棍开挖~含有碎石、卵石、建筑碎料和重达25kg的顽石(总体积10%以内)等杂质的肥粘土和重壤土1950冰碛粘土,含有重量在50kg以内的巨砾,其含量为总体积10%以内2000泥板岩2000不含或含有重量达10kg的顽石1950松石Ⅴ含有重量在50kg以内的巨砾(占体积10%以上)的冰碛石2100小于200-部分用手凿工具、部分用爆破米开挖~矽藻岩和软白垩岩1800胶结力弱的砾岩1900各种不坚实的版岩2600石膏2200次坚石Ⅵ 凝灰岩、和浮石1100200~400用风镐的爆破法来开挖2~4灰岩多孔和裂隙严重的石灰岩和介质石灰岩1200中等硬变的片岩2700中等硬变的泥灰岩2300Ⅶ石灰石胶结的带有卵石和沉积岩的砾石2200400~600用爆破方法开挖4~6风化的和有大裂缝的粘土质砂岩2000坚实的泥板岩2800坚实的泥灰岩2500Ⅷ砾质花岗岩2300600~800用爆破方法开挖6~8泥灰质石灰岩2300粘土质砂岩2200砂质云片岩2300硬石膏2900普坚石Ⅸ严重风化的软弱的花岗岩、片麻岩和正长岩2500800~1000 用爆破方法开挖8~10滑石化的蛇纹岩2400致密的石灰岩2500含有卵石、沉积岩的碴质胶结的砾岩2500砂岩2500砂质石灰灰质片岩2500上一页??[1]?[2]?[3]?下一页定额分类普氏分类土壤及岩石名称天然湿度下平均容重极限压碎强度用轻钻孔机钻进1m开挖方法及工具紧固系数Kg/m3Kg/cm2min f一、二类土壤Ⅰ砂1500--用尖锹开挖~砂壤土1600腐殖土1200泥炭600Ⅱ轻壤土和黄土类土1600--用锹开挖并少数用镐开挖~潮湿而松散的黄土,软的盐渍土和碱土1600平均15MM以内的松散而软的砾石1700含有草根的密实腐殖土1400--用尖锹开挖并少数用镐开挖~~含有直径在30MM以内根类的泥炭和腐殖土掺有卵石、碎石和石屑的砂和腐殖土含有卵石、或碎石杂质的胶结成块的填土含有卵石、碎石和建筑料杂质的砂壤土三类土壤Ⅲ肥粘土其中包括石炭纪、侏罗纪的粘土和冰粘土1800--用尖锹并同时用镐和撬棍开挖(30%)~重壤土、粗砾石、粒径为15-40MM的碎石或卵石1750干黄土和掺1790有碎石或卵石的自然含水量黄土含有直径大于30MM根类的腐殖土或泥炭1400掺有碎石或卵石和建筑碎料的土壤1900 [1]?[2]?[3]?下一页定额分类普氏分类土壤及岩石名称天然湿度下平均容重极限压碎强度用轻钻孔机钻进1m开挖方法及工具紧固系数Kg/m3Kg/cm2min f普坚石Ⅹ白云石27001000~ 2000用爆破方法开挖10~12坚固的石灰岩2700大理岩2700石灰岩质胶结的致密砾石2600坚固的砂质片岩2600特坚石Ⅺ粗花岗岩28001200~ 1400用爆破方法开挖12~14非常坚硬的白云岩2900蛇纹岩2600石灰质胶结的含有火成岩之卵石的砾石2800石英胶结的坚固砂岩2700粗粒正长岩2700Ⅻ具有风化痕迹的安山岩和玄武岩27001400~ 1600用爆破方法开挖14~16片麻岩2600非常坚固的石灰岩2900硅质胶结的含有火成岩之卵石的砾岩2900粗石岩2600ⅩⅢ中粒花岗岩31001600~ 1800用爆破方法开挖16~18坚固耐用的片麻岩2800辉绿岩2700玢岩2500坚固的粗面岩2800中粒正长岩2800ⅩⅥ非常坚硬的细粒花岗岩33001800~ 2000用爆破方法开挖18~20花岗岩麻岩2900闪长岩2900高硬度的石灰岩3100坚固的玢岩2700ⅩⅤ安山岩、玄武岩、坚固的负页岩31002000~ 2500用爆破方法开挖20~25高硬度的辉绿岩和闪长岩2900坚固的辉长岩和石英岩2800ⅩⅥ拉长玄武岩和橄榄玄武岩3300大于 2500小于 60用爆破方法开挖大于 25:小塌方:塌方高度<3m,或体积<30m3;中塌方:塌方高度3~6m,或体积30~100m3;大塌方:塌方高度>6m,或体积>100m3;表1-9 按坚固性系数对岩石可钻性分级表岩石级别坚固程度代表性岩石fⅠ最坚固最坚固、致密、有韧性的石英岩、玄武岩和其他各种特别坚固的岩石。
极硬(f=20)、很硬(f=15)、坚硬(f=8~10)、较硬(f=5~6)、普通(f=3~4)、较软(f=1.5~2)、软层(f=0.8~1)、松软(f<1)等8类。
额分类普氏分类土壤及岩石名称天然湿度下平均容重极限压碎强度用轻钻孔机钻进1m开挖方法及工具紧固系数Kg/m3 Kg/cm2 min f四类土壤Ⅳ土含碎石重粘土,其中包括石炭纪、侏罗纪的硬粘土1950 --用尖锹并同时用镐和撬棍开挖1.0~1.5含有碎石、卵石、建筑碎料和重达25kg的顽石(总体积10%以内)等杂质的肥粘土和重壤土1950冰碛粘土,含有重量在50kg以内的巨砾,其含量为总体积10%以内2000泥板岩2000 不含或含有重量达10kg的顽石1950松石Ⅴ含有重量在50kg以内的巨砾(占体积10%以上)的冰碛石2100 小于200 -部分用手凿工具、部分用爆破米开挖1.5~1.2矽藻岩和软白垩岩1800胶结力弱的砾岩1900各种不坚实的版岩2600 石膏2200次坚石Ⅵ凝灰岩、和浮石1100 200~400 3.5 用风镐的爆破法来开挖2~4灰岩多孔和裂隙严重的石灰岩和介质石灰岩1200中等硬变的片岩2700中等硬变的泥灰岩2300Ⅶ石灰石胶结的带有卵石和沉积岩的砾石2200 400~600 6.0 用爆破方法开挖4~6风化的和有大裂缝的粘土质砂岩2000坚实的泥板岩2800坚实的泥灰岩2500Ⅷ砾质花岗岩2300 600~800 8.5 用爆破方法开挖6~8泥灰质石灰岩2300粘土质砂岩2200 砂质云片岩2300 硬石膏2900普坚石Ⅸ严重风化的软弱的花岗岩、片麻岩和正长岩2500 800~1000 11.5 用爆破方法开挖8~10滑石化的蛇纹岩2400致密的石灰岩2500含有卵石、沉积岩的碴质胶结的砾岩2500砂岩2500砂质石灰灰质片岩2500 上一页 [1] [2] [3] 下一页定额分类普氏分类土壤及岩石名称天然湿度下平均容重极限压碎强度用轻钻孔机钻进1m开挖方法及工具紧固系数Kg/m3 Kg/cm2 min f一、二类土壤Ⅰ砂1500 --用尖锹开挖0.5~0.6 砂壤土1600腐殖土1200泥炭600Ⅱ轻壤土和黄土类土1600 --用锹开挖并少数用镐开挖0.6~0.8潮湿而松散的黄土,软的盐渍土和碱土1600平均15MM以内的松散而软的砾石1700含有草根的密实腐殖土1400 --用尖锹开挖并少数用镐开挖0.6~~0.8含有直径在30MM以内根类的泥炭和腐殖土掺有卵石、碎石和石屑的砂和腐殖土含有卵石、或碎石杂质的胶结成块的填土含有卵石、碎石和建筑料杂质的砂壤土三类土壤Ⅲ肥粘土其中包括石炭纪、侏罗纪的粘土和冰粘土1800 --用尖锹并同时用镐和撬棍开挖(30%)0.81~1.0重壤土、粗砾石、粒径为15-40MM的碎石或卵石1750 干黄土和掺1790有碎石或卵石的自然含水量黄土含有直径大于30MM根类的腐殖土或泥炭1400掺有碎石或卵石和建筑碎料的土壤1900 [1] [2] [3] 下一页定额分类普氏分类土壤及岩石名称天然湿度下平均容重极限压碎强度用轻钻孔机钻进1m开挖方法及工具紧固系数Kg/m3 Kg/cm2 min f普坚石Ⅹ白云石2700 1000~ 2000 15.0 用爆破方法开挖10~12坚固的石灰岩2700大理岩2700 石灰岩质胶结的致密砾石2600坚固的砂质片岩2600特坚石Ⅺ粗花岗岩2800 1200~ 1400 18.5 用爆破方法开挖12~14非常坚硬的白云岩2900蛇纹岩2600 石灰质胶结的含有火成岩之卵石的砾石2800石英胶结的坚固砂岩2700 粗粒正长岩2700Ⅻ具有风化痕迹的安山岩和玄武岩2700 1400~ 1600 22.0 用爆破方法开挖14~16片麻岩2600 非常坚固的石灰岩2900硅质胶结的含有火成岩之卵石的砾岩2900 粗石岩2600ⅩⅢ中粒花岗岩3100 1600~ 1800 27.5 用爆破方法开挖16~18坚固耐用的片麻岩2800辉绿岩2700 玢岩2500 坚固的粗面岩2800 中粒正长岩2800ⅩⅥ非常坚硬的细粒花岗岩3300 1800~ 2000 32.5 用爆破方法开挖18~20花岗岩麻岩2900 闪长岩2900 高硬度的石灰岩3100 坚固的玢岩2700ⅩⅤ安山岩、玄武岩、坚固的负页岩3100 2000~ 2500 46.0 用爆破方法开挖20~25高硬度的辉绿岩和闪长岩2900坚固的辉长岩和石英岩2800ⅩⅥ拉长玄武岩和橄榄玄武岩3300 大于2500 小于60 用爆破方法开挖大于25:小塌方:塌方高度<3m,或体积<30m3;中塌方:塌方高度3~6m,或体积30~100m3;大塌方:塌方高度>6m,或体积>100m3;表1-9 按坚固性系数对岩石可钻性分级表岩石级别坚固程度代表性岩石fⅠ最坚固最坚固、致密、有韧性的石英岩、玄武岩和其他各种特别坚固的岩石。
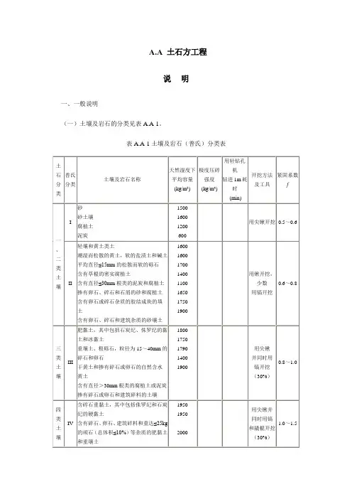
A.A 土石方工程说明一、一般说明(一)土壤及岩石的分类见表A.A-1。
表A.A-1土壤及岩石(普氏)分类表(二)土石方体积应按挖掘前的天然密实体积计算。
如需按天然密实体积折算时,应按表A.A-2系数计算。
表A.A-2土石方体积折算系数表(三)挖土方平均厚度应按自然地面测量标高至设计地坪标高间的平均厚度确定。
基础土方、石方开挖应按基础垫层底表面标高至交付施工场地标高确定;无交付施工场地标高时,应按自然地面标高确定。
(四)“土石方回填”项目中的“夯填”适用于沟槽回填、室内回填。
(五)土石方场外运输应按本章有关项目计算。
(六)桩间挖土方工程量不扣除桩所占体积,按每根桩增加普工0.6工日计算。
(七)土石方均未包括在地下水位以下施工的排水费用。
二、土方工程(一)建筑物场地厚度≤±30cm的挖、填、运、找平,应按A.A.1中平整场地项目计算。
厚度>±30cm的竖向布置挖土或山坡切土,应按A.A.1中挖土方项目计算,按竖向布置(超过30cm的挖、填土方,用方格网控制挖填至设计标高就叫按竖向布置挖填土方)进行挖填土方时,不得再计算平整场地的工程量。
(二)挖基础土方包括带形基础、独立基础及设备基础、人工挖孔桩等的挖方,满堂基础按挖土方项目计算。
(三)挖土方、沟、槽定额均按干湿土综合编制。
(四)沟槽、基坑深度超过6m时,按深6m定额乘以系数1.2计算;超过8m以外者,按深6m定额乘以系数1.6计算。
(五)机械挖运淤泥时,按机械挖运土方定额乘以系数1.5。
(六)有关项目的说明1.“平整场地”项目适用于建筑场地厚度≤±30cm的挖、填、运、找平。
应注意:(1)可能出现厚度≤±30cm的全部是挖方或全部是填方,需外运土方或借土回填时,在工程量清单项目中应描述弃土运距(或弃土地点)或取土运距(或取土地点),这部分的运输不包括在“平整场地”项目内。
(2)不论机械或人工平整场地,均按本项目计算。
A.A 土石方工程说明一、一般说明(一)土壤及岩石的分类见表A.A-1。
表A.A-1土壤及岩石(普氏)分类表(二)土石方体积应按挖掘前的天然密实体积计算。
如需按天然密实体积折算时,应按表A.A-2系数计算。
表A.A-2土石方体积折算系数表(三)挖土方平均厚度应按自然地面测量标高至设计地坪标高间的平均厚度确定。
基础土方、石方开挖应按基础垫层底表面标高至交付施工场地标高确定;无交付施工场地标高时,应按自然地面标高确定。
(四)“土石方回填”项目中的“夯填”适用于沟槽回填、室内回填。
(五)土石方场外运输应按本章有关项目计算。
(六)桩间挖土方工程量不扣除桩所占体积,按每根桩增加普工0.6工日计算。
(七)土石方均未包括在地下水位以下施工的排水费用。
二、土方工程(一)建筑物场地厚度≤±30cm的挖、填、运、找平,应按A.A.1中平整场地项目计算。
厚度>±30cm的竖向布置挖土或山坡切土,应按A.A.1中挖土方项目计算,按竖向布置(超过30cm的挖、填土方,用方格网控制挖填至设计标高就叫按竖向布置挖填土方)进行挖填土方时,不得再计算平整场地的工程量。
(二)挖基础土方包括带形基础、独立基础及设备基础、人工挖孔桩等的挖方,满堂基础按挖土方项目计算。
(三)挖土方、沟、槽定额均按干湿土综合编制。
(四)沟槽、基坑深度超过6m时,按深6m定额乘以系数1.2计算;超过8m以外者,按深6m定额乘以系数1.6计算。
(五)机械挖运淤泥时,按机械挖运土方定额乘以系数1.5。
(六)有关项目的说明1.“平整场地”项目适用于建筑场地厚度≤±30cm的挖、填、运、找平。
应注意:(1)可能出现厚度≤±30cm的全部是挖方或全部是填方,需外运土方或借土回填时,在工程量清单项目中应描述弃土运距(或弃土地点)或取土运距(或取土地点),这部分的运输不包括在“平整场地”项目内。
(2)不论机械或人工平整场地,均按本项目计算。
普氏硬度是什么?f称为普氏硬度系数。
依此可将矿石分为10级,f值幅0.3~20① 极坚固岩石 f=15~20(坚固的花岗岩,石灰岩,石英岩等)② 坚硬岩石 f=8 ~10(如不坚固的花岗岩,坚固的砂岩等)③ 中等坚固岩石 f=4 ~6 (如普通砂岩,铁矿等)④ 不坚固岩石 f=0.8~3 (如黄土、仅为0.3)表示矿岩的坚固性的量化指标.人们在长期的实践中认识到,有些岩石不容易破坏,有一些则难于破碎。
难于破碎的岩石一般也难于凿岩,难于爆破,则它们的硬度也比较大,概括的说就是比较坚固。
因此,人们就用岩石的坚固性这个概念来表示岩石在破碎时的难易程度。
坚固性的大小用坚固性系数来表示又叫硬度系数,也叫普氏硬度系数f值)。
坚固性系数f=R/100 (R单位 kg/cm2)式中R——为岩石标准试样的单向极限抗压强度值。
通常用的普氏岩石分及法就是根据坚固性系数来进行岩石分级的。
如:① 极坚固岩石 f=15~20(坚固的花岗岩,石灰岩,石英岩等)② 坚硬岩石 f=8 ~10(如不坚固的花岗岩,坚固的砂岩等)③ 中等坚固岩石 f=4 ~6 (如普通砂岩,铁矿等)④ 不坚固岩石 f=0.8~3 (如黄土、仅为0.3)矿岩的坚固性也是一种抵抗外力的性质,但它与矿岩的强度却是两种不同的概念。
强度是指矿岩抵抗压缩,拉伸,弯曲及剪切等单向作用的性能。
而坚固性所抵抗的外力却是一种综合的外力。
(如抵抗锹,稿,机械碎破,炸药的综合作用力)。
岩石物理力学性质与可钻性physical-mechanical properties and drillability of rocks岩石固有的属性包括比重、密度、裂隙性、含水性、透水性、热涨性和磁性等。
岩石在外力作用下表现出来的特性包括硬度、强度、弹性和研磨性等。
岩石的这些属性和特性,统称岩石物理力学性质。
这些性质都和岩石的矿物成分、组织结构和生成条件等地质因素有关,随着这些地质因素的变化,岩石物理力学性质的差异是很大的。
普氏岩石硬度系数知识由俄罗斯学者于1926年提出的岩石坚固性系数(又称普氏系数)至今仍在矿山开采业和勘探掘进中得到广范应用。
岩石的坚固性区别于岩石的强度,强度值必定与某种变形方式(单轴压缩、拉伸、剪切)相联系,而坚固性反映的是岩石在几种变形方式的组合作用下抵抗破坏的能力。
1. 普氏系数又称岩石的坚固性系数、紧固系数,数值是岩石或土壤的单轴抗压强度极限的1/100,记作f,无量纲。
f=Sc/100,式中:Sc的计量单位为kg/cm²。
2.因为在钻掘施工中往往不是采用纯压入或纯回转的方法破碎岩石,因此这种反映在组合作用下岩石破碎难易程度的指标比较贴近生产实际情况。
岩石坚固性系数f表征的是岩石抵抗破碎的相对值。
因为岩石的抗压能力最强,故把岩石单轴抗压强度极限的1/10作为岩石的坚固性系数,即f=R/10式中: R是岩石的单轴抗压强度,MPa。
f是个无量纲的值,它表明某种岩石的坚固性比致密的粘土坚固多少倍,因为致密粘土的抗压强度为10MPa。
岩石坚固性系数的计算公式简洁明了,f值可用于预计岩石抵抗破碎的能力及其钻掘以后的稳定性。
根据岩石的坚固性系数(f)可把岩石分成10级(见下表),等级越高的岩石越容易破碎。
为了方便使用又在第Ⅲ,Ⅳ,Ⅴ,Ⅵ,Ⅶ级的中间加了半级。
考虑到生产中不会大量遇到抗压强度大于200MPa的岩石,故把凡是抗压强度大于200MPa的岩石都归入Ⅰ级。
这种方法比较简单,而且在一定程度上反映了岩石的客观性质。
但它也还存在着一些缺点:(1) 岩石的坚固性虽概括了岩石的各种属性(如岩石的凿岩性、爆破性,稳定性等),但在有些情况下这些属性并不是完全一致的。
(2) 普氏分级法采用实验室测定来代替现场测定,这就不可避免地带来因应力状态的改变而造成的坚固程度上的误差。
极硬(f=20)、很硬(f=15)、坚硬(f=8~10)、较硬(f=5~6)、普通(f=3~4)、较软(f=1.5~2)、软层(f=0.8~1)、松软(f<1)等8类。
极硬(f=20)、很硬(f=15)、坚硬(f=8~10)、较硬(f=5~6)、普通(f=3~4)、较软(f=1.5~2)、软层(f=0.8~1)、松软(f<1)等8类。
额分类普氏分类土壤及岩石名称天然湿度下平均容重极限压碎强度用轻钻孔机钻进1m开挖方法及工具紧固系数Kg/m3 Kg/cm2 min f四类土壤Ⅳ土含碎石重粘土,其中包括石炭纪、侏罗纪的硬粘土1950 --用尖锹并同时用镐和撬棍开挖1.0~1.5含有碎石、卵石、建筑碎料和重达25kg的顽石(总体积10%以内)等杂质的肥粘土和重壤土1950冰碛粘土,含有重量在50kg以内的巨砾,其含量为总体积10%以内2000泥板岩2000 不含或含有重量达10kg的顽石1950松石Ⅴ含有重量在50kg以内的巨砾(占体积10%以上)的冰碛石2100 小于200 -部分用手凿工具、部分用爆破米开挖1.5~1.2矽藻岩和软白垩岩1800胶结力弱的砾岩1900各种不坚实的版岩2600 石膏2200次坚石Ⅵ凝灰岩、和浮石1100 200~400 3.5 用风镐的爆破法来开挖2~4灰岩多孔和裂隙严重的石灰岩和介质石灰岩1200中等硬变的片岩2700中等硬变的泥灰岩2300Ⅶ石灰石胶结的带有卵石和沉积岩的砾石2200 400~600 6.0 用爆破方法开挖4~6风化的和有大裂缝的粘土质砂岩2000坚实的泥板岩2800坚实的泥灰岩2500Ⅷ砾质花岗岩2300 600~800 8.5 用爆破方法开挖6~8泥灰质石灰岩2300粘土质砂岩2200 砂质云片岩2300 硬石膏2900普坚石Ⅸ严重风化的软弱的花岗岩、片麻岩和正长岩2500 800~1000 11.5 用爆破方法开挖8~10滑石化的蛇纹岩2400致密的石灰岩2500含有卵石、沉积岩的碴质胶结的砾岩2500砂岩2500砂质石灰灰质片岩2500 上一页 [1] [2] [3] 下一页定额分类普氏分类土壤及岩石名称天然湿度下平均容重极限压碎强度用轻钻孔机钻进1m开挖方法及工具紧固系数Kg/m3 Kg/cm2 min f一、二类土壤Ⅰ砂1500 --用尖锹开挖0.5~0.6 砂壤土1600腐殖土1200泥炭600Ⅱ轻壤土和黄土类土1600 --用锹开挖并少数用镐开挖0.6~0.8潮湿而松散的黄土,软的盐渍土和碱土1600平均15MM以内的松散而软的砾石1700含有草根的密实腐殖土1400 --用尖锹开挖并少数用镐开挖0.6~~0.8含有直径在30MM以内根类的泥炭和腐殖土掺有卵石、碎石和石屑的砂和腐殖土含有卵石、或碎石杂质的胶结成块的填土含有卵石、碎石和建筑料杂质的砂壤土三类土壤Ⅲ肥粘土其中包括石炭纪、侏罗纪的粘土和冰粘土1800 --用尖锹并同时用镐和撬棍开挖(30%)0.81~1.0重壤土、粗砾石、粒径为15-40MM的碎石或卵石1750 干黄土和掺1790有碎石或卵石的自然含水量黄土含有直径大于30MM根类的腐殖土或泥炭1400掺有碎石或卵石和建筑碎料的土壤1900 [1] [2] [3] 下一页定额分类普氏分类土壤及岩石名称天然湿度下平均容重极限压碎强度用轻钻孔机钻进1m开挖方法及工具紧固系数Kg/m3 Kg/cm2 min f普坚石Ⅹ白云石2700 1000~ 2000 15.0 用爆破方法开挖10~12坚固的石灰岩2700大理岩2700 石灰岩质胶结的致密砾石2600坚固的砂质片岩2600特坚石Ⅺ粗花岗岩2800 1200~ 1400 18.5 用爆破方法开挖12~14非常坚硬的白云岩2900蛇纹岩2600 石灰质胶结的含有火成岩之卵石的砾石2800石英胶结的坚固砂岩2700 粗粒正长岩2700Ⅻ具有风化痕迹的安山岩和玄武岩2700 1400~ 1600 22.0 用爆破方法开挖14~16片麻岩2600 非常坚固的石灰岩2900硅质胶结的含有火成岩之卵石的砾岩2900 粗石岩2600ⅩⅢ中粒花岗岩3100 1600~ 1800 27.5 用爆破方法开挖16~18坚固耐用的片麻岩2800辉绿岩2700 玢岩2500 坚固的粗面岩2800 中粒正长岩2800ⅩⅥ非常坚硬的细粒花岗岩3300 1800~ 2000 32.5 用爆破方法开挖18~20花岗岩麻岩2900 闪长岩2900 高硬度的石灰岩3100 坚固的玢岩2700ⅩⅤ安山岩、玄武岩、坚固的负页岩3100 2000~ 2500 46.0 用爆破方法开挖20~25高硬度的辉绿岩和闪长岩2900坚固的辉长岩和石英岩2800ⅩⅥ拉长玄武岩和橄榄玄武岩3300 大于2500 小于60 用爆破方法开挖大于25:小塌方:塌方高度<3m,或体积<30m3;中塌方:塌方高度3~6m,或体积30~100m3;大塌方:塌方高度>6m,或体积>100m3;表1-9 按坚固性系数对岩石可钻性分级表岩石级别坚固程度代表性岩石fⅠ最坚固最坚固、致密、有韧性的石英岩、玄武岩和其他各种特别坚固的岩石。
普氏岩石硬度系数知识由俄罗斯学者于1926年提出的岩石坚固性系数(又称普氏系数)至今仍在矿山开采业和勘探掘进中得到广范应用。
岩石的坚固性区别于岩石的强度,强度值必定与某种变形方式(单轴压缩、拉伸、剪切)相联系,而坚固性反映的是岩石在几种变形方式的组合作用下抵抗破坏的能力。
1. 普氏系数又称岩石的坚固性系数、紧固系数,数值是岩石或土壤的单轴抗压强度极限的1/100,记作f,无量纲。
f=Sc/100,式中:Sc的计量单位为kg/cm²。
2.因为在钻掘施工中往往不是采用纯压入或纯回转的方法破碎岩石,因此这种反映在组合作用下岩石破碎难易程度的指标比较贴近生产实际情况。
岩石坚固性系数f表征的是岩石抵抗破碎的相对值。
因为岩石的抗压能力最强,故把岩石单轴抗压强度极限的1/10作为岩石的坚固性系数,即f=R/10式中: R是岩石的单轴抗压强度,MPa。
f是个无量纲的值,它表明某种岩石的坚固性比致密的粘土坚固多少倍,因为致密粘土的抗压强度为10MPa。
岩石坚固性系数的计算公式简洁明了,f值可用于预计岩石抵抗破碎的能力及其钻掘以后的稳定性。
根据岩石的坚固性系数(f)可把岩石分成10级(见下表),等级越高的岩石越容易破碎。
为了方便使用又在第Ⅲ,Ⅳ,Ⅴ,Ⅵ,Ⅶ级的中间加了半级。
考虑到生产中不会大量遇到抗压强度大于200MPa的岩石,故把凡是抗压强度大于200MPa的岩石都归入Ⅰ级。
这种方法比较简单,而且在一定程度上反映了岩石的客观性质。
但它也还存在着一些缺点:(1) 岩石的坚固性虽概括了岩石的各种属性(如岩石的凿岩性、爆破性,稳定性等),但在有些情况下这些属性并不是完全一致的。
(2) 普氏分级法采用实验室测定来代替现场测定,这就不可避免地带来因应力状态的改变而造成的坚固程度上的误差。
极硬(f=20)、很硬(f=15)、坚硬(f=8~10)、较硬(f=5~6)、普通(f=3~4)、较软(f=1.5~2)、软层(f=0.8~1)、松软(f<1)等8类。
H
M 煤的普氏硬度系数f'RC 315
7 1.313745 5.65 1.2912.9
普氏硬度系数:f=R/100 R 单位:Kg/cm 2
Kg/cm 2=9.8N/cm 2=9.8N/10-4 m 2=9.8×104 N/m 2=9.8×104Pa=9.8×104×10-6MPa=9.8×10-2M 新疆红山煤矿煤炭f=R/100=1.5
则:R=1.5×100=150 Kg/cm 2=150×9.8×10-2MPa ≈150×10×10-2
MPa=15MPa
巷道位于煤层底板岩层中时,其保护煤柱按“三下压煤”规程第44页第82条
巷道位于煤层中时,保护煤柱计算:即普氏硬度系数为1.5,单向抗压强度为15MPa 。
巷道位于煤层中时,其保护煤柱按“三下压煤”规程第45页第83条第一款规
巷道位于煤层顶板岩层中时,其保护煤柱按“三下压煤”规程第45页第83条
f ——煤的强度系数,
; RC——煤的单向抗压强度,MPa。
巷道一侧保护煤柱水平宽度 S 1= 其中:H ——巷道的最大垂深(埋深);
M ——煤厚;
f
M H )6.05.2(
×104×10-6MPa=9.8×10-2MPa
0-2MPa=15MPa
一款规定执行。
第83条第四款规定执行。
第82条规定执行。
f S1
1.1443.02
1.146
2.16。
普氏系数是单轴抗压强度除以10极硬(f=20)、很硬(f=15)、坚硬(f=8~10)、较硬(f=5~6)、普通(f=3~4)、较软(f=1.5~2)、软层(f=0.8~1)、松软(f<1)等8类。
额分类普氏分类土壤及岩石名称天然湿度下平均容重极限压碎强度用轻钻孔机钻进1m开挖方法及工具紧固系数Kg/m3 Kg/cm2 min f四类土壤Ⅳ土含碎石重粘土,其中包括石炭纪、侏罗纪的硬粘土1950 --用尖锹并同时用镐和撬棍开挖1.0~1.5含有碎石、卵石、建筑碎料和重达25kg的顽石(总体积10%以内)等杂质的肥粘土和重壤土1950冰碛粘土,含有重量在50kg以内的巨砾,其含量为总体积10%以内2000泥板岩2000 不含或含有重量达10kg的顽石1950松石Ⅴ含有重量在50kg以内的巨砾(占体积10%以上)的冰碛石2100 小于200 -部分用手凿工具、部分用爆破米开挖1.5~1.2矽藻岩和软白垩岩1800胶结力弱的砾岩1900各种不坚实的版岩2600石膏2200次坚石Ⅵ凝灰岩、和浮石1100 200~400 3.5 用风镐的爆破法来开挖2~4灰岩多孔和裂隙严重的石灰岩和介质石灰岩1200中等硬变的片岩2700中等硬变的泥灰岩2300Ⅶ石灰石胶结的带有卵石和沉积岩的砾石2200 400~600 6.0 用爆破方法开挖4~6风化的和有大裂缝的粘土质砂岩2000坚实的泥板岩2800坚实的泥灰岩2500Ⅷ砾质花岗岩2300 600~800 8.5 用爆破方法开挖6~8泥灰质石灰岩2300粘土质砂岩2200 砂质云片岩2300 硬石膏2900普坚石Ⅸ严重风化的软弱的花岗岩、片麻岩和正长岩2500 800~1000 11.5 用爆破方法开挖8~10滑石化的蛇纹岩2400致密的石灰岩2500含有卵石、沉积岩的碴质胶结的砾岩2500砂岩2500砂质石灰灰质片岩2500 上一页 [1] [2] [3] 下一页定额分类普氏分类土壤及岩石名称天然湿度下平均容重极限压碎强度用轻钻孔机钻进1m开挖方法及工具紧固系数Kg/m3 Kg/cm2 min f一、二类土壤Ⅰ砂1500 --用尖锹开挖0.5~0.6 砂壤土1600腐殖土1200泥炭600Ⅱ轻壤土和黄土类土1600 --用锹开挖并少数用镐开挖0.6~0.8 潮湿而松散的黄土,软的盐渍土和碱土1600平均15MM以内的松散而软的砾石1700含有草根的密实腐殖土1400 --用尖锹开挖并少数用镐开挖0.6~~0.8含有直径在30MM以内根类的泥炭和腐殖土掺有卵石、碎石和石屑的砂和腐殖土含有卵石、或碎石杂质的胶结成块的填土含有卵石、碎石和建筑料杂质的砂壤土三类土壤Ⅲ肥粘土其中包括石炭纪、侏罗纪的粘土和冰粘土1800 --用尖锹并同时用镐和撬棍开挖(30%)0.81~1.0重壤土、粗砾石、粒径为15-40MM的碎石或卵石1750 干黄土和掺1790有碎石或卵石的自然含水量黄土含有直径大于30MM根类的腐殖土或泥炭1400掺有碎石或卵石和建筑碎料的土壤1900 [1] [2] [3] 下一页定额分类普氏分类土壤及岩石名称天然湿度下平均容重极限压碎强度用轻钻孔机钻进1m开挖方法及工具紧固系数Kg/m3 Kg/cm2 min f普坚石Ⅹ白云石2700 1000~ 2000 15.0 用爆破方法开挖10~12坚固的石灰岩2700大理岩2700 石灰岩质胶结的致密砾石2600坚固的砂质片岩2600特坚石Ⅺ粗花岗岩2800 1200~ 1400 18.5 用爆破方法开挖12~14非常坚硬的白云岩2900蛇纹岩2600 石灰质胶结的含有火成岩之卵石的砾石2800石英胶结的坚固砂岩2700 粗粒正长岩2700Ⅻ具有风化痕迹的安山岩和玄武岩2700 1400~ 1600 22.0 用爆破方法开挖14~16片麻岩2600 非常坚固的石灰岩2900硅质胶结的含有火成岩之卵石的砾岩2900 粗石岩2600ⅩⅢ中粒花岗岩3100 1600~ 1800 27.5 用爆破方法开挖16~18坚固耐用的片麻岩2800辉绿岩2700 玢岩2500 坚固的粗面岩2800 中粒正长岩2800ⅩⅥ非常坚硬的细粒花岗岩3300 1800~ 2000 32.5 用爆破方法开挖18~20花岗岩麻岩2900 闪长岩2900 高硬度的石灰岩3100 坚固的玢岩2700ⅩⅤ安山岩、玄武岩、坚固的负页岩3100 2000~ 2500 46.0 用爆破方法开挖20~25高硬度的辉绿岩和闪长岩2900坚固的辉长岩和石英岩2800ⅩⅥ拉长玄武岩和橄榄玄武岩3300 大于2500 小于60 用爆破方法开挖大于25:小塌方:塌方高度<3m,或体积<30m3;中塌方:塌方高度3~6m,或体积30~100m3;大塌方:塌方高度>6m,或体积>100m3;表1-9 按坚固性系数对岩石可钻性分级表岩石级别坚固程度代表性岩石fⅠ最坚固最坚固、致密、有韧性的石英岩、玄武岩和其他各种特别坚固的岩石。