专业核心能力项目清单(精)
- 格式:doc
- 大小:53.00 KB
- 文档页数:4
铁通核心能力清单一、引言铁通作为中国最大的固定通信运营商之一,拥有强大的核心能力是其持续发展的关键。
本文将探讨铁通的核心能力清单,从多个角度对其能力进行全面、详细、完整且深入地分析。
二、技术能力铁通在技术领域具备一系列核心能力,包括但不限于:2.1 网络建设与维护•具备高效的网络规划与建设能力,能够快速响应市场需求并展开网络扩容;•拥有先进的网络维护技术,能够及时处理网络故障并保障网络稳定性。
2.2 宽带接入技术•掌握多种宽带接入技术,包括ADSL、光纤、以太网等,能够根据用户需求提供多样化的接入服务;•具备高速宽带接入技术,能够满足用户对高速互联网的需求。
2.3 通信协议与标准•熟悉各种通信协议与标准,包括TCP/IP、HTTP、DNS等,能够与其他运营商、设备供应商进行良好的互联互通;•及时掌握通信协议与标准的最新动态,保持技术领先优势。
三、运营能力铁通在运营方面拥有一系列核心能力,使其能够在市场竞争中保持优势。
3.1 客户服务•提供高效、优质的客户服务,包括咨询、投诉处理、故障维修等,满足用户的各种需求;•建立完善的客户服务体系,通过客户反馈不断改进服务质量。
3.2 产品创新与开发•不断推出具有竞争力的产品,包括宽带套餐、增值业务等,满足用户多样化的需求;•积极进行产品创新与开发,关注市场趋势和用户反馈,不断优化产品结构。
3.3 市场营销与推广•具备有效的市场营销策略,能够准确把握市场需求,并制定相应的推广方案;•运用多种渠道和媒体进行产品推广,提高品牌知名度和市场份额。
3.4 渠道管理与合作•建立良好的渠道管理体系,与各级代理商、合作伙伴保持紧密合作;•通过渠道合作,拓展市场份额,提高销售业绩。
四、组织能力铁通在组织管理方面具备以下核心能力:4.1 人力资源管理•建立完善的人力资源管理制度,包括招聘、培训、绩效考核等,保障人才队伍的稳定和发展;•关注员工的职业发展和福利待遇,提高员工满意度和忠诚度。
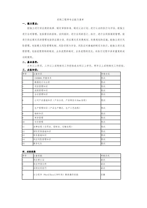
采购工程师专业能力清单
一、能力要点:
能独立进行供应商的选择、制定审核标准、制定认证计划、进行认证的执行与评估。
能独立进行合同管理,包括需求的获取、谈判组织、进行合同的签订、执行、进行合同档案的管理。
能进行供应商关系的管理包括供应商分类、供应商关系发展规划、发展规划的实施。
能独立进行风险管理,包括建立风险管理机制、风险识别与评估、风险应对措施的制定与执行。
能独立进行流程管理,包括流程架构的规划、业务流程的制定、业务流程的优化。
在执行过程中具有重复的成功的案例。
二、基本条件:
大专以上学历,三年以上采购相关工作经验或本科以上学历,两年以上采购相关工作经验。
三、必备知识:
四、必备技能。
工作能力清单工作能力清单是对一个人在工作中具备的技能、能力、经验的一种梳理、总结和归纳,可以帮助个人更好地了解自己,优化自己的职业发展规划,也能为招聘者提供参考,评估候选人的能力和潜力。
一、沟通能力在工作中,沟通能力是至关重要的一个方面,不仅涉及到与同事、上司、客户等人的交流,还包括了书面沟通的能力。
一个沟通能力优秀的人,能够清晰地表达自己的意见和想法,积极听取他人的意见,避免产生误解和冲突。
二、团队合作能力团队合作能力也是工作中必不可少的一项能力,对于一个团队的成功非常重要。
一个团队合作能力优秀的人,能够学会如何协调各方面利益,鼓励团队成员之间互相鼓励和互相理解,以及协调和解决出现的问题。
三、创新和解决问题能力在在工作中可能会碰到一些需要解决的问题,一个在这方面表现优秀的人,能够马上积极地寻找解决方案,并且高效的解决问题。
同样的,还需要具备创新能力,能够提出新的点子或行之有效的方案来解决问题。
四、有效的时间管理能力时间管理能力是一个人的素质标志,特别是在竞争激烈的工作环境下。
一个能够有效管理时间的人,可以明确自己的工作目标,规划好工作流程,减少无谓的浪费,从而提高工作效率和生产率。
五、自我管理和自我评估能力自我管理和自我评估能力是必须培养和提高的大部分职场人必不可少的能力。
这方面的职场人,能够科学的评估自己,知道自己的长项和短处,处处努力不断进行提高,从而更好的获得职业发展。
六、适应能力和抗压能力在快速变化的工作环境下,适应能力和抗压能力是必不可少的素质,能够做到适应环境,保持心态稳定,处理好的各种问题与压力,是职场中成功的重要因素之一。
综上所述,一个能够优秀表现的职场人,必须具备一系列的能力和素质,包括了沟通能力、团队合作能力、创新和解决问题能力、自我管理和自我评估、适应和抗压能力等等。
这个能力清单,对于职场人来说是一个不断提升的过程,只有不断学习,不断提高自己的技能和能力,才能够更好的适应职场的环境和发挥自己的优势,实现职业发展规划。
能力考评的项目和重点
1. 专业知识和技能
- 评估员工对本职工作所需的专业知识和技能的掌握程度 - 包括理论知识、实践操作能力、解决问题的能力等
- 重点关注员工的专业水平是否能够胜任当前工作
2. 工作绩效
- 评估员工在实际工作中的表现和成果
- 包括工作质量、工作效率、工作态度等
- 重点关注员工是否能够完成工作目标并取得良好成绩
3. 团队合作能力
- 评估员工在团队环境中的协作能力
- 包括沟通能力、协调能力、解决冲突的能力等
- 重点关注员工是否能够与他人有效合作完成任务
4. 创新思维和解决问题能力
- 评估员工面对新情况或问题时的应变和创新能力
- 包括分析问题、提出解决方案、实施方案的能力等
- 重点关注员工是否具备足够的创新思维和解决问题的能力
5. 领导力和管理能力(适用于管理层)
- 评估管理人员的领导力和管理能力
- 包括决策能力、授权能力、激励能力等
- 重点关注管理人员是否能够有效地领导和管理团队
6. 职业素养和品德
- 评估员工的职业操守、责任心、诚信度等
- 包括遵守规章制度、服从安排、保密意识等
- 重点关注员工是否具备良好的职业素养和品德修养
以上项目和重点旨在全面评估员工的综合能力,为员工的职业发展和企业的人力资源决策提供参考。
职业核心能力创新项目表项目名称当前高职大学生的课余生活状况调查班级国贸1501 班级人数32 班级小组总数 4指导教师高燕老师本小组人数8 本小组名称颜值爆表描项目信息拟提供的证据拟证明的能力点目一、项目的准备阶段(项目的内容简介、项目的目标、小组成员及人员分工、完成项目需要的条件和材料、项目计划及其他)1. 内容简介大学生课余生活是在校大学生们在规定的上课实训学习时间之外,可以由学生自己自由支配的时间所作的安排。
课余生活品质的高低在当代大学生的精神生活中占据着非常重要的地位,对他们的人生观、价值观的形成及成长成才具有举足轻重的影响。
因此开展本次一项当前高职大学生的课余生活状况的调查。
2. 项目目标为了了解我校在校大学学生的课余生活状况,便于加强思想政治教育和对学生课余生活的引导,探究大学生课余生活的共性与个性,更好地为大学生的发展提供指导。
3.小组人员分工组长:方案设计:策划案设计:调查问卷书写及发放:调查报告书写:联络及后勤:4.完成项目需要的条件和材料条件:了解大学生喜欢的课外活动了解和确定主要从那些方面开展调查协调组员之间的关系、分工要明确材料:供以发放的调查问卷若干份以及收集材料时用到的移动的设备5.项目计划第一周:准备并设计方案,起草并完善调查问卷第二周:以发放问卷的形式展开调查第三周:统计数据完善调查报告并汇报成果6.其他需要说明的事项完成该项目的所有经费本组以份子钱的形式解决Logo和文案讨论所得的小组分工表或分工图网上查找到的相关资料项目调查问卷电子档和纸质档JLZ12~15JLZ1~JLZ4,JLZ12JLZ9~JLZ11JLZ12~JLZ15项目信息拟提供的证据拟证明的能力点二、项目的实施阶段(项目实施具体步骤及每步拟完成的任务)1.准备阶段:了解部分大学生如何利用课余时间;讨论怎样进行该项目,同时上网查找相应的资料并将所有信息进行归纳总结。
2.设计阶段:以小组讨论的形式确定调查方案,对通过交流和网上收集整理的资料、素材召集所有小组成员将所有材料进行筛选汇总,并以小组讨论的形式起草问卷调查表。
项目计划书
一、以终为始
二、设计驱动问题
提示:你是否提出一个真实的问题或者重要的问题,这个问题能够吸引你参与,并且需要掌握关键的知识和技能,才能够更好地解决这个问题?
三、规划项目评价
四、规划项目过程
知识和技能?
提示:在这个项目中,还可能出现什么问题或者挑战?
五、管理项目过程
提示:你期望从这个项目中学习到什么?
附:鱼缸式讨论法
1、学生围坐成一个圆圈;
2、在大圆圈(外圈)的中间摆5~7把椅子,组成一个小圆圈(内圈);
3、选几位学生坐在内圈,内圈留出一把空椅子;
4、内圈的学生讨论项目会有哪些成果,外圈的学生观察和倾听。
外圈的学生如果有问题或者建议,可以坐在内圈的那把空椅子上发言,他(她)发完言之后就回到外圈,其他人可以再加入。
注:鱼缸式讨论法可用于制订项目计划或其他需要小组讨论的场合。
泰山职业技术学院信息工程系软件开发与项目管理专业10个核心技能一、软件项目管理能力1、项目需求分析能力2、软件质量管理能力3、沟通与团队合作能力4、使用UML工具的能力二、面向对象程序设计能力1、使用JAVA技术进行程序设计能力2、使用.NET开发技术(C#、、WEB Service等)进行程序设计能力三、软件测试能力1、负责测试用例和测试数据的设计以及测试用例的实施和执行;2、对软件产品进行功能测试、异常测试、性能测试以及系统测试能力3、对测试技术、测试方法、测试工具的使用、研究和改进能力四、数据库应用技术开发能力1、SQL Server数据库应用开发能力2、存储过程的设计能力3、Oracle数据库应用能力五、实际项目开发能力1、使用JAVA技术进行项目开发能力●利用Java技术开发应用程序、Web程序的能力●Web网站的维护能力;Java系统的单元测试能力●Java系统的部署、应用能力●在开源体系架构上进行轻量级J2EE项目开发、测试能力●软件项目的管理能力;软件测试及品质管理能力●软件项目的文档建立及管理能力2、使用.NET技术进行项目开发能力●利用.Net技术开发应用程序、Web程序的能力●Web网站的维护能力;.Net系统的单元测试能力●.Net系统的部署、应用能力、在.Net架构上进行项目开发、测试能力●软件项目的管理能力;软件测试及品质管理能力●软件项目的文档建立及管理能力六、智能手机开发平台应用开发1、智能手机软件开发流程2、智能手机软件的设计思想3、智能手机软件测试七、商务谈判和销售技巧能力1、软件产品市场营销能力2、沟通能力3、合作能力八、计算机网络技术应用能力1、互联网使用能力2、网络资源搜索能力3、常用网络应用软件的使用能力(Email、BBS、远程登录、FTP、TCP/IP等命令)4、网络安全技术及防火墙技术的应用能力5、网站部署能力九、操作系统使用能力1、熟练进行操作系统的常规操作2、合理优化日常使用操作系统的性能3、快速的解决操作系统出现的故障4、合理的管理计算机的软硬件资源十、网页设计能力1、网站设计、部署、发布的能力2、使用HTML、DreamWeaver等语言及工具进行静态网页设计的能力3、在静态页面嵌入JavaScript实现页面动态效果的能力4、运用CSS技术实现页面的格式统一控制的能力。
工作能力清单
1.沟通能力:能够清晰、明确地表达自己的想法,听取别人的观点并进行有效的交流。
2. 团队合作能力:能够与不同背景、经验的人合作,发挥各自
的优势,协同完成团队目标。
3. 决策能力:能够收集信息、分析数据、评估风险,做出明智
的决策。
4. 解决问题能力:能够快速地识别问题,采取适当的措施解决
问题。
5. 时间管理能力:能够有效地分配时间,管理自己的任务,确
保按时完成。
6. 创新能力:能够提出新的想法和方法,创造性地解决问题。
7. 学习能力:能够快速地学习新的知识和技能,不断提升自己
的能力和水平。
8. 组织能力:能够有效地组织工作流程、资源和人力,确保任
务按时完成。
9. 领导能力:能够激发团队成员的积极性和创造力,引领团队
完成任务。
10. 坚韧不拔的毅力:能够在面对困难和挑战时保持积极的心态,不轻易放弃,坚持到底。
- 1 -。
投标的专业核心能力要求一、项目管理能力1. 良好的项目规划和组织能力,能够合理分配资源,制定详细的项目计划和时间表,确保项目按时高质量完成。
2. 具备全面的项目管理技能,包括项目进度管理、风险管理、质量管理、成本管理等,能够有效管控项目整个过程。
3. 熟练运用项目管理工具和方法,如PMP、PRINCE2等,能够灵活应对各种复杂项目管理需求。
4. 具备团队管理和协调能力,能够有效组织和领导项目团队,协调各个部门之间的合作,确保项目目标达成。
二、技术能力1. 具备丰富的行业经验和专业知识,对相关行业的技术和发展趋势有深刻的理解和把握。
2. 精通相关领域的技术标准和规范,能够熟练设计和制定符合要求的技术方案和解决方案。
3. 具备较强的创新能力和技术研发能力,善于发现问题、解决问题,提出切实可行的技术改进方案。
4. 能够熟练运用各种技术工具和软件,包括CAD、UG、SolidWorks等,具备丰富的技术实践和经验。
三、质量控制能力1. 具备严格的质量管理意识和责任感,能够确保产品和工程施工质量符合相关标准和规范。
2. 熟悉ISO9001等质量管理体系,能够有效运用质量管理工具和方法,对项目的全过程进行质量管控。
3. 具有严格的检验和测试能力,善于发现问题和隐患,及时处理和解决,确保产品和工程施工过程的质量可控。
4. 具备全面的质量监督和跟踪能力,确保质量问题得到有效整改和改进,达到客户要求的质量标准。
四、成本控制能力1. 具有丰富的成本控制经验和技能,包括项目预算编制、成本核算、成本分析等,确保项目成本控制在合理范围。
2. 能够有效运用成本管理工具和方法,如成本控制理论、成本效益分析等,对项目的成本进行有效管理和控制。
3. 具有丰富的成本预测和风险评估能力,能够预测和预防成本风险,规避不必要的成本浪费。
4. 具备有效的成本节约和优化能力,善于寻求成本降低和节约的途径,确保项目成本控制在有限的范围内。
五、合规能力1. 具备深厚的法律法规和政策法规理解能力,能够准确把握相关行业的法律法规和政策法规,确保项目合规运行。
销售市场财务人力资源物流信息管理生产1.销售计划2.销售技巧3.客户关系管理4.产品知识5.渠道管理6.售后管理1.市场调研2.市场推广计划3.市场运作4.新产品引进与推广1.会计核算2.财务分析3.资金管理4.税务管理1.人力资源规划2.人员招聘与培训3.员工职业规划4.绩效管理5.薪酬管理1.采购管理2.订单管理3.供应商管理4.库存管理5.运输管理6.仓库管理1.硬件使用和维护2.应用管理软件3.软件和系统的开发4.网络管理5.数据库管理和数据挖掘1.生产计划2.成本分析3.制造管理4.质量管理5.设备维护与维修销售方面专业能力示例销售能力名称行为描述销售计划◆能根据市场状况和区域发展/特点,规划和制定战略性的产品、价格、渠道和促销组合,同时严格管理窜货◆能根据品牌差异、市场拉动力、消费者心理行为、渠道利润与零售利润等各方面因素综合考虑并制定各产品的价格体系◆能根据区域化差异有效制定年度/季度/月度销售和利润计划,设定量化的指标来检讨和评估销售和利润计划的完成效果,并定期对销售情况进行分析和回顾◆能根据公司的整体销售计划,制定三个月滚动销售计划,并协助制定区域的月度销售计划销售技巧◆能了解客户的具体要求,清楚地阐述产品的核心卖点以赢得客户的兴趣◆能清晰记录客户的需求,运用信息资源挖掘潜在的客户,并善于发现新客户◆能挖掘可能会满足需求的产品和服务,进行客户拜访,使用销售技巧来推动销售◆能清楚掌握渠道客户的进销存状况,主动及时地帮助客户补货,并协助其出货◆能够设计出吸引顾客,促进销售的陈列方案◆能够处理突发事件客户关系管理◆能建立和维系良好的客户关系,提升公司口碑和渠道价值◆能清晰分析政府机构及客户组织内的关键决策人员,与他们进行策略性沟通◆能及时有效了解和掌握客户资产状况及其需求◆能寻找和规划合作伙伴(渠道结构)、整合各种资源达成合作协议以满足客户的需求产品知识◆能够掌握公司所有的产品的知识并能讲解◆能够挖掘产品卖点和客户需求,并灵活应用◆能够规范产品知识、总结和编制产品知识说明书,形成公司知识积累◆能够引领行业知识和学术权威,通过产品概念(类别、技术参数、规划、功能、使用)、对公司产品研发、设计、测试、发布提供产品知识反馈和支持,进而支撑公司产品发展和趋势,实现战略。
高雄縣立各級學校專業核心能力源起:本府依據行政院94年1月11日院授人企字第0940060371號函頒之「行政院所屬機關專業核心能力項目選定作業方式」,特擬定「高雄縣政府及所屬機關、學校專業核心能力項目選定作業方式」,並以94年6月28日府人一字第0940134901號函頒實施,以供發展專業核心能力項目,俾建構完整之核心能力架構。
專業核心能力意涵、目的:「專業核心能力」係指擔任某特定專業職務或從事特定工作所必須具備的專業知能或技術,用以勝任工作,產生績效。
其建構與運用,主要係為確保員工所具有的能力能契合機關運作的需要,以建構「能力導向」的人力資源管理制度。
專業核心能力項目選定作業架構如下:本縣施政總願景:「建設安居樂業,美麗新三山」本縣教育發展願景:「營造高縣新教育,全面提昇教育品質。
」第1頁,共4頁六、教學設備 七、資訊與網路設備 八、教具圖書資料供九、教學研究 十、教學評量 卜一、與輔導單位配合實施教育輔導 事項縣縣立各級學校專業核心能力清單:關鍵工作(依據國民教育法施行細 則第14條確認學校各 處、室掌理事項)一、課程發展 二、課程編排 三、教學實施 四、學籍管理 五、成績評量1. 2. 3. 4. 5. 專業核心能力項目清單薦任以上人員職務 委任人員職務具基礎教育理論知能。
策略規劃能力。
教育政策執行能力。
資訊運用管理能力。
溝通協調能力1. 2. 文書處理及資訊應用能力。
教育基本認知與執行能力。
一、公民教育 1.具基礎教育理論知能。
1.文書處理及資訊應用第3頁,共4頁三、學生興趣成就與志願之調查、輔導 及諮商之進行關鍵工作專業核心能力項目清單(依據國民教育法施行細 則第14條確認學校各 處、室掌理事項)薦任以上人員職務 委任人員職務導二、道德教育三、生活教育 四、體育衛生保健 五、學生團體活動及生活管理 六、與輔導單位配合實施教育輔導事一、學生資料蒐集與分析二、學生智力、性向、人格等測驗之實2. 3. 4. 1. 2. 3. 4. 策略規劃能力。
LOMINGER 67项能力检核表在机会面前行动迟缓可能太中规中矩,力求完美或厌恶风险}可能办事拖拉可能不会制定挑战性很高的目标可能对采取行动缺乏信心可能虽然知道该做什么,但迟疑不决可能缺少激励;对工作感到厌倦或精疲力竭喜欢努力工作以行动为导向,对认为具有挑战性的事情干劲十足即使计划很少,也不惧怕采取行动抓住的机会比别人多?可能是个工作狂可能还未进行充分分析就急于制定解决办法可能缺乏战略眼光可能为了尽快完成工作而管理过多过细可能因为漠不关心、疏忽大意而导致个人和家庭的问题可能轻视重要但缺乏挑战性的职责和任务可能忽略个人生活,劳累过度可能对变化或不确定性感到不安可能处理不好复杂问题,不能拿出明确的解决方案或处理结果可能比其他人更喜欢掌握更多资料,并对不确定的事情加以组织。
喜欢一成不变、确定无疑的事物在不明朗的局面下效率和生产力较低欲速不达可能有希望结束一切的强烈愿望[可能喜欢反复地以同样的方式做事能有效地处理变化能灵活转变做事方式即使不了解全部情况,也能下决心采取行动当事情悬而未决时,不会因此坐立不安不会因为事情没有全部解决而驻足不前能从容地处理风险和不确定事物可能没有充足的数据就得出结论可能用不存在的事情填补空白…可能因工作不够明确而让人感到灰心可能低估按部就班解决问题的价值可能摒弃先例和历史可能因追求新奇和冒险而不采用业经证实的解决方案,导致错误发生。
可能使事情复杂化与人疏远,不容易接近!与人第一次接触时会觉得不自在可能会害羞、冷漠或寡言少语不太表露自己,很难让人看见自己真实的一面不会主动营造亲善友好的关系,可能抱着一种“随它去”的态度可能不善于聆听,或表现得很漠然可能没领会一般人能够辨认出来的社交暗示可能容易紧张不能顺利地与人交流别人容易接近和交谈会努力让别人觉得轻松自在…热情、愉快和亲切能敏锐地察觉别人渴望与人交往的焦虑心情,并耐心地对待他们建立起非常融洽的关系是一个很好的听众比别人更早知道情况,及时获得一些非正式的不完整信息,从而作出适当反应可能开会时花过多时间协调关系可能会被误认为随和或容易受他人影响可能太想讨他人喜欢可能回避必要的负面的或不愉快的交易(可能设法掩饰真正的问题与上司相处不好上司在场时可能会觉得不自在可能不会坦然地接受上司的教导和指示对上司的权威处理不当因为和上司的关系不好而在工作中无法出成果·能够响应上司,与上司相处得很好愿意为好上司更努力地工作乐于向上司学习,认为上司是好教练,而且也提供了自由空间喜欢向工作上的前辈学习乐于接受挑战和发展自己谦恭受教可能过分依赖上司与高层人士的建议和忠告可能关闭其它反馈和学习渠道可能选择错误的上司作为榜样;不理解企业的运作方式知识不够丰富,跟不上当前及未来对所在企业和组织有影响的政策、实践、趋势、技术和信息不知道战略和战术如何在市场中发挥作用可能只是一个非常专注的职能专家或技术专家可能仅擅长某一方面的战术对一般业务缺乏兴趣或经验>理解企业的运作方式知识丰富,了解当前及未来可能对所在企业和组织有影响的政策、实践、趋势、技术和信息了解竞争知道战略和战术在市场中发挥作用的方式可能过度发展或依赖行业及商业知识与技能,忽视个人、人际交流、管理和领导能力\不清楚自己的职业目标可能感到厌倦,或选错了职业或公司可能不想为取得进步而做出牺牲不懂得职业发展之路以及别人是如何取得进步的不善于自我营销,不知道该如何引人注意羞于提出职业上的愿望和需要沉湎于现有的职业安乐窝,不愿意再冒职业风险知道自己的职业目标是什么,并且积极地为实现这个目标而努力非常清楚自己的职业是怎么一回事让事物随着自己的意愿走|不会坐等伯乐来发现自己可能做出不明智的职业选择可能只选择能够应付自如的工作可能给人过分野心勃勃的印象可能对手头工作不够重视可能无法坦然地接受有关职业的建议可能不信任他人为他/她做出的职业决定对下属的个人需求不是很关心可能太忙碌以致对下属所知不多可能认为工作与个人生活是两回事可能比大部分的人更为工作导向可能对下属严格而没人情味可能缺乏聆听技巧,且也没兴趣知道别人的希望与问题有兴趣了解下属的工作和非工作生活询问下属个人的各项计划,问题与希望【了解下属的问题与疑虑愿意听下属诉说个人问题体察下属的工作负荷,对他们额外付出的努力表示欣赏可能对下属无法坚持立场可能给他们太多空间找借口可能无法要求他们超越自己的能力范围好好表现可能对他们的生活介入太深可能无法对下属的表现及潜力做客观的裁定当下属可能在努力时,不知道何时该停止表示关心在较高层上司面前缺乏自信可能显得神经紧绷,无法全力表现被主管问问题时,可能会失去冷静或显得慌乱不知道如何影响较高层主管,或使他们印象深刻可能不了解顶级上司的期望是什么说或做些与现场状况不合的事情)在高级管理人员面前能轻松应付在高级管理人员面前不会过度紧张不安理解高级管理人员思考和工作的方式能够和他们有共同的想法并回应他们的要求来确定做事的最佳方式能够巧妙地提出一些可能被认为正确而积极的方案可能过分注重向上经营可能被认为政治化与野心勃勃可能花太多时间在亲近较高层主管、复述他们的立场、并高估了这层关系的意义与利益职业生涯可能过度依赖长官的拥护(可能太随意使用机密资料较喜欢服从命令可能尽量避免冲突与危机,不愿意激烈抗争,且无法采取坚定的立场可能选择让步与保持沉默太在乎别人会怎么说或怎么想、可能太忧虑是否受欢迎、作法对不对,或无法忍受批评可能畏惧冲突或缺乏坚忍精神在压力之下可能无法保持冷静可能缺乏紧迫感喜欢领导别人如有必要,会采取不被大家接受的立场虽然鼓励直率激烈的争论,但也会果断地结束争论并继续前进危急时刻是大家找出方向的依靠昂首面对逆境将艰巨的挑战作为对自己的激励!可能没有团队协作精神可能无法容忍其他人做事的方式可能选择强势领导的方式,即使其他较以团队为基础的策略一样可以运作得很好,甚至更好可能不会培养其他的领导者可能引起争议遭到他人否定可能比大多数人都缺乏爱心或同情心从不过问私人问题;即使被告知也反应冷淡成果是最重要的事,其它的事只会妨碍成果认为私人生活与事业应该分清楚可能在工作时不适当地引用别人的困境当做话题不喜欢和生活紧张、痛苦的人在一起可能不知道如何表示同情心、及如何和有困难的人相处对于别人的缺陷与问题,可能比大部分的人缺乏同情心; 真心地关心别人关心别人在工作和生活中遇到的问题随时准备帮助别人同情别人的不幸真挚地表现出与别人同喜同悲可能为了和谐而掩饰矛盾面对装病来逃避工作的人时,态度可能不够坚定,且可能做太多的让步可能因为与下属过于亲近,无法对他们客观评价,使其能够多次逃脱处罚可能因与人交往过从甚密而产生麻烦~在压力与焦虑下,变得慌乱且失去镇定可能在把事情搞砸后,才说他不该如此容易被击倒,且变得情绪化、自我防卫、及自我放弃—可能对批评防卫而敏感可能愤世嫉俗或郁郁寡欢可能很容易被意外事件击倒,且容易惊慌失措可能促使别人失去镇定或怀疑不安可能会让愤怒、挫折、与焦虑显现出来在压力之下保持镇定不会因为艰难困境而变得自我保护或烦躁在大家眼里是一个成熟的人越是在艰难困境的时候,越撑得住有能力处理好压力&不会因为意外变故而失去自我平衡受到阻碍时不会表现出沮丧危机发生时能起到让大家安定下来的作用可能不会恰当地表达感情可能被认为冷漠而缺乏爱心在某些状况下,当其他人表现感情时,他却可能显得很低调可能很容易被误解可能无法和那些行动、决定较以感情为基础、而非以思考为基础的人处得很好避免在任何情况与任何人有冲突可能会尽量包容,并想和每个人和平相处可能会因为冲突而变得沮丧,且自己忍了下来无法在冲突的压力下,坚持一段长时间并从中获益很快就放弃并答允意外地就卷入冲突,而无法在事前看出端倪会让事情恶化,而不是马上处理《怀着观望态度,希望事情久而久之自然消失可能会过份好斗,每次争论都要赢勇于面对冲突,将冲突视为机会;迅速了解情况;能够专心听取他人意见;能够在困难的情况下达成协议,并公平地解决争端;能够找到共同立场并取得合作,将反对的声音减弱到最低可能显得过于自信、咄咄逼人可能介入干涉其他人的问题…在其他人未就绪之前就急着提出方案对公开辩论有强烈的影响力可能花费太多时间处理顽固的人及无法解决的问题不喜欢传达负面的讯息给下属耽搁、回避问题一直到不得不行动时可能无法传达明确的标准、或提供很多的回馈;让问题恶化,希望它们能自然消失可能会找借口让自己很快让步可能给别人太多的机会即使当每个人都失败了也不追根究底标准太低,或选择当好好先生果断及时地处理有问题的下属不会任由问题发展定期的与下属进行绩效评核并及时予以讨论当所有其他的努力都以失败告终时,勇于做出解雇下属的决策果断处理肇事者;可能对有问题的下属处理过快对问题可能没有充分努力处理可能期望在很短的时间内好转可能期望奇迹狭隘、步步为营、并且保守可能较留恋过去,并较喜欢陈腐、不变的事物背景知识有限避免冒险,且缺乏勇敢、创新的企图不会把外来的想法与自己的领域相契合可能对创意如何运作一无所知用老旧的方法来解决新的问题可能会对其他人的创作精神泼冷水【提出很多新颖独特的想法轻松建起各种原本毫不相关的概念之间的联系参加脑力激荡活动时,常常被大家认为很有创意和很能增加价值可能对仅有边际效益的想法过于着迷,结果浪费了时间可能同时介入太多事情想法产生后,可能不会贯彻执行可能杂乱无章,或没有能力照顾细节|可能是个独行侠,而不愿做个傻瓜队员与那些较无创意的人,可能关系处得不是很好没有把顾客放在第一位可能认为顾客已经知道他们自己的需要可能把重点放在内部的运作上,而没有预期到顾客突发的问题~可能没有先采取行动─因此也无从遇见或认识顾客不喜欢与新的人接触可能不愿意处理顾客的批评、抱怨、及特殊需求可能无法好好聆听顾客的声音,也可能心存防卫可能不花时间与顾客接触致力于满足内外部顾客的期望和要求取得第一手的顾客资料,并利用这些资料来改进产品和服务行动的时候把顾客放在心上建立和维持与顾客之间的良好关系,赢得顾客的信任和尊重…可能对顾客的要求反应过分积极可能太乐于回应顾客无理的要求,而改变建立已久的程序与时间表可能破例太多,因而无法建立一贯的政策、惯例、及程序,来让其他人依附遵循过于信守目前的顾客需求,以致无法有突破性进展Decision |决定、宣布事情缓慢保守又谨慎可能会延迟事情,寻求更多的讯息来建立信心与避免冒险可能是个完美主义者,每件事都要做对,强烈保护自己免受批评可能乱无章法,并总是仓促成事以因应期限对于复杂的问题可能很慢才能下决定总是及时作出决定,即使在信息不完全、时间紧迫和压力很大的时候也是如此能够迅速作出决定》可能未恰当考虑信息就贸然做出结论并采取行动可能会陷入不得不做决定的困境可能在做决定之前会强烈要求每个人提供意见看法可能被认为冲动而没有耐心可能会遇到困难,且面临紧要关头的争论与问题时会呆愣住可能会快速做决定以避免争论及个人的不愉快未分析之前,就先快速找出方案、做出结论与评论可能太依赖自己─不寻求帮助做结论时,可能情绪化且没耐性可能不使用有条理的决定方式、模型、或思考方法可能依据偏见、历年的方案、或狭隘的观点来骤下结论在做决定之前,不花时间来把问题弄清楚可能不善于处理复杂的问题可能为了避免冒险与犯错而花费太长的时间为每个细节苦恼|可能去寻求一个远大而完美的决定,却忽略了另外五个小决定会让事情更好的事实无论决策时间有多长,都能综合运用分析、智慧、经验和判断来作出好的决策所提出的大多数解决办法和建议经过时间证明都是正确无误的被别人认为很有点子和办法可能把自己看得过份睿智或趋近完美;是个不能或不会犯错的人可能被认为顽固且不愿商议或妥协当提议被拒绝时可能会感到挫折可能和那些较少有资料根据的人关系不好}不放心委派工作对下属的才能缺乏信任与尊重大部分的事情都自己做,或把好的差事都储藏、保留给自己不想、也不知道如何授权给别人(可能委派工作,但却暗地操纵、且回头检视可能委派工作,但却未把权力传递出去可能缺乏关于如何经由别人完成工作的计画可能只是把工作丢给别人,而没有把事情的全貌让他知道明确而坦然地将日常和重要的任务及决策都授权给别人去做广泛的分担职责与责任倾向于相信人们的工作能力让下属及其他人完成各自的工作—可能过份委派责任,而没有提供足够的引导与协助对下属可能有不切实际的期望,或可能在分派工作之前过度设定任务与决策,以致限制了个体的进取精神可能自己没有对这个工作下足够的功夫不善于培养和发展别人[非常努力想达到成果并善用策略,但却没有时间做长期发展规划没有把长期发展当做是他的工作只做安全范围内的工作─无法让自己有能力分派真正长远的(冒险的)工作认为所谓发展就是去上课,不清楚真正的发展是如何进行的可能不了解下属们的抱负,也不和他们做生涯规划讨论,且不督促他们认真发展自己提供具有挑战性及一定难度的工作和任务;经常与下属讨论他的个人发展;了解每个下属的发展目标;制定激励性的个人发展计划并加以实施;@推动人们进行职业发展鼓励那些需要帮助和进一步发展的人与组织内部的培养机制配合善于培养别人可能会只专注于某些下属的发展,而忽略了多数人的发展当某些具有挑战性的任务被分配出去时,可能会造成工作分配不均对于下属将来的发展可能会过份乐观可能支持组织内最新流行的培养趋势,并积极配合该体系,尽管这对于培养某个人来说没有意义向下属传达的命令不明确或晦涩难懂不设定目的、标的、里程碑、与终极目标无法很有计画地分派固定明确的工作─只会给大范围的任务:大部分的时候都在发表、宣传;很少聆听只和自己喜欢的人相处,对其他人则很冷酷可能没有耐心为别人组织规划工作无法把工作分派好不花时间经营管理可能自己的工作也没分派好擅长发出明确指令设定具挑战性的目标适当的分配工作量计划良好并有条理的安排工作/与他人就工作与结果不断进行双向对话发挥他人最大能力清楚明白地传达命令可能控制过度可能过份影响他人,不鼓励别人提出意见看法,也无法包容异议可能只部分授权予,而无法与之分享更多全貌可能下达过多的指示,压抑了他人的创造力和主动性与和他自己非常不同的群体在一起就变得没有效率可能不喜欢和那些不像他的人在一起和那些与他不同的人在一起时,可能会行为不当对外防御自己的势力范围避免不同观点及日常工作所产生的冲突与杂音无法理解多元性在企业的价值用相同的方式对待每个人而没有顾虑到他们的差异非常狭隘与民族本位主义;认为他自己的族群比较优越…可能随时带着他自己很难排除的、负面而贬抑人的刻板印象公正地管理各种类型和阶层的人妥善处理与各种种族、民族、文化、年龄和性别的人以及残疾人士的关系聘用各种各样的人,不顾虑他们所处的阶层主张对所有人提供公平公正的待遇和机会可能对某一类型的人给予过多宽容可能无法将平等的标准和准则应用到所有种类的人`可能针对单独的某种人表现出不当的偏爱可能为了实现多样化而牺牲标准对整个企业组织来说,价值观可能已经过时了强烈的个人主义;不关心其他人的价值观;可能设定他自己的规定;另其他人感到不舒服&可能玩得太接近或超越此组织的极限对自己的价值观可能思考不多,并且不清楚自己给人的印象为何依情况的不同,行为可能也有很大的不同价值观可能被认为太自我为中心他言不由衷;或者说一套做一套无论在顺境还是逆境,都能坚持一整套强大而适宜(对环境而言)的核心价值观遵照这些价值观来行事崇尚正确的价值观,摒弃其他不良价值观言行一致?可能会因为信念和价值的不适当而引起纷争可能会对一些情况已太过敏感,好像在做原则,价值,信念的石蕊试纸测试一般可能对要改变和妥协的需要表现固执和迟顿可能对这些价值观念不同的人太过挑剔可能会拿工作信念来关闭/结束讨论对下属的对待并不公平不聆听下属的问题及需求可能会对别人的讯息接收不良,且不能够了解他们对他/她的对待方式的反应对那些有权知道的人,隐藏或不告诉事情的真相可能会不一致及偏袒所好可能可能因为不曾考虑到平等,或者因为太忙而忽略了它可能会把人们而分成好和坏,而对他们有不同的对待方式;对待下属一视同仁做事公正坦率讨论没有什么好隐瞒的事情不会偏心眼可能会花费太多时间在取悦每一个人可能会太注重工作分配平等,而非使用,挑战,发展最佳人选他/她的对公平的需求,可能会遮蔽真正的问题和差异]未能达到职务上或技能上的基本能力在技能或职务方面容易犯错因为缺乏知识而无法做正确的判断与决定。
建筑经济管理专业核心能力标准一览表
2001001建筑经济管理专业施工员岗位工作核心能力考核标准
注:1.项目按能力分解及操作顺序列,操作内容要分条写详细,学生看到后就知道如何进行操作,表格列间距及可根据需要进行调整。
2.只列专业核心能力考核标准,其它项目不要列入其中。
2001002建筑经济管理专业测量员岗位工作核心能力考核标准
2001003建筑经济管理专业资料员核心能力考核标准
2001004建筑经济管理专业造价员核心能力考核标准
2001005建筑经济管理专业质检员能力核心能力考核标准
2001006建筑经济管理专业安全员核心能力考核标准。
高雄縣立各級學校專業核心能力
源起:
本府依據行政院94年1月11日院授人企字第0940060371號函頒之「行政院所屬機關專業核心能力項目選定作業方式」,特擬定「高雄縣政府及所屬機關、學校專業核心能力項目選定作業方式」,並以94年6月28日府人一字第0940134901號函頒實施,以供發展專業核心能力項目,俾建構完整之核心能力架構。
專業核心能力意涵、目的:
「專業核心能力」係指擔任某特定專業職務或從事特定工作所必須具備的專業知能或技術,用以勝任工作,產生績效。
其建構與運用,主要係為確保員工所具有的能力能契合機關運作的需要,以建構「能力導向」的人力資源管理制度。
本縣施政總願景:「建設安居樂業,美麗新三山」
本縣教育發展願景:「營造高縣新教育,全面提昇教育品質。
」
本縣縣立各級學校專業核心能力清單:。