钢筋工国家职业标准
- 格式:docx
- 大小:19.90 KB
- 文档页数:9
国家职业技能标准部分工种兴山县职业技能鉴定所2011年10月目录一、五个等级 (6)1.锅炉设备安装工 (6)2.装饰美工 (6)3.电气设备安装工 (6)4.常用电机检修工 (6)5.变电设备安装工 (7)6.变配电室值班电工 (7)7.锅炉设备装配工 (7)8.电机装配工 (7)9.高低压电器装配工 (8)10.摩托车维修工 (8)11.音响调音员 (8)12.化学检验工 (9)13.井下作业工 (9)14.沼气生产工 (9)15.管工 (9)16.精制盐工 (10)17.聚苯乙烯生产工 (10)18.白酒酿造工 (10)19.机械设备安装工 (10)20.农机修理工 (11)21.录音师 (11)22.美甲师 (11)23.水泥生产制造工 (12)24.蔬菜园艺工 (12)25.兽医化验师 (12)27.美容师 (13)28.变压器、互感器装配工 (13)29.艺术化妆师 (13)30.气体净化工 (13)31.化工工艺试验工 (14)32.化工总控工 (14)33.硫酸生产工 (14)34.汽车修理工 (14)35.化工仪表维修工 (14)36.粮油购销员 (15)37.粮油保管员 (15)38.中式烹调师 (15)39.保安员 (15)40.摄影师 (16)41.眼镜验光员 (16)42.变电站值班员 (16)43.水电自动装置检修工 (16)44.继电保护员 (17)45.装表接电工 (17)46.洗衣师 (17)47.炉前工 (17)48.餐厅服务员 (18)49.美发师 (18)50.家用电子产品修理工 (18)51.家用电器产品维修工 (19)52.车工 (19)53.焊工 (19)54.工具钳工 (19)55.机修钳工 (20)57.水土保持治理工 (20)58.中式面点师 (20)59.水文勘测工 (21)60.无机化学反应工 (21)61.造林更新工 (21)二、四个等级 (21)1.锅炉操作工 (21)2.精密仪器仪表修理工 (22)3.农副土特产品收购员 (22)4.菌类园艺工 (22)5.汽车驾驶员 (22)6.养老护理员 (22)7.话务员 (23)8.项目管理师 (23)9.砌筑工 (23)10.钢筋工 (23)11.防水工 (24)12.手工木工 (24)13.起重工 (24)14.林木种苗工 (24)15.小型家用电器装配工 (24)16.电网调度自动化维护员 (25)17.农网配电营业工 (25)18.水泥中央控制室操作员 (25)19.木材检验师 (25)20.蒸发工 (26)21.蒸馏工 (26)22.萃取工 (26)23.吸收工 (26)25.无线电调试工 (27)26.保健按摩师 (27)27.工程测量员 (27)28.眼镜定配工 (28)29.集控值班员 (28)30.抄表核算收费员 (28)31.汽车运输调度员 (28)32.沥青混凝土摊铺机操作工 (28)33.压路机操作工 (29)34.修脚师 (29)35.出版物发行员 (29)36.营业员 (29)37.装载机司机 (29)38.干燥工 (30)39.客车检车员 (30)40.社会工作者 (30)三、三个等级 (31)1.珠宝首饰营业员 (30)2.用户通信终端销售员 (30)3.组合机床操作工 (31)4.中药购销员 (31)5.医药商品购销员 (31)6.多媒体作品制作员 (31)7.室内装饰设计员 (32)8.混凝土工 (32)9.架子工 (32)10.盐斤收放保管工 (32)11.广告设计师 (32)12.物业管理员 (33)14.运行方式员 (33)15.用电客户受理员 (33)16.拖拉机驾驶员 (34)17.车站值班员 (34)18.家政服务员 (34)19.护林员 (34)20.市场管理员 (35)21.公路重油沥青操作工 (35)22.计算机操作员 (35)23.煤粉工 (35)24.厨政管理师 (35)25.前厅服务员 (36)26.客房服务员 (36)27.保育员 (36)28.沥青工 (36)29. 汽车客运服务员 (37)四、两个等级 (38)1.通讯设备检验员 (38)2.热力网值班员 (38)五、一个等级 (38)1.劳动保障协理员 (38)2.营造林工程监理员 (39)一、五个等级1.锅炉设备安装工职业定义:从事锅炉钢架、锅炉受热面、辅机安装、检查及设备保温的人员。
国家职业标准(一)国家职业标准概念按照标准化对象,通常把标准分为技术标准、管理标准和工作标准三大类。
工作标准是指对工作的责任、权利、范围、质量、程序、效果及检查方法和考核办法所制定的标准,一般包括部门工作标准和岗位(个人)工作标准。
国家职业标准属于工作标准。
国家职业标准是在职业分类的基础上,根据职业(工种)的活动内容,对从业人员工作能力水平的规范性要求。
它是从业人员从事职业活动,接受职业教育培训和职业技能鉴定以及用人单位录用、使用人员的基本依据。
国家职业标准由劳动和社会保障部组织制定并统一颁布。
(二)国家职业标准基本结构与主要内容国家职业标准由职业概况、基本要求、工作要求和比重表四部分组成。
其中工作要求是国家职业标准的核心部分。
职业概况是对本职业的基本情况的描述,包括职业名称、职业定义、职业等级、职业环境条件、职业能力特征、培训要求、鉴定要求等8项内容。
(三)国家职业标准的导向作用国家职业标准在整个国家职业资格体系中,起着重要的导向作用。
它引导职业教育培训、鉴定考核、技能竞赛等活动,其举足轻重的地位现在越来越呈现出来。
一个统一的、符合劳动力市场需求和企业发展目标的职业标准体系,对于开展国民教育,提高广大劳动者素质,促进就业,加强人力资源科学化、规范化和现代化管理都将起到重要作用。
职业标准是职业教育培训课程开发的依据。
国家职业标准通过工作分析方法,描述了胜任各种职业所需的能力,反映了企业和用人单位的用人要求。
职业教育和职业培训的课程按照国家职业标准进行设置,能够摆脱"学科本位教育"重理论、轻实践,重知识、轻技能和重学业文凭、轻职业资格证书的做法,保证职业教育密切结合生产和工作的需要,使更多的受教育者和培训对象的职业技能与就业岗位相适应。
职业技能鉴定命题是按照国家职业标准,在对其所要求的知识和技能进行具体化和典型化的基础上,命制用来测量鉴定对象职业能力是否达标的试题或试题库。
鉴定考核则是运用职业技能鉴定试题,按照国家职业标准规定的时间和方式,组织对鉴定对象的职业能力进行测试。
已颁布的国家职业标准序职业编码国家职业标准名称发文号颁布时间出版单位号1 4-04-03-04 保健按摩师(试行)劳社培就司发[1999]52号1999-8-26 中国劳动社会保障出版社2 4-07-12-02 家政服务员劳社厅发[2000]14号2000-7-4 中国劳动社会保障出版社3 4-07-04-01 美容师劳社厅发[2000]14号2000-7-4 中国劳动社会保障出版社4 4-03-02-02 西式面点师劳社厅发[2000]14号2000-7-4 中国劳动社会保障出版社5 4-03-02-01 西式烹调师劳社厅发[2000]14号2000-7-4 中国劳动社会保障出版社6 4-03-01-02 中式面点师劳社厅发[2000]14号2000-7-4 中国劳动社会保障出版社7 4-07-04-02 美发师劳社厅发[2000]14号2000-7-4 中国劳动社会保障出版社8 4-03-01-01 中式烹调师劳社厅发[2000]14号2000-7-4 中国劳动社会保障出版社9 4-01-01-01 珠宝首饰营业员(※)劳社厅发[2000]14号2000-7-4 地质出版社10 4-01-02-01 推销员劳社厅发[2000]14号2000-7-4 中央广播电视大学出版社11 4-04-03-04 足部按摩师(※)劳社厅发[2000]14号2000-7-4 中央广播电视大学出版社12 3-01-02-05 计算机操作员劳社厅发[2000]14号2000-7-4 中央广播电视大学出版社13 4-07-06-01 眼镜验光员劳社厅发[2000]14号2000-7-4 海洋出版社14 4-07-06-02 眼镜定配工劳社厅发[2000]14号2000-7-4 海洋出版社15 4-01-01-01 用户通信终端销售员(※)劳社厅发[2000]14号2000-7-4 人民邮电出版社16 6-04-01-08 加工中心操作工劳社厅发[2000]14号2000-7-4 海潮出版社17 6-04-02-05 焊工劳社厅发[2000]14号2000-7-4 海潮出版社18 6-04-01-07 组合机床操作工劳社厅发[2000]14号2000-7-4 海潮出版社19 6-08-05-01 计算机(微机)维修工劳社厅发[2000]14号2000-7-4 海潮出版社20 6-21-01-02 贵金属首饰手工制作工劳社厅发[2000]14号2000-7-4 海潮出版社21 6-23-07-01 装饰装修工-镶贴工劳社厅发[2000]14号2000-7-4 海潮出版社22 6-23-07-01 装饰装修工-打胶工劳社厅发[2000]14号2000-7-4 海潮出版社23 6-23-07-01 装饰装修工-涂裱工劳社厅发[2000]14号2000-7-4 海潮出版社24 6-23-07-01 装饰装修工-金属工劳社厅发[2000]14号2000-7-4 海潮出版社25 4-07-03-04 锅炉操作工劳社厅发[2000]14号2000-7-4 海潮出版社26 4-07-05-01 摄影师劳社厅发[2000]14号2000-7-4 海潮出版社27 4-03-03-01 调酒师劳社厅发[2000]14号2000-7-4 海潮出版社28 4-07-10-02 家用电器产品维修工劳社厅发[2000]14号2000-7-4 海潮出版社29 4-07-11-01 办公设备维修工劳社厅发[2000]14号2000-7-4 海潮出版社30 3-01-02-01 秘书劳社厅发[2000]14号2000-7-4 海潮出版社31 3-01-02-02 公关员劳社厅发[2000]14号2000-7-4 海潮出版社32 6-07-01-02 锅炉设备安装工劳社厅发[2000]14号2000-7-4 海潮出版社33 4-03-05-01 餐厅服务员劳社厅发[2001]3号2001-8-7 中国劳动社会保障出版社34 6-05-06-08 电工仪器仪表装配工劳社厅发[2001]3号2001-8-7 中国劳动社会保障出版社35 6-03-01-15 防腐蚀工劳社厅发[2001]3号2001-8-7 中国劳动社会保障出版社36 2-02-34-07 企业人力资源管理人员(试行)劳社厅发[2001]3号2001-8-7 中国劳动社会保障出版社37 6-05-06-03 电子仪器仪表装配工劳社厅发[2001]3号2001-8-7 中国劳动社会保障出版社38 6-05-04-09 电线电缆制造工劳社厅发[2001]3号2001-8-7 中国劳动社会保障出版社39 6-06-02-03 精密仪器仪表修理工劳社厅发[2001]3号2001-8-7 中国劳动社会保障出版社40 6-06-01-02 汽车修理工劳社厅发[2001]3号2001-8-7 中国劳动社会保障出版社41 6-21-08-01 装饰美工劳社厅发[2001]3号2001-8-7 中国劳动社会保障出版社42 4-99-00-01 电子商务师(试行)(☆)劳社厅发[2001]3号2001-8-7 中央广播电视大学出版社43 4-07-99-01 心理咨询师(试行)(☆)劳社厅发[2001]3号2001-8-7 中央广播电视大学出版社44 4-07-02-01 物业管理员(师)(试行)劳社厅发[2001]3号2001-8-7 中央广播电视大学出版社45 4-04-03-01 社会体育指导员劳社厅发[2001]3号2001-8-7 人民体育出版社46 4-01-03-02 农副土特产品收购员(※)劳社厅发[2001]3号2001-8-7 新华出版社47 5-01-06-01 棉花加工工劳社厅发[2001]3号2001-8-7 新华出版社48 5-01-03-04 菌类园艺工劳社厅发[2001]3号2001-8-7 新华出版社49 6-26-01-38 评茶员(☆)劳社厅发[2001]3号2001-8-7 新华出版社50 6-26-01-37 棉花检验员(☆)劳社厅发[2001]3号2001-8-7 新华出版社51 6-23-10-02 电气设备安装工劳社厅发[2001]3号2001-8-7 中国电力出版社52 6-07-06-03 常用电机检修工劳社厅发[2001]3号2001-8-7 中国电力出版社53 6-07-06-01 变电设备安装工劳社厅发[2001]3号2001-8-7 中国电力出版社54 6-07-06-02 变配电室值班电工劳社厅发[2001]3号2001-8-7 中国电力出版社55 6-04-01-01 车工劳社厅发[2002]1号2002-2-11 中国劳动社会保障出版社56 6-04-01-02 铣工劳社厅发[2002]1号2002-2-11 中国劳动社会保障出版社57 6-04-01-04 磨工劳社厅发[2002]1号2002-2-11 中国劳动社会保障出版社58 6-04-01-05 镗工劳社厅发[2002]1号2002-2-11 中国劳动社会保障出版社59 6-04-02-01 铸造工劳社厅发[2002]1号2002-2-11 中国劳动社会保障出版社60 6-04-02-02 锻造工劳社厅发[2002]1号2002-2-11 中国劳动社会保障出版社61 6-04-02-06 金属热处理工劳社厅发[2002]1号2002-2-11 中国劳动社会保障出版社62 6-04-04-01 冷作钣金工劳社厅发[2002]1号2002-2-11 中国劳动社会保障出版社63 6-04-05-02 涂装工劳社厅发[2002]1号2002-2-11 中国劳动社会保障出版社64 6-05-02-01 装配钳工劳社厅发[2002]1号2002-2-11 中国劳动社会保障出版社65 6-05-02-02 工具钳工劳社厅发[2002]1号2002-2-11 中国劳动社会保障出版社66 6-05-03-03 锅炉设备装配工劳社厅发[2002]1号2002-2-11 中国劳动社会保障出版社67 6-05-03-04 电机装配工劳社厅发[2002]1号2002-2-11 中国劳动社会保障出版社68 6-05-04-06 高低压电器装配工劳社厅发[2002]1号2002-2-11 中国劳动社会保障出版社69 6-06-01-01 机修钳工劳社厅发[2002]1号2002-2-11 中国劳动社会保障出版社70 6-06-01-02 摩托车维修工(※)劳社厅发[2002]1号2002-2-11 中国劳动社会保障出版社71 6-19-03-05 音响调音员劳社厅发[2002]1号2002-2-11 中国劳动社会保障出版社72 6-24-01-01 汽车驾驶员劳社厅发[2002]1号2002-2-11 中国劳动社会保障出版社73 6-26-01-12 纺织纤维检验工劳社厅发[2002]1号2002-2-11 中国劳动社会保障出版社74 6-26-01-35 贵金属首饰钻石宝玉石检验员劳社厅发[2002]1号2002-2-11 中国劳动社会保障出版社75 4-01-01-01 营业员劳社厅发[2002]1号2002-2-11 中国劳动社会保障出版社76 4-01-02-01 营销师劳社厅发[2002]1号2002-2-11 中国劳动社会保障出版社77 4-02-01-05 冷藏工劳社厅发[2002]1号2002-2-11 中国劳动社会保障出版社78 4-03-04-01 营养配餐员劳社厅发[2002]1号2002-2-11 中国劳动社会保障出版社79 4-04-01-01 前厅服务员劳社厅发[2002]1号2002-2-11 中国劳动社会保障出版社80 4-04-01-02 客房服务员劳社厅发[2002]1号2002-2-11 中国劳动社会保障出版社81 4-07-10-01 家用电子产品维修工劳社厅发[2002]1号2002-2-11 中国劳动社会保障出版社82 4-07-10-03 照相器材维修工劳社厅发[2002]1号2002-2-11 中国劳动社会保障出版社83 4-07-10-04 钟表维修工劳社厅发[2002]1号2002-2-11 中国劳动社会保障出版社84 4-07-12-01 保育员劳社厅发[2002]1号2002-2-11 中国劳动社会保障出版社85 4-07-12-03 养老护理员劳社厅发[2002]1号2002-2-11 中国劳动社会保障出版社86 3-01-02-06 制图员劳社厅发[2002]1号2002-2-11 中国劳动社会保障出版社87 6-07-06-05 维修电工劳社厅发[2002]1号2002-2-11 中国劳动社会保障出版社88 6-26-01-01 化学检验工劳社厅发[2002]1号2002-2-11 中国劳动社会保障出版社89 6-26-01-08 食品检验工劳社厅发[2002]1号2002-2-11 中国劳动社会保障出版社90 3-03-03-04 用户通信终端维修员劳社厅发[2002]1号2002-2-11 人民邮电出版社91 3-03-02-02 话务员劳社厅发[2002]1号2002-2-11 人民邮电出版社92 6-01-05-01 井架安装工劳社厅发[2002]1号2002-2-11 石油大学出版社93 6-01-05-02 钻井工劳社厅发[2002]1号2002-2-11 石油大学出版社94 6-01-05-03 固井工劳社厅发[2002]1号2002-2-11 石油大学出版社95 6-01-06-01 油、气井测试工劳社厅发[2002]1号2002-2-11 石油大学出版社96 6-01-06-02 采油工劳社厅发[2002]1号2002-2-11 石油大学出版社97 6-01-06-03 采气工劳社厅发[2002]1号2002-2-11 石油大学出版社98 6-01-06-04 井下作业工劳社厅发[2002]1号2002-2-11 石油大学出版社99 6-01-06-05 天然气净化工劳社厅发[2002]1号2002-2-11 石油大学出版社100 6-01-06-06 油气输送工劳社厅发[2002]1号2002-2-11 石油大学出版社101 6-01-06-07 油气管道保护工劳社厅发[2002]1号2002-2-11 石油大学出版社102 4-01-03-03 中药购销员劳社厅发[2002]1号2002-2-11 中国中医药出版社103 4-01-99-01 医药商品购销员劳社厅发[2002]1号2002-2-11 中国中医药出版社104 4-01-99-02 中药调剂员劳社厅发[2002]1号2002-2-11 中国中医药出版社105 5-99-02-01 沼气生产工劳社厅发[2002]1号2002-2-11 中国农业出版社106 4-01-02-02 出版物发行员劳社厅发[2002]1号2002-2-11 海洋出版社107 2-02-13-05 计算机网络管理员(☆)劳社厅发[2002]10号2002-9-29 中国劳动社会保障出版社108 2-02-13-06 计算机程序设计员(☆)劳社厅发[2002]10号2002-9-29 中国劳动社会保障出版社109 2-02-13-07 多媒体作品制作员(☆)劳社厅发[2002]10号2002-9-29 中国劳动社会保障出版社110 2-02-34-08 企业培训师(☆)劳社厅发[2002]10号2002-9-29 中国劳动社会保障出版社111 2-02-34-09 项目管理师(☆)劳社厅发[2002]10号2002-9-29 中国劳动社会保障出版社112 2-02-34-10 企业信息管理师(☆)劳社厅发[2002]10号2002-9-29 中国劳动社会保障出版社113 2-10-07-06 室内装饰设计员劳社厅发[2002]10号2002-9-29 中国劳动社会保障出版社114 4-01-02-03 服装模特劳社厅发[2002]10号2002-9-29 中国劳动社会保障出版社115 4-03-03-02 茶艺师劳社厅发[2002]10号2002-9-29 中国劳动社会保障出版社116 4-07-07-01 洗衣师劳社厅发[2002]10号2002-9-29 中国劳动社会保障出版社117 4-04-02-04 插花员劳社厅发[2002]10号2002-9-29 中国劳动社会保障出版社118 6-23-02-01 砌筑工劳社厅发[2002]12号2002-11-12 中国城市出版社119 6-23-03-01 混凝土工劳社厅发[2002]12号2002-11-12 中国城市出版社120 6-23-04-01 钢筋工劳社厅发[2002]12号2002-11-12 中国城市出版社121 6-23-05-01 架子工劳社厅发[2002]12号2002-11-12 中国城市出版社122 6-23-06-01 防水工劳社厅发[2002]12号2002-11-12 中国城市出版社123 6-23-10-03 管工劳社厅发[2002]12号2002-11-12 中国城市出版社124 6-15-03-01 手工木工劳社厅发[2002]12号2002-11-12 中国城市出版社125 6-15-03-03 精细木工劳社厅发[2002]12号2002-11-12 中国城市出版社126 2-02-34-11 物流师(☆)劳社厅发[2003]1号2003-1-23 中国劳动社会保障出版社127 2-07-03-04 理财规划师(☆)劳社厅发[2003]1号2003-1-23 中国统计出版社128 2-10-07-07 陈列展览设计人员劳社厅发[2003]1号2003-1-23 中国劳动社会保障出版社129 4-01-01-02 收银员劳社厅发[2003]1号2003-1-23 中国劳动社会保障出版社130 4-02-01-06 盐斤收放保管工(☆)劳社厅发[2003]1号2003-1-23 中国劳动社会保障出版社131 4-07-03-05 中央空调系统操作员(☆)劳社厅发[2003]1号2003-1-23 中国电力出版社132 4-07-05-02 冲印师劳社厅发[2003]1号2003-1-23 中国劳动社会保障出版社133 4-07-08-02 修脚师劳社厅发[2003]1号2003-1-23 中国统计出版社134 4-07-10-07 钢琴调律师(☆)劳社厅发[2003]1号2003-1-23 中国劳动社会保障出版社135 4-07-12-04 育婴员(☆)劳社厅发[2003]1号2003-1-23 中国妇女出版社136 6-01-02-06 房产测量员(☆)劳社厅发[2003]1号2003-1-23 中国劳动社会保障出版社1376-01-07-01(6-01-07-02)海盐制盐工劳社厅发[2003]1号2003-1-23 中国劳动社会保障出版社138 6-01-07-10 苦卤综合利用工劳社厅发[2003]1号2003-1-23 中国劳动社会保障出版社139 6-01-07-11 精制盐工劳社厅发[2003]1号2003-1-23 中国劳动社会保障出版社140 6-01-07-12 盐斤分装设备操作工(☆)劳社厅发[2003]1号2003-1-23 中国劳动社会保障出版社141 6-03-01-06 制冷工劳社厅发[2003]1号2003-1-23 中国劳动社会保障出版社142 6-03-02-01 燃料油生产工劳社厅发[2003]1号2003-1-23 中国劳动社会保障出版社143 6-03-02-02 润滑油、脂生产工劳社厅发[2003]1号2003-1-23 中国劳动社会保障出版社144 6-03-02-03 石油产品精制工劳社厅发[2003]1号2003-1-23 中国劳动社会保障出版社145 6-03-06-01 脂肪烃生产工劳社厅发[2003]1号2003-1-23 中国劳动社会保障出版社146 6-03-06-02 环烃生产工劳社厅发[2003]1号2003-1-23 中国劳动社会保障出版社147 6-03-07-03 聚苯乙烯生产工劳社厅发[2003]1号2003-1-23 中国劳动社会保障出版社148 6-03-07-04 聚丁二烯生产工劳社厅发[2003]1号2003-1-23 中国劳动社会保障出版社149 6-03-07-05 聚氯乙稀生产工劳社厅发[2003]1号2003-1-23 中国劳动社会保障出版社150 6-03-07-07 环氧树脂生产工劳社厅发[2003]1号2003-1-23 中国劳动社会保障出版社151 6-03-07-08 丙烯腈—丁二烯—苯乙烯共聚物(ABS)生产工劳社厅发[2003]1号2003-1-23 中国劳动社会保障出版社152 6-03-08-01 顺丁橡胶生产工劳社厅发[2003]1号2003-1-23 中国劳动社会保障出版社153 6-03-09-01 化纤聚合工劳社厅发[2003]1号2003-1-23 中国劳动社会保障出版社154 6-03-09-02 湿纺原液制造工劳社厅发[2003]1号2003-1-23 中国劳动社会保障出版社155 6-03-09-03 纺丝工劳社厅发[2003]1号2003-1-23 中国劳动社会保障出版社156 6-03-09-05 纺丝凝固浴液配制工劳社厅发[2003]1号2003-1-23 中国劳动社会保障出版社157 6-03-11-07 催化剂制造工劳社厅发[2003]1号2003-1-23 中国劳动社会保障出版社158 6-03-11-08 催化剂试验工劳社厅发[2003]1号2003-1-23 中国劳动社会保障出版社159 6-03-11-13 化工添加剂制造工劳社厅发[2003]1号2003-1-23 中国劳动社会保障出版社160 6-03-13-04 黑火药制造工劳社厅发[2003]1号2003-1-23 中国劳动社会保障出版社161 6-03-14-01 单质炸药制造工劳社厅发[2003]1号2003-1-23 中国劳动社会保障出版社162 6-11-01-04 服装制作工劳社厅发[2003]1号2003-1-23 中国劳动社会保障出版社163 6-12-04-01 白酒酿造工劳社厅发[2003]1号2003-1-23 中国劳动社会保障出版社164 6-12-04-02 啤酒酿造工劳社厅发[2003]1号2003-1-23 中国劳动社会保障出版社165 6-12-04-03 黄酒酿造工劳社厅发[2003]1号2003-1-23 中国劳动社会保障出版社166 6-12-04-04 果露酒酿造工劳社厅发[2003]1号2003-1-23 中国劳动社会保障出版社167 6-12-04-05 酒精酿造工劳社厅发[2003]1号2003-1-23 中国劳动社会保障出版社168 6-12-06-01 烘焙工劳社厅发[2003]1号2003-1-23 中国劳动社会保障出版社169 6-12-07-01 猪屠宰加工工劳社厅发[2003]1号2003-1-23 中国劳动社会保障出版社170 6-12-07-02 牛羊屠宰加工工劳社厅发[2003]1号2003-1-23 中国劳动社会保障出版社171 6-12-07-04 禽类屠宰加工工劳社厅发[2003]1号2003-1-23 中国劳动社会保障出版社172 6-12-08-01 肉制品加工工劳社厅发[2003]1号2003-1-23 中国劳动社会保障出版社173 6-21-01-01 宝石琢磨工劳社厅发[2003]1号2003-1-23 中国劳动社会保障出版社174 6-21-07-01 工艺品雕刻工劳社厅发[2003]1号2003-1-23 中国劳动社会保障出版社175 6-22-03-01 钢琴制作工劳社厅发[2003]1号2003-1-23 中国劳动社会保障出版社176 6-23-10-01 机械设备安装工劳社厅发[2003]1号2003-1-23 中国电力出版社177 6-24-05-02 起重工劳社厅发[2003]1号2003-1-23 中国电力出版社178 6-03-08-05 丁苯橡胶生产工劳社厅发[2003]1号2003-1-23 中国劳动社会保障出版社179 6-08-01-09 半导体芯片制造工劳社厅发[2003]2号2003-2-8 北京广播学院出版社180 6-08-01-10 半导体分立器件、集成电路装调工劳社厅发[2003]2号2003-2-8 北京广播学院出版社181 6-08-02-02 电容器制造工劳社厅发[2003]2号2003-2-8 北京广播学院出版社182 6-08-02-05 压电石英晶片加工工劳社厅发[2003]2号2003-2-8 北京广播学院出版社183 6-08-02-06 石英晶体元器件制造工劳社厅发[2003]2号2003-2-8 北京广播学院出版社184 6-08-02-13 电子产品制版工劳社厅发[2003]2号2003-2-8 北京广播学院出版社185 6-08-03-01 铅酸蓄电池制造工劳社厅发[2003]2号2003-2-8 北京广播学院出版社186 6-08-03-03 原电池制造工劳社厅发[2003]2号2003-2-8 北京广播学院出版社。
农民工技能大赛决赛技术文件钢筋工一、竞赛技术文件制定标准本赛项竞赛技术文件按照《钢筋工国家职业标准》(国家职业资格三级)的基本要求,以及住建部颁发的《建筑行业职业技能标准》、《职业技能岗位鉴定规范》要求,结合农民工职业特点和企业生产制定。
二、竞赛内容、形式和成绩计算(一)竞赛内容本赛项竞赛为操作技能,具体包括:平法识图、抽筋下料计算、钢筋加工及安装等。
(二)竞赛形式本赛项竞赛采用单人竞赛形式,独立完成规定的竞赛内容。
(注:竞赛不配助手。
)(三)成绩计算竞赛满分为100分。
三、命题原则依据《钢筋工国家职业标准》,注重基本技能的表现能力,体现现代技术,紧密联系生产实际,考核本职业岗位操作者的综合能力,并对以农民工为主体的建筑业一线操作人员技能水平的提高起到示范指导作用。
四、试题范围、比重、类型及其它以操作技能为主,在实际操作竞赛过程中对操作规范及安全文明生产进行考查。
(一)竞赛范围与内容1.考核范围(1)楼板钢筋绑扎(2)柱钢筋绑扎(3)梁钢筋绑扎(4)基础钢筋绑扎(5)剪力墙钢筋绑扎2.考核内容(1)施工准备①熟悉图纸;②工具准备;③安排施工程序;④施工现场准备。
(2)实际操作①计算各编号钢筋的下料长度;②放大样,制作样板;③按计算长度下料;④各编号钢筋加工成型并进行检验评定;⑤绑扎安装构件并检查评定;(3)质量检查①按质量标准检验评定构件质量;②纠正和改进不足之处;③收尾整理、退料;④清理场地,申报完成作品;⑤安全文明操作;(二)竞赛时间实际操作竞赛总时间180分钟(含配料,实际时间以竞赛试题为准)。
(三)命题方式专家命题,实际操作竞赛给出样题和评分表,公布实操现场备料清单,在正式比赛时,以现场下发图纸为准。
(四)评分办法参照钢筋工国家职业技能标准高级技能操作要求,依据选手完成竞赛内容的情况,根据本赛项考核标准进行评分。
其中,现场安全文明生产和遵守工艺纪律、操作规程情况由现场裁判评定。
选手有下列情形须从竞赛成绩中扣分:1.在实际操作竞赛过程中,因违规操作损坏赛场提供的设备,污染赛场环境等不符合职业规范的行为,视情节扣1~5 分。
建筑工职业技能等级说明1、制冷设备维修工使用兆欧表、万用表等电工仪器仪表、工具对电冰箱、空调器、洗衣机等家用电器进行维护、修理的人员。
2、维修电工从事机械设备和电气系统线路及器件等的安装、调试与维护、修理的人员。
初级:(具备以下条件之一者)(1)经本职业初级正规培训达规定标准学时数,并取得毕(结)业证书。
(2)在本职业连续见习工作3年以上。
(3)本职业学徒期满。
中级:(具备以下条件之一者)(1)取得本职业初级职业资格证书后,连续从事本职业工作3年以上,经本职业中级正规培训达规定标准学时数,并取得毕(结)业证书。
(1)取得本职业初级职业资格证书后,连续从事本职业工作5年以上。
(2)连续从事本职业工作7年以上。
(3)取得经劳动保障行政部门审核认定的、以中级技能为培养目标的中等以上职业学校本职业(专业)毕业证书。
按照国家职业资格等级划分的规定,分为五级,分别为:职业资格五级(初级工)、职业资格四级(中级工)、职业资格三级(高级工)、职业资格二级(技师)、职业资格一级(高级技师)。
职业技能初级应符合以下相应的要求:职业资格五级(初级工):应能运用基本技能独立完成本职业的常规工作;能识别常见的建筑工程施工材料;能够操作简单的机械设备并进行例行保养。
各职业(工种)的职业技能等级的设置,均根据其从业人员的职业活动范围和技能要求来确定。
根据建筑工程施工行业的现状和国家职业资格大典的分类,本标准中所列之钢筋工、砌筑工、防水工、抹灰工、混凝土工、木工、建筑油漆工、架子工、测量放线工等工种的职业技能等级均分为职业资格五级(初级工)、职业资格四级(中级工)、职业资格三级(高级工)、职业资格二级(技师)、职业资格一级(高级技师)等五个等级。
职业技能鉴定条件建筑工程施工行业生产操作人员申报各等级的职业资格,应符合以下条件之一:1 职业资格五级(初级工)——具有初中文化程度,在本职业(工种)岗位工作(见习)2年以上;——具有初中文化程度,本职业(工种)学徒期满;——具有初等职业学校本职业(工种)毕业证书。
世界技能职业标准(wsos)
世界技能职业标准(WSOS)是由世界技能组织(WorldSkills)制定的一套标准,用于衡量职业技能的水平。
这个标准体系对于全球范围内的职业教育和培训都具有重要的指导和推动作用。
下面是对WSOS标准的重新整理:
一、标准分类
WSOS标准分为多个类别,包括语言、IT、美容美发、建筑、机械制造等多个行业领域。
每个类别又分为数个技能组,如建筑类别包括木工、瓦工、钢筋工等技能组。
二、标准内容
每个技能组都有一份详细的标准,其中包括技能的基本要求、技能的操作方法、技能的评分标准等。
这些标准旨在确保全球各地的技能竞赛保持一致的标准,使得参赛者之间的竞争更加公平。
三、职业发展
世界技能职业标准的应用范围不仅仅局限于职业教育和培训,还涉及到职业发展。
对于个人而言,了解自己的技能水平与WSOS标准的要求,可以更好地规划个人职业发展路径。
对于雇主而言,参考WSOS 标准可以更好地评估员工的技能水平。
四、国际认证
WSOS标准不仅是一种衡量职业技能水平的标准,同时也是国际认证的重要依据。
许多国家和地区的职业技能认证机构,都会对WSOS标准进行参考,并将其作为认证的依据。
这意味着,如果一个人的技能得到了WSOS标准的认可,那么这个人的技能在全球范围内都将受到认可。
综上所述,世界技能职业标准是一套全球通用的标准,用于衡量职业技能的水平。
它涵盖了多个类别和技能组,每个技能组都有详细的标准。
WSOS标准不仅适用于职业教育和培训,还涉及到职业发展和
国际认证。
它的制定和实施,对于全球范围内的职业教育和人才培养都有重要的推动作用。
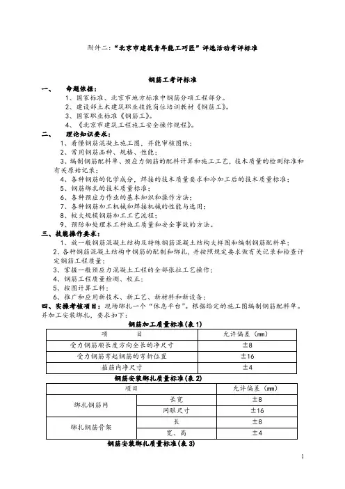
附件二:“北京市建筑青年能工巧匠”评选活动考评标准钢筋工考评标准一、命题依据:1、国家标准、北京市地方标准中钢筋分项工程部分。
2、建设部土木建筑职业技能岗位培训教材《钢筋工》。
3、国家职业标准《钢筋工》。
4、《北京市建筑工程施工安全操作规程》。
二、理论知识要求:1、看懂钢筋混凝土施工图,并能审核图纸;2、常用钢筋品种、规格、性能;3、编制钢筋配料单、预应力钢筋的配料计算和施工工艺,技术质量的检测标准和有关原始记录;4、各种钢筋的化学成分,焊接的技术质量要求和冷加工后的技术质量标准;5、钢筋绑扎的技术质量标准;6、各种预应力作业的基本知识和操作方法;7、各种钢筋加工机械和焊接机械的性能与选用;8、较大规模钢筋加工工艺流程;9、预防和处理本工种施工质量和安全事故的方法。
三、技能操作要求:1、放一般钢筋混凝土结构及特殊钢筋混凝土结构大样图和编制钢筋配料单;2、各种钢筋混凝土结构中钢筋的配制和绑扎,并按照规定要求做有关记录和检查评定钢筋工程质量;3、掌握一般预应力混凝土工程的全部张拉工艺操作;4、钢筋工程质量检测、校正;5、按图计算工料;6、推广和应用新技术、新工艺、新材料和新设备;四、实操考核项目:现场绑扎一个“休息平台”。
根据给定的施工图编制钢筋配料单。
并加工安装绑扎,要求如下:焊工考评标准一、命题依据:1、钢结构施工验收规范 GB50205——20012、建筑钢结构焊接技术规程 JGJ81——20023、中国劳动出版社《职业技能鉴定教材》和《职业技能鉴定指导》之“电焊工”(初级、中级、高级)。
二、理论考核内容:1、《职业技能鉴定教材》电焊工(初级、中级、高级)中第十五章金属学及热处理基本知识第十六章焊工、电工基础知识第十七章焊接电弧及焊接冶金知识第十八章焊接工艺及设备第十九章常用金属材料焊接知识第二十章焊接应力和变形第二十二章焊接检验知识第二十六章焊接接头试验方法第二十七章异种金属焊接知识第二十八章异种金属结构的焊接知识钢结构施工验收规范,焊接技术规程中有关焊接的章节2、《职业技能鉴定指导》电焊工(初级、中级、高级)中级工、高级工参考题。
建筑业钢筋工决赛技术文件一、命题范围《中华人民共和国建设部职业技能标准钢筋工(技师)》、《中华人民共和国职业技能鉴定规范钢筋工(技师)》、中华人民共和国钢筋工操作规程,国家标准施工验收规范(相关条款)。
二、实际操作竞赛内容1、考核范围(1)楼板钢筋绑扎(2)柱、框架钢筋绑扎(3)梁钢筋绑扎2、考核内容(1)施工准备①熟悉图纸,编制钢筋料表②编制领料单③工具准备④安排施工程序⑤施工现场准备(2)实际操作①计算各编号钢筋的下料长度②放大样,制作样板③钢筋调直、除锈④按计算长度下料⑤各编号钢筋加工成型并进行检验评定⑥绑扎安装构件并检查评定(3)质量检查①按质量标准检验评定构件质量②纠正和改进不足之处③收尾整理、退料④清理场地,申报完成作品⑤安全文明操作三、竞赛须知1、选手必须按规定的时间、地点、凭身份证进入操作地点,进行实际操作比赛;2、参赛选手经抽签对号参加相对应工位考试。
每个工号配二人,一人为选手,一人为助手。
助手仅允许做辅助性工作;3、选手进入操作工位后,裁判员要逐一检查,核对其操作工位是否相符;4、听从统一指令,严格遵守安全操作规程;5、选手迟到不得进入比赛现场,开赛30分钟后方可离开比赛现场,与赛场无关人员一律不得进入比赛现场;6、比赛时,不得无故离开操作工位,不得帮助其他选手或让别人帮助自己操作;7、比赛时间约210分钟。
四、参赛选手自备工具五、钢筋绑扎模拟试题及评分标准钢筋工框架梁柱钢筋下料、制作、绑扎考核评分标准工位编号:选手编号:完成时间:。
钢筋工安全作业规程钢筋工是建筑行业中负责钢筋加工、安装和修整的专业人员。
由于钢筋工作涉及到高空作业、机械设备操作以及钢筋的加工,存在着一定的危险性。
为了保证钢筋工安全作业,减少事故发生,建立钢筋工安全作业规程是非常必要的。
下面是一份钢筋工安全作业规程,详情如下:第一章:总则第一条:为了保障钢筋工的人身安全和劳动保护,遵守国家相关法律法规和行业标准,制定本规程。
第二条:本规程适用于从事钢筋加工、安装和修整工作的工人,以及工地负责人和施工单位。
第三条:钢筋工应根据规程进行安全教育和培训,提高安全意识和技能。
第四条:钢筋工作时应佩戴个人防护装备,如安全帽、安全鞋、防护手套等。
第五条:钢筋工应遵守作业规程,禁止违章操作和违反安全要求的行为。
第二章:安全操作规范第六条:钢筋工应使用符合国家标准要求的工具和设备,避免使用损坏或不合格的工具。
第七条:钢筋工在安装钢筋时,应根据施工图要求进行正确布置和固定,严禁有斜钢筋、折叠钢筋和超长悬挑现象。
第八条:钢筋工应在加工前检查钢筋的质量和长度,确保其符合设计要求。
第九条:钢筋工在高空作业时,应佩戴安全带,并连接到固定点上,确保自身的安全。
第十条:钢筋工操作机械设备时,应经过培训和持证上岗,严禁无证操作。
第十一条:钢筋工应保持工作区域的整洁和干净,杂物应及时清理。
第三章:事故应急措施第十二条:钢筋工发现危险隐患时,应及时向负责人报告,并采取必要的措施避免事故发生。
第十三条:钢筋工遇到紧急情况时,应立即停止操作,迅速撤离危险区域。
第十四条:钢筋工在紧急情况下应使用灭火器进行初期灭火,并向其他工人发出求救信号。
第四章:责任和处罚第十五条:钢筋工应严格按照规程操作,如因违章操作造成事故的,将承担相应的法律责任。
第十六条:负责人应对钢筋工进行安全教育和培训,提供必要的安全设施和装备,保障钢筋工的人身安全。
第十七条:违反本规程的行为将受到处罚,包括口头警告、罚款和停工等。
第十八条:负责人对不遵守规程的工人应及时进行批评教育,并记录相关情况。
钢筋工岗位职责
1、在企业技术部门和工程施工技术负责人旳指导下,严格按照施工规范和安全技术操作规程执行。
保证工程质量、安全、进度。
2、熟悉钢筋翻样和料单以及材料到场状况,接受施工技术负责人或钢筋翻样旳技术交底,明确任务各项规定,以及与其他工种交接配合状况,做好前道工序旳交接检查工作。
3、严格遵守施工技术负责人和钢筋翻样旳指令,使用经检查合格,负责质量规定旳钢筋。
4、严格按规范规定制作钢筋,施工钢筋外型尺寸、起弯点位置、焊点位置、焊接质量等符合规范规定。
5、严格按规范规定绑扎钢筋。
钢筋位置、间距、搭接、焊接点位置、搭接长度、保护层厚度留置、绑扎点旳数量和牢度等符合规范规定和图纸规定。
对旳放置混凝土梁下垫块。
6、严格按照规范和图纸规定进行自检、互检和对下一道工序旳交接检查,并做好记录。
7、检查钢筋限额领料、合理断料,充足运用断料旳原则,减少钢筋在制作过程中对钢筋和钢丝旳挥霍,提高运用率。
8、坚持文明施工,搞好落手清,保持操作场地文明、整洁、保证安全生产,并注意成品保护工作,保证混凝土构件质量。
9、理解钢筋加工机械旳性能和使用措施,纯熟掌握自身使用机械旳操作技术和常用旳保养维护知识和本领。
10、认真学习企业推广旳先进技术,积极推广新材料、新技术、新工艺、新设备,增进钢筋工种旳技术进步。
11、有权拒绝使用不合理材料,及时制止不合理进场入库。
钢筋工岗位技能标准
1. 职业概况
1.1 职业名称
钢筋工。
1.2 职业定义使用工具及机械,对钢筋进行除锈、调直、连接、切断、成型、安装钢筋骨架的人员。
1.3 职业等级本职业共设四个等级,分别为:初级(国家职业资格五级)、中级(国家职业资格四级)、高级(国家职业资格三级)、技师(国家职业资格二级)。
1.4 职业环境
室外。
1.5 职业能力特征手指、手臂灵活,较好的身体素质。
2. 基本要求
2.1 职业道德
2.1.1 职业道德基本知识
2.1.2 职业守则
(1)热爱本职工作、忠于职守。
(2)遵章守纪、安全生产。
(3)尊师爱徒、团结互助。
(4)勤俭节约、关心企业。
(5)钻研技术、勇于创新。
2.2 基础知识
2.2.1 识图知识
(1)识图和建筑构造的基本知识。
(2)识读钢筋混凝土结构图例符号。
(3)常规钢筋混凝土构件的钢筋结构施工图。
222钢筋常识
(1)品种、性能、规格、型号知识。
(2)验收与保管知识。
2.2.3常用钢筋加工的机具使用和保养知识
2.2.4建筑力学和钢筋混凝土结构常识
2.2.5安全生产知识
2.2.6相关法律、法规知识
(1)建筑法的相关知识。
(2)劳动法的相关知识。
3.工作要求
本标准对初级、中级、高级、技师的技能要求依次递进,高级别包括低级别的要求。
3.1初级
3.2中级
3.3高级
3.4技师
4.比重表4.1理论知识
4.2技能操作
(注:范文素材和资料部分来自网络,供参考。
只是收取少量整理收集费用,请预览后才下载,期待你的好评与关注)。