常用材料电阻率和电阻温度系数
- 格式:xls
- 大小:18.00 KB
- 文档页数:1
金属电阻率及其温度系数2002-11-261. 電阻大小與溫度的關係:(1)正電阻溫度係數:電阻值隨溫度的增加而增大,如金屬材料⑵負電阻溫度係數:電阻值隨溫度的增加而下降,如半導體,絕緣體及其它非金屬材料2. 電阻溫度係數(就):⑴金屬材料之電阻與溫度關係曲線:如圖(5-1)( 圖 5-1)註a.金屬材料在溫度極高及極低下,電阻與溫度呈非線性關係 b. - T ° C 稱為推論絕對溫度(零電阻溫度)c. -273° C 為絕對溫,SI 單位制定義-273° C=0 K (克氏溫度)b. 材料C 之電阻溫度係數(厲、):c.材料之各溫度之電阻溫度係數與電阻乘積為定值:OtoR o 二 di R i=CfcRa .... Ri ~OB +t_l7T+t?d.材料在不同溫度之電阻比: (T:材料之推論零電阻溫度)⑵電阻溫度係數(山):溫度升高1°(5-1)即K2-K1(Xi=卫■•旦P1Ri=Ri[ 1+aiI (11* ti]a. 材料0°C 之電阻溫度係數(C,所增加的電阻與原溫度電阻的比.如圖或° 口 .T:推論零電阻溫度1 _ 1R (電阻)T (溫度)R — 234.5+H材料為銅時則說明:t=0 ° C 時兩電阻之電阻及電阻溫度係數如下圖di R. Ritt Bit-Ki(l+o(i )t)Rit-Ri( 1+&优)Rt 二 Ro ( 1 + i X )Bif l+OLt)+R2( lMhx)二(Ri+R"( 1+*瓷)例1.已知銅在0° C 時之電阻溫度係數為0.00427,則60 數為多少?例2.溫度60° C 時,銅線之電阻為0.54W,若溫度下降20°Ra - 234.5 + n页一 234.5m0-54 234.5+60 解: — 匚_;:.二丨二R1=0.503 口e.兩材料串聯之總電阻溫度係數ftt = OliSi+OiR 2R i+R 2故ao 二 aiRi+O^RzR i+R 2C 時之電阻溫度係解:二 0.0034C 後,該電阻為多少?1。
全系列金属电阻率及其温度系数常用金属导体在20℃时的电阻率材料电阻率(Ω m)(1)银 1.65 ×10-8(2)铜 1.75 ×10-8(3)铝 2.83 ×10-8(4)钨 5.48 ×10-8(5)铁9.78 ×10-8(6)铂 2.22 ×10-7(7)锰铜 4.4 ×10-7(8)汞9.6 × 10-7(9)康铜 5.0 ×10-7(10)镍铬合金 1.0 × 10-6(11)铁铬铝合金1.4 ×10-6(12) 铝镍铁合金1.6 × 10-6(13)石墨(8~13)×10-6金属温度(0℃)ρ αo , 100锌20 ×10-3 ×10-35.9 4.2铝(软)20 2.75 4.2铝(软)–78 1.64阿露美尔合金20 33 1.2锑0 38.7 5.4铱20 6.5 3.9铟0 8.2 5.1殷钢0 75 2锇20 9.5 4.2镉20 7.4 4.2钾20 6.9 5.1①钙20 4.6 3.3金20 2.4 4.0银20 1.62 4.1铬(软)20 17镍铬合金(克露美尔)—70—110 .11—.54 钴a 0 6.37 6.58康铜—50 –.04–1.01锆30 49 4.0黄铜–5—7 1.4–2水银0 94.08 0.99水银20 95.8锡20 11.4 4.5锶0 30.3 3.5青铜–13—18 0.5铯20 21 4.8铋20 120 4.5铊20 19 5钨20 5.5 5.3钨1000 35钨3000 123钨–78 3.2钽20 15 3.5金属温度(0℃)ρ αo , 100杜拉铝(软)— 3.4铁(纯)20 9.8 6.6铁(纯)–78 4.9铁(钢)—10—20 1.5—5铁(铸)—57—114铜(软)20 1.72 4.3铜(软)100 2.28铜(软)–78 1.03铜(软)–183 0.30钍20 18 2.4钠20 4.6 5.5①铅20 21 4.2镍铬合金(不含铁)20 109 .10镍铬合金(含铁)20 95—104 .3—.5镍铬林合金—27—45 .2—.34镍(软)20 7.24 6.7镍(软)–78 3.9铂20 10.6 3.9铂1000 43铂–78 6.7铂铑合金②20 22 1.4钯20 10.8 3.7砷20 35 3.9镍铜锌电阻线—34—41 .25—.32铍(软)20 6.4镁20 4.5 4.0锰铜20 42—48 –03—+.02钼20 5.6 4.4洋银—17—41 .4—.38锂20 9.4 4.6磷青铜—2—6铷20 12.5 5.5铑20 5.1 4.4①0℃和融点间的平均温度系数②铂90%,铑10%*若电阻率单位用欧姆厘米(Ωcm )表示,表中数值应扩大100倍。
金属电阻率及其温度系数和换算方法
金属的电阻率是指单位长度和单位截面积的金属导体在单位温度下的
电阻。
它是一个材料的固有特性,代表了金属导体的导电能力。
金属的电阻率通常用希腊字母ρ(rho)来表示,单位是Ω·m(欧姆·米)。
电阻率的大小与金属导体的成分、结构和温度等因素有关。
1.通过电阻率和温度系数计算电阻变化:
假设有一个金属导体的电阻率为ρ0,在温度T0下,温度系数为α。
当温度变化到T时,电阻率变为ρ,电阻变化可以通过以下公式计算:ρ=ρ0×(1+α×(T-T0))
其中,ρ为新的电阻率。
2.通过电阻率和温度系数计算电阻变化率:
电阻率和温度系数也可以用来计算导体电阻随温度变化的比率。
比率
可以通过以下公式计算:
Rt-R0=(R0×α×ΔT)
其中,R0是在温度T0下的电阻,Rt是在温度T下的电阻,ΔT是温
度变化量。
3.温度调整电阻值:
在进行电阻测量时,如果知道了材料的电阻率和温度系数,在不同温
度条件下测得的电阻值可以通过以下公式进行调整:
Rt=R0×(1+α×(T-T0))
其中,Rt是在温度T下测得的电阻,R0是在温度T0下的电阻。
总结起来,金属电阻率和温度系数是描述金属导体电阻特性的重要参数。
通过电阻率和温度系数可以推测在不同温度条件下金属导体的电阻变化情况。
电阻率和温度系数的换算方法提供了计算和调整电阻值的方式。
这些参数和方法在电路设计、电气工程等领域中具有重要意义。
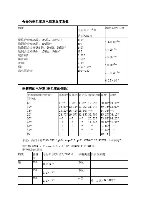
合金的电阻率及电阻率温度系数物质电阻率(欧访?/FONT>)温度系数(1/度)镍铬合金(60%镍,15%铬,25%铁)?镍铜合金(54%铜,46%镍)?铁铬铝合金(60%4铁,30%铬,5%铝)? 锰铜合金(84%铜,12%锰,4%镍)?铍青铜?磷青铜?黄铜?钢?高电阻合金110?50?140?48?3.52?2.58?7.1?9.87~14?100~1301.6×?4×10?4×10?1×10?1.7×10?6.25×10电解液的电导率(电阻率的倒数)无水电解质的含量?百分比氯化钾氯化钠氯化铵氢氧化钠硫酸盐酸5? 10? 15? 20? 30? 40? 50? 70?90 6.9?13.59?20.20?26.77?—?—?—?—?—6.72?12.11?16.42?19.57?—?—?—?—?—9.18?17.76?25.86?33.65?—?—?—?—?—19.69?31.24?—?32.70?20.22?11.64?—?—?—20.85?39.15?54.35?65.27?73.88?68.00?54.05?21.57?10.7539.48?63.02?—?76.15?66.20?51.52?—?—?—单位:西门子访?IMG SRC="gif\image217.gif" HEIGHT=20 WIDTH=14>(欧姆访?IMG SRC="gif\image218.gif" HEIGHT=20 WIDTH=14>)物质温度(K)电阻率(欧姆访?/FONT>) 导电类型杂质及浓度锗30046×本征5500.1×本征3001.1×n型砷,1.5×780.17×n型同上3003.3×p型镓8×780.33×p型同上硅3006.3×本征3000.07×n 型砷,5×磷(黑色) 4000.33×本征硒3003.3×p型空穴浓度:砷化镓3000.44×n型碲,7.7×770.327×n型碲,7.7×3002.1×p型锌,6.4×771.48×p型锌,6.4×锑化镓300 1.0 本征5000.5×本征砷化铟3000.14×p型受主浓度:2×10005×p型受主浓度:2×3000.3×n型施主浓度1.2×10005×n型施主浓度1.2×锑化铟3005×本征4001.4×本征772.8×p型载流子浓度:2.9×770.25×n型载流子浓度:7.7×硫化辐3000.013×n型镓,5×77 40 n型载流子浓度:9.5×77 1.0 n型载流子浓度:1.7×氧化锌3000.3×~1.0 杂质原子比例在×以下碲化镉3003×锂,0.1%3001×铅0.01%。
铜导线电阻率参照表
铜导线是电力传输及电器连接中常用的导线材料之一,铜导线的选择和使用需要考虑导线的电阻率。
电阻率是导体在单位长度内电阻的大小,通常用符号ρ表示,其单位为Ω·m。
不同材料的电阻率不同,因此不同的导线材料在相同的电流和电压下会有不同的电阻。
铜导线的电阻率随着温度的变化而变化,因此在选择导线时需要考虑导线的工作温度以及导线材料的温度系数。
以下是铜导线电阻率参照表:
温度(℃)电阻率(Ω·mm2/m)
20 0.0172
30 0.0174
40 0.0176
50 0.0178
60 0.0181
70 0.0183
80 0.0185
90 0.0188
100 0.0191
从参照表中可以看出,铜导线的电阻率随着温度的升高而增加,这是由于温度升高导致导体材料的电阻率增加。
因此,在选择铜导线
时需要考虑导线的工作温度,以确保导线的电阻不会超过设计要求。
在实际应用中,铜导线的电阻率也会受到导线直径、长度、材料纯度等因素的影响。
因此,为了确保铜导线的电阻不会超过设计要求,需要进行电阻测试和质量检测。
铜导线电阻率参照表是选择和使用铜导线的重要参考依据,只有在合理选择和使用铜导线的前提下,才能确保电力传输和电器连接的安全可靠性和效率。
部分金属的电阻率一览表版本一:长度1(米)、截面积a (毫米2)的均匀物质的电阻为:R=ρl/a(Ω),式中,ρ是物质的电阻率*,单位:欧姆米(Ω. m)。
令0℃时的电阻率为ρo,100℃时的电阻率为ρ100,则0℃到100℃之间的平均温度系数为:αo,100 =(ρ100—ρo)/100ρo下表给出各种金属的电阻率ρ和平均温度系数αo,100。
温度栏中无数据的为室温。
金属温度(0℃)ρ(x10-3) αo,100(x10-3)锌 20 5.9 4.2铝(软) 20 2.75 4.2铝(软)–78 1.64阿露美尔合金 20 33 1.2锑 0 38.7 5.4铱 20 6.5 3.9铟 0 8.2 5.1殷钢 0 75 2锇 20 9.5 4.2镉 20 7.4 4.2钾 20 6.9 5.1钙 20 4.6 3.3金 20 2.4 4.0银 20 1.62 4.1铬(软) 20 17镍铬合金—70~110 0.11~0.54钴a 0 6.37 6.58康铜— 50 0.04~1.01锆 30 49 4.0黄铜– 5~7 1.4~2水银 0 94.08 0.99水银 20 95.8锡 20 11.4 4.5锶 0 30.3 3.5青铜– 13~18 0.5铯20 21 4.8铋20 120 4.5铊20 19 5钨20 5.5 5.3钨 1000 35钨 3000 123钨– 783.2钽20 15 3.5版本二:下表是几种金属导体在20℃时的电阻率.材料电阻率(Ω m)材料电阻率(Ω m)材料电阻率(Ω m)银1.6×10-8 铂1.0×10-7 镍铬合金1.0×10-6铜1.7×10-8 铁1.0×10-7 铁铬铝合金1.4×10-6金2.4×10-8 汞9.6×10-7 铝镍铁合金1.6×10-6铝2.9×10-8 锰铜4.4×10-7 石墨(8~13)×10-6钨5.3×10-8 康铜5.0×10-7可以看出金属的电阻率较小,合金的电阻率较大,非金属和一些金属氧化物更大,而绝缘体的电阻率极大. 锗,硅,硒,氧化铜,硼等的电阻率比绝缘体小而比金属大,我们把这类材料叫做半导体。
钨的电阻率及温度系数1. 引言钨是一种重要的金属材料,具有高熔点、高硬度和高密度等特点,因此在许多领域中被广泛应用。
其中,钨的电阻率和温度系数是其重要的物理性质之一。
本文将对钨的电阻率和温度系数进行全面详细、完整且深入的探讨。
2. 钨的电阻率电阻率是指材料单位体积内电阻的大小,常用符号为ρ。
钨的电阻率较低,是常见金属中的一种优良导体。
其电阻率受多种因素影响,包括温度、纯度和晶体结构等。
2.1 温度对钨电阻率的影响钨的电阻率随温度的变化而变化,具有一定的温度系数。
一般情况下,随着温度的升高,钨的电阻率会增加。
这是由于温度升高会导致晶格振动的增加,电子与晶格之间的碰撞增多,从而提高了电阻。
2.2 纯度对钨电阻率的影响钨的电阻率与其纯度密切相关。
纯度较高的钨具有较低的电阻率。
杂质的存在会导致电子与杂质之间的碰撞增多,从而提高了电阻。
因此,在一些特殊应用中,需要使用高纯度的钨材料。
2.3 晶体结构对钨电阻率的影响钨的晶体结构对其电阻率也有一定的影响。
钨的晶体结构为面心立方结构,这种结构具有较好的电导性能。
晶格的排列方式会影响电子在晶格中的运动情况,从而影响电阻率的大小。
3. 钨的温度系数温度系数是指材料电阻率随温度变化的速率,常用符号为α。
钨的温度系数为负值,即随着温度的升高,其电阻率会增加。
这与钨的晶格结构和电子热运动有关。
3.1 钨的晶格热膨胀对温度系数的影响随着温度升高,钨的晶格会发生热膨胀,晶格的间距增大。
这会导致电子在晶格中运动的受阻,从而增加了电阻率。
因此,钨的温度系数为负值。
3.2 电子热运动对温度系数的影响随着温度的升高,钨中的电子热运动增加。
这会导致电子与晶格之间的碰撞增多,从而增加了电阻。
因此,钨的温度系数为负值。
4. 应用领域钨的电阻率和温度系数的特性使其在许多领域中得到广泛应用。
4.1 电子器件钨的低电阻率和较高的熔点使其成为电子器件中的重要材料。
例如,钨用作电子管和半导体器件中的电极材料,其低电阻率有助于提高器件的性能和效率。
金属电阻率及其温度系数Document serial number【KKGB-LBS98YT-BS8CB-BSUT-BST108】全系列金属电阻率及其温度系数常用金属导体在20℃时的电阻率材料电阻率(Ω m)(1)银× 10-8(2)铜× 10-8(3)铝× 10-8(4)钨× 10-8(5)铁× 10-8(6)铂× 10-7(7) × 10-7(8)汞× 10-7(9) × 10-7(10)镍铬合金× 10-6(11)铁铬铝合金× 10-6(12) 铝镍铁合金× 10-6(13)石墨(8~13)×10-6金属温度(0℃)ρ αo , 100锌20 ×10-3 ×10-3铝(软) 20铝(软)–78阿露美尔合金 20 33锑 0铱 20铟 0殷钢 0 75 2锇 20镉 20钾 20 ①钙 20金 20银 20铬(软) 20 17镍铬合金(克露美尔)— 70—110 .11—.54 钴a 0康铜— 50 –.04–黄铜– 5—7 –2水银 0水银 20锡 20锶 0青铜– 13—18铯 20 21铋 20 120铊 20 19 5钨 20钨 1000 35钨 3000 123钨–78钽 20 15金属温度(0℃)ρ αo , 100杜拉铝(软)—铁(纯) 20铁(纯)–78铁(钢)— 10—20 —5铁(铸)— 57—114铜(软) 20铜(软) 100铜(软)–78铜(软)–183钍 20 18钠 20 ①铅 20 21镍铬合金(不含铁) 20 109 .10镍铬合金(含铁) 20 95—104 .3—.5 镍铬林合金— 27—45 .2—.34镍(软) 20镍(软)–78铂 20铂 1000 43铂–78铂铑合金② 20 22钯 20砷 20 35镍铜锌电阻线— 34—41 .25—.32铍(软) 20镁 20锰铜 20 42—48 –03—+.02钼 20洋银— 17—41 .4—.38磷青铜— 2—6铷 20铑 20①0℃和融点间的平均温度系数②铂90%,铑10%*若电阻率单位用欧姆厘米(Ωcm )表示,表中数值应扩大100倍。
钨的电阻率及温度系数钨是一种高熔点金属元素,具有优异的导电性和导热性。
在各种物理和工业应用中,了解钨的电阻率和温度系数非常重要。
本文将详细介绍钨的电阻率及温度系数。
一、钨的电阻率钨的电阻率取决于其纯度、晶粒尺寸和温度。
在常温下,纯钨的电阻率约为 1.82μΩ·m。
与其他金属相比,钨的电阻率相对较高。
例如,铜的电阻率为 1.72μΩ·m,铝的电阻率为2.83μΩ·m,而金的电阻率则为2.44μΩ·m。
这使得钨在高温和高电流条件下具有优良的导电性能。
二、钨的温度系数钨的温度系数是指电阻率随温度变化的系数。
在常温下,钨的温度系数约为 4.5×10^-3℃^-1。
这意味着随着温度的变化,钨的电阻率会相应地发生变化。
在高温下,钨的温度系数可能会有所降低。
三、影响钨电阻率和温度系数的因素1.杂质:钨中的杂质会降低其电阻率和温度系数。
例如,掺杂硼、硅等元素可以提高钨的电阻率和温度系数。
2.晶粒尺寸:钨的晶粒尺寸也会影响其电阻率和温度系数。
细晶粒结构的钨具有较高的电阻率和较低的温度系数。
3.温度:随着温度的升高,钨的电阻率会逐渐降低,而温度系数则会增加。
这是由于高温下电子散射增加,导致电导率下降。
四、应用了解钨的电阻率和温度系数对于设计电子元件和制定热管理策略具有重要意义。
在电子元件方面,钨可以用于制造高温条件下的电极、导线等部件。
由于其高电阻率和良好的高温稳定性,钨在航空航天、核工业等领域得到了广泛应用。
此外,钨的高导热性能使其成为制造高温炉具和散热器的理想材料。
在热管理方面,由于钨的高导热性能,它可以有效地传递热量,降低设备温度。
例如,在电子设备中,钨可以用于制造高效散热器,以防止设备过热而损坏。
此外,了解钨的温度系数有助于预测设备在不同温度条件下的性能表现,从而优化热管理策略。
五、结论钨作为一种具有高熔点、高导电性和高导热性的金属材料,在物理和工业应用中具有重要价值。
钨的电阻率及温度系数
(原创实用版)
目录
一、钨的电阻率及温度系数的概念
二、钨的电阻率及温度系数的影响因素
三、钨的电阻率及温度系数的实际应用
四、钨的电阻率及温度系数的测量方法
正文
一、钨的电阻率及温度系数的概念
钨的电阻率是指钨材料在单位长度和单位截面积下的电阻值,通常用欧姆·米(Ω·m)表示。
而钨的温度系数是指钨的电阻值随温度变化时的相对变化率,通常用 ppm/(即 10E(-6)·)表示。
二、钨的电阻率及温度系数的影响因素
钨的电阻率和温度系数受到许多因素的影响,包括钨的纯度、晶格结构、温度等。
纯度越高,钨的电阻率越低;晶格结构越完整,钨的电阻率也越低。
同时,钨的电阻率和温度系数还会随着温度的升高而增大。
三、钨的电阻率及温度系数的实际应用
钨的电阻率和温度系数在许多领域都有广泛应用,如电子元器件、钨丝灯泡等。
在钨丝灯泡中,钨丝的电阻值随温度的升高而增大,使得灯丝在高温下具有较高的电阻,可以有效地防止灯丝烧断。
四、钨的电阻率及温度系数的测量方法
钨的电阻率和温度系数的测量方法通常采用四端电阻法和热电偶法。
四端电阻法是通过测量钨丝在两个温度下的电阻值,然后计算出钨的电阻率和温度系数。