企业安全生产责任保险费率表
- 格式:doc
- 大小:97.00 KB
- 文档页数:4
山东省安全生产责任保险费率表(2018版适用于建筑施工行业)保险费计算方式:总保险费=工程造价*对应费率*(1-参保企业风险管理水平优惠百分比)其中,参保企业风险管理水平优惠百分比详见本费率表“第三部分参保企业风险管理水平调整系数”部分。
第一部分建筑施工行业保险费率表建筑施工行业保险费率表如下:行业工程性质类型1000万元(含)以下1000万元-5000万元(含)以下5000万元-10000万元(含)以下10000万元-50000万元(含)以下50000万元-100000万元(含)以下100000万元以上建筑施工行业房屋建筑、市政工程累计限额(万元)费率(‰)累计限额(万元)费率(‰)累计限额(万元)费率(‰)累计限额(万元)费率(‰)累计限额(万元)费率(‰)累计限额(万元)费率(‰)21000.6542000.6063000.5584000.5094500.45105000.40说明:(1)本费率表对应的从业人员和第三者的每人伤亡责任限额均为50万元、每人医疗费用责任限额均为10万元,每次事故第三者财产损失限额10万元;(2)保险责任自保险工程在工地动工或用于保险工程的材料、设备运抵工地之时起始,以先发生者为准,至工程竣工验收、完成备案之时终止。
但在任何情况下,保险期限的起始或终止不得超出本保险单中列明的保险生效日或终止日。
若至本保单载明的保险期限截止后被保险工程仍未完工,本保险将自动延期承保,最长可达180天并不因此加收任何保险费,但被保险人须提前30天通知保险人。
如果180天后还需要继续延期,双方将另外协商需加收保险费的额度。
(3)本费率表中“保单累计限额”为保单总限额,其他限额对应关系详见本费率表“第二部分各项限额对应关系”部分。
1第二部分各项限额对应关系说明:(1)保单总累计限额=从业人员累计限额+第三者累计限额+综合费用限额;(2)保单总每次事故限额=从业人员每次事故限额+第三者责任每次事故限额+综合费用限额;(3)从业人员与第三者责任的累计责任限额相等;(4)从业人员与第三者责任的每次事故限额相等;(5)第三者每次事故财产损失限额10万元,且含在第三者每次事故限额内;(6)综合费用限额占从业人员和第三者责任累计限额之和的5%,综合费用累计限额等于综合费用每次事故限额。
中国人民财产保险股份有限公司保定市分公司企业安全生产责任保险费率表第一部分:危险化学品及烟花爆竹生产经营企业一、基准保费二、企业人数调整系数三、每人赔偿限额调整系数1.0/20万;1.3/30万;1.5/40万;1.8/50万;2.0/60万。
四、救援费用限额调整系数每次事故及累计限额为100万元的,包含救援费用50万元;每次事故及累计限额为200万元及以上的,救援费用限额调整系数为:1.0/50万元;1.3/100万元;1.5/150万元。
五、保险期限:烟花爆竹临时销售摊点保险期限为2个月,其余为一年。
六、安全标准化等级调整系数:国家级0.90;省级0.95;市级0.98。
七、每次事故赔偿限额:年度累计赔偿限额的50%。
八、保险费计算:保险费=基准保费×每人赔偿限额调整系数×救援费用限额调整系数×每人医疗费用限额调整系数×企业安全标准化等级调整系数九、每次事故救援费用免赔额:危险化学品生产企业8000元,其它类型企业5000元。
第二部分非煤矿山一、基准保险费(每人死亡责任限额:20万元)被保险人可根据实际需要调整每人死亡责任限额,调整方法如下:保险费=每人保险费×被保险人数×限额调整系数二、救援费用保险费(累计救援费用限额100万元)当累计救援费用限额100万元时:救援费用保险费=每人保险费×被保险人数×(累计救援费用限额÷100万)三、附加伤残基础保费(累计伤残责任限额200万元)当每人伤残责任限额为10000万元时:保险费=每人保险费×被保险人数×(每人伤残责任限额÷10000)四、调整系数1、安全等级系数2、区域系数3、费率浮动各司部可根据投保企业风险程度在20%范围内浮动费率,超过20%费率优惠,必须经财险部审批。
五、总保险费计算总保险费=(基础保险费+救援费用保险费+伤残保险费)×安全等级系数×区域系数×(1-优惠比例)。
附件1非煤矿山企业安全生产责任保险收费标准表调整系数:(一)要求企业全员参保,500人以上企业参保人数不低于60%,(小企业5人以下费率须上浮10%);(二)企业安全标准化达标等级调整系数:1、一级企业费率下调15%;2、二级企业费率下调10%;3、三级企业费率下调5%;(三)连续参保企业无赔款优待调整系数(以风险程度确定最后总费率浮动比例):序号企业性质收费标准(元/人)赔偿限额(万元)130人以下的露天矿山650230-100人的露天矿山5853100人以上的露天矿山5204采掘施工7005100人以下的地下矿山7006100-299人的地下矿山6657300-599人的地下矿山6308600-999人的地下矿山59591000人以上的地下矿山56010尾矿库70011油气采输20012地质勘探 石油勘探650每人死亡赔偿限额30万元;伤残赔偿限额5万元。
1、企业上年度未发生安全事故费率下调2%;2、企业连续两年未发生安全生产事故费率下调5%;3、企业连续五年未发生安全生产事故费率下调10%;4、企业上年度发生安全事故或连续两年发生安全生产事故费率上浮10%--20%。
注:(二)(三)两项不重复优惠。
附件2危险化学品企业安全生产责任保险收费标准表调整系数:(一)要求企业全员参保,500人以上企业参保人数不低于60%,(小企业5人以下费率须上浮10%);(二)企业安全标准化达标等级调整系数:序号企业性质收费标准(元/人)赔偿限额(万元)1100人以下危化品生产企业5802100-299人危化品生产企业5223300-599人危化品生产企业4934600-999人危化品生产企业46451000-1999人危化品生产企业43562000人以上危化品生产企业4067危化品经营及使用企业3808石油、石化类生产企业3809石油、石化类经营企业360103000-4999人石油、石化类大型企业342115000-6999人石油、石化类大型企业304127000人以上石油、石化类大型企业26613加油站280每人死亡赔偿限额30万元;伤残赔偿限额5万元。
附件1
湖南省建筑施工行业安全生产责任保险基准费率表
注:
(一)高风险工程:
1.高度100米以上(含100米)或单跨跨度30米以上(含30米)的建筑物及构筑物;
2.高度50米以上(含50米),100米以下的地质条件、周边环境复杂(周边人流密集、施工场地狭窄)的建筑物及构筑物;
3.目前尚无技术标准的新型结构体系或结构体系非常复杂的建筑物或构筑物;
4.多孔跨径总长>1000米,单孔跨径>150米的桥梁工程或多孔跨径总长≥100米,单孔跨径≥40米的涉水桥梁工程;
5.隧道工程;
6.地铁工程(地铁工程的基准费率在附件1的基准费率表的基础上上浮50%,费率系数浮动调整后不得低于附件1中对应标准的基准费率数值);
(二)除上述规定的高风险工程范围之外的均属于一般风险工程。
(三)工程风险级别由项目所属安全监督机构按照上述规定给予确定。
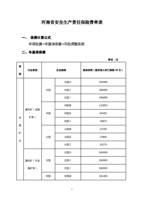
河南省安全生产责任保险费率表一、保费计算公式年保险费=年基准保费×风险调整系数二、年基准保费单位:元注:1、油气采输适用非煤矿山(其他)行业类型,根据企业规模选择费率;地质勘探、石油勘探和采掘施工适用非煤矿山(地下矿)行业类型,根据企业规模选择费率;2、加气站适用危化经营类企业行业类型;三、本保险严格按照每一个安全生产许可证(包括分证)办理一个保险(尾矿库除外)四、投保企业混合经营的,按照所经营类别中基准保费最高级别缴纳实际保费五、本条款引用的事故等级划分标准及企业规模分类标准(一)事故等级划分标准根据《生产安全事故报告和调查处理条例》(国务院〔2007〕493号令)的规定确定(详见下表)。
根据生产安全事故(以下简称事故)造成的人员伤亡或者直接经济损失,事故一般分为以下等级:(一)特别重大事故,是指造成30人以上死亡,或者100人以上重伤(包括急性工业中毒,下同),或者1亿元以上直接经济损失的事故;(二)重大事故,是指造成10人以上30人以下死亡,或者50人以上100人以下重伤,或者5000万元以上1亿元以下直接经济损失的事故;(三)较大事故,是指造成3人以上10人以下死亡,或者10人以上50人以下重伤,或者1000万元以上5000万元以下直接经济损失的事故;(四)一般事故,是指造成3人以下死亡,或者10人以下重伤,或者1000万元以下直接经济损失的事故。
国务院安全生产监督管理部门可以会同国务院有关部门,制定事故等级划分的补充性规定。
本条第一款所称的“以上”包括本数,所称的“以下”不包括本数。
(二)企业规模划分1、非煤矿山企业规模按照下表:2、危险化学品和冶金类企业规模按照下表:10河南省安全生产责任保险赔偿限额表1112。
中国人寿财产保险股份有限公司
山东省安全生产责任保险(2019版C款)
费率表
一、基准费率
注:(一)本费率表对应的从业人员每人伤亡责任限额和第三者每次事故每人伤亡责任限额是50万元、从业人员每人医疗费用责任限额和第三者每次事故财产损失责任限额是10万元。
(二)本费率表对应的保险责任自保险工程在工地动工或用于保险工程的材料、设备运抵工地之时起始,以先发生者为准,至工程竣工验收、完成备案之时终止,且最长不超过三年,超过三年工程,按照剩余工程量重新计费。
但在任何情况下,保险期限的起始或终止不得超出保险单中列明的保险生效日或终止日。
若至保单载明的保险期限截止后被保险工程仍未完工,本保险将自动延期承保,最长可达180天并不因此加收任何保险费,但被保险人须提前30天通知保
险人。
如果180天后还需要继续延期,双方将另外协商需加收保险费的额度。
(三)本费率表中限额对应关系详见下表:
其中:1.累计责任限额=从业人员累计责任限额+第三者累计责任限额+累计事故综合费用责任限额;
2.每次事故责任限额=从业人员每次事故责任限额+第三者每次事故责任限额+每次事故综合费用责任限额;
3.累计事故综合费用责任限额等于每次事故综合费用责任限额。
二、费率调整系数
(一)建筑施工企业资质调整系数
(二)“双体系”建设情况调整系数
(三)安全生产标准化考评结果调整系数
(四)安全文明工地评选情况调整系数
(五)安全生产不良记录调整系数
(六)使用说明
上述调整系数之间为连加的关系,且累计不超过30%。
三、保险费计算方式
保险费=工程造价×基准费率×(1+费率调整系数)。
中国人民财产保险股份有限公司保定市分公司企业安全生产责任保险费率表第一部分:危险化学品及烟花爆竹生产经营企业一、基准保费二、企业人数调整系数三、每人赔偿限额调整系数1.0/20万;1.3/30万;1.5/40万;1.8/50万;2.0/60万。
四、救援费用限额调整系数每次事故及累计限额为100万元的,包含救援费用50万元;每次事故及累计限额为200万元及以上的,救援费用限额调整系数为:1.0/50万元;1.3/100万元;1.5/150万元。
五、保险期限:烟花爆竹临时销售摊点保险期限为2个月,其余为一年。
六、安全标准化等级调整系数:国家级0.90;省级0.95;市级0.98。
七、每次事故赔偿限额:年度累计赔偿限额的50%。
八、保险费计算:保险费=基准保费×每人赔偿限额调整系数×救援费用限额调整系数×每人医疗费用限额调整系数×企业安全标准化等级调整系数九、每次事故救援费用免赔额:危险化学品生产企业8000元,其它类型企业5000元。
第二部分非煤矿山一、基准保险费(每人死亡责任限额:20万元)被保险人可根据实际需要调整每人死亡责任限额,调整方法如下:保险费=每人保险费×被保险人数×限额调整系数二、救援费用保险费(累计救援费用限额100万元)当累计救援费用限额100万元时:救援费用保险费=每人保险费×被保险人数×(累计救援费用限额÷100万)三、附加伤残基础保费(累计伤残责任限额200万元)当每人伤残责任限额为10000万元时:保险费=每人保险费×被保险人数×(每人伤残责任限额÷10000)四、调整系数1、安全等级系数2、区域系数3、费率浮动各司部可根据投保企业风险程度在20%范围内浮动费率,超过20%费率优惠,必须经财险部审批。
五、总保险费计算总保险费=(基础保险费+救援费用保险费+伤残保险费)×安全等级系数×区域系数×(1-优惠比例)。
附件1非煤矿山企业安全生产责任保险收费标准表调整系数:(一)要求企业全员参保,500人以上企业参保人数不低于60%,(小企业5人以下费率须上浮10%);(二)企业安全标准化达标等级调整系数:1、一级企业费率下调15%;2、二级企业费率下调10%;3、三级企业费率下调5%;(三)连续参保企业无赔款优待调整系数(以风险程度确定最后总费率浮动比例):1、企业上年度未发生安全事故费率下调2%;2、企业连续两年未发生安全生产事故费率下调5%;3、企业连续五年未发生安全生产事故费率下调10%;4、企业上年度发生安全事故或连续两年发生安全生产事故费率上浮10%--20%。
注:(二)(三)两项不重复优惠。
附件2危险化学品企业安全生产责任保险收费标准表调整系数:(一)要求企业全员参保,500人以上企业参保人数不低于60%,(小企业5人以下费率须上浮10%);(二)企业安全标准化达标等级调整系数:1、一级企业费率下调15%;2、二级企业费率下调10%;3、三级企业费率下调5%;(三)连续参保企业无赔款优待调整系数(以风险程度确定最后总费率浮动比例):1、企业上年度未发生安全事故费率下调2%;2、企业连续两年未发生安全生产事故费率下调5%;3、企业连续五年未发生安全生产事故费率下调10%;4、企业上年度发生安全事故或连续两年发生安全生产事故费率上浮10%--20%。
注:(二)(三)两项不重复优惠。
附件3烟花爆竹企业安全生产责任保险收费标准表调整系数:(一)要求企业全员参保,500人以上企业参保人数不低于60%,(小企业5人以下费率须上浮10%);(二)企业安全标准化达标等级调整系数:4、一级企业费率下调15%;5、二级企业费率下调10%;6、三级企业费率下调5%;(三)连续参保企业无赔款优待调整系数(以风险程度确定最后总费率浮动比例):1、企业上年度未发生安全事故费率下调2%;2、企业连续两年未发生安全生产事故费率下调5%;3、企业连续五年未发生安全生产事故费率下调10%;4、企业上年度发生安全事故或连续两年发生安全生产事故费率上浮10%--20%。
XXX财产保险股份有限公司
辽宁省分公司安全生产责任保险费率表(2010版)
一、基准费率(‰)
二、风险调整系数
(一)企业安全生产调整系数(下表中的企业等级类别是指由政府安全监管机关核准的企业安全标准化等级类别)
(二)投保人数调整系数
(三)历史赔付经验调整系数
(四)每人每次事故医疗费用免赔额调整系数
三、本保险严格按照每一个安全生产许可证办理一个保险。
四、年保险费计算公式
年保险费=(每人死亡/伤残赔偿限额×死亡/伤残费率+每人医疗费用赔偿限额×医疗费用费率×每人每次事故医疗费用免赔额调整系数)×投保人数×企业安全生产调整系数×投保人数调整系数×历史赔付经验调整系数
五、短期保费系数表
保险期间不足一年的,按以下标准计算短期保险费(按年保险费的百分比计算,不足一个月的按一个月计算):。
安全生产责任保险九级4%
摘要:
一、安全生产责任保险概述
二、九级制度解析
三、4%保费缴纳意义
四、企业如何应对安全生产责任保险
五、总结与建议
正文:
安全生产责任保险,作为一种特殊的保险产品,旨在保障企业和个人在生产过程中的安全。
近年来,我国政府大力推进安全生产责任保险制度,旨在构建安全风险防控体系,为企业发展提供安全保障。
在安全生产责任保险制度中,九级制度是核心。
九级制度将企业安全生产风险分为九个等级,每个等级对应不同的保费率和保险赔偿额度。
企业根据自身安全风险等级,按照相关规定缴纳保费。
本文提到的4%保费,是企业在九级制度中需承担的部分。
九级制度的实施,对企业安全生产具有积极推动作用。
首先,企业需在保费缴纳过程中,更加重视安全生产,提高安全生产管理水平。
其次,通过保险赔偿,企业能有效减轻安全事故带来的经济负担,保障员工权益。
最后,安全生产责任保险制度的推行,有助于增强企业社会责任意识,促进企业可持续发展。
面对安全生产责任保险制度和4%的保费缴纳,企业应积极应对,确保安
全生产。
企业应建立完善的安全生产管理体系,严格执行国家安全生产法规,提高员工安全意识。
同时,企业还需合理安排保费支出,充分发挥保险在风险防范中的作用。
总之,安全生产责任保险制度的推行,对企业发展具有重要意义。
企业应充分认识到安全生产责任保险的重要性,按照九级制度要求,做好保费缴纳工作,确保企业安全生产。
安全生产责任险缴费标准《安全生产责任险缴费标准》是对安全生产责任险的费率进行规定和指导的文件,其主要目的是确保企业的生产安全,保护员工的合法权益。
下面是关于安全生产责任险的缴费标准的一些基本介绍。
首先,安全生产责任险是一种保险产品,由企业购买,保障企业在生产经营过程中可能产生的责任纠纷和赔偿风险。
保险公司将根据企业的生产规模、行业特点和历史安全记录等因素,确定相应的费率。
具体的缴费标准根据企业所处的风险等级进行划分,一般分为低风险、中风险和高风险三个等级。
不同风险等级对应的费率有所不同。
以一个虚拟的企业为例,其缴费标准如下:1. 低风险等级:该等级适用于安全管理制度完善,生产环境安全风险较低的企业。
其缴费标准为每年企业总工资的1%。
2. 中风险等级:该等级适用于安全管理制度有一定缺陷,生产环境安全风险较中等的企业。
其缴费标准为每年企业总工资的2%。
3. 高风险等级:该等级适用于安全管理制度不完善,生产环境安全风险较高的企业。
其缴费标准为每年企业总工资的3%。
需要注意的是,以上费率仅为示例,实际情况还需要根据企业具体情况和保险公司的要求确定。
此外,除了风险等级,缴费金额还与企业的保额相关。
保额是指企业需要保险公司承担的最高赔偿金额。
一般情况下,保险公司会根据企业的情况提供多个不同的保额选择,企业可以根据自身风险承受能力和安全风险状况来选择适合的保额。
在购买安全生产责任险时,企业需要提供相关的资料和证明,如企业的营业执照、生产经营情况报告、安全管理制度等,以便保险公司对企业的风险等级进行评估和确认。
总之,安全生产责任险的缴费标准是根据企业的风险等级和保额来确定的。
合理的缴费标准可以保障企业的生产安全和员工权益,也可以减轻企业的赔偿风险。
企业在购买保险时,应该根据自身情况选择适当的保额和费率,合理安排保险经费。
安全生产责任保险费率表1、安全生产责任保险是怎么回事?某化工厂车间发生毒气泄漏事故,造成多名员工受伤和死亡。
这次的灾难对该工厂造成巨大损失。
对受伤员工和死亡家属的巨大赔偿也使化工厂入不敷出。
该厂负责人刘某吸取此来次教训,在投保工伤保险的同时,也投保安全生产自责任保险。
那么,安全生产责任保险是怎么回事?安全生产责任保险是生产经营单位在发生生产安全事故以后对死亡、伤残者履行赔偿责任的保险,有利于维护社会安定和谐。
如果生产企业投保安全生产责任保险,那么在发生安全事故后百,会降低企业损失。
我国《安全生产法》第四十八条第二款明确规定:“国家鼓励生产经营单位投保安全生产责任保险。
”由此可见,安全生产责任险度并不是企业必须投保的险种。
这也是安全生产责任险与工伤保险的不同之处。
在本案中,负责人刘某使企业投保安全生产责任险,对企业日后发展大有益处。
《中华人民共和国安全生产法》第四十问八条第二款国家鼓励生产经营单位投保安全生产责任保险。
国家鼓励生产企业投保安全生产责任险,是在用经济手段加强和改善生产经营管理,强化安全事故风险管控。
有利于增强安全生产意识,防范安全生产事故,预防和化答解社会矛盾。
同时,对于减轻各级政府在事故发生后的救助负担,促进社会稳定起了重要作用。
2、安全生产责任保险实施范围包括哪些行业可以线上投保安责险的城市安全智慧管理平台说起安责险可能会有很多的人,不知道都是由什么用处,其实在2006年,国务院《关于保险业改革发展的若干意见》中提出要“大力发展责任保险,健全安全生产保障和突发事件应急保险机制”。
之后,国家安监总局、中国保监会联合颁布了《关于大力推进安全生产领域责任保险,健全安全生产保障体系的意见》,安全生产责任保险作为独立的概念开始被提出。
并且在2016年12月9日,国务院安委会印发《中共中央国务院关于推进安全生产领域改革发展的意见》中,明确要加快推进安全生产社会化服务体系建设,发挥市场机制推动作用。
河南省安全生产责任保险费率表(第四代)一、保费计算公式
年保险费二年基准保费义人数规模调整系数X风险调整系数
二、年基准保费
(一)非煤矿山
备注:1.头顶尾矿库费率=尾矿库费率*3
2.选矿厂费率参照一般行业基准费率
3.卤水及油气开采参照露天矿费率(二)危险化学品
(三)烟花爆竹
(四)金属冶炼
(五)建筑
(六)煤矿
煤矿企业投保人数规模调整系数
(七)民用爆破
(八)交通客运
(九)一般行业
注:1、一般行业类型风险调整系数
备注:投保企业涉足多个行业的,适用所涉及行业中最高的调整系数。
般行业投保人数规模调整系数
河南省安全生产责任保险赔偿限额表
备注:交通客运不含第三者责任
电梯安全责任险方案。
附件2 湖南省建筑施工行业安全生产责任保险
浮动费率表
注:
(一)企业年度安全生产标准化考评情况以省住房和城乡建设厅相关文件为准。
(二)企业年度项目安全生产标准化考评优良工地调整系数中上年度企业获得项目考评优良工地比率=上年度企业获得的项目考评优良工地数/当年企业省内在建项目数量。
(三)建筑安全事故类型:较大事故是指造成3人以上10人以下死亡,或者10人以上50人以下重伤,或者1000万元以上5000万元以下直接经济损失的事故;一般事故是指造成3人以下死亡,或者10人以下重伤,或者1000万元以下100万元以上直接经济损失的事故。
(四)企业赔付率=企业年度赔付金额/企业年度保费收入。
(五)承保机构采取共保体方式并签订了共保合同的,可实行下浮不超过10%的保险浮动费率。
(六)无相关有效证明和依据的,安责险基准费率不得浮动。
附件5:中华联合财产保险股份关于《平安生产责任保险〔适用于X维吾尔自治区〕》费率的精算说明为了进一步推动平安生产责任保险〔适用于X维吾尔自治区〕的开展,按照“政府推动,市场运作〞的原则,做好安责险工程的实施工作,充分发挥该产品的保证作用,满足消费者的多元化需求,我公司经过认真调研、论证,对平安生产责任保险〔适用于X维吾尔自治区〕的现行条款和费率进行了进一步修订。
现将修订后的条款费率说明如下:第—局部条款修订说明一、修订了被保险人范围:增加煤矿企业可作为被保险人投保该产品。
二、修订了责任限额:进一步细化区分了死亡和伤残事故的赔偿标准,将死亡责任限额和残疾责任限额分开载明;三、修订了费率局部:增加了煤矿企业的费率。
第二局部费率测算说明〔一〕非煤企业一、公司历史数据1、损失数据表一:2022 -2022 年平安生产责任保险〔适用于X维吾尔自治区〕的损失数据依据我司理赔经验,该险种的最终的损失进展因子为 1.45,因此,估量平安生产责任保险的最终赔付率为22%。
2、费用数据目前公司责任险的费用主要由三局部组成,分别是营业税及附加TR、手续费及佣金CR、以及业务治理费用AR。
营业税及附加TR为固定值5.5%。
手续费及佣金CR,因为市场竞争等情况在19% 到26%间浮动,同时考虑到公司2022年手续费水平,假设手续费及佣金水平为23%。
业务及治理费AR,目前的区间为18%到27%,考虑到公司2022 年具体的治理情况以及市场竞争压力的增加,保守假设业务及治理费水平为24%。
费用率=营业税+佣金+治理费用,即ER = TR + CR + AR=52.5%。
3、测算结果利润率=1-估量损失率-费用率=1-22%-%=%因此在目前的费率水平下,公司盈利空间较大,公司的保费较为充分,结合当地市场情况和公司的承保X,同时考虑到该产品保费存量不大,该产品经营情况的不确定性很大,该局部费率不做调整。
但是,我们会紧密跟踪监控赔付本钱的开展变化情况,当实际经营情况与预期假设不一致时,我们将及时作出调整。
年保险费=年基准保费×风险调整系数大型Ⅲ大型大型Ⅱ大型 Ⅰ中型Ⅲ中型Ⅱ中型Ⅰ小型Ⅲ小型Ⅱ小型Ⅰ大型Ⅲ非露天矿(含 煤尾矿库) 矿山露天矿(不714000510000357000205400158000118500396002640017160672000522480373200261240163800126000945003150021000136504852401060637575965303203325102557801918306394042630277109850403920002800001960001228509450070875237001580010270364000 大型 小型中型含尾矿库)中型小型大型地下矿中型小型黏土矿、砖大型厂大型Ⅱ大型Ⅰ中型Ⅲ中型Ⅱ中型Ⅰ小型Ⅲ小型Ⅱ小型Ⅰ大型Ⅲ大型Ⅱ大型Ⅰ中型Ⅲ中型Ⅱ中型Ⅰ小型Ⅲ小型Ⅱ小型Ⅰ大型Ⅲ大型Ⅱ大型Ⅰ2600001820001014007800058500182001180071003920002800001960001228509450070875237001580010270364000260000182000346600242620135200104000780002450016000946052248037320026124016380012600094500315002100013650485240346600242620480000336000182000140000105000311002040011830714000510000357000205400158000118500396002640017160672000480000336000703600492520274460211120158340507603351019200106063757600530320332510255780191830639404263027710985040703600492520非煤矿山其他危化生产中型Ⅲ中型Ⅱ中型Ⅰ小型Ⅲ小型Ⅱ小型Ⅰ大型Ⅲ大型Ⅱ大型Ⅰ中型Ⅲ中型Ⅱ中型Ⅰ小型Ⅲ小型Ⅱ小型Ⅰ超大型【从业人数 10001 以上】超大型【从业人数 5001-10000含 10000】超大型【从业人数 3001-5000含 5000】1014007800058500165001100071503640002600001820001014007800058500192001280083201380001265008625001352001040007800021900146009490485240346600242620135200104000780002550017000110501840001690001150001755001350001012502760018400119606720004800003360001820001400001050003210021400139102400002150001650002744602111201583404446029640192609850407036004925202744602111201583405176034510224303735203430702334500大型小型小型中型中型危险化学品超大型【从业人数 1501— 3000含 3000】大型Ⅲ大型( 1001-1500人)中型( 301-1000人)小型( 21-300人(1351-1500人)大型Ⅱ(1201-1350人)大型Ⅰ(1001-1200人)中型Ⅲ( 751-1000人)中型Ⅱ( 501-750人)中型Ⅰ( 301-500人)小型Ⅲ( 201— 300 人)小型Ⅱ( 101-200人)5750002392502175001957509607073900554252520019600767000319000290000261000127920984007380033480260401050004290003900003510001625001250009375042120327601557016475705887005298302596801997501498106796052860小型Ⅰ( 21-100 人) 微型( 20 人以下)超大型【从业人数 10001 以上】超大型【从业人数 5001-10000含 10000】超大型【从业人数 3001-5000含 5000】超大型【从业人数 1501— 3000含 3000】大型Ⅲ大型( 1001-1500人)中型( 301-1000人)(1351-1500人)大型Ⅱ(1201-1350人)大型Ⅰ(1001-1200人)中型Ⅲ( 751-1000人)中型Ⅱ1050049001380001265008625005750002161501965001768509490073000139506510184000169000115000767000288200262000235800126360972001755081902350002150001520001050003938003580003222001820001400002832013210373520343070233450155701585050531860478670256510197320危化经营加油站危化其他( 501-750人)中型Ⅰ( 301-500人)小型Ⅲ( 201— 300 人)小型Ⅱ小型( 21-300( 101-200人人)小型Ⅰ( 21-100 人)微型( 20 人以下)加油站( 1 台加油机)加油站(2 台加油机)加油站( 3 台加油机)加油站(4 台加油机)加油站( 5 台加油机)加油站( 6 台加油机)超大型【从业人数 10001 以上】5475022680176409450220056011201680224028003360138000729003013023440125552900740148022202960370044401840001050003791029480157953900940186028003730466056002160001479906116047570254905890150030004510601075109010373520超大型【从业人数 5001-10000含 10000】超大型【从业人数 3001-5000含 5000】超大型【从业人数 1501— 3000含 3000】大型Ⅲ大型( 1001-1500 人)中型( 301-1000 人)(1351-1500人)大型Ⅱ(1201-1350人)大型Ⅰ(1001-1200人)中型Ⅲ( 751-1000人)中型Ⅱ( 501-750人)中型Ⅰ( 301-500人)126500862500575000215320195750176170864606651049880169000115000767000287100261000234900115280886806651019350014850094500038610035100031590014625011250084370343070233450155701582810529830476850234030180020135010小型Ⅲ( 20122680 30240 37910 61390 — 300 人)小型Ⅱ小型( 21-300( 101-200人人)小型Ⅰ( 21-100 人)微型( 20 人以下)超大型【从业人数 10001 以上】超大型【从业人数 5001-10000含 10000】超大型【从业人数 3001-5000含 5000】超大型【从业人数 1501— 3000 冶金含 3000】17640945044101380001265008625005750002352012600586018400016900011500076700029480157907370240000215000165000105000477402558011890373520343070233450155701大型( 1001-15 00 人)中型大型Ⅲ(1351-1500 人)大型Ⅱ(1201-1350 人)大型Ⅰ(1001-1200 人)中型Ⅲ23925021750019575096070319000290000261000127920429000390000351000162500647570588700529830259680冶金( 301-100 (751-1000 人)0 人)73900 98400 125000 199750人)中型Ⅰ( 301-50055420 73800 93750 149810人)小型( 21-300人小型Ⅲ( 201—25200300 人)小型Ⅱ( 101-20015120人)小型Ⅰ( 21-10011340人)334802022015120 421202520018900679604092030690微型( 20 人以下)工程造价 5 亿— 10 亿工程造价 3 亿— 5 亿建造工程造价 1 亿— 3 亿3780 144000720000450000 5040 192000960000600000 630024000012000075000010230389760194880121800工程造价 5000 万— 1 亿 337500 450000 562500 913500 工程造价 1000 万— 5000 万 150000 200000 250000 406000 工程造价 1000 万以下375005000062500101500中型Ⅱ( 501-750建 筑1、油气采输合用非煤矿山(其他)行业类型,根据企业规模选择费率;地质勘探、石 油勘探和采掘施工合用非煤矿山(地下矿)行业类型,根据企业规模选择费率;2、加气站合用危化经营类企业行业类型;(一)企业安全标准化达标等级调整系数: 1、一级企业费率下调 15%; 2、二级企业费率下调 10%; 3、三级企业费率下调 5%; (二)一次性投保优惠系数:投保企业一次性缴纳两年保费的,赋予 3%的费率优惠;一次性 缴纳三年及以上保费的,赋予 6%的费率优惠。
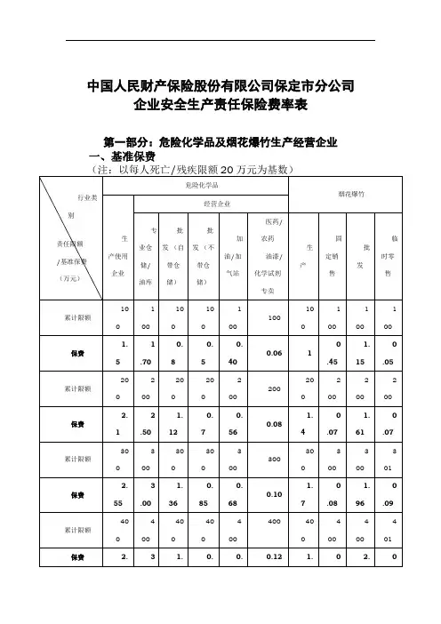
中国人民财产保险股份有限公司保定市分公司企业安全生产责任保险费率表
第一部分:危险化学品及烟花爆竹生产经营企业一、基准保费
二、企业人数调整系数
三、每人赔偿限额调整系数
1.0/20万;1.3/30万;1.5/40万;1.8/50万;
2.0/60万。
四、救援费用限额调整系数
每次事故及累计限额为100万元的,包含救援费用50万元;每次事故及累计限额为200万元及以上的,救援费用限额调整系数为:1.0/50万元;1.3/100万元;1.5/150万元。
五、保险期限:烟花爆竹临时销售摊点保险期限为2个月,其余为一年。
六、安全标准化等级调整系数:国家级0.90;省级0.95;市级0.98。
七、每次事故赔偿限额:年度累计赔偿限额的50%。
八、保险费计算:
保险费=基准保费×每人赔偿限额调整系数×救援费用限额调整系数×每人医疗费用限额调整系数×企业安全标准化等级调整系数
九、每次事故救援费用免赔额:危险化学品生产企业8000元,其它类型企业5000元。
第二部分非煤矿山
一、基准保险费(每人死亡责任限额:20万元)
被保险人可根据实际需要调整每人死亡责任限额,调整方法如下:
保险费=每人保险费×被保险人数×限额调整系数
二、救援费用保险费(累计救援费用限额100万元)
当累计救援费用限额100万元时:
救援费用保险费=每人保险费×被保险人数×(累计救援费用限额÷100万)
三、附加伤残基础保费(累计伤残责任限额200万元)
当每人伤残责任限额为10000万元时:
保险费=每人保险费×被保险人数×(每人伤残责任限额÷10000)
四、调整系数
1、安全等级系数
2、区域系数
3、费率浮动
各司部可根据投保企业风险程度在20%范围内浮动费率,超过20%费率优惠,必须经财险部审批。
五、总保险费计算
总保险费=(基础保险费+救援费用保险费+伤残保险费)×安全等级系数×区域系数×(1-优惠比例)。