空气处理机组选择计算说明..
- 格式:doc
- 大小:266.00 KB
- 文档页数:12
目录1.如何确定机组型号2.AHU定义及常用场合功能排布3.各种功能段使用介绍第一部分如何确定机组型号1.箱体(客户有要求的除外)。
风机转速600--3000r/min,选用4极电机风机转速>3000r/min,选用2极电机无蜗壳风机:必须找厂家选型,无涡壳风机功能段排布上均流在风机段之前。
对于风机电机直联的注意一般都要配变频电机。
5.机组带转轮除湿机的,一般转轮除湿段和机组前后功能段都是通过帆布软接,注意前后预留中间段,帆布软接一般是根据现场情况配,工厂不带。
6.所有的加湿器都要加接水盘,高压喷雾和喷淋还要加装挡水板和开门。
喷淋前后都要预留中间段,并且开门。
喷淋段本身也要开门。
7.没有特殊要求不允许机组配置外置板式加袋式共滑道。
8.如果要装压差计,初中效不能同框架或者滑道。
9.加湿出风段在一起时,出风段需要设置门。
10.机组配置紫外线灯的,注意机组的宽度是否大于紫外线灯的长度。
不同规格紫外线灯的长度:20W——604mm 30W——908.8mm 40W——1213.6mm 11.湿膜加湿分直排水和循环水两种,我们通常采用的是直排水的。
湿膜在功能段上作为加湿用还是作为挡水板是有区别的,所以报价及EOF中要明确。
12.在对噪音要求较高的场合,一般会配置900mm长的消声段,舒适性场合一般选用孔板+玻璃棉形式的消声器,净化场合采用微穿孔的消声器。
13.风阀执行器开关量2.常用组合形式2.1机组按结构形式可分为:卧式,立式,吊顶式。
按用途分可分为:普通舒适性机组,净化机组等;3.按不同使用场合常用的功能组合按使用场合,AHU可分为:1)舒适性的场合2)工业净化行业3)生化净化行业4)化工行业5)烟草工业6)纺织工业7)汽车工业8)热回收的应用9)除湿机的应用10) 大温差空气处理机组11) 干燥天气的地区3.1舒适性AHU舒适性的AHU服务对象为人,功能类似于家用空调。
最主要的功能为调节空气的温度,对空气进行制冷、加热,简单的过滤及低要求的湿度调节。
空⽓处理过程风机盘管的选型计算以地下⼀层KTV1为例来说明选型过程。
在风机盘管加新风空调系统中,让风机盘管承担室内冷负荷,新风机组只承担新风本⾝的负荷。
1、新风处理到室内状态的等焓线(1)夏季空⽓处理过程。
夏季新风处理到室内状态的⽐焓值的焓湿图见下图4.1。
新风机组不承担室内冷负荷。
1)根据设计条件,室内参数:t N =26℃、?=65%;室外参数:⼲球温度tg=34.2℃、湿球温度ts=27.8℃,在焓湿图上确定室内、外状态点N 、W 。
查图可得N h =61.0kj/kg 、W h =89.0kj/kg 。
2)确定机器露点L 和考虑温升后的状态点K从N 点引等焓线,与?=90%的相对湿度线交于点L ,连接WL,W 到L 过程是新风在新风机组内实现的冷却减湿过程。
所以可得L h =N h =61.0kj/kg 。
3)确定室内送风状态点O从N 点作热湿⽐线,热湿⽐:(4.1)该线与?=90%的线相交于送风状态点O ,查图可得O h =55.5kj/kg 。
O 点确定之后,即可计算出空调房间的送风量为:(4.2)4)确定风机盘管处理后的状态点M连接LO 并延长到M 点,M 点为经风机盘管处理后的空⽓状态,风机盘管处理的风量为s kg q q q W m m F m/494.1166.066.1,,=-=-=。
其中新风量为:。
因为求出的s kg q s kg q m W m /166.01.066.1%10/08.0,=?=??=所以s kg q W m /166.0,= 由混合原理(4.3)可求出M h =54.9kj/kg ,做M h =54.9kj/kg 的等焓线与LO 的延长线相交得M点。
连接NM ,N 到M 过程是在风机盘管内实现的冷却减湿过程。
5)确定新风机组负担的冷量和盘管负担的冷量新风机组承担的冷量:kW h h q Q L W W m W O 65.4)0.610.89(166.0)(,,=-?=-= (4.4)风机盘管承担的冷量:kW h h q Q M N F m F O 11.9)9.540.61(494.1)(,,=-?=-= (4.5)根据风机盘管所承担的冷量来选择所需要的风机盘管的型号,本例选⽤EKskg h h Qq ON m /66.15.550.61125.9=-=-=∑kJ/kg40505811.03600125.9=?==W Q εs.1240,=?=ON MO F m W m h h h h q q --=,,风机盘管,型号为EKCW1400AT ,两台。
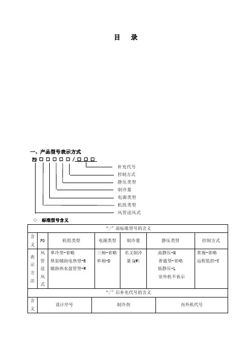
目 录一、产品型号表示方式补充代号 控制方式 静压类型 制冷量 电源类型 机组类型 风管送风式 ◇ 标准型号含义◇型号示例:FGR20H/A:表示名义制冷量为20kW的高静压风管送风式热泵型空调机组。
FGR20H/A(I):表示名义制冷量为20kW的高静压风管送风式热泵型空调机组的室内机。
FGR20/A(O):表示名义制冷量为20kW的风管送风式热泵型空调机组的室外机。
二、产品特点格力FG系列风管送风式空调机组,是本公司自主研制开发的新型商用吊顶式空气处理机组,它结合了中央空调的舒适、高档和小型分体家用空调机安装方便、灵活等优势。
它具有以下特点:◇标准化设计:同一制冷量室外机组可灵活配置高静压、普通静压、低静压三种室内机组,能满足不同送风需求,极为方便。
◇密封结构设计:独有的交错密封结构设计保证面板和箱体框架紧密结合,空气渗透量最小。
所有接缝完全采用特殊防潮垫片或橡胶密封。
在室内机高效过滤系统中采用特制低泄露率的过滤器框架。
◇排水方便:室内机底部接水盘一定斜度,保证全部排出冷凝水,防止水分积滞。
◇保温材料性能优良:室内机采用优质保温材料,防潮、不腐烂、不滋生细菌、不产生化学气体、不掉下碎屑、同时具有高热阻、隔噪音、避震动等性能。
◇运行可靠:采用全套优质制冷配件。
所有部件均经科学设计、精密加工,整个系统经严格试验检验,故机组性能优良,运行可靠,持久耐用。
◇高效节能:换热器采用亲水膜翅片,换热效率增加20%,缩小机组的体积,也减轻了机组的重量;优质的保温材料使保温效果提高了15%。
◇远距离送风:高静压配置的室内机,可实现远距离的风管送风。
◇室内空气品质好:机组送风管可接多个风口,使室内空气的温、湿度均匀,并且回风管可接入新风,提高室内空气的品质。
◇使用方便:机组结构设计科学,安装、检测、维修、保养极为方便。
适用场所:FG系列风管送风式空调机可广泛适用于小型超市、连锁店、宾馆、酒楼、餐厅、办公室、会议室等。
转轮除湿机组计算过程
转轮除湿机组是一种广泛应用于工业和商业领域的空气处理设备,其主要作用是去除空气中的湿度,提高空气质量和舒适度。
以下是转轮除湿机组的计算过程:
1.确定需求:首先需要确定所需的除湿量和空气流量,根据需要的房间面积和空气湿度,以及所需的除湿效率,计算出所需的除湿量。
同时,根据房间的大小和使用情况,确定所需的空气流量。
2.选择机型:根据需求确定转轮除湿机组的型号和规格,包括空气流量、除湿量、温度范围、湿度范围、能耗等参数。
3.计算空气处理参数:根据机型和需求,计算出空气处理参数,包括湿度、温度、洁净度等。
4.计算制冷负荷:除湿机组需要消耗能量来制冷,因此需要计算出所需的制冷负荷。
制冷负荷的计算包括房间的热负荷、人员活动、灯光、设备等因素。
5.计算除湿机组能耗:根据机型和制冷负荷,计算出除湿机组的能耗,并根据能耗和使用时间,计算出每天、每月、每年的能耗和成本。
6.制定方案:根据上述参数和数据,制定最适合的转轮除湿机组方案,以保证最佳的空气处理效果和节能环保。
- 1 -。
吊顶空气处理机组参数吊顶空气处理机组是一种常用于商业建筑、办公场所等空间的空气处理设备。
它具有多个参数,这些参数对于设备的性能和使用效果有着重要的影响。
下面将对吊顶空气处理机组的几个重要参数进行介绍。
1. 风量吊顶空气处理机组的风量是指在单位时间内通过设备的空气流量。
风量的大小直接影响着设备的通风效果和空气的流动速度。
一般来说,较大的风量可以更快地实现空气的循环和排污,但也会增加能耗和噪音。
因此,在选择吊顶空气处理机组时,需要根据实际需要和场所大小来确定合适的风量。
2. 静压吊顶空气处理机组的静压是指设备对空气施加的压力。
静压的大小取决于设备的风机功率和空气处理系统的阻力。
较大的静压可以提供更大的送风距离和排风能力,但也会增加设备的能耗。
因此,在选择吊顶空气处理机组时,需要根据场所的布局和空气流通情况来确定合适的静压。
3. 噪音吊顶空气处理机组的噪音是指设备运行时产生的声音。
噪音的大小与设备的风机功率和设计的合理性有关。
较低的噪音可以提供更好的使用环境和舒适感,但也会增加设备的造价。
因此,在选择吊顶空气处理机组时,需要根据场所的噪音要求和使用环境来确定合适的噪音水平。
4. 能效比吊顶空气处理机组的能效比是指设备的能效性能。
能效比的高低反映了设备的能耗水平,较高的能效比可以节约能源和降低运行成本。
因此,在选择吊顶空气处理机组时,需要根据能效比来评估设备的能耗水平,选择能效比较高的设备。
5. 过滤效果吊顶空气处理机组的过滤效果是指设备对空气中污染物的过滤能力。
过滤效果的好坏直接影响着室内空气的质量和健康程度。
较好的过滤效果可以有效去除空气中的颗粒物和有害物质,提供清洁的室内环境。
因此,在选择吊顶空气处理机组时,需要关注设备的过滤效果和过滤器的类型。
6. 控制方式吊顶空气处理机组的控制方式是指设备的运行控制方式。
常见的控制方式有手动控制、自动控制和远程控制等。
不同的控制方式对于设备的使用和管理都有着不同的要求和方便性。
全新风机组状态点计算
全新风机组状态点的计算受多种因素影响,以下是其中一些常见的计算方法:
- 根据新风量需求计算:在全新风系统中,为满足室内人员的卫生需求,新风量应至少达到30m³/人/h。
根据室内人数,可计算出所需的新风量。
另外,为维持室内正压,需要计算渗透风量,从而确定最小新风量。
- 根据风机性能曲线计算:利用风机性能曲线、阻抗计算方程构建数学模型,求解不同工况点风系统管网风量和压头,再根据所筛选得到的符合实际工作情况的解匹配净化通风空调系统中新风机和送风机的工作频率以及各类风阀的开度。
在实际应用中,需要根据具体情况选择合适的计算方法,并考虑其他因素的影响,以确保计算结果的准确性和可靠性。
空气处理机组空气处理机组 (Air handling unit,AHU):空气处理机组(AHU)是一种集中式空气处理系统,它起源于设备集中设置,通过风管分配加热空气的强制式热风采暖和通风系统。
基本的集中式系统是一种全空气单区域系统,一般包括风机、加热器、冷却器以及过滤器各组件。
这里所说的AHU,指的是一次回风系统,其基本工作过程是:室外来的新风与室内的一部分回风混合后,经过滤器滤掉空气中的粉尘、烟尘、黑烟和有机粒子等有害物质。
[1]干净的空气经风机送到冷却器或加热器进行冷却或加热,以达到使人感到舒适、适宜的程度,然后送入房间。
空气调节过程根据冬、夏季节的变化,典型的集中式空气处理系统调节过程也不相同。
用于调节室内空气温湿度和洁净度的设备。
有满足热湿处理要求用的空气加热器、空气冷却器、空气加湿器,净化空气用的空气过滤器,调节新风、回风用的混风箱以及降低通风机噪声用的消声器。
空气处理机组均设有通风机。
根据全年空气调节的要求,机组可配置与冷热源相连接的自动调节系统。
可由工厂制成系列的定型产品,组成各种容量和功能的处理段,由设计人员选配,并在现场进行装配。
一般容量较大(风量大于5000立方米/时),故不带独立的冷热源。
新风机组主要针对室外新风的状态点进行处理,而空气处理机组主要针对室内循环风的状态进行处理。
与风机盘管加新风系统及单元式空调器相比,它具有处理风量大、空气品质高、节能等优点,尤其适合商场、展览馆、机场等大空间、大人流量的系统。
一个好的空气处理机组应该具有占用空间少、功能多、噪音低、能耗低、造型美观、安装维修方便等特点。
但是由于其功能段多、结构复杂,要做到顾此而不失彼,全面兼顾,就要求设计人员和建设单位在材质、制造工艺、结构特性、选型计算时多方比较,方能取得较为满意的效果。
1 保温性能空气处理机组壁板一般采用双层彩色钢板或冷轧钢板粉末喷涂(底板内侧板有的采用不锈钢制成),中间的保温材料多为聚氨酯发泡或阻燃性离心玻璃棉。
吊顶空气处理机组参数
1.机组功率:指机组所需的电源功率,通常以千瓦(kW)为单位。
机
组功率与机组的大小和性能有关,一般较大的机组需要较大的功率来运行。
2.风量:也称为送风量或排风量,指机组每小时处理的空气体积。
通
常以立方米每小时(m³/h)为单位。
风量决定了机组的通风效果,一般来说,较大的空间需要较大的风量。
3.静压:是指机组在工作过程中产生的空气压力。
静压通常以帕斯卡(Pa)为单位。
静压决定了机组的送风距离和送风速度,一般来说,静压
越高,送风距离越远,送风速度越快。
4.噪音:是指机组在工作过程中产生的噪声。
噪音通常以分贝(dB)
为单位。
噪音是衡量机组性能的一项重要指标,一般来说,噪音越低,机
组的工作效果越好。
5.其他功能参数:吊顶空气处理机组还可以具有其他各种功能,如加湿、除湿、净化等。
这些功能会对机组的性能产生影响。
例如,加湿功能
可以提高室内空气的湿度,除湿功能可以降低室内空气的湿度,净化功能
可以去除室内空气中的污染物。
除了上述参数外,吊顶空气处理机组还有一些重要的特性需要考虑,
如机组的尺寸、重量、适用场合、能耗等。
这些特性会影响机组的安装、
使用和维护。
需要注意的是,不同厂家生产的吊顶空气处理机组参数可能会有所不同。
在选择机组时,需要根据实际需要和使用场景来确定适合的参数,以
确保机组的性能和效果符合需求。
同时,建议选择具有良好品牌口碑和售
后服务的厂家,以确保机组的质量和可靠性。
MSW系列柜式空气处理机卧式机组型号:MSW020HB~MSW150HB风量:2000~15000m3/h立式机组型号:MSW040VB~MSW250VB风量:4000~25000m3/h柜式空气处理机麦克维尔MSW 系列柜式空气处理机,采用高强度箱体、专业选型和精密加工的盘管、高效低噪风机以及过滤器,从而更好满足广大客户对卧式、立式空气处理机的需求,为客户节约室内空间,增加收益。
该产品可广泛适用于宾馆、商场、机场、医院、工厂、科研生产单位和办公楼等中央空调工程,尤其适用于安装空间受限制、对噪声要求较高、旧房改造等没有机房的场合。
采用经过静电粉沫喷涂的高强度镀锌钢板,高效防腐;保温材料采用新型PU 材料,具有极好的保温和吸音效果,不吸水,可有效防止冷桥的产生。
原装进口OAK 生产设备,采用薄壁铜管及新型波纹铝翅片,机械涨管,保证铜管与翅片间紧密配合,从而确保盘管有最佳的换热效果,为机组的高效运行提供了可靠的保障。
盘管有不同规格和回路形式可供选择,可以平衡各种参数取得最佳运行方案,从而可以适应各种不同需要。
L-左接管,R-右接管4-四排管,6-六排管08-80Pa ,15-150Pa 22-220Pa ,30-300PaB-B 型铝翅片H-卧式,V-立式050-风量为5000m 3/h ,其它依此类推MSW-麦克维尔柜式空气处理机采用高效前倾多翼风机,具有风量大、噪音低及性能稳定可靠的特点。
风机的轴承具有无需添加润滑油的特点,为客户节约维护费用。
在进风口处配有初效尼龙网过滤器,还可以根据客户的具体要求加装板式过滤器。
麦克维尔拥有自主的知识产权的MS-85选型软件,是经过美国ARI 协会权威认证的选型软件,其计算结果及按其计算结果生产的产品都通过了极为严格的检验,从而为机组MSW 系列产品具有机外余压高、冷量大的特点,且体积小,结构简单,便于安装维修。
柜式空气处理机说明:■以上参数为标准机型的参数;如有特殊要求,麦克维尔将提供特别设计;■标准回风制冷工况:27℃(干球)/19.5℃(湿球);标准新风制冷工况:34℃(干球)/28℃(湿球);■标准制冷进出水工况:进水7℃,出水12℃;■标准回风制热工况:21℃(干球);标准新风制热工况:0℃(干球);■标准制热进出水工况:进水60℃,出水50℃;■表中所列机组重量为机组净重量,运行重量将增加20%左右;■标准机组为不带热水盘管机组,如需增加热水盘管,机组的机外余压及外形尺寸应作相应调整;■本系列参数是在海拔高度为0m时的参数,海拔高度变化会影响机组的性能参数;■上表中()内数值为6排管机组的电机功率。
新风空调机组选择计算介绍:新风空调机组是一种能够将室外新鲜空气通过过滤、加热、湿化等处理后直接送入室内的空气调节设备,可以为室内提供良好的室内空气质量。
在选择新风空调机组时,需要考虑多个因素,包括室内外空气质量、室内外温度、建筑结构和使用要求等。
本文将详细介绍新风空调机组选择的计算方法。
计算方法:1.计算室外新风量室外新风量是根据建筑物的使用要求和人员密度来计算的。
一般可采用下述计算公式:室外新风量=人数×人均新风量+非人员过程负荷×人员密度×非人员室外空气换气次数其中,人数是指在建筑物内工作的人数;人均新风量是指每个人需要的新风量,一般为20-30m³/h;非人员过程负荷是指建筑物内的设备和生产过程所产生的热负荷或污染物,其计算方法需根据具体情况而定;人员密度是指建筑物内的人员数量与面积的比值;非人员室外空气换气次数是指非人员过程负荷需要的室外空气换气次数。
2.计算新风处理量新风处理量是指在将室外新鲜空气送入室内之前,需要进行过滤、加热、湿化等处理的空气量。
一般可采用下述计算公式:新风处理量=室外新风量×(1+风量控制容差)其中,风量控制容差是指为了保证新风处理负荷的稳定性,应预留的冗余空间。
一般建议设置为5%。
3.选择新风空调机组在选择新风空调机组时,需要综合考虑新风处理量、室内外温度、建筑结构等因素。
一般可采用下述步骤进行选择:(1)根据室外新风量和新风处理量确定机组的风量。
(2)根据室内外温度差和机组的热效率来确定机组的制冷量和制热量。
(3)根据建筑结构、机组的噪音、布局等要求来确定机组的尺寸和安装位置。
注意事项:1.在计算中要考虑到季节变化因素,如夏季和冬季的温差不同,室内外空气质量的需求也不同。
2.需要根据具体的建筑物结构和使用要求来确定计算参数,如人均新风量、人员密度等。
3.建议选择符合国家标准的新风空调机组,确保其运行效率和使用安全。
空气处理机组选择计算1 电算表格内容、适用范围和使用说明1.1 空气状态点计算表已知某空气状态点的任意2个常用参数,求其他参数:1、已知干、湿球温度;2、已知干球温度、相对湿度;3、已知干球温度、含湿量;4、已知干球温度、焓值;5、已知含湿量、焓值。
1.2 一次回风空气处理机组的选择计算表基本已知数据:冬夏季室内热湿负荷、人员所需新风量、冬夏季新风状态、冬季加湿方式(仅限于“等焓”或“等温”加湿)注:冬季当室内热湿负荷低于设计工况时,空气处理机组则需要较大的加热和加湿量,因此冬季工况表中填入的热湿负荷值应适当考虑开机时室内较低负荷的数值。
1.2.1夏季工况计算表1、表1:已知室内温湿度,求空气处理机组的送风量、送风参数、冷却量、冷凝水量等。
适用于允许采用最大送风温差的一般典型空气处理机组的选型计算。
见图1.2.1-1处理过程1(实线)。
2、表2:已知室内温度、允许送风温差,求空气处理机组的送风量、送风参数、冷却量、冷凝水量和室内相对湿度等。
可用于要求较小送风温差、但又不采用二次加热或二次回风的空调系统能否满足要求。
见图1.2.1-1(例如下送风舒适性空调),可根据计算结果校核室内相对湿度2处理过程2(虚线)。
100%图1.2.1-1 采用最大送风温差的一次回风系统夏季处理过程3、表3:已知室内温湿度、允许送风温差,求空气处理机组的送风量、送风参数、冷却量、再热量、冷凝水量等。
适用于要求较小的送风温差,不再热不能满足室内湿度要求的情况,以及热湿比较小,采用再热才能将送风状态点处理至热湿比线上的情况等。
见图1.2.1-2处理过程。
100%图1.2.1-2 带二次加热的夏季一次回风系统处理过程4、表4:已知室内温度、空气处理机组送风量,求室内相对湿度、机组送风参数、冷却量、冷凝水量等。
适用于已按表1确定空气处理机组风量,但无室内湿度控制措施(二次加热等)的一般舒适性空调系统,在室内热湿负荷减小(部分负荷)时,进行室内湿度等校核计算。
此外也适用于需全年送冷内区夏季空气处理机组送风参数的求解计算(对于需全年送冷的内区,冬夏负荷相差不大,但冬季室内设定温度较低,而送风温度不能过低,即冬季送风温差小于夏季送风温差,因此冬季送风量大于夏季,应按冬季工况确定空气处理机组送风量),见图 1.2.1-1处理过程(虚线)。
1.2..2 冬季工况计算表1、表1:已知室内温湿度、空气处理机组送风量,求送风参数、空气处理机组加热量、加湿量等。
适用于已经按夏季工况确定空气处理机组风量(对应上述1.2.1表1、2、3的计算结果),计算冬季加热量和加湿量的典型情况。
见图1.2.2-1实线(等焓加湿)和虚线(等温加湿)2种处理过程。
100%W图1.2.2-1一次回风系统冬季等温或等焓加湿处理过程(送热风)2、表2:已知室内温湿度、允许送风温差,求空气处理机组的送风量、送风参数、空气处理机组加热量、加湿量等。
一般用于需全年送冷的内区,且有最大送风温差的限制,按冬季工况选择空气处理机组的情况。
见图1.2.2-2实线(等焓加湿)和虚线(等温加湿)2种处理过程。
W100%图1.2.2-2一次回风系统冬季等温或等焓加湿处理过程(送冷风)1.3 夏季工况二次回风空气处理机组的选择计算基本已知数据:夏季室内热湿负荷、人员所需新风量、室内温湿度、夏季新风状态已知允许送风温差,求总送风量、二次回风量、空气处理机组冷却量、冷凝水量等。
适用于夏季采用二次回风以达到要求的较小送风温差的情况。
注:由于冬季使用二次回风系统意义不大,可关闭二次回风阀,按一次回风计算,因此只编制了夏季工况计算表。
处理过程见图1.3100%图1.3夏季二次回风系统处理过程1.4 定风量置换通风空气处理机组的选择计算基本已知数据:冬夏季室内下区余热余湿、上区余热、人员所需新风量、室内温湿度、冬夏季新风状态、冬季加湿方式(仅限于“等焓”或“等温”加湿) 1.4.1 夏季工况 1、 表1:已知送风温差,求送风量、送风参数、空气处理机组冷却量、再热量、冷凝水量等。
适用于按夏季工况确定空气处理机组送风量的情况。
2、 表2:已知空气处理机组送风量,求送风温差、送风参数、空气处理机组冷却量、再热量、冷凝水量等。
适用于已经按冬季工况确定空气处理机组送风量的情况。
1.4.2 冬季工况1、表1:已知空气处理机组送风量,求送风温差、送风参数、空气处理机组加热量、加湿量等。
适用于已经按夏季工况确定空气处理机组送风量的情况。
2、表2:已知送风温差,求送风量、送风参数、空气处理机组加热量、加湿量等。
适用于按冬季工况确定空气处理机组送风量的情况。
注:1)置换通风系统的回风温度不能直接取室内温度,而是室内温度吸收上部余热后的温度。
2)夏季室内余热余湿量低于设计负荷时,定风量系统送风温度应高于设计工况,其再热量也应大于设计值。
因此应适当考虑开机时的室内较低负荷,人为确定低负荷送风温度S’,计算空气处理机组的实际再热量。
3)置换通风一般用于全年送冷的内区空调,因此冬季工况计算按室内负荷为冷负荷编制。
4)冬季室内加热量应适当考虑开机时的室内较低负荷,人为确定低负荷送风温度S’,增大加热量。
5)当冬夏季室内余热余湿量和热湿比不相同,但采用相同送风量时,应按冬季和夏季的送风温差均不超过允许值分别进行计算,取送风量较大者为机组风量,其他季节反求送风温差;6)处理过程见图1.4,脚标d表示冬季过程,x表示夏季过程,冬季等焓加湿为实线,等温加湿为虚线;100%图1.4置换通风系统冬夏季处理过程1.5 新风空气处理机组的选择计算基本已知数据:冬夏季送风温湿度、空气处理机组处理新风量、冬夏季新风状态、夏季新风处理状态点(仅限于“等焓”或“等湿”),冬季加湿方式(仅限于“等焓”或“等温”加湿)1.5.1夏季工况1、表1:适用于不带热回收装置的新风机组的选择计算,处理过程如图1.5.1-1~2;图中的Ln为风机盘管的送风状态点;100%图1.5.1-1夏季新风被处理至与室内空气等含湿量状态的过程100%图1.5.1-2夏季新风被处理至与室内空气等焓量状态的过程2、表2:适用于采用热回收装置的新风机组的选择计算,“热回收类型”分为“显热回收”和“全热回收”。
处理过程如图1.5.1-3~6。
100%图1.5.1-3夏季新风经全热回收后被处理至与室内空气等含湿量状态的过程100%图1.5.1-4夏季新风经全热回收后被处理至与室内空气等焓状态的过程100%图1.5.1-5夏季新风经显热回收后被处理至与室内空气等含湿量状态的过程100%图1.5.1-6夏季新风经显热回收后被处理至与室内空气等焓状态的过程1.5.2冬季工况1、表1:适用于不带热回收装置的新风机组的选择计算,处理过程如图1.5.2-1。
100%图1.5.2-1冬季新风处理过程(虚线为等温加湿,实线为等焓加湿)2、表2:适用于采用热回收装置的新风机组的选择计算;“热回收类型”分为“显热回收”和“全热回收”。
处理过程如图1.5.2-1~2。
100%W图1.5.2-1冬季新风经全热回收后的处理过程(虚线为等温加湿,实线为等焓加湿)100%图1.5.2-2冬季新风经显热回收后的处理过程(虚线为等温加湿,实线为等焓加湿)1.6 电算表操作和使用说明1、 应仔细阅读本说明和附图,选择与工程的处理过程相适应的电子计算文件。
2、 打开电子文件,按对话框提示启用宏。
3、 表中兰底色格内为必须输入的已知数据,粉底色格对应项目为计算结果。
4、 表格中最后两列(无填充色)为计算过程数据,可不打印。
5、 复制计算表时,应注意一般情况下不在同一sheet 中复制,若要在同一sheet 中复制,须对表中应用的宏做相应修改。
6、 应将计算结果与I -D 对照,检查是否与处理过程相符,可采用纸制或电子版I -D 图。
2 电算表格编制说明2.1 基本公式 1、273.15T t =+ 2、当T= -100~0℃时2621831245674.5359ln() 6.39252470.9677843100.62215701100.20747825100.948402410 4.1635019ln()b P T T TT T T -----=+-⨯+⨯⨯-⨯+ 3、当T=0~200℃时42735800.2206ln() 1.39149930.048602390.41764768100.1445209310 6.5459673ln()b P T T TT T ---=+-+⨯-⨯+ 4、.()s b s g s P P A t t B=--5、56.75(65)10A υ-=+⨯,一般取A =0.000667;6、100%sbP P ϕ=⨯ 7、622622s bs b P P d B P B P ϕϕ==--8、1.010.001(2500 1.84)g g i t d t =++9、1000()3600n s n s i i Q W d d ε-==-10、()3600s n s L i i Q ρ-=2.2 全空气系统送风含湿量通过下式求得1.010.001(2500 1.84)n n n n i t d t =++ 1.010.001(2500 1.84)s s s s i t d t =++(1.010.001(2500 1.84))1000n s ns s s n s n si i i t d t d d d d ε--++==--()(1.010.001(2500 1.84)1000n s n s s s d d i t d t ε-=-++ 0.001(2500 1.84) 1.0110001000sns s n sd d d t i t εε+-=--1000( 1.01)10002500 1.84nn s s s d i t d t εε--=+-2.3 二次回风系统计算过程 1、总送风量sL 由下式求得(已知室内空气状态nt ,nd ,n i和送风温差t ∆):1000( 1.01)10002500 1.84nn s s s d i t d t εε--=+-1.010.001(2500 1.84)s s s s i t d t =++3600()s n s Q L i i ρ=-2、通过表冷器的风量lL 由下式求得:3600()l n l Q L i i ρ=-其中机器露点l L 为热湿比线与ϕ=90%相对湿度线的交点(与一次回风系统相同) 3、 二次回风量 l s L L L -=22.4 新风热回收空气处理机组选择计算公式 1、新风侧热回收效率x η1211x x x x p t t t t η-=-1211x x x x p i i i i η-=-(仅用于全热回收)1211x x x x p d d d d η-=-(仅用于全热回收)2、排风侧热回收效率p η1211p p p p x t t t t η-=-3、热平衡1221()()x x x p p p L t t L t t -=-4、热回收量123600x x x L i i Q ρ-=5、显热回收新风出口焓值1.010.001(2500 1.84)i t d t =++2.5 公式中的变量 2.5.1一般公式变量i -湿空气焓,kJ/kg 干空气。