1-2014-铁路货物装载加固课程设计任务书
- 格式:doc
- 大小:689.50 KB
- 文档页数:8
适用标准文案铁路货物装载加固方案实验报告一、实验背景:铁路货物装载加固是铁路货物运输中的核心技术,也是保证铁路运输安全的要点要素。
经过实验,使学生认识铁路货物装载加固的重要性、复杂性、多样性;掌握铁路货物装载加固技术;建立铁路货物运输安全意识。
二、实验目的:在学习铁路货物装载加固理论知识的基础上,综合运用所学专业知识,实质解决不一样品类货物装载加固问题,培育着手能力,加强安全意识。
三、实验地址:铁路货物装载加固实验室。
四、实验内容:依据实验室供给的铁路货物装载加固方案模型及不一样规格形状货物模具和铁路货物装载加固定型方案( 12306 网站):㈠认知实验室全部装载加固方案;(见附件)㈡联合实验室铁路货物装载加固方案模型,选择定型方案中的一类方案,剖析该类方案的特色及其技术合理性;㈢分小组互相沟通,掌握不一样种类货物装载加固方案。
五、实验步骤:步骤一:在实验室观光并认识以下内容㈠装载加固的有关理论:1.对货物加固的目的:–在列车运转或调车过程中,货物遇到各样外力的作用,可能产生纵向或横向的位移、转动或颠覆。
–为保证行车安全、车辆和货物的完好、经由铁路装运的货物应采纳必需的加固举措。
2.货物加固的基本要求:–所采纳的加固方法应与货物的重量、形状、大小等特色相适应,加固资料一定拥有足够的强度,加固要坚固,使货物能够经受正常调车作业以及列车运转中所产生的各样力的作用,在运输全过程中,不发生挪动、转动、颠覆或坠落等状况。
3.装载加固定性方案的内容:装载加固定型方案包含11 类 50 项,波及货物装载品类千余种。
详细分为:01 类:成件包装货物, 02 类:集装箱、集装件及箱装设施, 03 类:水泥制品、料石及箱装玻璃, 04 类:木材、竹子, 05 类:起重机梁及钢构造梁、柱、架, 06 类:轧辊、轮对、电缆、钢丝绳、变压器及卧式锅炉, 07 类:金属资料及制品,08 类:轮式、履带式货物, 09 类:圆柱形、球形货物, 10 类:大型机电设施,11 类:口岸站入口设施。
精品文档,放心下载,放心阅读铁路货物装载加固方案实验报告实验背景:精品文档,超值下载铁路货物装载加固是铁路货物运输中的核心技术,也是保证铁路运输安全的关键因素。
通过实验,使学生认识铁路货物装载加固的重要性、复杂性、多样性;掌握铁路货物装载加固技术;树立铁路货物运输安全意识。
二、实验目的:在学习铁路货物装载加固理论知识的基础上,综合运用所学专业知识,实际解决不同品类货物装载加固问题,培养动手能力,强化安全意识。
三、实验地点:铁路货物装载加固实验室。
四、实验内容:根据实验室提供的铁路货物装载加固方案模型及不同规格形状货物模具和铁路货物装载加固定型方案(12306 网站):㈠认知实验室所有装载加固方案;(见附件)㈡结合实验室铁路货物装载加固方案模型,选择定型方案中的一类方案,分析该类方案的特征及其技术合理性;㈢分小组相互交流,掌握不同种类货物装载加固方案。
五、实验步骤:步骤一:在实验室参观并了解以下内容㈠装载加固的相关理论:1.对货物加固的目的:-在列车运行或调车过程中,货物受到各种外力的作用,可能产生纵向或横向的位移、滚动或倾覆。
-为保证行车安全、车辆和货物的完整、经由铁路装运的货物应采取必要的加固措施。
2.货物加固的基本要求:-所采用的加固方法应与货物的重量、形状、大小等特点相适应,加固材料必须具有足够的强度,加固要牢固,使货物能够经受正常调车作业以及列车运行中所产生的各种力的作用,在运输全过程中,不发生移动、滚动、倾覆或坠落等情况。
3.装载加固定性方案的内容:装载加固定型方案包括11类50项,涉及货物装载品类千余种。
具体分为:01 类:成件包装货物,02 类:集装箱、集装件及箱装设备,03类:水泥制品、料石及箱装玻璃,04类:木材、竹子,05 类:起重机梁及钢结构梁、柱、架,06类:轧辊、轮对、电缆、钢丝绳、变压器及卧式锅炉,07 类:金属材料及制品,08 类:轮式、履带式货物,09类:圆柱形、球形货物,10 类:大型机电设备,11 类:口岸站进口设备。
货车铁路装载加固教案教案标题:货车铁路装载加固教案教学目标:1. 了解货车铁路装载的基本原理和要求。
2. 掌握货车铁路装载加固的方法和技巧。
3. 能够正确使用相关工具和设备进行装载加固操作。
4. 培养学生的安全意识和团队合作精神。
教学准备:1. PowerPoint演示文稿2. 货车铁路装载加固示范模型3. 装载加固工具和设备(如绳索、木板、千斤顶等)4. 相关教学资料和视频教学过程:一、导入(5分钟)1. 引入话题:请学生们观看一段关于货车铁路装载的视频,激发学生对该课题的兴趣。
二、知识讲解(15分钟)1. 通过PowerPoint演示文稿,向学生介绍货车铁路装载的基本原理和要求。
2. 解释货车铁路装载过程中可能出现的安全隐患,并强调安全意识的重要性。
三、示范与实践(30分钟)1. 展示货车铁路装载加固示范模型,演示正确的装载加固方法和技巧。
2. 将学生分成小组,每个小组分配一辆模型货车和相关装载材料。
3. 要求学生按照示范进行实际操作,加固模型货车的装载。
四、讨论与总结(15分钟)1. 邀请学生分享他们在实践中遇到的问题和解决方法。
2. 引导学生总结加固装载的关键步骤和技巧。
3. 鼓励学生提出改进装载加固方法的建议,并进行讨论。
五、拓展活动(15分钟)1. 提供一些真实的货车铁路装载案例,让学生分析其中的问题和解决方案。
2. 鼓励学生进行小组讨论,提出自己的装载加固方案。
3. 邀请学生展示他们的方案,并进行评价和讨论。
六、作业布置(5分钟)1. 要求学生撰写一篇关于货车铁路装载加固的小结,包括所学知识和实践经验。
2. 提醒学生注意安全问题,并鼓励他们在日常生活中关注和应用所学的知识。
教学反思:本教案通过引入视频、示范模型和实践操作等多种教学手段,使学生能够全面了解货车铁路装载加固的基本原理和方法。
通过小组讨论和拓展活动,培养了学生的团队合作精神和创新思维能力。
同时,通过作业布置和安全提醒,加强了学生对所学知识的巩固和应用。
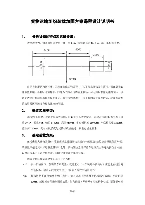
货物运输组织装载加固方案课程设计说明书1.分析货物的特点和运输要求:货物规格为:钢制圆柱体货物一件,重34t,货物总长为15.4 m,属于非均重货物。
Q=34t由于货物形状为圆柱体,因此在装载运输过程中,为了防止货物发生滚动,需在货物底部放置鞍座,必要时可加掩木,同时为了防止货物发生移动,利用扁钢带作为腰箍加固,以增大货物对鞍座与车地板间的压力,增大货物摩擦力。
由于货物本身长度较大,应注意游车的选用及区间速度和过岔速度的限制。
2.确定装车类型:本货物选用60t普通平车装载运输,经以上分析货物特点,本设计选用N16型平车(自重19.7t,载重60t,轴距1750mm,销距9300mm,车底板长度13000mm,车底板高度1210mm,重心高730mm),其车底板长度与货物长度较接近,载重也满足要求。
3.确定装载方案:在考虑阔大货物装载时,除必须满足普通货物装载的一般要求(如经济合理地使用车辆,装载量不超过货车标记载重量等)之外,要特别注意确保重车运行安全和避免损伤车底架,以保证货车的正常使用寿命,同时要注意避免集重装载。
阔大货物装载必须遵守的基本技术条件:(1)在一般情况下,货物装车后其重心或总重心(一车装几件货物时)应能垂直投影到车地板纵、横中心线的交叉点上(简称“落在车辆中央”);(2)特殊情况下必须偏离车辆中央时,横向偏离(即离开车地板纵中心线)不得超过100mm,超过时必须采取配重措施;纵向偏离(即离开车地板横中心线)要保证车辆转向架承受的货物重量不超过标记载重的1/2,同时要保证车辆两转向架负重之差不大于10t ,但另有规定者除外;(3) 一车装载两件或多件货物时,应避免对角线装载;(4) 重车重心高度从轨面起,一般不得超过2000mm ,超过时可采取配重措施降低重车重心高度或限制该重车的运行速度。
该货物有以下三种可能装载方案,经分析后,将遵循以上原则,最终选出最优方案。
方案一:使用N 16型平车一辆,一端突出装载,加挂N 16型(车地板高度为1210mm )游车一辆,装载方案如图:(1) 需使货物重心在纵向偏离车辆横中心线的距离:)m (9.0)mm (9002130007400==-=需a 因t t 10263460Q P >=-=-标,故货物重心在车辆纵向最大允许偏离距离:)m (37.1)m m (137003.9345Q 5==⨯==l a 容 因需容a a >,允许使货物一端突出(另一端与车端对齐)装载。
铁路货物装载加固方案引言在铁路货运中,货物的装载安全是至关重要的事项。
随着铁路货运的不断发展和货物种类的增加,各种形状和重量的货物需要进行合理的加固,以确保在运输过程中不发生意外。
本文将介绍一种铁路货物装载加固方案,旨在提供一个可靠、高效的方法来加固铁路货物,确保货车稳定运输,减少货物损坏和事故的发生。
装载前的准备工作在进行铁路货物装载之前,需要做一些准备工作,以确保装载的顺利进行。
以下是准备工作的步骤:1.货物分类:将货物按照形状、重量、易碎性等因素进行分类,以便制定相应的加固方案。
2.货车选择:根据货物的特点和数量选择合适的货车,确保货物能够稳定地装载并平衡地分布在车厢内。
3.装载计划:制定一个详细的装载计划,包括货物的装载顺序、位置和加固方法。
装载加固方案铁路货物装载加固方案需要针对不同形状、重量的货物制定不同的加固措施。
以下是一些常见货物的加固方案:1.散装货物:对于散装货物,可以使用填充物或者防滑垫来增加货物与车厢之间的摩擦力,确保货物不会在运输过程中滑动或倾斜。
此外,可以使用绳索或网带将货物固定在车厢上,防止货物的移动。
2.长形货物:对于长形货物如钢管、木材等,可以在货物两端使用木片或者金属块进行支撑,避免货物的弯曲变形。
同时,使用绳索或者网带加固货物,并将其紧固在车厢上以防止移动。
3.大件货物:对于大件货物如机械设备、重型零件等,可以使用专用的加固器材,如吊索、抱拖器等进行加固。
同时,根据货物的形状和重量,选择合适的支撑点,并使用固定器材将货物密封、固定在车厢上,确保货物的稳定运输。
4.易碎货物:对于易碎货物如玻璃制品、陶瓷等,需要使用防震垫或者泡沫塑料进行包装,以减少货物在运输过程中的震动和振动。
此外,使用绳索或网带将货物加固在车厢上,避免货物碰撞或破损。
装载操作流程装载操作流程是铁路货物装载加固方案的关键部分。
以下是一个典型的装载操作流程:1.根据装载计划,将货物按照分类进行分组,并依次进行装载。
货物运输装载加固方案课程设计姓名:学号:专业:交通运输班级:学院:交通运输工程学院指导教师:2016年12月货物运输装载加固1货物的特点及运输要求充分了解掌握制定方案时依据的有关货物的所有技术数据,如重量、结构特点、外形尺寸、重心位置、支重面尺寸、加固作用点位置等等。
1.1货物的特点1、钢制圆柱体货物一件,如下图所示,重36t.2、准用货车可用任何一种60t普通平车装运3、加固材料鞍座凹口底部高度为40mm,凹口深度为280mm,货物与鞍座之间可垫有5mm 厚的橡胶垫;4、加固方法采用腰箍加固,已知腰箍两端拉直部分与纵向垂直平面之间夹角α=6.7°。
1.2运输要求由于货物形状为圆柱体,因此在装载运输过程中,为了防止货物发生滚动,需在货物底部放置鞍座,必要时可加掩木,同时为了防止货物发生移动,利用扁钢带作为腰箍加固,以增大货物对鞍座与车地板间的压力,增大货物摩擦力。
由于货物本身长度较大,应注意游车的选用及区间速度和过岔速度的限制。
2 确定装车类型本货物选用60t普通平车N16装载运输,经以上分析货物特点,本设计选用N16型平车(自重19.7t,载重60t,车底架长×宽=13000×3000mm,轴数4,固定轴距1750mm,转向架中心距9300mm,车底板高度1210mm,重心高730mm)3 确定装载方案确定货物重心在车辆横向和纵向上的位置,并进行超限和集重检查,计算重车重心高度。
确定装载位置时,要满足装载方案原则,对可能的装载方案进行比较,应尽可能降低货物超限等级和重车重心高度,并注意避免集重装载。
使用N16型平车一辆,采取货物直径较小一端突出装载,另一端加挂游车一辆;3.1装载方案超限检测使用N16型平车一辆,一车负重,一端突出装载,加挂N16型(车地板长13000mm,销距9300mm)游车一辆,货物左端与车端对齐,装载方案如图:1、需使货物重心偏离车辆横中心线的距离:因,故货物重心在车辆纵向最大允许偏离距离:若2、计算重车重心高又因为货物突出端部分底部高于货物支重面,垫木高度应减去货物突出车端部分高于货物支重面的尺寸,所以垫木高度符合要求由于重车重心高度在2001mm—2400mm之间,因此运输区间限速50km/h,通过侧向道岔时限速15km/h3、确定超限等级(1)确定装车后各部分尺寸(2)确定检定断面与计算点对于C断面:所以检定断面位于货物突出端所在横截面上计算长度在处不超限在处不超限对于A断面:所以检定断面位于车辆中心线所在横截面上计算长度在处不超限在处不超限综上,该货物为不超限货物3.3装载方案集重检测根据课本中资料(普通平车地板负重面长度最大容许载重量表),使用N16型普通平车,当重35t的货物直接装载在车地板上时,需要的负重面长度为5000mm,当重37.5t的货物直接装载在车底板上时,需要负重面长度为6000mm,采用插入法,重36t的货物直接装载在车底板上时,需要负重面长度为5400mm,为了避免集重装载,货物下两鞍座中心线间距应不小于2700mm。
铁路运输货物装载加固方案货物运输装载加固方案课程设计姓名:学号:专业:交通运输班级:学院:交通运输工程学院指导教师:年 12月货物运输装载加固1货物的特点及运输要求充分了解掌握制定方案时依据的有关货物的所有技术数据,如重量、结构特点、外形尺寸、重心位置、支重面尺寸、加固作用点位置等等。
1.1货物的特点1、钢制圆柱体货物一件,如下图所示,重36t.2、准用货车可用任何一种60t普通平车装运3、加固材料鞍座凹口底部高度为40mm,凹口深度为280mm,货物与鞍座之间可垫有5mm厚的橡胶垫;4、加固方法采用腰箍加固,已知腰箍两端拉直部分与纵向垂直平面之间夹角α=6.7°。
1.2运输要求由于货物形状为圆柱体,因此在装载运输过程中,为了防止货物发生滚动,需在货物底部放置鞍座,必要时可加掩木,同时为了防止货物发生移动,利用扁钢带作为腰箍加固,以增大货物对鞍座与车地板间的压力,增大货物摩擦力。
由于货物本身长度较大,应注意游车的选用及区间速度和过岔速度的限制。
2 确定装车类型本货物选用60t普通平车N16装载运输,经以上分析货物特点,本设计选用N16型平车(自重19.7t,载重60t,车底架长×宽=13000×3000mm,轴数4,固定轴距1750mm,转向架中心距9300mm,车底板高度1210mm,重心高730mm)3 确定装载方案确定货物重心在车辆横向和纵向上的位置,并进行超限和集重检查,计算重车重心高度。
确定装载位置时,要满足装载方案原则,对可能的装载方案进行比较,应尽可能降低货物超限等级和重车重心高度,并注意避免集重装载。
使用N16型平车一辆,。
铁路货场平面设计姓名:学号:专业:年级:学院:交通运输与物流学院指导教师:2014年6月2014铁路货物装载加固方案课程设计任务书一、铁路货物装载加固方案课程设计任务书1 货物规格:钢制均重等断面圆柱体货物一件,如下图所示,重35t,请依据《铁路货物装载加固规则》,参照《铁路货物装载加固定型方案》,选择经济合理的装载加固方案。
可用任何一种标重60t普通平车装运3 加固材料与加固方法参见《铁路货物装载加固规则》、《铁路货物常用装载加固材料与装置》、《铁路货物装载加固定型方案》。
二、设计要求1 分析货物的特点及运输要求充分了解掌握制定方案时依据的有关货物的所有技术数据,如重量、结构特点、外形尺寸、重心位置、支重面尺寸、加固作用点位置等等。
2 确定装车类型选择合适的车辆,确定货物在车辆上的合理位置。
3 确定装载方案确定货物重心在车辆横向和纵向上的位置,并进行超限和集重检查,计算重车重心高度。
确定装载位置时,要满足装载方案原则,对可能的装载方案进行比较,应尽可能降低货物超限等级和重车重心高度,并注意避免集重装载。
4 计算作用于货物上的力及需要加固装置承受的力 根据新的《加规》,)(0KN t Q T ⨯= (1) 刚性加固的单位纵向惯性力: (2) )/(13.069.260t KN Q t 总-=Q 总——重车总重,t 。
当Q 总> 130t 时,按130t 计算 Q —— 货物重量,t 。
(2)柔性加固的单位纵向惯性力:)29.85(KN/t 0.32Q 0012.020+-=总总Q tQ 总——重车总重,t ,跨装运输时,按跨装车组总重计算。
当130t< Q 总≤150t 时,t 0=6.78 kN/t ;当Q 总>150t 时,t 0=5.88 kN/t 。
Q —— 货物重量,t 。
(3)横向惯性力)(0KN Q n N ⨯=式中,n 0——每吨货物的横向惯性力,kN/t 。
铁路货物装载加固方案实验报告一、实验背景:铁路货物装载加固是铁路货物运输中的核心技术,也是保证铁路运输安全的关键因素。
通过实验,使学生认识铁路货物装载加固的重要性、复杂性、多样性;掌握铁路货物装载加固技术;树立铁路货物运输安全意识。
二、实验目的:在学习铁路货物装载加固理论知识的基础上,综合运用所学专业知识,实际解决不同品类货物装载加固问题,培养动手能力,强化安全意识。
三、实验地点:铁路货物装载加固实验室。
四、实验容:根据实验室提供的铁路货物装载加固方案模型及不同规格形状货物模具和铁路货物装载加固定型方案(12306):㈠认知实验室所有装载加固方案;(见附件)㈡结合实验室铁路货物装载加固方案模型,选择定型方案中的一类方案,分析该类方案的特征及其技术合理性;㈢分小组相互交流,掌握不同种类货物装载加固方案。
五、实验步骤:步骤一:在实验室参观并了解以下容㈠装载加固的相关理论:1.对货物加固的目的:–在列车运行或调车过程中,货物受到各种外力的作用,可能产生纵向或横向的位移、滚动或倾覆。
–为保证行车安全、车辆和货物的完整、经由铁路装运的货物应采取必要的加固措施。
2.货物加固的基本要求:–所采用的加固方法应与货物的重量、形状、大小等特点相适应,加固材料必须具有足够的强度,加固要牢固,使货物能够经受正常调车作业以及列车运行中所产生的各种力的作用,在运输全过程中,不发生移动、滚动、倾覆或坠落等情况。
3.装载加固定性方案的容:装载加固定型方案包括11类50项,涉及货物装载品类千余种。
具体分为:01类:成件包装货物,02类:集装箱、集装件及箱装设备,03类:水泥制品、料石及箱装玻璃,04类:木材、竹子,05类:起重机梁及钢结构梁、柱、架,06类:轧辊、轮对、电缆、钢丝绳、变压器及卧式锅炉,07类:金属材料及制品,08类:轮式、履带式货物,09类:圆柱形、球形货物,10类:大型机电设备,11类:口岸站进口设备。
每个品名的定型方案都包括以下容:⑴货物装载加固定型方案示意图。
实训工程任务书指导书
工程:筐装货物装载加固
一、实习内容
在指导教师的带着下进行筐装货物的装载加固。
二、仪器设备
铁路货运实训室现有设备。
三、实习流程
步骤一:教师发布任务;
步骤二:学生制定装载加固方案;
步骤三:学生根据装载加固方案并利用实训室设备对货物进行装载加固模拟操作。
四、实习标准
五、考前须知
1、着装整洁。
2、遵守实训室相关管理规定。
实训工程成绩评定表
说明:认识实习的总成绩=平时成绩〔2021过程性考核〔50%〕实训报告成绩〔30%〕。
如果是小组作业,组内成员的成绩按个人奉献比计算成绩。
个人对小组的奉献比由小组成员对成果的分工决定。
实习过程记录
实训工程:筐装货物装载加固(一)实训内容
在指导教师的带着下进行筐装货物的装载加固。
(二)实训操作步骤
(三)实训结果
请拍摄团队装载加固的照片并黏贴在下方空白处,并做简要介绍。
实训日记。
精品文档,放心下载,放心阅读铁路货物装载加固方案实验报告实验背景:精品文档,超值下载铁路货物装载加固是铁路货物运输中的核心技术,也是保证铁路运输安全的关键因素。
通过实验,使学生认识铁路货物装载加固的重要性、复杂性、多样性;掌握铁路货物装载加固技术;树立铁路货物运输安全意识。
一、实验目的:在学习铁路货物装载加固理论知识的基础上,综合运用所学专业知识,实际解决不同品类货物装载加固问题,培养动手能力,强化安全意识.二、实验地点:铁路货物装载加固实验室.三、实验内容:根据实验室提供的铁路货物装载加固方案模型及不同规格形状货物模具和铁路货物装载加固定型方案(12306网站):㈠认知实验室所有装载加固方案;(见附件)㈡结合实验室铁路货物装载加固方案模型,选择定型方案中的一类方案,分析该类方案的特征及其技术合理性;㈢分小组相互交流,掌握不同种类货物装载加固方案.四、实验步骤:步骤一:在实验室参观并了解以下内容㈠装载加固的相关理论:1。
对货物加固的目的:–在列车运行或调车过程中,货物受到各种外力的作用,可能产生纵向或横向的位移、滚动或倾覆。
–为保证行车安全、车辆和货物的完整、经由铁路装运的货物应采取必要的加固措施。
2。
货物加固的基本要求:–所采用的加固方法应与货物的重量、形状、大小等特点相适应,加固材料必须具有足够的强度,加固要牢固,使货物能够经受正常调车作业以及列车运行中所产生的各种力的作用,在运输全过程中,不发生移动、滚动、倾覆或坠落等情况。
3.装载加固定性方案的内容:装载加固定型方案包括11类50项,涉及货物装载品类千余种.具体分为:01类:成件包装货物,02类:集装箱、集装件及箱装设备,03类:水泥制品、料石及箱装玻璃,04类:木材、竹子,05类:起重机梁及钢结构梁、柱、架,06类:轧辊、轮对、电缆、钢丝绳、变压器及卧式锅炉,07类:金属材料及制品,08类:轮式、履带式货物,09类:圆柱形、球形货物,10类:大型机电设备,11类:口岸站进口设备。
铁路货物装载加固方案实验报告一、实验背景:铁路货物装载加固是铁路货物运输中的核心技术,也是保证铁路运输安全的关键因素。
通过实验,使学生认识铁路货物装载加固的重要性、复杂性、多样性;掌握铁路货物装载加固技术;树立铁路货物运输安全意识。
二、实验目的:在学习铁路货物装载加固理论知识的基础上,综合运用所学专业知识,实际解决不同品类货物装载加固问题,培养动手能力,强化安全意识。
三、实验地点:铁路货物装载加固实验室。
四、实验内容:根据实验室提供的铁路货物装载加固方案模型及不同规格形状货物模具和铁路货物装载加固定型方案(12306网站):㈠认知实验室所有装载加固方案;(见附件)㈡结合实验室铁路货物装载加固方案模型,选择定型方案中的一类方案,分析该类方案的特征及其技术合理性;㈢分小组相互交流,掌握不同种类货物装载加固方案。
五、实验步骤:步骤一:在实验室参观并了解以下内容㈠装载加固的相关理论:1.对货物加固的目的:–在列车运行或调车过程中,货物受到各种外力的作用,可能产生纵向或横向的位移、滚动或倾覆。
–为保证行车安全、车辆和货物的完整、经由铁路装运的货物应采取必要的加固措施。
2.货物加固的基本要求:–所采用的加固方法应与货物的重量、形状、大小等特点相适应,加固材料必须具有足够的强度,加固要牢固,使货物能够经受正常调车作业以及列车运行中所产生的各种力的作用,在运输全过程中,不发生移动、滚动、倾覆或坠落等情况。
3.装载加固定性方案的内容:装载加固定型方案包括11类50项,涉及货物装载品类千余种。
具体分为:01类:成件包装货物,02类:集装箱、集装件及箱装设备,03类:水泥制品、料石及箱装玻璃,04类:木材、竹子,05类:起重机梁及钢结构梁、柱、架,06类:轧辊、轮对、电缆、钢丝绳、变压器及卧式锅炉,07类:金属材料及制品,08类:轮式、履带式货物,09类:圆柱形、球形货物,10类:大型机电设备,11类:口岸站进口设备。
2014铁路货物装载加固方案课程设计任务书
一、铁路货物装载加固方案课程设计任务书
1 货物规格:钢制均重等断面圆柱体货物一件,如下图所示,重35t ,请依据
《铁路货物装载加固规则》,参照《铁路货物装载加固定型方案》,选择经济合理的装载加固方案。
可用任何一种标重60t 普通平车装运 3 加固材料与加固方法
参见《铁路货物装载加固规则》、《铁路货物常用装载加固材料与装置》、《铁路货物装载加固定型方案》。
二、设计要求
1 分析货物的特点及运输要求
充分了解掌握制定方案时依据的有关货物的所有技术数据,如重量、结构特点、外形尺寸、重心位置、支重面尺寸、加固作用点位置等等。
2 确定装车类型
选择合适的车辆,确定货物在车辆上的合理位置。
3 确定装载方案
确定货物重心在车辆横向和纵向上的位置,并进行超限和集重检查,计算重车重心高度。
确定装载位置时,要满足装载方案原则,对可能的装载方案进行比较,应尽可能降低货物超限等级和重车重心高度,并注意避免集重装载。
4 计算作用于货物上的力及需要加固装置承受的力 根据新的《加规》,
)(0KN t Q T ⨯=
(1)刚性加固的单位纵向惯性力:
)/(13.069.260t KN Q t 总-=
Q 总——重车总重,t 。
当Q 总> 130t 时,按130t 计算 Q —— 货物重量,t 。
(2)柔性加固的单位纵向惯性力:
)29.85(KN/t 0.32Q 0012.02
0+-=总总Q t
Q 总——重车总重,t ,跨装运输时,按跨装车组总重计算。
当130t< Q 总≤150t 时,t 0=6.78 kN/t ;当Q 总>150t 时,t 0=5.88 kN/t 。
Q —— 货物重量,t 。
(3)横向惯性力
)(0KN Q n N ⨯=
式中,n 0——每吨货物的横向惯性力,kN/t 。
)/(2.282.20t KN l
a
n +=
a ——货物重心偏离车辆横中心线的距离。
l ——车辆销距。
Q —— 货物重量,t 。
(4)垂直惯性力
)(KN Q q Q ⨯=垂垂
用普通货车装载时:)kN/t (78
.354.3l a q +=垂 用长大货物车装载时:)kN/t (84
.753.4l
a q +=垂
a ——货物重心偏离车辆横中心线的距离。
l ——车辆销距。
Q —— 货物重量,t 。
(5)风力 )kN (qF W =
式中:
F —货物在车辆侧向迎风面投影面积;
q —计算风压。
受风面为平面时, q=0.49
kN/m 2
受风面为圆柱体或球体的侧面时, q=0.245kN/m 2
(6)摩擦力
纵向摩擦力:)(8.9KN Q F μ=纵
摩
横向摩擦力:)(8.9KN Q Q F )(垂横
摩
-=μ μ—货物与车地板间滑动摩擦系数。
Q —— 货物重量,t 。
5 进行稳定性计算 6 确定加固强度
确定加固材料或装置的需要数量及其规格或承受载荷的能力 7 画出货物装载加固方案的示意图,并标注说明 三、装载加固材料规格
表1 各类货物加固材料适用范围
货物种类 防止货物不稳定状态 可使用的加固材料
有平支承平面的货物
纵向或横向倾覆 拉牵铁线、绞棍、钢丝绳、紧固器、拉杆 纵向或横向位移 挡木,拉牵铁线,绞棍、钢丝绳、紧固器、钉子或扒锔钉
圆柱形货物
纵向或横向滚动
凹形垫木、掩木、三角挡、钉子或扒锔钉 顺装时纵向位移 拉牵铁线、钢丝绳、横腰箍、绞棍、紧固器 横装时横向位移
拉牵铁线、钢丝绳、绞棍、紧固器、挡木、钉子或扒锔钉
带轮货物
纵向或横向滚动
三角档、掩木、拉牵铁线、钢丝绳、绞棍、紧固器、钉子或扒锔钉、轮挡
纵向或横向位移
挡木、拉牵铁线、钢丝绳、绞棍、紧固器、钉子或扒锔钉
轻浮货物
倒塌
支柱(侧、端)、铁线、绳子、绳网、u 形钉
1常用加固材料的规格 (1)镀锌铁线
1)镀锌铁线的质量应符合国家标准GB/T343《一般用途低碳钢丝》的要求。
2)镀锌铁线的破断拉力应以产品标签上的数据为准,需用拉力取其破断拉力的1/2。
常用镀锌铁线的破断拉力和需用拉力见面表2。
表2 常用镀锌铁线的破断拉力和许用拉力
(2)盘条
1)盘条的质量应符合国家标准GB/T701《低碳钢热轧圆盘条》的要求。
2)常用盘条公称直径为:5.5mm、6.0mm、6.5mm。
3)盘条的破断拉力应以产品标签上的数据为准,许用拉力取其破断拉力的1/2。
常用盘条的破断拉力和许用拉力表间表3。
表3 常用盘条的破断拉力和许用拉力
(3)钢丝绳
1)钢丝绳和钢丝绳夹的质量应分别符合国家标准GB/T20118《一般用途钢丝绳》和GB/T5976《钢丝绳夹》的要求。
2)实际使用时,钢丝绳的破断拉力应以产品标签上的数据为准,许用拉力去其破断拉力的1/2。
3)钢丝绳的型号规格较多,为便于现场掌握和操作,本规则以上述标准中公称抗拉强度1670N/mm2的6×19(b)(1+6+12)型钢丝绳为例,列出常用钢丝绳直径及其相应的最小破断拉力和许用拉力,具体见表4。
钢丝绳的最小破断拉力和许用拉力
表4 公称抗拉强度1670N/mm2规格6×19
(b)
(4)铁路货物常用摩擦系数表
表5 铁路货物常用摩擦系数表
后附:课程设计参考格式:封面、任务书、说明书
铁路货物运输装载加固方案设计
姓名:
学号:
专业:
年级:
学院:交通运输与物流学院
指导教师:
2014 年6 月
铁路货物运输装载加固方案设计任务书
铁路货物运输装载加固方案设计说明书。