消防标志符号及试题
- 格式:doc
- 大小:61.50 KB
- 文档页数:25
初级消控证试题及答案一、单项选择题(每题1分,共10分)1. 以下哪个选项是火灾发生时的首要任务?A. 立即报警B. 尝试自行扑灭C. 疏散人员D. 保护财产答案:C2. 灭火器的压力表指针指向红色区域表示什么?A. 正常B. 压力过高C. 压力过低D. 压力适中答案:C3. 以下哪个是火警电话?A. 110B. 120C. 119D. 122答案:C4. 疏散指示标志通常是什么颜色?A. 红色B. 绿色C. 蓝色D. 黄色答案:B5. 火灾逃生时,以下哪个行为是错误的?A. 用湿毛巾捂住口鼻B. 快速通过安全出口C. 乘坐电梯D. 寻找安全出口标志答案:C6. 以下哪个选项不是火灾预防措施?A. 定期检查电器线路B. 定期清理易燃物品C. 随意丢弃烟头D. 配备消防器材答案:C7. 以下哪个是正确的火灾报警方法?A. 直接拨打119B. 通过消防控制室报警C. 通过手机短信报警D. 通过邮件报警答案:A8. 以下哪个是火灾逃生时的正确做法?A. 快速奔跑B. 尝试打开窗户求救C. 躲进衣柜D. 用湿毛巾捂住口鼻答案:D9. 以下哪个不是火灾逃生时的注意事项?A. 保持冷静B. 避免使用电梯C. 携带贵重物品D. 寻找安全出口答案:C10. 以下哪个是火灾现场的安全标志?A. 禁止吸烟B. 禁止停车C. 禁止烟火D. 禁止通行答案:C二、多项选择题(每题2分,共10分)1. 以下哪些是火灾逃生时的正确行为?A. 保持冷静B. 快速奔跑C. 寻找安全出口D. 躲进衣柜答案:A, C2. 以下哪些是火灾预防的措施?A. 定期检查电器线路B. 随意丢弃烟头C. 定期清理易燃物品D. 配备消防器材答案:A, C, D3. 以下哪些是火警电话的正确拨打方式?A. 直接拨打119B. 通过消防控制室报警C. 通过手机短信报警D. 通过邮件报警答案:A, B4. 以下哪些是火灾现场的安全标志?A. 禁止吸烟B. 禁止停车C. 禁止烟火D. 禁止通行答案:A, C5. 以下哪些是灭火器的压力表指针指向红色区域时的应对措施?A. 立即使用灭火器B. 停止使用灭火器C. 检查灭火器D. 等待压力恢复正常答案:B, C三、判断题(每题1分,共10分)1. 火灾发生时,应立即报警。
消防标志符号及试题消防安全标志(请选择出正确的标志)下列各题正确答案均为AA、紧急出口标志B、向下疏散标志C、向上疏散标志D、禁止通行标志A、击碎板面标志B、匝开通道标志C、小心触摸标志D、手动报警标志A、拉开标志B、通道标志C、安全标志D、疏散标志A、推开标志B、拉开标志C、安全标志D、疏散标志A、禁止吸烟标志B、禁止烟火标志C、禁止放火标志D、禁止带火进入标志A、禁止用水灭火标志B、禁止倒放燃烧物标志C、禁止烟火标志D、禁止放火标志A、禁止锁闭标志B、禁止上锁标志C、可以上锁标志D、严禁上锁标志A、禁止阻塞标志B、爆炸物品标志C、禁止通行标志D、高压危险标志A、禁止带火种标志B、禁止带火柴标志C、禁止带烟火标志D、禁止带燃烧物标志A、禁止燃放鞭炮标志B、禁止挂放鞭炮标志C、禁止鞭炮区域标志D、禁止烟花爆竹标志A、禁止易燃物标志B、禁止存放汽油标志C、禁止爆炸品标志D、禁止易燃物品标志A、禁止烟火标志B、禁止燃烧标志C、禁止火种标志D、禁止吸烟标志A、疏散通道方向标志B、向左疏散方向标志C、向前奔跑方向标志D、绿色通道方向标志A、灭火设备或者报警装置方向标志B、疏散通道或者报警设置方向标志C、禁止通行或者可以通行标志D、通往灭火设备警装置方向标志A、发生报警器标志B、广播报警器标志C、手动报警器标志D、火灾报警器标志A、灭火设备标志B、消火栓箱标志C、启动灭火标志D、禁止使用标志A、灭火器标志B、消防栓标志C、干粉灭火器标志D、灭火装备标志A、消防水带标志B、消防设备标志C、消防气垫标志D、消防报警标志A、地下消火栓标志B、地上消火栓标志C、水泵结合器标志D、室内消火栓标志A、地上消火栓标志B、室内消火栓标志C、水泵结合器标志D、普通消火栓标志A、火警电话标志B、报警装置标志C、报警设备标志D、电话报警标志A、手动启动器标志B、禁止播放光碟标志C、手动报警器标志D、室内消火栓箱标志A、消防水泵结合器标志B、消防地上消火栓标志C、消防灭火器装置标志D、消防灭火附件标志A、滑动门标志B、左右通道标志C、左右出口标志D、安全出口标志A、当心火灾:爆炸性物质标志B、当心火灾:毒害性物质标志C、当心火灾:爆炸性装置标志D、当心火灾:化学爆炸性标志A、当心火灾:氧化物标志B、当心火灾:液化气体标志C、当心火灾:毒害物质标志D、当心火灾:化学爆炸性标志A、当心火灾:易燃物质标志B、当心火灾:可燃物质标志C、当心火灾:爆炸物质标志D、当心火灾:有毒物质标志。
消防识图考试题及答案解析一、选择题(每题2分,共10题)1. 消防设施中,用于控制火灾蔓延的设备是:A. 消防水泵B. 喷淋系统C. 火灾报警器D. 灭火器答案:B解析:喷淋系统是消防设施中用于控制火灾蔓延的重要设备,通过自动或手动启动,能够迅速喷水灭火。
2. 以下哪个不是消防通道的必备条件?A. 宽度足够B. 无障碍物C. 有照明设施D. 可以上锁答案:D解析:消防通道必须保持畅通无阻,以便于紧急情况下的快速疏散和消防车辆的通行,因此不能上锁。
3. 消防栓的安装位置应距离建筑物多远?A. 5米以内B. 10米以内C. 15米以内D. 20米以内答案:B解析:根据消防规定,消防栓的安装位置应距离建筑物10米以内,以确保在火灾发生时能够迅速接通水源。
4. 以下哪种材料不适合用于消防设施的建设?A. 耐火材料B. 防火材料C. 易燃材料D. 耐高温材料答案:C解析:易燃材料在火灾中会加剧火势,因此不适合用于消防设施的建设。
5. 消防车通道的最小宽度应为多少?A. 3米B. 4米C. 5米D. 6米答案:C解析:消防车通道的最小宽度应为5米,以确保大型消防车辆能够顺利通过。
二、判断题(每题1分,共5题)1. 消防设施的维护和检查应至少每年进行一次。
(对)解析:消防设施的维护和检查是保障其正常运作的重要环节,应至少每年进行一次全面检查。
2. 在火灾发生时,可以随意使用电梯进行疏散。
(错)解析:火灾发生时,电梯可能会因为断电或高温而停止运作,因此不能随意使用电梯进行疏散。
3. 消防水泵房应设置在建筑物的地下室。
(对)解析:消防水泵房需要靠近水源,且不受火灾直接影响,因此通常设置在建筑物的地下室。
4. 消防通道可以作为日常车辆通行的道路使用。
(错)解析:消防通道是专门用于紧急情况下的疏散和消防车辆通行的通道,不能作为日常车辆通行的道路使用。
5. 建筑物内的消防设施可以随意改动或拆除。
(错)解析:建筑物内的消防设施是保障人员安全的重要设施,不能随意改动或拆除,必须遵守相关法规和标准。
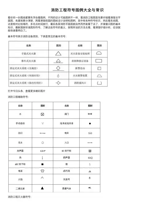
消防⼯程符号图例⼤全与常识看任何⼀份图纸都要先学会看图例,不同的设计可能图例不⼀样,看消防⼯程图⾸先要仔细看清楚总平⾯图,各建筑要分清楚,再看清楚前⾯的图纸设计说明和图例,其中有各种符号标⽰,然后看系统图,这是相对⽐较难的,多花点时间就⾏,最后各层消防平⾯图就⾃然⽽然能看下去了,并掌握识图的基本知识,最新国家标准图形符号,了解这些符号的意义,按照所说的⽅法去看,看清楚仔细分析,应该就能快速看明⽩了。
基本符号表⽰消防设备类别,下表是常见的基本符号:打开今⽇头条,查看更多精彩图⽚消防⼯程辅助符号:消防⼯程灭⽕器符号:消防⼯程固定灭⽕器系统符号:消防⼯程灭⽕设备安装处符号:消防⼯程⾃动报警设备符号:消防管道及配件符号:⽕灾报警系统图例:建筑消防⼯程的基本知识:建筑消防系统根据使⽤灭⽕剂的种类和灭⽕⽅式可分为下列三种灭⽕系统。
1.消⽕栓给⽔系统;2.⾃动喷⽔灭⽕系统;3.其他使⽤⾮⽔灭⽕剂的固定灭⽕系统,如⼆氧化碳灭⽕系统、⼲粉灭⽕系统、卤代烷灭⽕系统等。
室内消⽕栓系统的组成及常⽤给⽔系统:建筑消⽕栓给⽔系统是把室外给⽔系统提供的⽔量,经过加压(外⽹压⼒不满⾜需要时),输送到⽤于扑灭建筑物内的⽕灾⽽设置的固定灭⽕设备,是建筑物中最基本的灭⽕设施。
1.消⽕栓给⽔系统的组成:2.消⽕栓给⽔系统的给⽔⽅式:室内消⽕栓给⽔系统有下列⼏种给⽔⽅式:(1)由室外给⽔管⽹直接供⽔的消防给⽔⽅式:(2)设⽔箱的消⽕栓给⽔⽅式:(3)设⽔泵、⽔箱的消⽕栓给⽔⽅式:(4)⾼层建筑消⽕栓系统:消防给⽔系统有分区、不分区⼆种给⽔⽅式。
不分区消防给⽔系统:当建筑⾼度不超过50m 时,或者消⽕栓消防给⽔系统最低点消⽕栓栓⼝处的压⼒不超过800kPa时,可采⽤不分区给⽔⽅式,适⽤于⼩区统⼀消防给⽔系统。
分区消防给⽔系统:当消⽕栓给⽔系统中消⽕栓栓⼝处压⼒超过800kPa或建筑⾼度超过50m,消防车已难以协助灭⽕,应采⽤分区的室内消⽕栓给⽔系统。
消防安全标志知识及图解消防安全标志是由安全色、边框和以图像为主要特征的图形符号成文字构成的标志,用于表达与消防有关的安全信息。
根据国家标准《消防安全标志设置要求》,下列场所或部位应设置相应的消防安全标志:一、商场(店)、影剧院、娱乐厅、体育馆、医院、饭店、旅馆、网吧、高层公寓和候车(船、机)室大厅等人员密集的公共场所的紧急出口处、疏散通道外、层间异位的楼梯间、避难层的楼梯间、大型公共建筑常用的光电感应自动门或360度旋转门旁设置一般平开疏散门,必须相应地设置“紧急出口”标志。
在远离紧急出口的地方,应将“紧急出口”标志与“疏散通道方向”标志联合设置,箭头必须指向通往紧急出口的方向。
二、紧急出口或疏散通道中的单向门必须在门上设置“推开”标志,在其反面应设置“拉开”标志。
三、紧急出口或疏散通道中的门上应设置“禁止锁闭”标志。
四、滑动门上应设置“滑动开门”标志。
标志中的箭头方向必须与门的开启方向一致。
五、需要击碎玻璃板才能拿到钥匙打开工具门的地方或疏散中需要打开板面才能制造一个出口的地方必须设置“击碎板面”的标志。
六、各类建筑中的隐蔽式消防设备存放地点应相应地设置“灭火设备”、“灭火器”和“消防水带”等标志。
室外消防梯和自行保管的消防梯存放点应设置“消防梯”标志。
远离消防设备存放地点的地方应将灭火设备标志与方向辅助标志联合设置。
七、手动火灾报警按钮和固定灭火系统的手动启动器等装置附近必须设置“消防手动启动器”标志。
在远离该装置的地方,应与方向辅助标志联合设置。
八、设有灭火报警器或火灾事故广播喇叭的地方应相应地设置“发声警报器”标志。
九、设有火灾报警电话的地方应设置“火警电话”标志。
对于设有公用电话的地方(如电话亭),也可设置“火警电话”标志。
十、设有地下消火栓、消防水泵接合器和不易被看到的地上消火栓等消防器具的地方,应设置“地下消火栓”、“地上消火栓”和“消防水泵接合器”等标志。
十一、在下列区域应相应地设置“禁止烟火”、“禁止吸烟”、“禁止放易燃物”、“禁止带火种”、“禁止燃放鞭炮”、“当心火灾——易燃物”、“当心火灾——氧化物”和“当心爆炸——爆炸性物质”等标志:1、具有甲、乙、丙类火灾危险的生产厂区、厂房等的入口处或防火区内;2、具有甲、乙、丙类火灾危险的仓库的入口处或防火区内;3、具有甲、乙、丙类液体储罐、堆场等的防火区内;4、可燃、助燃气体储罐或罐区与建筑、建筑物堆场的防火区内;5、民用建筑中燃油、燃气锅炉房、油浸变压器室,存放、使用易燃易爆化学物品的商店、作坊、储藏间内及其附近;6、甲、乙、丙类液体及其他化学危险物品的运输工具上;7、森林和矿山等防火区内。
消防标志图片的识别当心火灾—易燃物质当心火灾—氧化物当心爆炸—爆炸性物质包装标志 1 爆炸品标志 (符号:黑色;底色:橙红色)包装标志 2 爆炸品标志 (符号:黑色;底色:橙红色)包装标志 3 爆炸品标志 (符号:黑色;底色:橙红色)包装标志 4 易燃气体标志 (符号:黑色或白色;底色:正红色)包装标志 5 不燃气体标志 (符号:黑色或白色;底色:绿色)包装标志 6 有毒气体标志 (符号:黑色;底色:白色)包装标志 7 易燃液体标志 (符号:黑色或白色;底色:正红色)包装标志 8 易燃固体标志 (符号:黑色;底色:白色红条)包装标志 9 自然物品标志 (符号:黑色;底色:上白下红)包装标志 10 遇湿易燃物品标志 (符号:黑色或白色;底色:蓝色)包装标志 11 氧化剂标志 (符号:黑色;底色:柠檬黄色)包装标志 12 有机过氧化物标志 (符号:黑色;底色:柠檬色)包装标志 13 剧毒品标志 (符号:黑色;底色:白色)包装标志 14 有毒品标志 (符号:黑色;底色:白色)包装标志 15 有害品标志 (符号:黑色;底色:白色)包装标志 16 感染性物品标志 (符号:黑色;底色:白色)包装标志 17 一级放射性物品标志 (符号:黑色;底色:白色,附一条红竖线)包装标志 18 二级放射性物品标志 (符号:黑色;底色:上黄下白,附二条红竖线)包装标志 19 三级放射性物品标志符号:黑色;底色:上黄下白,附三条红竖线)包装标志 20 腐蚀品标志 (符号:上黑下白;底色:上白下黑)包装标志 21 杂类标志 (符号:黑色;底色:白色)禁止阻塞禁止锁闭禁止用水灭火禁止吸烟禁止烟火禁止放易燃物禁止带火种禁止燃放鞭炮。
消防知识试题及答案一、选择题1. 下列哪种物质属于易燃物质?(A)A. 汽油B. 酒精C. 水D. 土答案:A2. 下列哪种灭火器适用于电器火灾?(B)A. 水型灭火器B. 干粉型灭火器C. 二氧化碳型灭火器D. 泡沫型灭火器答案:B3. 下列哪种火灾不能用水灭火?(D)A. 木材火灾B. 纸张火灾C. 棉花火灾D. 电器火灾答案:D4. 下列哪种情况下不能使用灭火器灭火?(C)A. 火势较小B. 火势较大但无法扑灭C. 火势较大且可以扑灭D. 无法判断答案:C5. 下列哪种疏散指示标志表示安全出口?(A)A. 绿色B. 红色C. 黄色D. 蓝色答案:A6. 下列哪种灭火器材是消防队常用的?(D)A. 手提式灭火器B. 推车式灭火器C. 空气泡沫灭火器 D. 水枪答案:D7. 下列哪种消防设施是用来防止火灾蔓延的?(B)A. 消防泵B. 防火门C. 消防水带D. 消防栓答案:B8. 下列哪种场所容易发生火灾?(A)A. 厨房B. 卧室C. 客厅D. 卫生间答案:A9. 下列哪种行为容易引起电器火灾?(B)A. 使用合格的电器产品B. 超负荷使用电器C.定期检查电器 D. 私拉乱接电线答案:B10. 下列哪种疏散通道是安全的?(A)A. 安全出口B. 疏散通道C. 电梯D. 楼梯答案:A二、判断题1. 灭火器应该放置在容易取到的位置,以便在火灾发生时能够迅速使用。
(正确)2. 所有人员都应该参加消防培训,学习消防知识和灭火技能。
(错误)3. 在火灾发生时,应该立即拨打119报警电话,并采取措施进行灭火。
(正确)4. 疏散通道应该保持畅通,不得堆放杂物或设置障碍物。
(正确)5. 电器火灾时,应该先切断电源,再进行灭火。
(正确)6. 任何单位和个人都有维护消防安全、保护消防设施、预防火灾、报告火警的义务。
(正确)7. 火灾时,烟雾会向上升,因此应该尽量低头呼吸,并用湿毛巾捂住口鼻。
(正确)8. 所有建筑物都应该设置消防栓,以便在火灾时能够及时供水灭火。
消防安全标志解读消防安全标志是指在公共场所、工厂等地方为了提示人们应对火灾事件而设置的标志。
这些标志通常与消防设施和火灾安全配套使用,并通过其简洁而明确的图像和文字,有效地引导人们应对火灾。
下面,就消防安全标志的种类、意义和应用场合等方面的问题做一些解读。
一、消防安全标志种类1、禁止性消防标志:禁止性消防标志主要是为了禁止人们进行一些容易导致火灾的活动或是限制人们要遵守的安全规定。
禁止性消防标志通常采用圆形,中间是黑色的禁止标志和红色的背景。
2、警告性消防标志:警告性消防标志是指与危险相关的标志,其目的主要是为了预先警告人们火灾危险的存在,这类标志常常呈等边三角形,中间是黑色火焰图案,外围是红色背景。
3、指示性消防标志:指示性消防标志是指一些表示出口、安全通道、灭火设备等位置的标志,通常以矩形为主,中间写有文字或者用图案表示出位置,背景色往往是白色或蓝色。
4、指挥性消防标志:指挥性消防标志则是为了方便消防队伍在扑灭火灾时进行协调、指挥等工作而设置的标志,这类标志通常呈类似于指南针的形状,在中间用字母、符号等表示方向。
二、消防安全标志的意义1、提醒火灾安全消防安全标志为人们提供了一种方便的方式来提醒自己及身边的人需要注意火灾安全。
人们只要看到这些标志,就能立即意识到身处的场所存在着火灾危险,从而采取相应的措施来降低事故发生的概率。
2、引导逃生火灾时,人们往往处于一种混乱和恐慌状态中,迷失方向,难以找到安全路线。
而消防安全标志能够为人们提供有效的逃生信息和路线,指引人们成功地逃离危险区域。
3、保障消防人员安全消防安全标志也为消防队伍提供了重要的信息,能够帮助他们准确地找到灭火器材、着火处等,从而更加迅速有效地控制火灾。
这不仅是对人员生命安全的保障,也是保卫公共财产的重要措施。
三、消防安全标志的应用场合消防安全标志在生活、工作、学习等方面都有很广泛的应用。
在公共场所,如影院、学校、医院、地铁等,人们可以看到很多消防标志,这些标志告诫人们要注意火灾安全,提高自我防火意识。
消防安全标志GB 13495—92国家技术监督局1992—06—12批准1993—03—01实施本标准参照采用国际标准ISO 6309—1987《消防——安全标志》。
1 主题内容与适用范围1.1 本标准规定了与消防有关的安全标志及其标志牌的制作、设置位置。
1.2 本标准的应用领域要尽可能广泛地扩大到需要或者应该的一切场所,以向公众表明下列内容的位置和性质:a.火灾报警和手动控制装置;b.火灾时疏散途径;c.灭火设备;d.具有火灾、爆炸危险的地方或物质。
本标准不适用于GB 4327—84《消防设施图形符号》所覆盖的设计图或地图上用的图形符号。
2 引用标准GB 2893 安全色3 消防安全标志消防安全标志由安全色、边框、以图象为主要特征的图形符号或文字构成的标志,用以表达与消防有关的安全信息。
消防安全标志的颜色应符合GB 2893中的有关规定。
消防安全标志按照主题内容与适用范围的分类,以表格的形式列出。
3.1 火灾报警和手动控制装置的标志编号标志名称说明3.1.1消防手动启动器MANUAL ACTIV ATINGDEVICE 指示火灾报警系统或固定灭火系统等的手动启动器ISO 6309No.1发声警报器FIRE ALARM 可单独用来指示发声警报器,也可与3.1.1条标志一起使用,指示该手动启动装置是启动发声警报器的ISO 6309No.23.1.3火警电话FIRE TELEPHONE 指示在发生火灾时,可用来报警的电话及电话号码GB 2894—88No.4—83.2 火灾时疏散途径的标志编号标志名称说明紧急出口EXIT 指示在发生火灾等紧急情况下,可使用的一切出口。
在远离紧急出口的地方,应与3.5.1标志联用,以指示到达出口的方向GB 10001—88No.4滑动开门SLIDE 指示装有滑动门的紧急出口。
箭头指示该门的开启方向ISO 6309No.63.2.3推开PUSH 本标志置于门上,指示门的开启方向ISO 6309No.7拉开PULL 本标志置于门上,指示门的开启方向ISO 6309No.83.2.5击碎板面BREAK TO OBTAIN ACCESS 指示:a.必须击碎玻璃板才能拿到钥匙或拿到开门工具。
消防安全标志GB 13495—92国家技术监督局1992—06—12批准1993—03—01实施本标准参照采用国际标准ISO 6309—1987《消防——安全标志》。
1 主题内容与适用范围1.1 本标准规定了与消防有关的安全标志及其标志牌的制作、设置位置。
1.2 本标准的应用领域要尽可能广泛地扩大到需要或者应该的一切场所,以向公众表明下列内容的位置和性质:a.火灾报警和手动控制装置;b.火灾时疏散途径;c.灭火设备;d.具有火灾、爆炸危险的地方或物质。
本标准不适用于GB 4327—84《消防设施图形符号》所覆盖的设计图或地图上用的图形符号。
2 引用标准GB 2893 安全色3 消防安全标志消防安全标志由安全色、边框、以图象为主要特征的图形符号或文字构成的标志,用以表达与消防有关的安全信息。
消防安全标志的颜色应符合GB 2893中的有关规定。
消防安全标志按照主题内容与适用范围的分类,以表格的形式列出。
3.1 火灾报警和手动控制装置的标志3.2 火灾时疏散途径的标志3.3灭火设备的标志3.4 具有火灾、爆炸危险的地方或物质的标志3.53.5.3 方向辅助标志应该与3.1—3.4中的有关标志联用,指示被联用标志所表示意义的方向。
表5只列出左向和左下向的方向辅助标志。
根据实际需要,还可以制作指示其他方向的方向辅助标志(见图1、图3c)。
3.5.4 在标志远离指示物时,必须联用方向辅助标志。
如果标志与其指示物很近,人们一眼即可看到标志的指示物,方向辅助标志可以省略。
3.5.5 方向辅助标志与3.1—3.4中的图形标志联用时,如系指示左向(包括左下、左上)和下向,则放在图形标志的左方;如系指示右向(包括右下、右上)。
则放在图形标志的右方(见图1、图3c)。
3.5.6 方向辅助标志的颜色应与联用的图形标志的颜色统一(见图1、图2c)。
图1 方向辅助标志使用举例3.6 文字辅助标志3.6.1 将3.1~3.4中图形标志的名称用黑体字写出来加上适当的背底色即构成文字辅助标志。
消防测试题目及答案一、单项选择题1. 消防车在执行紧急任务时,以下哪种行为是不正确的?A. 鸣笛示警B. 逆向行驶C. 闯红灯D. 超速行驶答案:B. 逆向行驶2. 灭火器上标注的ABC代表的含义是什么?A. 可以扑灭A类、B类、C类火灾B. 灭火器的生产厂家C. 灭火器的型号D. 灭火器的颜色代码答案:A. 可以扑灭A类、B类、C类火灾3. 以下哪种物质不属于易燃易爆物品?A. 汽油B. 酒精C. 面粉粉尘D. 普通泥土答案:D. 普通泥土4. 火灾发生时,以下哪种逃生方式是错误的?A. 沿疏散指示标志方向逃生B. 使用电梯快速下楼C. 低姿态逃生,避免吸入有毒烟雾D. 关闭门窗以阻隔火势答案:B. 使用电梯快速下楼5. 室内消火栓的一般安装高度是多少?A. 1.0米B. 1.5米C. 2.0米D. 2.5米答案:C. 2.0米二、多项选择题1. 以下哪些属于消防安全的基本要素?A. 完善的消防设施B. 定期的消防演习C. 严格的门禁系统D. 充足的消防水源答案:A. 完善的消防设施 & B. 定期的消防演习 & D. 充足的消防水源2. 发现火灾初期,应该采取哪些措施?A. 立即报警B. 使用灭火器尝试扑灭初期火灾C. 立即打开所有门窗通风D. 组织人员疏散答案:A. 立即报警 & B. 使用灭火器尝试扑灭初期火灾 & D. 组织人员疏散三、判断题1. 消防通道的宽度不得小于3.5米。
(正确)2. 使用灭火器时,应该将喷嘴对准火源的根部。
(正确)3. 火灾发生时,应该优先抢救财物,而不是立即逃生。
(错误)4. 公共场所应配备应急照明和疏散指示标志。
(正确)5. 消防车通道上可以临时停放私家车辆。
(错误)四、简答题1. 请简述火灾的分类及对应的灭火剂类型。
答:火灾根据可燃物质的不同,可分为A、B、C、D四类。
A类火灾是指固体物质火灾,如木材、纸张等,一般使用水或泡沫灭火剂;B类火灾是指液体或可熔化固体物质火灾,如汽油、石蜡等,通常使用泡沫、干粉或二氧化碳灭火剂;C类火灾是指气体火灾,如天然气、液化石油气等,一般使用干粉或二氧化碳灭火剂;D类火灾是指金属火灾,如钠、钾等金属燃烧,需要使用专用的金属灭火剂。
消防安全标志牌汇总消防安全标志牌是指用于提醒人们在特定环境下遵守消防安全规定,以及提示灭火设备和逃生设备位置的标识牌。
它们是维护消防安全的必备措施。
以下是不同类型的消防安全标志牌的介绍:安全出口标志牌安全出口标志牌用于标识建筑物内的紧急出口,以便人们在火灾等紧急情况下疏散。
这些标志牌应该易于识别,并且在电力供应中断时仍然能够被看到。
标志牌的设计应该符合相关的标准,标志牌本身应确保坚固,以确保它们不会在高温或高湿度环境下脱落。
灭火器标志牌灭火器标志牌是用来指示灭火器的位置,以便人们在火灾发生时立即找到并使用灭火器扑灭火源。
它们可以放置于各个消火栓上,也可以作为单独的标志牌。
标志牌上通常标有灭火器的类型,例如,干粉灭火器和二氧化碳灭火器等。
此外,标志牌还应突出灭火器的位置,使人们在火灾发生时更容易找到。
报警按钮标志牌报警按钮标志牌用于指示手动火灾报警按钮的位置。
它们应该容易识别,并且应该放置在离按钮近的地方。
此外,标志牌应与报警按钮颜色一致,以便人们在火灾发生时更容易找到按钮。
防火卷帘门标志牌防火卷帘门标志牌用于标识防火卷帘门的位置,以便人们在火灾发生时用于封锁通道,阻止火势蔓延。
标志牌应易于识别,并且应放置在防火卷帘门的近处。
疏散标志牌疏散标志牌用于标识建筑物内的疏散路线和安全出口。
在火灾等紧急情况下,这些标志牌有助于引导人们迅速、安全地疏散。
标志牌应具有易于识别的符号和文字,以便人们可以快速理解疏散路线和方向。
消防水箱标志牌消防水箱标志牌放置在消防水栓箱旁,用来标识水栓的位置和操作方法。
它们应该易于识别,并且应该在空中与地面两个方向上安装,以便人们可以从不同角度找到它们。
防火应急通道标志牌防火应急通道标志牌用于指示相应的应急通道。
这些通道常常用于平时不使用的区域,一旦火灾发生,它们可以用于人员和物品的安全疏散。
标志牌应易于识别,并应与通道标准相匹配。
灭火器使用标志牌灭火器使用标志牌应该放置在使用灭火器的现场。
消防安全知识竟答试题消防安全知识竟答试题一、选择题1.下列属于建筑物的消防设施的是:A.灭火器B.灭火器、消防水泵、消防阀门C.灭火器、消防水泵、喷淋系统、独立消防水源、防火门D.消防水泵、独立消防水源、防火门2.下列文字、符号、图形中不属于禁止性警示标志的是:A.警告标志B.指令标志C.提示标志D.安全标志3.下列属于疏散选择性的是:A.火灾报警B.组织人员疏散C.封闭火灾现场迅速扑救,阻止火势扩大D.紧急电话拨打4.火灾燃烧有哪几个要素?A.可燃物B.氧气C.火源D.全部5.注意电线电缆使用中下列哪个是错误的?A.电缆局部受损,可用胶布包扎修补B.电线电缆的人员使用中不得擅自损坏C.检查发现电线电缆存在隐患,及时报修D.发现电线电缆受潮不得使用6.“防火是人民的事业,防火靠大家;消防安全重要,万众参与”这一原则是对消防安全的要求,是:A.消防法必备B.消防制度必备C.社会公德必备D.节约资源必备7.下列不属于消防活动的是?A.发动群众参与抢险救灾行动B.疏散群众C.烟花爆竹燃放D.火灾自救8.使用灭火器的正确步骤是:A.取、开、对、冲B.开、对、撒C.对、救D.撒、救9.以下不属于公司营业场所的消防安全制度要求的是:A.入场安全检查B.开展定期演练C.组织购置必要的消防设施D.经常进行消防安全宣传10.火场逃生时黑烟严重,如无安全出口应采取以下哪项措施?A.躲在床底下B.躲在衣柜里面C.闻不到火的方向,认准方向快速撤离 D.向外幢楼挤11.居民区、学校、浴池、公园等人员密集公共场所,一般单元内里预埋防火软管的长度应不少于:A.30mB.25mC.20mD.15m12.按消防法,以下有火灾隐患不发生火灾保安署责任的案件的是?A.货主通过配件抽油泵抽油至仓库堆放B.国家有关部门对某家工厂予以取缔C.工地临时用电线路明火操作D.一般培训机构有限责任公司临时租用二楼进行有人值班13.燃气燃烧时,有以下几个安全特点:A.易燃、可燃、可爆炸B.可凝结露结、丢失C.有味道且有毒D.可用水灭火14.火警是对火灾和灾害事故随时进行报警及紧急措施的依据和权利,但是下列关于火警的说法有问题的是?A.火警是被动辨识性警示标志B.具有预设的安全意识C.是为保护生命安全和财产而责成权利人扑灭的自愿活动D.属于的火警是有充足的燃料、氧气,可见光和温度达到燃烧的条件15.煤气具火焰是蓝的、尖的,充分燃烧时火焰是A.棕红色B.蓝色青色C.红色D.白色16.消防安全通道是建筑物为逃生和灭火保护而设立的专用通道,以下对消防通道使用和管理规定的理解不准确的是:A、不能存放杂物B、门要不锁,门廊要清晰标注,不能占用,人员不要穿带红标际的禁止标志的区域C、门穿少的人员可以放在里面D、通道边延长,堆积材料如书本等应按500mm,站台堆物高度不得高出300mm的范围17.燃烧是燃料与氧气化学反应,下列关于三种可能出现的灭火方法,不明确的是A.抑制燃烧B.切断供应C.抢救物品D.降低燃烧18.下列属于火灾发生的原因的是A.高温、区域缺陷、信号或器械拆除等原因B.空气混入C.供点电压过小的问题D.车体振动引起的火花19.下列不属于建筑物相关的消防设施的是A.矿井瓦斯、瓦楞纸B、电气消防系统C、消防控制装置的设置D.石油化工单位的油气氧站20.建筑物室外窗子的设计是否合格,主要看下列几个方面A、面积B、通风C、密封D.安全退出21.何谓“消防人”A.是受过教育的人员B.是扑救火灾的人员的总称C.是职业消防队员 D.是受过基础教育的人员22.下列关于消防器材设施使用中错误的是:A.灭火器材的抽查不合格要电话通知使用单位的负责人并记录B.灭火器使用后,在使用单位用看不到或者接触不到的地方,一般不能放在易发生火灾和易燃易爆、易腐蚀、酸度和高温的地方C.灭火器材由管理人员自行维检,抽查不合格要电话通知使用单位的负责人并记录D.灭火器材的数量调查及查验要每年进行至少两次23.1.消防安全通道用岀预防火灾A.防止火灾蔓延B.人员的疏散使用C.防止杂物、垃圾、存储设置阻碍疏散D.增加人员密集地通行获救的途径24.关于电路失火的原因,以下表述不正确的是A.短路B.过负荷C.灯管、电线等失去绝缘线路D.电缆外皮、绝缘安防破裂25.金属丝网是预防电气火灾的重要措施之一,下列关于金属丝网的使用指导原则中错误的是A.金属丝网应具有盖住物体表面的使用寿命 B.金属丝网分为实心和空心两种;C.金属丝网禁止放进烤炉里烤烧D.用金属丝网或其他对触电部位保护的措施,可以删除表面应风化刮开,要保持其可见、美观、清洁的样子二、判断题1.风险教育中,应引起乘车的各种注意事项:居民区到浴场的场地运营优化办公等。
消防安全标志(请选择出正确的标志)下列各题正确答案均为A
A、紧急出口标志
B、向下疏散标志
C、向上疏散标志
D、禁止通行标志
A、击碎板面标志
B、匝开通道标志
C、小心触摸标志
D、手动报警标志
A、拉开标志
B、通道标志
C、安全标志
D、疏散标志A、推开标志B、拉开标志C、安全标志D、疏散标志
A、禁止吸烟标志
B、禁止烟火标志
C、禁止放火标志
D、禁止带火进入标志
A、禁止用水灭火标志
B、禁止倒放燃烧物标志
C、禁止烟火标志
D、禁止放火标志
A、禁止锁闭标志
B、禁止上锁标志
C、可以上锁标志
D、严禁上锁标志
A、禁止阻塞标志
B、爆炸物品标志
C、禁止通行标志
D、高压危险标志
A、禁止带火种标志
B、禁止带火柴标志
C、禁止带烟火标志
D、禁止带燃烧物标志
A、禁止燃放鞭炮标志
B、禁止挂放鞭炮标志
C、禁止鞭炮区域标志
D、禁止烟花爆竹标志
A、禁止易燃物标志
B、禁止存放汽油标志
C、禁止爆炸品标志
D、禁止易燃物品标志
A、禁止烟火标志
B、禁止燃烧标志
C、禁止火种标志
D、禁止吸烟标志
A、疏散通道方向标志
B、向左疏散方向标志
C、向前奔跑方向标志
D、绿色通道方向标志
A、灭火设备或者报警装置方向标志
B、疏散通道或者报警设置方向标志
C、禁止通行或者可以通行标志
D、通往灭火设备警装置方向标志
A、发生报警器标志
B、广播报警器标志
C、手动报警器标志
D、火灾报警器标志
A、灭火设备标志
B、消火栓箱标志
C、启动灭火标志
D、禁止使用标志
A、灭火器标志
B、消防栓标志
C、干粉灭火器标志
D、灭火装备标志
A、消防水带标志
B、消防设备标志
C、消防气垫标志
D、消防报警标志
A、地下消火栓标志
B、地上消火栓标志
C、水泵结合器标志
D、室消火栓标志
A、地上消火栓标志
B、室消火栓标志
C、水泵结合器标志
D、普通消火栓标志
A、火警标志
B、报警装置标志
C、报警设备标志
D、报警标志
A、手动启动器标志
B、禁止播放光碟标志
C、手动报警器标志
D、室消火栓箱标志
A、消防水泵结合器标志
B、消防地上消火栓标志
C、消防灭火器装置标志
D、消防灭火附件标志
A、滑动门标志
B、左右通道标志
C、左右出口标志
D、安全出口标志
A、当心火灾:爆炸性物质标志
B、当心火灾:毒害性物质标志
C、当心火灾:爆炸性装置标志
D、当心火灾:化学爆炸性标志
A、当心火灾:氧化物标志
B、当心火灾:液化气体标志
C、当心火灾:毒害物质标志
D、当心火灾:化学爆炸性标志
A、当心火灾:易燃物质标志
B、当心火灾:可燃物质标志
C、当心火灾:爆炸物质标志
D、当心火灾:有毒物质标志。