西安建筑优质结构工程
- 格式:doc
- 大小:331.00 KB
- 文档页数:27
省建筑优质结构认定汇报材料(参考式样)一、工程概况建大洋房1#住宅楼工程位于市莲湖区丰登南路23号,总建筑面积为20207平方米。
框架——剪力墙结构,地下1层,地上18层,建筑总高度为61.50米(主楼)。
本工程抗震设防烈度为8度,主楼剪力墙抗震等级为一级,框架抗震等级为二级,裙楼框架抗震等级为二级,耐火等级为一级,人防等级为六级,使用年限为50年。
本工程地基处理采用机械旋挖钢筋混凝土灌注桩,桩承台基础。
外墙采用外保温,为45后XPS挤塑保温板,屋面保温层为40后XPS挤塑保温板。
楼设有给排水及采暖、建筑电气、智能建筑、通风与空调、电梯等系统,其中智能建筑各项系统齐全,智能建筑应用化水平高。
工程总造价约为4350万元。
工程与2008年12月1日开工,2009年2月20日主体封顶。
工程设计合理、功能齐全、设施先进、节能显著,满足建筑使用功能和设计、验收规要求、各项报建手续齐全、合法、符合要求。
施工许可证由市城乡建设委员会签发,编号:2009年0002号。
施工图纸由安泰工程技术咨询有限责任公司审查,结论为审查通过。
施工过程中为发生重大质量、安全事故,未拖欠农民工工工资。
二、参加本工程建设的责任主体及质量监督单位建设单位:环美置业勘察单位:西北有色金属勘探设计研究院设计单位:建筑科技大学建筑设计研究院监理单位:华建设监理公司施工单位:中天建设集团第设公司质量监督单位:市建设工程质量安全监督站施工图纸审查单位:安泰工程技术咨询有限责任公司人工地基检测单位:省力原工程质量检测站原材料检测单位:易恒建筑工程质量检测有限责任公司混凝土结构原材检测单位:市建设工程质量检测中心沉降观测单位:西北有色金属测绘院三、质量目标与质量控制依据1、工程质量目标:确保“雁塔杯”、争创“长安杯”。
2、质量控制依据:GB50300——2001《建筑工程施工质量验收统一标准》GB/T50375——2006《建筑工程施工质量评价标准》GB/T50430——2007《工程建设施工企业质量管理规》GB/T50326——2006《建设工程项目管理规》JGJ8——2007《建筑变形测量规程》GB50202——2002《建筑地基基础施工质量验收规》GB50203——2002《砌体工程施工质量验收规》GB50204——2002《混凝土结构工程施工质量验收规》GB50208——2002《地下防水工程质量验收规》3、施工前项目编制了创优计划,使各个分部、子分部、分项及检验批工程有了充足的技术准备。
结构工程排名1 同济大学2 清华大学3 浙江大学4 哈尔滨工业大学5 重庆大学6 东南大学7 西安建筑科技大学8 大连理工大学9 北京工业大学10 天津大学11 华南理工大学12 湖南大学13 广西大学14 中南大学15 武汉理工大学16 太原理工大学17 北京交通大学18 上海交通大学19 西南交通大学20 福州大学21 华中科技大学22 郑州大学23 长安大学24 华侨大学25 东北大学26 中国矿业大学27 沈阳建筑大学28 合肥工业大学29 山东科技大学中国各大学土木工程专业简介全国共有188所大学开设土木工程专业,92所大学招收土木工程研究生,70所大学有结构工程硕士以上学位授予权,51所大学有岩土工程硕士以上学位授予权,30所大学有防灾减灾与防护工程硕士以上学位授予权,23所大学有桥梁与隧道工程硕士以上学位授予权。
清华大学有结构工程、防灾减灾与防护工程、材料学博士点,并有土木工程一级学科博士学位授予权,结构工程(联合防灾减灾与防护工程)是国家重点学科。
中国工程院院士2人,教授23人,副教授24人,讲师8人,目前在校本科生300多名,研究生200多名。
同济大学中国科学院院士和中国工程院院士5人、博士生导师55人、硕士生导师105人、正高级职称98人、副高级职称135人。
设有10个硕士点、7个博士点,设有土木工程博士后流动站。
桥梁工程学科为上海市“重中之重”重点学科, 结构工程、岩土工程学科为上海市重点学科;桥梁与隧道工程、结构工程、岩土工程三个二级学科为全国重点学科。
浙江大学岩土工程学科为国家重点学科;结构工程学科为浙江省重点学科;土木工程博士后流动站;土木工程一级学科博士点(涵盖结构工程,岩土工程,市政工程,桥梁与隧道工程,防灾减灾与防护工程,供热、供燃气、通风及空调工程等6个二级学科博士点)哈尔滨工业大学结构工程、防灾减灾工程与防护工程硕士点学科,结构工程、防灾减灾工程与防护工程和岩土工程博士点学科;土木工程患堆Э撇┦亢罅鞫 荆唤峁构こ萄Э粕栌小俺そ д呓崩 苹 碧仄附淌诟谖弧?重庆大学土木工程一级学科博士点及所覆盖的结构工程、岩土工程、防灾减灾与防护工程、桥梁与隧道工程、土木水利施工二级学科博士学位授予点,现有博士导师12人。
申报陕西省建筑优质结构工程管理办法1.总则:为规范陕西省建筑优质结构工程的申报工作,依据陕建联发[2007]第032号文件《关于2008年全省开展建筑优质结构工程认定活动的通知》的要求,特制定本办法。
凡拟创建“长安杯奖”的工程,均应参加建筑优质结构工程认定活动。
未经认定或建筑优质结构工程认定核查得分低于88分的工程不得参加省建设工程“长安杯奖”的评选。
2.职责:技术质量处2.1.1 负责陕西省建筑优质结构工程的申报工作;2.1.2 负责审核创优质结构工程计划和办法、备案表、单位工程质量综合评价、认定申报表和申报资料。
2.1.3 参加建筑优质结构工程认定和实体检查工作。
二级公司/区域公司2.2.1 负责组织并指导所属项目部的陕西省建筑优质结构工程的申报工作;2.2.2 负责审核所属项目部创优质结构工程计划和办法、备案表、单位工程质量综合评价、认定申报表和申报资料;2.2.3 负责组织所属项目部建筑优质结构工程认定和实体检查工作;2.2.4 所属项目部编制创优质结构工程计划和办法;填写备案表、认定申报表;依据《建筑工程施工质量评价标准》GB/T50375-2006对单位工程质量综合评价的进行初评;负责认按时现场资料和实体检查的预备工作。
直属项目部2.3.1 负责《陕西省建筑优质结构工程申报备案表》的填写工作;2.3.2 负责申报工程创优质结构工程计划和办法编制工作;2.3.3 负责申报资料的预备和报送工作;2.3.4 负责单位工程质量综合评价的初评工作;2.3.5 负责认按时现场资料和实体检查的预备工作,并负责组织相关人员参加认定核查。
3.申报时刻:单位工程动工伊始,二级公司/区域公司/股分公司/直属项目部应针对单位工程的质量目标,填写《陕西省建筑优质结构工程申报备案表》,编制创优质结构工程计划和办法,经二级公司/区域公司总工程师/主任工程师审核后报公司技术质量处。
公司审核通事后,报陕西省建筑业联合会工程质量工作部备案。
目录一、工程概况: (2)二、结构优质工程创建意义: (2)三、创建目标: (3)四、创建措施: (3)1。
组织措施:32。
质量体系运行管理:43。
工序控制流程图:64。
结构专项治理落实措施:65。
质量通病的防治:75。
1 模板工程主要质量通病的防治 (7)5。
2 钢筋工程主要质量通病的防治 (8)5。
3 砼工程主要质量通病的防治 (8)5。
4 砌体工程主要质量通病的防治 (9)6。
新技术新工艺推广及应用:10一、工程概况:本工程由咸阳中医学院集资建设,西安现代建筑设计有限责任公司设计,陕西工程监理有限公司监理,浙江欣捷建设有限公司西安分公司施工。
本工程由一个单位工程构成,总建筑面积为:31410.27㎡,地下1层地上26层,剪力墙结构,其中地下室1148。
53㎡,住宅234户。
地下停车库一层,建筑面积3484。
51㎡,属于框架结构。
以上总建筑面积为34894.78㎡。
建筑耐火等级为一级,本工程建筑设计等级为二级,屋面防水等级为Ⅱ级。
工程按丙类建筑进行抗震设防,所在地区地震基本烈度为8度,设计采用的抗震设防烈度为8度,建筑结构安全等级为二级,结构设计使用年限为50年,建筑场地类别为II类。
计划总工期为640日历天,我公司于2011年12月15日开工,拟于2013年9月15日竣工;钢筋工程采用现场制作,现场绑扎。
钢筋接头主要采用电渣压力焊和直螺纹套筒;模板工程采用现场拼装式,主要材料采用60*80mm方木及18mm厚胶板,Φ48钢管支撑体系,立杆支撑全部采用U 型顶托;砼采用商品砼;砌体工程为煤矸石保温环保空心砖。
二、结构优质工程创建意义:“百年大计,质量第一",一个工程一般使用几十年至上百年,它是人们生活或工作集中的地方和场所,而一个工程质量的好坏,结构质量是关键。
它涉及到人民生命财产的安全,所以要狠抓质量,创优质工程。
贯彻部、省、地市对质量要求的各项文件精神。
建设精品工程,树立行业新风尚,使工程质量跃上一个新台阶。
目录一、工程概况 (1)二、编制依据 (2)三、项目组织机构和质量目标计划 (2)四、质量保证体系 (2)五、工程质量控制流程 (3)六、质量奖罚 (3)七、质量控制措施 (4)八、附图 (9)创“优质结构工程”目标计划一、工程概况:西安电子科技大学48#高层住宅楼位于西安电子科技大学家属院内,北临光华路,东、南、西面为小区路,东距原有2层楼19.1米,南侧距22#住宅32.55米,西侧距原有6#住宅24.1米,北侧距建筑红线41.5m。
由西安电子科技大学筹资兴建,机械工业部深圳设计研究院设计,陕西省第十一建筑工程公司承建,陕西建筑工程建设监理有限公司实施监理。
本工程地下一层,地上二十六层,剪力墙结构,建筑总面积27449.76m2,建筑物总高度76.00m(室外地坪至屋面),地下室层高3.40m,地下室夹层层高1.80m,±0.00以上住宅层高均为2.90m,地下一层为自行车库和设备用房兼战时人防隐蔽所等;一层为住宅和物业管理用房及设备用房等,二至二十六层均为住宅,屋面局部为电梯间和水箱间,高出屋面结构6.40m,屋面上设砼梁、柱架构,为绿色种植上人屋面。
本工程设两部单跑剪刀式防烟楼梯,有一部下至地下一层兼做防火电梯,地下室另设一部封闭楼梯,供平时人员出入及战时人员出入,主楼电梯共两部,其中一部为消防电梯。
本工程承重结构体系为剪力墙结构,建筑结构安全等级为二级,按地质勘查报告,场地为二类场地,抗震设防为丙类,抗震设防烈度为八度;抗震等级为二级;建筑设计等级为一级;耐火等级为一级;人防等级为六级;屋面防水等级和地下室防水等级为二级。
本工程分结构、建筑、电气、给水排水、暖通等专业进行设计。
本工程为公司重点工程,需高标准、高起点的完成施工任务,为公司赢得信誉。
二、编制依据:根据公司贯标文件和建筑工程质量验收统一标准GB50300-2002、文明工地检查要求等,根据工程的实际情况进行编制。
三、项目组织机构和质量目标计划:(一)组织机构详见附图一(二)质量目标计划创“优质结构工程”达到清水砼标准,单位工程质量达到陕建集团AAA级(优质工程)标准,创“长安杯”,创“陕西省科技示范应用工程”,工地创“省级文明工地”,严格按照公司ISO9002质量管理模式进行运行。
西安市建筑优质结构工程评选办法第一章总则第一条为了进一步提高我市建设工程主体结构质量、保护人民生命和财产安全,规范西安市建筑优质结构工程(原“西安市建筑结构示范工程”)评选活动,根据中华人民共和国《建筑法》、《建设工程质量管理条例》等有关法律法规,结合我市实际情况,制定本办法。
第二条建筑优质结构工程系指建筑工程的地基与基础工程、主体结构工程完工并完成主体结构验收,通过对施工现场质量保证条件、性能检测、质量记录、尺寸偏差及限值实测、观感质量等检查、评价、评审,符合国家《建筑工程施工质量评价标准》(GB/T50375-2006)优良等级的结构工程.第三条西安市建筑优质结构工程评选,在西安市城乡建设委员会指导下,由西安建筑业协会组织实施。
第四条未被评为“西安市建筑优质结构工程”的项目,不得申报西安市优质工程雁塔杯奖评选。
第五条建筑优质结构工程应严格执行国家现行法律、法规,工程建设的技术规范及国家强制性标准等有关规定。
同时,必须在检测数据、目测感观、水电预埋配管、质量保证资料、质量特色等方面优于合格工程。
第二章申报条件第六条符合以下条件的工程可以申报西安市建筑优质结构工程:1. 申报工程必须遵守国家有关建设法律、法规,符合基本建设程序,手续齐全。
2。
建筑面积8000平方米(县域可放宽至6000平方米)以上的房屋建筑、公共建筑、工业厂房等建筑工程;40000平方米及以上的住宅群体工程;其他具有代表性和纪念意义的建(构)筑物。
3. 人工地基经检测合格,有正式的检测报告。
4。
工程主体结构尚未隐蔽.5。
工程技术资料符合要求。
6。
在施工过程中未发生重大质量安全事故.第三章申报程序第七条建筑优质结构工程可在工程进度达到±0。
000以上,主体封顶前由申报单位随时申报备案,并提供以下资料:1。
《西安市建筑优质结构工程申报备案表》(一式两份).2. 中标通知书(复印件)。
3. 施工许可证(复印件)。
4. 施工图审查合格文件(审查机构必须具有资质)。
复查时间年月日复查人:
单位工程名称:陕西国土资源大厦工程施工单位:陕西建工第六建设集团有限公司
复查时间年月日复查人:
单位工程名称:陕西国土资源大厦工程施工单位:陕西建工第六建设集团有限公司
复查时间年月日复查人:
单位工程名称:陕西国土资源大厦工程施工单位:陕西建工第六建设集团有限公司
备注:1.表一—表三合计得分87分以上(含)时,该工程才能评委陕西省建筑结构示范工程。
2.扣分项目栏的序号钱带﹡号部分即一项否决,该工程不能评为陕西省建筑结构示范工程。
西安市建筑优质结构工程申报须知及要求一、西安市建筑优质结构工程须在工程进度达到±0.000以上,主体封顶前由申报单位随时申报备案,申报表可直接从“西安建筑业协会”网站下载(一式两份),应按申报表内要求规范填写。
二、申报时应提交施工许可证、中标通知书、施工图审查合格文件、法定代表人委托书、施工单位工程质量终身责任承诺书(复印件)。
三、汇报材料一式六份,复查专家组每位专家一份,会议应邀请建设、监理单位相关人员参加,公司质量管理部门负责人及本工程的项目经理必须到会。
四、专家组复查时间在主体验收后,请申报单位根据实际情况及时与协会联系。
联系人:魏向阳联系电话:82210707西安市建筑优质结构工程汇报材料编写提纲一、总的要求工程汇报材料,是申报单位向评委会及复查专家组汇报本工程的一份专业性很强的书面材料,要充分展示申报单位在本工程建筑结构上的创新及先进施工方法和科技成果,要依据本工程结构特点进行阐述,结合工程的难点、亮点、工艺做法进行总结展示,不宜写成流水帐。
对工程各种数据进行对比,重点突出本工程建筑结构特色,以专业、技术性的总结为主。
汇报材料应双面打印,一般控制在5000—6000字左右。
配合图片说明,图文并茂,归纳总结,装订成册。
二、章节划分工程汇报材料一般分如下章节:1、工程概况2、工程质量创优目标和质量控制依据3、工程质量控制管理措施4、工程难点和亮点5、新技术应用及科技创新情况6、工程质量控制资料及检测、验收情况7、工程结构质量综合评价情况8、工程取得的成果及荣誉三、各章内容封面要求:如下XXX工程名称西安市建筑优质结构工程汇报材料(页面中间附工程效果图)XXXX建筑工程有限公司X年X月X日目录1、工程概况.......................................页码2、工程质量创优目标和质量控制依据.................页码3、工程质量控制管理措施...........................页码4、工程难点和亮点.................................页码5、新技术应用及科技创新情况.......................页码6、工程质量控制资料及检测、验收情况...............页码7、工程结构质量综合评价情况.......................页码8、工程取得的成果及荣誉...........................页码XXX工程名称西安市建筑优质结构工程汇报材料一、工程概况1、工程名称、位置,建筑面积、建筑高度、层数、结构类型,结构设计使用年限,结构安全等级、耐火等级及抗震设防烈度。
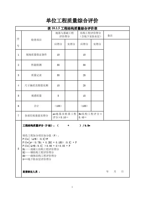
单位工程质量综合评价
建筑工程质量评价
1.地基及桩基工程质量评价
2.结构工程质量评价
注:1当一个工程项目中同时有混凝土结构、钢结构、砌体结构,或只有其中两种时,其权重值按各自在项目中占的工程量比例进行分配,但各项应为整数。
当砌体结构仅为填充墙时,只能占10%的权重值。
其施工现场质量保证条件、质量记录、尺寸偏差及限值实测和观感质量的权重值分配与性能检测比例相同。
2当有地下防水层时,其权重值占结构权重值的5%,其他项目同样按5%来计算。
续表6.2.3结构工程质量记录评分表(二)
续表6.2.3结构工程质量记录评分表(三)
注:1当一个工程项目中同时有混凝土结构、钢结构、砌体结构,或只有其中两种时,其权重值按各自在项目中占的工程量比例进行分配,但各项应为整数。
当砌体结构仅为填充墙时,只能占10%的权重值。
其施工现场质量保证条件、质量记录、尺寸偏差及限值实测和观感质量的权重值分配与性能检测比例相同。
2当有地下防水层时,其权重值占结构权重值的5%,其他项目同样按5%来计算。
注:同表6.1.3说明
续表6.4.3结构工程观感质量评分表(二)
注:1当一个工程项目中同时有混凝土结构、钢结构、砌体结构,或只有其中两种时,其权重值按各自在项目中占的工程量比例进行分配,但各项应为整数。
当砌体结构仅为填充墙时,只能占10%的权重值。
其施工现场质量保证条件、质量记录、尺寸偏差及限值实测和观感质量的权重值分配与性能检测比例相同。
2当有地下防水层时,其权重值占结构权重值的5%,其他项目同样按5%来计算。
优质结构认定汇报材料陕西省优质结构认定汇报材料一、工程概况:九天华山银河湾工程位于华阴市常涧河与杜峪河交叉的东南角,南为贵妃路,西为滨河路,北临杜峪河。
总建筑面积为10149.7平方米。
框架—剪力墙结构,1、2#楼地下1层,地上18层,建筑总高为米(主楼)。
3、5#楼地下1层,地上26层,建筑总高为米(主楼)。
本工程抗震设防烈度为8度,主楼剪力墙抗震等级为一级,框架抗震等级为二级,裙楼框架抗震等级为二级,耐火等级为一级,人防等级为六级,使用年限为50年。
本工程地基处理采用机械旋挖钢筋砼灌注桩,桩承台基础。
外墙采用外保温,为45厚XPS挤塑保温板,屋面保温层为40厚XPS挤塑保温板。
楼内设有给排水及采暖、建筑电气、智能建筑、通风与空调、电梯等系统,其中智能建筑各项系统齐全,智能化应用水平高。
工程总造价约为4350万元。
工程于2012年5月28日开工,2013年月日主体封顶。
工程设计合理、功能齐全、设施先进、节能显著,完全满足建筑使用功能和设计、验收规范要求,各项报建手续齐全、合法、符合要求。
施工许可证由华阴市城乡建设委员会签发,编号:2012年17号。
施工图纸由陕西宏基建筑勘察设计工程有限公司审查,结论为审查通过。
施工过程中未发生重大质量、安全事故,没有瘦身钢筋现象,未拖欠农民工工资。
工程设计合理、功能齐全、设施先进、节能显著,完全满足建筑使用功能和验收规范要求,各项报建手续齐全、合法、符合要求。
本工程由陕西九天置业有限公司建设、机械工业勘察设计研究院勘察、陕西华地联合建筑工程设计有限责任公司设计研究院设计、陕西鸿民项目管理咨询有限公司监理、华阴市建设工程质量安全监督站监督、浙江省东阳市江南建设有限公司西安分公司承建进行主体施工。
本工程开工至今无重大安全事故发生;无拖欠农民工工资情况。
二、质量目标与管理措施:1、工程质量目标:分项工程合格率:100% 单位工程合格率:100%2、质量控制依据:GB50300—2012《建筑工程施工质量验收统一标准》GB,T50375—2006《建筑工程施工质量评价标准》GB,T50430—2007《工程建设施工企业质量管理规范》GB,T50326—2006《建设工程项目管理规范》《陕西省建筑施工工艺标准》JGJ8—2007《建筑变形测量规程》GB50202—2009《建筑地基基础施工质量验收规范》GB50203—2011《砌体工程施工质量验收规范》GB50204—2011《混凝土结构工程施工质量验收规范》GB50208—2011《地下防水工程质量验收规范》3、施工前项目部编制了创优级策划,使各个分部、子分部、分项及检验批工程有了充足的技术准备。
一、申报评选程序及工作(一)省(市)级文明工地:1.登记备案时间为工程±0.00以下;2.备案时应有创建计划;3.建筑面积应在:西安市8000M2以上,宝鸡市、咸阳市6000M2以上,其他市5000M2以上;4.新技术应用达4~6项;5.验收时间为主体施工达到一半时初验,工程收尾前复查(基本以初验为主);6.工程由省站监督的可直创省级文明工地,工程由各地市监督的必须逐级创建和申报;7.文明工地向上申报备案单位为各级质监站;8.文明工地一年评验两次,上半年一次,下半年一次。
(二)西安市建筑结构示范工程:1.各种施工手续齐全;2.建筑面积在5000M2以上;3.工程进度达到±0.00到主体封顶前随时申报;4.不一定是文明工地,其他条件参照省建筑优质结构工程评选条件;5.市结构示范工程每年评定两次,上半年一次,下半年一次;6.市结构示范工程上报部门为西安建筑业协会。
(三)省建筑优质结构工程:1.开工之初将有关建设行政管理部门颁发的建设有效许可证复印件、公司批准的创优质结构工程计划和措施及附《陕西省建筑优质结构工程申报备案表》上报省联合会备案登记;2.未能按时上报以上资料的,在认定核查之日起20天内补报到省联合会质量工作部,超过20天的为自动放弃;3.主体封顶和围护结构施工一半时,企业应向省联合会申请核查认定,申报验收时必须拿出汇报资料和与结构核定的工程质量评价表,并经企业总工签字,盖企业执行公章;4.通过省级文明工地;5.建筑业十大类新技术应用须达五个大项;6.认定核查得分88分以上为省当年度优质结构工程,92分以上有资格申报国家优质工程。
(四)省建设新技术示范工程:1.立项备案时间为开工之后到±0.00以前;2.申报验收时间为工程收尾到工程竣工验收备案之间;3.立项备案部门为省建设厅委托的省建总公司生产科技质量处;4.新技术应用内容必须达到五个大类以上。
(五)省建总公司AAA工程:1.工程开工后15日内应向总公司生产科技质量处备案;2.工程竣工后由公司进行AAA标准的核验,达到要求的经总工批准上报总公司申请核验,申请核验日期应提前一周以上;3.工程感观质量得分率≥86%,综合得分≥85。
西安市建筑结构示范工程评选条件一、西安市建筑结构示范工程评选的范围:凡我市行政辖区以内的新建、扩建建筑工程,符合评选条件的均可申报参评。
二、参评工程条件:1.参评工程必须遵守国家有关建设法律、法规,办完施工许可证等有关建设工程的一切手续。
2.单位工程面积在3000平方米以上。
3.工程设计符合现行设计规范要求,施工图经过合法审图机构审查合格。
4.按图施工,工程施工符合国家施工验收规范和强制性标准条文的要求。
5.人工地基经检测合格,有正式的检测报告。
6.工程主体结构尚未隐蔽。
7.工程技术资料符合要求。
8.在施工过程中未发生重大质量安全事故。
三、评选程序:1.拟参评的工程应在工程开工时间向我会申请备案,还要参评省建筑结构示范工程造价人才网的由我会签署意见后同时向省联合会申请备案。
2.工程施工过程中,我会将组织专家组对申报工程进行中间核查并记入最后评定打分之中。
工程主体封顶前或达到三分之二高度时,施工单位应主动向我会提出评定申请。
3.我会接到申请后及时组织专家组进行实地核查,对工程技术资料和工程实体进行核查打分。
专家组由担任过各类质量检查工作的高级技术人员组成,每次抽3—5人对申报工程进行实地复查。
4.评委根据核查意见,做出评审结论。
评审会议应有三分之二以上评委出席方为有效,经出席会议的三分之二以上评委同意,该工程即得到认可。
5.对符合评选条件的工程,监理工程师论坛择优推荐参加省建筑结构示范工程评选。
6.对评选的西安建筑结构示范工程进行表彰,颁发奖牌和证书,并记入施工、监理、项目经理的业绩和备案登记。
7.参加“雁塔杯奖”评选的建筑工程,必须是建筑结构示范工程。
8.西安市建筑结构示范工程每年评审两次。
申报地址:安东街110号西安建筑业协会二楼联系人:戴保林电话:西安市建筑结构示范工程申报备案表工程名称:金源·御景华府住宅区3#楼申报企业(章):陕西省第十一建筑工程公司申报日期:二〇〇九年十月十二日西安建筑业协会制。
西安市建筑优质结构工程申报须知及要求一、西安市建筑优质结构工程须在工程进度达到±0.000以上,主体封顶前由申报单位随时申报备案,申报表可直接从“西安建筑业协会”网站下载(一式两份),应按申报表内要求规范填写。
二、申报时应提交施工许可证、中标通知书、施工图审查合格文件、法定代表人委托书、施工单位工程质量终身责任承诺书(复印件)。
三、汇报材料一式六份,复查专家组每位专家一份,会议应邀请建设、监理单位相关人员参加,公司质量管理部门负责人及本工程的项目经理必须到会。
四、专家组复查时间在主体验收后,请申报单位根据实际情况及时与协会联系。
联系人:魏向阳联系电话:西安市建筑优质结构工程汇报材料编写提纲一、总的要求工程汇报材料,是申报单位向评委会及复查专家组汇报本工程的一份专业性很强的书面材料,要充分展示申报单位在本工程建筑结构上的创新及先进施工方法和科技成果,要依据本工程结构特点进行阐述,结合工程的难点、亮点、工艺做法进行总结展示,不宜写成流水帐。
对工程各种数据进行对比,重点突出本工程建筑结构特色,以专业、技术性的总结为主。
汇报材料应双面打印,一般控制在5000—6000字左右。
配合图片说明,图文并茂,归纳总结,装订成册。
二、章节划分工程汇报材料一般分如下章节:1、工程概况2、工程质量创优目标和质量控制依据3、工程质量控制管理措施4、工程难点和亮点5、新技术应用及科技创新情况6、工程质量控制资料及检测、验收情况7、工程结构质量综合评价情况8、工程取得的成果及荣誉三、各章内容封面要求:如下XXX工程名称西安市建筑优质结构工程汇报材料(页面中间附工程效果图)XXXX建筑工程有限公司X年X月X日目录1、工程概况.......................................页码2、工程质量创优目标和质量控制依据.................页码3、工程质量控制管理措施...........................页码4、工程难点和亮点.................................页码5、新技术应用及科技创新情况.......................页码6、工程质量控制资料及检测、验收情况...............页码7、工程结构质量综合评价情况.......................页码8、工程取得的成果及荣誉...........................页码XXX工程名称西安市建筑优质结构工程汇报材料一、工程概况1、工程名称、位置,建筑面积、建筑高度、层数、结构类型,结构设计使用年限,结构安全等级、耐火等级及抗震设防烈度。
陕西省建筑优质结构工程评审管理办法第一章总则第一条为加强我省房屋建筑工程质量监督管理,提高房屋建筑工程质量、保护人民生命和财产安全,规范建筑优质结构工程评审活动,根据中国人民共和国《建筑法》、《建设工程质量管理条例》等有关法律法规,特制定本办法。
第二条房屋建筑优质结构工程系指建筑工程的地基与基础工程、主体结构工程完工并检测验收合格,通过对施工现场质量保证条件、性能检测、质量记录、尺寸偏差及限值实测、观感质量等检查、评价、评审,达到国家标准《建筑工程施工质量评价标准》的优良结构工程。
第三条陕西省建筑业协会负责全省建筑优质结构工程评审工作。
第四条建筑优质结构工程应严格执行国家及陕西省现行法律法规和有关工程建设的技术规范和标准及国家强制标准等有关规定。
符合绿色建筑施工标准并经过过程检查、专家评审、公示程序后确定。
第二章申报条件第五条符合以下条件的工程可以申报省建筑优质结构工程:1、建筑工程手续齐全,符合国家和省有关工程建设、质量管理的法律、法规、标准、规定。
2、工程结构设计科学合理,施工图审查合格。
3、施工质量保证体系健全完善,结构创优目标明确,质量保证措施可靠,符合“四节一环保”绿色。
4、过程控制严格有效,施工工艺和实体质量符合设计图纸和有关规范,规程,标准的要求,施工过程中严格按照有关规定组织验收,技术资料保证条件完整、真实有效,无违反工程进度强制性标准的情况。
5、施工过程中未发生质量安全或社会上造成恶劣影响的其他条件,未因工程质量原因受到设区(市级)(含)以上建设行政主管部门行政处罚。
6、规模:建筑面积在(西安市10000平米、其它设区市(区)城区8000平米、各县(市)6000平米)及以上的房屋建筑、公共建筑、工业厂房等建筑工程;40000平方米及以上的住宅群体工程;其他具有代表性和纪念意义的建(构)筑物。
第六条建筑优质结构工程应由施工单位开工前申报备案,并提供以下资料:1、《陕西省建筑优质结构工程申报备案表》2、建筑优质结构工程创优方案;3、施工图审查合格文件(审查机构必须具有资质)第三章现场复查第七条工程在主体封顶、二次结构和围护结构施工一半前,企业应向陕西省建筑业协会及时申请建筑优质结构工程复查并提交认定资料。
西安市建筑优质结构工程评审标准文章标题:探寻西安市建筑优质结构工程评审标准一、西安市建筑优质结构工程评审标准概述作为建筑行业的重要标准之一,西安市建筑优质结构工程评审标准一直备受关注。
该标准的制定是为了规范建筑结构工程的质量,保障工程安全,提高建筑结构的抗震能力,降低建筑物倒塌风险。
西安市建筑优质结构工程评审标准的出台对于建筑行业的发展和建设工程的质量提升具有重要意义。
二、西安市建筑优质结构工程评审标准的主要内容1. 结构设计要求在建筑结构的设计中,应当符合国家相关标准和规范,根据实际情况进行合理的结构设计,确保建筑结构的安全性和稳定性。
2. 施工工艺要求在建筑结构的施工过程中,应当严格按照施工工艺要求进行操作,保证施工质量和工程进度,提高工程效率。
3. 工程质量检测建筑结构工程在竣工验收前,必须进行严格的工程质量检测,确保工程质量符合相关标准和规范,保障工程的安全性和可靠性。
4. 工程竣工验收建筑结构工程竣工验收是对工程质量的最终检验,必须按照相关要求进行验收,对工程进行全面评估,确保工程质量符合标准。
三、西安市建筑优质结构工程评审标准存在的问题和改进方向1. 标准过于理论化目前的西安市建筑优质结构工程评审标准存在着过于理论化的问题,缺乏实际操作指南,需要更加贴近实际工程的要求。
2. 对新技术的适应性不足随着科技的不断发展,新的建筑材料和技术不断涌现,标准应该更加灵活,能够适应新技术的应用和发展。
3. 需要更加注重环保和可持续发展未来的建筑标准应该更加注重环保和可持续发展,推动绿色建筑和节能减排的发展方向。
四、西安市建筑优质结构工程评审标准的未来发展趋势1. 加强标准研究和制定必须加强对建筑优质结构工程评审标准的研究和制定工作,不断完善标准,适应新的发展需求。
2. 提高标准执行力度建筑优质结构工程评审标准的执行力度需要进一步提高,确保标准能够得到有效实施。
3. 推动标准国际化将西安市建筑优质结构工程评审标准推动国际化,与国际标准接轨,提高国内建筑行业的国际竞争力。
陕西优质结构汇报材料 (创国优奖)项目概述本项目是一个陕西省建筑工程结构材料质量控制和监理软件。
该软件结合了现代化技术手段和建筑工程材料质量监管的实际需要,为建筑行业提供了一个全方位的解决方案。
本项目打破了传统监理师傅靠个人经验、过程繁琐且效率低下的情况,以数字化手段实现结构材料的检验、监理和管理。
项目背景在我国建筑工程材料市场上,质量问题严重影响了建筑工程的安全和质量。
传统的质量监管模式效率低下、难以全面监管,而监管士兵技术储备又难以与时俱进。
通过与陕西省建筑工程质量监督检测中心合作,我们研发了这款软件,为陕西省建筑工程质量监管提供了创新和全面性。
项目设计本项目的设计初衷是基于现代化技术手段和建筑工程材料质量监管的实际需要。
通过对行业疑难病症的研究、需求的分析、用户体验的优化,我们最终设计开发出了该软件。
本软件提供以下功能: - 材料检测预约系统 - 材料检测信息管理系统 - 材料检测报告生成系统 - 材料检测统计分析系统 - 材料监理进程管理系统我们利用云端服务器,收集全省区域内所有建筑工程的材料检测数据,进行实时监控和分析,实现多维度、动态化的数据(如材料质量指标,检测相关参数等)管理和分析,从而实现了对全省建筑工程材料的监管。
项目实施本项目分为两个阶段: ### 阶段一本阶段是软件研发的阶段。
我们使用敏捷开发的方法,团队成员分工明确、职责分明、分阶段把控项目进展。
通过影响矩阵的分析,风险评估,我们保障了项目的顺利进行。
阶段二本阶段是软件应用的阶段。
我们按照陕西省建筑工程质量监督检测中心和陕西省建筑工程施工监督管理局的安排,进行软件测试、推广、培训和升级运维工作。
项目实施期间,我们积极与用户沟通,对软件的问题和建议进行逐一改进。
实际效果自该软件推广以来,已经在陕西省区域内的500多个建设单位、1500多个工地和20000人次的业界人士中得到了应用,价值得到了充分证明。
据不完全统计,通过本软件的监管,全省约有2.8万次的材料使用异常情况得到了有效监管和修正。
西安市建筑优质结构工程汇报材料编写说明、大纲及范本西安建筑业协会2017年12月目录1、汇报材料编写说明2、汇报材料编写大纲3、汇报材料编写范本西安市建筑优质结构工程汇报材料编写说明一、为了进一步提高我市建设工程主体结构质量,规范西安市建筑优质结构工程评选活动,根据国家、省、市有关现行法律、法规,我会通过广泛征询意见,应广大会员单位要求,将编写优质结构工程汇报材料部分内容进行了修改。
二、汇报材料的编写要依据本工程结构特点,工程的难点、亮点及工艺做法进行逐项总结阐述,对工程质量各种检测数据进行详实汇报,不得缺项,全篇应以专业性、技术性总结为主。
一般控制在4000—5000字左右。
三、汇报材料的印刷应双面彩色打印,配合图片说明,做到图文并茂,装订成册。
四、汇报材料须经建设、监理单位共同审阅,本公司总工审核后加盖单位公章。
西安市建筑优质结构工程汇报材料编写大纲一、工程概况(多栋工程应列表)1、工程名称、地点,建筑用途(如住宅工程,须列出住宅套数)、建筑面积、建筑高度、层数、结构类型,设计使用年限,结构安全等级、耐火等级、地下防水等级及抗震设防烈度。
2、地基与基础:介绍本工程地貌单元、地基、基础等情况。
3、基坑支护及地下水位:介绍基坑深度、支护方法,地下水位标高及是否进行降排水。
4、地下防水做法。
介绍基础防水材质、厚度及铺贴道数。
5、结构工程砼强度等级,主要结构断面尺寸。
钢筋级别、连结方式、钢结构形式、钢结构连接形式、砌体形式。
6、安装工程:介绍建筑电气、建筑给排水与采暖、通风与空调、智能建筑、电梯等分部工程。
7、工程前期手续:施工许可证、施工图审查合格书。
8、工程开工和封顶时间。
9、工程有无使用国家明令淘汰的建筑材料、地下工程有无渗漏,有无发生超过标准的不均匀沉降;地基承载力、保护层厚度、防雷接地电阻测试是否满足设计和规范要求;施工过程中有无发生重大安全、质量事故,有无拖欠农民工工资。
10、工程建设责任主体单位及质量安全监督单位(注意单位排序)建设单位:XXX 勘察单位:XXX 设计单位:XXX 监理单位:XXX施工单位:XXX 图审单位:XXX 工程质量检测单位:XXX质量安全监督单位:XXX二、工程质量创优目标和质量控制依据1、工程质量创优目标:西安市建筑优质结构工程;西安市优质工程“雁塔杯”。
2、结构工程质量控制依据:施工规范、施工图纸、设计文件、施工合同、图纸会审纪要、施工组织设计、创优计划企业技术标准、工法、作业指导书等管理文件。
三、工程质量控制管理措施明确质量管理体系、管理制度、管理措施等。
四、工程难点和亮点1、工程施工难点:围绕着工程质量和施工技术挖掘难点,突出难点难在什么地方,采取什么措施,达到了什么效果,结构工程的难点不宜太多,不超过三条为宜。
并附实体照片说明,照片应为过程控制照片,反映如何克服难点。
表现的形式应该是难点部位+数据+对策+图片。
2、工程施工亮点:围绕结构工程实体内外质量,优于设计要求、规范标准的、技术创新的、攻克难点等方面展示亮点。
亮点必须是实体的,要用数据说话,附相应的照片和文字说明。
此处的照片应为细部节点照片,反映亮点在哪,照片本身应该考虑拍摄角度和清晰度,应全面无缺陷。
五、新技术应用及技术创新介绍工程运用住建部推广的建筑业十项新技术及技术创新情况。
六、工程质量控制资料及检测、验收情况1、工程资料:施工技术资料与工程进度是否同步、资料是否真实、规范、签章是否齐全、结论是否正确,有无可追溯性。
2、工程材料复试:介绍与工程结构质量相关的主要材料及构配件复试情况。
3、安全性能检测(用第三方检测结论):(1)介绍地基形式、检测单位、检测结论。
(2)介绍钢筋、钢结构、混凝土标养(同养)、砂浆、砌体等检测时间、检测单位、检测组数、代表批量及检测结论。
(3)介绍建筑物垂直度、标高、全高:检测时间、检测单位、检测结论。
(4)接地电阻测试:介绍接地电阻测试点布设、设计值、检测值、检测结论。
(5)地下防水检查效果:介绍检查时间、检查结论。
(6)工程沉降观测:介绍沉降观测点的数量、观测单位、开始日期、截止主体封顶观测的次数、最大沉降值、最小沉降值、平均沉降量、差异沉降、沉降速率、观测结论。
4、工程验收情况介绍地基验槽、地基基础分部工程、主体分部工程验收的单位、时间及结论。
七、工程结构质量综合评价情况按照《建筑工程施工质量评价标准》(GB/T50375-XXXX)要求,申报单位进行自我评价打分(注:2017年4月1日以前开工的工程适用GB/T50375-2006版,2017年4月1日后开工的工程适用GB/T50375-2016版)。
八、工程取得的成果及荣誉介绍本工程已获得的国家、省、市级“文明工地”、“绿色施工”、工法及“QC”等获奖情况(附证书图片)。
范本:XXX工程(X#、X#、、X#楼)西安市建筑优质结构工程汇报材料申报单位名称(单位公章)XXXX年XX月XX日目录一、工程概况.................................... ... (1)二、工程质量创优目标和控制依据................ ... .. (3)三、工程质量控制管理措施.................. (5)四、工程难点和亮点......................... ... .. (6)五、新技术应用及技术创新情况................. ... (7)六、工程质量控制资料及检测、验收情况...... ... (7)七、工程结构质量综合评价情况............. ... .. (14)八、工程取得的成果及荣誉........... ... .. (18)XXX工程(X#、X#、、X#楼)西安市建筑优质结构工程汇报材料一、工程概况1、XXX工程(X#、X#、X#楼),位于XXX市XXX区XXX街道,建筑总面积XXX,建筑高度XXX,地下X层,地上X层,XXX结构,结构设计使用年限XX年,结构安全等级X级、耐火等级X级、抗震设防烈度X度。
具体结构设计详见下表:本工程X#楼XX套,X#楼XX套,X#楼XX套,共计XX套。
2、工程地貌单元为XX,土质为XX,为XX地基,XX基础。
3、基坑深XX m,采用XX支护,地下水位位于正负零以下XX m~ XX m,无需降水。
4、地下室底板、防水采用XX抗渗混凝土,地下室外墙采用XX抗渗混凝土,地下室底板和外墙均采用XXXX 防水卷材,地下室顶板采用XXXX防水卷材,防水等级为X级。
5、结构工程混凝土强度等级:钢筋:本工程采用的钢筋级别包括XX和XX,连接方式见下表:砌体:砖砌体外墙、厨房和卫生间为XX砖,强度等级为XX,其余内墙为XX,强度等级为XX。
砌筑砂浆采用XX混合砂浆。
6、安装工程包括建筑电气、建筑给排水与采暖、通风与空调、智能建筑、电梯等分部工程。
7、施工许可证由XX签发,编号:XXX。
施工图纸经XXX审查,结论为审查通过。
8、本工程开工及封顶时间。
9、本工程未使用国家明令淘汰的建筑材料、地下工程无渗漏,没有发生超过标准的不均匀沉降;地基承载力、保护层厚度、防雷接地电阻测试满足设计和规范要求;在施工过程中未发生重大安全、质量事故,无拖欠农民工工资。
10、工程建设责任主体单位及质量安全监督单位二、工程质量创优目标和质量控制依据1、工程质量创优目标:西安市建筑优质结构工程;西安市优质工程“雁塔杯”。
2、结构工程质量控制依据:本工程依据施工规范、施工图纸、设计文件、施工合同、图纸会审纪要、施工组织设计、创优计划、项目创优策划书、企业管理等文件。
三、工程质量控制管理措施1、本工程建立、健全项目质量保证体系,明确各岗位质量责任,制定了完善的质量管理制度及管理措施。
2、本工程编制了《工程质量创优方案》,成立以项目经理为组长,各岗位、各分包单位参与的工程质量创优小组,分工明确、责任到人,并严格按照质量创优方案组织施工(列出施工质量管理体系)。
3、公司与项目部签订了创优质量责任书,项目部与分包单位,与项目相关管理人员签订创优责任状,对创优目标进行分解。
4、针对重要分部、分项工程或关键工序、特殊过程施工,结合工程技术特点及难点,编制专项施工方案或作业指导书,应用BIM等工具提前策划,组织技术人员攻关,确保工程施工质量。
5、科学合理组织施工,加强过程质量控制,严格落实“三检制”、样板引路及实测实量等相关制度,实现工程一次成优。
四、工程难点和亮点 1、本工程施工难点难点1:XXXXXXXX 难点;采用了XXXX 措施,取得了XXXX 效果。
难点2:XXXXXXXX 难点;采用了XXXX 措施,取得了XXXX 效果。
难点3:XXXXXXXX 难点;采用了XXXX 措施,取得了XXXX 效果。
2、本工程施工亮点亮点1:XXXXXXXX 亮点;采用了XXXX 措施,取得了XXXX 效果。
照片注解 照片注解亮点2:XXXXXXXX 亮点;采用了XXXX 措施,取得了XXXX 效果。
照片注解 照片注解亮点3:XXXXXXXX 亮点;采用了XXXX 措施,取得了XXXX 效果。
照片注解 照片注解亮点………………………… 五、新技术应用及技术创新情况本工程拟应用XXXX 版建筑业新技术X 大项XX 子项,结构工程已应用新技术X 大项X 小项。
节约了XX 万元,提高了功效,应用效果显著,具体应用如下表:建筑业十项新技术的应用六、工程质量控制资料及检测、验收情况1、工程资料:本工程技术资料与工程进度同步、资料真实、规范、签章齐全、结论正确,有可追溯性。
2、工程材料复试:进场钢材原材料复试统计表3、安全性能检测情况(1)本工程桩基于XXXX年XX月XX日经XXX公司检测,结论(详见下表):(2)钢筋连接检测本工程直径≥XXmm的竖向钢筋和直径≥XX水平钢筋采用直螺纹套筒连接,直径≤XXmm且≥XXmm采用的竖向钢筋采用电渣压力焊连接。
其中钢筋直螺纹套筒连接接头XX个,抽样检测XX组,合格XX组;电渣压力焊共XX个,抽样检测XX组,合格XX组(详见下表)。
钢筋连接数量、抽样检测统计表(3)钢筋保护层检测:本工程检测单位为XXX,XXXX年XX月XX日对地下室进行检测,XXXX年XX 月XX日对地上1~XX层主体结构进行检测,XXXX年XX月XX日对地上XX~屋面层主体结构进行检测,检测结论(详见下表):(4)混凝土标养试块、同条件试块,抗压强度检测:本工程XX组标养混凝土试块和XX组同条件混凝土试块强度经检测合格(详见下表)。
(5)砂浆试块评定:本工程XX组砂浆混合砂浆试块强度经检测合格(详见下表)。
砌体砂浆强度报告统计表(6)后植筋及墙体拉结筋检测:本工程经XXXX公司对墙拉筋和构造柱植筋进行拉拔试验,满足规范和设计要求(详见下表)。