高层住宅立面设计(及各种材料价格分析)
- 格式:ppt
- 大小:15.70 MB
- 文档页数:70
框剪结构高层每平方米造价分析1、全现浇结构住宅楼:包括建筑、装饰、采暖、给排水(含中水)、消防、通风、照明、动力、消防报警、电梯、可视对讲、有线电视、电话、防雷接地等十四个专业。
含电梯、消防、通风设备,普通灯具;公共部分粘贴地砖,天棚、墙面刷耐擦洗涂料,普通洁具、喷洒头。
外墙外保温粘贴聚苯板,泰柏板隔墙,混凝土为预拌混凝土,土方运距20公里以内。
每平米造价1850.98元,其中:建筑工程:1011.17元;电气工程:220.54元;管道工程:316.81元;通风工程:302.46元;2、全现浇结构板式小高层住宅楼:包括建筑、装饰、采暖、给排水(冷水、热水、中水、排水、雨水)、消防、照明、动力、弱电、电梯、防雷接地等十个专业。
外墙保温聚苯板随混凝土浇注,外墙内保温粘贴水泥聚苯板,单层轻质陶粒混凝土条板隔墙,双侧通常采光井,采暖系统为分户计量,混凝土为预拌混凝土,不含消防报警、配电箱及多功能户门。
土方运距5公里以内。
每平米造价1442.17元,其中:建筑工程:803.59元;装饰工程:306.62元;电气工程:238.65元;管道工程:81.16元;通风工程:12.15元;3、全现浇结构板式住宅楼:包括建筑、装饰、给排水(含泵房)、通风、照明、动力、弱电、电梯、防雷接地等九个专业。
公共部分粘贴地砖,天棚、墙面刷耐擦洗涂料,本工程采暖用电膜采暖,只做埋管,外窗为落地窗。
含消防、居室门、卫生洁具,混凝土为预拌混凝土,土方运距20公里以内。
每平米造价1360.43元,其中:建筑工程:730.56元;装饰工程:174.30元;电气工程:248.45元;管道工程:207.12元;4、全现浇结构塔楼:包括建筑、装饰、采暖、给排水、消防、通风、照明、动力、弱电、防雷接地等十个专业。
公共部分楼梯间、电梯间地面为水泥砂浆整体面层,天棚、内墙面底层刷耐水腻子,面层擦洗涂料。
含给排水、消防、通风设备,不含电梯、卫生洁具,弱电(电视、电话、综合布线)只埋管不穿线。
高层住宅建筑立面设计分析在当今城市的快速发展中,高层住宅建筑如雨后春笋般涌现。
建筑立面作为建筑外观的重要组成部分,不仅是建筑美学的展现,更与建筑的功能、环境以及居民的生活质量息息相关。
本文将对高层住宅建筑立面设计进行深入分析。
一、高层住宅建筑立面设计的重要性建筑立面如同人的外衣,是建筑给人的第一印象。
一个出色的立面设计能够提升建筑的整体形象,使其在城市景观中脱颖而出。
同时,它还能反映出建筑的品质和风格,为居民营造出舒适、愉悦的居住环境。
从功能角度来看,立面设计对于建筑的采光、通风、保温等性能有着重要影响。
合理的窗户布局和遮阳设施可以有效地控制室内的光线和温度,降低能源消耗。
此外,立面的材质和构造也能够起到防水、隔音等作用,提高居住的舒适度。
在社会和文化方面,建筑立面承载着地域特色和时代精神。
它可以传承和发扬当地的建筑文化,同时也能适应现代社会的需求和审美趋势,成为城市文化的一部分。
二、高层住宅建筑立面设计的元素1、线条线条是构成建筑立面的基本元素之一。
简洁流畅的水平线条可以使建筑看起来更加稳定、舒展,而垂直的线条则能增加建筑的挺拔感和高耸感。
曲线的运用则能为建筑增添柔和与灵动的气息。
2、色彩色彩在建筑立面设计中起着至关重要的作用。
明亮欢快的色彩可以使建筑充满活力,而低调沉稳的色彩则能营造出庄重、典雅的氛围。
同时,色彩的搭配要考虑到周边环境和建筑的整体风格,以达到和谐统一的效果。
3、材质建筑立面的材质种类繁多,如石材、玻璃、金属、涂料等。
不同的材质具有不同的质感和特性。
石材给人以厚重、坚固的感觉;玻璃则能增加建筑的通透感和现代感;金属材质富有光泽和质感,能够提升建筑的档次。
4、窗户窗户是建筑立面的“眼睛”,不仅为室内提供采光和通风,也是立面设计的重要元素。
窗户的形状、大小和位置的设计要兼顾美观和功能。
大面积的落地窗可以让室内与室外景色融为一体,增加空间的开阔感;而飘窗的设计则能为居民提供更多的休闲空间。
高层住宅立面设计及各种材料价格分析在当今的城市建设中,高层住宅如雨后春笋般涌现。
高层住宅的立面设计不仅影响着建筑的美观,还与建筑的性能、造价等密切相关。
而在立面设计中,材料的选择更是至关重要,不同的材料价格差异较大,会直接影响到项目的总成本。
接下来,让我们深入探讨一下高层住宅立面设计以及各种常用材料的价格情况。
高层住宅的立面设计需要考虑多方面的因素。
首先是建筑的整体风格,它要与周边环境相协调,同时也要符合城市的规划要求。
比如,在一些历史文化名城,高层住宅的立面可能会受到更多的限制,需要与传统建筑风格相融合;而在现代化的新城,设计则可以更加大胆创新,展现出时代的特色。
其次,功能性也是设计时需要重点考虑的因素。
立面不仅要美观,还要能够满足保温、隔热、防水、防风等性能要求。
良好的立面设计可以有效地降低建筑的能耗,提高居住的舒适度。
再者,安全性也是不容忽视的。
高层住宅面临着更大的风压和自然灾害的威胁,因此立面材料的选择和构造方式必须确保建筑的结构安全。
在高层住宅立面设计中,常用的材料有多种。
石材是一种常见的立面材料,其质感厚重,给人以高贵、稳重的感觉。
天然石材如大理石、花岗岩等,价格相对较高。
大理石的价格因其品种、品质和产地的不同而有很大差异,一般每平方米在数百元到上千元不等。
花岗岩的价格相对较低一些,每平方米大约在数百元左右。
不过,使用石材作为立面材料,还需要考虑到施工的难度和成本,以及后期的维护费用。
玻璃也是高层住宅立面中常用的材料之一。
玻璃具有良好的采光性能,能够让室内更加明亮通透。
普通的平板玻璃价格相对较低,每平方米几十元到上百元不等。
而一些高性能的玻璃,如 LowE 玻璃、中空玻璃等,价格则会高很多,每平方米可能达到数百元甚至更高。
这些高性能玻璃具有更好的隔热、隔音性能,能够提高建筑的节能效果。
铝板是另一种常见的立面材料。
铝板具有质轻、强度高、耐腐蚀等优点,而且可以加工成各种形状和颜色,具有很强的装饰性。
高层住宅造价指标分析(带地下室)表一、工程概况ﻬﻬﻬ注:其他措施费是指夜间施工、二次搬运、已完工程及设备保护、外来人员用工综合保险费等。
ﻬﻬﻬ2、水泥为白水泥及32.5级水泥消耗量;3、建筑、装饰工程人工工日消耗量不含铝合金门窗(含封阳台),墙体保温及单元门人工工日消耗;4、安装工程人工工日消耗量不含电梯工程。
电梯工程为专业分包.表九、主要工程量指标耗;2、工程量按《建设工程工程量清单计价规范》计算规则计算;3、土(石)方工程按挖方、填方量计.ﻬ2、工程量按《建设工程工程量清单计价规范》计算规则计算。
图书馆造价指标分析表一、工程概况ﻬﻬﻬ注:1、百平方米消耗量是指每100平方米建筑面积中含有的消耗量指标,包括制作和施工损耗;2、水泥、黄砂、石子消耗量不包括商品砼、预拌砂浆用量.表九、主要工程量指标损耗;2、工程量按《建设工程工程量清单计价规范》计算规则计算。
2、工程量按《建设工程工程量清单计价规范》计算规则计算.ﻬ装配式高层住宅造价指标分析表一、工程概况ﻬﻬﻬ表六、其他项目造价指标(略)注:1、百平方米消耗量是指每100平方米建筑面积中含有的消耗量指标,包括制作和施工损耗;2、水泥、黄砂、石子消耗量不包括商品砼、预拌砂浆用量。
表九、主要工程量指标注:1、百平方米工程量是指每100平方米建筑面积中含有的工程量指标,仅包括制作损耗;2、工程量按《建设工程工程量清单计价规范》计算规则计算。
2、安装工程主要工程量指标2、工程量按《建设工程工程量清单计价规范》计算规则计算。
高层住宅(精装修)造价指标分析注:1、模板费用、垂直运输机械已包括在相关的分部分项工程费用内。
2、基坑围护工程及降排水之费用已包括在表四1.2项“桩与地基基础工程”内。
3、上表乃按照承包方投标时填报的费用,该费用在合同内属费用包干项目。
表九、主要工程量指标注:1 百平方米工程量是指每100平方米建筑面积中含有的工程量指标,仅包括制作损耗;2 工程量按《建设工程工程量清单计价规范》计算规则计算;3 第7项外门窗工程-其他指户内门;4 第2项桩基工程仅为工程桩,围护桩未统计在内。
2、工程量按《建设工程工程量清单计价规范》计算规则计算。
高层教学楼造价指标分析2、水泥、黄砂、石子消耗量不包括商品砼、商品砂浆用量。
表九、主要工程量指标2、工程量按《建设工程工程量清单计价规范》计算规则计算。
2、工程量按《建设工程工程量清单计价规范》计算规则计算。
剧场造价指标分析注:1、百平方米消耗量是指每100平方米建筑面积中含有的消耗量指标,包括制作和施工损耗;2、水泥、黄砂、石子消耗量不包括商品砼、商品砂浆用量。
表九、主要工程量指标括制作损耗;2、工程量按《建设工程工程量清单计价规范》计算规则计算。
2、工程量按《建设工程工程量清单计价规范》计算规则计算。
市政桥梁工程造价指标分析二、工程造价指标注:1、本工程造价按上海市市政工程工程预算定额(2000年)及2009年07月市场价格水平编制。
2、工程施工费用(综合费用费率)按10%计。
三、主要消耗量指标交通干道类绿化栽植费用指标分析一、工程概况四、指标说明:1.指标用途:仅作为绿化栽植工程投资匡算参考。
2.编制依据:根据2000园林预算定额和施工费用计算规则编制。
3.价格水平:依据2009年8月份市场价格信息编制。
4.本指标不包括:绿化土方、道路侧石、驳岸栏杆、园林小品等工程建设费用。
三级绿化养护费用指标分析一、工程概况二、耗量指标 (一)植物构成(二)耗用构成三、费用指标四、指标说明:1.指标用途:仅作为绿化养护工程匡算参考。
高层住宅造价指标分析(1)高层住宅造价指标分析(2)表一、工程概况表三、工程造价指标汇总表四、分部分项工程造价指标注:1、1.9项为开办费(按建筑面积15元/m2)及其他零星项目;2、2.6项为室外不锈钢栏杆及阳台夹胶玻璃不锈钢栏板等。
表七、工程造价费用分析注:1、装饰装修工程包含玻璃幕墙、石材幕墙、阳台栏板等造价;2、开办费计入地上工程造价内;3、围护费用计入地下工程造价内。
2、商品砂浆与干粉砂浆的比例为4:6。
表九、主要工程量指标2、外装饰中的外保温为地下室墙外保温;3、门窗工程中其他项目是指管笼井门;4、外装饰工程中其他项目为石材工作量。
2、工程量按《建设工程工程量清单计价规范》计算规则计算。
多层宿舍造价指标分析表一、工程概况表三、工程造价指标汇总表五、措施项目造价指标注:其他措施费是指夜间施工、二次搬运、冬雨季施工、临时保护措施等注:1、百平方米消耗量是指每100平方米建筑面积中含有的消耗量指标,包括制作和施工损耗;2、水泥、黄砂、石子消耗量不包括商品砼、商品砂浆用量。
表九、主要工程量指标2、工程量按《建设工程工程量清单计价规范》计算规则计算。
2、工程量按《建设工程工程量清单计价规范》计算规则计算。
体育馆造价指标分析表一、工程概况表二、工程特征表三、工程造价指标汇总表四、分部分项工程造价指标注:室外总体造价128.11万元未计入。
表五、措施项目造价指标表六、其他项目造价指标表七、工程造价费用分析表八、主要消耗量指标表九、主要工程量指标1、建筑工程主要工程量指标医院门诊楼造价指标分析表一、工程概况表二、工程特征表三、工程造价指标汇总注:电梯工程、锅炉工程及空调机组按政府采购合同价1707.24万元计入表五、措施项目造价指标注:1、其他措施费是指夜间施工、二次搬运、冬雨季施工、临时保护措施等 2、基坑围护2966.17万元列入分部分项工程造价内。
表六、其他项目造价指标注:暂列金额、专业工程暂估价项目请在备注栏给予说明表七、工程造价费用分析单位:万元4748注:1、百平方米消耗量是指每100平方米建筑面积中含有的消耗量指标,包括制作和施工损耗;2、以上各项的人工及材料消耗量不包括:电梯工程、锅炉工程及空调机组等政府采购部分;专业工程暂估价项目(详见表六);桩基工程;基坑围护工程。
高层居住建筑立面风格及细部设计分析范本一(正式、专业风格):一:引言本文档旨在对高层居住建筑立面风格及细部设计进行全面深入的分析,旨在为相关设计人员和决策者提供参考和指导。
通过对现有高层居住建筑的调研和分析,本文将从宏观和微观两个层面进行探讨,包括立面整体风格、细节设计等方面。
同时,本文注重对法律规定的引用和解释,确保设计符合相关法律法规的要求。
二:立面整体风格2.1 历史背景和概述2.2 建筑高度和比例2.3 立面材料选择及合理性分析2.4 窗户和外墙的布局和比例2.5 建筑立面的色彩搭配及意义2.6 风格与环境的协调性三:细部设计3.1 窗框设计及其功能3.2 防护措施:遮阳、隔热、保温等3.3 外墙装饰:雕塑、壁画等的运用3.4 立面细节的处理方式3.5 立面灯光设计及其效果四:法律名词及注释4.1 建筑法律法规解读4.2 相关标准规范解释4.3 建筑审批程序和规定4.4 房地产开发相关政策附件:附件一:高层居住建筑立面设计案例参考附件二:相关法律法规和标准规范范本二(轻松、实用风格):一:前言本文档将探讨高层居住建筑立面风格及细部设计的各个方面,希望能够为设计师和决策者在设计过程中提供一些有价值的参考。
我们将从整体风格和细节设计两个层面进行深入分析,力求为读者提供全面详实的内容。
另外,本文还会对与本主题相关的法律名词进行解释和注释,确保设计符合规定。
二:整体风格2.1 历史与现代的碰撞:立面设计的起源和发展2.2 各种风格的高层居住建筑立面对比2.3 大胆与谨慎的平衡:高层建筑比例的选择2.4 材料大比拼:砖、玻璃、石材等立面材料的优缺点2.5 窗户的魅力:选择和布局的技巧2.6 色彩的魔力:建筑立面色彩搭配的心得三:细部设计3.1 窗框设计:窗户的趣味玩法3.2 遮阳艺术:创意的遮阳设计3.3 装饰细节的点睛之笔:雕塑、壁画等装饰的运用3.4 不可忽视的细节:门、马赛克等在立面设计中的重要性3.5 点亮夜空:立面灯光设计的魅力四:法律名词及注释4.1 建筑法律法规的简要解读4.2 相关规范的实际应用4.3 建筑审批的关键细节4.4 房地产开发所需了解的重要政策附件:附件一:高层居住建筑立面设计案例集锦附件二:相关法律法规和规范资料。
上海05-07某高层住宅造价指标解析例子文档上海 05 07 某高层住宅造价指标解析例子文档在上海这座繁华的大都市,房地产行业一直备受关注。
高层住宅作为城市居民的主要居住形式之一,其造价指标对于开发商、投资者、建筑企业以及购房者来说都具有重要的参考价值。
本文将对上海 05 07 年间某高层住宅的造价指标进行详细解析,旨在为相关人士提供有益的参考和借鉴。
一、项目概况该高层住宅项目位于上海市_____区,总建筑面积为_____平方米,地上_____层,地下_____层。
建筑结构形式为_____,基础类型为_____。
项目于_____年开工,_____年竣工交付使用。
二、造价指标构成1、土地成本土地成本是房地产开发项目中的重要组成部分。
在上海 05 07 年期间,该项目所在区域的土地价格相对较高。
土地出让金、拆迁补偿费等各项费用合计约为_____元/平方米。
2、前期工程费前期工程费包括项目规划、设计、勘察、可行性研究等费用。
这部分费用约为_____元/平方米。
3、建筑安装工程费建筑安装工程费是造价指标的核心部分,包括土建工程、给排水工程、电气工程、暖通工程等。
其中,土建工程费用约为_____元/平方米,主要包括基础工程、主体结构工程、砌筑工程、屋面工程等;给排水工程约为_____元/平方米;电气工程约为_____元/平方米;暖通工程约为_____元/平方米。
4、基础设施费基础设施费主要包括小区内道路、绿化、给排水管网、供电线路等设施的建设费用。
这部分费用约为_____元/平方米。
5、公共配套设施费公共配套设施费包括小区内的物业管理用房、社区活动中心、幼儿园等设施的建设费用。
这部分费用约为_____元/平方米。
6、开发间接费开发间接费包括项目管理人员工资、办公费用、水电费等。
这部分费用约为_____元/平方米。
7、财务费用财务费用主要是指项目开发过程中的贷款利息等费用。
在 05 07 年期间,贷款利率相对较高,这部分费用约为_____元/平方米。
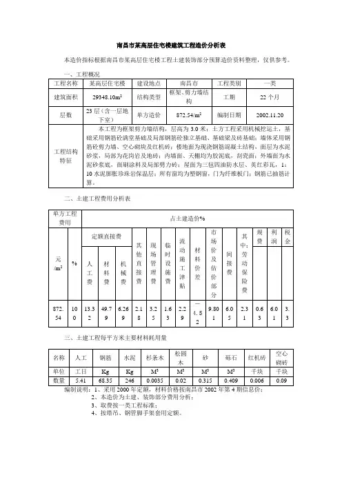
南昌市某高层住宅楼建筑工程造价分析表
本造价指标根据南昌市某高层住宅楼工程土建装饰部分预算造价资料整理,仅供参考。
二、土建工程费用分析表
三、土建工程每平方米主要材料耗用量
2、本造价为土建、装饰部分费用分析;
3、取费按一类工程标准;
4、按塔吊、钢管脚手架套用定额。
南昌市某毛胚商品宿舍楼工程造价分析
本造价指标根据南昌市某毛坯商品宿舍楼工程土建部分造价资料整理,供参考。
一、工程概况
二、土建工程费用分析表
三、土建主要材料耗用量
编制说明:1.采用2000年定额和费用定额,材料单价按南昌地区2001年第5期信息价;2.本造价为土建部分分析,取费按一类工程标准;3.按塔呆、木模、钢管脚手架套用定额。
高层住宅造价指标分析上海建设工程造价信息简介随着城市化进程的不断推进,高层住宅项目在上海市不断涌现。
本文旨在通过分析上海市建设工程造价信息,探讨影响高层住宅造价的因素及其指标。
数据来源本文所使用的数据来源于上海市建设工程造价信息网站。
该网站是上海市建设工程干线信息平台,由上海市建设工程造价管理中心主管,旨在为广大建筑师、企业家、经营管理者等群体提供建筑装饰工程的造价数据查询、分析等服务。
数据分析高层住宅项目造价概况根据上海市建设工程造价信息,我们可以了解到高层住宅项目的整体造价概况。
在2019年第四季度的数据中,上海市高层住宅项目的平均造价为15344.32元/平方米,其中最高造价为35000元/平方米,最低造价为4070元/平方米。
从数据来看,高层住宅项目的造价范围较广,但整体水平在15000元/平方米左右。
影响高层住宅造价的因素及指标高层住宅项目的造价受多种因素影响,这些因素在一定程度上可以用指标来综合反映。
下面将分别介绍这些指标及其对高层住宅项目造价的影响。
土地价格土地价格是影响高层住宅项目造价的关键因素之一。
在上海市,土地价格的高低与地段和用途有关。
通过上海市建设工程造价信息的数据,我们可以了解到土地价格对高层住宅项目造价的影响。
在2019年第四季度,位于浦东新区的高层住宅项目平均造价较高,为19405元/平方米,而位于松江区的高层住宅项目平均造价较低,为11707元/平方米。
建筑造价建筑造价是影响高层住宅项目造价的重要因素之一。
建筑造价包括材料费、人工费、机械费、施工管理费、税金等,它对高层住宅项目的造价影响较大。
通过上海市建设工程造价信息的数据,我们可以发现建筑造价是影响高层住宅项目造价的关键因素。
在高层住宅项目中,建筑造价占整体造价比例较大,平均占比在60%以上。
设备费设备费是影响高层住宅项目造价的另一重要因素。
在高层住宅项目中,电气设备、空调设备、给排水设备等的设备费用较高,是影响整体造价的重要因素。
高层住宅建筑立面设计分析在城市的天际线中,高层住宅建筑扮演着重要的角色。
它们不仅为人们提供了居住空间,其立面设计更是城市景观的重要组成部分。
高层住宅建筑的立面设计不仅仅是外观的装饰,更是与建筑功能、结构、环境以及人们的生活需求紧密相关的综合性考量。
一、高层住宅建筑立面设计的重要性高层住宅建筑的立面如同人的脸面,是给人的第一印象。
一个优秀的立面设计能够提升建筑的整体品质和价值,吸引更多的购房者。
同时,它也能够反映出建筑的个性和特色,使其在众多建筑中脱颖而出。
从城市规划的角度来看,高层住宅建筑的立面设计对于塑造城市形象具有重要意义。
协调统一且富有变化的立面能够增强城市的整体美感和辨识度,为城市增添独特的魅力。
对于居住者而言,良好的立面设计可以提供舒适的视觉享受,改善室内采光和通风条件,提高居住的舒适度和满意度。
二、影响高层住宅建筑立面设计的因素1、建筑功能高层住宅建筑的功能需求直接影响着立面设计。
例如,窗户的位置和大小要根据室内房间的功能和采光要求来确定;阳台的设计要考虑到居民晾晒衣物、休闲观景等需求。
2、结构体系建筑的结构形式对立面设计有着制约作用。
框架结构、剪力墙结构等不同的结构体系会影响建筑立面的开窗形式和墙体比例。
3、环境因素包括气候条件、周边建筑风格和自然景观等。
在气候炎热的地区,立面设计可能会更多地考虑遮阳和通风;而在周边建筑风格较为统一的区域,新的高层住宅建筑立面需要与之协调融合。
4、建筑材料建筑材料的选择决定了立面的质感和色彩。
如玻璃、石材、铝板等材料具有不同的特性,能够营造出多样的立面效果。
5、文化和地域特色不同的地区有着独特的文化和地域特色,这些元素在立面设计中加以体现,可以使建筑更好地融入当地环境,增强居民的认同感和归属感。
三、高层住宅建筑立面设计的原则1、整体性原则立面设计要与建筑的整体风格和形象相统一,从整体上考虑色彩、线条、比例等元素的搭配,形成一个协调完整的外观。
2、功能性原则在满足美观的同时,要充分考虑建筑的使用功能,如采光、通风、遮阳、保温等,确保居住环境的舒适性。
高层住宅造价指标分析-上海建设工程造价信息.doc1、高层住宅造价指标分析-上海建设工程造价信息精品好资料-如有侵权请联系网站删除高层住宅造价指标分析表一、工程概况项目名称内容工程名称×××地块高层住宅工程分类建筑工程-民用建筑-居住建筑-住宅-高层住宅-高层〔10层级10层以上〕工程地点外环线内-杨浦区建筑物功能及规模经济适用房开工日期2021年7月竣工日期2021年12月建筑面积(平方米)其中:地上6606.13地下-建筑和安装工程造价(万元)1515.91平方米造价(元/平方米)2294.70结构类型剪力墙层数〔层〕地上__14____地下建筑高度〔檐口〕(米)45.2层高(米)其中:首层2.8标准层__2.8____建筑节能外墙外保温系统、挤塑板屋面保温、一般粉喷铝合金型材中空玻璃门窗抗震设防烈度(度)2、7基础类型PHC预制钢筋混凝土桩,桩承台筏板基础埋置深度(米)3.1计价方式清单计价造价类别结算价编制依据《建设工程工程量清单计价规范》(GB50500-2021)及相关文件价格取定期中标价取定期2021年3月,结算价取定期2021年7月-2021年12月表二、工程特征项目名称特征描述建筑工程土〔石〕方工程机械挖土桩与地基基础工程预制钢筋混凝土桩PHCAB40080锤击砌筑工程外墙类型200厚混凝土多孔砖内墙类型100、200厚混凝土多孔砖混凝土及钢筋混凝土工程〔基础类型〕桩承台筏板基础、砼均为泵送砼C30;ⅡⅢ级钢筋,电渣压力焊厂库房大门、特种门、木结构工程-金属结构工程钢梯屋面及防水工程APP合成高分子防水卷材、1.5厚聚氨酯防水涂膜、现浇泵送砼40mm厚细3、石砼面层防腐、隔热、保温工程外墙保温胶粉聚苯颗粒材料保温、屋面保温接受挤塑板其他工程-装饰装修工程楼地面工程细石砼地面门窗工程木质防盗门、检修门、单元入口电子防盗门、一般粉喷铝合金型材中空玻璃门窗墙柱面、天棚、涂料工程墙柱面工程外墙面砖天棚工程房间、天棚乳胶漆顶棚,公共部位轻钢龙骨石膏板吊顶油漆、涂料、裱糊工程内墙乳胶漆涂料,外墙少量涂料其他工程-安装工程电气工程配电箱、用户配电箱、灯具、开关、插座、配管穿线、防雷接地给排水、采暖、燃气工程钢塑复合管、PP-R接水管、U-PVC 排水管、大便器、洗涤盆、阀门、潜水泵、屋顶增压泵、减压阀组消防工程消火栓、镀锌钢管通风空调工程-智能化系统工程电话、电视、安保、建筑设备监控系统配管、配线、智能化系统设备电梯工程3台垂直电4、梯其他工程-注:本表特征描述必需与造价指标实质内容保持全都,如有差异,请赐予说明。
高层建筑造价指标在当今城市发展的进程中,高层建筑如雨后春笋般拔地而起。
它们不仅是城市现代化的象征,也为人们提供了更多的居住和工作空间。
然而,要建造一座高层建筑,了解其造价指标是至关重要的。
这不仅有助于项目的规划和预算编制,还能为投资方和建设方提供决策依据。
一、高层建筑造价指标的构成高层建筑的造价指标通常包括以下几个主要方面:1、土地成本这是项目开发的首要支出。
土地的位置、面积、规划用途以及当地的土地市场行情都会对其价格产生影响。
在城市中心或繁华地段,土地成本往往较高,而在郊区或新兴区域则相对较低。
2、建筑工程费用这是造价的核心部分,涵盖了从基础施工到主体结构、外立面装饰、内部装修等各个环节的费用。
其中,基础工程的费用取决于地质条件和建筑高度,高层建筑通常需要更坚固的基础来支撑其重量。
主体结构的造价则与建筑的结构形式(如框架结构、剪力墙结构等)、材料选择(如钢材、混凝土等)以及施工工艺有关。
外立面装饰和内部装修的费用则因设计风格、材料品质和装修标准的不同而有很大差异。
3、设备及安装工程费用包括电梯、空调、消防、给排水、电气等设备的采购和安装费用。
电梯的数量和质量、空调系统的类型、消防设施的配置等都会影响这部分的造价。
4、配套设施费用如停车场、绿化景观、道路、围墙等的建设费用。
停车场的规模和设计、绿化景观的复杂度等都会对成本产生影响。
5、设计及监理费用专业的设计团队和监理单位的服务费用也是不可忽视的一部分。
设计方案的合理性和创新性、监理工作的质量和效率都会对项目的成本和进度产生影响。
6、税费及其他费用包括各种税费、规费以及不可预见的费用等。
二、影响高层建筑造价指标的因素1、建筑高度和规模一般来说,建筑高度越高、规模越大,其造价也会相应增加。
这是因为高层建筑需要更强大的结构支撑、更复杂的施工技术和更多的设备设施。
2、地理位置不同地区的物价水平、人工成本、材料价格等存在差异,这会直接影响到建筑造价。
例如,在一线城市和经济发达地区,建筑成本通常较高。
框剪结构高层每平方米造价各结构造价汇总绝对超值The following text is amended on 12 November 2020.框剪结构高层每平方米造价分析包括建筑、装饰、采暖、给排水(含中水)、消防、通风、照明、动力、消防报警、电梯、可视对讲、有线电视、电话、防雷接地等十四个专业。
含电梯、消防、通风设备,普通灯具;公共部分粘贴地砖,天棚、墙面刷耐擦洗涂料,普通洁具、喷洒头。
外墙外保温粘贴聚苯板,泰柏板隔墙,混凝土为预拌混凝土,土方运距20公里以内。
每平米造价元,其中:建筑工程:元;电气工程:元;管道工程:元;通风工程:元;2、全现浇结构板式小高层住宅楼:包括建筑、装饰、采暖、给排水(冷水、热水、中水、排水、雨水)、消防、照明、动力、弱电、电梯、防雷接地等十个专业。
外墙保温聚苯板随混凝土浇注,外墙内保温粘贴水泥聚苯板,单层轻质陶粒混凝土条板隔墙,双侧通常采光井,采暖系统为分户计量,混凝土为预拌混凝土,不含消防报警、配电箱及多功能户门。
土方运距5公里以内。
每平米造价元,其中:建筑工程:元;装饰工程:元;电气工程:元;管道工程:元;通风工程:元;3、全现浇结构板式住宅楼:包括建筑、装饰、给排水(含泵房)、通风、照明、动力、弱电、电梯、防雷接地等九个专业。
公共部分粘贴地砖,天棚、墙面刷耐擦洗涂料,本工程采暖用电膜采暖,只做埋管,外窗为落地窗。
含消防、居室门、卫生洁具,混凝土为预拌混凝土,土方运距20公里以内。
每平米造价元,其中:建筑工程:元;装饰工程:元;电气工程:元;管道工程:元;4、全现浇结构塔楼:包括建筑、装饰、采暖、给排水、消防、通风、照明、动力、弱电、防雷接地等十个专业。
公共部分楼梯间、电梯间地面为水泥砂浆整体面层,天棚、内墙面底层刷耐水腻子,面层擦洗涂料。
含给排水、消防、通风设备,不含电梯、卫生洁具,弱电(电视、电话、综合布线)只埋管不穿线。
混凝土为预拌混凝土,土方运距5公里以内。
超高层建筑的结构决定了总体造价的高低,常见的结构如下:框架-剪力墙结构造价较低,和普通高层造价相仿,造价增加主要体现在以下9个方面:1.设置避难层(100米以上的建筑,一般每隔50米要设置一个避难层)2.供电系统:双电源+自备电源3.进户门要求为甲级防火门4.消防电梯要在3台或以上5.电梯必须要分层设计6.由于高处的湿度和风力情况较为复杂,在外墙材料,铝合金窗,玻璃等建筑材料的选择会格外严格,会较大的增加建筑成本7.超高层建筑设计复杂,项目设计和管理水平要求也较高,设计、工程顾问及监理费用会增加8.超高层建筑的消防要求极为严格,凡超过5平方米的房间均要设置火灾探测器9.超高层建筑的配套人防面积也较大考虑到普通框架-剪力墙建筑的造价大约在2200元/平米,超高层的成本在2555元/平米- 2765元/平米左右,全部落地剪力墙的成本则会增加大约500-1000元/平米,而部分框支剪力墙结构的成本与框架-剪力墙结构相仿。
如果结构为45层左右的(与环球中心类似)框架-核心筒结构,造价细目如下表所示。
总体筒中筒结构的造价较难以估计,受建筑外立面,高度等影响巨大,下表是别人收集的中国超高建筑的成本表单方造价从4090-15322 元/平米,很好的显示了这一特点。
由于这种高度的建筑,在设计上往往与众不同,其成本预估较为困难,一般来说在建一个超高层的建筑,价格至少在13000元/平米以上;在则需要10000元/平米以上。
如果建造的不是写字楼,而是住宅或酒店,价格则更高,主要是因为每层的隔断墙的增加和排水系统的增加导致。
下表展示了一个超高层酒店(40层,全部落地剪力墙结构)的建造成本(含装修)其建造成本大致在13910 – 15655 元/平米,扣除装修费用后,。