邦纳超声波传感器使用说明
- 格式:doc
- 大小:291.00 KB
- 文档页数:10
超声波传感器使用说明1.电源接入:将超声波传感器的电源线与电源连接,确保电压稳定。
2.连接触发引脚和接收引脚:超声波传感器有一个触发引脚和一个接收引脚,触发引脚用于发送超声波脉冲,接收引脚用于接收反射波。
将传感器的触发引脚与控制器的IO口相连,接收引脚与控制器的IO口相连。
3.发射超声波脉冲:在控制器上设置触发引脚为高电平,保持一段时间后再下降到低电平。
高电平触发传感器发射超声波脉冲,可以通过设置触发时间来控制脉冲的持续时间,一般来说,脉冲持续时间越长,测量距离的精度越高。
4.接收反射波信号:超声波传感器发射的脉冲波会在物体上反射并返回,传感器接收到这个反射波信号后,触发引脚会发出一个低电平信号。
通过测量这个低电平信号的持续时间,可以计算出目标物体与传感器之间的距离。
一般可以通过控制器的计时器功能来测量这个时间。
5.计算距离:利用传感器发送和接收的时间差,结合超声波在空气中的传播速度,可以精确计算出目标物体与传感器之间的距离。
一般计算公式为:距离=时间差×速度,其中速度一般取340m/s。
6.转换为实际距离:有些超声波传感器会输出一个毫秒级的时间差值,需要根据传感器的数据手册来进行换算,将时间差转换为实际距离。
需要注意的是,超声波传感器对目标物体的性质有一定要求,例如传感器对于反射率较低的物体,如软质材料、液体、吸声材料等,测量距离的精度可能会降低。
此外,超声波传感器也有一定的应用注意事项,比如需要避免在多传感器密集布置的环境下使用,避免互相的干扰;要避免在含有较多尘埃、雾霾等粒子的环境中使用,以免影响测量结果;还要避免在强电磁辐射的环境下使用,以防止电磁辐射对传感器的工作性能产生干扰。
总结起来,超声波传感器的使用非常简单,只需连接电源、触发引脚和接收引脚、发送超声波脉冲,然后通过计算时间差来获取目标物体与传感器之间的距离。
在应用中,还要注意目标物体的特性和环境的影响,以获取准确的测量结果。
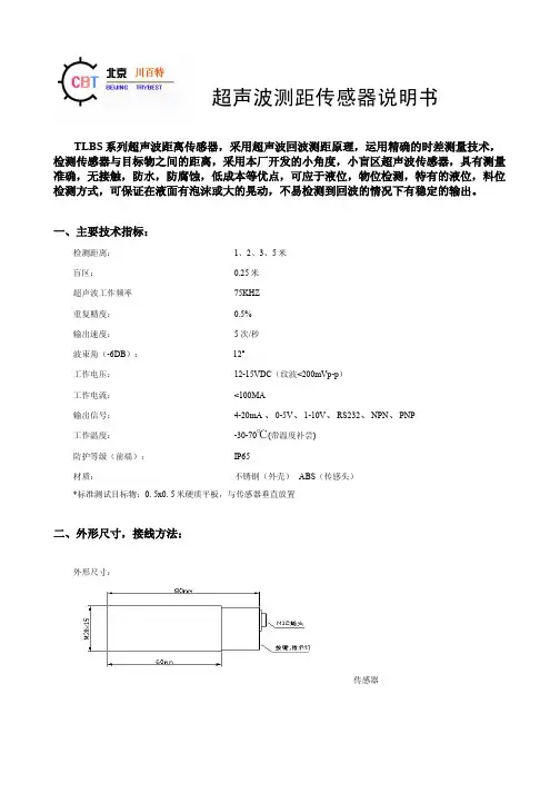
超声波测距传感器说明书TLBS系列超声波距离传感器,采用超声波回波测距原理,运用精确的时差测量技术,检测传感器与目标物之间的距离,采用本厂开发的小角度,小盲区超声波传感器,具有测量准确,无接触,防水,防腐蚀,低成本等优点,可应于液位,物位检测,特有的液位,料位检测方式,可保证在液面有泡沫或大的晃动,不易检测到回波的情况下有稳定的输出。
一、主要技术指标:检测距离:1、2、3、5米盲区:0.25米超声波工作频率75KHZ重复精度:0.5%输出速度:5次/秒波束角(-6DB):12°工作电压:12-15VDC(纹波<200mVp-p)工作电流:<100MA输出信号:4-20mA 、0-5V、1-10V、RS232、NPN、PNP工作温度:-30-70℃(带温度补尝)防护等级(前端):IP65材质:不锈钢(外壳)ABS(传感头)*标准测试目标物:0. 5x0. 5米硬质平板,与传感器垂直放置二、外形尺寸,接线方法:外形尺寸:传感器超声波测距传感器说明书后端输出引脚定义:1:VCC (电源正极)2:GND (电源负极,信号公共端)3:OUT (信号输出)4:OUT (开关输出)5:温度传感器三、传感器量程设置和校准:1:量程设置1) 设置0V输出点按下开关“K”(约1秒)一次,此时LED变为红色,将传感器对准目标平面(传感器与目标平面垂直)按下“K”(约5秒)直至LED 熄灭,此时传感器与目标之间的距离被设定为0V输出点的距离。
2) 设置5V输出点按下开关“K”(约1秒)两次,此时LED变为绿色,将传感器对准目标平面(传感器与目标平面垂直)按下“K”(约5秒)直至LED 熄灭,此时传感器与目标之间的距离被设定为5V输出点的距离。
2:开关输出点距离设定按下开关“K”(约1秒)三次,此时LED变为黄色,将传感器对准目标平面(传感器与目标平面垂直)按下“K”(约5秒)直至LED 熄灭,此时传感器与目标之间的距离被设定为开关输出点的距离。
一、传感器适用范围iVu系列图像传感器用于监视标签、零件和包裹的大小、方向、定位、外形、位置等。
这个传感器集成了一个彩色的触摸屏,可用于图像装入、设置和简单的配置组态且不需连接电脑。
一些实例应用:•日期/签码检测•标签检测•零件蚀点检测•零件方向检测•零件外形检测•工件上的钻孔检测•印制工件检测•包装正确性检测(如:检测包装单在箱体的内部或上面;测试小瓶瓶盖良好)•泡罩包装检测•区域传感器适合检测固定的工件。
二、简单描述:提供此向导的目的是为快速掌握iVu系列传感器的必要信息。
它提供了此传感器的总揽,而且以图解的方式说明了如何设定传感器来检测标签、工件、包装等。
三、邦纳传感器报价税后是:14200RMB四、使用步骤1、退出演示模式(只第一次使用时进行此操作)第一次给iVu 系列传感器上电,它会进入演示模式。
演示模式以保存的图像和检测参数来示范如何配置传感器,而不需要考虑聚焦、光源或是触发。
在这种模式下,你可以学到如何对这三种传感器形式进行调整,观察到调整对整个图像的影响。
要退出演示模式,可以通过主菜单-系统-传感器类型,然后选择退出演示模式。
当退出演示模式后,传感器重启进入正常操作模式。
注意:你可以随时通过“主菜单-系统-传感器类型-选择进入演示模式”的方式回到演示模式。
当退出演示模式时,需要重启传感器实现图形模式匹配设置,通过以下步骤更改传感器类型: 1)在屏幕的左下角,点击此图标, 显示如下主菜单2)在主菜单中点击图标,显示如下系统菜单3)点击传感器型号,在监视器上选择工具,再点击”Apply应用”图标4)点击主屏幕左上角的图标,就是可以回到主屏幕(如果没有演示模式就不用进行上述操作了)2、选择外部触发(外部触发是运行,内部触发是调试)1)默认状态的触发方式是内部触发,可以更改到外部触发(主菜单图标>图像图标>触发>外部2)外部触发进行的设置(主菜单图标>系统设置图标>开关量I/O>输入极性>选择高电平到低电平>返回>输入上拉>选择使能>返回>输出1和2都选错误)演示图如下:3、获得图像1)通过调整安装角度来获得被检测物清晰对比分明的图像,通过附带的安装支架很容易的在线调整传感器的安装位置,使被检测物的图像全部显示在屏幕上。
一、简介URM37 V3.2上已经很好的实现了超声波开关量、串口(TTL和RS232电平可选)、脉冲输出功能、模块还可以控制一个舵机的旋转组成一个空间超声波扫描仪。
为了方便客户使用模块,在出厂时可以根据客户需要配置其相应的参数,也可以根据客户具体需求定制软件,使他成为一个专用的模块。
当前版本URM37 V4.0在V3.2基础上对功能进行了升级使其具有更好的智能功能,机械尺寸与引脚接口以及通信命令兼容V3.2,在V3.2基础上做了如下更改:●串口电平选择由原来的跳针方式改为通过按键设置,用户可以轻松的选择TTL电平输出或是RS232电平输出(重启之后模式生效)。
●修改了测距算法,使测量盲区减小,精度提高。
●具有模拟电压输出功能,电压和测量距离正比。
●宽电压支持+3.3V-5.0V。
●具有电源接反保护功能。
●自动测量时间间隔可修改。
●修改舵机控制角度为0-180,兼容市面大部分舵机。
●测量时长为100ms。
二、产品参数1.产品规格●工作电源:+3.3V~+5.0V●工作电流:<20mA●工作温度范围:-10℃~+70℃●超声波距离测量:●最大测量距离―500cm●最小测量距离―5cm●分辨率-1cm●精度-1%●模块尺寸22mm ×51 mm●模块重量:约25g●超声波一次测量时间为100ms2.技术说明●由于使用了更好的测距处理方法,使测量距离更远更稳定,在测量上完全兼容V3.2,但是我们可以做到在0.3-3M的距离上稳定2mm的精度,如果有需要可以和公司联系定制。
●模块使用RS232串口通讯可靠性更高,同时可以通过电脑串口采集数据,编写通讯程序非常的便捷。
●串口电平工作方式是TTL还是RS232选择方式为按键设置或者软件设置(重启之后模式生效)。
●模块可以通过脉宽输出的方式将测量数据输出,这样使模块使用更简单。
●模块可以预先设定一个比较值,在自动测量模式下,测量距离小于这个值后管脚COMP/Trig输出一个低电平,这样模块能够方便的作为一个超声波接近开关使用。
ApplicationThe sensor measures the spectral absorption of process liquids in the ultraviolet region of the electromagnetic spectrum.•Measurement of protein concentrations •Chromatography monitoring •Filtration monitoring •Concentration measurement of organic compounds •Detection of aromatesYour benefits•Improved process control and easier quality control thanks to quick and reliable monitoring of product concentration –Measuring range up to 2.5 AU or 50 OD (depending on optical path length)–Measurement of UV absorption at discrete wavelengths between 254 nm and 313 nm –Outstanding filter properties for highest linearity –Direct concurrence with laboratory values –Integrated reference detector for lamp compensation –Gas discharge lamp for long service life and stable measured values •FM- and ATEX-approved lamps for applications in the hazardous area •Compliance with life sciences sector thanks to hygienic design and FDA- and USP-compliant sealing materials •High degree of product safety as SIP/CIP-resistant •High product yield thanks to low volume requirements •Maximum durability in all applications owing to wide range of materials and process connections •Can be adapted to process requirements:Optional air purge ports to prevent the formation of condensate on the optical windowsProducts Solutions ServicesTechnical Information OUSAF46Optical sensor with the OUA260 flow assembly for the measurement of UV absorptionTI01190C/07/EN/02.1771388454OUSAF462Endress+HauserFunction and system designMeasuring principle Light absorption The measuring principle is based on the Lambert-Beer law.There is a linear dependency between the absorption of light and the concentration of the absorbing substance:A = -log(T) = ε . c . OPL T = I/I 0T ... Transmission I ... Intensity of received light at detector I 0 ... Intensity of transmitted light of light source A ... Absorption ε ... Extinction coefficient c ... Concentration OPL ... Optical path lengthA light source emits radiation through the medium and the incident radiation is measured on the detector side.The subsequent conversion to absorbance units (AU, OD) is performed in the associated transmitter.1Absorption measurement with reference 1Light source 2Optical windows 3Measurement filter 4Measuring detector 5Lens 6Medium flow 7Reference filter 8Reference detectorOUSAF46 has 2 pairs of reference and measuring detectors (= 2 channels). Only one channel is shown for the sake of simplicity.Measuring system An optical measuring system comprises:•Sensor (photometer) OUSAF46•Transmitter, for example Liquiline CM44P •Cable set, for example CUK80•Assembly OUA260OUSAF46Endress+Hauser 32Example of a measuring system with a photometer sensor 1pipe 5Flow assembly OUA2602Transmitter CM44P 6Sensor: light source (lamp)3CUK80 cable set 7CUK80 cable set 4Sensor: detector InputMeasured variableUV-absorption Measuring range •0 to 2.5 AU •Max. 50 OD (depending on the optical path length)WavelengthDiscrete wavelength at 254, 280, 295 or 313 nm Power supplyElectrical connection The sensor is connected to the transmitter using the pre-terminated or labeled cable set CUK80 (for connection to CM44P) or OUK (for connection to CVM40) . The terminals and labeling may vary depending on the transmitter in use. The cable set must be ordered separately.OUSAF464Endress+Hauser3OUSAF46 connecting cable ALight source (lamp) power supply B Signals of measurement and reference detectorCable lengthMaximum 100 m (330 ft)Lamp voltage Versions for use inhazardous areas 1)Safety instructions for electrical apparatus in explosion-hazardous areas, XA01403CConnecting the detector using a safety barrierThe photometer sensors use silicon photovoltaic cells as detectors which are operated in the current mode. The detectors are intrinsically safe and can be deployed in Zone 1 and Class I, Division 1environments.1)Applies only to measuring points consisting of a photometer, CUK80 cable set and Liquiline CM44P transmitter.OUSAF46Endress+Hauser 5The safe area is separated from the hazardous area by safety barrier MTL7760AC.4Safety barrier, dimensions in mm (inch)The safety barrier may only have a very low leak current since the optical signals from the sensor can be in the nanoampere range. Therefore, the sensor cable shield is connected to the ground terminal of the barrier.On delivery, the CUK80 detector cable is permanently wired to the . All you have to do is simply connect the individual cable ends to the detector and transmitter.Connecting the hazardous area lamp using a junction boxThe hazardous area lamp (EXP-1) must be connected to the transmitter using a certified junction box.For versions with FM approval, the junction box is included in the delivery and already pre-terminated on the lamp side. You simply have to connect the cable of the transmitter (CUK80)to the terminals of the junction box.For versions with ATEX approval, the junction box is not included in the delivery and it and the cable glands required must be provided by the customer at the place of installation. You must connect the cables entirely on your own (CUK80 of transmitter and lamp cable of photometer sensor).OUSAF466Endress+HauserInstallation5Mounting angles. The arrows indicate the direction of medium flow in the pipe.ASuitable mounting angle, better than C BOptimum mounting angle, best installation position CAcceptable mounting angle DMounting angle to be avoided E Forbidden mounting angleEnvironmentAmbient temperature0 to 55 °C (32 to 130 °F)Storage temperature-10 to +70 °C (+10 to +160 °F)Humidity5 to 95 %Degree of protection IP 65 (NEMA 4) for all optical partsProcessProcess temperature 0 to 90 °C (32 to 194 °F) continuousMax. 130 °C (266 °F) for 2 hoursProcess pressure Max. 100 bar (1450 psi) absolute, depending on the material, pipe size and process connection of the flow assemblyOUSAF46Endress+Hauser 7Mechanical construction6Sensor module ADimension of lamp → Table BDimension of detector → Table C Assembly, see Technical Information for assembly The total length of the sensor module is derived from the lengths of the lamp, the detector and the assembly.The dimensions of the OUA260 assembly are provided in Technical Information, TI00418C.‣Allow an additional gap of 5 cm (2") on both the lamp side and detector side of the sensor to connect the sensor cable.Weight SensorUV lamp0.58 kg (1.28 lbs)UV lamp with wire-braided cable (1.2 m (4 ft)) and junction box (sensor for hazardous area)3.2 kg (6.66 lbs)Easycal detector0.53 kg (1.17 lbs)Standard detector0.78 kg (1.71 lbs)Materials Sensor housingStainless steel 316Assembly OUA260Stainless steel 316, 316L or Kynar Cable connector endsNickel-plated brass Light sourceLow-pressure mercury lampLamp operating life: typically 3000 hDetectorUV silicon detector, hermetically sealed Filter Multilayer interference filter, designed for extreme UV conditionsOUSAF468Endress+HauserCertificates and approvalsmark Declaration of ConformityThe product meets the requirements of the harmonized European standards. As such, it complies with the legal specifications of the EU directives. The manufacturer confirms successful testing of the product by affixing to it the mark.Ex approvals •ATEX II 2G Ex db IIC T5 Gb •FM Cl.1, Div. 1, Groups B, C, DFDA conformityAll non-metal parts in contact with medium, such as rubber and plastic parts, meet the requirements of FDA 21 CFR 177.2600. The plastic and elastomer parts of the sensor in contact with medium have passed the biological reactivity tests according to USP <87> and <88> Class VI.Ordering informationProduct page /ousaf46Product Configurator On the product page there is a "Configure" button to the right of the product image Configure .1.Click this button. The Configurator opens in a separate window.2.Select all the options to configure the device in line with your requirements. In this way, you receive a valid and complete order code for the device.3.Export the order code as a PDF or Excel file. To do so, click the appropriate button on the rightabove the selection window.For many products you also have the option of downloading CAD or 2D drawings of the selected product version. Click the tab for this CAD and select the desired file type using picklists.Scope of delivery The scope of delivery consists of the following :•Detector and lamp module without flow assembly or •Detector and lamp module mounted on flow assembly •Operating InstructionsOrdering the sensor together with a transmitter:If you select the calibration option in the Product Configurator for the transmitter , the complete measuring system (transmitter, sensor, cable) is factory-calibrated and shipped as one package.‣If you have any queries:Please contact your supplier or local sales center.AccessoriesThe following are the most important accessories available at the time this documentation was issued.‣For accessories not listed here, please contact your Service or Sales Center.OUSAF46Endress+Hauser 9Flow assembly OUA260•Flow assembly for hygienic sensors •For sensor installation in pipes •Materials: stainless steel 316, 316L or Kynar (other materials available on request)•Wide variety of process connections and path lengths available •Product Configurator on the product page:/oua260Technical Information TI00418CCable CUK80 cable set •Pre-terminated and labeled cables for connecting analog photometer sensors •Product Configurator on the product page: /cuk80CalibrationKit OUSAF46 EasyCal retrofit kit •Patented system traceable to NIST for the calibration of UV absorption sensors •Order numbers:–254 nm: 71210149–280 nm: 71210150–295 nm: 71210156–313 nm: 71210151Reference rod Order number: 71108543。
超声波传感器使用说明书浙江亚龙教育装备股份有限公司全国机电一体化产品的装配与调试竞赛指定产品目录一、超声波传感器介绍: (3)(一)、超声波传感器参数表 (3)(二)、外观介绍 (3)(三)、工作原理 (4)(四)、参数设置 (4)(五)、超声波传感器接线说明 (5)二、西门子S7-224XP与超声波传感器使用说明 (6)(一)、接线原理图 (6)(二)、编程思路 (6)三、三菱FX0N-3A模拟量模块与超声波传感器的使用说明 (8)(一)、接线原理图 (8)(二)、编程思路 (9)四、汇川H2U-6A扩展卡与超声波传感器的使用说明 .............................................................. 错误!未定义书签。
(一)、接线原理图 .................................................................................................................. 错误!未定义书签。
(二)、编程思路 ...................................................................................................................... 错误!未定义书签。
一、超声波传感器介绍:(一)、超声波传感器参数表(二)、外观介绍图1-1如1-1图所示:左边绿色指示灯为电源和信号强度指示灯,右边黄色指示灯为信号输出指示灯,TEACH为调节按钮(三)、工作原理图1-2 工作原理图如图1-2所示:可分为四个区域,最小和最大工作范围,近限和远限设定点。
(1)检测物体在最小和最大工作范围内,电源指示灯变为绿色,代表物体在可工作区域内;(2)检测物体在近限和远限设定点内,信号指示灯变为黄色,代表物体在设定点范围内,有信号输出;(3)检测物体在最小和最大工作范围外,电源指示灯变为红色,信号指示灯变为白色,代表物体在工作范围外,无信号输出。
超声波传感器应用指南超声波传感器是一种常见的测距传感器,广泛应用于工业自动化、车辆安全、医疗设备等领域。
它通过发射超声波信号并接收回波来测量与目标物之间的距离,具有测距准确、灵敏度高、响应速度快等优点。
下面将介绍超声波传感器的应用指南。
首先,超声波传感器在工业自动化中的应用十分广泛。
它可以用于测量物体的距离、位置和速度。
比如在自动化仓储系统中,超声波传感器可以用来检测货物的位置和堆叠情况,实现自动化的货物分类和垛码。
在装配生产线上,超声波传感器可以用来检测零件的位置和装配情况,实现自动化的装配和质检。
此外,超声波传感器还可以应用于流水线输送带的物体检测和空间测量等。
其次,超声波传感器在车辆安全系统中的应用也非常重要。
超声波传感器可以用来检测车辆周围的障碍物,帮助驾驶员进行倒车、泊车和避障操作。
特别是在大型车辆和机动车辆的行驶中,超声波传感器可以提供精确的距离测量,并及时向驾驶员发出警示,以避免碰撞事故的发生。
此外,超声波传感器还可以用于自动驾驶系统中,通过实时感知周围环境的障碍物来做出决策和控制。
此外,超声波传感器在医疗设备中也有广泛的应用。
它可以用于测量医疗设备与患者之间的距离,如超声心动图中测量心脏距离和血流速度、超声检查中测量腹部器官的大小和位置等。
超声波传感器还可以用于无创血糖监测仪、呼吸机和监护仪等设备中,实时监测病人的生理参数,并及时发出警报。
除了以上应用领域外,超声波传感器还可以在环境监测、智能家居、机器人等领域得到应用。
在环境监测中,超声波传感器可以用来测量水位、液位和物体位置。
在智能家居中,超声波传感器可以用来检测人体和障碍物,实现智能灯光自动调节和安防报警。
在机器人领域,超声波传感器可以用于机器人的避障、导航和定位。
总之,超声波传感器具有广泛的应用领域和广阔的市场前景。
它在工业自动化、车辆安全、医疗设备等领域起着重要的作用,为人们的工作和生活带来了便利和安全。
随着技术的不断发展,超声波传感器的功能和性能还将不断提升,为更多的应用场景提供更加精确和可靠的测距解决方案。
超声波传感器使用说明书浙江亚龙教育装备股份有限公司一、超声波传感器介绍:(一)、超声波传感器参数表(二)、外观介绍图1-1如1-1图所示:左边绿色指示灯为电源和信号强度指示灯,右边黄色指示灯为信号输出指示灯,TEACH为调节按钮(三)、工作原理图1-2 工作原理图如图1-2所示:可分为四个区域,最小和最大工作范围,近限和远限设定点。
(1)检测物体在最小和最大工作范围内,电源指示灯变为绿色,代表物体在可工作区域内;(2)检测物体在近限和远限设定点内,信号指示灯变为黄色,代表物体在设定点范围内,有信号输出;(3)检测物体在最小和最大工作范围外,电源指示灯变为红色,信号指示灯变为白色,代表物体在工作范围外,无信号输出。
(四)、参数设置1、近限和远限手动设置(1)进入编程模式:长按TEACH Push Button 直到OUT灯变红;(2)设置低限:短按TEACH Push Button,设置完成OUT灯闪烁;(3)设置高限:短按TEACH Push Button,设置完成退出编程模式,进入RUN 模式OUT灯变回初始状态;(4)低限或高限没有设置完成前,长按TEACH Push Button,退出编程模式;(5)在编程模式下,低限设置前,如果时间超过120秒,退出编程模式(五)、超声波传感器接线说明图1-3棕色(bn):+24v蓝色(bu):0V(模拟量输出公共端)白色(wh):模拟量输出端黑色(bk):开关量信号端灰色(gy):远程终端屏蔽线(shiled):接地端mm 数字量68mm28mm6000320000二、西门子S7-224XP 与超声波传感器使用说明(一)接线原理图图1-4(二)编程思路S18UIA 传感器输出为4~20ma 的电流,西门子224XP 系列PLC 模拟量输入为0~10v 满量程为0~32000;所以在模拟量输出端外加500欧姆的电阻转化为2~10v 的电压。
此处实例:下限高度为28mm 上限高度为68mm由公式y=kx+b 可以计算出 K=650;b=-12200图1-5首先把模拟量转化成数字量的值读出来,放到累加寄存器AC0内,然后把AC0内的值转化成实数,进行实数运算,按照公式和图1-5所示,要得到X的值,首先把b的值进行补偿计算,然后再除以斜率K的值,得到高度值存放在VD1051中。
美国邦纳BANNER超声波传感器Q45U产品性能•即可在100mm到3000mm检测距离间进行窗口设定
•微处理器控制的“示教”模式可以方便地设定检测窗口,只需将被测物置于检测位置第一设定点,点击一下按键,再将被测物置于检测位置第二设定点,点击按键即可。
可选响应模式及响应时间Q45U开关量传感器可设置为开/关到位控制模式或高/低料位控制•开/关控制模式中,被测物位于检测窗口内或外,常开或常闭输出导通
•高/低料位控制模式中,当被测物位于第一设定点输出导通,并保持至被测物达到第二设定点
•适于料位控制模式,张力控制等类似应用
•响应时间可通过DIP开关在20ms - 640ms (1 -32个周期)之间进行选择
•模拟量输出传感器具有电位器,可在40ms -1.28s之间进行调整。
邦纳超声波传感器操作说明邦纳超声波传感器操作说明1. 简介邦纳超声波传感器是一种用于测量距离和探测障碍物的设备。
它使用超声波技术,通过发射超声波脉冲并测量其返回时间来实现测量和探测功能。
2. 组件与连接邦纳超声波传感器由以下组件组成:- 发射器:用于发射超声波脉冲。
- 接收器:用于接收返回的超声波信号。
- 控制电路:控制超声波的发射和接收,并将测量结果输出。
连接超声波传感器时,请按照以下步骤进行操作:1. 将传感器的电源引线连接到适当的电源电压。
2. 连接传感器的信号线到控制电路的输入端。
3. 连接传感器的地线到电源的地线。
3. 工作原理邦纳超声波传感器的工作原理如下:1. 发射器发射超声波脉冲。
2. 脉冲到达目标物体后,一部分能量被反射回传感器。
3. 接收器接收到返回的超声波信号。
4. 传感器测量返回信号的时间差,并将其转换为距离。
4. 使用说明为了正确使用邦纳超声波传感器,请遵循以下步骤:1. 在使用前,请确保传感器的连接正确,电源电压符合要求。
2. 设置适当的工作模式,如测距模式或障碍物检测模式。
3. 使用控制电路进行数据读取和处理。
4. 根据测量结果进行相应的操作。
5. 维护与注意事项为保持邦纳超声波传感器的性能和可靠性,请注意以下事项:1. 定期清洁传感器表面,保持其在正常工作环境下的清洁并防止积尘。
2. 避免将传感器暴露在极端温度或湿度环境中。
3. 避免将传感器受到剧烈的震动或冲击。
4. 如果发现传感器故障或异常情况,请立即停止使用并联系技术支持。
附件:本文档无附加内容。
法律名词及注释:- 无。
P/N 57438C213001A• 快速简便的按键编程设定,无需电位器调整• 开关量和模拟量输出可以同时或单独使用,可选增量或减量输出• 远程设定输入可保证设定安全和方便• 检测距离可选150mm ~ 1000mm 和300mm ~ 2000mm 两种• 宽范围操作温度-20ºC ~ +70ºC• 开关量输出可选NPN 和PNP 型,模拟量输出可选0 ~ 10V 或4 ~ 20mA• LED 指示灯可显示电源上电,信号强度和输出• 可选2m 或9m 电缆式或5芯接插件式• 紧凑的自含式外型• 防护等级IEC IP67, NEMA 6P ,适应恶劣的外部环境* 注:9m 电缆式需在型号后加“W/30”后缀,例如:T30UUNA W/30U-GAGE T30 系列开关量和模拟量输出超声波传感器U-GAGE T30系统是超声波检测方面一种操作简便、效果理想的超声波传感器。
简单的按键设定方式可满足各种应用场合。
特别是测量方面如液位检测和不同高度物体的分拣等。
每个传感器均有一个模拟量和一个开关量输出端,它们可以设定为具有相同的检测窗口,也可以分别设定为具有不同的检测窗口,每个输出还可设定为以设定点为中心的10mm 宽的检测窗口。
检测窗口检测窗口可以通过多种方法设定,下面介绍按键编程步骤,远程设定端的使用方法见第4页。
注:当传感器处于编程和工作状态之间时,所有指示灯熄灭,然后根据设定状态,相应指示灯亮。
在编程状态时,传感检测窗口为最大范围。
模拟量或开关量窗口设定1. 选择要设定的输出(模拟量或开关量),按住相应按键2 秒以上,直到绿色电源指示灯熄灭,相应的黄色输出指示灯亮,此时传感器进入编程状态。
2. 将检测物放置在第一个位置并按一下按键,使传感器记忆第一个位置,此时,黄色输出指示灯闪,表示第一个位置记忆完毕,准备设定第二个位置。
3. 将被测物放置在第二个位置并按一下按键,使传感器记忆第二个位置,此时,黄色输出指示灯熄灭,绿色电源指示灯亮,此时,传感器进入正常工作状态。
一、简介URM37 V3.2上已经很好的实现了超声波开关量、串口(TTL和RS232电平可选)、脉冲输出功能、模块还可以控制一个舵机的旋转组成一个空间超声波扫描仪。
为了方便客户使用模块,在出厂时可以根据客户需要配置其相应的参数,也可以根据客户具体需求定制软件,使他成为一个专用的模块。
当前版本URM37 V4.0在V3.2基础上对功能进行了升级使其具有更好的智能功能,机械尺寸与引脚接口以及通信命令兼容V3.2,在V3.2基础上做了如下更改:●串口电平选择由原来的跳针方式改为通过按键设置,用户可以轻松的选择TTL电平输出或是RS232电平输出(重启之后模式生效)。
●修改了测距算法,使测量盲区减小,精度提高。
●具有模拟电压输出功能,电压和测量距离正比。
●宽电压支持+3.3V-5.0V。
●具有电源接反保护功能。
●自动测量时间间隔可修改。
●修改舵机控制角度为0-180,兼容市面大部分舵机。
●测量时长为100ms。
二、产品参数1.产品规格●工作电源:+3.3V~+5.0V●工作电流:<20mA●工作温度范围:-10℃~+70℃●超声波距离测量:●最大测量距离―500cm●最小测量距离―5cm●分辨率-1cm●精度-1%●模块尺寸22mm ×51 mm●模块重量:约25g●超声波一次测量时间为100ms2.技术说明●由于使用了更好的测距处理方法,使测量距离更远更稳定,在测量上完全兼容V3.2,但是我们可以做到在0.3-3M的距离上稳定2mm的精度,如果有需要可以和公司联系定制。
●模块使用RS232串口通讯可靠性更高,同时可以通过电脑串口采集数据,编写通讯程序非常的便捷。
●串口电平工作方式是TTL还是RS232选择方式为按键设置或者软件设置(重启之后模式生效)。
●模块可以通过脉宽输出的方式将测量数据输出,这样使模块使用更简单。
●模块可以预先设定一个比较值,在自动测量模式下,测量距离小于这个值后管脚COMP/Trig输出一个低电平,这样模块能够方便的作为一个超声波接近开关使用。
超声波传感器声波探测仪安全操作及保养规程超声波传感器声波探测仪是一种非接触式传感器,用于测量物体的距离和位置。
由于其高效、快捷的测量方式,被广泛应用于自动化生产、机器人、测量检测等领域。
为确保超声波传感器的安全、稳定运行,使用者需要遵循以下操作和保养规程:安全操作规程1. 电源与电气接线1.保险丝规格:采用3A保险丝,不能更换为其他规格。
2.外接供电电压要求:12-24VDC,正、负电源接线要正确。
3.使用时,必须按照产品说明书要求接线,否则会损坏仪器设备。
2. 环境1.超声波传感器声波探测仪应安装在干燥、无尘、无酸雾、无碱雾的环境中。
2.避免在强电磁环境下使用,如高频感应设备、强电磁辐射等场所,以免对超声波传感器声波探测仪产生影响。
3.避免在太阳直射的地方或高温、低温、潮湿环境下使用,以免对传感器产生影响。
3. 技术要求1.定期清洁仪器表面和反射面,避免积尘和异物影响仪器反射效果和检测精度。
2.积极发现和处理所有异常情况,如检测精度下降、读数不稳定、超声波传感器声波探测仪表面表现异常等。
若发现异常,及时停用设备,检查设备是否损坏并及时修理或更换附件。
3.不容许私自进行开机等操作,更加不允许擅自将超声波传感器声波探测仪进行各种改装。
保养规程超声波传感器声波探测仪要求定期进行维护和保养,以确保其正常工作。
以下是常用保养方法:1.清洁反射面,“反射面”是超声波传感器最重要的部分。
在使用过程中,受外界环境影响,会有各种污物、尘埃、油脂等附着在反射面上影响检测效果,应不定期进行清洁。
2.清洗表面,应当采用温水擦拭,并不得使用含酸碱的清洗剂。
以免损坏超声波探测仪表面。
3.存储条件:超声波传感器声波探测仪应存放在干燥、无尘、无酸雾、无碱雾的环境中,避免在阳光直射的地方存放。
4.镜头保护:超声波传感器声波探测仪外包装有专门的镜头保护装置,严格保护镜头,以免受到外界物体的撞击而破碎。
总之,对超声波传感器声波探测仪保养工作的重视将直接影响其使用寿命和测量精度。
Setting the cutoff distance截止距离的调节Using a small screwdriver in the adjustment screw , adjust the cutoff distance until the threshold is reached and the green light indicator changes state.(If the indicator never comes ON, the background is beyond the maximum sensing cutoff and be ignored.)用一个小起子调节螺丝旋钮,调节截止距离,直到其临界值且绿色指示灯状态变化。
(如果指示灯没有on,则为背景超过了最大传感距离,且被忽略)Note the position of the rotating cutoff position indicator at this position.注意,旋转的该位置就是截止位置。
Then repeat the procedure, using the darkest target, placed in its most distant position for sensing. Adjust the cutoff so that the indicator is midway between the two positions.重复以上过程,在黑暗目标,用更远的距离进行感应,调节截至距离直到其在两个刻度的中间位置。
Sensing Reliability传感器可靠性For highest sensitivity, the sensor-to-object distance should be such that the object will be sensed at or near the point of maximum excess gain.为了获得高灵敏度,被检测物体的感应距离必须满足以下条件:该物体必须要在传感器的额定增益之内。
超声波传感器
使用说明书
浙江亚龙教育装备股份有限公司
一、超声波传感器介绍:
(一)、超声波传感器参数表
(二)、外观介绍
图1-1
如1-1图所示:左边绿色指示灯为电源和信号强度指示灯,右边黄色指示灯为信号输出指示灯,TEACH为调节按钮
(三)、工作原理
图1-2 工作原理图
如图1-2所示:可分为四个区域,最小和最大工作范围,近限和远限设定点。
(1)检测物体在最小和最大工作范围内,电源指示灯变为绿色,代表物体在
可工作区域内;
(2)检测物体在近限和远限设定点内,信号指示灯变为黄色,代表物体在
设定点范围内,有信号输出;
(3)检测物体在最小和最大工作范围外,电源指示灯变为红色,信号指示灯变为白色,代表物体在工作范围外,无信号输出。
(四)、参数设置
1、近限和远限手动设置
(1)进入编程模式:长按TEACH Push Button 直到OUT灯变红;
(2)设置低限:短按TEACH Push Button,设置完成OUT灯闪烁;
(3)设置高限:短按TEACH Push Button,设置完成退出编程模式,进入RUN 模式OUT灯变回初始状态;
(4)低限或高限没有设置完成前,长按TEACH Push Button,退出编程模式;
(5)在编程模式下,低限设置前,如果时间超过120秒,退出编程模式
(五)、超声波传感器接线说明
图1-3
棕色(bn):+24v
蓝色(bu):0V(模拟量输出公共端)
白色(wh):模拟量输出端
黑色(bk):开关量信号端
灰色(gy):远程终端
屏蔽线(shiled):接地端
mm 数字
量68mm
28mm
6000
320000
二、西门子S7-224XP 与超声波传感器使用说明
(一)接线原理图
图1-4
(二)编程思路
S18UIA 传感器输出为4~20ma 的电流,西门子224XP 系列PLC 模拟量输入为0~10v 满量程为0~32000;所以在模拟量输出端外加500欧姆的电阻转化为2~10v 的电压。
此处实例:
下限高度为28mm 上限高度为68mm
由公式y=kx+b 可以计算出 K=650;b=-12200
图1-5
首先把模拟量转化成数字量的值读出来,放到累加寄存器AC0内,然后把AC0内的值转化成实数,进行实数运算,按照公式和图1-5所示,要得到X的值,首先把b的值进行补偿计算,然后再除以斜率K的值,得到高度值存放在VD1051中。
三、三菱FX0N-3A模拟量模块与超声波传感器的使用说明
(一)接线原理图
图1-4
(二)编程思路
S18UIA传感器输出为4~20mA的电流,三菱FX0N-3A模拟量模块输入为4~20mA,量程为0~250;
此处实例:
下限高度为28mm
上限高度为68mm
由公式y=kx+b可以计算出
K=25/4;b=-700/4;
图2-5
首先把模拟量转化成数字量的值D0转换成浮点数放入D5,再根据图2-5计算,将高度值存入D20。
四、汇川H2U-6A扩展卡与超声波传感器的使用说明
(一)接线原理图
图1-4
(二)编程思路
S18UIA传感器输出为4~20mA的电流,汇川H2U-6A扩展卡输入为0~20mA,量程为0~10000;
此处实例:
下限高度为28mm
上限高度为68mm
由公式y=kx+b可以计算出
K=200;b=-3600;
图2-5
根据图2-5计算,将高度值存入D30。