工程WHS质量控制点明细表
- 格式:doc
- 大小:705.50 KB
- 文档页数:30
110kV线路工程(含电缆)质量控制关键点清单见证点(W点)、停工待检点(H)、旁站点(S点)。
1、见证点W (Witness Point)
在规定的施工关键过程(工序)实施前,项目监理、设计、建设单位等责任方在约定的时间到现场进行见证检查或进行文件检查的控制点,相关检查方在规定的时间未能到场见证,作业单位可以认为已获认可,可继续进行该项作业。
2、停工待检点H (Hold Point)
针对作业过程中有特殊要求而设置的控制点,项目监理、设计、建设单位等责任方应在约定的时间到现场对该控制点进行监督检查,未经检查认可不得超越该点作业,除非预先有监督机构的书面认可。
但如果检查方不在操作现场,作业方又查明已根据合同规定预先通知了责任方,则作业方在以书面形式正式通知责任方48小时后,可以进行下一道作业。
3、旁站点S (Standby Point)
针对工程关键部位和关键工序的施工质量而设置的全过程连续监控点。
WHS质量控制点设置计划表批准:年月日审核:年月日编制:年月日××××××工程监理项目部隐蔽工程/关键工序质量旁站点(S)控制计划工程名称:序号工序名称工作重点工序类型存在此工序的工作面作业频数计划时间负责人1 普通基础混凝土浇筑混凝土投入原材料质量及计量、地脚螺栓、主钢筋、底层(掏挖)断面尺寸、基础埋深、混凝土浇筑、混凝土强度、基础跟开、坍落度检查、混凝土配合比检查、试块制作、回填土(填写铁塔基础形式,每一种站一行)(填写此基础形式铁塔号)2 灌注桩基础钢筋笼入孔、混凝土浇筑1.钢筋笼原材料质量及数量、制作尺寸。
2.地脚螺栓、主钢筋、桩深、桩径、混凝土浇筑、混凝土强度、基础跟开、坍落度检查、混凝土配合比检查、试块制作(填写铁塔基础形式,每一种站一行)(填写此基础形式铁塔号)3 接地电阻测试检测仪表是否合格有效,检测方法是否正确,检测数据是否合格。
4 导线耐张线夹压接1.压接机具型号、参数检查;导线型号、外观检查;耐张线夹型号、规格、外观检查;2.压接工艺的监督,压接后的验收。
(分耐张、转角塔)(填写铁塔号)5 导线接续管压接1.压接机具型号、参数检查;导线型号、外观检查;接续管型号、规格、外观检查;2.压接工艺的监督,压接后的验收。
(填写设计或计划点)6 地线耐张线夹压接1.压接机具型号、参数检查;导线型号、外观检查;耐张线夹型号、规格、外观检查;2.压接工艺的监督,压接后的验收。
(分耐张、转角塔)(填写铁塔号)7 地线接续管压接1.压接机具型号、参数检查;导线型号、外观检查;接续管型号、规格、外观检查;2.压接工艺的监督,压接后的验收。
(填写设计或计划点)8 光纤接续1.接续机具型号、参数检查;光纤型号、外观检查;2.接续工艺的监督,接续后的验收。
(填写设计或计划点)工程名称:序号工序名称工作重点工序类型存在此工序的工作面作业频数计划时间负责人1 路径复测转角桩角度、档距、被跨越物高程、杆(塔)位高程、地形凸起点高程、测量及检查用的仪器(仪表、量具)2 普通基础分坑和开挖基础坑深、基坑土质、基础坑底板尺寸(填写铁塔基础形式,每一种站一行)(填写此基础形式铁塔号)3 岩石、掏挖基础分坑与开挖基础坑深、基坑土质、基础坑底部尺寸(填写铁塔基础形式,每一种站一行)(填写此基础形式铁塔号)4 现浇基础模板安装模板及其支架应具有足够的承载能力、刚度和稳定性;隔离剂使用;模板安装要求;各部分尺寸偏差。
线路工程质量控制关键点清单WHS 见证点〔W点〕、停工待检点〔H〕、旁站点〔S点〕。
1、见证点W (Witness Point)
在规则的施工关键进程(工序)实施前,项目监理、设计、树立单位等责任方在商定的时间到现场停止见证反省或停止文件反省的控制点,相关反省方在规则的时间未能到场见证,作业单位可以以为已获认可,可继续停止该项作业。
2、停工待检点H (Hold Point)
针对作业进程中有特殊要求而设置的控制点,项目监理、设计、树立单位等责任方应在商定的时间到现场对该控制点停止监视反省,未经反省认可不得逾越该点作业,除非预先有监视机构的书面认可。
但假设反省方不在操作现场,作业方又查明已依据合同规则预先通知了责任方,那么作业方在以书面方式正式通知责任方48小时后,可以停止下一道作业。
3、旁站点S (Standby Point)
针对工程关键部位和关键工序的施工质量而设置的全进程延续监控点。
W H S质量控制点设置表公司标准化编码 [QQX96QT-XQQB89Q8-NQQJ6Q8-MQM9N]牟定县2014年农村电网改造升级10kV及以下工程 WHS质量控制点设置表牟定县2014年农村电网改造升级10kV及以下工程监理项目部(章)2014年05月审批:(总监理工程师)年月日编写:(专业监理工程师)年月日1、工程概况:牟定县包括6个乡镇,16个行政村、22个自然村;新建(改造)10kV 架空线路;架空线路;架空线路;安装变压器27台,容量2480kVA,完成户表改造842户。
安装JP柜27台预算投资万元。
2、编制目的:为贯彻执行中国南方电网有限公司《基建工程质量控制作业标准(WHS)》,强化工程建设全过程质量控制,提高工程施工质量管理水平,使工程施工全过程处于受控状态,最终实现达标投产的目标。
3、编制依据:国家和行业颁布的现行与电力建设工程项目有关的法律、法规、规章、规范及规程;《工程建设标准强制性条文》;中国南方电网有限公司《基建工程质量控制作业标准(WHS)》;本工程设计文件及相关技术资料。
4、WHS点设置计划:根据工程特点,按工程性质和检查方式设置WHS点,详见附表《牟定县2014年农村电网改造升级10kV及以下工程WHS控制点设置表》。
5、控制措施:见证点(W):按《牟定县2014年农村电网改造升级10kV及以下工程WHS控制点设置表》中设置的W点,施工实施过程中在规定时间内提前通知相关部门,在约定时间到现场进行见证检查并核查相关技术文件,直至该项目经检验合格并得到书面认可,再进行下道工序的施工。
停工待检点(H):按《牟定县2014年农村电网改造升级10kV及以下工程WHS控制点设置表》中设置的H点,施工实施过程中在规定时间(12小时)内提前通知相关部门,在约定时间到现场进行检查并核查相关技术文件,直至该项目经检验合格并得到书面认可,再进行下道工序的施工,在约定时间内未经检查合格,不得进行下道工序(隐蔽)的施工,如果相关部门超过约定时间12小时都未到现场,视为默认,可以进行隐蔽和下道工序的施工。
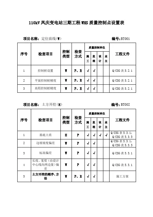
电力土建工程WHS 质量控制关键点清单序号质量控制点控制内容控制类型备注一、地基与基础工程1.定位及高程控制平面控制桩、高程控制桩的测设W2.土方开挖土方开挖的顺序、方法,坡度,H 标高、土质、轴线3.土方回填基底处理、分层压实、标高、边坡坡度H增加 W4.强夯地基地基承载力、夯击遍数及顺序、夯锤落距等H5.预压地基地基承载力、预压载荷偏差等H6.高压喷射注浆地基地基承载力、桩体强度或完整性检验H7.注浆地基地基承载力、原材料检验、注浆体强度H8.水泥土搅拌桩地基地基承载力、水泥及外掺剂质量、水泥用量、桩体强度H9.静力压桩承载力、桩位偏差、桩体质量检验等H10.先张法预应力管桩承载力、桩位偏差、桩体质量检验、斜桩倾斜度偏差等H11.混凝土预制桩(打桩)承载力、桩位偏差、桩体质量检验、斜桩倾斜度偏差、贯入度等H12.钢桩施工承载力、桩位偏差、斜桩倾斜度偏差H13.混凝土灌注桩成孔孔底标高偏差、孔底沉渣或虚土厚度、护壁泥浆质量等H14.混凝土灌注桩钢筋笼受力钢筋的品种、级别、规格和数量、钢筋焊接或机械连接接头质量、钢筋笼安装质量等H15.混凝土灌注桩工程承载力、桩位偏差、桩体质量检验、混凝土灌注程序S16.模板安装模板及支架等W17.模板拆除模板及其支架拆除的顺序及安全W批注[p1]: 删除验槽注:本表未作说明的其它单位工程、分部工程的质量控制关键点清单,可根据其具体的分部分项工程对照《工程质量WHS 控制点通用设置表》套用其它单位工程相同的分部分项工程确定。
5.6.3 土建专业控制标准项目名称:定位放线(W)编号:BT001项目名称:土方开挖(H)编号:BT002项目名称:土方回填(H)编号:BT003项目名称:重复使用的钢板桩支护工程(W)编号:BT004项目名称:锚杆及土钉墙支护工程(W)编号:BT005BT006项目名称:钢及混凝土支撑系统(W)编号:项目名称:地下连续墙(H)编号:BT007项目名称:沉井(箱)(H)编号:BT008项目名称:降水与排水(W)编号:BT009项目名称:灰土地基(H)编号:BT010项目名称:砂和砂石地基(H)编号:BT011项目名称:强夯地基(H)编号:BT012项目名称:预压地基(H)编号:BT013项目名称:高压喷射注浆地基(H)编号:BT014项目名称:土和灰土挤密桩复合地基(H)编号:BT015项目名称:注浆地基(H)编号:BT016项目名称:水泥土搅拌桩地基(H)编号:BT017项目名称:锚杆静力压桩及静力压桩(H)编号:BT018项目名称:先张法预应力管桩(H)编号:BT019项目名称:混凝土预制桩混凝土外观及尺寸(W)编号:BT020项目名称:混凝土预制桩(打桩)(H)编号:BT021项目名称:成品钢桩(W)编号:BT022项目名称:钢桩施工(H)编号:BT023项目名称:混凝土灌注桩成孔(H)编号:BT024注:本表用于螺旋钻、潜水钻、回旋钻和冲击钻成孔项目名称:混凝土灌注桩成孔(H)编号:BT025注:本表用于钻扩机、机动洛阳铲和沉管法成孔项目名称:混凝土灌注桩成孔(H)编号:BT026注:本表用于人工扩大直径底墩成孔项目名称:混凝土灌注桩钢筋笼(H)编号:BT027项目名称:混凝土灌注桩工程(S)编号:BT028项目名称:模板安装(W)编号:BT029项目名称:模板拆除(W)编号:BT030项目名称:钢筋安装(H)编号:BT031项目名称:混凝土原材料及配合比(W)编号:BT032注:商品砼检查方式可取消P点项目名称:混凝土施工(S)编号:BT033项目名称:现浇混凝土结构外观及尺寸偏差(W)编号:BT034项目名称:设备基础二次灌浆(S)编号:BT035项目名称:一般抹灰(W)编号:BT036项目名称:盖板安装(W)编号:BT037项目名称:砖砌体(W)编号:BT038项目名称:配筋砌体(H)编号:BT039项目名称:石砌体(W)编号:BT040项目名称:防水混凝土(H)编号:BT041项目名称:水泥砂浆防水层(H)编号:BT042项目名称:卷材防水层(H)编号:BT043项目名称:涂料防水层(H)编号:BT044项目名称:细部构造(W)编号:BT045项目名称:锚喷支护(H)编号:BT046项目名称:地下连续墙(H)编号:BT047项目名称:盾构法隧道(H)编号:BT048项目名称:渗排水、盲沟排水(W)编号:BT049项目名称:隧道、坑道排水(W)编号:BT050项目名称:装配式结构施工(H)编号:BT051项目名称:预制构件(H)编号:BT052项目名称:混凝土小型空心砌块砌体(W)编号:BT053项目名称:填充墙砌体(W)编号:BT054项目名称:防腐涂料涂装(W)编号:BT055项目名称:防火涂料涂装(W)编号:BT056项目名称:地面基土、路基(H)编号:BT057项目名称:垫层(W)编号:BT058项目名称:找平层(W)编号:BT059项目名称:隔离层(W)编号:BT060项目名称:填充层(W)编号:BT061项目名称:水泥混凝土整体面层(W)编号:BT062项目名称:水泥砂浆面层(W)编号:BT063项目名称:砖面层(W)编号:BT064项目名称:大理石面层和花岗岩面层(W)编号:BT065项目名称:预制板块面层(W)编号:BT066项目名称:料石面层(W)编号:BT067项目名称:塑料板面层(W)编号:BT068项目名称:油漆面层(W)编号:BT069项目名称:活动地板面层(W)编号:BT070项目名称:中密度(强化)复合地板面层(W)编号:BT071项目名称:装饰抹灰工程(W)编号:BT072项目名称:清水砌体勾缝(W)编号:BT073项目名称:木门窗安装(W)编号:BT074项目名称:金属门窗安装(W)编号:BT075项目名称:塑料门窗安装(W)编号:BT076项目名称:特种门窗安装(H)编号:BT077项目名称:门窗玻璃安装(W)编号:BT078项目名称:暗龙骨吊顶(H)编号:BT079项目名称:明龙骨吊顶(W)编号:BT080项目名称:板材隔墙(W)编号:BT081项目名称:骨架隔墙(W)编号:BT082项目名称:活动隔墙(W)编号:BT083项目名称:玻璃隔墙(W)编号:BT084项目名称:饰面板安装(W)编号:BT085项目名称:饰面砖粘贴(W)编号:BT086项目名称:明框玻璃幕墙(W)编号:BT087项目名称:隐框、半隐框玻璃幕墙(W)编号:BT088。
控制措施和办法 按拆除要求拆除 (1)防止管材除锈不净。
(2)主要是刷子沾油漆太多和刷油不认真.(3)防止承包商采用不同种保 严格执行规范、观察量测;垫层材料配合比、密实度、防止空鼓开裂、标按设计施工、检查量测高不许、表面不平、强度不足认真执行施工工艺规程消除质量通病,作样板间材质符合设计要求,严禁一次 (1)经对焊加工的钢筋,在现 场进行绑扎时对焊接头要错开 搭接位置,加工下料时,凡距钢 筋端头搭接长度范围以内不得 (1) 防止有电对流焊过接大头,。
电弧过长。
(2)防止电流过小,焊接速度太快。
(3)防止焊药太薄或者受潮,电 弧不当. (1)施工前地面砖需要挑选, 将颜色、花纹、规格尺寸相同的砖挑选出来备用。
(2)地面砖空鼓、断裂。
(2)地面基层一定要清理干净,地砖在施工前必须提前用清水浸润,保证含水率,地面铺装砂浆时应先将板块试铺后,检 查干硬性砂浆的密实度,安装 时用橡皮锤敲实,保证不浮现(1)砌筑空时鼓上、下断左裂右。
拉线找规 矩,普通门窗框上皮应低于门 窗过梁 10~15mm ,窗框下皮应比窗台上皮高 5mm 。
(2)安装人员必须按照工艺要 点施工,安装前先弹线找规矩,(1)墙柱钢筋位移。
(2)钢筋接头位置错误.(3)绑扎接头、对焊接头未错开。
(1)咬边。
(2)未熔合。
(3)有气孔.(4)有焊瘤。
( (1)地面砖釉面色差大及棱边缺损,面砖规格偏差翘曲. (3)地面砖排版不合理、砖缝不直、宽窄不均 匀、勾缝不实.(4)地面浮现高低差,不平整。
(1)门窗洞口预留尺寸不许.(2)合页不平、螺丝松动、合页槽深浅不一。
(3)上下层门窗不顺直, 摆布门窗安装标高不一致。
质量控制要点拆除部位不干净破坏原有建造物 (1)管道表面脱皮,返锈。
(2) 管道表面油漆不均匀,有流坠和漏涂现象. 管道安装钢管焊接工程工程项目 工程拆除清理墙面及天棚抹灰序号 1地面砖工程钢筋工程管道防腐门窗工程4625379 11 10混凝土施工排水沟及盖板制作脚手架搭设控制裂缝的产生。
110kV线路工程(含电缆)质量控制要害点清单见证点(W点)、停工待检点(H)、旁站点(S点)。
1、见证点W (Witness Point)
在规定的施工要害历程(工序)实施前,项目监理、设计、建立单位等责任方在约定的时间到现场进行见证查抄或进行文件查抄的控制点,相关查抄方在规定的时间未能参加见证,作业单位可以认为已获认可,可继承进行该项作业。
2、停工待检点H (Hold Point)
针对作业历程中有特殊要求而设置的控制点,项目监理、设计、建立单位等责任方应在约定的时间到现场对该控制点进行监督查抄,未经查抄认可不得逾越该点作业,除非预先有监督机构的书面认可。
但如果查抄方不在操纵现场,作业方又查明已凭据条约规定预先通知了责任方,则作业方在以书面形式正式通知责任方48小时后,可以进行下一道作业。
3、旁站点S (Standby Point)
针对工程要害部位和要害工序的施工质量而设置的全历程连续监控点。
工程项目W、H、S质量控制点明细表
编号:BTG001项目名称:110kV五大连池变电站专业:土建日期:
工程项目W、H、S质量控制点明细表
编号:BTG002项目名称:110kV五大连池变电站专业:土建日期:
工程项目W、H、S质量控制点明细表
编号:BTG003项目名称:110kV五大连池变电站专业:土建日期:
工程项目W、H、S质量控制点明细表
编号:BTG004项目名称:110kV五大连池变电站专业:土建日期:
工程项目W、H、S质量控制点明细表
编号:BTG005项目名称:110kV五大连池变电站专业:土建日期:
工程项目W、H、S质量控制点明细表
编号:BTG006项目名称:110kV五大连池变电站专业:土建日期:
工程项目W、H、S质量控制点明细表
编号:BTG007
项目名称:110kV五大连池变电站专业:土建日期:
工程项目W、H、S质量控制点明细表
编号:BTG008项目名称:110kV五大连池变电站专业:土建日期:
工程项目W、H、S质量控制点明细表
编号:BTG009项目名称:110kV五大连池变电站专业:土建日期:
工程项目W、H、S质量控制点明细表
编号:BTG0010项目名称:110kV五大连池变电站专业:土建日期:
编号:BTG011项目名称:110kV五大连池变电站专业:土建日期:
编号:BDG001项目名称:110kV五大连池变电站专业:电气日期:
工程项目W、H、S质量控制点明细表
编号:BDG002项目名称:110kV五大连池变电站专业:电气日期:
工程项目W、H、S质量控制点明细表
编号:BDG003项目名称:110kV五大连池变电站专业:电气日期:
工程项目W、H、S质量控制点明细表
编号:BDG004项目名称:110kV五大连池变电站专业:电气日期:
工程项目W、H、S质量控制点明细表
编号:BDG005项目名称:110kV五大连池变电站专业:电气日期:
工程项目W、H、S质量控制点明细表
编号:BDG006项目名称:110kV五大连池变电站专业:电气日期:
工程项目W、H、S质量控制点明细表
编号:BDG007项目名称:110kV五大连池变电站专业:电气日期:。