球铁件验收标准
- 格式:doc
- 大小:225.00 KB
- 文档页数:5
球墨铸铁件验收标准及缺陷分析一.验收引用标准GB1348 球墨铸铁件GB9441 球墨铸铁金相检验GB228 金属拉伸试验方法GB229 金属冲击试验方法GB231 金属布氏硬度试验方法GB6060.1 表面粗糙度比较样块铸造表面GB2828 逐批检查计数抽样程序及抽样表二.材质要求1.机械性能球铁件的牌号应符合GB1348和图纸要求的规定。
1.1球铁件的机械性能应符合表1到表4的规定1.2球铁件的机械性能以抗拉强度和延伸率两个指标为验收依据。
1.3须做屈服强度、冲击韧性和硬度试验时,应在图样上或在有关的技术文件中注明。
其数值应符合本标准的规定。
2. 金相组织2.1 金相组织标准按GB9441-88《球墨铸铁金相检验》2.2球化分级 (jia )铸件毛坯本体的球化率在70%以上,球化级别80%为1-3级,最差部位原则上不低于4级2.3.石墨等级原则上球径为5-7级。
2.4 基体组织(参考)3 .化学成分原则上化学成分不作为验收依据,客户明确要求的除外。
球铁体的化学成分、金相组织及热处理工艺应符合图样或技术文件中的注明。
三.几何形状与尺寸球铁件的几何形状与尺寸应符合图样中的规定要求。
1.尺寸公差1.1本标准规定的尺寸公差,是指球铁件在正常生产情况下应达到的公差。
1.2球铁件的尺寸公差数值应符合表5的规定;公差等级按表6的规定选取。
现我公司球铁件主要用户的公差等级一般为CT9级2.其他尺寸要求铸件应符合相应的毛坯图尺寸规定。
铸件错型≤1.0mm,砂芯歪斜量≤1.5mm。
四..表面质量1 .铸件毛坯表面应无粘砂、氧化皮等缺陷,铸件毛坯表面的浇冒口、出气孔、多肉、飞边、毛刺等清除干净。
加工面浇冒口残余不大于1mm。
其余原则上不大于2 mm2. 铸件毛坯不允许有裂纹、缩孔、疏松、冷隔等影响使用性能的铸造缺陷。
3铸造毛坯非加工表面粗糙度Ra≤100粗糙度评定按GB6060.1-85的规定进行。
4 铸造毛坯不允许有锈蚀。
球墨铸铁件的理化检验本标准由以下部分组成:1、适用范围2、引用标准3、检验设备4、理化检验5、偏差处理球墨铸铁件的理化检验1 适用范围本标准适用于球铁件的理化检验;本标准规定了球铁件进货硬度和组织检验部位和检验方法;本标准规定了球铁件球化不良和表面球化衰退缺陷的判断方法。
2 引用标准下列文件的条款通过本标准的引用而成为本标准的条款,凡是不注日期的引用文件,其最新版本适用于本标准。
GB/T1348 球墨铸铁件3 检验设备布氏硬度计检验零件的硬度显微镜检验零件的组织和夹杂缺陷直读光谱仪用于浇注成白口试样的成分检验碳硫分析仪用于铸铁碳和硫的成分检验元素分析仪器用于合金元素的成分检验4 理化检验4.1 化学成分需要检验化学成分时,以化学方法为准;在力学性能和金相组织符合要求的前提下,化学成分可以不作为验收依据;进货检验没有特殊要求,可以不检验化学成分.4.2硬度硬度是进货检验的主要项目,但由于浇注后,零件的不同部位冷却速度不同,硬度有一定的差异,检验时,应尽量避免这些因素的影响。
检验结果按表1 规定(有特殊规定按图纸要求)。
表1 球铁件硬度要求4.2.1 检验位置硬度可以在铸件的表面或横截面检验,表面检验时候,按4.2.1中的要求,去掉表层1.0mm,检验表层1/3横截面厚度区域,避免心部位(1/3区域)的疏松对硬度检验结果的影响。
检验表面:去掉1mm左右检验区域:表层1/3截面厚度区疏松缺陷区:中间1/3区影响较大横截面区域:表层1/3截面厚度区检验表面:去掉1mm左右图1 试样硬度检验部位示意图4.2.1 取样和试样制备(1)取样部位:取样部位能代表零件整体的性能,避免在筋板、薄壁或特别厚实的部位取样;(2)去掉表层不规则层:检验截面或去掉铸造表层1mm,避免表层的石墨形态和组织与基体不一致带来的硬度误差。
(3)试样的制备:试样表面经过磨削并打磨处理,表面粗糙度或留下的纹路不影响测量边界的清晰分辨(粗糙度不低于Ra0.8),检验面和支撑面要保持平行,用游标卡尺卡口或专门的压平器检验平行状况,没有肉眼可见的不平行缝隙(不平行度不超过2°)。
球墨铸铁管验收标准球墨铸铁管是一种常用的排水管道材料,其质量的验收标准对于工程质量和安全具有重要意义。
以下是对球墨铸铁管验收标准的详细介绍。
1.外观质量验收。
球墨铸铁管的外观应该平整光滑,无裂纹、气泡、夹渣、砂眼等缺陷。
管道表面应无明显的锈蚀和腐蚀现象,管口应平整、无毛刺。
验收时应对管道的外观进行仔细检查,确保其符合相关标准要求。
2.尺寸偏差验收。
球墨铸铁管的外径、壁厚和长度应符合设计要求和国家标准规定。
验收时应采用测量工具对管道的尺寸进行检测,确保其尺寸偏差在允许范围内。
3.力学性能验收。
球墨铸铁管的抗拉强度、屈服强度和伸长率等力学性能指标应符合相关标准要求。
验收时应进行拉伸试验、压缩试验等,确保管道的力学性能满足设计要求。
4.化学成分验收。
球墨铸铁管的化学成分应符合国家标准规定,主要包括碳含量、硅含量、锰含量等。
验收时应对管道材料进行化学成分分析,确保其化学成分符合标准要求。
5.内部质量验收。
球墨铸铁管的内部应平整光滑,无夹渣、气泡、砂眼等缺陷。
验收时应采用内窥镜等工具对管道的内部质量进行检查,确保其内部质量符合标准要求。
6.防腐涂层验收。
球墨铸铁管的防腐涂层应均匀牢固,无脱落和破损现象。
验收时应对管道的防腐涂层进行外观检查和附着力测试,确保其防腐性能符合标准要求。
7.连接质量验收。
球墨铸铁管的连接应牢固可靠,无渗漏现象。
验收时应对管道的连接部位进行水压试验或气密性试验,确保其连接质量符合标准要求。
综上所述,球墨铸铁管的验收标准涉及外观质量、尺寸偏差、力学性能、化学成分、内部质量、防腐涂层和连接质量等多个方面,需要进行全面细致的检查和测试。
只有严格按照相关标准进行验收,才能确保球墨铸铁管的质量达到要求,从而保障工程质量和使用安全。
球铁试棒标准
球铁试棒的标准包括以下方面:
1.直径:球铁试棒的直径一般有三种规格,分别是20mm、30mm 和40mm。
2.长度:球铁试棒的长度一般有两种规格,分别是200mm和300mm。
3.材质:球铁试棒一般由优质的球墨铸铁材料制成,具有良好的耐磨性和耐腐蚀性。
4.平行长度(Lc):对于圆形横截面试样,其平行长度的直径一般不应小于3mm;对于矩形横截面试样,其推荐宽厚比不超过8:1。
5.夹持端与平行长度之间的过渡弧半径:圆形横截面试样应≥0.75d,矩形横截面试样应≥12mm。
6.原始标距:比例试样采用说明国际标准规定的形状公差精确到小数后三位数字。
这些公差无需要求如此精确,保留到小数后两位数字。
请注意,具体的球铁试棒标准可能会因产品标准、应用领域和制造厂商的不同而有所差异。
在实际应用中,建议根据具体需求和相关标准进行选择和使用。
受控号:有限公司原辅材料验收技术条件编号:编制:审核:批准:此文件自年月日起执行。
标题:原辅材料验收技术条件页码共8页第2页一、废钢1、化学成分要求(此标准只适用于常温球铁和国标灰铁):成分名称C Si Mn P S Ti Cr A1其余合金废钢≤0.50 ≤0.6 ≤0.8≤0.04≤0.04≤0.03 ≤0.3≤0.050.052、尺寸及外观要求:(1)长度≤1500mm,厚度≥3mm且≤100mm,超长超厚的应切割后供应。
(2)废钢表面允许有轻微的氧化,不可带有严重生锈的。
(3)每批采购的废钢应为类似材质且数量不低于80%,不同材质废钢不可大于20%,禁止有不锈钢,合金钢,生铁及有色金属,电镀物等。
(4)废钢中不允许有两端封闭管状物,封闭器皿。
3、检验方式:(1)同批废钢(其中包括不同规格的废钢)中每种规格(即尺寸、形状相同)最少取2块以上样品,标记取样。
(2)杂废钢中:结构钢同种取1-2块,其它每种取2-3块。
4、复验:第一次检验不合格,质量部可以进行复验,复验取样不得低于首检标准。
二、生铁1、化学成分要求:成分名称C Si Mn P S灰铁(Z14)>3.30 1.25-1.60 <0.50 ≤0.08 ≤0.06灰铁(Z18)>3.30 1.60-2.00 <0.50 ≤0.08 ≤0.06球铁(Q10)>3.40 0.50-1.00 ≤0.5 ≤0.06 ≤0.03球铁(Q12)>3.40 1.00-1.40 ≤0.5 ≤0.06 ≤0.032、块度及外观:(1)铁块重在2-10kg,长度不大于300mm。
(2)生铁表面应无严重的炉渣,允许有少量石灰和石墨。
3、检验方法:(1)批生铁取3块样品,样品应从3个部位抽取,即中心和四周,从每个部位的表层及其下的任一层取完整的一块。
注意:所有样品不能全部从表面取得。
(2)从生铁堆取样时,按批量的大小在堆垛上均匀分布的若干部位各取完整的一块作为样品。
灰铁、球铁砂型铸件尺寸公差及表面质量1.0范围本标准规定了基本的表面质量要求,蓝图未注的基本的铸件公差及为库伯工业供应的灰铁及球铁砂型铸件的精加工余量。
2.0铸件表面质量2.1外观应抛光,无灰尘残留,零件号、炉号及铸造标识易辨认。
2.2结块或胀砂应在下述规定范围内:最大铸件尺寸最大结块或胀砂最大影响区域0”至5”+ 1/32” 3 平方英寸5”至10”+ 1/16” 4 平方英寸10”至18”+ 3/32”8 平方英寸18”以上+ 1/8”10 平方英寸若可行,大于以上公差的受影响区域可由铸造厂去除。
(蓝图规定的公差为验收的最终决定因素。
)2.3表面缩孔应清理干净无异物,不能有油灰或其它填充物。
缺陷深度不能超过壁厚的25%,最大不超过3/8英寸。
如果缺陷直径很小,深度不大(深度陡降面),库伯质控人员可要求对其进行打磨圆滑过渡。
缺陷的数量及尺寸在很大程度上影响了铸件质量。
缺陷数量和尺寸应控制在最小可接受的水平,具体可由库伯质量控制人员和供应商一起协商。
协商应基于一下几方面:缺陷位置,铸件的关键性,最终客户对此缺陷可见度的要求。
2.4在保留规定壁厚的前提下去除浇道,冒口及披缝。
去除浇冒口后的表面应与周围铸态表面情况相当。
铸件表面及轮廓应满足下列要求:最大铸件尺寸公差0”至10”± 0.030”10” 至20” -- 0.030” + 0.060” 20” 至 50” -- 0.060” + 0.090”50” 以上 -- 0.060” + 0.120”2.5 在得到库伯高级质量控制的书面授权之后方可进行焊补。
需提交对于焊修区域的详细描述,包括建议的焊修工艺方可得到书面授权。
3.0 精加工余量:3.1 如果铸件尺寸未包含加工余量,蓝图中用f 或√标注的需进行加工。
平面,曲面或 圆弧面的加工余量如下:3.1.1 加工面加工余量:3.1.2 内径加工余量直径 0” 至 1” 1” 至 5” 每侧0.100 5” 至 12” 每侧0.187 12” 至20” 每侧0.250 20” 以上 每侧0.375注:制作模具时应使铸件尺寸尽量达到上述精度要求。
1目的:规范公司对铸铁件的检查验收。
2适用范围: 适用于铸铁件。
※本标准是铸件的通用标准,铸件有特殊要求时,参见相关铸件分类验收标准。
3 验收标准:3.1铸铁件材质检验标准:3.1.1球墨铸铁件材质检验标准:球墨铸件材质验收标准应符合GB1348或EN1563:1997球墨铸铁的标准,以机械性能(抗拉强度、延伸率)、球化率和渗碳体含量为验收依据,硬度、其它金相组织及化学成份做为参考。
3.1.1.1球墨铸铁牌号及机械性能(单铸试块)见下表:3.1.1.2 球墨铸铁常规金相组织3.1.1.3球墨铸铁化学成份3.1.2灰铸铁件材质检验标准:灰铸件材质验收标准应符合GB9439或EN 1561:1997灰铸铁件的标准,以机械性能(抗拉强度)和硬度为验收依据,金相组织及化学成份做为参考。
3.1.2.1灰铸铁牌号及机械性能(单铸试块)见下表:HT250 250-350 190-2403. 1.2.2 灰铸铁常规金相组织3.1.2.3灰铸铁化学成份3.1.3 材质检验取样规范3.1.3.1机械性能检查:机械性能测试的试棒,每班次每种牌号至少浇一组,有新产品时增加一组,每组浇三根,若铸件进行退火处理,必须连同试棒(试块)一同进行热处理(若是渗碳体超标需热处理的件,按热处理后铸件本体的金相组织来验收)。
机械性能试验:二根用于生产厂测试性能(第一根合格则该批次合格,余下试棒留存(留有生产日期、包次标识),在工厂存放,存放期三年;若第一根试棒不合格,测试剩余二根,若第二根不合格则该批次产品全部报废;若第二根合格,应加试第三根,合格则判定该炉产品合格,若第三根不合格则该批次产品全部报废)。
材质检测报告存根(原始记录)保留11年。
常规灰铸铁试棒见下图:常规球墨铸铁试棒见下图:其余其余ASTM536标准(美标)试棒见下图3.1.3.2金相组织检查:球铁铸件从每包铁水的最后一型附铸金相试块或铸件本体进行检验,依次往前直到合格(或本包铁水所浇铸件检验完)为止。
球墨铸铁的检验常见的球墨铸铁缺陷有:气孔,夹砂,夹渣,疏松或缩孔等宏观缺陷以及球化不良,晶粒过大等微观缺陷。
球墨铸铁的工序:铸造(造型-浇铸)-去砂-打磨-喷丸-检验。
铸造------型砂的要求是粘土和树脂砂混合。
不能太干也不能太湿。
太干造成模具不好脱落路,太湿容易脱落。
型砂造型后,在内部表面要用涂沫剂烘干以避免铁水冲击砂型而造成砂泥进入铸铁内部。
烘干涂抹剂的方式一般采用点燃烘干(因为涂抹剂中含有酒精)。
有些砂型中会添加冷铁,冷铁的作用是加速冷却,减少缩孔的产生。
所以一般冷铁放在厚壁处。
浇铸------包子中的铁水通过过滤网过滤后进入砂型中。
喷丸------喷丸机的结构有吊抛和固定式。
一般喷丸机有5-7个喷嘴,每个喷嘴连着一个马达,马达高速转动时会带动在边上的钢丸运动而加速抛向被检工件,然后通过下面的钢丸收集装置把收集起来的钢丸送向各个马达口。
球墨铸件的检验包括外观检验,磁粉检验以及超声波检验。
其中外观检验是球墨铸铁中最繁重的工作,其中需要大量的打磨的配合。
一般而言外观检验要求要达到以下几点:1.无裂纹,无焊接,无表面非金属夹杂和加砂。
2. 表面清洁度:Sa 2.5 (可参考标准:ISO 8501-1)2.表面粗糙度:A2或者其他3.气孔:C2或者其他4.冷隔:D1或者其他5.机械划痕:H1或者其他其中2-5的要求可根据英国铸造发展中心的SCRATA对比试块进行对比检验。
在外观检验中特别要注意的是表面气孔与表面砂眼的区别。
表面气孔一般而言内壁光滑,较规则;而表面砂眼比较不规则,内部含有较多的灰尘或者其砂等非金属家杂物。
如果表面凹处缺陷为气孔的话,可根据SCRATA试块进行对比检验;但如果判断为表面砂眼时,一般要进行打磨修补,因为大多数砂眼的根部还会向金属内部延伸。
外观检验时还要注意喷丸的效果,在喷丸效果不好时,会造成粗糙度达不到要求。
铸件表面存留氧化皮,以及存留涂抹剂等较难打磨的大面积表面缺陷时,应该考虑进行重新喷丸或者打磨。
球墨铸铁用生铁采购验收标准
Pig iron used for spheroidal graphite cast iron
本标准适用于本公司球墨铸铁用生铁。
1、牌号及化学成分:
2.块重
各号生铁均应铸成5±2kg小块。
而大于7kg小于2kg的铁块之和,每批中应不超过总重量的10%。
铁块长度不大于200mm。
根据需方要求,方可供应重量不大于40公斤的铁块。
3.表面要求
铁块表面要洁净。
如表面有炉渣和砂粒,应消除掉,但允许附有石灰和石墨。
4、试验方法:
1)取样执行GB719-84。
2)化学分析执行化学分析方法按GB223.1~223.7-81《钢铁及其合金化学分析方法》中碳、硫、磷、锰硅量的测定和YB35(1~28)-78《钢铁化学分析方法》或执行能保证标准规定的本公司化学分析方法。
仲裁分析只能按GB223.1~223.7-81和YB35(1~28)-78所规定的方法进行。
5、质量证明书
每批交货生铁,必须随运单附有证明生铁符合本标准要求的质量证明书。
并应注明:
a、订货合同号;
b、铁号;
c、生产日期、炉次、组、级、类和重量;
d、化学成分分析结果;
e、标准编号
6、其它要求执行GB/T1412-2005。
球墨铸铁件(摘要) GB 1348-88创建时间:2008-08-02球墨铸铁件(摘要)GB1348-881、引言(略)2、牌号球铁的牌号应符合GB5612—85<铸铁牌号表示方法>的规定,并分为单铸和附铸试块两类。
a.单铸试块的机械性能分为八个牌号,见表1和表2的规定。
b.附铸试块的机械性能分为五个牌号,见表3和表4的规定。
表1单铸试块的机械性能表2 单铸试块V 型缺口试样的冲击值注:字母“L〞表示该牌号在低温时的冲击值。
表3附铸试块的机械性能表3 附铸试块的机械性能注:牌号后面的字母A系表示该牌号在附铸试块上测定的机械性能,以区别表1的单铸试块测定的性能。
表4 附铸试块V型缺口试样的冲击值3技术要求3.1生产方法、化学成分和热处理生产方法、化学成分和热处理工艺,可由供方自行决定。
但必须保证协议书、技术条件上所规定的球铁牌号或达到本标准规定的机械性能指标。
对于化学成分,热处理方法有特殊要求的球铁件由供需双方商定。
3.2机械性能3.2.1球铁件的机械性能以抗拉强度和延伸率两个指标作为验收依据。
3.2.2冲击试验只适用于表2和表4所规定的牌号,并且仅在需方要求做冲击试验时,冲击值才作为验收依据。
3.2.3对屈服强度、硬度有要求时,经供需双方商定,可作为验收依据。
3.2.4如果以硬度作为验收指标时,按附录A的规定进展。
3.2.5如果是在铸件本体上取样时,取样部位与要达到的性能指标,由供需双方规定。
3.3金相组织如果需方要求进展金相组织检验时,可按GB9441—88《球墨铸铁金相检验》的规定进展,球化级别_般不得低于4级,其检验次数和取样位置由供需双方商定。
球化级别和基体组织,可用无损检测方法进展检验,如有争议时,应用金相检验法裁决。
3.4球铁件的几何形状与其尺寸公差3.4.1球铁件的几何形状与其尺寸应符合球铁件图样的规定。
3.4.2球铁件的尺寸公差应按GB 6414 - 86<铸件尺寸公差>的规定执行。
球墨铸铁件国家标准球墨铸铁件是一种重要的工程材料,其性能直接影响到工程结构的质量和安全。
为了规范球墨铸铁件的生产和应用,我国制定了一系列的国家标准,其中包括材料、化学成分、力学性能、表面质量、尺寸偏差等方面的要求。
本文将对球墨铸铁件国家标准进行详细介绍,以便于相关行业人员了解和遵守。
首先,球墨铸铁件国家标准对材料的要求非常严格。
其中,对球墨铸铁材料的化学成分、金相组织、力学性能等都有详细的规定。
这些规定旨在确保球墨铸铁件具有良好的强度、韧性和耐磨性,以满足不同工程结构的使用要求。
其次,球墨铸铁件国家标准对产品的表面质量和尺寸偏差也有严格的要求。
在生产过程中,必须保证球墨铸铁件的表面光洁度、无气孔、夹渣等缺陷,同时尺寸偏差也必须控制在规定范围内。
这些要求旨在确保球墨铸铁件在使用过程中能够保持良好的密封性和相互配合性。
此外,球墨铸铁件国家标准还对产品的检测方法和质量控制进行了详细的规定。
在生产过程中,必须严格按照标准要求进行原材料的检验、生产工艺的控制、成品的检测等环节,以确保球墨铸铁件的质量稳定可靠。
总的来说,球墨铸铁件国家标准的制定对于提高我国球墨铸铁件的质量和竞争力具有重要意义。
只有严格遵守标准要求,才能生产出符合工程要求的优质球墨铸铁件,为工程结构的安全和可靠性提供保障。
在实际生产和应用过程中,企业和相关行业人员应当加强对球墨铸铁件国家标准的学习和理解,严格按照标准要求进行生产和检测,确保产品质量,提高市场竞争力。
同时,相关部门也应加强对球墨铸铁件的监督检查,确保产品质量和安全性,维护市场秩序。
总之,球墨铸铁件国家标准的制定和执行,对于推动我国球墨铸铁件产业的健康发展具有重要意义。
希望相关行业人员和企业能够高度重视国家标准,不断提升产品质量,为我国工程建设事业做出更大的贡献。
球墨铸铁井盖验收标准规范文件一、外观方面。
1.1 表面质量。
球墨铸铁井盖的表面应该是平整光滑的。
咱可不能有那种坑坑洼洼的情况,就像一张脸要是满脸麻子,那可不好看。
井盖表面不能有明显的砂眼、气孔之类的缺陷。
这就好比人身上有伤口,那肯定是不行的。
而且,表面的图案、文字得清晰完整,不能模模糊糊的,要是字都看不清,那怎么能算合格呢?1.2 色泽。
色泽要均匀一致。
不能一块黑一块白的,就像穿衣服颜色搭配不协调一样别扭。
一般来说,球墨铸铁井盖的颜色应该是那种沉稳的、符合大众审美的颜色,不能过于鲜艳或者过于暗淡,这也是外观验收的一个重要部分。
二、尺寸规格。
2.1 直径或边长。
尺寸必须符合设计要求。
如果是圆形井盖,那直径的误差可不能太大,要是偏差太多,就像鞋子不合脚一样,放到井口上不是大了就是小了,这会造成很大的安全隐患。
方形井盖的边长也是同理,要精确到规定的数值范围内,差之毫厘可就谬以千里了。
2.2 厚度。
厚度也是关键。
井盖太薄的话,就像纸糊的一样,哪能承受得住车辆和行人的重量呢?它得达到规定的厚度标准,这样才能保证足够的强度,不至于轻易被压坏,这可是关系到安全的大事,容不得半点马虎。
三、性能要求。
3.1 承载能力。
球墨铸铁井盖得有足够的承载能力。
毕竟它要经受住车辆来来往往的压力。
就像一个大力士,得能扛得住重量。
不同的使用场景有不同的承载能力要求,像在公路上使用的,就得能承受重型卡车的压力;在小区里使用的,也要能承受普通轿车和行人的重量。
要是承载能力不达标,那用不了多久就会被压坏,这可就是个大麻烦了。
3.2 球化率。
球化率要达到一定的标准。
球化率高了,球墨铸铁的性能就好,就像一个团队配合得很默契一样。
如果球化率低,那材料的性能就会大打折扣,这井盖的质量也就好不到哪里去了。
这是从内部结构上保证井盖质量的一个重要指标,可不能忽视。
球墨铸铁检测方法_球墨铸铁检测材质小编单位的部分球墨铸铁铸件总是在高温下出现断裂,而在同样的环境下其他同样的铸件(不同厂家制造)却没事,小编怀疑可能材质出现问题了,那么球墨铸铁检测方法是什么呢,球墨铸铁检测材质需要多大的样品呢,今天本文就球墨铸铁检测进行讨论,一起看下文吧。
【球墨铸铁材质检测】1、球墨铸铁件材质检验标准:球墨铸件材质验收标准应符合GB1348或EN1563:1997球墨铸铁的标准,以机械性能(抗拉强度、延伸率)、球化率和渗碳体含量为验收依据,硬度、其它金相组织及化学成份做为参考。
(1)球墨铸铁牌号及机械性能(单铸试块)见下表:(2)球墨铸铁常规金相组织:(3)球墨铸铁化学成份:2、灰铸铁件材质检验标准:灰铸件材质验收标准应符合GB9439或EN 1561:1997灰铸铁件的标准,以机械性能(抗拉强度)和硬度为验收依据,金相组织及化学成份做为参考。
(1)灰铸铁牌号及机械性能(单铸试块)见下表:(2)灰铸铁常规金相组织:【球墨铸铁材质检测】快速金相检验炉前处理完毕后,从铁水包中取铁水浇注直径25毫米试棒。
待试棒冷却凝固后淬入水中。
抛光后在显微镜下观察磨面(100X)。
如试样淬水冷却球径太小难以辨别,可放大到200倍观察磨面。
此项检验只用于炉前检验石墨球化情况,不用于评定整个铸件质量。
(2)三角试片检验试片在干坭芯铸型中浇出。
待表面呈暗红色淬入水中。
冷却后观察断口,测量白口宽度。
球化良好的试棒表面均有缩沉,断口细密,呈银白色,中心有缩松,白口清晰。
敲击发出金属声。
此试验可探查球化情况,基本中碳化物存在情况。
特别是用于检测孕育处理质量,效果明显。
图4—5显示处理前(左图)及锶处理后(右图和平片断面。
试片白口宽度没有统一规定,应按所浇注铸件厚度和现场积累的经验判断。
(3)光电直读光谱仪分析铸件化学成分当前炉前快速分析多采用光电直读光谱仪。
这种仪器智能化程度高,只要选择和调整好光道数量、分析元素含量范围、分析线和内标线,就可以同时准确快速测定多种元素含量,包括微量元素含量。
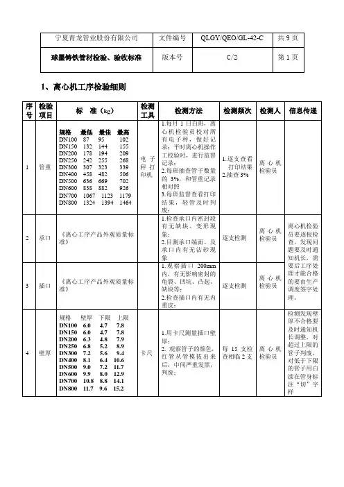
4.4.1 铸铁管、球墨铸铁管及管件的外观质量应符合下列规定:4.4.1.1 管及管件表面不得有裂纹,管及管件不得有妨碍使用的凹凸不平的缺陷;4.4.1.2 采用橡胶圈柔性接口的铸铁、球墨铸铁管,承口的内工作面和插口的外工作面应光滑、轮廓清晰,不得有影响接口密封性的缺陷;4.4.1.3 铸铁管、球墨铸铁管及管件的尺寸公差应符合现行国家产品标准的规定。
4.4.2 管及管件下沟前,应清除承口内部的油污、飞刺、铸砂及凹凸不平的铸瘤;柔性接口铸铁管及管件承口的内工作面、插口的外工作面应修整光滑,不得有沟槽、凸脊缺陷;有裂纹的管及管件不得使用。
4.4.3 沿直线安装管道时,宜选用管径公差组合最小的管节组对连接,接口的环向间隙应均匀,承插口间的纵向间隙不应小于3mm。
4.4.4 管道沿曲线安装时,接口的允许转角,不得大于表4.4.4的规定。
表4.4.4 沿曲线安装接口的允许转角4.4.5 刚性接口材料应符合下列规定:4.4.5.1 水泥宜采用425号水泥;4.4.5.2 石棉应选用机选4F级温石棉;4.4.5.3 油麻应采用纤维较长、无皮质、清洁、松软、富有韧性的油麻;4.4.5.4 圆形橡胶圈应符合国家现行标准《预应力、自应力钢筋混凝土管用橡胶密封圈》的规定;4.4.5.5 铅的纯度不应小于99%。
4.4.6 刚性接口填料应符合设计规定。
设计无规定时,宜符合表4.4.6的规定表4.4.6 刚性接口填料的规定4.4.7 石棉水泥应在填打前拌和,石棉水泥的重量配合比应为石棉30%,水泥70%,水灰比宜小于或等于0.20;拌好的石棉水泥应在初凝前用完;填打后的接口应及时潮湿养护。
4.4.8 热天或昼夜温差较大地区的刚性接口,宜在气温较低时施工,冬期宜在午间气温较高时施工,并应采取保温措施。
4.4.9 采用石棉水泥做接口外层填料时,当地下水对水泥有侵蚀作用时,应在接口表面涂防腐层。
4.4.10 刚性接口填打后,管道不得碰撞及扭转。
1主题内容与适用范围
本标准规定了金山公司煤粉称产品中球墨铸铁件的技术要求,试验方法,检验规则以及标志、包装、运输、贮存等。
2引用标准
GB1348 球墨铸铁件
GB9441 球墨铸铁金相检验
GB228 属拉伸试验方法
GB229 金属夏笔(U型缺口)冲击试验方法
GB230 金属洛氏硬度试验方法
GB231 金属布氏硬度试验方法
GB6060.1 表面粗糙度比较样块铸造表面
GB2828 逐批检查计数抽样程序及抽样表
3技术要求
3.1牌号
球铁件的牌号应符合GB1348和图纸要求的规定。
3.2机械性能
3.2.1球铁件的机械性能应符合表1到表4的规定
3.2.2球铁件的机械性能以抗拉强度和延伸率两个指标为验收依据。
3.2.3须做屈服强度、冲击韧性和硬度试验时,应在图样上或在有关的技术文件中注明。
其数值应符合本标准的规定。
3.3画出成分、金相组织及热处理
球铁体的化学成分、金相组织及热处理工艺应符合图样或技术文件中的注明。
3.4几何形状与尺寸
球铁件的几何形状与尺寸应符合图样中的规定要求。
3.5尺寸公差
3.5.1本标准规定的尺寸公差,是指球铁件在正常生产情况下应达到的公差。
3.5.2球铁件的尺寸公差数值应符合表5的规定;公差等级按表6的规定选取。
3.5.3球铁件的公差等级。
资料│球铁铸件验收标准一、引用标准GB9441-88 球墨铸铁金相检验GB6060.1-85 表面粗糙度比较样块铸造表面 GB321-81 硬度试验二、技术要求三、机械性能机械性能为铸态毛坯本体试块测试值。
1、金相组织按GB9441-88《球墨铸铁金相检验》2、石墨铸件毛坯本体的球化率在60%以上,球化级别80%为1-3级,最差部位不低于5级,球径为5-7级。
3、基体(参考)铸件本体的基础组织为:铁素体80%以上,碳化物含量小于2%。
4、几何形状与尺寸铸件应符合相应的毛坯图尺寸规定。
铸件错型≤0.5mm,砂芯歪斜量≤0.8mm。
5、表面质量①铸件毛坯表面应无粘砂、氧化皮等缺陷,铸件毛坯表面的浇冒口、出气孔、多肉、飞边、毛刺等清除干净。
②铸件毛坯不允许有裂纹、缩孔、疏松、冷隔等影响使用性能的铸造缺陷。
③铸造毛坯非加工表面粗糙度R a≤100粗糙度评定按GB6060.1-85的规定进行。
④铸造毛坯不允许有锈蚀。
⑤铸件外表气孔和渣孔加工部位:直径≤Φ3mm,最大深度≤1.5mm,Φ2mm以上气孔数量每侧面不多于4个,Φ2mm以下气孔数量每侧面不多于7个。
非加工部位:直径≤Φ2mm,最大深度≤1.5mm,Φ2mm以上气孔数量不多于2个,Φ2mm以下气孔数量不多于5个。
6、铸件上的缺陷不允许修补。
7、批次的标识铸件毛坯必须在其本体的表面铸出永久性炉次标志即炉号。
炉号用六位组成。
第一位表示年号,取年号尾数,第二、三位表示月号,第四、五位为H号,第六位为流水号(当一炉铁水分作多包球化浇注时)× ×× ×× ×年号尾数月号日号流水号四、检验方法1、在提供最处样件时,铸件必须经解剖检测,X射线检测或Y射线检测无缩孔、缩松、裂纹等缺陷;在正常生产时,为确保质量稳定,要定期进行上述方式检测。
并且抽1‰铸件进行解剖检测。
生产设备改变、材料改变、更换模具、更改工艺或更换操作者时,铸件必须经以上解剖与检测。
球墨铸铁件验收标准及缺陷分析
一.验收引用标准
GB1348 球墨铸铁件
GB9441 球墨铸铁金相检验
GB228 金属拉伸试验方法
GB229 金属冲击试验方法
GB231 金属布氏硬度试验方法
GB6060.1 表面粗糙度比较样块铸造表面
GB2828 逐批检查计数抽样程序及抽样表二.材质要求
1.机械性能
球铁件的牌号应符合GB1348和图纸要求的规定。
1.1球铁件的机械性能应符合表1到表4的规定
1.2球铁件的机械性能以抗拉强度和延伸率两个指标为验收依据。
1.3须做屈服强度、冲击韧性和硬度试验时,应在图样上或在有关的技术文件中注明。
其数值应符合本标准的规定。
2. 金相组织
2.1 金相组织标准
按GB9441-88《球墨铸铁金相检验》
2.2球化分级 (jia )
铸件毛坯本体的球化率在70%以上,球化级别80%为1-3级,最差部位原则上不低于4级
2.3.石墨等级
原则上球径为5-7级。
2.4 基体组织(参考)
3 .化学成分
原则上化学成分不作为验收依据,客户明确要求的除外。
球铁体的化学成分、金相组织及热处理工艺应符合图样或技术文件中的注明。
三.几何形状与尺寸
球铁件的几何形状与尺寸应符合图样中的规定要求。
1.尺寸公差
1.1本标准规定的尺寸公差,是指球铁件在正常生产情况下应达到的公差。
1.2球铁件的尺寸公差数值应符合表5的规定;公差等级按表6的规定选取。
现我公司球铁件主要用户的公差等级一般为CT9级
2.其他尺寸要求铸件应符合相应的毛坯图尺寸规定。
铸件错型≤1.0mm,砂芯歪斜量≤1.5mm。
四..表面质量
1 .铸件毛坯表面应无粘砂、氧化皮等缺陷,铸件毛坯表面的浇冒口、出气孔、
多肉、飞边、毛刺等清除干净。
加工面浇冒口残余不大于1mm。
其
余原则上不大于2 mm
2. 铸件毛坯不允许有裂纹、缩孔、疏松、冷隔等影响使用性能的铸造缺陷。
3铸造毛坯非加工表面粗糙度Ra≤100粗糙度评定按GB6060.1-85的规定进行。
4 铸造毛坯不允许有锈蚀。
5 铸件外表气孔和渣孔缺陷
加工部位:最大深度不大于加工余量的2/3
非加工部位:原则上直径≤Φ3mm,最大深度≤1.5mm,
6.批次的标识(参考)
铸件毛坯必须在其本体的表面铸出永久性炉次标志即炉号。
炉号用六位组成。
第一位表示年号,取年号尾数,第二、三位表示月号,第四、五位为H号,第六位为流水号(当一炉铁水分作多包球化浇注时)
××××××
年号尾数月号日号流水号
五、检验方法
1在提供最初样件时,铸件必须经解剖检测,X射线检测或Y射线检测无缩孔、缩松、裂纹等缺陷;在正常生产时,为确保质量稳定,要定期进行上述方式检测。
并且抽1‰铸件进行解剖检测。
生产设备改变、材料改变、更换模具、更改工艺或更换操作方法时,铸件必须经以上解剖与检测。
2 每炉铁水必须用广谱或色法进行成分分析,每包铁水浇注的最后一箱产品抽
取一件金相检查,包与包之间必须严格分开。
每炉次必须抽取一件金相检查最差的毛坯做机械性能检查。
检查结果符合技术要求,发现不球化的包次必须严格挑出。
硬度试验按GB321-81的规定进行。
3 用目测方法,对铸件表面及外观进行全检。
4 在生产稳定的情况下,每月抽取每模样毛坯一件进行尺寸检验。
在模具更改
或替换后必须对毛坯尺寸重新鉴定。
5 对每批铸件抽10%进行敲击,声音清脆悦耳为球化良好,声音沙哑为球化
不良,抽取认为球化不良的进行金相检查,确保球化良好后方可放行。
5、标志及合格证
5.1 铸件应有按图纸要求规定的标志。
5.2 铸件出厂应附有生产厂家检验部门签章的检验试验(尺寸、金相、解剖或
探伤、性能、成份)报告和合格证。
6、包装
铸件毛坯按炉次号分层进行装箱。