空调常用尺寸及配置标准
- 格式:pdf
- 大小:420.71 KB
- 文档页数:6
精密空调技术参数及功能要求一、机房专用空调机组的机组性能:(一)、机组选型要求:★机组的制冷量是在室外环境温度35℃(干球温度),室内温度24℃,相对湿度50%的条件下测定的。
★1、总冷量不低于 26.8KW,显冷量不低于 25.7KW。
机房专用空调机组采用风冷的冷却方式,送风方式为上送风、下回风。
室内机总风量:≥7280m3/h;能效比≥3.60显热比≥0.96加湿量(kg/h):≥8-13;加热量(kw):≥5;室外机风量≥12000m3/h膨胀阀类型:热力膨胀阀标准通信接口:RS485 或 RS232★由于机房密集面积有限内机尺寸不能超过:1000*795*1998(MM)。
延长阻建。
且安徽地区必须有全线产品备件库,以便后期维护。
2、单台机组的机外余压:机组的机外余压75~360Pa,并且机外余压通过控制器即可调节。
采用低噪音方式,室内机噪音值≤53dB(A)(离主机2米处);室外机组:声压级≤58dB(A);为了有效的吸收压缩机和风机工作时产生的噪音,室内机机壳内壁表面应衬有保温降噪材料,而且要采用阻燃材料,具有AO防火性能。
★3、机房专用空调应具高效节能性,低噪音、高寿命;采用美国谷轮“Copeland”全封闭涡旋式压缩机。
★4、机房空调机组的冷却设备:机房精密空调机组应配置风冷的冷凝器,冷凝器风机应采用德国EBM产品。
★5、风机采用国际著名风机制造商EBM的产品,采用带后弯逆向叶片的径流式风扇及电子转向的直流电机,免维护,运行可靠、噪音低、能耗小。
避免了皮带轮传动风机造成的二次粉尘污染及增加的维护成本、维护量。
★6、机房精密空调机组的加湿要求:具备高性能稳定可靠的加湿功能。
采用先进的意大利卡乐电极式加湿器,能直接使用未经二次软化的自来水水源,能对水垢或污物进行方便的清洗,可重复使用或长期使用。
★7、蒸发器要求:采用“I”字型高效率的蒸发器。
避免V型或A型蒸发器所固有的尖角死区,以及它引发的气流紊乱,从而保障了换热效率。
第一章设计参考规范及标准 (5)一、通用设计规范: (5)二、专用设计规范: (6)三、专用设计标准图集: (6)第二章设计参数 (6)一、商业和公共建筑物的空调设计参数 ASHRAE (6)二、舒适空调之室内设计参数日本 (9)三、新风量 (10)1、每人的新风标准ASHRAE (10)2、最小新风量和推荐新风量UK (12)3、各类建筑物的换气次数UK (12)4、各场所每小时换气次数 (13)4、每人的新风标准UK (13)5、考虑节能的基本新风量(1/s人)(日本) (14)6、办公室环境卫生标准日本 (15)7、民用建筑最小新风量 (15)第三章空调负荷计算 (19)一、不同窗面积下,冷负荷之分布% (19)二、负荷指标(估算)(仅供参考) (19)三、空调冷负荷法估算冷指标。
空调冷负荷法估算冷指标(W/m2空调面积)见下表 (20)四、按建筑面积冷指标进行估算建筑面积冷指标 (22)五、建筑物冷负荷概算指标香港 (24)六、各类建筑物锅炉负荷估算W/m3℃ (25)七、热损失概算W/m℃ (26)八、冷库冷负荷概算指标 (26)第四章风管系统设计 (27)一、通风管道流量阻力表 (27)1、缩伸软管摩擦阻力表 (27)2、镀锌板风管摩擦阻力表 (27)二、室内送回风口尺寸表 (33)1、风口风量冷量对应表 (33)2、不同送风方式的风量指标和室内平均流速ASHRAE (33)三、室内风管风速选择表 (34)1、低速风管系统的推荐和最大流速m/s (34)2、低速风管系统的最大允许速m/s (34)3、通风系统之流速m/s (35)四、室内风口风速选择表 (36)1、送风口风速 (36)2、以噪音标准控制的允许送风流速m/s (36)3、推荐的送风口流速m/s (36)4、送风口之最大允许流速m/s (37)5、回风口风速 (37)6、回风格栅的推荐流速m/s (38)7、百叶窗的推荐流速m/s (38)8、逗留区流速与人体感觉的关系 (38)9、顶棚散流器送风量 (38)10、侧送风口送风量 (39)五、室内风口的简单布置 (41)1、送风口布置间距 (41)2、标准型号风盘所接散流器的尺寸表-办公室 (41)3、散流器布置 (42)4、空调房间允许最大送风温差℃ (42)5、工艺性空气调节空调房间允许最大送风温差. (43)6.1、厨房通风问题 (43)6.2如何确定厨房的通风量 (44)6.3厨房通风设计中的几个问题 (47)7、消声器、静压箱总结 (50)8.风管贴吸音材料风道的衰减量(日本) (53)9.风管的自然衰减量(只有直风道dB/m,其它都是dB) (54)六、防排烟设计 (55)第五章管道系统设计 (62)一、空调管路系统的设计原则 (62)二、管路系统的管材 (64)三、供回水总管上的旁通阀与压差旁通阀的选择 (64)四、空调水系统管径的确定 (67)五、冷冻水泵扬程估算方法 (69)1、水泵扬程简易估算法 (70)2、冷冻水泵扬程实用估算方法 (71)3、水泵扬程设计 (73)六、冷却水系统的设计 (73)1、冷却水系统的补水量 (74)2、冷却水循环系统设计中应注意的几个问题: (75)七、冷凝水管道设计 (76)八、分汽缸、分水器、集水器尺寸的确定 (77)九、膨胀水箱的容积计算 (81)十、空压管道管径选择表 (84)十一、空调水处理系统 (85)十二、保温 (85)十三、阀门选用 (86)第六章空调设备选型 (88)一、机组选型 (88)二、机组选型案例 (88)三、辅助设备 (90)1、冷却塔 (90)2、水泵的选型: (91)3、热泵中央空调系统水量计算 (92)4、冷冻水和冷却水流量估算 (93)5、设备水压力降估算(日本) (94)6、制冷机冷却水量估算表 (94)第七章自控系统设计 (94)第八章材料、设备资料 (94)一、钢板和铝板的厚度和重量ASHRAE (94)二、角钢和角铝的规格和重量ASHRAE (95)三、计算单位换算 (96)四、常用液体的密度(单位:103千克/米3,未注明者为常温下) (99)五、空气调节常用计算公式 (101)六、钢材理论重量计算 (103)七、专业英语 (106)第九章耗电量、机房面积 (123)1、水源热泵系统设备耗电量比例 (123)2、医院耗电量比例TRANE (123)3、各种系统分项造价占总造价的百分率%(近似) (123)4、冷水机组和附属设备估算(△t=5℃) (124)5、空调面积占建筑面积比例 (125)6、空调机房建筑面积概算指标 (125)7、空调设备所占的建筑面积百分率% (126)8、设备层布置原则: (126)第十章参考实例 (127)第十一章暖通空调中存在的问题及解决办法、图纸要求 (127)一、贯彻执行暖通设计规范、标准方面存在的问题 (127)1.1 室内外空气计算参数不符合规范要求 (127)1.2 供暖热负荷计算有漏项和错项 (128)1.3 卫生间散热器型式选择不妥 (128)1.4 楼梯间散热器立、支管未单独配置 (128)1.5 供暖管道敷设坡度不符合规范要求 (128)1.6 厨房操作间通风存在问题 (129)1.7 膨胀水箱与热(冷)水系统的连接不符合规范要求 (129)1.8 通风空调系统防火阀的设置不符合规范要求 (129)1.9 防烟楼梯间前室送风口风量的确定有问题 (130)1.10 误将防烟分区排风量的计算混同于排烟风机风量的计算 (130)1.11 高层建筑排烟系统排烟口选型不当 (131)二、在工程设计中存在的问题 (131)2.1 供暖入口设置过多 (131)2.2 供暖系统设计不合理 (131)2.3 排风系统设计不合理 (132)2.4 空调系统的选择不合理 (132)2.5 厕所采用风机盘管时未加新风 (132)2.6 平衡阀的设置与口径选择存在问题 (132)2.7 系统分区不当造成失败 (133)2.8、双风机系统设计问题 (135)2.9 送回风管布置不好 (135)3.0 排气系统设计诸问题 (137)三、设计图纸方面存在的问题 (139)3.1 设计说明内容不完整 (139)3.2 平面图深度不够,有些应该绘制的内容遗漏 (139)3.3 系统图深度不够 (140)3.4 锅炉房设计过于简化 (140)3.5 计算书内容不全甚至全部空白 (140)3.6 暖通空调设备未编号列表表示,图画繁杂不清 (141)3.7 平面图、剖面图、系统图不一致 (141)3.8 设计图纸与计算书不一致 (141)四、问题原因及克服方法 (141)五、施工图设计深度要求 (142)设计说明、施工说明、图例和设备表 (142)设备平面图 (143)剖面图 (143)通风、空调、制冷机房平面图 (143)通风、空调、制冷机房剖面图 (143)暖通设计中的系统图、立管图 (144)详图 (144)计算书(供内部使用,备查) (144)第一章设计参考规范及标准中央空调主要参考以下的规范及标准:一、通用设计规范:1.《采暧通风及空气调节设计规范》( GBJI19-87)2.《采暖通风及至气调节制图标准》(GBJ114-88)3.《建筑设计防火现范》(GBJ116-87)4、《高层民用建筑设计防火现他》( GBJ0045-95)5.《民用建筑节能设计标准(采暖居住建筑部分)》(JGJ26-95)二、专用设计规范:1、《宿舍建筑设计规范》(JGJ36-87)2、《住宅设计规范》(GB50096-99)3.《办公建筑设计规范》(JG67-89)4、〈旅馆建筑设计规范〉(JGJ67-89)5.《旅游旅馆建筑热土与空气调节节能设计标准》(GB50189-93)6、其它专用设计规范三、专用设计标准图集:1.《暖通空调标准图集》2.《暖通空调设计选用手册》(上、下册)3、其它有关标准第二章设计参数一、商业和公共建筑物的空调设计参数 ASHRAE二、舒适空调之室内设计参数日本三、新风量1、每人的新风标准ASHRAE2、最小新风量和推荐新风量UK3、各类建筑物的换气次数UK4、各场所每小时换气次数4、每人的新风标准UK5、考虑节能的基本新风量(1/s人)(日本)6、办公室环境卫生标准日本7、民用建筑最小新风量《空调通风工程系统运行管理规范》(征求意见稿):空调通风系统运行期间,新风量宜满足下表的规定值,或者满足空气调节房间内二氧化碳浓度小于0.1%。
山西省古籍保护中心恒温恒湿精密空调方案建议书艾默生网络能源有限公司2022-04-27—目录—–推荐方案配置结论摘要– (3)第一部分工程概况及建设原则与目标 (4)一、情况描述 (4)二、高精密空调设计依据与标准 (4)三、高精密空调系统夏季冷负荷计算 (5)1、机房冷负荷计算方法 (5)第二部分推荐配置及工程技术方案 (6)一、本工程冷负荷计算 (6)二、方案综述 (8)第三部分艾默生Liebert.PEX+系列空调介绍 (14)–推荐方案配置结论摘要–推荐方案配置表名称室内机型号室内机尺寸单机制冷量台数送风方式室外机型号总套数4~7层P1025UA(二级电加热+精密控制)853*874*1970mm27.5kW每层4台风道上送风LSF32 16套8层DME12MHP1 600*500*1850mm12.5kW 3 风帽上送风DMC12WT13套8层P1020UA(二级电加热+精密控制)853*874*1970mm21.1kW 1 风帽上送风LSF24 1套8层P1050DA 1330*995*1975mm50.1kW 2 底板下送风LSF62 2套第一部分工程概况及建设原则与目标一、情况描述山西省古籍保护中心,主要是保障储藏室恒温恒湿,一些古籍及重点资料,干燥后不易储藏,潮湿了易损坏。
所以对湿度和温度要求都非常高,故需选用高精密恒温恒湿空调。
根据图纸测量,走廊和电梯都不具备搬运条件,双门的空调都无法搬运。
所以选用单门的空调可以满足现场使用。
二、高精密空调设计依据与标准●JGJ 25-2010《档案馆建筑设计规范》●GB 50019-2003 《采暖通风与空气调节设计规范》●GB 50189-2005《公共建筑节能设计标准》●WHT 24-2006《图书馆古籍特藏书库基本要求》●JGJ38-99《图书馆建筑设计规范》1、正压密封要求主机房应维持正压。
主机房与其他房间、走廊的压差不宜小于5Pa,与室外静压差不宜小于10Pa。
1、市场标准目前市场上有关空调器制冷量的标称很不统一、规范。
严格讲,空调器输出制冷量的大小应以W(瓦)来表示,而市场上常用匹来描述空调器制冷量的大小。
这二者之间的换算关系为:1匹的制冷量大约为2000大卡,换算成国际单位瓦应乘以1.162,这样,1匹制冷量应为2000大卡×1.162=2324W。
这里的W(瓦)即表示制冷量,而1.5匹的制冷量应为2000大卡×1.5×1.162=2486W。
通常情况下,家庭普通房间每平方米所需的制冷量为115-145W,客厅、饭厅每平方米所需的制冷量为145-175W。
比如,某家庭客厅使用面积为15平方米,若按每平方米所需制冷量160W考虑,则所需空调制冷量为:160W×15=2400W。
这样,就可根据所需2400W的制冷量对应选购具有2500W制冷量的KF-25GW型分体壁挂式空调器。
所谓能效比也称性能系数即一台空调器的名义制冷量与其耗电功率的比值。
通常,空调器的能效比接近3或大于3为佳,就属于节能型空调器。
比如,一台空调器的制冷量是2000W,额定耗电功率为640W,另一台空调器的制冷量为2500W,额定耗电功率为970W。
则两台空调器的能效比值分别为:第一台空调器的能效比:2000W/640W=3.125,第二台空调器的能效比:2500W/970W=2.58。
这样,通过两台空调器能效比值的比较,可看出,第一台空调器即为节能型空调器。
单位制冷量:一般情况下家用所需的单位制冷量为100~150瓦/平方米;如果是楼顶,房间朝西或者有大面积玻璃墙,可适当提高到170~200瓦/平方米左右。
各间房分配的单位制冷量为:客厅和饭厅:170瓦/平方米左右,主卧:100瓦/平方米左右,书房:120瓦/平方米左右,小主人卧:150瓦/平方米左右,客卧:100瓦/平方米左右。
购买KRF-33或KF33的,使用面积为16~22平方,也就是通常说的1.5匹。
格力空调标准配置及价格表单位:元,人民币,备注,市场统一序空调名称型号标准配置折扣率媒体价格, 号 ,格力,1 KF-26GW/E,2431,ZE1-N1 38002 KFR-24GW/E,2451,ZE1-N1 40003 KF-27GW/E,2731,ZE1-N1 3870 室内机+4 KFR-27GW/E,2751,ZE1-N1 4060 新节能王子室外机+13% 5 KF-32GW/E,3231,ZE1-N1 4060 连接管 6 KFR-32GW/E,3251,ZE1-N1 4290 7 KF-35GW/E,3531,ZE1-N1 4290 8 KFR-35GW/E,3551,ZE1-N1 4560 9 KF-46GW/K,46313,B-N4 4990 10 KFR-46GW/K,46513,B-N4 5390 室内机+11 KF-50GW/K,50313,B-N4 5390 大清巧室外机+13% 12 KFR-50GW/K,50513,B-N4 5690 连接管 13 KF-72GW/K,72313,B-N4 6590 14 KFR-72GW/K,72513,B-N4 7090 15 KF-46LW/K,46320L,A-N5 4020 16 KFR-46LW/K,46520L,A-N5 4120 17 KF-50LW/K,50320L,A-N5 4700 室内机+18 KFR-50LW/K,50520L,A-N5 4980 新风韵室外机+13% 19 KF-72LW/E1,72320L1,A-N5 6300 连接管 20 KFR-72LW/E1,72520L1,A-N5 6600 21 KF-72LW/E,72320L,A-N5 6500 22 KFR-72LW/E,72520L,A-N5 6780 23 KF-50LW/E,50368L,A1-N5 5300 24 KFR-50LW/E,50568L,A1-N5 5500 室内机+25 KF-72LW/E1,72368L1,A1-N5 7000 清新风室外机+13% ,非换气型, 26 KFR-72LW/E1,72568L1,A1-N5 7300 连接管 27 KF-72LW/E,72368L,A1-N5 7200 28 KFR-72LW/E,72568L,A1-N5 7400 29 KF-50LW/E,50368L,A1-HN5 5400 30 KFR-50LW/E,50568L,A1-HN5 5700 室内机+31 KF-72LW/E1,72368L1,A1-HN5 7200 清新风室外机+13% ,换气型, 32 KFR-72LW/E1,72568L1,A1-HN5 7450 连接管 33 KF-72LW/E,72368L,A1-HN5 7300 34 KFR-72LW/E,72568L,A1-HN5 7600 35 王者之尊 KF-50LW/R,50333L,-JN2 室内机+13% 1009036 KFR-50LW/E,50533L,-JN2 室外机+10490连接管 37 KF-72LW/R1,72333L1,-JN2 11600 38 KFR-72LW/R1,72533L1,-JN2 12290 39 KF-50LW/RP,50333L1,FD 12000 变频王者之尊 40 KFR-72LW/P1,72533L1,FD 13800 41 KF-120LW/E,1233L,V-SN5 9130 42 KFR-120LW/E,1253L,A1-SN5 9380 室内机+43 LF-16W 10250 空调贵族室外机+13% 44 RF-16W 10880 连接管 45 LF-28W/J100 22500 46 RF-28W/J100 25000 47 KF-23GW/K,23356,D2-N5 2100 48 KFR-23GW/K,23556,D2-N5 2360 49 KF-26GW/K,26356,D2-N5 2360 室内机+50 KFR-26GW/K,26556,D2-N5 2500 室外机+凉之源连接管 51 KF-32GW/K,32356,D2-N5 260052 KFR32GW/K,32556,D2-N5 2800 53 KF35GW/K,35356,D2-N5 2900 54 KFR-35GW/K,35556,D2-N5 3100 55 KF-23GW/K,23356,D2-N2 3380 56 KFR-23GW/K,23556,D2-N2 3550 室内机+13% 57 KF-26GW/K,26356,D2-N2 3450 室外机+58 KFR-26GW/K,26556,D2-N2 3600 凉之源连接管 ,节能型, 59 KF-32GW/K,32356,D2-N2 3800 ,二级能60 KFR32GW/K,32556,D2-N2 4000 效, 61KF35GW/K,35356,D2-N2 4100 62 KFR-35GW/K,35556,D2-N2 4300 63 KFR-26GW/K,26556,FdD1 室内机+3800室外机+64 KFR-32GW/K,32556,FdD1 4100 凉之夏连接管 ,变频型, ,直流变65 KFR-35GW/K,35556,FdD1 4400频,66 KF-23GW/K,23356,A1-N4 2500 67 KFR-23GW/K,23556,A1-N4 2760 室内机+68 KF-26GW/K,26356,A1-N4 2640 室外机+69 KFR-26GW/K,26556,A1-N4 2900 玉堂春连接管 70 KF-32GW/K,32356,A1-N4 2980 ,四级能71 KFR-32GW/K,32556,A1-N4 13% 3230 效, 72 KF-35GW/K,35356,A1-N4 3180 73 KFR-35GW/K,35556,A1-N4 3520 74 KF-23GW/K,23356,A1-N2 3550 室内机+玉堂春 75 KFR-23GW/K,23556,A1-N2 3700 室外机+,节能型, 76 KF-26GW/K,26356,A1-N2 连接管 365077 KFR-26GW/K,26556,A1-N2 ,二级能3760效, 78 KF-32GW/K,32356,A1-N2 3980 79 KFR-32GW/K,32556,A1-N2 4150 80 KF-35GW/K,35356,A1-N2 4250 81 KFR-35GW/K,35556,A1-N2 4390 82 KFR-26GW/K,26556,FdA1 室内机+4100室外机+83 KFR-32GW/K,32556,FdA1 4400连接管 13%玉堂春 ,直流变84 KFR-35GW/K,35556,FdA1 4700,变频型, 频,85 KC-25,2516,-N4 1900 86 KC-25,2516A,-N4 2000 87 KCD-25,2526,-N4 2150 88 窗机 KC-35,3516,-N4 单机 13% 2250 89 KC-35,3516A,-N4 2350 90 KCD-35,3526,-N4 2500 91 KC-46,4616,-N4 3550 备注:三月格力空调价格无变动。
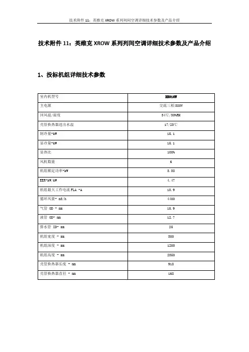
技术附件11:英维克XROW系列列间空调详细技术参数及产品介绍1、投标机组详细技术参数2、产品描述应用范围:数据中心(IDC);局部过热机房、高热密度机房、高节能需求的机房;模块化数据中心、微模块数据中心、集装箱式数据中心。
多项节能设计;机组自带脚轮和水平调节地脚,可现场灵活移动和固定;多种监控方式,多种通讯接口(RS485,以太网(配置SNMP或TCP/IP通讯协议));可选GPRS短信告警;风冷冷凝器提供适合不同温度环境(包括低温启动)的配置。
3、室内机命名规则4、XRow系列列间空调的特点英维克XRow列间空调提高数据中心热密度,并实现了数据中心的节能。
XRow列间空调高效特点:一是实现了100%高显热比,有效降低机房整体加湿与除湿能耗,二是高回风温度的设计,在提高冷量输出的前提下,极大提高了空调系统的能效比。
与传统的机房空调相比,列间空调具100%显热比、风机功率消耗低、能效比高、机房装修要求低、安装方便、标准化机柜设计和易扩容的特点。
英维克XRow列间空调按照列间空调冷却方式包括风冷、水冷、冷冻水;按照结构形式包括列间(In row)、机柜顶部(Up row)、机柜背面(Rear)、机柜(XRack);具备多个冷量范围,风冷及集成iFreecooling®自然冷却机组从12.4kW到40kW,冷冻水机组从33.0kW到70.9kW。
列间形式空调包括300mm宽度以及600mm宽度等适合与机柜并排布置的尺寸。
XRow通过动态制冷,适应快速变化的机房负荷;标准配置高效EC风机,冗余设计,风量根据房间负荷自动调整;通过紧靠机架放置,更加靠近热源,配合机架背部出热风、前进冷风的气流分布,多达7种送风方式,满足不同应用场合需求;贴近热源设计,制冷效率更高,更加节能;采用EVO智能控制系统按温湿度需要控制风量和冷量输出,配合EC 风机和直流变频EC压缩机达到最佳的效果和最低的能耗;可配置多个外置温度传感器,可直接放置在发热设备上,根据设备实际发热情况实时调整制冷量输出;专家级故障自诊断,启动诊断模式后,自动检测全部部件故障;英维克EVO智能控制系统以强大的联控与通讯功能,实现多套机组群组运行,包括自动投运备份机组、轮巡、避免竞争运行、故障切换、温湿度传感器共享等。
机房空调配置标准规范最新随着信息技术的快速发展,机房作为数据中心的核心组成部分,其环境控制的重要性日益凸显。
空调系统作为机房环境控制的关键设备,其配置标准直接影响到机房的稳定性和安全性。
以下是最新的机房空调配置标准规范:1. 空调系统类型选择:- 根据机房的大小、热负荷、以及预算,选择合适的空调系统类型,包括直膨式、水冷式、风冷式等。
- 推荐使用能效比较高的空调系统,以减少能耗并降低运营成本。
2. 制冷量计算:- 应根据机房内设备的总功率、机房面积、人员数量以及室内外温差等因素,准确计算所需的制冷量。
- 制冷量应留有一定的余量,一般建议余量为10%-20%。
3. 空调机组配置:- 空调机组应选择具有高可靠性和高稳定性的产品。
- 空调机组的数量应根据机房的规模和热负荷进行合理配置,确保在任何情况下都能满足制冷需求。
4. 空气循环设计:- 机房内的空气循环应设计合理,确保空气流动均匀,避免局部过热或过冷。
- 应设置合理的送风口和回风口,以优化空气流动路径。
5. 湿度控制:- 空调系统应具备有效的湿度控制功能,保持机房内的相对湿度在40%-60%之间。
- 应定期检查和维护加湿和除湿设备,确保其正常工作。
6. 温度控制:- 机房内的温度应控制在18-24°C之间,以保证设备的正常运行。
- 应安装温度传感器,实时监测机房内的温度,并与空调系统联动。
7. 节能措施:- 空调系统应采用节能设计,如变频技术、智能控制系统等。
- 应定期进行能效评估,优化空调系统的运行参数,提高能效。
8. 安全与监控:- 空调系统应具备完善的安全保护措施,如过载保护、短路保护等。
- 应安装监控系统,实时监控空调系统的运行状态,并及时响应故障。
9. 维护与保养:- 应制定详细的空调系统维护和保养计划,定期进行检查和维护。
- 应有专业的维护团队,确保空调系统的正常运行。
10. 环境适应性:- 空调系统应考虑机房所在地的气候条件,如温度、湿度、灰尘等,选择适应性强的空调设备。
最新格力中央空调配管管径标准最新格力中央空调配管管径标准-格力变频多联机铜管管径对照表人们都知道中央空调多联机系统,要严格根据其内外机及其每个分支的冷量来匹配冷媒管管径及分歧管的大小,但很多人在施工中却不在意思,根据经验来选配,以至于导致空调在运行中发生一些不可预测的故障,维修起来更是大费周折,得不偿失。
下面小编就给你介绍一下格力中央空调官方的配管径标准。
格力中央空调配管管径标准--室外机至室内第一分歧管间的管径对照表(独立模块)空调室外机型号气管配管管径(mm) 液管配管管径(mm)GMV一250W/A Φ19.05Φ9.52GMV一300W/A Φ22.2Φ9.52GMV一350W/A Φ25.4Φ12.7GMV一400W/A Φ25.4Φ12.7GMV一450W/A Φ28.6Φ12.7GMV一504W/A Φ28.6Φ15.9GMV一560W/A Φ28.6Φ15.9GMV一615W/A Φ28.6Φ15.9GMV一785W/A Φ31.8Φ19.05GMV一900W/A Φ31.8Φ19.05格力中央空调配管管径标准--室外机至室内第一分歧管间的管径对照表(基础模块)基础模块气管配管管径(mm) 液管配管管径(mm)GMV-224WM/B Φ19.05Φ9.52GMV-252WM/B Φ19.05Φ9.52GMV-280WM/B Φ22.2Φ9.52GMV-335WM/B Φ25.4Φ12.7GMV-400WM/B(B1) Φ25.4 Φ12.7GMV-450WM/B(B1) Φ28.6 Φ12.7GMV-504WM/B Φ28.6Φ15.9GMV-560WM/B Φ28.6Φ15.9GMV-615WM/B Φ28.6Φ15.9格力中央空调配管管径标准--室外机至室内第一分歧管间的管径对照表(组合模块)室外模块总额定容量(多模块) 气管配管管径(mm) 液管配管管径(mm) GMV-680WM/B Φ28.6Φ15.9GMV-730WM/B Φ31.8Φ19.05GMV-785WM/B Φ31.8Φ19.05GMV-850WM/B Φ31.8Φ19.05GMV-900WM/B Φ31.8Φ19.05GMV-960WM/B Φ31.8Φ19.05GMV-10lOWM/B Φ38.1Φ19.05GMV-1065WM/B Φ38.1Φ19.05GMV-1130WM/B Φ38.1Φ19.05GMV-1180WM/B Φ38.1Φ19.05GMV-1235WM/B Φ38.1Φ19.05GMV-1300WM/B Φ38.1Φ19.05GMV-1350WM/B Φ38.1Φ19.05GMV-1410WM/B Φ41.3Φ19.05GMV-1460WM/B Φ41.3Φ19.05GMV-1515WM/B Φ41.3Φ19.05GMV-1580WM/B Φ41.3Φ19.05GMV-1630WM/B Φ41.3Φ19.05GMV-1685WM/B Φ41.3Φ19.05GMV-1750WM/B Φ41.3Φ19.05GMV-1800WM/B Φ41.3Φ19.05GMV-1854WM/B Φ41.3Φ19.05GMV-1908WM/B Φ44.5Φ22.2GMV-1962WM/B Φ44.5Φ22.2GMV-2016WM/B Φ44.5Φ22.2GMV-2072WM/B Φ44.5Φ22.2GMV-2128WM/B Φ44.5Φ22.2GMV-2184WM/B Φ44.5Φ22.2GMV-2240WM/B Φ44.5Φ22.2GMV-2295WM/B Φ44.5Φ22.2GMV-2350WM/B Φ44.5Φ22.2GMV-2405WM/B Φ44.5Φ22.2GMV-2460WM/B Φ44.5Φ22.2格力中央空调配管管径标准--室外机至室内第一分歧管间的最大距离≥90m时的管径对照表(独立模块)外机型号气管配管管径(mm) 液管配管管径(mm)GMV一250W/A 无需加大管径无需加大管径GMV一300W/A 无需加大管径Φ12.7GMV一350W/A Φ28.6Φ15.9GMV一400W/A Φ31.8Φ15.9GMV一450W/A Φ31.8Φ15.9GMV一504W/A Φ31.8Φ19.05GMV一560W/A Φ31.8Φ19.05GMV一615W/A Φ31.8Φ19.05GMV一785W/A Φ38.1Φ22.2GMV一900W/A Φ38.1Φ22.2格力中央空调配管管径标准--室外机至室内第一分歧管间的最大距离≥90m时的管径对照表(基础模块)室外机型号气管配管管径(mm) 液管配管管径(mm)GMV-224WM/B 无需加大管径无需加大管径GMV-252WM/B 无需加大管径无需加大管径GMV-280WM/B 无需加大管径Φ12.7GMV-335WM/B Φ28.6Φ15.9GMV-400WM/B(B1) Φ28.7Φ15.9GMV-450WM/B(B1) Φ31.8 Φ15.9GMV-504WM/B Φ31.9 Φ19.05GMV-560WM/B Φ31.10 Φ19.05GMV-615WM/B Φ31.11 Φ19.05格力中央空调配管管径标准--室外机至室内第一分歧管间的最大距离≥90m时的管径对照表(组合模块)室外机型号气管配管管径(mm) 液管配管管径(mm)GMV-680WM/B Φ31.12 Φ19.05GMV-730WM/B Φ38.1Φ22.2GMV-785WM/B Φ38.1Φ22.2GMV-850WM/B Φ38.1Φ22.2GMV-900WM/B Φ38.1Φ22.2GMV-960WM/B Φ38.1Φ22.2GMV-1010WM/B Φ41.3Φ22.2GMV-1065WM/B Φ41.3Φ22.2GMV-1130WM/B Φ41.3Φ22.2GMV-1180WM/B Φ41.3Φ22.2GMV-1235WM/B Φ41.3Φ22.2GMV-1300WM/B Φ41.3Φ22.2GMV-1350WM/B Φ41.3Φ22.2GMV-1410WM/B Φ44.5Φ22.3GMV-1460WM/B Φ44.4Φ22.4GMV-1515WM/B Φ44.3Φ22.5GMV-1580WM/B Φ44.2Φ22.6GMV-1630WM/B Φ44.0Φ22.7GMV-1685WM/B Φ44.2Φ22.8GMV-1750WM/B Φ44.3Φ22.9GMV-1800WM/B Φ44.4Φ22.10GMV-1854WM/B Φ44.5Φ22.11GMV-1908WM/B Φ51.4Φ25.4GMV-1962WM/B Φ51.4Φ25.4GMV-2016WM/B Φ51.4Φ25.4GMV-2072WM/B Φ51.4Φ25.4GMV-2128WM/B Φ51.4Φ25.4GMV-2184WM/B Φ51.4Φ25.4GMV-2240WM/B Φ51.4Φ25.4GMV-2295WM/B Φ51.4Φ25.4GMV-2350WM/B Φ51.4Φ25.4GMV-2405WM/B Φ51.4Φ25.4GMV-2460WM/B Φ51.4Φ25.4格力中央空调配管管径标准--模块与室外机分歧管之间的管径对照表基础模块气管配管管径(mm) 液管配管管径(mm)GMV-224WM/B Φ19.05Φ9.52GMV-252WM/B Φ19.05Φ9.52GMV-280WM/B Φ22.2Φ9.52GMV-335WM/B Φ25.4Φ12.7GMV-400WM/B(B1) Φ25.4 Φ12.7GMV-450WM/B(B1) Φ28.6 Φ12.7GMV-504WM/B Φ28.6Φ15.9GMV-560WM/B Φ28.6Φ15.9GMV-615WM/B Φ28.6Φ15.9格力中央空调配管管径标准--模块分歧管间连接管径对照表上游模块额定总容量Q(KW) 气管配管管径(mm) 液管配管管径(mm) 22.4≥QΦ9.05Φ9.5228.0≥Q>22.4Φ22.2Φ9.5240.0≥Q>28.0Φ25.4Φ12.745.0≥Q>40.0Φ28.6Φ12.768.0≥Q>45.0Φ28.6Φ15.996.0≥Q>68.OΦ31.8Φ19.05Φ135.0≥Q>96.0Φ38.1Φ19.05Φ186.0≥Q>135.0Φ41.3Φ19.05Q>186.0 Φ44.5Φ22.2格力中央空调配管管径标准--室内分歧管间的配管尺寸表下游室内机合计额定总容量x(kw) 气管配管管径(mm)液管配管管径(mm)X≤5.6Φ12.7Φ6.355.6<x≤14.2< td=""> Φ15.9Φ9.5214.2<x≤22.4< td=""> Φ19.05Φ9.5222.4<x≤28.o< td=""> Φ22.2Φ9.5228.O<x≤40.o< td=""> Φ25.4Φ12.740.0<x≤45.o< td=""> Φ28.6Φ12.745.O<x≤68.0< td=""> Φ28.6Φ15.968.0<x≤96.0< td=""> Φ31.8Φ19.0596.O<x≤135.0< td=""> Φ38.1Φ19.05135.0<x < td=""> Φ44.5Φ22.2格力中央空调配管管径标准--室内分歧管至室内机间的配管尺寸室内机额定容量气管配管管径(mm) 液管配管管径(mm) C≤2.8Φ9.52Φ6.352.8<c≤5.0< td=""> Φ12.7Φ6.355.0<c≤14.o< td=""> Φ15.9Φ9.5214.0<c≤16.0< td=""> Φ19.05Φ9.5216.O<c≤28.0< td=""> Φ22.2Φ9.52。
组合式风柜:一、尺寸:(设ZKW-05风量为5000CMH,ZKW-80风量为80000CMH)宽为1100~3900mm,高为1150~2800mm;混合段:700~900mm初效过滤段:500~500mm中效过滤段:500~500mm中间段:700~900mm表冷段:500~500mm蒸汽加热段:500~500mm电加热段:400~400mm喷淋段:1500~2000~2500mm(分别为一排、二排、三排)干蒸汽加湿段:500~700mm湿膜加湿段:500~700mm高压喷雾加湿段:600~900mm转轮除湿段:1500~2500mm二次回风段:500~750mm高效过滤段:500~700mm分流段:1250~2250mm送(回)风机段:1050~2050mm消声段:1200~1800mm出风段:500~900mm二、风柜介绍:组合式空调处理机机组是我公司最新开发的集中式空调机,它总结了国内外同类产品的优点,也结合了多年来设计及使用单位的经验.它的主要特点:机组采用模数化设计,外形能适应客户灵活和个性化的需求,也使产品全过程标准化。
自主专利的“复合式断绝冷桥框架”和“复合式断冷桥面板”所构成的“三维复合式断冷桥柜体”突破了本行业中以往的结构概念,功能更新颖,构造更灵活,外观更优雅。
1.机组处理风量从2500m3/h到200000m3/h,制冷量14.8-1833kw,制热量8-1277.9kw,72种基本规格,可自由变化组合,广泛应用于酒店、剧院、商场、办公楼等各种场合;另有大量的专用组合机型以应对电子、化工、医疗、制药、卷烟、食品和轻工等各行业的不同专业需要。
2.具有冷却,加热,加湿,净化,消声,除菌,能量回收和通风换气等各种功能,且各类功能结合优良。
3.能满足不同的客户对于室内温度、湿度、气流、洁净度和新鲜度等各种空气品质的不同要求。
4.提供专业的机电一体化现场控制系统,能自动控制恒温恒湿,V A V,VWV,IAQ等,节能环保。
(二)产品结构:A、STULZ机房空调产品从制冷量来分主要有三个系列1、CyberAir 系列,结构紧凑,适用范围广,制冷量从17KW-150KW。
2、Compact DX系列,结构紧凑,占用机房面积小,单位面积制冷量大。
经济实用,制冷量,4KW-105KW。
3、COM-AIR系列,电信专用型,主要用于移动机站。
制冷量3.2KW-11.6KW。
B、从制冷结构来分有下列几种。
1、空气冷却型:室外机与室内机之间为氟里昂直接热交换,室外风机冷却,用于室内、室外机相距不超过35M,室外机低于室内机不大于5米的工作场合。
2、水冷型:室内与室外热交换为水冷型,用于室外机相距较远及高差很大的区域。
3、冷冻水型:用于有中央空调供应冷水之区域,主要目的为节能和冷水的利用。
(三)服务承诺:STULZ空调对所售出产品有终身之技术服务承诺与义务,并可同用户签订定期维修保养协议.同时可以根据用户要求对操作人员进行国内的技术培训及国外制造厂家的培训。
(四)技术规范及加工设备材料说明:1、技术规范:STULZ空调产品采用严格的国际制造标准及技术规范。
(1)电磁兼容标准:EN50091-92IEC801等;(2)安全标准:EN50091 ICE950;(3)欧洲环境标准:CE TUV/GS;2、主要生产设备均采用世界一流的成型,表面处理及调试设备。
3、主要原材料:――结构件、壳体材料采用国际流行的金属材料,物理性能及化学性能均经过严格测试。
――控制电气采用梅兰日兰公司、西门子公司名牌产品。
――压缩机采用世界名牌COPELAND产品。
4、产品质量保证及措施:STULZ产品已得到国际ISO9001:2000认证,质量控制严格按该证书要求,由相应体系来保证。
(六)STULZ CSD351A型空调主要性能指标:型号: CSD271A制冷量:27.3kw 单制冷系统风量:8300m3/h,下送风、上回风机外余压:70~260Pa 可调制热量:12kw 标准电加热加湿量:5Kg/h 标准电极式室内机尺寸:1400*890*1980mm(长、宽、高)重量:395Kg室外机尺寸:1860*920*730mm(长、宽、高)重量:100Kg配电功率:25KW 三相五线制(七)STULZ Compact DX系列空调主要技术特点:100%德国原装进口产品,产地德国汉堡,是STULZ厂采用最先进的生产方法制造的高质量产品,可靠性高,性能价格比高;模块式结构设计,搬运运输方便,安装扩容简便,最多可以连接扩容至31台(模块);单位面积制冷量达38KW/M2,效率高,满足在尽可能小的占用机房空间的条件下,带走尽可能多的机房热负荷的要求,使运行更加经济;多台机组可根据场地及负荷分布情况,分离布置摆放、联机运行,可设置为互为备份,自动切换轮换工作,任何一台机组(模块)故障是备份机组都可以自动投入运行;全部的维护工作均在正面进行,一般故障维护时不影响机组的运行;结构紧凑体积小,便于分离搬运、安装,可通过标准电梯、门和通道;机外余压最大可达700Pa,并可以根据要求方便调整;过滤等级满足EU4级并可以提供更高等级的过滤精度供选择;全部采用美国Copeland涡旋式压缩机;门板采用抛光喷塑处理,与机房环境和谐统一;采用铝合金框架结构,内部进行了特殊的加固处理,刚性、韧性好,重量轻;电气元件主要采用梅兰日兰产品,且全部采用过流保护;控制器为STULZ C7000型,具有大屏幕中文及图表显示,背景光量度可自动调节,WINDOWS菜单结构,断电数据保护及自启动功能,具有多达40余项的故障报警信息显示并可记录多达200余条的报警内容和存储纪录1天至1400天的温湿度曲线;满足联网监控要求,RS485/RS232接口为标准配置;交流电输入范围宽,能在380V±10%范围内正常连续运行;适应性强,可满足不同的运行环境;选件丰富,可满足漏水报经监测,烟感火感报经监测,消防系统联动,缺相反相保护等功能; 质量先进性能稳定可靠,寿命和平均无故障时间(MTBF)设计寿命满足20年以上,MTBF大于19万小时,备份系统MTBF大于25万小时适应环保要求,STULZ空调可满足环保制冷剂的使用,走在同类产品的前列,为用户的投资提供最高的回报。
第一章设计参考规范及标准 (4)一、通用设计规范: (4)二、专用设计规范: (4)三、专用设计标准图集: (5)第二章设计参数 (5)一、商业和公共建筑物的空调设计参数ASHRAE (5)二、舒适空调之室内设计参数日本 (6)三、新风量 (7)1、每人的新风标准ASHRAE (7)2、最小新风量和推荐新风量UK (8)3、各类建筑物的换气次数UK (8)4、各场所每小时换气次数 (9)4、每人的新风标准UK (9)5、考虑节能的基本新风量(1/s人)(日本) (10)6、办公室环境卫生标准日本 (10)7、民用建筑最小新风量 (10)第三章空调负荷计算 (13)一、不同窗面积下,冷负荷之分布% (13)二、负荷指标(估算)(仅供参考) (13)三、空调冷负荷法估算冷指标。
空调冷负荷法估算冷指标(W/m2空调面积)见下表 (14)四、按建筑面积冷指标进行估算建筑面积冷指标 (16)五、建筑物冷负荷概算指标香港 (17)六、各类建筑物锅炉负荷估算W/m3℃ (18)七、热损失概算W/m℃ (18)八、冷库冷负荷概算指标 (18)第四章风管系统设计 (19)一、通风管道流量阻力表 (19)1、缩伸软管摩擦阻力表 (19)2、镀锌板风管摩擦阻力表 (19)二、室内送回风口尺寸表 (22)1、风口风量冷量对应表 (22)2、不同送风方式的风量指标和室内平均流速ASHRAE (23)三、室内风管风速选择表 (23)1、低速风管系统的推荐和最大流速m/s (23)2、低速风管系统的最大允许速m/s (23)3、通风系统之流速m/s (24)四、室内风口风速选择表 (24)1、送风口风速 (24)2、以噪音标准控制的允许送风流速m/s (25)3、推荐的送风口流速m/s (25)4、送风口之最大允许流速m/s (25)5、回风口风速 (25)6、回风格栅的推荐流速m/s (26)8、逗留区流速与人体感觉的关系 (26)9、顶棚散流器送风量 (26)10、侧送风口送风量 (27)五、室内风口的简单布臵 (29)1、送风口布臵间距 (29)2、标准型号风盘所接散流器的尺寸表-办公室 (29)3、散流器布臵 (29)4、空调房间允许最大送风温差℃ (30)5、工艺性空气调节空调房间允许最大送风温差 (30)6.1、厨房通风问题 (30)6.2如何确定厨房的通风量 (30)6.3厨房通风设计中的几个问题 (32)7、消声器、静压箱总结 (35)8.风管贴吸音材料风道的衰减量(日本) (36)9.风管的自然衰减量(只有直风道dB/m,其它都是dB) (36)六、防排烟设计 (37)第五章管道系统设计 (41)一、空调管路系统的设计原则 (41)二、管路系统的管材 (42)三、供回水总管上的旁通阀与压差旁通阀的选择 (42)四、空调水系统管径的确定 (44)五、冷冻水泵扬程估算方法 (45)1、水泵扬程简易估算法 (46)2、冷冻水泵扬程实用估算方法 (46)3、水泵扬程设计 (48)六、冷却水系统的设计 (48)1、冷却水系统的补水量 (48)2、冷却水循环系统设计中应注意的几个问题: (49)七、冷凝水管道设计 (49)八、分汽缸、分水器、集水器尺寸的确定 (50)九、膨胀水箱的容积计算 (53)十、空压管道管径选择表 (55)十一、空调水处理系统 (56)十二、保温 (56)十三、阀门选用 (57)第六章空调设备选型 (58)一、机组选型 (58)二、机组选型案例 (58)三、辅助设备 (59)1、冷却塔 (59)2、水泵的选型: (59)3、热泵中央空调系统水量计算 (60)4、冷冻水和冷却水流量估算 (61)5、设备水压力降估算(日本) (61)第七章自控系统设计 (62)第八章材料、设备资料 (62)一、钢板和铝板的厚度和重量ASHRAE (62)二、角钢和角铝的规格和重量ASHRAE (62)三、计算单位换算 (63)四、常用液体的密度(单位:103千克/米3,未注明者为常温下) (64)五、空气调节常用计算公式 (65)六、钢材理论重量计算 (67)七、专业英语 (68)第九章耗电量、机房面积 (81)1、水源热泵系统设备耗电量比例 (81)2、医院耗电量比例 TRANE (81)3、各种系统分项造价占总造价的百分率%(近似) (81)4、冷水机组和附属设备估算(△t=5℃) (81)5、空调面积占建筑面积比例 (82)6、空调机房建筑面积概算指标 (82)7、空调设备所占的建筑面积百分率% (83)8、设备层布臵原则: (83)第十章参考实例 (84)第十一章暖通空调中存在的问题及解决办法、图纸要求 (84)一、贯彻执行暖通设计规范、标准方面存在的问题 (84)1.1 室内外空气计算参数不符合规范要求 (84)1.2 供暖热负荷计算有漏项和错项 (84)1.3 卫生间散热器型式选择不妥 (84)1.4 楼梯间散热器立、支管未单独配臵 (85)1.5 供暖管道敷设坡度不符合规范要求 (85)1.6 厨房操作间通风存在问题 (85)1.7 膨胀水箱与热(冷)水系统的连接不符合规范要求 (85)1.8 通风空调系统防火阀的设臵不符合规范要求 (85)1.9 防烟楼梯间前室送风口风量的确定有问题 (85)1.10 误将防烟分区排风量的计算混同于排烟风机风量的计算 (86)1.11 高层建筑排烟系统排烟口选型不当 (86)二、在工程设计中存在的问题 (86)2.1 供暖入口设臵过多 (86)2.2 供暖系统设计不合理 (86)2.3 排风系统设计不合理 (87)2.4 空调系统的选择不合理 (87)2.5 厕所采用风机盘管时未加新风 (87)2.6 平衡阀的设臵与口径选择存在问题 (87)2.7 系统分区不当造成失败 (87)2.8、双风机系统设计问题 (88)3.0 排气系统设计诸问题 (90)三、设计图纸方面存在的问题 (91)3.1 设计说明内容不完整 (91)3.2 平面图深度不够,有些应该绘制的内容遗漏 (91)3.3 系统图深度不够 (92)3.4 锅炉房设计过于简化 (92)3.5 计算书内容不全甚至全部空白 (92)3.6 暖通空调设备未编号列表表示,图画繁杂不清 (92)3.7 平面图、剖面图、系统图不一致 (92)3.8 设计图纸与计算书不一致 (92)四、问题原因及克服方法 (93)五、施工图设计深度要求 (93)设计说明、施工说明、图例和设备表 (93)设备平面图 (93)剖面图 (94)通风、空调、制冷机房平面图 (94)通风、空调、制冷机房剖面图 (94)暖通设计中的系统图、立管图 (94)详图 (94)计算书(供内部使用,备查) (94)第一章设计参考规范及标准中央空调主要参考以下的规范及标准:一、通用设计规范:1.《采暧通风及空气调节设计规范》( GBJI19-87)2.《采暖通风及至气调节制图标准》(GBJ114-88)3.《建筑设计防火现范》(GBJ116-87)4、《高层民用建筑设计防火现他》( GBJ0045-95)5.《民用建筑节能设计标准(采暖居住建筑部分)》(JGJ26-95)二、专用设计规范:1、《宿舍建筑设计规范》(JGJ36-87)2、《住宅设计规范》(GB50096-99)3.《办公建筑设计规范》(JG67-89)4、〈旅馆建筑设计规范〉(JGJ67-89)5.《旅游旅馆建筑热土与空气调节节能设计标准》(GB50189-93)6、其它专用设计规范三、专用设计标准图集:1.《暖通空调标准图集》2.《暖通空调设计选用手册》(上、下册)3、其它有关标准第二章设计参数一、商业和公共建筑物的空调设计参数ASHRAE二、舒适空调之室内设计参数日本三、新风量1、每人的新风标准ASHRAE2、最小新风量和推荐新风量UK3、各类建筑物的换气次数UK4、各场所每小时换气次数依人数计算换气量4、每人的新风标准UK5、考虑节能的基本新风量(1/s人)(日本)6、办公室环境卫生标准日本7、民用建筑最小新风量《空调通风工程系统运行管理规范》(征求意见稿):空调通风系统运行期间,新风量宜满足下表的规定值,或者满足空气调节房间内二氧化碳浓度小于0.1%。
格力空调Tops系列多联机组技术文件格力电器第一部分系统外机性能与规格1、本机组设计实行标准GB/T 18837-20022、以上冷量测试工况:室内干球/湿球温度(27/19℃).室外干球/湿球温度(35/24℃);以上制热量测试工况:室内干球/湿球温度(20/15℃).室外干球/湿球温度(7/6℃).3、根据最大熔丝电流来选择空气开关.根据最小线路电流来选择电气配线规格。
3、系统外机安装注意事项(1)机组安装基础:必须是水泥或钢结构.应能承受机器的运行重量.并能隔音及震动.且上平面是水平的。
机组的安装基础应预留排水槽。
(2)机组运行环境:安装处应能确保机器免受暴晒和雨淋;应尽量免受火、易燃品、腐蚀性气体或废气的影响;应预留通风空间;应采取适当的措施.尽可能减小震动和噪音。
4、外机外形尺寸及安装维修空间单位:mm 第二部分系统内机性能与规格1、本机组设计实行标准GB/T 18837-2002。
2、机组风量是子环境温度20℃/16℃、内机最高风挡下测试。
3、额定测试条件:制冷:室内环境温度27℃(干球)/19℃(湿球)、室外环境温度35℃(干球)/24℃(湿球);制热:室内环境温度20℃(干球)/15℃(湿球)、室外环境温度7℃(干球)/6℃(湿球);.3、根据最大熔丝电流来选择空气开关.根据最小线路电流来选择电气配线规格。
2、室内机安装注意事项(1)机组安装基础:确保顶部吊杆、天花板、建筑物结构等有足够强度来承受机组重量。
(2)安装处应能确保机器免受暴晒和雨淋;应尽量免受火、易燃物、腐蚀性气体或废气影响;应预留通风空间;应采取适当措施尽可能减小噪音和震动。
3、产品外形尺寸及安装维修空间第三部分产品电气及接地部分注意事项注意:空调机必须可靠接地.若接地不正确会导致触电或火灾。
一、电气布置◆按国家布线规则进行安装。
◆电源一定要使用额定电压及空调机组专用电源。
◆电源线应有可靠固定.以免接线端子受力.请不要用力拉动电源线。
办公楼中央空调机房设备技术要求一、冷却塔(一)、冷却塔技术要求:1、本工程采用超低噪音方型横流冷却塔,进风面为两个。
楼顶长×宽×高:25.7m×10m×12.5m。
冷却塔要求为中档产品:马利、斯频德、良机、金日、荏原、空研、南京大洋等。
厂家须对散件进行组装成成品,安装有安装单位负责。
2、热力性能要求:提供国家玻璃钢冷却塔质量检测中心出具的检测报告,热力性能检测值应不小于100%。
3、材质要求:(1)方形刚性桁架结构,所采用的结构钢材材质、厚度、强度等必须符合国家标准要求;塔体结构必须具有良好的稳定性和强度,能承受6级地震,12级风力。
(2)壳体采用优质玻璃钢(FRP)制作,表面进口耐水性胶衣树脂处理, 抗紫外线、不易褪色,易清理;下部水槽采用全玻璃纤维毡质玻璃钢。
(3)桁架、支架、槽钢、角钢、爬梯及其它金属材料均为热镀锌型。
(4)紧固件采用不锈钢材质。
4、传动机构要求(1)电机:应为全封闭式防水超低噪音冷却塔专用电机,采用ABB等国际知名进口或合资品牌,电机绝缘等级F级,IP55防护;电机能满足供电要求并与风机配套;能在湿热环境下长期连续运行;电机内置。
(2)风机:应选用国内外优质名牌冷却塔专用风机。
风机为铝制宽叶超低噪音型设计,须具备静压高,效率高,噪音低,强度大,风量大,节能,使用寿命长等性能。
(3)优质高效减速器:应提供详细技术说明。
应精度高、磨损小、噪音低,使用寿命长。
(4)皮带:采用进口联组带,带轮须经特殊防锈处理,经久耐用。
(5)轴承:采用进口轴承NSK或SKF。
5、飘水率:满足项目要求,进风口无滴水、出风口漂水率低于0.005%。
6、噪声:运转声音测定距离10m 时,≤58dB(A);并满足各方向上的超低噪音要求。
7、塔内填料(1)采用冷却效率高、通风阻力小、耐高温、抗低温、抗弯折的阻燃材料。
(2)填料安装时要求间隙均匀,顶面平整,不得出现塌落、叠片现象,每平方米承力≥2.94KN,填料片不允许出现穿孔、破裂,清洗维护简便易行;入风百叶为FRP易拆卸,并至少有两次折射以防水花外溅及阳光直晒。