模具安装和拆卸步骤之欧阳光明创编
- 格式:doc
- 大小:17.01 KB
- 文档页数:3
模具拆装是模具制造过程中的一项重要环节,它关系到模具的精度、使用寿命以及生产效率。
在过去的实习过程中,我有幸参与了模具拆装实践,通过实际操作,我对模具拆装有了更深入的了解,以下是我对模具拆装实践的心得体会。
一、模具拆装的步骤及注意事项1. 模具拆装的步骤(1)准备工作:熟悉模具结构、了解模具拆装工艺、准备好拆装工具。
(2)拆装模具:按照模具结构,从模具底部开始,逐步向上拆卸。
(3)检查零件:在拆装过程中,对每个零件进行检查,确保零件无损坏、变形等问题。
(4)清洗零件:将拆下的零件进行清洗,去除油污、灰尘等。
(5)组装模具:按照拆装顺序,将零件逐步组装回模具。
(6)检查组装后的模具:检查模具各部件的配合是否良好,确保模具精度。
2. 模具拆装的注意事项(1)遵守安全操作规程,确保人身安全。
(2)熟悉模具结构,避免在拆装过程中损坏模具。
(3)使用合适的拆装工具,避免用力过猛导致零件损坏。
(4)注意观察零件的磨损情况,及时更换磨损严重的零件。
(5)在拆装过程中,注意保护模具表面,避免划伤。
二、模具拆装实践心得1. 模具拆装技能的提升通过模具拆装实践,我熟练掌握了模具拆装的步骤和注意事项,提高了自己的拆装技能。
在拆装过程中,我学会了如何正确使用拆装工具,如何检查零件,如何清洗零件等,这些技能对我在今后的工作中具有重要意义。
2. 对模具结构的认识通过拆装实践,我对模具的结构有了更深入的了解。
在拆装过程中,我观察了模具各部件的连接方式、配合关系等,了解了模具的制造工艺和设计原理。
这对我今后从事模具设计、制造等工作提供了有益的借鉴。
3. 团队协作的重要性模具拆装是一项需要多人协作完成的任务。
在实习过程中,我与同学们共同完成了模具拆装任务,体会到团队协作的重要性。
在团队中,每个人都要发挥自己的优势,相互配合,才能顺利完成拆装任务。
4. 责任心与耐心模具拆装是一项需要耐心和责任心的工作。
在拆装过程中,我遇到了许多困难,但通过不断尝试、请教他人,最终克服了困难。
模具零部件拆装流程一、拆装前的准备。
咱要拆模具零部件呀,那可不能啥都不准备就上手。
得先找个干净又宽敞的地方,要是在个乱糟糟的小角落,零件说不定就“跑”不见啦。
然后呢,工具可得备齐喽。
像螺丝刀呀,扳手呀,这些都是基本的。
要是少了工具,拆到一半发现不行,那可就尴尬得很嘞。
还有哦,最好戴上手套,一方面是保护咱们的手,另一方面也能避免手上的汗或者脏东西把零件弄脏咯。
再说说对模具的了解吧。
你得大概知道这个模具是干啥用的,它的结构是啥样的。
要是稀里糊涂就拆,那拆完了可能都装不回去呢。
这就像是你要去一个陌生的地方,总得先看看地图了解下大概情况吧。
可以找一找这个模具的说明书或者相关的资料,如果没有,那就问问懂行的人呗。
二、开始拆卸。
好啦,准备工作都做好了,那就开始拆吧。
先从那些比较容易拆卸的小零件开始。
比如说一些小螺丝或者小卡扣之类的。
拆卸的时候要小心一点,把拆下来的零件放在专门的小盒子或者小盘子里。
可别随手一扔,到时候找都找不到。
就像对待自己心爱的小宝贝一样,给它们都找个安稳的小窝。
如果遇到比较大的部件,可能就需要两个人一起合作啦。
一个人扶着,一个人拆,这样既能保证安全,又能让拆卸的过程更顺利。
在拆卸大部件的时候,要注意观察部件之间的连接方式,是用螺丝固定的呢,还是有什么特殊的卡扣或者卡槽。
要是强行拆卸,可能会把部件弄坏,那就得不偿失啦。
拆的过程中要是遇到卡住的地方,可别着急硬来。
停下来仔细看看,是不是有什么隐藏的螺丝或者卡扣没发现。
有时候可能就是一点点小问题,只要耐心观察就能解决。
三、零件的整理。
零件都拆下来了,接下来就是整理啦。
咱们把相同类型的零件放在一起,比如说所有的螺丝放在一堆,所有的小卡扣放在另一堆。
这样在装回去的时候就会方便很多。
而且呀,还可以顺便检查一下零件有没有损坏。
要是发现有磨损或者坏掉的零件,就赶紧做个标记,这样在装回去之前就能准备好新的零件替换它。
对于那些比较精密的零件,要特别小心对待。
模具二次顶出拆装工艺流程下载温馨提示:该文档是我店铺精心编制而成,希望大家下载以后,能够帮助大家解决实际的问题。
文档下载后可定制随意修改,请根据实际需要进行相应的调整和使用,谢谢!并且,本店铺为大家提供各种各样类型的实用资料,如教育随笔、日记赏析、句子摘抄、古诗大全、经典美文、话题作文、工作总结、词语解析、文案摘录、其他资料等等,如想了解不同资料格式和写法,敬请关注!Download tips: This document is carefully compiled by the editor. I hope that after you download them, they can help yousolve practical problems. The document can be customized and modified after downloading, please adjust and use it according to actual needs, thank you!In addition, our shop provides you with various types of practical materials, such as educational essays, diary appreciation, sentence excerpts, ancient poems, classic articles, topic composition, work summary, word parsing, copy excerpts,other materials and so on, want to know different data formats and writing methods, please pay attention!模具二次顶出拆装是模具制造中一个非常重要的环节,它在生产过程中起着至关重要的作用。
拆、装模具作业规程一、拆模1、生产结束或者生产过程中模具损坏需要拆下来维修时。
2、班长接到拆模工作指令后,准备好扳手、工具指定机床前进行拆模。
3、模具打开的情况下,先用油布清理模具分型面,再将模具表面擦干净,喷上防锈剂。
4、首先拆除热流道接头,接着拆除温机或冷却机模,然后拆除抽芯油管,最后冷却水管。
水管拆除的时候用容器接水,避免溅水。
用压缩空气吹净水道中的余水,重复几次,合上模具。
5、将行车移动到模具正上方,用钢丝绳将模具与行车吊钩连起来。
使模具与行车吊钩垂直,然后微调上升按钮,使行车处于垂吊状态。
6、先拆压板,再将模具垂直向上吊出机床外(超出机床20公分的高度,吊出时用慢速,模具运输过程中注意安全模具不允许超过操作员膝盖),沿着机床左边的通道,缓慢地将模具连同末件放入模具摆放区。
二、装模1、新的生产任务下达时或者生产中模具损坏,经维修能够生产时。
2、班长接到装模工作指令后,准备好工具指定机床前进行装模。
3、将行车移动到模具正上方,用钢丝绳将模具与行车吊钩连起来,用慢速将模具沿着机床左边的通道(模具运输过程中注意安全,模具不允许超过操作员膝盖)移到机床旁边,设定调模厚度(根据模具顶出孔安装机床顶出杆),将模具缓慢上升,调模时注意行车的速度和吊物的平稳(超过机床20公分的高度),放下时用慢速,不要碰到机台4、先对定模定位孔,低速合模,按机床的操作规程进行锁模力调整。
锁模力调整后,锁紧模具,低压合模。
先上紧压板螺丝安装定模,再上紧压板螺丝安装动模模。
上压板时要注意压板位置,螺栓锁紧。
5、开吊环上固定螺丝,再将吊环和钢丝绳卸掉后行车移开,注意不要碰到机台。
6、模具装好后,先接水路,接着接模温机或者冷却机,然后接抽芯油管,最后接热流道,检查模具是否漏水。
7、按照工艺卡片设置工艺参数,打开模具,检查模具的滑块和顶出运动是否正常。
白色或透明产品的模具,要用脱脂棉和酒精轻轻地把模具清理干净。
8、收好工具,将相关配件摆放到指定位置。
模块一模具的拆装与测绘概述模具是用于制造各种工业零部件的工具,通过模具可以将原材料加工成合格的产品。
模具的制作需要依据产品的不同特点进行精心设计,而模具的拆装与测绘是模具制作的基础操作,本文将详细介绍模具的拆装与测绘方法和技巧。
模具的拆装模具拆卸前准备工作在进行模具的拆卸前,需要进行一系列准备工作,具体包括以下几个方面:1.确认拆卸顺序和方式在进行模具拆卸时,需要先确认拆卸顺序和拆卸方式,以避免不必要的损坏和浪费时间。
2.模具拆卸工具的准备根据模具的不同类型和结构,需要准备不同的拆卸工具,如螺丝刀、钳子、扳手、锤子等。
3.安全措施的准备拆卸模具时需要注意安全,需要准备好手套、护目镜、耳塞等安全用品,以避免发生意外。
模具拆卸步骤在完成以上准备工作后,可以开始进行模具的拆卸,拆卸步骤具体如下:1.去除固定件首先需要去除模具的固定件,如螺丝、卡环等,并注明它们的位置和数量,以便反复使用。
2.拆卸和移除滑块根据拆卸顺序,将滑块和其他部件拆卸并移除,需要使用适当的工具,并注意避免损坏模具。
3.拆卸模具芯拆卸模具芯时,需要注意芯的长度和大小,以便安全地拆卸,并需谨慎避免损坏。
4.移除整个模具和清洗部件最后,将整个模具拆除,并清洗模具和拆卸出来的各个部件,以便反复使用。
模具拆卸注意事项在进行模具拆卸时,需要注意以下几个方面:1.安全第一拆卸模具时需要遵守安全规定,穿戴好安全用品,以避免发生意外。
2.拆卸前确认在进行模具拆卸前,需要确认拆卸的顺序和方式,以避免不必要的损害。
3.避免损坏在拆卸过程中需要使用合适的工具,并注意慢慢拆卸,避免损坏和损失。
模具的测绘测绘前准备工作在进行模具的测绘前,需要进行以下几个准备工作:1.钢尺,卡尺,高度尺等测量工具在对模具进行测绘时,需要使用钢尺、卡尺、高度尺等测量工具,以便精确测算。
2.经验和技巧的积累在测绘模具时,需要有一定的经验和技巧,以保证测量的准确性和有效性。
3.了解测量原理在进行测绘之前,需要熟悉模具测量原理,以便更好地执行测量操作。
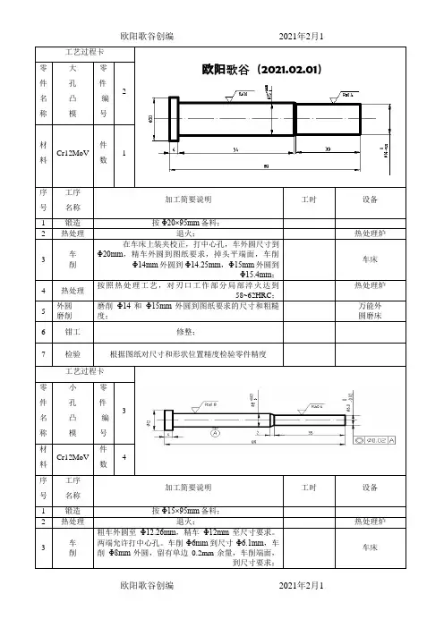
工艺过程卡欧阳歌谷(2021.02.01)零 件 名 称大 孔 凸 模零 件 编 号2材 料Cr12MoV件 数1序 号 工序 名称 加工简要说明工时 设备1 锻造 按Φ20×95mm 备料;2 热处理 退火;热处理炉3车 削 在车床上装夹校正,打中心孔,车外圆尺寸到 Φ20mm ,精车外圆到图纸要求,掉头平端面,车削Φ14mm 外圆到Φ14.25mm ,Φ15mm 外圆到Φ15.4mm ;车床 4 热处理 按照热处理工艺,对刃口工作部分局部淬火达到58~62HRC ;热处理炉5 外圆 磨削 磨削Φ14和Φ15mm 外圆到图纸要求的尺寸和粗糙度;万能外 圆磨床6 钳工 修整;7检验 根据图纸对尺寸和形状位置精度检验零件精度工艺过程卡零 件 名 称 小 孔 凸 模 零 件 编 号 3材 料 Cr12MoV 件 数4序 号 工序 名称 加工简要说明工时 设备1 锻造 按Φ15×95mm 备料;2 热处理 退火;热处理炉3车 削粗车外圆至Φ12.26mm ,精车Φ12mm 至尺寸要求。
两端允许打中心孔。
车削Φ6mm 到尺寸Φ6.1mm ,车削Φ8mm 外圆,留有单边0.2mm 余量,车削端面,到尺寸要求;车床4热处理按照热处理工艺,对刃口工作部分局部淬火达到58~62HRC;热处理炉5外圆磨削磨削Φ6mm和Φ8mm外圆到图纸要求的尺寸和粗糙度;万能外圆磨床6钳工修整;7检验根据图纸对尺寸和形状位置精度检验工艺过程卡零件名称挡料销零件编号4材料T8A件数2序号工序名称加工简要说明工时设备1锻造按Φ16×20mm备料;2热处理退火;热处理炉3车削在车床上装夹校正,打中心孔,车削端面,车Φ12mm和Φ6mm外圆,留单边0.2mm余量并倒角,车削2×0.2mm的槽至尺寸要求;车床4热处理按热处理工艺,局部淬火达到43~48HRC;热处理炉5外圆磨削磨削Φ12mm、Φ6mm和Φ12mm下端面,到图纸要求的尺寸和表面粗糙度;万能外圆磨床6钳工修整工艺过程卡零件名称导套零件编号5材料20钢件数2序号工序名称加工简要说明工时设备1锻造按Φ55×105mm备料;2热处理退火;热处理炉3车削在车床上装夹校正,打中心孔,粗精车Φ46mm外圆到尺寸,并倒圆角,车削端面到尺寸,车削Φ38mm外圆,留单边0.2mm磨削余量,车削Φ28mm的内孔并且留有单边0.2mm的磨削余量;车床4热处理按热处理工艺,局部淬火达到58~62HRC;热处理炉5外圆磨削磨削Φ38mm外圆和Φ28mm内孔,到图纸要求的尺寸和表面粗糙度;万能外圆磨床6钳工修整工艺过程卡零件名称导柱零件编号6材料20钢件数2序号工序名称加工简要说明工时设备1锻造按Φ35×175mm备料;2热处理退火;热处理炉3车削在车床上装夹校正,打中心孔,车Φ28mm外圆,留单边0.2mm余量并倒角,车削端面到尺寸要求,车削4×2mm的槽至尺寸要求;车床4热处理按热处理工艺,局部淬火达到58~62HRC;热处理炉5外圆磨削磨削左端Φ28mm至图纸要求的尺寸和粗糙度,磨削中间和右边Φ28mm外圆时注意右端在模具装配时为过盈配合不可将尺寸磨削成负偏差,符合图纸要求的尺寸和表面粗糙度即可;万能外圆磨床6钳工修整工艺过程卡零件名称顶杆零件编号7材料45钢件数4序号工序名称加工简要说明工时设备1锻造按Φ15×115mm备料;2热处理退火;热处理炉3车削在车床上装夹校正,打中心孔,车两端Φ6mm外圆,留单边0.2mm余量并倒角,车削端面到尺寸要求,车削2×1mm的槽至尺寸要求,用板牙攻M6的螺纹;车床4热处理按热处理工艺,局部淬火达到35~40HRC;热处理炉5铣削铣削4mm段的六角螺帽;铣床6外圆磨削磨削左端Φ6mm外圆,到图纸要求的尺寸和表面粗糙度;万能外圆磨床7钳工修整工艺过程卡零件名称顶杆固定板零件编号8材料45钢件数1序号工序名称加工简要说明工时设备1锻造按135×85mm备料;2热处理退火;热处理炉3铣削铣削130×80mm的矩形到尺寸;车床4钻削先划线,再用样冲点窝,之后再用Φ3mm的钻头打底孔,最后按图纸要求依次扩孔,其中M6的螺纹孔只做到Φ5.3mm;热处理炉5钳工用丝锥手动攻4个M6的内螺纹,并铰削4个Φ10mm的孔到尺寸;6平面磨削磨削零件上下表面到图纸要求;平面磨床7钳工修整工艺过程卡零件名称顶杆固定板2零件编号9材料45钢件数1序号工序名称加工简要说明工时设备1锻造按135×85mm备料;2热处理退火;热处理炉3数控铣削因该零件中间部分Φ51mm的大孔无法在钻床上完成因此在数控铣床上铣削,装夹找正,铣削130×80mm的外轮廓,铣削Φ51mm的大孔,钻削4个Φ10mm的孔留有0.2mm的铰削余量,铰孔,翻面,使用内孔找正铣削130×80mm的外轮廓;数控铣床5平面磨削磨削上下表面到图纸要求的尺寸和表面粗糙度;平面磨床6钳工修整,去毛刺工艺过程卡零件名称固定凸凹模零件编号10材料Cr12MoV件数1序号工序名称加工简要说明工时设备1锻造按Φ85×50mm备料;2热处理退火;热处理炉3数控车削在数控车床上装夹校正,打中心孔,车Φ80mm和Φ26mm外圆,留单边0.2mm磨削余量,车削端面,镗削内孔Φ13.9mm的尺寸留0.2mm磨削余量,车削R4和R2的凸球,并留有磨削余量;数控车床4钻削钻削4个M6的螺纹孔到Φ5.3mm,2个Φ6m m的销孔,留待以后调好间隙后配作;钻床5钳工攻螺纹;6热处理按热处理工艺,局部淬火达到60~62HRC;热处理炉7外圆磨削磨削Φ14mm的内孔,磨削Φ26mm和R4、R2的凸球部分,到图纸要求的尺寸和表面粗糙度;万能外圆磨床8钳工修整工艺过程卡零件名称活动凸凹模零件编号11材料Cr12MoV件数1序号工序名称加工简要说明工时设备1锻造按Φ60×43mm备料;2热处理退火热处理炉3数控车削在车床上装夹校正,打中心孔,车Φ50.24mm外圆,留单边0.2mm余量,车削和Φ58.23mm外圆至尺寸要求,车削端面到尺寸要求,车削内孔留0.2mm的磨削余量;数控车床4钻削钻4个Φ6mm孔并铰孔,忽孔深度为14.34mm钻床5热处理按热处理工艺,局部淬火达到60~62HRC;热处理炉6外圆磨削磨削Φ50.24mm和Φ18mm的内孔到图纸要求的尺寸和表面粗糙度,磨削上下两端面,磨削下表面圆角部分;万能外圆磨床7钳工修整工艺过程卡零件名称落料凹模零件编号12材料Cr12MoV件数1序号工序名称加工简要说明工时设备1锻造按Φ125×45mm备料;2热处理退火热处理炉3车削在车床上装夹校正,打中心孔,车Φ120mm的外圆到尺寸,车削26mm深的内圆柱孔,车削端面到尺寸要求,车削Φ50.34mm内圆,留单边0.3mm的磨削余量;车床4钻削钻四个螺纹孔,并攻内螺纹,2个Φ8mm的销孔,留待以后调好间隙后配作;钻床5热处理按热处理工艺,局部淬火达到60~64HRC热处理炉6外圆磨削磨削Φ50.34mm内圆柱到图纸要求的尺寸和表面粗糙度,磨削上下圆柱端面;万能外圆磨床7钳工修整工艺过程卡零件名称模柄零件编号13材料Q235件数1序号工序名称加工简要说明工时设备1锻造按Φ90×83mm备料;2热处理退火热处理炉3车削在车床上装夹校正,打中心孔,车Φ85mm和Φ40mm外圆,留单边0.2mm余量并倒角,车削上下端面留有磨削余量;车床4钻削钻削4个螺纹过孔,并且铰孔钻床5热处理按热处理工艺,局部淬火达到43~48HRC热处理炉6外圆磨削磨削Φ85mm、Φ40mm图纸要求的尺寸和表面粗糙度;万能外圆磨床7钳工修整工艺过程卡零件名称下模垫板零件编号14材料45钢件数1序号工序名称加工简要说明工时设备1锻造按Φ125×9m m备料;2热处理退火热处理炉3车削在车床上装夹校正,打中心孔,车Φ120mm外圆,车削中间圆孔到尺寸要求,车削端面到尺寸要求,;车床4钻削钻削所有的螺纹过孔,所有的销孔,留待以后调好间隙后配作钻床5热处理按热处理工艺,局部淬火达到43~48HRC热处理炉6平面磨削磨削上下表面,到图纸要求的尺寸和表面粗糙度;平面磨床7钳工修整工艺过程卡零件名称橡胶零件编号15材料聚氨酯件数1序号工序名称加工简要说明工时设备1备料按Φ70×60mm备料;2钳工将孔的位置划线,并加工出来工艺过程卡零件名称小孔凹模零件编号15材料Cr12MoV件数1序号工序名称加工简要说明工时设备1锻造按Φ55×35mm备料;2热处理退火热处理炉3车削在车床上装夹校正,打中心孔,粗精车Φ48mm外圆到尺寸,车削端面到尺寸要求,车内孔留单边0.2mm余量;车床4插削在Φ26内圆柱表面插2.8mm深,宽度为6mm的键槽到图纸要求插床5钻削钻削4个顶杆孔,钻削4个冲裁孔,并铰孔;钻床6热处理按热处理工艺,局部淬火达到58~62HRC;热处理炉7外圆磨削磨削Φ26mm内圆柱表面,到图纸要求的尺寸和表面粗糙度;万能外圆磨床8钳工修整工艺过程卡零件名称卸料套筒零件编号17材料Q235件数1序号工序名称加工简要说明工时设备1锻造按Φ25×35mm备料;2热处理退火热处理炉3车削在车床上装夹校正,打中心孔,车Φ22mm外圆到尺寸,车削端面到尺寸要求,车Φ14mm内孔、Φ18mm外圆,留有单边各0.2mm的磨削余量;车床4热处理按热处理工艺,局部淬火达到43~48HRC热处理炉5外圆磨削磨削Φ14mm内孔和Φ18mm外圆,到图纸要求的尺寸和表面粗糙度;万能外圆磨床6钳工修整工艺过程卡零件名称压料板零件编号18材料45钢件数1序号工序名称加工简要说明工时设备1锻造按205×115mm备料;2热处理退火热处理炉3数控铣削在数控铣床上装夹校正,铣削200x110mm的外轮廓到尺寸要求,铣削Φ58圆孔,钻削4个Φ8螺纹过孔,钻削两个挡料销过孔;数控铣床4热处理按热处理工艺,局部淬火达到43~48HRC热处理炉5平面磨削磨削上下表面,到图纸要求的尺寸和表面粗糙度;平面磨床6钳工修整工艺过程卡零件名称凸模固定板零件编号19材料45钢件数1序号工序名称加工简要说明工时设备1锻造按Φ165×10mm备料;2热处理退火热处理炉3车削在车床上装夹校正,打中心孔,车Φ160mm外圆,到尺寸,车削端面到尺寸要求,车削Φ14mm的内孔并铰孔,留0.2mm的磨削余量;车床4钻削钻削4个Φ8mm的孔并铰孔至尺寸,钻削4个螺纹过孔,2个Φ8mm的销孔先不打,留待以后与上模座和凸凹模固定腔合钻;钻床5热处理按热处理工艺,局部淬火达到43~48HRC热处理炉6平面磨削磨削上下表面,到图纸要求的尺寸和表面粗糙度;平面磨床7钳工修整工艺过程卡零件名称凸凹模固定腔零件编号20材料45钢件数1序号工序名称加工简要说明工时设备1锻造按Φ160×60mm备料;2热处理退火热处理炉3车削在车床上装夹校正,打中心孔,车Φ160mm和Φ120mm外圆并倒角,车削端面到尺寸要求,车削Φ80mm和Φ54mm的内孔至尺寸要求;车床4钻削钻削4个Φ8.9mm的螺纹孔,并攻M10的内螺纹Φ8H7的销孔留作以后合钻;钻床5平面磨削磨削零件的右端面,到图纸要求的尺寸和表面粗糙度;平面磨床6钳工修整工艺过程卡零件名称上模垫板零件编号21材料45钢件数1序号工序名称加工简要说明工时设备1锻造按Φ165×10mm备料;2热处理退火热处理炉3车削在车床上装夹校正,打中心孔,车Φ160mm外圆,车削两端面,留有0.2mm的磨削余量;车床4钻削钻削4个螺纹过孔,并铰孔至尺寸要求,销孔留待以后合钻;4热处理按热处理工艺,局部淬火达到43~48HRC热处理炉5平面磨削磨削上下面,到图纸要求的尺寸和表面粗糙度;平面磨床6钳工修整工艺过程卡零件名称上模座零件编号22材料HT200件数1序号工序名称加工简要说明工时设备1锻造锻造毛坯;2热处理退火3涂底漆4刨削刨各个平面,其中上、下平面各留0.2mm的磨削余量;车床5平面磨削磨削上、下平面保证尺寸40mm;平面磨床6钳工划轮廓线,划导套孔、销孔、螺纹过孔线;7铣削按照轮廓线铣外轮廓至尺寸要求;铣床8镗削镗削Φ38mm导套孔和Φ87mm模柄孔至图纸要求;坐标镗9钳工钻削所有的螺纹过孔,所有销孔留到模具调试;无误后,与上模垫板的零件合钻;10钳工精修全面达到图纸要求工艺过程卡零件名称下模座零件编号23材料HT200件数1序号工序名称加工简要说明工时设备1锻造锻造毛坯;2热处理退火3涂底漆4刨削刨各个平面,其中上、下平面各留0.2mm的磨削余量;车床5平面磨削磨削上、下平面保证尺寸45mm;平面磨床6钳工划轮廓线,划导套孔、销孔、螺纹过孔线、落料孔;7铣削按照轮廓线铣外轮廓至尺寸要求;铣床8镗削镗削Φ25导柱孔至图纸要求;坐标镗9钳工钻削所有的螺纹过孔,所有销孔留到模具调试无误后,与上模垫板的零件合钻;10钳工精修全面达到图纸要求。
模具的拆装步骤和操作方法模具的拆装步骤和操作方法如下:1. 准备工具:螺丝刀、扳手、锤子等拆装工具。
2. 清理模具:先将模具表面的灰尘和杂物清理干净,以免影响拆装过程。
3. 拆卸固定螺丝:使用螺丝刀或扳手将模具上的固定螺丝逐一拆卸下来。
4. 分离模具零件:将拆卸下来的螺丝和零件分类整理,分离出模具的各个组成部分。
5. 检查模具状况:检查模具的零件是否损坏或有磨损情况,如有需要及时更换或修复。
6. 清洗模具零件:将拆卸下来的模具零件放入洗涤剂中清洗,确保零件表面干净无油污。
7. 组装模具:按照需要将清洗过的模具零件按照正确的顺序逐步组装起来。
8. 固定螺丝:使用螺丝刀或扳手将模具上的各个零件固定牢固,注意不要过紧或过松。
9. 调试模具:组装完成后,进行简单的调试,检查模具的动作是否灵活,是否存在异常情况。
10. 完成操作:确认模具拆装完成后,整理好工具和零件,清理工作台,保持工作场所整洁。
操作方法上,需要注意以下几点:1. 在拆装模具时,应根据模具的具体结构和特点选择合适的拆装工具,避免损坏模具零件。
2. 拆卸螺丝时,要注意力度,避免过分用力造成螺丝头损坏或螺纹磨损。
3. 在拆卸模具零件时,要小心操作,特别是一些较小或易损坏的零件,如弹簧、密封圈等。
4. 清洗模具零件时,要使用适当的洗涤剂和工具,注意避免损坏零件表面。
5. 组装模具时,要按照正确的顺序和位置将零件组装好,确保模具的安全和正常工作。
6. 在固定螺丝时,要注意力度,不要过紧或过松,以免影响模具的拆装和使用。
7. 在调试模具时,要仔细观察模具的动作情况,如有异常应及时检查和调整,确保模具的正常工作。
8. 拆装完成后,要及时整理好模具和工具,保持工作环境整洁,以备下次使用。
模具拆装方法总结引言模具是工业生产中不可或缺的工具,它们被用于塑造和制造各种产品。
随着生产需求的不断增加,模具的使用率也在逐渐提高。
然而,模具的拆装是维护和管理模具的关键环节之一,操作不当可能导致模具损坏或者生产延误。
本文将总结一些常用的模具拆装方法,以便提高模具的使用效率,延长其使用寿命。
拆装前的准备工作在进行模具拆装之前,需要做一些必要的准备工作,以确保操作的顺利进行。
1. 确定拆装计划在开始拆装前,需要明确拆卸的模具以及拆卸的目的。
根据拆卸的具体要求,制定拆卸计划,并明确每个步骤的执行顺序。
2. 安全措施拆装模具需要注意安全,特别是当模具较大或者重型时。
在操作过程中,佩戴防护手套、护目镜等个人防护设备,并确保操作环境的安全。
3. 准备工具和设备根据拆装计划,准备必要的工具和设备,如扳手、螺丝刀、冲击钻等。
确保这些工具都处于正常使用状态,并放置在易于取用的位置。
拆模具的方法下面将介绍几种常用的模具拆装方法。
1. 螺杆拆装法螺杆拆装法适用于将模具分为多个部分的情况,通常包括底模、上模、侧模等。
具体步骤如下:•使用合适的工具(如扳手、螺丝刀等)找到模具上的螺栓或螺杆。
•逆时针旋转螺杆,将其逐个拧下。
•拆卸螺杆时,要注意松紧度,避免过松或过紧造成模具损坏。
2. 冲击钻拆装法冲击钻拆装法适用于对模具较大螺栓或螺杆拆卸的情况。
具体步骤如下:•找到模具上的冲击螺栓或螺杆。
•使用冲击钻将螺栓或螺杆旋转松动,直到可以手动拧下。
3. 液压拆装法液压拆装法适用于对模具座和模具板之间有液压缸连接的情况。
具体步骤如下:•在拆卸液压缸之前,必须先排空液压系统中的油液,避免操作中的危险。
•使用液压插头将液压缸与液压管道连接。
•施加液压力,将液压缸推出,使其与模具座分离。
进行模具拆装的注意事项在进行模具拆装过程中,还需要注意以下事项,以确保操作的安全性和有效性。
1. 维护记录在拆卸模具之前,记录模具的使用情况和维护历史,并核对相关数据。
冷冲压模具安装拆卸方法引言冷冲压模具是金属加工中常用的工具,广泛应用于汽车、航空航天、家电等行业。
为了保证模具的正常使用和延长其寿命,模具的安装和拆卸是至关重要的环节。
本文将介绍冷冲压模具的安装和拆卸方法,希望能为模具操作者提供帮助。
模具安装方法1. 准备工作在安装冷冲压模具之前,需要进行一系列准备工作。
首先,清洁模具表面,确保其干净无异物。
同时,检查模具各个部件是否完好,如有异常应及时修复或更换。
另外,确认模具移动的工作台或架子是否稳定可靠,以免摇晃或倒塌造成意外伤害。
2. 定位模具根据工艺要求,确定模具的安装位置,并进行合理的定位。
对于大型模具,可以借助吊装设备进行定位,确保准确稳定。
3. 安装固定模具安装固定模具需要选用合适的螺丝或固定夹具,将模具稳固地固定在工作台或架子上。
在固定过程中,需要调整模具的水平度和垂直度,确保其与工作平面保持平行或垂直关系。
4. 连接动作模具在动作模具的安装过程中,需要根据模具设计的凹模和凸模位置进行精确的对位。
这可以借助空心销、锁销等连接件进行固定。
同时,检查模具的运动部分是否灵活顺畅,确保模具可以正常运行。
5. 连接传动装置根据需要,将传动装置与冷冲压模具连接起来。
这一步需要注意传动装置的稳定性,以免出现断裂或脱落造成危险。
6. 调整模具位置根据具体工艺要求,调整模具的位置和角度。
这涉及到模具的级距、咬合量、偏摆等参数的调整,以确保模具可以正确地完成冷冲压工序。
模具拆卸方法1. 停电与清理在拆卸模具之前,先断开电源,确保操作安全。
然后,清理模具表面和工作区域,移除附着的金属碎屑、油污等杂物以减少拆卸过程中的阻力。
2. 备份和记录在拆卸模具的过程中,应及时备份和记录各个部件的位置和连接方式。
这样有助于后续的维护和重新安装。
3. 拆卸固定模具先拆卸固定模具,将其从工作台或架子上取下。
在拆卸过程中,要注意安全、稳固,以免模具掉落或伤及操作者。
4. 拆卸动作模具根据模具设计,拆卸动作模具。
模具装配和拆装的知识要点引言模具装配和拆装是模具制造和维修领域中非常重要的一项工作。
正确进行模具的装配和拆装可以保证模具的正常运行和使用寿命,同时也提高了模具制造和维修的效率。
本文将从模具装配和拆装的步骤、注意事项等方面介绍模具装配和拆装的知识要点。
模具装配的步骤模具装配是将模具的各个零件组装在一起,形成一个完整的模具。
下面是模具装配的一般步骤:1.准备工作:熟悉模具的各个零件以及装配的顺序,准备必要的工具和设备。
2.清洁和检查:将模具零件清洗干净,并进行全面的检查,确保没有损坏或缺损的零件。
3.零件预配:根据装配顺序,将各个零件按照工艺要求进行预配,方便后续的装配操作。
4.零件装配:将各个零件按照预定的顺序和方法进行装配,确保零件之间的配合良好。
5.试装和调整:装配完成后,进行试装和调整,检查模具的工作性能和配合情况。
6.换模试模:对装配完成的模具进行换模试模,验证模具的使用效果和稳定性。
7.记录和整理:记录各个零件的装配情况和问题,整理装配过程中的工具和设备。
模具装配的注意事项在进行模具装配时,需要注意以下几个方面:1.仔细阅读装配图纸:在进行模具装配前,应详细阅读并理解装配图纸,了解各个零件的装配顺序和方法。
2.注意零件的配合关系:在装配过程中,应特别注意各个零件之间的配合关系,确保零件的配合良好,避免出现过紧或过松的情况。
3.使用适当的工具和设备:根据模具装配的要求,选择合适的工具和设备进行装配操作,避免使用过大或过小的工具导致零件的损坏。
4.保持清洁和整洁:在装配过程中,保持工作台面和零件的清洁和整洁,避免杂物或灰尘进入模具内部,影响模具的工作效果。
5.注意装配顺序:按照装配图纸上的顺序进行装配操作,避免错位或遗漏零件。
6.小心操作,防止损坏零件:在装配过程中,要小心操作,避免碰撞或过度力的施加,以防损坏零件。
7.保持沟通和合作:在模具装配中,多与其他工作人员进行沟通和合作,及时解决装配过程中的问题和困难。
模具拆装实训步骤与注意事项
1. 嘿,在进行模具拆装实训前,可得把准备工作做好哇!就像战士上阵要带好装备一样,你得先把工具都整齐摆放在那。
比如说,扳手得找最合适的型号吧?不然怎么能轻松拧动那些螺丝呢!然后呢,要仔细观察模具的结构,搞清楚哪里是关键部位,这跟你收拾一个复杂的玩具差不多啦,得先心中有数才行呀!记住了吗?
2. 开始拆啦!这时候可别毛手毛脚的哟!轻一点,再轻一点,就像拆你最宝贝的礼物那样小心翼翼。
你看,要是太粗鲁了,不小心把模具弄坏了咋办?就好比你不小心把最喜欢的拼图弄碎了一块,那多糟糕呀!所以呀,手上的动作要稳,要慢慢来,对不对?
3. 哎呀呀,拆的过程中可别一股脑儿瞎弄呀!每个零件的位置都要记清楚啦,不然等会装不回去那不就傻眼啦!这就好像你搭积木,总要记住每一块放在哪里吧。
要是记不住,最后搭出来的可就不是原来那个样子咯!这可得上点心呀,别马虎!
4. 装的时候也不简单哦!就跟拼图要把每一块都准确放好一样。
你得按照之前记住的顺序和位置,把零件一个一个装回去。
要是装错了,那可就麻烦大啦!就好比你穿衣服扣错了扣子,多别扭呀!所以要仔细再仔细,可别出错哟!
5. 在整个过程中,一定要注意安全呀!那些工具可都不是吃素的,稍不注意可能就会伤到你哦。
这可不是开玩笑的呀,就像马路上的车,不小心就可能会撞你一下呢!可别不当回事,安全永远是第一位的,知道吧?
6. 最后说一点,要认真对待这次实训,别当成是随便玩玩的哟!这可是能让你学到真本事的机会呢。
就好像一场重要的比赛,你得全力以赴呀!认真实训,以后在工作中遇到类似的事情你才能轻松应对呀!别偷懒,好好干!我觉得呀,只要你按照这些步骤和注意事项来,就一定能顺利完成模具拆装实训,还能学到好多东西呢!。
模板安装与拆除操作规程范本【引言】模板安装与拆除是建筑施工过程中非常重要的环节之一。
正确的操作规程和标准操作流程能够确保模板的牢固安装和安全拆除,提高工作效率,降低事故风险。
本文旨在制定模板安装与拆除操作规程范本,以规范施工人员的操作行为,确保施工安全和质量。
【一、操作准备】1.准备所需的模板、扣件、螺栓等材料和工具。
2.检查模板的质量和完整性,发现有问题的模板及时进行更换。
3.了解施工现场环境和安全措施,确保符合安全要求。
【二、模板安装】1.根据施工图纸和施工要求,确定模板的安装位置和尺寸。
2.按照安全顺序,先安装脚手架,确保脚手架的稳固。
3.进行模板拼装前的准备工作,比如清理模板接口等。
4.按照拼装顺序,依次安装模板板件。
在安装过程中,要确保模板的水平和垂直度。
5.安装模板板件时,使用合适的扣件和螺栓进行固定,确保模板的牢固性。
6.在模板安装过程中,要密切注意施工现场的安全情况,保持良好的沟通协调。
【三、施工过程中的注意事项】1.在进行高空模板安装时,要戴好安全帽、安全带等个人防护用品,并确保绳索的正确使用。
2.模板的安装工作需由具备相应资质和经验的人员进行,严禁无相关证书的人员进行模板安装和拆除。
3.模板安装完成后,要进行检查,确保各个连接处无松动、裂缝等安全隐患。
4.在模板安装期间,要及时清理施工现场的积水、边角料等杂物,防止滑倒和其他意外。
【四、模板拆除】1.拆除模板前,要先确认施工部位的负荷情况和周围环境。
2.拆除模板时,要从上到下、从内到外进行,确保安全有序。
3.拆除模板时,要注意保护周围设备和结构物,避免损坏。
4.拆除模板过程中,要使用合适的工具和设备,并按照正确的步骤进行操作。
5.拆除模板后,要及时清理拆除的模板、材料和垃圾,保持施工现场的整洁。
【五、施工结束后的总结】1.施工结束后,要及时总结模板安装与拆除过程中存在的问题和不足,并及时进行改进。
2.将经验和教训进行总结归纳,制定更加科学、规范的操作规程。
模具装模拆模工艺流程一、装模工艺流程。
咱来唠唠这模具装模的流程哈。
装模前,那可得把要用到的东西都准备好呢。
像模具啦,还有那些配套的零件之类的,得仔仔细细检查一遍,可不能有啥损坏或者少了啥东西的情况。
这就好比出门得检查好钥匙带没带一样重要。
然后呢,把模具搬到要安装的设备旁边。
这时候啊,得小心点,模具一般都挺沉的,要是不小心磕着碰着了,那可就麻烦啦。
就像捧着个宝贝,得轻拿轻放。
接下来就是安装模具的固定部分啦。
把模具稳稳地固定在设备上,螺丝要拧紧,可不能松松垮垮的。
要是螺丝没拧紧,在模具工作的时候就可能会晃动,就像人走路不稳一样,那生产出来的东西肯定也不合格呀。
再就是连接那些管道呀,线路之类的。
这就像是给模具接上血管和神经一样,让它能够正常工作。
要确保管道接口密封好,线路连接正确,要是接错了线路,模具可能就没法正常运行啦,就像人神经错乱了一样。
最后呢,再检查一遍整个安装的情况。
看看各个部分是不是都安装好了,有没有遗漏的地方。
就像考试交卷前再检查一遍答案一样,确保万无一失。
二、拆模工艺流程。
拆模的时候也有不少讲究呢。
先得把模具停下来,等它完全停止工作了才能开始拆。
这就像是人累了要休息好了才能开始下一个工作一样。
要是模具还在运行就去拆,那可危险了,很容易伤到自己的。
然后开始拆卸那些连接的管道和线路。
拆的时候要记住它们原来是怎么连接的,可别拆完了就忘了,下次安装的时候要是装错了可就糟了。
就像整理东西的时候要记住东西原来的摆放位置一样。
接着就是松开模具的固定部分啦。
把那些螺丝一个个拧松,但是要注意把螺丝收好,别弄丢了。
要是弄丢了螺丝,下次安装的时候就少一个,那可不行。
这就好比吃饭的时候掉了筷子,肯定影响吃饭呀。
把模具从设备上搬下来的时候也要小心。
毕竟它还是有点重量的,要是不小心砸到脚或者其他地方,那可疼死了。
就像抱着个大石头走路,得小心翼翼的。
最后呢,把拆下来的模具清理干净。
把上面的灰尘呀,杂物呀都清理掉,然后把模具放到专门存放的地方。
实训(实习)报告(说明书)题目:车床尾座的拆卸与装配专业:学号:姓名:辅导老师:2014年 11月成绩:优良中及格不及格目录目录1第1章作业前的准备21.1劳动前的保护及作业环境21.1.1劳动保护21.1.2劳动保护的目的21.1.3安全操作21.2 技术准备21.3 工具准备2第2章车床尾座的拆卸与装配32.1 认识车床尾座32.1.1车床尾座的结构42.1.2车床尾座的作用62.1.3车床尾座材料62.2车床尾座的拆卸72.2.1车床尾座拆卸前准备72.2.2车床尾座拆卸72.2.3车床尾座拆卸时的注意事项92.3 车床尾座的安装92.3.1车床尾座安装顺序92.3.2车床尾座安装时的注意事项9 第3章车床尾座的维护93.1车床尾座的清洁93.2车床尾座的保养9小结9参考文献10第1章作业前的准备1.1劳动前的保护及作业环境1.1.1劳动保护1、工作前应检查工具,如发现工具具有毛病,应立即报告班长、老师。
2、全体同学应熟知整个工序和要点及工作事项能明白拆卸及安装步骤和过程中的针对性危害,注意自身安全。
3、凡现场操作人员必须集中精力。
1.1.2劳动保护的目的1、劳动保护是为了保障操作人员的安全以免砸伤。
2、以防工具的损坏以及车床尾座零件的丢失或损坏。
1.1.3安全操作1、工作前应检查工具,如发现工具具有毛病,应立即报告班长、老师。
2、全体同学应熟知整个工序和要点及工作事项能明白拆卸及安装步骤和过程中的针对性危害,注意自身安全。
3、凡施工现场人员必须集中精力。
1.2 技术准备1、拆卸前,应熟悉拆卸部位的装配图和有关技术资料,了解相关部位的结构和零件之间的配合情况。
2、拉卸前,必须仔细检查轴和轴上的定位紧固件是否已经完全被拆除,如螺母、调整螺钉和调整螺母。
3、根据装配图确定轴的正确拆出方向。
4、在拆卸过程中,要经常检查轴上的零件是否被卡住而影响拆卸。
1.3 工具准备1、螺钉旋具(一字螺丝刀)2、扳手(活动扳手、内六角扳手)3、其他工具(钳子、锤子、木块)图1-1使用工具第2章 车床尾座的拆卸与装配2.1 认识车床尾座图2-1 车床尾座的实物图2.1.1车床尾座的结构图2-2 车床尾座的零件图(a 、b 、c )1、丝杠2、螺母3、端盖4、手柄5、套筒6、压板7、压板 8、底座压板 9、垫圈 10、螺母 11、螺栓 12、调整螺钉2578116431 12910ab图2-3车床尾座部件示意图表2-1 车床尾座部件明细表2.1.2车床尾座的作用1、车床尾座的作用车床的尾座可沿导轨纵向移动调整其位置。
模具安装和拆卸步骤
欧阳光明(2021.03.07)
一:模具安装
1.确认注塑机电源开启。
2.点击注塑机手动按钮,使注塑机处于手动状态。
3.点击注塑机油泵按钮,启动注塑机油压系统。
4.运送模具到位,确认模具与生产配件相符。
5.准备吊索。
6.使用吊索把模具缓慢吊起,略高于注塑机,移动吊索架使模具
位于安装位置上方。
注意不要使模具撞击监控摄像头和机械手。
7.把注塑机导柱保护套滑动至合适位置,缓慢下降模具。
操作人
应扶住模具上方,避免模具剧烈晃动。
操作人必须控制模具,禁止模具撞击导柱。
(导柱遭到撞击,会产生凹凸变形,破坏油压系统的密封性)
8.模具下降至合适位置,安装定位法兰和保护圈,调整模具和吊
索架,使模具法兰和保护圈与注塑机注塑孔契合。
9.关闭注塑机两侧滑动门,点击注塑机调模按钮,进入调模状
态。
10.点击关模按钮,注塑机动模部分缓慢移动,顶住模具后留有2-3
毫米距离。
11.调整模具,使其在水平位置。
调整完毕后,把吊索松开移走。
12.点击手动按钮,注塑机处于手动状态。
13.点击关模按钮,使注塑机压紧模具。
14.点击检测按钮,输入密码(9595),进入检测界面,在开关模
具后面输入数字1,点击输入按钮,此时开关模具间距数据归零。
点击手动按钮,退出检测状态。
15.安装模具压块,每侧4个,共计8个压块。
(注意根据模具不
同,必须调整压块的厚度调整螺栓,确保压块与模具水平,使压块压力最大)
16.安装冷却水管。
17.再次点击关模按钮,使注塑机压紧模具。
18.再次点击检测按钮,输入密码(9595),进入检测界面,在开
关模具后面输入数字1,点击输入按钮,此时开关模具间距数据归零。
点击手动按钮,退出检测状态。
19.点击调模按钮,在调模状态下进行开模及关模。
确保模具安装
正确。
20.点击手动按钮,点击开模,用油污清洗剂清洗模具内防锈剂和
其它油污,清洗完成后根据生产需要进行参数设置。
21.点击加温按钮,对料筒进行加温。
二:模具拆卸
1.确认注塑机电源开启。
2.点击注塑机手动按钮,使注塑机处于手动状态。
3.点击注塑机油泵按钮,启动注塑机油压系统。
4.准备吊索。
5.点击开模按钮,打开模具,确认模具内无异物,喷涂防锈剂。
点击关模按钮,使模具合模。
6.拆卸冷却水管,把模具擦拭干净,不能有残留水分。
7.拆卸模具压块。
8.吊索挂钩吊住模具,并适当拉紧模具。
9.点击调模按钮,进入到调模状态,点击开模按钮,使注塑机动
模部分缓慢分开。
调整导柱保护套位置,防止模具撞击导柱。
慢慢移出模具,取下模具法兰和保护圈。
10.使用吊索把模具缓慢吊起,略高于注塑机,移动吊索架使模具
位于安装位置上方。
注意不要使模具撞击监控摄像头和机械手。
11.移动吊索架至注塑机外侧,卸下模具。
12.如果模具需要进行维修、维护、保养,应告知模具维修人员损
坏状况,提供产品实物,供维修人员参考。
13.如继续安装模具,请按模具安装步骤进行。
如停机,请关闭油
泵和加温,并关闭注塑机电源。