正丁醇 理化特性说明书(优选.)
- 格式:doc
- 大小:31.50 KB
- 文档页数:2
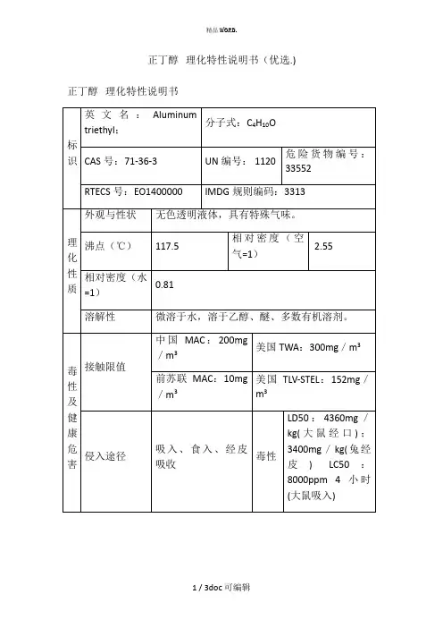
丁醇(正丁醇)理化性质及危险特性表MSDS标识英文名:butyl alcohol分子式:C4H10O分子量:74.12危险货物编号:33552UN编号:1120RTECS号:--IMDG规则页码:4121CAS号:71-36-3理化性质外观与性状:无色透明液体,具有特殊气味。
主要用途:用于制取酯类、塑料增塑剂、医药、喷漆,以及用作溶剂。
熔点(℃)-88.9相对密度(空气=1) 2.55沸点(℃)117.5相对密度(水=1)0.81临界温度(℃)287临界压力(Mpa) 4.9饱和蒸汽压(Kpa)0.82(25℃)燃烧热(kJ/mol)2673.2最小引燃热量(mJ)-溶解性:微溶于水,溶于乙醇、醚、多数有机溶剂。
毒性与健康危害及急救措施接触限值(mg/m3)中国MAC:200美国TLV-TWA:--前苏联MAC:10美国TLV-STEL:未制定标准侵入途径吸入、食入毒性:LD50:4360mg/kg(大鼠经口);3400mg/kg(兔经皮)LC50:24240mg/m3,4小时(大鼠吸入)-健康危害本品具有刺激和麻醉作用。
主要症状为眼、鼻、喉部刺激,在角膜浅层形成半透明的空泡,头痛、头晕和嗜睡,手部可发生接触性皮炎。
急救措施皮肤接触:脱去污染的衣着,用肥皂水和清水彻底冲洗皮肤眼睛接触:提起眼睑,用流动清水或生理盐水冲洗。
就医。
吸入:迅速脱离现场至空气新鲜处。
保持呼吸道通畅。
如呼吸困难,给输氧。
如呼吸停止,立即进行人工呼吸。
就医。
食入:饮足量温水,催吐。
就医。
燃烧爆炸危险性燃烧性本品易燃,具刺激性。
闪点(℃)35引燃温度(℃)340爆炸极限(v%) 1.4~11.2mg/m3危险特性易燃,其蒸气与空气可形成爆炸性混合物,遇明火、高热能引起燃烧爆炸。
与氧化剂接触猛烈反应。
在火场中,受热的容器有爆炸危险。
燃烧分解产物一氧化碳、二氧化碳。
稳定性--聚合危害--避免接触的条--件禁忌物强酸、酰基氯、酸酐、强氧化剂。
正丁醇1. 化学品及企业标识化学品中文名称:正丁醇化学品英文名称:n-butyl alcohol中文名称2:丁醇英文名称2:1-butanol主要用途:用于制取酯类、塑料增塑剂、医药、喷漆,以及用作溶剂。
2. 危险性概述2.1 危险性类别:易燃液体。
2.2侵入途径:吸入、食入、经皮吸收。
2.3安康危害:本品具有刺激和麻醉作用。
主要病症为眼、鼻、喉部刺激,头痛、头晕、嗜睡、共济失调、精神错乱、谵妄、昏迷。
液体对眼和皮肤有刺激性。
2.4环境危害:对水体和土壤可造成污染。
2.5燃爆危险:易燃,其蒸气与空气混合,能形成爆炸性混合物。
3. 成分/组成信息纯品■混合物□主要成分 CAS RN 含量(%)正丁醇 71-36-3 99.54. 急救措施4.1 皮肤接触:脱去污染的衣着,用肥皂水和清水彻底冲洗皮肤。
如有不适感,就医。
4.2眼睛接触:立即提起眼睑,用大量流动清水或生理盐水彻底冲洗 10~15 分钟。
如有不适感,就医。
4.3吸入:迅速脱离现场至空气新鲜处。
保持呼吸道通畅。
如呼吸困难,给输氧。
呼吸、心跳停止,立即进展心肺复术。
就医。
4.4食入:饮足量温水,催吐。
就医。
5. 消防措施5.1 危险特性:易燃,其蒸气与空气可形成爆炸性混合物,遇明火、高热能引起燃烧爆炸。
与氧化剂接触猛烈反响。
在火场中,受热的容器有爆炸危险。
5.2有害燃烧产物:一氧化碳。
5.3灭火方法:用泡沫、干粉、二氧化碳、雾状水、1211 灭火剂、砂土灭火。
5.4灭火考前须知及措施:消防人员须佩戴防毒面具、穿全身消防服,在上风向灭火。
尽可能将容器从火场移至空旷处。
喷水保持火场容器冷却,直至灭火完毕。
处在火场中的容器假设已变色或从平安泄压装置中产生声音,必须马上撤离。
6. 泄漏应急措施应急处理:消除所有点火源。
根据液体流动和蒸气扩散的影响区域划定戒备区,无关人员从侧风、上风向撤离至平安区。
建议应急处理人员戴正压自给式呼吸器,穿防静电服。
作业时使用的所有设备应接地。
正丁醇化学品安全技术说明书第一部分:化学品名称化学品中文名称:丁醇;正丁醇化学品英文名称:Butyl alcohol;1-Butanol中文俗名或商品名:Synonyms:CAS No.:71-36-3分子式:C4H10O分子量:74.12第二部分:成分/组成信息纯化学品化学品名称:丁醇;正丁醇有害物成分含量CAS No.丁醇100 71-36-3第三部分:危险性概述危险性类别:第3.3类高闪点易燃液体侵入途径:吸入食入经皮吸收健康危害:对眼睛、皮肤、粘膜和上呼吸道有刺激作用。
主要症状为眼、鼻、喉部刺激,头痛、眩晕、嗜睡和胃肠功能紊乱。
环境危害:燃爆危险:本品易燃,具刺激性。
第四部分:急救措施皮肤接触:脱去污染的衣着,用流动清水冲洗。
眼睛接触:立即提起眼睑,用大量流动清水彻底冲洗。
吸入:脱离现场至空气新鲜处。
必要时进行人工呼吸。
就医。
食入:误服者给饮大量温水,催吐,就医。
第五部分:消防措施危险特性:其蒸气与空气形成爆炸性混合物,遇明火、高热能引起燃烧爆炸。
与氧化剂能发生强烈反应。
若遇高热,容器内压增大,有开裂和爆炸的危险。
有害燃烧产物:一氧化碳、二氧化碳。
灭火方法及灭火剂:泡沫、二氧化碳、干粉、1211灭火剂、砂土。
用水灭火无效。
消防员的个体防护:禁止使用的灭火剂:闪点(℃):35自燃温度(℃):340爆炸下限[%(V/V)]:1.4爆炸上限[%(V/V)]:11.2最小点火能(mJ):爆燃点:爆速:最大燃爆压力(MPa):建规火险分级:第六部分:泄漏应急处理应急处理:疏散泄漏污染区人员至安全区,禁止无关人员进入污染区,切断火源。
建议应急处理人员戴好防毒面具,穿一般消防防护服。
在确保安全情况下堵漏。
喷水雾会减少蒸发·,但不能降低泄漏物在受限制空间内的易燃性。
用活性炭或其它惰性材料吸收,然后收集运至废物处理场所处置。
也可以用大量水冲洗,经稀释的洗水放入废水系统。
如大量泄漏,利用围堤收容,然后收集、转移、回收或无害处理后废弃。
化学品安全技术说明书(正丁醇)版本 3.2(CN)/GHS 修订时间:2016年8月31日第一部分化学品及企业标识化学品中文名称:正丁醇英文名称:n-butyl alcohol;1-butanol企业名称:地址:邮编:电子邮件地址:联系电话:传真号码:企业应急电话:国家应急电话: 110,119,120 产品推荐用途:主要用于制造邻苯二甲酸、脂肪族二元酸及磷酸的正丁酯类增塑剂,它们广泛用于各种塑料和橡胶制品中,也是有机合成中制丁醛、丁酸、丁胺和乳酸丁酯等的原料。
还是油脂、药物(如抗生素、激素和维生素)和香料的萃取剂,醇酸树脂涂料的添加剂等,又可用作有机染料和印刷油墨的溶剂,脱蜡剂。
生效日期: 2016-8-31第二部分危险性概述危险性类别:第3.2类高闪点液体紧急情况概述:易燃,其蒸气与空气可形成爆炸性混合物,遇明火、高热能引起燃烧爆炸。
与氧化剂接触猛烈反应。
在火场中,受热的容器有爆炸危险。
GHS危险性类别:根据化学品分类、警示标签和警示性说明规范系列标准,该产品属于易燃液体,类别3;皮肤腐蚀/刺激,类别2;严重眼睛损伤/眼睛刺激,类别1签要素:象形图:警示词:危险危险信息:易燃液体和蒸气。
对皮肤有刺激。
造成眼的严重损伤健康防范说明:预防措施:远离火种、热源,工作场所严禁吸烟。
得到专门指导后操作。
阅读并了解所有预防措施。
按要求使用个体防护装备。
使用不产生火花的工具。
使用防爆型电器和设备。
采取防静电措施,防止静电积聚。
防止蒸气泄漏到工作场所空气中。
避免接触眼睛、皮肤,避免吸入、食入,操作后彻底清洗。
避免与氧化剂接触。
工作场所不得进食、饮水。
事故响应:如果发生火灾,使用抗溶性泡沫、干粉、二氧化碳、雾状水等灭火。
眼睛接触,立即翻开上下眼睑,用流动清水彻底冲洗。
立即送医院或寻求医生帮助,不得延迟。
眼睛受伤后,应由专业人员取出隐形眼镜。
皮肤接触,立即脱去所有被污染的衣物,包括鞋类。
用流动清水冲洗皮肤和头发(可用肥皂)。
化学品安全技术说明书(正丁醇)版本 3.2(CN)/GHS 修订时间:2016年8月31日第一部分化学品及企业标识化学品中文名称:正丁醇英文名称:n-butyl alcohol;1-butanol企业名称:地址:邮编:电子邮件地址:联系电话:传真号码:企业应急电话:国家应急电话: 110,119,120 产品推荐用途:主要用于制造邻苯二甲酸、脂肪族二元酸及磷酸的正丁酯类增塑剂,它们广泛用于各种塑料和橡胶制品中,也是有机合成中制丁醛、丁酸、丁胺和乳酸丁酯等的原料。
还是油脂、药物(如抗生素、激素和维生素)和香料的萃取剂,醇酸树脂涂料的添加剂等,又可用作有机染料和印刷油墨的溶剂,脱蜡剂。
生效日期: 2016-8-31第二部分危险性概述危险性类别:第3.2类高闪点液体紧急情况概述:易燃,其蒸气与空气可形成爆炸性混合物,遇明火、高热能引起燃烧爆炸。
与氧化剂接触猛烈反应。
在火场中,受热的容器有爆炸危险。
GHS危险性类别:根据化学品分类、警示标签和警示性说明规范系列标准,该产品属于易燃液体,类别3;皮肤腐蚀/刺激,类别2;严重眼睛损伤/眼睛刺激,类别1签要素:象形图:警示词:危险危险信息:易燃液体和蒸气。
对皮肤有刺激。
造成眼的严重损伤健康防范说明:预防措施:远离火种、热源,工作场所严禁吸烟。
得到专门指导后操作。
阅读并了解所有预防措施。
按要求使用个体防护装备。
使用不产生火花的工具。
使用防爆型电器和设备。
采取防静电措施,防止静电积聚。
防止蒸气泄漏到工作场所空气中。
避免接触眼睛、皮肤,避免吸入、食入,操作后彻底清洗。
避免与氧化剂接触。
工作场所不得进食、饮水。
事故响应:如果发生火灾,使用抗溶性泡沫、干粉、二氧化碳、雾状水等灭火。
眼睛接触,立即翻开上下眼睑,用流动清水彻底冲洗。
立即送医院或寻求医生帮助,不得延迟。
眼睛受伤后,应由专业人员取出隐形眼镜。
皮肤接触,立即脱去所有被污染的衣物,包括鞋类。
用流动清水冲洗皮肤和头发(可用肥皂)。
化学品安全技术说明书(正丁醇)版本 3.2(CN)/GHS 修订时间:2016年8月31日第一部分化学品及企业标识化学品中文名称:正丁醇英文名称:n-butyl alcohol;1-butanol企业名称:地址:邮编:电子邮件地址:联系电话:传真号码:企业应急电话:国家应急电话: 110,119,120 产品推荐用途:主要用于制造邻苯二甲酸、脂肪族二元酸及磷酸的正丁酯类增塑剂,它们广泛用于各种塑料和橡胶制品中,也是有机合成中制丁醛、丁酸、丁胺和乳酸丁酯等的原料。
还是油脂、药物(如抗生素、激素和维生素)和香料的萃取剂,醇酸树脂涂料的添加剂等,又可用作有机染料和印刷油墨的溶剂,脱蜡剂。
生效日期: 2016-8-31第二部分危险性概述危险性类别:第3.2类高闪点液体紧急情况概述:易燃,其蒸气与空气可形成爆炸性混合物,遇明火、高热能引起燃烧爆炸。
与氧化剂接触猛烈反应。
在火场中,受热的容器有爆炸危险。
GHS危险性类别:根据化学品分类、警示标签和警示性说明规范系列标准,该产品属于易燃液体,类别3;皮肤腐蚀/刺激,类别2;严重眼睛损伤/眼睛刺激,类别1签要素:象形图:警示词:危险危险信息:易燃液体和蒸气。
对皮肤有刺激。
造成眼的严重损伤健康防范说明:预防措施:远离火种、热源,工作场所严禁吸烟。
得到专门指导后操作。
阅读并了解所有预防措施。
按要求使用个体防护装备。
使用不产生火花的工具。
使用防爆型电器和设备。
采取防静电措施,防止静电积聚。
防止蒸气泄漏到工作场所空气中。
避免接触眼睛、皮肤,避免吸入、食入,操作后彻底清洗。
避免与氧化剂接触。
工作场所不得进食、饮水。
事故响应:如果发生火灾,使用抗溶性泡沫、干粉、二氧化碳、雾状水等灭火。
眼睛接触,立即翻开上下眼睑,用流动清水彻底冲洗。
立即送医院或寻求医生帮助,不得延迟。
眼睛受伤后,应由专业人员取出隐形眼镜。
皮肤接触,立即脱去所有被污染的衣物,包括鞋类。
用流动清水冲洗皮肤和头发(可用肥皂)。
第1部分化学品及企业标识化学品中文名:正丁醇化学品英文名:Butan-1-olCAS号:71-36-3分子式:C4H10O分子量:74.12产品推荐及限制用途:工业及科研用途。
第2部分危险性概述紧急情况概述:易燃液体和蒸气。
吞咽有害。
造成皮肤刺激。
造成严重眼损伤。
可引起呼吸道刺激。
可引起昏睡或眩晕。
GHS危险性类别:易燃液体类别3急性经口毒性类别4皮肤腐蚀/刺激类别2严重眼损伤/眼刺激类别1特异性靶器官毒性一次接触类别3特异性靶器官毒性一次接触类别3标签要素:象形图:警示词:危险危险性说明:H226易燃液体和蒸气H302吞咽有害H315造成皮肤刺激H318造成严重眼损伤H335可引起呼吸道刺激H336可引起昏睡或眩晕防范说明:•预防措施:——P210远离热源/火花/明火/热表面。
禁止吸烟。
——P233保持容器密闭。
——P240容器和装载设备接地/等势联接。
——P241使用防爆的电气/通风/照明/设备。
——P242只能使用不产生火花的工具。
——P243采取防止静电放电的措施。
——P280戴防护手套/穿防护服/戴防护眼罩/戴防护面具。
——P264作业后彻底清洗。
——P270使用本产品时不要进食、饮水或吸烟。
——P261避免吸入粉尘/烟/气体/烟雾/蒸气/喷雾。
——P271只能在室外或通风良好处使用。
•事故响应:——P303+P361+P353如皮肤(或头发)沾染:立即脱掉所有沾染的衣服。
用水清洗皮肤/淋浴。
——P370+P378火灾时:使用灭火器灭火。
——P301+P312如误吞咽:如感觉不适,呼叫解毒中心/医生——P330漱口。
——P302+P352如皮肤沾染:用水充分清洗。
——P332+P313如发生皮肤刺激:求医/就诊。
——P362+P364脱掉沾染的衣服,清洗后方可重新使用——P305+P351+P338如进入眼睛:用水小心冲洗几分钟。
如戴隐形眼镜并可方便地取出,取出隐形眼镜。
继续冲洗。
——P310立即呼叫解毒中心/医生——P304+P340如误吸入:将人转移到空气新鲜处,保持呼吸舒适体位。
危险化学品档案33552:正丁醇(酪醇;丙原醇;丁醇)1.物质的理化常数:2.对环境的影响:一、健康危害侵入途径:吸入、食入、经皮吸收。
健康危害:本品具有刺激和麻醉作用。
主要症状为眼、鼻、喉部刺激,在角膜浅层形成半透明的空泡,头痛,头晕和嗜睡,手部可以生接触性皮炎。
二、毒理学资料及环境行为毒性:属低毒类。
急性毒性:LD504360mg/kg(大鼠经口);3400mg/kg(兔经皮);LC5024240mg/m3,4小时(大鼠吸入)亚急性毒性:大鼠、小鼠吸入0.8mg/m3,24小时/周,4个月,肝皮肤功能异常;人吸入303×mg/m×10年,粘膜刺激,嗅觉减退;人吸入606mg/m3×10年,红细胞数减少,偶见眼刺激症状;人吸入150~780mg/m3×10年,眼有灼痛感,全身不适,角膜炎。
危险特性:易燃,其蒸气与空气可形成爆炸性混合物。
遇明火、高热能引起燃烧爆炸。
与氧化剂接触会猛烈反应。
在火场中,受热的容器有爆炸危险。
燃烧(分解)产物:一氧化碳、二氧化碳。
3.现场应急监测方法:直接进水样气相色谱法4.实验室监测方法:气相色谱法《空气中有害物质的测定方法》(第二版),杭士平主编高锰酸钾法《化工企业空气中有害物质测定方法》,化学工业出版社5.环境标准:6.应急处理处置方法:一、泄漏应急处理迅速撤离泄漏污染区人员至安全区,并进行隔离,严格限制出入。
切断火源。
建议应急处理人员戴自给正压式呼吸器,穿消防防护服。
尽可能切断泄漏源。
防止进入下水道、排洪沟等限制性空间。
小量泄漏:用活性炭或其它惰性材料吸收。
也可以用大量水冲洗,洗水稀释后放入废水系统。
大量泄漏:构筑围堤或挖坑收容;用泡沫覆盖,降低蒸气灾害。
用防爆泵转至槽车或专用收集器内,回收或运至废物处理场所处置。
二、防护措施呼吸系统防护:一般不需要特殊防护,高浓度环境中可佩戴自吸过滤式防毒面具(半面罩)。
眼睛防护:戴安全防护眼镜。