炉渣垫层检验批质量验收重点学习的重点学习的记录.doc
- 格式:doc
- 大小:202.52 KB
- 文档页数:2
炉渣垫层工程检验批质量验收记录工程名称:炉渣垫层工程工程地点:xxxx监理单位:xxxx施工单位:xxxx验收时间:xxxx年xx月xx日一、背景介绍本工程是为了解决xxxx工程的垫层问题,在xxxx地区选择了使用炉渣作为垫层材料进行填充。
为了保证工程的质量,进行了炉渣垫层工程的检验批质量验收。
二、项目概述三、施工过程施工单位在施工过程中严格按照技术规范进行施工,保证施工过程的质量。
具体施工过程如下:1.材料准备:施工单位提前准备好所需的炉渣材料,并进行检验合格。
2.基础处理:在施工前,施工单位对基础进行了清理,确保基础平整、无松动物体。
3.清洗:施工前对填充区域进行清洗,以保证填充层的质量。
4.填充:施工过程中,按照设计要求,将炉渣材料进行层层填充,同时进行夯实,保证填充层的密实度。
5.表面处理:填充完成后,对填充层表面进行处理,使其平整、美观。
四、质量检验为了保证炉渣垫层工程的质量,施工单位进行了严格的质量检验。
检验的主要内容包括炉渣材料的检验、填充层质量的检验。
1.炉渣材料的检验:施工单位对炉渣材料进行了抽样检验,检验内容包括外观质量、颗粒分布、化学成分等。
2.填充层质量的检验:在施工过程中,监理单位对填充层进行了抽样检验。
检验内容包括填充层的密实度、平整度、强度等。
五、质量验收根据对炉渣垫层工程的质量检验结果,经过讨论和评估,决定对工程进行验收,验收结果如下:1. 炉渣材料的质量符合设计要求,并且有相应的检验证书。
检验证书编号为xxxx。
2.填充层的质量符合设计要求,满足相应的强度指标和平整度要求。
综上所述,炉渣垫层工程经过质量检验和验收,符合设计要求,质量合格。
六、建议根据对炉渣垫层工程的施工过程和质量检验的观察和评估,提出以下建议:1.增加施工过程中的质量控制措施,保证填充层的密实度和平整度。
2.对炉渣材料的供应商进行定期的质量检查和评估,确保材料的质量稳定。
3.加强对施工单位的工艺培训,提高施工人员的技术水平。
炉渣垫层检验批质量验收记录炉渣垫层是一种在道路工程中常用的材料,用于填充道路表面后,能够提高道路的耐久性和承载能力。
为了确保炉渣垫层的质量,需要进行检验批质量验收。
下面是一份炉渣垫层检验批质量验收记录的范例。
二、验收单位:(填写具体单位名称,如道路工程公司)三、施工单位:(填写具体施工单位名称)四、施工地点:(填写具体施工地点)五、检验批次:(填写具体批次号,如第一批)六、检验日期:(填写具体检验日期)七、检验人员:(填写具体检验人员姓名)八、检验依据:(填写具体的检验依据,如相关标准或规范)九、检验项目:1.外观质量:检查炉渣垫层的表面是否平整,无凹凸不平的现象。
2.强度性能:采用压实度仪测定炉渣垫层在规定压实度下的承载力。
3.抗渗透能力:采取未饱和渗透试验,检测炉渣垫层的抗渗透性能。
4.粒度分析:采用细度模数法检测炉渣垫层中各粒径颗粒的分布情况。
5.沉降性能:施工后的炉渣垫层需要经过排水进行沉降观测,观测期间记录沉降情况。
六、检验结果:1.外观质量:炉渣垫层表面平整,无明显凹凸不平的现象。
2.强度性能:经过压实度仪测定,炉渣垫层在规定压实度下的承载力符合要求。
3.抗渗透能力:经过未饱和渗透试验,炉渣垫层具有较好的抗渗透性能。
4.粒度分析:通过细度模数法检测,炉渣垫层中各粒径颗粒的分布均匀。
5.沉降性能:经过排水和沉降观测,炉渣垫层无明显沉降问题。
七、验收结论:炉渣垫层符合相关标准和规范的要求,可通过质量验收。
八、存在问题及整改意见:根据检验结果,暂未发现炉渣垫层的质量问题。
九、备注:可根据具体情况添加其他需要补充的信息。
以上是一份炉渣垫层检验批质量验收记录的范例,该记录可根据具体项目的要求进行调整和修改。
在实际操作中,应严格按照质量验收标准和程序进行操作,确保炉渣垫层的质量符合要求。
炉渣检验批质量验收记录表
山东省建设工程质量监督总站监制
说明
主控项目:
1.炉渣内不含有有机杂质和未燃尽的煤块,颗粒粒径不大于40mm,且颗粒粒径在5mm 及其以下的颗粒,不得超过总体积的40%;熟化石灰颗粒粒径不得大于5mm。
使用前炉渣浇水闷透,不少于5d,厚度不小于80mm。
观察检查和检查检测报告。
2. 炉渣垫层的体积比,符合设计要求。
观察检查和检查配合比单。
一般项目:
1.炉渣垫层与其下一层结合牢固,不得有空鼓和松散炉渣颗粒。
观察检查和用小锤轻击检查。
2. 炉渣垫层表面的允许偏差,应按本规范表4.1.5 中的检验方法检验。
炉渣垫层检验批质量验收记录炉渣垫层是一种常见的建筑材料,主要用于道路基层、路面填料和建筑垫层等方面。
为了确保炉渣垫层的质量和使用效果,需要进行质量验收并记录下来,以便后续的使用和维护。
炉渣垫层的检验批质量验收记录分为以下几个方面进行记录。
一、炉渣垫层材料验收对于炉渣垫层的材料验收,需要检查以下几个方面:炉渣的颗粒大小、含水率、耐候性、抗压强度等。
还需要检查炉渣的检验报告、合格证和购货凭证等相关文件。
二、施工工艺和施工质量验收对于炉渣垫层的施工工艺,需要检查施工方案、施工工序、施工设备和材料的合理使用等方面。
同时还需要检查施工质量,如均匀铺设、压实均匀等。
三、炉渣垫层的物理性能验收对于炉渣垫层的物理性能,需要进行一系列的验收,如室内试验、室外试验等。
需要检测炉渣垫层的荷载承载能力、抗渗性能、耐久性等方面。
四、现场验收记录在炉渣垫层的施工过程中,需要进行现场验收记录。
记录的内容包括施工日期、施工人员、施工设备、施工质量等方面。
同时还需要记录施工现场的照片、视频等,以便后续的复查和评估。
五、质量问题的处理和整改在炉渣垫层的质量验收过程中,如果发现问题,需要及时进行处理和整改。
记录下问题的处理过程,包括处理方法、处理结果和整改措施等。
六、验收结果和评价对炉渣垫层的质量验收结果进行评价,包括合格、不合格等。
同时需要对验收的过程和结果进行总结,提出改进建议,以便提高炉渣垫层的施工质量和使用效果。
总结:炉渣垫层检验批质量验收记录是对炉渣垫层的施工过程和质量进行记录和评估的重要文件。
通过对炉渣垫层的材料、工艺和物理性能进行验收,能够确保炉渣垫层的质量和使用效果。
同时,及时处理和整改质量问题,能够提高炉渣垫层的施工质量。
最后,对验收结果进行评价和总结,能够为后续的使用和维护提供参考依据。
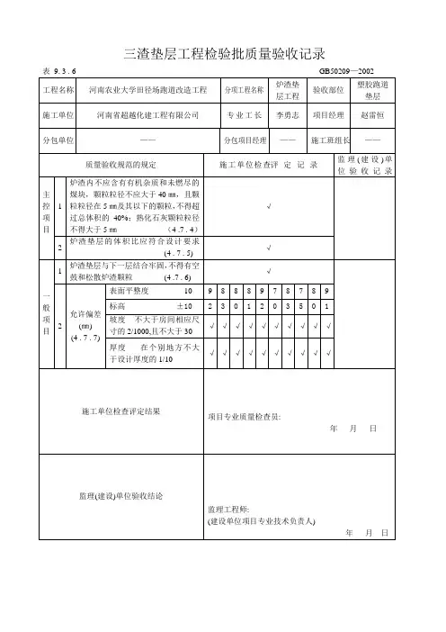
炉渣垫层检验批质量验收记录(首页)工程名称:
株质监新标
统编 2002-1
编号 3.1.1.6—()
分部工程建筑装饰装修子分部工程地面分项工程基层检验批划分检验批数主要材料
施工单位项目经理专业工长
分包单位分包负责人施工班长
规范名称建筑地面工程施工质量验收规范验收
及编号GB50209-2002 部位
项规范
质量验收规范的规定及检验方法施工单位监理单位
目序号自检记录验收记录炉渣内不应含有有机杂质和未燃尽的煤块,
主颗粒粒径不应大于 40mm,且颗粒粒径在 5mm及
4.7.4 其以下的颗粒,不得超过总体积的40%;熟化石
控灰颗粒粒径不得大于 5mm。
检验方法:观察检查和检查材质合格证明文项件及检测报告。
目
炉渣垫层的体积比应符合设计要求。
4.7.5 检验方法:观察检查和检查配合比通知单。
一般项目4.7.6
4.7.7
炉渣垫层与其下一层结合牢固,不得有空鼓和松散炉渣颗粒。
检验方法:观察检查和用小锤轻击检查。
炉渣垫层表面的允许偏差应符合本规范表
4.1.5的规定。
检验方法:应按本规范表 4.1.5 中的检验方法检验。
检验结果
施工单位监理单位
检查结果验收结论
监理工程师:
专业质量检查员:( 建设方代表 ) :
年月日年月日注: 1. 规范中黑体字为强制性条文。
2. 检查批的质量验收记录由施工项目专业质量检查员填写,监理工程师
组织项目专业质量检查员等进行验收。
炉渣垫层检验批质量验收记录(尾页)表 4.1.5基层表面的允许偏差和检验方法(mm)
允许偏差(mm)
隔
基
垫层土找平层填充层离
层
项
项目次
表面平
灰混
土凝
砂、土
、三
砂合
石
土
土
、
碎、
石炉
、
渣
碎
、
砖
水
泥
毛地板
拼实
花木
木实复其
搁木合他
种
栅地地
类
板板面
、面层
拼层
花
用花合
用设
胶木地
沥拼用层
粘板板
青花水铺
剂、、
玛木泥设
松板
做塑竹
脂板砂板
散
、
块
结料地
材材
做、浆块
结板
合板板料料
做面
层、面
合块结层
铺强层
层面合
铺层
设化
拼复
检验
防
水
方法
、
防
潮
、
防
油
渗
用 2m 靠尺和楔
1
整度2标高15 15 10 3 3 5 3 5 2 7 5
± 20 ± 10 ±5 ± 5 ±8 ± 5 ± 8 ± 4 ±4
-50
3
形塞尺检查
± 4用水准仪检查
3坡度不大于房间相应尺寸的2/1000 ,且不大于30用坡度尺检查
4厚度在个别地方不大于设计厚度的1/10用钢尺检查
最大偏差:
表4.1.5
项
合格点率:
允许偏差 1. 1
次
抽检结果
有无严重缺陷:。