隔膜泵型号意义及参数
- 格式:docx
- 大小:148.75 KB
- 文档页数:2
【DBY型电动隔膜泵】产品:【DBY型电动隔膜泵】产品简介:DBY型电动隔膜泵是一种新型的泵类,近年来,由于在隔膜材质上取得了突破性的进展,国际上越来越多的工业化国家采用此种型式的泵,取代部份离心泵、螺杆泵,来应用于石化、陶瓷、冶金等行业,产品设计均参考美国ABEL公司样机,DBY电动隔膜泵适用于低压,即出口压力≤3kgf/cm2的场合. DBY电动隔膜泵是本厂生产的一种新型输送机械,采用电动机通过减速机减速驱动,对于各种腐蚀性液体,带颗粒的液体,高粘度、易挥发、易燃、剧毒的液体,均能以抽光吸尽。
其性能参数与德国的WLLDENPVMPS、美国的MARIOWPUMPS的相近。
本厂目前已形成系列化生产,共有八种规格通径:φ 10mm( 3/8'' )φ 15mm ( 1/2'' )φ 25mm ( 1'' )φ 40mm ( 11/2'' )φ 50mm ( 2'' )φ 65mm ( 21/2'' )φ 80mm ( 3'')φ 100mm ( 4'' )五种材质:铸铁DBY电动隔膜泵、铝合金DBY电动隔膜泵、不锈钢DBY电动隔膜泵、氟塑料衬里DBY电动隔膜泵、流体衬胶DBY电动隔膜泵。
隔膜泵根据不同液体介质分别采用丁晴橡胶、氯丁橡胶、聚四氟乙烯、聚全氟乙烯F46等材质的隔膜片、密封球及密封球座,以满足不同客户的需要。
DBY电动隔膜泵自投厂以来,已被国内外众多石油、化工、电子、陶瓷、纺织系统单位采用,安置在各种特殊场合,用来抽用各种常规泵不能抽吸的介质,均取得了满意的效果。
DBY电动隔膜泵注意事项:DBY电动隔膜泵工作时先打开出口阀,在工作时严禁关闭出口阀门。
【DBY型电动隔膜泵】型号意义:【DBY型电动隔膜泵】产品特点:1、不需灌引水,自吸能力达7米以上。
2、通过性能好,直径在10毫米以下的颗粒、泥浆等均可以毫不费力地通过。
气动隔膜泵型号意义及技术参数气动隔膜泵是一种利用压缩空气驱动的特殊泵,其工作原理是通过压缩空气对泵体内的弹性隔膜施加力量,从而实现吸入和排放液体的目的。
气动隔膜泵的型号意义和技术参数对用户选型和使用具有重要的指导作用。
下面将详细介绍气动隔膜泵型号意义及技术参数。
1.功能标志:气动隔膜泵的功能标志一般分为A、B、C、D四个级别,分别代表泵的功能特点和适用范围。
例如,A级代表防爆型,B级代表自吸型,C级代表耐高温型,D级代表食品级等。
2.泵口径:气动隔膜泵的口径一般是指进出口的管道直径。
根据不同的使用需求,可以选用不同的口径规格。
常见的口径规格有1/4英寸、1/2英寸、3/4英寸、1英寸、2英寸等。
3. 排量:排量是气动隔膜泵性能的重要参数之一,用于表示单位时间内泵所能排出的流体体积。
排量的大小与泵的尺寸和结构有关,通常用L/min或GPM(Gallon per minute)单位来表示。
4.工作压力:气动隔膜泵的工作压力是指泵在正常工作状态下所能耐受的最高压力。
工作压力的大小与泵的结构、材质以及使用环境等有关。
常见的工作压力范围有0.1MPa-0.8MPa、0.2MPa-1.2MPa等。
5.材质:气动隔膜泵的材质一般分为金属和非金属两种。
金属材质一般包括铝合金、不锈钢等,具有耐腐蚀、耐高温等特点;非金属材质一般包括聚丙烯、聚四氟乙烯等,具有耐腐蚀、耐磨损等特点。
根据泵的具体使用环境和介质特性,选择合适的材质,以提高泵的使用寿命和稳定性。
除了上述型号意义外,气动隔膜泵的技术参数也是用户选型和使用时需要考虑的关键因素。
常见的技术参数包括:1.最大扬程:指气动隔膜泵在最大工作压力下,能够达到的最大扬程高度,单位一般是米(m)。
2.最大吸程:指气动隔膜泵在最大工作压力下,能够达到的最大吸程高度,单位一般是米(m)。
3. 最大颗粒直径:指气动隔膜泵所能通过的最大颗粒的直径大小,单位一般是毫米(mm)。
4.最大介质温度:指气动隔膜泵所能耐受的最高介质温度,单位一般是摄氏度(℃)。
【DBY型电动隔膜泵】产品:【DBY型电动隔膜泵】产品简介:DBY型电动隔膜泵是一种新型的泵类,近年来,由于在隔膜材质上取得了突破性的进展,国际上越来越多的工业化国家采用此种型式的泵,取代部份离心泵、螺杆泵,来应用于石化、陶瓷、冶金等行业,产品设计均参考美国ABEL公司样机,DBY电动隔膜泵适用于低压,即出口压力≤3kgf/cm2的场合. DBY电动隔膜泵是本厂生产的一种新型输送机械,采用电动机通过减速机减速驱动,对于各种腐蚀性液体,带颗粒的液体,高粘度、易挥发、易燃、剧毒的液体,均能以抽光吸尽。
其性能参数与德国的WLLDENPVMPS、美国的MARIOWPUMPS的相近。
本厂目前已形成系列化生产,共有八种规格通径:φ 10mm( 3/8'' )φ 15mm ( 1/2'' )φ 25mm ( 1'' )φ 40mm ( 11/2'' )φ 50mm ( 2'' )φ 65mm ( 21/2'' )φ 80mm ( 3'')φ 100mm ( 4'' )五种材质:铸铁DBY电动隔膜泵、铝合金DBY电动隔膜泵、不锈钢DBY电动隔膜泵、氟塑料衬里DBY电动隔膜泵、流体衬胶DBY电动隔膜泵。
隔膜泵根据不同液体介质分别采用丁晴橡胶、氯丁橡胶、聚四氟乙烯、聚全氟乙烯F46等材质的隔膜片、密封球及密封球座,以满足不同客户的需要。
DBY电动隔膜泵自投厂以来,已被国内外众多石油、化工、电子、陶瓷、纺织系统单位采用,安置在各种特殊场合,用来抽用各种常规泵不能抽吸的介质,均取得了满意的效果。
DBY电动隔膜泵注意事项:DBY电动隔膜泵工作时先打开出口阀,在工作时严禁关闭出口阀门。
【DBY型电动隔膜泵】型号意义:【DBY型电动隔膜泵】产品特点:1、不需灌引水,自吸能力达7米以上。
2、通过性能好,直径在10毫米以下的颗粒、泥浆等均可以毫不费力地通过。
气动隔膜泵型号意义及参数上海阳光泵业作为国内一家著名的集研制、开发、生产、销售、服务于一体的大型多元化企业,上海阳光泵业制造有限公司一直坚持“以质量求生存、以品质求发展”的宗旨为广大客户提供优质服务!同时,上海阳光泵业一直专注于自身实力的提升以及对产品质量的严格把关,为此,目前不但拥有国内最高水准的水泵性能测试中心、完善的一体化服务体系、经验丰富的水泵专家,同时经过多年的发展,产品以优越的性能、精良的品质、良好的服务口碑获得各项专业认证证书和客户认可。
经过团队的不懈努力,上海阳光泵业在国内水泵行业已经取得了很大成就。
这样一家诚信为本、责任重于天的水泵行业佼佼者,对于水泵的维修、保养等各大方面都有自己独特的方法,下面就一起来看看吧!一、QBK型气动隔膜泵产品概述:QBK气动隔膜泵是第三代气动双隔膜泵,具有使用寿命长,不会停顿等优点,它既能抽送流动的液体,又能输送一些不易流动的介质,具有自吸泵、潜水泵、屏蔽泵、泥浆泵和杂质泵等输送机械的许多优点。
1、不需灌引水.吸程高达5m.扬程达70m.出口压力≥6kg/cm2。
2、流动宽敞,通过性能好.允许通过最大颗粒直径达10mm。
抽送泥浆、杂质时,对泵磨损甚微;3、扬程、流量可通过气阀开度实现无级调节(气压调节在1—7kg/cm2之间):4、该泵无旋转部件,没有轴封,隔膜等抽送的介质与泵的运动部件、工件介质完全隔开,所输送的介质不会向外泄漏。
所以抽送有毒、易发挥或腐蚀性介质时,不会造成环境污染和危害人身安全;5、不必用电.在易燃、易爆场所使用安全可靠;6、可以浸没在介质中工作:7、使用方便、工作可靠、开停只需简单地打开和关闭气体阀门.即使由于意外情况而长时间无介质运行或突然停机泵也不会因此而损坏.一旦超负荷,泵会自地动停机,具有自我保护性能,当负荷恢复正常后,又能自动启动运行;8、结构简单、易损件少,该泵结构简单,安装、维修方便,泵输送的介质不会接触到配气阀,联杆等运动部件,不象其他类型的泵因转子、活塞、齿轮、叶片等部件的磨损而使性能逐步下降:1 0、本泵无须用油润滑,即使空转.对泵也无任何影响,这是该泵最大特点。
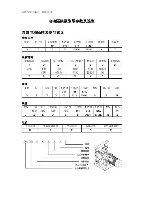
电动隔膜泵型号参数及选型固德电动隔膜泵型号意义过流部件铸钢铝合金工程塑料PP 不锈钢304不锈钢316不锈钢316L氟塑料特氟龙G L S P P306 P316L F T隔膜材料聚胶隔膜丁腈隔膜氯丁橡胶三元乙丙橡胶特氟龙氟橡胶聚醚隔膜J D L S T V M四氟丁腈四氟丁腈特氟龙聚醚四氟聚醚特氟龙聚酯隔膜F B C K X Z 阀球丁腈氯丁四氟钢不锈钢304 不锈钢316不锈钢316L聚醚聚乙烯玻璃D L F G P P316 P316L ME H 阀座聚胶丁晴橡胶氯丁橡胶聚四氟乙烯三元乙丙橡胶不锈钢304不锈钢316不锈钢316L聚醚聚乙烯J D L F S P P316 P316L M E电机普通电机变频防爆电机变频电机防爆电机电磁调速电机D L F G P型号性能参数电机型号参数产品概况概述固德DBY3系列电动隔膜泵,采用摆线针轮减速机传动,通过曲轴滑块机构带动双隔膜作往返运动,使工作腔容积发生交替变化,从而达到将液体不断地吸入和排出。
同时,近年来由于隔膜泵材质取得了突破性的进展,大大地延长隔膜的使用寿命,因此被越来越广泛地替代部分离心泵,螺杆泵来应用与石化,陶瓷,冶金等行业。
主要用途1,各种剧毒,易燃,易挥发液体2,各种强酸,强碱,强腐蚀液体3,可输送较高温度介质150℃4,作为各种压滤机前级送压装置5,热水回收及循环6,油罐车,油库,油品装卸7,泵吸泡菜,果酱,巧克力,土豆泥等8,泵吸油漆,树胶,颜料粘合剂9,各种瓷器釉浆,水泥灌浆,泥浆10,各种橡胶浆,有机溶剂,填料11,用泵为邮轮驳船清仓吸取仓被污水及剩油12,啤酒花及发酵粉稀浆,糖浆,蜜糖13,泵吸矿井,坑道,隧道,下水道中污水,沉淀物14,各种特殊介质的吸送性能简介固德电动隔膜泵既能抽送流动的而液体,又能输送一些不易流动的介质,具有自吸泵和杂质泵等输送机械的许多优点。
1,使用方便,工作可靠,只需通电即可工作。
2,结构简单,易损件少,泵结构简单,安装维修方便,泵输送的介质不会接触连杆,轴承偏心轮等部件,所以不会造成这些零部件因介质的磨损破坏。
气动隔膜泵型号参数及使用第四代气动隔膜泵,采用压缩空气为动力源,对于各种腐蚀性液体,带颗粒的液体,高粘度、易挥发、易燃、剧毒的液体,均能予以抽光吸尽。
其性能参数与联邦德国的WLLDENPVMPS、美国的MARlOWPUMPS相近。
气动隔膜泵既能抽送流动的液体,又能输送一些不易流动的介质,具有自吸泵、潜水泵、屏蔽泵、泥浆泵和杂质泵等输送机械的许多优点。
一、气动隔膜泵优点1、不需灌引水.吸程高达5m.扬程达70m.出口压力6bar。
2、流动宽敞,通过性能好.允许通过最大颗粒直径达10mm。
抽送泥浆、杂质日寸,对泵磨损甚微;3、扬程、流量可通过气阀开度实现无级调节(气压调节在1—7 bar之间):4、该泵无旋转部件,没有轴封,隔膜j|等抽送的介质与泵的运动部件、工件介质完全隔开,所输送的介质不会向外泄漏。
所以抽送有毒、易发挥或腐蚀性介质时,不会造成环境污染和危害人身安全;5、不必用电.在易燃、易爆场所使用安全可靠;6、可以浸没在介质中工作:7、使用方便、工作可靠、开停只需简单地打开和关闭气体阀门.即使由于意外情况而长时间无介质运行或突然停机泵也不会因此而损坏.一旦超负荷,泵会自地动停机,具有自我保护性能,当负荷恢复正常后,又能自动启动运行;8、结构简单、易损件少,该泵结构简单,安装、维修方便,泵输送的介质不会接触到配气阀,联杆等运动部件,不象其他类型的泵因转子、活塞、齿轮、叶片等部件的磨损而使性能逐步下降:9、可输送较粘的液体(粘度在1万厘泊以下):10、本泵无须用油润滑,即使空转.对泵也无任何影响,这是该泵最大特点。
二、优势采用压缩空气为动力源,对于各种腐蚀性液体,带颗粒的液体,高粘度、易挥发、易燃、剧毒的液体,均能予以抽光吸尽,尤以适合易燃易爆场。
三、能力产品操作,安全可靠,耐腐蚀性,经久耐用,具自吸性,空转无损,多种材料,用途广泛,装置简单,免却维修。
四、应用市场1、食品加工/生物卫生/制药2、汽车/电镀和抛光3、陶瓷/涂料/釉料4、化学/石油5、化工建筑/公共设施6、机械配套/废水处理五、第四代QBY型气动隔膜泵产品特点:1、由于用空气作动力,所以流量随背压(出口阻力)的变化而自动调整,适合用于中高粘度的流体。
上海沈泉泵阀制造有限公司是一家专业生产,销售管道泵,排污泵,消防泵,化工泵等给排水设备的厂家,产品涉及工矿企业、农业、城市供水、石油化工、电站、船舶、冶金、高层建筑、消防供水、工业水处理和纯净水、食品、制药、锅炉、空调循环系统等行业领域。
在现在如今的石化、陶瓷、冶金等行业中都能随处见到电动隔膜泵的身影,这与它在隔膜材质上取得了突破性的进展是离不开关系的并且该泵还拥有着不需要灌引水,自吸能力强的特点等,使得它在这些应用领域:喷漆、陶瓷业中隔膜泵已占有主导地位。
而在环保、废水处理、建筑、排污、精细化工中也正在逐步扩大它的市场份额,并具有其他泵不可替代的地位。
既然这款电动隔膜泵如此优秀,那我们也就必须要对电动隔膜泵的规格型号有一定的了解。
这样我们才能在选型的时候,能够做出一个合理的判断,以此来挑选出一款适合自身,且自己又十分需要的一款隔膜泵了。
下面大J跟着沈泉泵业一起来看看下面的内容吧。
由于隔膜泵系列的型号相比较于其他泵来说,并没有那么多,并且各个厂J所生产的型号规格也有所不同。
因此小编就拿Z为普遍的DBY系列电动隔膜泵来为大家进行简单的讲解。
上海品牌厂家沈泉泵阀生产制造的DBY系列电动隔膜泵是一种新型的泵类,近年来,由于在隔膜材质上取得了突破性的进展,GJ上越来越多的工业化GJ采用此种型式的泵,取代部份离心泵、螺杆泵,来应用于石化、陶瓷、冶金等行业,该泵适用于低压,即出口压力≤3kgf/cm2的场合。
DBY电动隔膜泵型号意义:此泵可选参数有流量:0-20m3/h,扬程:30m,功率:0.37-4kw,转速:1450r/min,口径:10-100mm,温度:-15-+150℃,自吸高度:5-7m等。
本隔膜泵的主要部件是隔膜。
正确选用隔膜可以达到事半功倍的目的,用户订货时须注明输送介质的性质,以便出厂时配备不同隔膜,一般隔膜有下列几种:1.丁晴隔膜;主要用于耐油场合。
2.氯丁橡胶5031#本单位特制,主要用于耐丙酮及各种酸类、碱类。
隔膜泵有哪几个型号?关于这一问题呢,隔膜泵厂家可以告诉大家的是,隔膜泵的型号其实很多,毕竟隔膜泵应用的也是非常的广泛。
既然隔膜泵的型号有那么多,那么小编就拿出其中几种经常使用的型号来给大家讲解一下吧。
目前市面上比较普遍的型号有三种,它们分别是QBY气动隔膜泵、QBK气动隔膜泵、DBY电动隔膜泵。
小编在这里给大家简单的介绍一下它们吧。
一、QBY系列气动隔膜泵:QBY型气动隔膜泵是目前G内新颖的一种泵,对于各种腐蚀性液体,带颗粒、高粘度、易挥发、易燃、易爆、剧毒的液体、陶瓷釉浆、果浆、胶水、油轮仓库油回收、临时倒罐等液体均能予以抽光吸尽。
泵体过流部件材质采用不锈钢、铝合金、铸铁、工程塑料,隔膜根据不同液体分别采用丁晴橡胶、氟橡胶、氯丁橡胶、聚四氟乙烯及聚全氟乙丙烯(F46)。
QBY系列气动隔膜泵,采用压缩空气,蒸汽,工业废气为动力源,吸程7m,扬程0-50m,流量0.8-40 m3/h无G可调。
二、QBK型气动隔膜泵:QBK气动隔膜泵是第三代气动隔膜泵,具有使用寿命长,不会停顿等优点。
采用压缩空气为动力源,对于各种腐蚀性液体,带颗粒的液体,高粘度、易挥发、易燃、剧毒的液体,均能予以抽光吸尽,产品质量深受好评。
这种泵的主要特点是不需灌引水,既能抽送流动的液体,又能输送一些是易流动的介质,吸程高、扬程可调(0-70米)气源压力只须大于1kg/cm2即能工作,绝对防火防爆,具有潜水泵、自吸泵、杂质泵、屏蔽泵、泥浆泵的一切功能和输送机械的许多特点。
三、DBY电动隔膜泵:DBY电动隔膜泵介质过流部分,可根据用户要求不同,分为铸铁、不锈钢、衬胶、铝合金,电机可分普通电机、防爆电机、减速电机和电磁调速电机。
四、QBY气动隔膜泵型号参数表:五、QBK气动隔膜泵型号参数表:六、DBY电动隔膜泵型号参数表:好了,以上内容就是关于隔膜泵几种型号的内容,希望能够对大家有所帮助。
若是还想知道更多相关泵类知识,可持续关注本站,沈泉将会为大家时时更新相关内容。
隔膜泵型号意义及技术参数上海阳光泵业制造有限公司座落于上海市金山工业园区,是国内一家著名的集研制、开发、生产、销售、服务于一体的大型多元化企业,注册资本1100万元。
主导产品包括:螺杆泵、隔膜泵、液下泵、磁力泵、排污泵、化工泵、多级泵、自吸泵、齿轮油泵、计量泵、卫生泵、真空泵、潜水泵、转子泵等类别。
产品以优越的性能,精良的品质已获得各项专业认证证书及客户的认可。
公司拥有多名水泵专家和各类中高级工程师,不断的开发制造,升级换代产品年年都有问世。
一、QBY-B型气动隔膜泵产品概述:本单位生产的QBY系列气动隔膜泵是一种新型输送机械,采用压缩空气为动力源,对于各种腐蚀性液体,带颗粒的液体,高粘度、易挥发、易燃、剧毒的液体,均能予以抽光吸尽。
其性能参数与联邦德国的WLLDENPVMPS、美国的MARlOWPUMPS相近,QBY气动隔膜泵是一种新型输送机械,采用压缩空气为动力源,对于各种腐蚀性液体,带颗粒的液体,高粘度、易挥发、易燃、剧毒的液体,均能予以抽光吸尽。
QBY气动隔膜泵既能抽送流动的液体,又能输送一些不易流动的介质,具有自吸泵、潜水泵、屏蔽泵、泥浆泵和杂质泵等瑜送机械的许多优点。
1、不需灌引水,吸程高达7M,扬程达50M,出口压力≥6kgf/cm2。
2、流动宽蔽,通过性能好,允许通过最大颗粒,直径达10mm抽送泥浆、杂质时,对泵磨损甚微。
3、扬程、流量可通过气阀开度实现无级调节。
(气压调节在1-7kg/cm2之间)。
4、该泵无旋转部件,没有轴封隔膜将抽送的介质与泵的运动部件,工作介质完全隔开,所输送的介质不会向外泄漏。
所以抽送有毒,易挥发或腐蚀性介质时,不会造成环境污染和危害人身安全。
5、不必用电,在易燃、易爆场所使用安全可靠。
6、可以浸没在介质中工作。
7、使用方便、工作可靠、开停泵只需简单地打开和关闭气体阀门,即使由于意外情况而长时间地无介质运行或突然停机,泵也不会因此而损坏,一旦超负荷,泵便会自动停机,具有自我保护性能,当负荷恢复正常以后,又能自动启动运行。
气动隔膜泵型号意义及参数气动隔膜泵型号意义及参数上海阳光泵业作为国内一家著名的集研制、开发、生产、销售、服务于一体的大型多元化企业,上海阳光泵业制造有限公司一直坚持“以质量求生存、以品质求发展”的宗旨为广大客户提供优质服务!同时,上海阳光泵业一直专注于自身实力的提升以及对产品质量的严格把关,为此,目前不但拥有国内最高水准的水泵性能测试中心、完善的一体化服务体系、经验丰富的水泵专家,同时经过多年的发展,产品以优越的性能、精良的品质、良好的服务口碑获得各项专业认证证书和客户认可。
经过团队的不懈努力,上海阳光泵业在国内水泵行业已经取得了很大成就。
这样一家诚信为本、责任重于天的水泵行业佼佼者,对于水泵的维修、保养等各大方面都有自己独特的方法,下面就一起来看看吧!一、QBK型气动隔膜泵产品概述:QBK气动隔膜泵是第三代气动双隔膜泵,具有使用寿命长,不会停顿等优点,它既能抽送流动的液体,又能输送一些不易流动的介质,具有自吸泵、潜水泵、屏蔽泵、泥浆泵和杂质泵等输送机械的许多优点。
1、不需灌引水.吸程高达5m.扬程达70m.出口压力≥6kg/cm2。
2、流动宽敞,通过性能好.允许通过最大颗粒直径达10mm。
抽送泥浆、杂质时,对泵磨损甚微;3、扬程、流量可通过气阀开度实现无级调节(气压调节在1—7kg/cm2之间):4、该泵无旋转部件,没有轴封,隔膜等抽送的介质与泵的运动部件、工件介质完全隔开,所输送的介质不会向外泄漏。
所以抽送有毒、易发挥或腐蚀性介质时,不会造成环境污染和危害人身安全;5、不必用电.在易燃、易爆场所使用安全可靠;6、可以浸没在介质中工作:7、使用方便、工作可靠、开停只需简单地打开和关闭气体阀门.即使由于意外情况而长时间无介质运行或突然停机泵也不会因此而损坏.一旦超负荷,泵会自地动停机,具有自我保护性能,当负荷恢复正常后,又能自动启动运行;8、结构简单、易损件少,该泵结构简单,安装、维修方便,泵输送的介质不会接触到配气阀,联杆等运动部件,不象其他类型的泵因转子、活塞、齿轮、叶片等部件的磨损而使性能逐步下降:1 0、本泵无须用油润滑,即使空转.对泵也无任何影响,这是该泵最大特点。
气动隔膜泵型号参数及使用
概述
气动隔膜泵的原理其实很简单,就是利用压缩空气或其它介质将实际机械泵的腔体上下密封,从而在气缸上下来回活塞的作用下,上下的腔体被连续的完全通气和封闭,利用工作介质的重力推动,从而实现一次双向流动,从而达到连续、无死角、不变形的泵出液的目的。
气动隔膜泵通常由泵头和驱动部分组成,承受的压力一般为80-10bar,外壳采用不锈钢或其它不锈钢,主要用于高温、高压、有毒有害液体、易燃液体的输送,它的特殊特性可以让液体长期不发生混合、污染、腐蚀等,并且可以大量工作,减少维护和操作成本,使多种介质输送更加安全、稳定、高效。
特性
1、高效率:气动隔膜泵采用先进的流阀,可以有效地提高能量利用率,提高转速,提高系统的效率,有利于节能减排。
2、可维护性:气动隔膜泵可方便的维护,一般只要更换隔膜密封件就可以了,节省了维护成本。
3、体积小:气动隔膜泵采用先进的壳体设计,小巧精致,可以有效的减少外形尺寸,便于安装和运输。
4、耐腐蚀:气动隔膜泵采用ss316不锈钢材质制作,耐腐蚀性能非常优良,使用寿命可达20年以上。
隔膜式计量泵参数及性能一、隔膜式计量泵产品特点:1.可选择内部(手动)或外部控制方式2.多种材质的泵头选择:PPH、PVC、PTFE、316、3043.微电脑控制计量精确,10-100%频率调节流量4.具有连续不丢失存储器,无需电池5.自动电压补偿和过压保护6.可直接接入DCS或FCS系统,实现计算机远程控制二、隔膜式计量泵适用范围:1.电镀、线路板、化工行业污水处理2.金属、纺织、造纸行业生产过程中助剂添加3.电厂、钢铁、石化、锅炉系统化学药品添加4.游泳池水处理、反渗透系统、工业废水处理、各种工厂、实验室等等药液定量注入等.三、隔膜式计量泵技术参数:1.流量:1.0-150 L/H2.压力:10-1 MPa3.泵速:0-180 min-14.进出口径:6 mm●标配:泵头PVC PE软管φ6φ10电机380V 50Hz●选配:泵头304、316、PTFE、电机220V、110V、24V四、隔膜式计量泵原理:隔膜式计量泵系列产品原理特性是由电机通过涡轮蜗杆驱动的机械隔膜式计量泵,适用于低压场合的流体计量。
隔膜式计量泵利用柔性隔膜取代活塞,在驱动机构的带动下使隔膜作来回往复运动,改变泵腔容积,在泵进出口阀的作用下吸排液体。
隔膜式计量泵可按各种工艺流程的需要,流量可在0-100%范围内无级调节,定量输送不含固体颗粒的腐蚀性和非腐蚀行性液体,泵头配有多种过流材料(PPH、PTFE、PVC、PVDF、RPP、SS304、316、316L)。
隔膜式计量泵由于能用隔膜把过流液体与驱动润滑机构之间的完全隔离,采用高科技的结构设计,并使用最新型的PTFE与橡胶复合膜片,耐腐蚀强,大大的提高了膜片的使用寿命。
五、隔膜式计量泵型号意义及性能参数。
隔膜往复泵型号意义及参数上海阳光泵业作为国内一家著名的集研制、开发、生产、销售、服务于一体的大型多元化企业,上海阳光泵业制造有限公司一直坚持“以质量求生存、以品质求发展”的宗旨为广大客户提供优质服务!同时,上海阳光泵业一直专注于自身实力的提升以及对产品质量的严格把关,为此,目前不但拥有国内最高水准的水泵性能测试中心、完善的一体化服务体系、经验丰富的水泵专家,同时经过多年的发展,产品以优越的性能、精良的品质、良好的服务口碑获得各项专业认证证书和客户认可,成为上海往复泵厂家领跑者。
经过团队的不懈努力,上海阳光泵业在国内水泵行业已经取得了很大成就,位于往复泵品牌之首。
这样一家诚信为本、责任重于天的水泵行业佼佼者,对于水泵的维修、保养等各大方面都有自己独特的方法,下面就一起来看看吧!一、QBK隔膜往复泵产品概述:往复泵型号有很多,像QBK隔膜往复泵是第三代气动双隔膜泵,具有使用寿命长,不会停顿等优点,它既能抽送流动的液体,又能输送一些不易流动的介质,具有自吸泵、潜水泵、屏蔽泵、泥浆泵和杂质泵等输送机械的许多优点,并且往复泵价格十分合理。
1、不需灌引水.吸程高达5m.扬程达70m.出口压力≥6kg/cm2。
2、流动宽敞,通过性能好.允许通过最大颗粒直径达10mm。
抽送泥浆、杂质时,对泵磨损甚微;3、扬程、流量可通过气阀开度实现无级调节(气压调节在1—7kg/cm2之间):4、该泵无旋转部件,没有轴封,隔膜等抽送的介质与泵的运动部件、工件介质完全隔开,所输送的介质不会向外泄漏。
所以抽送有毒、易发挥或腐蚀性介质时,不会造成环境污染和危害人身安全;5、不必用电.在易燃、易爆场所使用安全可靠;6、可以浸没在介质中工作:7、使用方便、工作可靠、开停只需简单地打开和关闭气体阀门.即使由于意外情况而长时间无介质运行或突然停机泵也不会因此而损坏.一旦超负荷,泵会自地动停机,具有自我保护性能,当负荷恢复正常后,又能自动启动运行;8、结构简单、易损件少,该泵结构简单,安装、维修方便,泵输送的介质不会接触到配气阀,联杆等运动部件,9、可输送较粘的液体(粘度在1万厘泊以下):1 0、本泵无须用油润滑,即使空转.对泵也无任何影响,这是该泵最大特点。
几种常用隔膜泵的参数及型号隔膜泵是一种新型的压力泵,其结构简单、使用方便,适用于输送各种腐蚀性、致密性、粘度高的液体,是目前市场上应用最广泛的一种泵。
隔膜泵的型号和参数可以根据其用途来确定,以下是几种常用的隔膜泵型号及参数:1.QBK系列气动隔膜泵QBK系列气动隔膜泵是一种常用的隔膜泵型号,其参数如下:-流量范围:0-50m³/h-扬程范围:0-50m- 最高压力:8bar- 最大颗粒直径:10mm-温度范围:-15℃~120℃2.QBY系列气动隔膜泵QBY系列气动隔膜泵也是一种常用的隔膜泵型号,其参数如下:-流量范围:0-30m³/h-扬程范围:0-50m- 最高压力:8bar- 最大颗粒直径:6mm-温度范围:-15℃~120℃3.AODD系列气动隔膜泵AODD系列气动隔膜泵是一种高压高流量的隔膜泵型号,其参数如下:-流量范围:0-100m³/h-扬程范围:0-100m- 最高压力:16bar- 最大颗粒直径:15mm-温度范围:-15℃~150℃4.TEFEN系列电动隔膜泵TEFEN系列电动隔膜泵是一种电动驱动的隔膜泵型号,其参数如下:-流量范围:0-60m³/h-扬程范围:0-80m- 最高压力:15bar- 最大颗粒直径:8mm-温度范围:-10℃~120℃以上是几种常用的隔膜泵型号及参数,用户可以根据需求选择合适的型号进行购买和应用。
隔膜泵具有多种优点,如输送介质不会泄露、运行稳定、维护方便等,因此在化工、医药、食品等领域得到了广泛的应用。
希望以上信息能对您有所帮助。
气动隔膜泵型号及规格详解
1 隔膜泵
隔膜泵是一种能换压输送液体的设备,由动力源(如电动机)联接
泵头,控制马达,装配隔膜组构成,可以使获得事先所需的增压。
2 气动隔膜泵
气动隔膜泵是由内外壳,叶轮,隔膜组件和气动部件构成。
内外
壳安装了凸台,凹台和松套,隔膜组件可以安装在壳体上,由于隔膜在
气动作用下周期性放松和收紧,换压动作便由此发生。
气动隔膜泵具
有传动装置简单、可以调节介质及压力响应快、泵体温度低、结构紧凑、能输送腐蚀性的介质,以及造价较低,功耗较低等优点。
3 气动隔膜泵型号及规格
根据负责输送介质及承受压力,可以分为低压和中高压两大类。
中高压气动隔膜泵型号和规格有AMD19-85A、AMD19-110A、AMD19-132A、AMD19-160A等型号,输出对应为0.6~2.5MPa;低压气动隔膜泵型号
和规格有TPB20-119A、TPB20-146A、TPB20-173A、TPB20-200A等型号,输出对应为0.09~0.6MPa。
4 总结
气动隔膜泵具有传动装置简单、可以调节介质及压力响应快、泵
体温度低、结构紧凑等特点,系统安装之后即可实现对介质的换压功
能。
根据实际使用需要,气动隔膜泵分为低压系列和中高压系列,细分型号和规格让消费者在使用时可以选择最合适的产品。
气动隔膜泵型号参数及使用气动隔膜泵是一种利用压缩空气驱动的隔膜泵,采用空气驱动器来驱动隔膜泵工作。
它具有结构简单、无泄漏、耐腐蚀、灵活可靠、适用范围广等优点。
在工业生产中,气动隔膜泵常用于输送各种液体、混合物、半固体和高粘度液体。
1.泵体材质:气动隔膜泵的泵体材质通常分为铸铝、不锈钢、聚丙烯等多种材质。
铸铝材质适用于一般工业液体输送,不锈钢材质适用于腐蚀性液体输送,而聚丙烯材质适用于耐腐蚀性强的酸碱液体输送。
2.流量:气动隔膜泵的流量通常以立方米/小时或加仑/分钟等单位来表示。
流量大小取决于泵的尺寸和设计,一般流量范围在0.5-150立方米/小时或1.5-600加仑/分钟左右。
用户在选择时需要根据实际需求来确定所需流量。
3.扬程:气动隔膜泵的扬程通常以米或英尺来表示,它是泵能输送液体的最高高度。
扬程大小与泵的设计有关,一般扬程范围在50米左右。
4.最高温度:气动隔膜泵的最高温度参数指的是泵能够承受的最高工作温度。
这一参数在选择泵的时候尤为重要,因为不同液体的工作温度不同,如果超过泵的最高温度,则会对泵的正常工作产生影响。
5.最大颗粒直径:气动隔膜泵能输送的液体中可能会含有一些颗粒,最大颗粒直径就是指泵能够输送的最大颗粒直径。
这一参数通常为泵的设计参数,用户在选择时需要根据液体中颗粒的大小来确定。
6.进出口接口尺寸:气动隔膜泵的进出口接口尺寸即为连接管路的接口尺寸。
通常采用英寸或毫米来表示,根据用户实际需要选择合适的接口尺寸。
气动隔膜泵的使用方法相对简单,首先需要将泵的进出口与管路连接好。
然后通过控制气源的气压来驱动泵进行工作。
在使用过程中,需要定期检查泵的密封性能和气源系统的工作情况,保持良好的清洁状态,避免杂质进入泵内。
在使用液体有颗粒或高粘度液体时,需要特别注意对泵进行维护和清洗,以免颗粒或粘稠物堵塞泵体。
总结起来,气动隔膜泵的型号参数涵盖了泵体材质、流量、扬程、最高温度、最大颗粒直径和进出口接口尺寸等。
上海沈泉泵阀制造有限公司是集研究、开发、生产、销售和服务为一体的泵阀生产企业。
产品涉及工矿企业、农业、城市供水、石油化工、电站、船舶、冶金、高层建筑、消防供水、工业水处理和纯净水、食品、制药、锅炉、空调循环系统等行业领域。
一、不锈钢气动隔膜泵主要用途:1、隔膜泵吸花生酱、泡菜、土豆泥、小红肠、果酱苹果浆、巧克力等。
2、隔膜泵吸油漆、树胶、颜料。
3、粘合剂和胶水、全部种类可用泵吸取。
4、各种瓦、瓷、砖器及陶器釉浆。
5、油井钻好后,用泵吸沉积物及灌浆。
6、泵吸各种乳剂和填料。
.7、隔膜泵吸各种污水。
8、用泵为油轮,驳船清仓吸取仓内污水。
9、啤酒花及发酵粉稀浆、糖浆、糖密。
10、隔膜泵吸矿井、坑道、隧道、选矿、矿渣中的积水。
泵吸水泥灌浆及灰浆。
11、各种橡胶浆。
12、各种磨料、腐蚀剂、石油及泥浆、清洗油垢及一般容器。
13、各种剧毒、易燃、易挥发液体。
14、各种强酸、强碱、强腐蚀液体。
15、各种高温液体Z高可耐150℃。
16、作为各种固液分离设备的前G送压装置。
二、不锈钢气动隔膜泵产品简介:上海品牌厂家沈泉泵阀生产制造的生产的QBY系列气动隔膜泵是一种新型输送机械,采用压缩空气为动力源,对于各种腐蚀性液体,带颗粒的液体,高粘度、易挥发、易燃、剧毒的液体,均能予以抽光吸尽。
其性能参数与联邦德G的WLLDENPVMPS、美G的MARlOWPUMPS相近。
各行业不同工况QBY气动隔膜泵适用型号的选型及不同材质和配置下的价格问题欢迎致电24小时报价热线400-6656-887咨询2019年隔膜泵厂家直销价格,同时可提供外形尺寸、安装图纸,结构图纸、曲线图谱和安装尺寸等数据。
三、不锈钢气动隔膜泵技术参数:流量:0-30m3/h扬程:0-50m口径:10-100mm温度:-15-+120℃压力:0.1-0.7MPa自吸高度:5-7m气动隔膜泵应用实例1、油罐清底,尽管有垫水法抽油,也不能保证将油抽净,表面总要剩下至少3-5mm厚的油层。
隔膜泵型号意义及参数
上海阳光泵业作为国内一家著名的集研制、开发、生产、销售、服务于一体的大型多元化企业,上海阳光泵业制造有限公司一直坚持“以质量求生存、以品质求发展”的宗旨为广大客户提供优质服务!同时,上海阳光泵业一直专注于自身实力的提升以及对产品质量的严格把关,为此,目前不但拥有国内最高水准的水泵性能测试中心、完善的一体化服务体系、经验丰富的水泵专家,同时经过多年的发展,产品以优越的性能、精良的品质、良好的服务口碑获得各项专业认证证书和客户认可。
经过团队的不懈努力,上海阳光泵业在国内水泵行业已经取得了很大成就。
这样一家诚信为本、责任重于天的水泵行业佼佼者,对于水泵的维修、保养等各大方面都有自己独特的方法,下面就一起来看看吧!
一、QBY-B型气动隔膜泵产品概述:
本单位生产的QBY系列气动隔膜泵是一种新型输送机械,采用压缩空气为动力源,对于各种腐蚀性液体,带颗粒的液体,高粘度、易挥发、易燃、剧毒的液体,均能予以抽光吸尽。
其性能参数与联邦德国的WLLDENPVMPS、美国的MARlOWPUMPS相近,QBY气动隔膜泵是一种新型输送机械,采用压缩空气为动力源,对于各种腐蚀性液体,带颗粒的液体,高粘度、易挥发、易燃、剧毒的液体,均能予以抽光吸尽。
QBY气动隔膜泵既能抽送流动的液体,又能输送一些不易流动的介质,具有自吸泵、潜水泵、屏蔽泵、泥浆泵和杂质泵等瑜送机械的许多优点。
1、不需灌引水,吸程高达7M,扬程达50M,出口压力≥6kgf/cm2。
2、流动宽蔽,通过性能好,允许通过最大颗粒,直径达10mm抽送泥浆、杂质时,对泵磨损甚微。
3、扬程、流量可通过气阀开度实现无级调节。
(气压调节在1-7kg/cm2之间)。
4、该泵无旋转部件,没有轴封隔膜将抽送的介质与泵的运动部件,工作介质完全隔开,所输送的介质不会向外泄漏。
所以抽送有毒,易挥发或腐蚀性介质时,不会造成环境污染和危害人身安全。
5、不必用电,在易燃、易爆场所使用安全可靠。
6、可以浸没在介质中工作。
7、使用方便、工作可靠、开停泵只需简单地打开和关闭气体阀门,即使由于意外情况而长时间地无介质运行或突然停机,泵也不会因此而损坏,一旦超负荷,泵便会自动停机,具有自我保护性能,当负荷恢复正常以后,又能自动启动运行。
件,不象其他类型的泵因转子、活塞、齿轮、叶片等部件的磨损而使性能逐步下降。
9、可输送较粘的液体。
(粘度在1万厘泊以下)
10、本泵无须用油润滑,即使空转,对泵也无任何影响。
这是该泵一大特点。
二、QBY-B型气动隔膜泵技术参数:
流量:0-30m3/h;
扬程:0-50m;
口径:10-100mm;
温度:-15-+150℃;
压力:0.1-0.7MPa;
自吸高度:5-7m。
三、QBY-B型气动隔膜泵型号意义:
QBY-40
QBY - 气动隔膜泵;
40- 进出口直径(mm)。