LED帕灯使用说明
- 格式:doc
- 大小:54.00 KB
- 文档页数:1
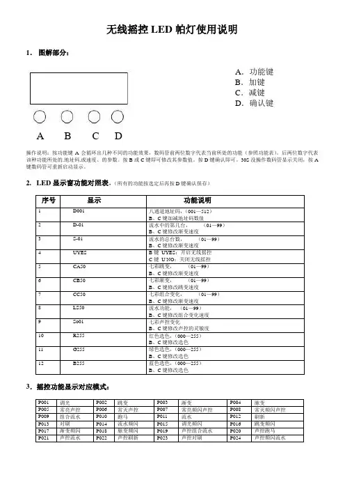
无线摇控LED帕灯使用说明
1.图解部分:
A.功能键
B.加键
C.减键
D.确认键
A B C D
操作说明:按功能键A会循环出几种不同的功能效果,数码管前两位数字代表当前所处的功能(参照功能表)。
后两位数字代表该种功能所处的.地址码.或速度、的参数。
按B或C键即可修改其参数值。
按D键确认即可。
30S没操作数码管显示关闭,按A 键数码管可重新启动显示。
2.LED显示窗功能对照表,(所有的功能按选定后再按D键确认保存)
3.摇控功能显示对应模式:
4.DMX512通道说明
5.摇控器数字按键使用说明
11键为流水开关11键打开时清空之前按键状态10键当流水开关打开时为声控开关关闭时为声控模式。
9键为频闪速度调节键1,2,3,4键为速度调节键
最新摇控功能带有记忆功能进入退出都会回到最后选中的程序功能目前最强大拥有速度单独调节频闪可组合声控多种功能流水可以单独选择模式,遥控功能数码管显示等独特效果。
54颗3合1全彩帕灯一、通道说明7通道模式(A001模式)通道功能说明CH1总调光R、G、B 总调光,由暗到亮CH2R 调光R 调光,由暗到亮CH3G 调光G 调光,由暗到亮CH4B 调光B 调光,由暗到亮CH5总频闪R、G、B 总频闪,由慢到快CH6功能选择0—50:CH1-CH5控制;51--100:常用颜色输出(8种);101—150:跳变;151—200:渐变;201—250脉变;251-255:声控CH7功能速度功能速度,由慢到快(颜色输出时为选色)3通道模式(d001模式)通道功能说明CH1R 调光R 调光,由暗到亮CH2G 调光G 调光,由暗到亮CH3B 调光B 调光,由暗到亮二、.按键图示:MENU:功能键UP:加键DOWN:减键ENTER:确认键三、显示说明序号内容数值范围功能及说明1A001001-512DMX512地址码设置,7通道模式2d001001-512DMX512地址码设置,3通道模式3r255000-255R 红色调光,由暗到亮。
4G255000-255G 绿色调光,由暗到亮。
5b255000-255B 蓝色调光,由暗到亮。
6FH9901-99频闪,速度由慢到快。
7CL0101-088种常用颜色输出。
8CC9901-99七彩跳变,由慢到快。
9DE9901-99七彩渐变,由慢到快。
10CP9901-99七彩脉变,由慢到快。
11SU0101-02模式:1-8为7彩频闪,9为7彩跳变四、技术参数输入电源:AC90~240V 宽电压范围输入光源:54pcs RGB 3in1LED 通道:7/3个DMX512控制通道可设定控制方式:声控\主从\自走变色\DMX512。
舞台灯光大功率LED帕灯使用说明一、产品概述二、产品特点1.高亮度LED光源:LED帕灯采用了高亮度的LED灯珠作为光源,提供清晰明亮的光线,确保出色的照明效果。
2.调光性能优秀:LED帕灯具备广泛的调光范围,可实现从0-100%的无级调光,满足不同场景的照明要求。
3.色彩鲜艳丰富:帕灯内置了多个色温可调的光源,通过混色系统能够混合出丰富多样的色彩效果,满足不同灯光需求。
4.独立控制系统:帕灯配备了独立的控制系统,可通过DMX控制信号或手动控制面板进行调光、变色等操作,方便快捷。
5.节能环保:LED帕灯采用高效节能的LED光源,比传统灯光设备的能效提高80%以上,有效节省能源,减少对环境的污染。
三、产品安装1.确保安全:在安装之前,请确保帕灯周围没有易燃物品或其他危险物,以保证安全。
2.固定安装:将帕灯的底座固定在所需安装的位置上,确保帕灯稳固可靠。
3.连接电源:将帕灯的电源线连接到电源插座上,确保灯具能够正常供电。
4.设置调光器:如果需要通过调光信号控制帕灯的亮度,则需要配置相关调光设备,并进行相应的设置。
四、产品使用1.打开电源:将帕灯的电源开关打开,并确保电源指示灯亮起,表示帕灯已经正常通电。
2.控制方式选择:根据需要选择帕灯的控制方式,可以通过DMX信号控制,也可以通过手动控制面板进行控制。
3.调节亮度:通过控制设备,将帕灯的亮度调节到所需的亮度,可以逐渐调整到满意的效果。
4.调节颜色:如果需要调节帕灯的颜色,可以通过控制设备选择相应的色温灯珠或通过混色系统进行色彩混合。
5.设置场景:根据实际演出需求,可通过调节帕灯的位置、角度和光束形状等,在舞台上创造出理想的灯光效果。
五、注意事项1.使用环境:LED帕灯适用于室内使用,使用时避免长时间暴露在潮湿、高温或腐蚀性气体的环境中。
2.避免震动:帕灯在使用过程中需要避免剧烈震动,以免影响照明效果或损坏设备。
3.防水防尘:帕灯具备较好的防水性能,但仍需避免水或灰尘进入灯具内部,以免影响正常使用。
产品特点>>外观说明>>使用方法>>技术参数>>注意事项>>清洁>>装箱清单>>1、由160颗高亮度贴片LED组成,经过严格人工筛选, 色温精确,寿命长达5万小时;2、外形精致,体积小,重量轻,便于携带;3、采用LED无热技术和恒流电路设计,确保在各种环 境下提供一致、稳定、准确的输出光源;4、10%到100% PWM数字集成调光,调光过程平滑、 稳定、无频闪;5、带LCD显示功能,包括色温、亮度和电量显示, 直观方便;6、采用LED侧面发光技术,输出光源柔和,无需增加 额外的柔光板;7、色温3200K到5600K无极可调,输出稳定、平滑、 无频闪;8、可用于室内外摄录、拍摄,人像摄影,婚纱摄影, 特别适合儿童拍摄。
1、此摄像灯正常情况下无需更换LED,请勿随意拆卸;2、非专业人士及无专业LED焊接技术的人员不得擅自 焊接LED灯珠;3、本品在不使用、需收藏时请卸下电池,以免误触开 关造成灯具长时间点亮或电池漏电造成损坏;4、请使用配套的电源适配器,以免造成故障;5、切勿暴露于雨水或潮湿之处;6、请保持本产品前面板的清洁;7、仅限在-10℃~40℃的温度范围内使用本产品。
1、请使用柔软的干布清洁本产品前面板。
若使用略微蘸 有中性洗涤剂溶液的软布进行清洁,则在清洁后请用 柔软的干布进行擦拭;2、请勿使用湿布、无水酒精、汽油或无水酒精与乙醚的 混合液等任何溶剂擦拭前面板,否则可能会对前面板 造成损坏。
图1 图2① 前面板 ② V型扣板 ③、⑧ 电池装卸按钮 ④ LCD显示屏⑤ 色温调节旋钮 ⑥ 圆型DC输入接口: 尺寸:5.5x2.1mm; 极性:⑦ 亮度调节旋钮 ⑨ 环柄1、将本品安装在灯光脚架或支架上,旋紧固定;松开 环柄两侧旋钮,调节灯光角度后,锁紧固定角度;2、在本品背面装索尼F型电池位置装上两节锂电池, 或在V型扣板位置加上SONY V型电池,或在DC输 入口接上标配适配器,打开电源开关即可正常工作 (注:以上三种供电方式为并联连接,请避免同时使 用两种及两种以上供电方式供电,以免发生电池保 护等故障);3、根据实际需求可同时调节亮度(10%—100%)和 色温(3200K—5600K);4、LCD显示屏右边显示电池剩余电量如下表所示:。
WM-2710
27颗四合一帕灯使用说明
广东万镁灯光科技有限公司
电话:
传真:
1.图解部分:
A.功能键
B.加键
C.减键
D.确认键
E.LED显示窗
A B C D
操作说明:按功能键A会循环出9种不同的功能效果,数码管前两位数字代表当前所处的功能(参照功能表)。
后两位数字代表该种功能所处的.地址码.或速度、的参数。
按B或C键即可修改其参数值。
按D键确认即可。
2.LED显示窗功能对照表,(所有的功能按选定后再按D键确认即可)
3
5.功能特点:
操作非常简单,人性化设计,调光无闪烁、抖动现象等。
可适应摄影,照相、电视台等对灯光要求严格的场合。
ChannelFunction InstructionCH1TotalDimmer RGBW Total Dimmer-Dark to Bright CH2R Dimmer Dimmer-Dark to Bright CH3G Dimmer Dimmer-Dark to Bright CH4B Dimmer Dimmer-Dark to BrightCH5W Dimmer Dimmer-Dark to BrightCH6Total StrobeRGBW Total Flash Strobe-Slow to Fast CH7Function Choice0~50:DMX 8CH Control.51~100:Different Colors Output 101~150:Colors Jump Change.151~200:Colors Gradate.201~250:Colors Pulse Change.251~255:Sound-ActiveCH8Function/SpeedSlow to Fast (Sensitivity of Sound)54*3W LED RGBW Par Light IndoorUse Manual=========PROFESSIONAL LIGHTING EQUIPMENT========Thankyou for using our company’s products.For your own safety,please ready thisuser manual carefully before installing the device.This manual covers the important information of installing and using.Please install and operate following the manual book. Meanwhile,please keep this manual well for using at anytime.☞CAUTIONPlease read this instruction carefully before installation:1.Inspect the device carefully before installation in case of loose for transportation maintenance regularly.2.Don’t put the product on the shakable or moist place.3.Please keep the voltage stable,otherwise the bulb would be broken easily.4.Check the voltage before turning on lamp.While power down,it needs15minutes to cool before reconnecting the power.5.To guarantee the lifespan of product,please keep in dry and cool.Avoid working on40℃or above.6.Disconnect the power before installation or removing.In case of malfunction,ask professional technician to repair.(Check Fuse tube first).☞MAINTAIN1.The lamps should be kept dry to avoid working in wet environments2.Intermittent use would effectively extend the lamp life.3.In order to obtain good ventilation and lighting effects,to pay attention to regular cleaning fan,fan network,and lens.4.Do not use alcohol and other organic solvents to clean the housing,so as to avoid injury.☞SPECIFICATIONVoltage:AC100~240V/50~60HzLight-Source:54pcs3W RGBW LEDChannels:8CH DMXPower Consumption:180WShow:Digital TubeControl Mode:Sound-Active.Master-Slave.Auto Running.DMX512☞KEYS INSTRUCTION 1.Press MENU Can circulate11different functions.The front2Digits mean the function it has.(Please see the function form as follow.)And the last2Digits mean the function’s address,speed or parameter.Press UP or DOWN can change the value. And press ENTER to confirm.2.Press MENU more than2sec.The2Digit number will flash.Then press UP or DOWN can change the value quickly.Then press the ENTER to save the value you want.If you don’t want to save the value,presses MENU more than2sec.is okay.☞DIGITAL SHOW FUNCTION FORMNo Show Function Instruction1d001DMX Address(001~512)UP、DOWN increase or reduce thevalue2FH99Strobe flash(01~99)UP、DOWN Change the speed3r255Red(000~255)UP、DOWN Change brightness4G255Green(000~255)UP、DOWN Change brightness5b255Blue(000~255)UP、DOWN Change brightness6u255White(000~255)UP、DOWN Change brightness7CL01Different Colors Output(01~08)UP、DOWN Change brightness8CC99Colors Jump Change(01~99)UP、DOWN Change the speed9DE99Colors Gradate(01~99)UP、DOWN Change the speed 10CP99Colors Pulse Change(01~99)UP、DOWN Change the speed 11BE01Colors sound-Active(01~02)UP、DOWN Change the effects。
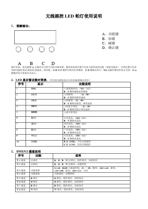
LED帕灯使用说明1.图解部分:A.功能键B.加键C.减键D.确认键A B C D操作说明:按功能键A会循环出几种不同的功能效果,数码管前两位数字代表当前所处的功能(参照功能表)。
后两位数字代表该种功能所处的.地址码.或速度、的参数。
按B或C键即可修改其参数值。
按D键确认即可。
30S没操作数码管显示关闭,按A 键数码管可重新启动显示。
2.LED显示窗功能对照表,(所有的功能按选定后再按D键确认保存)序号显示功能说明1 D001 八通道地址码,(001—512)B、C键加减地址码数值2 D-01 流水中的第几台,(01—99)B、C键修改渐变速度3 S-01 流水的总台数,(01—99)B、C键修改渐变速度4 CA50 七彩跳变,(01—99)B、C键修改渐变速度5 CB50 七彩渐变,(01—99)B、C键修改跳变速度6 CC50 七彩组合变化,(01—99)B、C键修改渐变速度7 LS50 流水功能,(01—99)B、C键修改组合变化速度8 So01 七彩声控变化B、C键修改声控的灵敏度9 R255 红色选色,(000—255)B、C键修改选色10 G255 绿色选色,(000—255)B、C键修改选色11 B255 兰色选色,(000—255)B、C键修改选色12 W255 白色选色,(000—255)B、C键修改选色3.DMX512通道说明序号功能说明第1通道总调光R、G、B、W总调光,线性调光,由暗到亮第2通道总频闪R、G、B、W总频闪,由慢到快第3通道功能选择0—39:DMX八通道控制;40--79:跳变;80—119:渐变;120—159:脉变;160—199:流水;200—255:声控第4通道功能速度功能速度,由慢到快第5通道R调光R调光,线性调光,由暗到亮第6通道G调光G调光,线性调光,由暗到亮第7通道B调光B调光,线性调光,由暗到亮。
舞台灯光大功率LED帕灯使用说明舞台灯光
使用说明
本灯具已包含光源,按产品名牌上标明的电源电压要求,接通电源瞬间即可发光.此后通过专用控制台控制亮灯效果,光源正常使用过程中无须更换.如一盏灯具中发生多个光点不亮时,可进行维修。
1.技术指标
型号:FT-363W 电源电压:AC 220V
灯泡出光角:25° LED功率:120 W
控制信号:DMX512信号(六个通道)外壳材料:黑色铁质材料
光通量:绿:120~130lm 红:40~50lm 蓝:25~35lm
应用场所:宾馆,饭店,写字楼,办公及娱乐场所,婚庆照明等.
1.LED系列筒灯特点:
2.使用寿命超长,维护成本极低
3.功耗低,高亮度,不发烫,低压电路与市电完全隔离。
4.无紫外线和红外线,无闪烁,对眼睛和皮肤无任何危害;
5.安装灵活方便;
6.光色有红,绿,蓝三色.通过控制台可混合成各种颜色。
7.规格说明本灯具系采用36颗3W大功率LED作为光源(红绿蓝各12只),配以
隔离的AC-DC恒流驱动电源。
外形尺寸:宽320mm高320mm(带提手)厚115m 净重:4KG
6.通道定义
闪;CA11:蓝绿频闪;CA12:绿光频闪;CA13:红光频闪;CA14:蓝光频闪;
CA15-CA99:白光。
3 CC00 白光频闪(按UP或DOWN改变频闪速度,共01~99级。
)
4 CE00 蓝,红,绿,绿红,蓝红,绿蓝,白交替变换。
54颗(防水)LED帕灯使用说明书使用前请仔细阅读说明书目录第1章产品概述 (2)1.技术参数 (2)2.灯具外形尺寸 (2)第2章注意事项与安装 (3)1.维护保养 (3)2.声明 (3)3.注意事项 (3)4.灯具安装 (4)第3章通道描述 (5)1.通道说明 (5)2.按键操作 (5)3.显示说明 (6)第1章产品概述1.技术参数输入电压:AC90-240V,50/60Hz额定功率:200W光源:54pcs RGBW LED色温:3200K-7800k灯珠寿命:60000小时频闪/调光:0-100%线性调节出光角度:8°15°,25°,45°(出光角度可供选择)控制方式:单机、主/从、声控、,自走效果、自动淡入淡出效果通道:4/8CH其他功能:RGBW(红、绿、蓝、白、)线性混色,内置宏功能,混色均匀,性能稳定;灯具采用具有PFC功率,因数校正的开关电源,PF﹥0.99效率高达90%,真正绿色环保。
LED采用静态恒流驱动方式,恒流精度高,无闪烁。
外壳:铸铝外壳,灯体黑色及白色。
防护等级:IP65应用环境:-20~+40℃散热:无风扇,自然散热灯体尺寸:340×210×295mm灯体重量:6kg2.灯具外形尺寸第2章注意事项与安装1.维护保养本灯具应保持干燥,避免在潮湿环境下工作。
间歇性的使用会有效地延长本灯具的寿命。
为了获得良好的通风效果和灯光效果,要注意经常清洁风扇和风扇网以及透镜。
请勿用酒精等有机溶剂擦试灯具外壳,以免造成损坏。
2.声明本产品在出厂进时,性能完好,包装完整。
所有使用者应严格遵守以上所陈述的警告事项和操作说明,任何因误用而导致的损坏不在本公司的保证之内,对忽视操作手册而导致的故障和问题亦不在经销商负责的范围内。
本手册如有技术改动,恕不另行通知。
3.注意事项该产品只适用于专业使用,不适用于其它用途,使用这种产品应注意火热电冲击,紫外线辐射,灯泡爆炸或脱落引起的严重或致命损伤。
无线摇控LED帕灯使用说明
一、介绍
无线摇控LED帕灯,是一款可以通过无线遥控器控制的LED灯,它可
以模拟不同的光照效果,无需拆卸安装,可以轻松安装在任何地方,添加
了智能调光功能,使照明效果更加柔和,并且能够适应多种照明环境,从
而提供更好的照明效果。
二、性能优势
1、无线摇控LED帕灯可以调节灯的亮度,可以根据实际需要调节亮度,节省能源、提高照明效果;
2、安装方便、灵活,无需拆卸安装,可以轻松安装在任何地方;
3、多种光源的组合,可以根据环境光的变化,通过调节LED帕灯的
光源组合,实现照明效果的变化;
4、实时控制,可以通过远程遥控器或智能手机,实现对无线摇控
LED帕灯的实时控制;
5、节能环保,无线摇控LED帕灯采用LED光源,能效高、节能环保,可以有效减少噪音、电磁干扰;
6、安全性高,无线摇控LED帕灯采用特殊的防水及抗静电设计,具
有良好的安全性,能够有效保护用户的安全。
三、使用方法
1、安装:无线摇控LED帕灯可以轻松安装在任何地方,无需拆卸安装,在安装之前,请先确保设备的正确安装,避免安装过程中受到潮湿或摩擦损坏,并且,在安装好之后,请将帕灯的底部固定和加固。
led帕灯说明书
1. 请按照厂家的指示确保正确的使用灯具,确保安全环境。
2. 在连接电源之前,请先确定电压,以防电压过高或损坏灯具。
3. 若因设备故障或其它原因,导致自动保险被切断或拉出,请勿再
使用,应当及时送回服务点检查。
4. 建议使用定时器和定功率表达式Leds,以避免过大负载,以免损
伤灯具或提供一个不好的外观。
5. 对使用灯具具有一定的技术知识,建议使用专业电工安装或检修。
6. 建议使用厂家推荐的控制器,以避免电路损坏及增加灯具的寿命。
7. 禁止直接连接电源,会导致灯具损坏,请使用控制器进行控制。
8. 当有人在房间活动时,可以打开灯,但请勿高亮度使用以防灯具
过热。
9. 清洁帕灯时,禁止使用烈性清洁剂,以免破坏灯具表面。
LED帕灯使用说明1.图解部分:A.功能键B.加键C.减键D.确认键A B C D操作说明:按功能键A会循环出几种不同的功能效果,数码管前两位数字代表当前所处的功能(参照功能表)。
后两位数字代表该种功能所处的.地址码.或速度、的参数。
按B或C键即可修改其参数值。
按D键确认即可。
30S没操作数码管显示关闭,按A 键数码管可重新启动显示。
2.LED显示窗功能对照表,(所有的功能按选定后再按D键确认保存)序号显示功能说明1 D001 八通道地址码,(001—512)B、C键加减地址码数值2 D-01 流水中的第几台,(01—99)B、C键修改渐变速度3 S-01 流水的总台数,(01—99)B、C键修改渐变速度4 CA50 七彩跳变,(01—99)B、C键修改渐变速度5 CB50 七彩渐变,(01—99)B、C键修改跳变速度6 CC50 七彩组合变化,(01—99)B、C键修改渐变速度7 LS50 流水功能,(01—99)B、C键修改组合变化速度8 So01 七彩声控变化B、C键修改声控的灵敏度9 R255 红色选色,(000—255)B、C键修改选色10 G255 绿色选色,(000—255)B、C键修改选色11 B255 兰色选色,(000—255)B、C键修改选色12 W255 白色选色,(000—255)B、C键修改选色3.DMX512通道说明序号功能说明第1通道总调光R、G、B、W总调光,线性调光,由暗到亮第2通道总频闪R、G、B、W总频闪,由慢到快第3通道功能选择0—39:DMX八通道控制;40--79:跳变;80—119:渐变;120—159:脉变;160—199:流水;200—255:声控第4通道功能速度功能速度,由慢到快第5通道R调光R调光,线性调光,由暗到亮第6通道G调光G调光,线性调光,由暗到亮第7通道B调光B调光,线性调光,由暗到亮。
舞台灯光大功率LED帕灯使用说明一、产品概述二、产品特点1.高亮度:采用高亮度LED光源,亮度比传统灯光高出数倍。
2.节能环保:LED光源具有低能耗、低发热、低辐射等特点,节约能源,减少对环境的污染。
3.色彩丰富:可调节灯光的亮度和色温,可呈现出丰富多彩的灯光效果。
4.抗震性强:采用优质的材料和结构设计,具有较好的抗震性能,适用于各种恶劣环境。
5.易于安装:帕灯设计紧凑,重量轻,便于安装和携带。
三、产品规格1.电压:AC100V-240V,50/60Hz。
2.功率:100W/200W/300W,可根据实际需求选择。
3.光源:采用高亮度LED光源,颜色可根据实际需求定制。
4.角度:灯光角度可通过灯头的角度调节来改变,范围为0°-180°。
5.控制方式:可通过DMX512控制台或手动调节来调节灯光的亮度和色温。
四、产品使用方法1.准备工作将帕灯放置在平稳、通风的地方,并确保灯光发射方向不会对人眼造成直接照射。
将帕灯的电源线插入电源插座,并打开电源开关。
2.灯光调节通过DMX512控制台:将帕灯与DMX512控制台连接,调节控制台的亮度和色温参数,可以实现对灯光的精确控制。
通过手动调节:可通过灯头上的旋钮来调节灯光的亮度和色温。
顺时针旋转可增加亮度和暖色调,逆时针旋转则减小亮度和增加冷色调。
3.光源更换当LED光源损坏或寿命结束时,需要更换新的LED光源。
先关闭电源开关,拆下灯头的保护罩,取下旧的LED光源,再安装新的LED光源,并确保灯光接触良好。
五、注意事项1.使用前,请先阅读并理解本使用说明书,确保正确使用设备。
2.使用过程中,应避免将灯光直接照射到人眼,以免对视力造成伤害。
3.使用过程中,应避免将帕灯暴露在潮湿或高温等恶劣环境中,以免影响使用效果和寿命。
4.不要用力过大旋转灯头上的旋钮,以免损坏调节装置。
5.当不使用时,请关闭电源开关,以节约电能和延长使用寿命。
6.如需更换灯光,应使用同型号同规格的LED光源,避免自行拆卸和更换。
LED帕灯使用说明第一部分:产品概述1.1产品简介1.2主要特点1.2.1高亮度:LED帕灯采用高亮度LED芯片,具有较强的光亮度,能够提供明亮的照明效果。
1.2.2高能效:LED帕灯的能耗较低,能够提供较高的能效,节约用电成本。
1.2.3长寿命:LED帕灯采用优质的LED芯片和散热结构,具有较长的使用寿命,减少更换维护频率。
第二部分:安装说明2.1安装前准备2.1.1检查产品外包装是否完好,确认产品无损坏或缺件。
2.1.2确保安装地面平整,无障碍物,并可以承受LED帕灯的重量。
2.2安装步骤2.2.1将LED帕灯放置在安装位置上,调整合适的角度和方向。
2.2.2使用螺丝刀将LED帕灯固定在安装地面上,保证稳定性。
2.3电源连接2.3.1将LED帕灯的电源线连接到交流电源插座上,确认电源线连接稳固。
2.3.2确保电源线无损坏,不与尖锐物接触。
第三部分:使用说明3.1开关操作3.1.1打开LED帕灯的开关,即可启动照明功能。
3.1.2关闭LED帕灯的开关,即可停止照明功能。
3.2调节亮度3.2.1LED帕灯一般具有亮度调节功能,根据需要可通过调节设备上的旋钮或按钮来改变亮度。
3.2.2调节亮度时应避免过度调节,以免影响光线稳定性和节能效果。
3.3维护与保养3.3.1定期清洁:使用柔软的布清洁灯罩和散热孔,防止灰尘积聚影响散热效果。
3.3.2定期检查:检查电源线是否受损,是否松动,及时修复或更换。
3.3.3注意防水:如果LED帕灯放置在室外场所,请确保防水措施可靠,以保证产品正常工作。
第四部分:注意事项4.1本产品为电器产品,请勿将其接入电源时进行拆解或修改。
4.2使用过程中应注意防止水或其他液体进入产品内部,以免发生电气故障。
4.3禁止用湿手触摸LED帕灯或连接电源。
4.4使用本产品时请遵守国家相关法律法规,避免使用于违法活动。
第五部分:故障处理5.1故障现象:LED帕灯无法正常启动。
5.1.1可能原因:电源线接触不良。
54颗3W LED 帕灯一、通道说明8通道模式(A001模式通道功能说明CH1总调光R、G、B、W 总调光,由暗到亮CH2R 调光R 调光,由暗到亮CH3G 调光G 调光,由暗到亮CH4B 调光B 调光,由暗到亮CH5W 调光W 调光,由暗到亮CH6总频闪R、G、B、W 总频闪,由慢到快CH7功能选择0—50:CH1-CH6控制;51--100:常用颜色输出(8种;101—150:跳变;151—200:渐变;201—250脉变;251-255:声控CH8功能速度功能速度,由慢到快(颜色输出时为选色二、.按键图示:MENU:功能键UP:加键DOWN:减键ENTER:确认键三、显示说明序号内容数值范围功能及说明1d001001-512DMX512地址码设置,4通道模式2A001001-512DMX512地址码设置,8通道模式3r255000-255R 红色调光,由暗到亮。
4G255000-255G 绿色调光,由暗到亮。
5b255000-255B 蓝色调光,由暗到亮。
6u255000-255W 白色调光,由暗到亮。
7FH9901-99频闪,速度由慢到快。
8CL0101-088种常用颜色输出。
9CC9901-99七彩跳变,由慢到快。
10DE9901-99七彩渐变,由慢到快。
11CP9901-99七彩脉变,由慢到快。
12SU0101-02模式:1-8为7彩频闪,9为7彩跳变表(一数码管显示窗功能对照表四、技术参数输入电源:AC90~240V 宽电压范围输入光源:54pcs 3W RGBW LED 通道:8个DMX512控制通道可设定控制方式:声控\主从\自走变色\DMX512。
54颗3W LED 帕灯一、通道说明8通道模式(A001模式通道功能说明CH1总调光R、G、B、W 总调光,由暗到亮CH2R 调光R 调光,由暗到亮CH3G 调光G 调光,由暗到亮CH4B 调光B 调光,由暗到亮CH5W 调光W 调光,由暗到亮CH6总频闪R、G、B、W 总频闪,由慢到快CH7功能选择0—50:CH1-CH6控制;51--100:常用颜色输出(8种;101—150:跳变;151—200:渐变;201—250脉变;251-255:声控CH8功能速度功能速度,由慢到快(颜色输出时为选色二、.按键图示:MENU:功能键UP:加键DOWN:减键ENTER:确认键三、显示说明序号内容数值范围功能及说明1d001001-512DMX512地址码设置,4通道模式2A001001-512DMX512地址码设置,8通道模式3r255000-255R 红色调光,由暗到亮。
4G255000-255G 绿色调光,由暗到亮。
5b255000-255B 蓝色调光,由暗到亮。
6u255000-255W 白色调光,由暗到亮。
7FH9901-99频闪,速度由慢到快。
8CL0101-088种常用颜色输出。
9CC9901-99七彩跳变,由慢到快。
10DE9901-99七彩渐变,由慢到快。
11CP9901-99七彩脉变,由慢到快。
12SU0101-02模式:1-8为7彩频闪,9为7彩跳变表(一数码管显示窗功能对照表四、技术参数输入电源:AC90~240V 宽电压范围输入光源:54pcs 3W RGBW LED 通道:8个DMX512控制通道可设定控制方式:声控\主从\自走变色\DMX512。