锚杆框格梁护坡施工技术方案
- 格式:docx
- 大小:116.06 KB
- 文档页数:13
锚杆框架梁施工方案一、工程概况K82+096~K82+179主线右侧,地层构成为薄层的全风化花岗片麻岩、强风化花岗片麻岩,以及中风化花岗片麻岩和微风化花岗片麻岩。
坡脚为卵石和强风化花岗片麻岩。
该段边坡设计采取锚杆框架梁的工程治理措施,框架内采用GES生态袋植草防护。
K82+096~K82+179主线右侧边坡坡率为1:0.5,锚杆框架梁设计高度为10米,采取Φ32锚杆框架梁防护。
锚杆框架每片框架长度15m,由6根横梁和5根肋柱连接组成,肋柱间距3m,横梁、竖肋截面尺寸为0.3m×0.3m,在结点处设置锚杆,锚杆下倾角25°,钻孔直径Φ90mm,钻孔长度为12.4m,锚杆长度为12m。
地梁要埋入岩体中30cm,框架及地梁用C25砼浇筑。
二、施工准备1.材料(1)杆体材料选用Φ32钢筋,要求钢筋表面顺直、无锈蚀。
(2)水泥浆体材料:水泥选用普通硅酸盐水泥,细骨料应选用粒径小于2mm的中细砂。
采用符合要求的水质,不使用污水,不使用PH值小于4的酸性水。
(3)试验准备:锚杆材料性能试验、钢筋性能试验;粗、细集料性能试验;砂浆、混凝土配合比试验。
2.作业条件(1)在锚杆施工前,根据设计要求、土层条件和环境条件,合理选择施工设备、器具和工艺方法。
(2)根据设计要求和机器设备的规格、型号,平整出保证安全和足够施工的场地。
(3)施工前,认真检查原材料型号、品种、规格及锚杆各部件的质量,并检查原材料和主要技术性能是否符合设计要求。
(4)施工测量放样:防护工程施工紧跟路堑开挖施工进行,根据路堑设计开挖坡面,放出边坡平台位置,根据设计要求和围岩情况,定出钻孔孔位,做出标记。
三、施工工艺1.钻孔(1)钻孔前,根据设计要求和土层条件,定出孔位,做出标记。
(2)作业面场地要平坦、坚实、有排水沟,场地宽度大于4m。
(3)钻机就位后,保持平稳,导杆或立轴与钻杆倾角一致,并在同一轴线上。
使钻机倾角为25°,并将钻机固定。
锚杆格子梁施工方案锚杆格子梁施工方案一、工程概况本工程为锚杆格子梁施工项目,主要包括基坑开挖、土方回填、基础浇筑、锚杆安装、格子梁浇筑等主要工序。
整个工程的目标是确保施工质量,保证工期进度,同时注重施工安全。
二、施工方案1. 基坑开挖:根据设计图纸要求,用挖掘机进行基坑开挖,保证基坑的平整度和立面的垂直度,同时注意挖掘机的安全操作,避免对周边环境和建筑物造成不必要的损害。
2. 土方回填:基坑开挖完毕后,将坑内的土方回填,采用振动夯实法进行土方回填,保证土方的密实度和稳定性。
3. 基础浇筑:在基坑回填完毕后,进行基础的浇筑,采用混凝土搅拌机进行混凝土的拌和和运输,然后使用混凝土泵进行浇筑,保证基础的牢固性和稳定性。
4. 锚杆安装:在基础浇筑完毕后,进行锚杆的安装,根据设计要求将锚杆嵌入基础中,保证锚杆的稳定性和质量。
在安装过程中,要注意锚杆的垂直度和水平度,并进行必要的修正和调整。
5. 格子梁浇筑:在锚杆安装完毕后,根据设计要求进行格子梁的浇筑,采用模板支撑和现浇混凝土工艺进行施工,保证格子梁的强度和稳定性。
在浇筑过程中,要注意混凝土的拌和和浇筑质量,做好温度和湿度的控制,避免出现裂缝和质量问题。
三、施工注意事项1. 施工前要进行现场勘察和设计论证,确保施工方案的可行性和合理性。
2. 进行施工前要组织专业的施工人员和设备,确保施工过程的顺利进行。
3. 进行施工过程中要严格按照设计图纸和施工规范进行施工,遵守相关安全操作规程,确保施工质量和安全。
4. 施工过程中要进行必要的检测和监管,及时发现和处理施工中的问题和隐患,确保施工的顺利进行。
5. 施工完毕后要进行必要的验收和检测,确保施工质量符合要求和标准,同时做好结算和保养工作,保证工程的质量和使用寿命。
通过以上的工程施工方案,可以确保锚杆格子梁施工项目的顺利进行,保证施工质量和安全,同时保证工程的质量和使用寿命。
在施工过程中要严格按照相关的规定和要求进行施工,并根据实际情况进行必要的调整和修正,确保施工的顺利进行。
锚杆框格梁护坡施工技术方案一.前言护坡工程作为城市建设中的重要组成部分,对城市的环境质量及美化程度起到重要的作用。
而护坡工程中,锚杆框格梁护坡的施工技术更是颇受关注,因为它既能有效地保护坡面,又能起到美化环境的作用,更是在城市建设中得到广泛应用。
因此,在施工中,技术方案的制定至关重要,本文将对锚杆框格梁护坡施工技术方案进行详细阐述。
二.基本介绍锚杆框格梁护坡是一种结构简单的坡面保护工程方法,该工程主要用于防止自然因素和人为因素损坏坡面,同时还能起到美化环境的作用。
锚杆框格梁护坡的主要施工材料有梁、框格、锚杆、钢筋等,它们的互相配合是实现该工程的关键。
下面将详细介绍锚杆框格梁护坡的施工技术方案。
三.施工步骤步骤一:清理坡面在施工之前,需要对坡面进行全面清理。
这里的清理包含了草木等杂物的处理、待清除的碎石、淤泥、泥沙的疏通,以及平整坡面等。
全面清理能保证锚杆框格梁护坡与坡面的贴合度,避免因细微的隙缝而导致施工质量的不好。
步骤二:测量坡面尺寸在清理坡面后,需要对坡面尺寸进行测量,以便进行后续的设计和施工。
步骤三:设计施工方案根据测量结果进行施工方案的设计,其中需要涉及到梁、框格、锚杆、钢筋等材料的选择和其数量的配置。
步骤四:固定锚杆在施工前需要将锚杆固定在坡面上,初步以锚杆之间相互距离不超过2.5m为宜。
在锚杆固定时,需要确保锚杆的垂直度和水平度都得到了保证,避免可能存在的施工误差。
步骤五:设置支架在锚杆被固定后,需要设置支架,支架的设置是为了防止锚杆变形。
支架的设置要尽可能均匀,以保证各个部位的压力分布均匀,从而避免出现易损坏的部位。
步骤六:加固集肤在连续加固锚杆之后,需要对集肤进行加固。
在加固时,需要控制好往集肤内壁中修建的混凝土厚度,以保证混凝土密度和混凝土的质量。
加固完集肤后,可以进入下一步施工。
步骤七:钢筋加固在加固集肤之后,需要对钢筋进行加固。
加固钢筋需要注意加固时的按规范设定的最小弯曲半径以及扎钢筋的位置,从而确保加固钢筋与坡面紧密贴合,以免出现断裂情况。
锚索施工技术方案一、地质情况和施工要求1、地质和气侯条件K37+580-K37+655段右侧边坡位于建联村大桥乐英岸桥头,挖方边坡主要是河流冲积层的砂砾卵石层、泥岩纯砂层组成,中部夹有30~50cm左右厚的纯砂层,砂卵砾石层异常松散,遇物体打击可出现局部垮塌。
场地位于四川盆地西南缘向川藏高原的过渡的山区,地形崎岖,断崖绝壁处处可见,沟谷深切,河谷高程在820~850m,两侧山峰海拔高程多在1000~3500m,河谷两侧岸坡陡峻,属高中山地貌区。
测区一般海拔标高820~980m,相对高差大于610m,谷内为侵蚀堆积地貌,呈条带状展布。
岸坡地势稍陡,上部为第四系全新统坡洪积卵石土,下部为古生界二迭系下统栖霞组、茅口组(P1q+m)中厚层状灰岩,岩层产状:110°∠55°,场区地震动峰值加速度0.20g,地震动反应谱特征周期为0.35s,对应地震基本烈度为Ⅷ度。
该处设计上采用锚索框格梁+主动网植草护坡。
2、工程特点(1)本段锚索+主动网施工工序复杂多样,在高边坡上作业,施工工作面大,属高空作业,危险系数大,安全防治工作难度大。
(2)施工场地布置,施工安全管理、工程质量控制工作、施工前后工序组织安排等是本工程施工管理的关键。
(3)本工程边坡多是河流冲积层的砂卵砾石层,异常松散,遇雨易崩解塌方,必须及时防护。
(4)经常出现不可预测的突发事故,工程质量难以控制,同时来不及采取任何安全防患措施。
(5)从外观地形地貌很难判断高边坡是否稳定。
3、施工要求和技术保证条件(1)施工要求:①工程责任明确,高度重视,落实到位,不能把防护当做附件工程。
②施工技术交底到位。
(2)技术保证条件:①施工总的原则:开挖一级、防护加固一级;逐级开挖,逐级防护。
②对高边坡地下水足够重视,完善综合排水设施。
③施工开挖过程中随时进行地质核查,对边坡稳(滑坡)定性进行施工监测。
发现实际地质情况与设计不符时,或地质有异常变化是,立即通报有关部门。
高边坡预应力锚索框梁或锚杆格梁防护施工方案及方法一、方案设计1.确定防护对象:高边坡预应力锚索框梁或锚杆格梁。
2.确定防护目标:防止高边坡梁体受到外力破坏,保证梁体的稳定性和安全性。
3.研究边坡的地质条件、土壤力学、浸淫水情况等,评估边坡的稳定性和潜在的风险。
4.进行预应力计算,确定最佳的预应力锚索布置方案。
5.确定适当的预应力锚索材料和规格。
二、材料和设备准备1.预应力锚索材料:包括锚索和锚索端头,根据设计方案选购适当材料。
2.预应力锚索设备:包括锚索张拉设备、张拉器和锚具等。
3.钢筋和混凝土材料:根据梁体的设计要求购买足够的钢筋和混凝土。
4.所需的辅助设备和工具:如起重机、卷扬机、挖掘机、打地锚机等。
三、施工步骤1.梁体施工:按照设计要求,先进行梁体的搭模和钢筋绑扎工作,然后进行混凝土的浇筑和养护。
2.预应力锚索施工:根据梁体的设计要求和锚索布置方案,进行预应力锚索的布置工作。
首先,在梁体两侧的边坡上挖掘锚孔,并进行清理和处理。
然后根据设计要求,安装锚孔套筒,并固定预应力锚索。
在锚索两端安装张拉器和锚具,并进行张拉调整。
最后,进行预应力锚索的锚固和防护措施。
3.高边坡的防护施工:根据边坡的具体情况,采取适当的防护措施。
可以选择进行护坡砌筑、护坡植被、喷涂护坡等工作,以增加边坡的稳定性和防止水土流失。
四、质量控制1.施工方案和设计方案的符合性检验:核对施工方案和设计方案,确保符合工程要求。
2.施工现场的安全控制:确保施工现场的安全,做好防护措施。
3.材料的质量控制:选择合格的材料,保证质量符合要求。
4.施工工艺的质量控制:按照施工工艺要求进行施工,避免施工缺陷。
5.相关试验和检测:对关键工程部位进行必要的试验和检测,确保施工质量合格。
五、验收和保养1.完成施工后,对整个工程进行验收,确保施工质量符合设计要求。
2.对预应力锚索部分进行保养和维护,定期检查锚孔套筒和锚具的情况,并做相应的修复和更换工作。
锚杆框格梁护坡施工技术方案(大全五篇)第一篇:锚杆框格梁护坡施工技术方案一、锚杆的施工1、锚杆孔测量放线按设计立面图要求,在锚杆施工范围内,起止点用仪器设置固定桩,中间视条件加密,并应保证在施工阶段不得损坏。
其它孔位以固定桩为准钢尺丈量,全段统一放样,孔位误差不得超过±50 mm。
测定的孔位点,埋设半永久性标志,严禁边施工边放样。
竖梁的具体长度可根据实际边坡高度确定,但锚杆的位置须按等分坡面的长度进行放样,其间距可适当调整。
如遇既有刷方坡面不平顺或特殊困难场地时,需经设计监理单位认可,在确保坡体稳定和结构安全的前提下,适当放宽定位精度或调整锚孔定位。
2、钻孔设备钻孔机具的选择,根据锚固地层的类别、锚杆孔径、锚杆深度、以及施工场地条件等来选择钻孔设备。
岩层中采用MG-50锚杆钻机钻孔成孔;在岩层破碎或松软饱水等易于塌缩孔和卡钻埋钻的地层中采用跟管钻进技术。
3、钻机就位利用φ50mm脚手架杆搭设平台,平台用锚杆与坡面固定,钻机用三脚支架提升到平台上。
锚杆孔钻进施工,搭设满足相应承载能力和稳固条件的脚手架,根据坡面测放孔位,准确安装固定钻机,并严格认真进行机位调整,确保锚杆孔开钻就位纵横误差不得超过±50mm,高程误差不得超过±100mm,钻孔倾角和方向符合设计要求,倾角允许误差位±1.0°,方位允许误差±2.0°。
锚杆与水平面的交角z不大于45°,一般在15°~20°之间。
4、钻进方式钻进过程中对每个孔的地层变化,钻进状态(钻压、钻速)、地下水及一些特殊情况作好现场施工记录。
如遇塌孔缩孔等不良钻进现象时,须立即停钻,及时进行固壁灌浆处理(灌浆压力0.1~0.2MPa),待水泥砂浆初凝后,重新扫孔钻进。
5、钻进过程钻进过程中对每个孔的地层变化,钻进状态(钻压、钻速)、地下水及一些特殊情况作好现场施工记录。
锚杆框格梁边坡施工方案1. 引言在土木工程领域中,边坡施工一直是一个关键的技术环节。
为了确保边坡的稳定性和安全性,锚杆框格梁是一种常用的边坡支护结构。
本文将详细介绍锚杆框格梁边坡施工方案,包括施工前准备、施工流程、质量控制等。
2. 施工前准备在进行锚杆框格梁边坡施工前,需要进行以下准备工作:2.1 设计方案确认确认设计方案,包括边坡的几何形状、锚杆的布置和参数、框格梁的类型和尺寸等。
确保设计方案满足工程要求。
2.2 材料准备准备所需的材料,包括钢筋、混凝土、锚杆、框格梁等。
确保材料的质量符合国家标准,并按照设计方案的要求进行选材。
2.3 设备准备准备所需的施工设备,包括起重机、打桩机、混凝土搅拌车等。
确保设备的性能正常,并进行必要的维护保养。
2.4 人员安排安排合适的施工人员,并确保他们熟悉施工方案和操作规程。
同时,还需要对施工人员进行必要的培训和安全教育,提高他们的工程素质和安全意识。
3. 施工流程锚杆框格梁边坡施工的基本流程如下:3.1 边坡开挖根据设计方案的要求,进行边坡的开挖工作。
要注意控制边坡的坡度和坡角,在开挖过程中及时支护,防止坍塌。
3.2 锚杆施工按照设计方案的要求,在边坡中安装锚杆。
首先进行锚杆孔的打洞工作,然后安装锚杆,最后进行锚固作业。
在施工过程中,要保持锚杆的垂直度和水平度,并进行必要的锚固测试。
3.3 框格梁施工在边坡中安装框格梁。
按照设计方案的要求,进行框格梁的制作和安装工作。
要保证框格梁的尺寸和位置准确无误,并进行必要的连接和固定。
3.4 混凝土灌注在框格梁内进行混凝土的灌注工作。
首先进行混凝土的搅拌和运输,然后进行灌注作业。
要确保混凝土的质量符合设计要求,并进行必要的测量和检测。
3.5 其他工作根据具体情况,还需要进行其他辅助工作,例如边坡的排水、绿化和防护等。
这些工作通常在主体施工完成后进行,以确保边坡的美观和功能完善。
4. 质量控制为了保证锚杆框格梁边坡施工质量,需要进行以下质量控制措施:4.1 施工方案审核在施工前对施工方案进行审核,并与设计方案进行对比。
贵州省松桃至从江高速公路铜仁坝灌溪至玉屏大龙段新增茶店互通式立体交叉工程锚杆(索)框格梁施工方案江西省四通路桥建设集团有限公司贵州松从高速新增茶店互通二一七年十二月目录第一章、编制依据....................................................... 第二章、工程概况....................................................... 第三章、地质、水文状况.................................................一、工程建设地点 ........................................................二、自然地理情况 ........................................................ 第四章、施工总体布置...................................................一、施工布置 ............................................................二、材料准备 ............................................................三、施工工期计划 ........................................................ 第五章、施工组织安排...................................................一、组织机构 ............................................................二、组织分工 ............................................................三、施工组织机构图 ......................................................四、机械设备 ............................................................ 第六章、锚杆、锚索框格梁施工方案.......................................一、吊篮防护安装 ........................................................二、人工凿除坡面松散岩石 ................................................三、框架锚索施工 ........................................................四、框架锚杆施工 .......................................................五、框架梁施工 .......................................................... 第七章、质量保证措施...................................................一、质量保证管理措施 ....................................................二、施工质量控制措施 .................................................... 第八章、环境保护措施................................................... 第九章、安全文明施工措施...............................................一、重大风险源及其应对措施: ............................................二、典型事故类型及安全保证措施: ........................................第一章、编制依据、贵州省松桃至从江高速公路铜仁坝灌溪至玉屏大龙段《两阶段施工图设计》;、贵州省松桃至从江高速公路铜仁坝灌溪至玉屏大龙段工程地质详细勘察报告;、交通运输部《高速公路路堑高边坡工程施工安全风险评估技术指南》(交安监发〔〕号);、《公路工程施工安全技术规范》( );、《公路工程质量检验评定标准()》;、《建筑边坡工程技术规范》();、《建筑施工土石方工程安全技术规范》( );、《公路路基施工技术规范》( );、《建筑机械使用安全技术规程》( );、《钢筋混凝土用钢第二部分:热轧带肋钢筋》();、《钢筋砼用热轧光圆钢筋》()、《预应力混凝土用钢绞线》();、《预应力筋用锚具、夹具和连接器应用技术规程》();、《混凝土结构工程施工质量验收规范》();、《施工现场临时用电安全技术规范》( );第二章、工程概况贵州省松桃至从江高速公路铜仁坝灌溪至玉屏大龙段(以下简称铜大线)是贵州省规划高速公路网(“”网)中“一纵”——贵州省松桃至从江高速公路的重要组成部分。
格构式锚索(锚杆)挡墙护坡施工一、施工工艺流程施工工艺:搭设工作平台→测放孔位→钻孔→清孔→锚索制安→注浆→挖槽→支模→绑扎框架钢筋→浇筑砼→养护→张拉→封锚→质量验收二、搭设工作平台工作平台与岩石边坡植被混凝土护坡施工工作平台类似,在此不再重复叙述。
三、测放孔位测量放样工作应分两步进行:首先每隔10~20m测量一断面,在米格纸上绘出各断面位置、坡率及与设计图纸的差异,然后根据规范上“不陡于设计坡率”和“不小于设计宽度”的要求,遵循“顺适、稳固、经济”的原则,确定一个合适的坡率进行外业放样。
放样用全站仪进行,利用坐标在坡面上放出每道纵、横肋梁的中线,再通过高程测定将拟定的坡率通过拉设工程线的方法实地布设,在坡面上形成一个个方格网,根据格网与坡面的垂直距离再次进行修坡调整。
四、钻孔修坡结束后,应再精确放线,用白灰在坡面上标出锚孔的位置,锚孔间距为2.5(水平)×2.5(垂直)m,锚孔直径320mm,锚索锚入破裂角内稳定中风化岩层内不小于8m。
其纵横误差不超过±5cm,高程误差不得超过±10cm,经检查无误后进行钻孔作业。
钻机施工在钢管脚手架作业平台上进行,脚手架应稳定、牢固,平台架板应满铺,外侧拉设护栏或护网。
钻机就位时应利用地质罗盘对倾角和方位角进行样验,倾角误差为±1°,方位角误差为±2°。
钻进采用无水干钻法,进尺速度根据钻机性能和岩层情况严格控制,防止孔道扭曲和变径。
在钻孔过程中,对钻进状态(钻压、钻速)、地下水及一些特殊情况作好现场施工记录。
如遇塌孔缩孔等不良钻进现象时,应立即停钻,并通知监理工程师后采用注浆固壁注浆处理(注浆压力0.4MPa),注浆24小时后重新扫孔钻进,或采用跟管钻进工艺。
钻孔孔径、孔深要求不得小于设计值,为确保锚索深度,实际钻孔深度要大于设计深度0.5米;为确保锚孔直径,实际使用钻头直径不小于设计孔径。
锚杆框格梁护坡施工技术方案公路工程锚杆框格梁边坡防护施工时除应严格遵守中华人命共和国交通部颁发标准《公路路基施工技术规范》、《公路工程质量检验评定标准》有关要求外,还应该注意如下要求:1、材料(1)、混凝土:肋柱柱身使用25号混凝土,必须仔细研究施工工艺和选用的材料,进行混凝土最佳配合比试验,控制质量,控制标准和检测方法,并严格执行。
建议采用同一家品牌的水泥用料。
(2)、钢材:普通钢筋、锚杆应按照设计技术指标尽心购货,并按照中华人民共和国交通部颁发《公路路基施工技术规范》的有关要求,进行严格验收和检验。
钢筋运抵后应放置在室内并防止锈蚀。
2、土方开挖(1)、开挖顺序边坡应遵循从上往下,从两侧向中间分级分段施工的原则,每开挖一级加固一级,再向下开挖;每施工一段加固一段,再开挖邻段。
切忌全段一次开挖,避免灾害事故的发生。
(2)、土方爆破边坡爆破严禁放大、中炮,防止因爆破引起灾害事故。
3、肋柱施工(1)、所有钢筋的加工、安装和质量验收等均应按照<<公路桥涵施工技术规范〉〉(JTJ041——2000)的有关规定进行。
(2)、锚杆框格梁肋柱嵌入深度应按如下设置:土质及全风化层,地梁嵌入48—50cm,三维植被网5—7cm,强风化层,地梁嵌入35cm,六角空心砖20 cm,骨架嵌入10cm,六角空心砖20 cm;中~弱风化层:地梁无法刻槽嵌入,地梁与骨架均培土35cm,后做六角空心砖20cm。
框格竖肋要上下顺直,横量左右平齐,并确保钢筋砼的施工质量,当岩性为硬岩时,坡面难以平整,为保证框格美观,局部空洞要采用素砼补齐,工程量以现场计量为准.框格横梁每隔3~5排框格设2cm的伸缩缝,设在框格中间,内填浸沥青木板。
(3)、肋柱定位必须准确,应垂直于路线,当实测边坡高度不以整8米计时,可适当调整最上一台肋柱高度,高度变化应平缓渐变,尽量减少破坏坡面原状土及植被。
(4)、单根竖向肋柱及锚杆施工完毕后,应按图二所示施工工序开挖出其余肋柱槽并浇注。
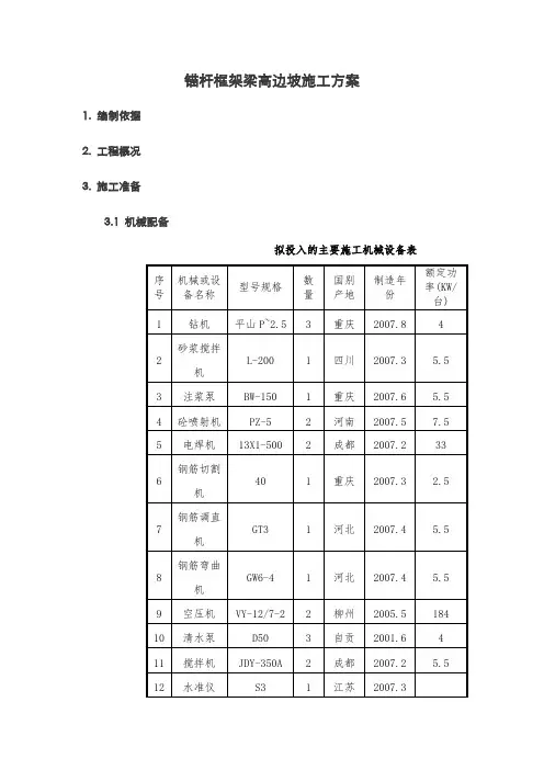
锚杆框架梁高边坡施工方案1. 编制依据2. 工程概况3. 施工准备3.1 机械配备拟投入的主要施工机械设备表4. 边坡开挖施工工艺4.1 主要施工方法根据现场地形可采取两种开挖方案:平缓地形施工/陡峭地形施工4.1.1平缓地形施工挖方地段沿线纵向相对地形较平缓,可采用挖掘机配自卸汽车从高至低一层一层往下开挖,每层开挖深度控制在3-4m为最佳。
沿路线方向开便道,便道纵坡应保证自卸汽车空车在正常情况下能顺利爬到坡顶,同时因地制宜考虑错车处。
4.1.2 陡峭地形施工若开挖地段沿线方向相对地形太陡,便道无法成型,则利用挖机开挖。
本合同段YK136+180~+250段地形陡峭则采用挖机开挖,因临河边滩涂,直接用挖机抛甩碴料至边坡底,再在坡底用出碴车将碴料运走。
4.2 石方开挖路堑石方开挖采用松动控制爆破和光面爆破相结合的方案进行施工:半填半挖路段先挖浅地段,再挖深地段;风化层和松软岩部位,先用大马力推土机松动,对于无法松动的部分,实施松动爆破;风化层和松软岩地段的边坡用人工配合挖掘机清刷,岩石地段用预留光爆层实施光面爆破;石方装车用挖掘机或装载机,运输用载重自卸汽车。
4.2.1 路堑石方开挖施工措施4.2.1.1 施工前,将爆破器材的存放地点、数量、警卫、收发、安全措施及施工方案编制报告,并在爆破器进入工地28天前报监理工程师审批,同时将运入路线和时间报有关部门批准。
4.2.1.2 爆破作业人员必须经指定的部门培训,考试合格后持证上岗。
4.2.1.3 在确定的爆破危险区边界设置明显的标志,建立警戒线、警戒信号,在危险区入口或附近道路设置标志并派专人看守,防止人、畜、公路设施等受到危害和损失。
4.2.1.4 对靠近构筑物处的石方爆破要采取松动爆破,同时采取安全防护措施。
采用炮被对炮眼进行覆盖防护,炮被用废旧的轮胎剪成条状,编织后用铁丝绑扎。
炮被覆盖的方法是:在起爆山体的炮眼表面覆盖炮被,每块炮被四角用粗铁丝拽拉固定在稳定的物体上,防止飞石。
锚杆框格梁护坡施工技术方案示范文本In The Actual Work Production Management, In Order To Ensure The Smooth Progress Of The Process, And Consider The Relationship Between Each Link, The Specific Requirements Of EachLink To Achieve Risk Control And Planning某某管理中心XX年XX月锚杆框格梁护坡施工技术方案示范文本使用指引:此解决方案资料应用在实际工作生产管理中为了保障过程顺利推进,同时考虑各个环节之间的关系,每个环节实现的具体要求而进行的风险控制与规划,并将危害降低到最小,文档经过下载可进行自定义修改,请根据实际需求进行调整与使用。
一、锚杆的施工1、锚杆孔测量放线按设计立面图要求,在锚杆施工范围内,起止点用仪器设置固定桩,中间视条件加密,并应保证在施工阶段不得损坏。
其它孔位以固定桩为准钢尺丈量,全段统一放样,孔位误差不得超过±50 mm。
测定的孔位点,埋设半永久性标志,严禁边施工边放样。
竖梁的具体长度可根据实际边坡高度确定,但锚杆的位置须按等分坡面的长度进行放样,其间距可适当调整。
如遇既有刷方坡面不平顺或特殊困难场地时,需经设计监理单位认可,在确保坡体稳定和结构安全的前提下,适当放宽定位精度或调整锚孔定位。
2、钻孔设备钻孔机具的选择,根据锚固地层的类别、锚杆孔径、锚杆深度、以及施工场地条件等来选择钻孔设备。
岩层中采用MG-50锚杆钻机钻孔成孔;在岩层破碎或松软饱水等易于塌缩孔和卡钻埋钻的地层中采用跟管钻进技术。
3、钻机就位利用φ50mm脚手架杆搭设平台,平台用锚杆与坡面固定,钻机用三脚支架提升到平台上。
锚杆孔钻进施工,搭设满足相应承载能力和稳固条件的脚手架,根据坡面测放孔位,准确安装固定钻机,并严格认真进行机位调整,确保锚杆孔开钻就位纵横误差不得超过±50mm,高程误差不得超过±100mm,钻孔倾角和方向符合设计要求,倾角允许误差位±1.0°,方位允许误差±2.0°。
一、锚杆的施工1.锚杆孔测量放线按设计立面图请求,在锚杆施工规模内,起止点用仪器设置固定桩,中央视前提加密,并应包管在施工阶段不得破坏.其它孔位以固定桩为准钢尺测量,全段同一放样,孔位误差不得超出±50 mm.测定的孔位点,埋设半永远性标记,严禁边施工边放样.竖梁的具体长度可依据现实边坡高度肯定,但锚杆的地位须按等分坡面的长度进行放样,其间距可恰当调剂.如遇既有刷方坡面不服顺或特别艰苦场地时,需经设计监理单位承认,在确保坡体稳定和构造安然的前提下,恰当放宽定位精度或调剂锚孔定位.2.钻孔装备钻孔机具的选择,依据锚固地层的类别.锚杆孔径.锚杆深度.以及施工厂地前提等来选择钻孔装备.岩层中采取MG-50锚杆钻机钻孔成孔;在岩层破裂或松软饱水等易于塌缩孔和卡钻埋钻的地层中采取跟管钻进技巧.3.钻机就位应用φ50mm脚手架杆搭设平台,平台用锚杆与坡面固定,钻机用三脚支架晋升到平台上.锚杆孔钻进施工,搭设知足响应承载才能和稳定前提的脚手架,依据坡面测放孔位,精确装配固定钻机,并严厉卖力进行机位调剂,确保锚杆孔开钻就位纵横误差不得超出±50mm,高程误差不得超出±100mm,钻孔倾角和偏向相符设计请求,倾角许可误差位±°,方位许可误差±°.锚杆与程度面的交角z不大于45°,一般在15°~20°之间.4.钻进方法钻进进程中对每个孔的地层变更,钻进状况(钻压.钻速).地下水及一些特别情形作好现场施工记载.如遇塌孔缩孔等不良钻进现象时,须立刻停钻,实时进行固壁灌浆处理(灌浆压力0.1~0.2MPa),待水泥砂浆初凝后,从新扫孔钻进.5.钻进进程钻进进程中对每个孔的地层变更,钻进状况(钻压.钻速).地下水及一些特别情形作好现场施工记载.如遇塌孔缩孔等不良钻进现象时,须立刻停钻,实时进行固壁灌浆处理(灌浆压力0.1~0.2MPa),待水泥砂浆初凝后,从新扫孔钻进.6.孔径孔深钻孔孔径.孔深请求不得小于设计值.为确保锚杆孔直径,请求现实应用钻头直径不得小于设计孔径.为确保锚杆孔深度,请求现实钻孔深度大于设计深度0.2m以上.7.锚杆孔清算钻进达到设计深度后,不克不及立刻停钻,请求稳钻1~2分钟,防止孔底尖灭.达不到设计孔径.钻孔孔壁不得有沉碴及水体粘滞,必须清算清洁,在钻孔完成后,应用高压空气(风压0.2~0.4MPa)将孔内岩粉及水体全体消除出孔外,以免下降水泥砂浆与孔壁岩土体的粘结强度.除相对坚硬完全之岩体锚固外,不得采取高压水冲洗.若遇锚孔中有承压水流出,待水压.水量变小后方可下安锚筋与注浆,须要时在四周恰当部位设置排水孔处理.假如设计请求处理锚孔内部积累水体,一般采取灌浆封堵二次钻进等办法处理.8.锚杆孔磨练锚杆孔钻孔停止后,须经现场监理磨练及格后,方可进行下道工序.孔径.孔深检讨一般采取设计孔径.钻头和尺度钻杆在现场监理旁站的前提下验孔,请求验孔进程中钻头平顺推动,不产生冲击或发抖,钻具验送长度知足设计锚杆孔深度,退钻请求顺畅,用高压风吹验不存显著飞溅尘碴及水表现象.同时请求复查锚孔孔位.倾角和方位,全体锚孔施工分项工作及格后,即可以为锚孔钻造磨练及格.9.锚杆体系体例作及装配锚杆杆体采取φ25螺纹钢筋,沿锚杆轴线偏向每隔2.0m设置一组钢筋托架,包管锚杆的呵护层厚度不低于25mm.锚筋尾端防腐采取刷漆.涂油等防腐措施处理.锚杆端头应与框架梁钢筋焊接,如与框架钢筋.箍筋相关扰,可局部调剂钢筋.箍筋地间距,竖.横主筋交叉点必须绑扎稳定.装配前,要确保每根钢筋顺直,除锈.除油污,装配锚杆体前再次卖力查对锚孔编号,确认无误后再用高压风吹孔,人工徐徐将锚杆体放入孔内,用钢尺量出孔外露出的钢杆长度,盘算孔内锚杆长度(误差掌握在±50mm规模内),确保锚固长度.10.锚固注浆注浆采取二次高压劈裂注浆.一次常压注浆功课从孔底开端,现实注浆量一般要大于理论的注浆量,或以锚具排气孔不再排气且孔口浆液溢出浓浆作为注浆停止的尺度.如一次注不满或注浆后产生沉降,要填补注浆,直至注满为止.注浆压力不低于2.5MPa.注浆材料宜选用水灰比0.38~0.45.灰砂比为1:1~1:2(重量比)的水泥砂浆, M30水泥砂浆.二次注浆在一次注浆形成的水泥结石体强度达到5.0MPa分段依次由下至长进行,注浆压力.注浆数目和注浆时光依据锚固体的体积及锚固地层情形肯定.注浆停止后,将注浆管.注浆枪和注浆套管清洗清洁,同时做好注浆记载.11.框架制造框架采取C25砼浇筑,框架嵌入坡面10cm,用人工开挖,石质地段应用风镐开凿,超挖部分采取C25砼调剂至设计坡面.横梁.竖肋基本先采取5cm 水泥砂浆调平,再进行钢筋制造装配,钢筋接头需错开,同一截面钢筋接头数不得超出钢筋总根数的1/2,且有焊接接头的截面之间的距离不得小于1m.因锚杆无预应力,锚杆尾部不需外露.不需加工丝口.不必螺帽和砼锚头封块,只需将锚杆尾部与竖梁钢筋相焊接成一整体,若锚杆与箍筋相关扰可局部调剂箍筋的间距.模板采取木模板,用短锚杆固定在坡面上,砼浇注时,尤其在锚孔四周,钢筋较密集,必定要细心振捣,包管质量.框架分片施工,两相邻框架接触处留2cm宽伸缩缝,用浸沥青木板填塞.四.框架梁施工1.框架梁施工工艺流程施工预备→测量放样→基本开挖→钢筋绑扎→立模板→砼浇筑→修整边坡→回填栽种土并挂网2.施工办法施工现场三通一平工作要完成,进入工作面等施工辅道已经建筑完毕;各钢筋.砂石材料已经实验抽检及格;各施工机具已出场并知足施工临盆请求;各功课人员已出场并进行技巧交底培训;依据工程须要及工程划分,技巧人员.治理人员及其他人员均已到位.各开挖后断面的复测工作已经完成,开挖坡体在人工修整其坡比等达到请求,然后测放出框架纵梁.横梁地位及施作肇端规模.2.3 基本开挖尽量修整好边坡,凸出地方要削平,按后按框架竖梁.横梁尺寸及模板厚度精确挖出单根梁肋轮廓.个中最下一级边坡平台有网格坡脚基本,测量放线后经监理验收后可开挖.2.4 钢筋绑扎⑴先施工竖梁,并于接点处预留横梁钢筋,竖梁形成后,再施工横梁.⑵在施工安顿框架钢筋之前,先消除框架基本底浮碴,包管基本密实,并在底部铺一层1:3水泥砂浆垫层.⑶在坡面上打短钢筋锚钉,预备好与砼呵护层厚度一致的砂浆垫块.⑷绑扎钢筋,用砂浆垫块垫起,与坡面保持必定中距离,并和短钢筋锚钉衔接稳定.2.5 立模板⑴模板采取木板或桥梁板按设计尺寸进行拼装.模板线型在曲线段时每5 m放一掌握点挂线施工,包管线形顺畅,相符施工请求.⑵立模前起首检讨钢筋骨架施工质量,并做好记载,然后立模板.⑶模板概况刷脱模剂,模板接装要平整.严实.净空尺寸精确,设合设计请求并美不雅.⑷用脚手架钢杆支持固定模板,模板底部要与基本慎密接触,以防跑浆.胀模.⑸检讨立模质量,并做好原始质检记载.2.6 砼浇筑⑴浇筑前应检讨框架的截面尺寸,要严厉检讨钢筋数目及安插情形.⑵框架主筋的呵护层必定要知足设计请求,最小不克不及少于50mm,箍筋净呵护层不得小于35mm,主筋的净呵护层不小于40mm.⑶钢筋宜制成整体长骨架,其制造.搭接.装配要相符设计及技巧规范请求.⑷浇筑框架砼必须持续功课,边浇筑边振捣.浇筑进程中若有砼滑动迹象可采纳速凝或早强砼或用盖模模压住.各竖梁砼应不间断浇筑,若因故中止浇筑,其接缝按平日方法处理.⑸锚杆框架的施工是锚杆与砼框架两项工程亲密合营的进程.锚杆和框架的相对地位比二者的绝对地位更主要,务必须精确测量,准肯定位.⑹浇筑框架砼时,应分离从下而上在三个部位制取砼试件各一组,进行实验.⑺坡脚基本砼浇筑采取C20混凝土,施工时选用30振捣棒振捣密实,顶面用光抹压光.五.工程质量包管措施1.锚杆框架质量包管措施1.1锚杆材质检讨:确保每批锚杆材料均附有临盆厂商的质量证实书,并按施工图纸划定的材质尺度以及监理人指导抽检锚杆机能.1.2注浆密实度实验:拔取与现场锚杆的锚杆直径和长度.锚孔孔径和竖直度雷同的锚杆,采取与现场注浆雷同的材料和合营比拌制的砂浆,并按与现场施工雷同的注浆工艺进行注浆,养护7天后剖管检讨其密实度.1.3拉拔力实验:按设计请求对边坡支护锚杆,按功课分区在每300根锚杆中抽查三根进行拉拔力实验;如锚杆抗拔力达不到设计值,采取扩展钻孔直径,增大早强砂浆与围岩接触面积加以解决.1.4施工进程中,对锚杆孔的钻孔规格(孔位.孔径.孔深和竖直度)进行自检,作好记载,并合营监理人员进行抽验.1.5同监理人员现场介入各项实验和检讨,并将各项实验记载和成果以及验收陈述经监理人员验收,在签认及格后作为支护工程落成验收的材料.2. 框架梁施工质量包管措施2.1 经由过程测量放线掌握好框架基本及横.竖梁的地位.2.2 经由过程施工帮助措施,包管框架体线条直顺,大面顺直.六.安然包管措施1 .锚杆施工安然包管措施(1) 施工中,按期检讨电源线路和装备的电器部件,确保用电安然.(2) 注浆施工功课中,要经常检讨出料弯头.输料管.注浆管和管路接优等有无磨薄.击穿或松脱现象,发明问题,应实时处理.(3) 处理机械故障时,必须使装备断电.停风.向施工装备送电.送风前,应通知有关人员.(4) 向锚杆孔注浆时,注浆罐内应保持必定命量的砂浆,以防罐体放空,砂浆喷出伤人.(5) 非操纵人员不得进入正进行施工的功课区.施工中,喷头和注浆管正前方严禁站人.(6) 施工进程中指定专人增强不雅察,按期检讨锚杆抗拔力,确保安然.(7) 作好锚杆防护工作,锚杆安设后不得随便敲击.碰撞.拉拔杆体等扰动.粘结锚杆在水泥砂浆强度达到80%以上后,才干进行锚杆外端部弯折施工.2 .框架梁施工安然包管措施(1) 基本开槽前必须检讨槽壁的稳定状况,确认安然,功课中应随时不雅察,发明不稳定征兆必须立刻撤离安全地段,处理完毕且确认安然后,方可恢复功课.(2) 高边坡开挖施工时,要做好开挖上边沿处的截排水,为防止大到暴雨的冲击,尽量多设几道截排水沟.(3) 高边坡开挖后若未能实时做框架梁等防护措施,要用彩条布等实时笼罩,防止雨水冲蚀,坡体掉稳坍塌.(4) 框架施工进程中,要防止边坡上部的滚石滚落伤及人员或装备.并包管功课面滚石等易滚物件不会对下一台阶工作面形成安然隐患.。
锚杆锚索框架梁施工方案1.工程概况绵竹至茂县公里绵竹段第二分部项目K41+811.75-K43+105段路基,共有锚杆锚索框架梁5段,分别是K41+880-K42+130段边坡采用刷方及锚固的工程措施,刷方后最大边坡高度53.46m。
第一级边坡坡率为1:0.3,坡高15m,设锚杆框架加固,采用φ32mm砂浆锚杆,长L=12m,设计荷载120KN;第二级边坡坡率为1:0.3,坡高15m,设锚索框架加固,锚索长度分别为24m、26m和28m,锚索框架加固范围外坡面采用锚杆框架加固,采用φ32mm砂浆锚杆,锚杆长L=12m,设计荷载120KN;第三级边坡坡率为1:0.3,坡高15m,设锚索框架加固,锚索长度分别为30m、32m和35m;第四级边坡坡率为1:0.3,坡高8.46m,设锚索锚墩,锚索长度分别为40m和40m,锚索长度40m。
锚索设计荷载均为700KN,预设锚固段长度均为10m。
K42+130-K42+265段边坡采用刷方及锚固的工程措施,刷方后边坡高度最高为33m。
第一级边坡坡率为1:0.3,坡高15m,设锚杆框架加固,采用φ32mm砂浆锚杆,长L=12m,设计荷载120KN;第二级边坡坡率为1:0.3,最大坡高18m,设锚索框架加固,锚索长度分别为26m、28m和30m,锚索设计荷载均为700KN,预设锚固段长度均为10m。
锚索框架加固范围外设锚杆框架加固,采用φ32mm砂浆锚杆,长L=12m,设计荷载120KN。
K42+265-K42-335段边坡采用刷方及锚固的工程措施,刷方后边坡高度最高为34m。
第一级边坡坡率为1:0.3,坡高10m,设锚杆框架加固,采用φ32mm砂浆锚杆,长L=12m,设计荷载120KN;第二级边坡坡率为1:0.3,坡高10m,设锚索框架加固,锚索长度分别为20m和24m;第三级边坡坡率为1:0.3,最大坡高14m,设锚索框架加固,锚索长度分别为26m、30m和35m,未设锚索框架段落采用锚索锚墩,锚索长26m。
锚杆框架梁护坡施工方案锚杆框架梁施工工艺及方法施工工艺流程:1.支架焊接插入锚杆2.清孔、验孔3.钻孔设备布设锚杆钻孔锚杆孔位放样4.边坡测量5.边坡安全监测6.施工准备电力设备布设7.搭设脚手架8.边坡修整9.拆除脚手架10.框格内喷播植草11.砼试块制作浇注混凝土12.钢筋制作安装13.测量放线开挖框架梁基础14.砼试块制作锚杆孔灌注水泥砂浆15.达到设计强度锚杆拉拔试验16.模型安装、加固伸缩缝设置17.养生施工方法:2.1 施工准备2.1.1 测量放线测量组需要按照设计坡率对边坡进行放样,并用横纵交叉广线拉直,以便确定边坡修整的情况。
2.1.2 电力设备布设架设好电力主线路(布线按现场具体情况确定),在施工周围布置适当数量的碘钨灯,保证夜班能正常进行。
每批材料到达工地后,应进行质量检查,合格后方可使用。
2.2 搭设脚手架2.2.1 脚手架搭设前必须先对现有边坡的稳定情况进行观察,确定安全后再搭设脚手架。
脚手架采用φ50mm钢管搭设,支架立柱应置于坚硬稳定的岩石上,不得置于浮渣上;立柱间距1.5m。
架子宽度1.2~1.5m;横杆高度1.8m,以满足施工操作;并应设置安全栏杆以应付突然出现的情况。
搭设管扣要牢固和稳定,钢架与壁面之间必须楔紧,相邻钢架之间应连接牢靠,以确保施工安全。
脚手架搭设完成后,应根据施工需要在脚手架上设置竹跳板和爬梯,且竹跳板和爬梯应用铁丝绑死,以保证人员及机具的施工安全。
2.2.2 边坡修整应先清除受喷面和边坡底部的岩渣、浮土和回弹物料,凿毛光滑岩面,防止出现失脚现象,再根据放样技术交底,对边坡进行修整,过高则用风镐凿除,过低则用浆砌片石嵌补,如遇较大裂缝,可采用灌浆或勾缝处理,以保证边坡的顺直、平台的宽度。
待嵌补的浆砌片石达到规范强度时,再用高压水冲洗受喷面。
在边坡整修及脚手架搭设过程中,应注意边坡防排水,可在堑顶设置排水沟,避免水流冲刷边坡。
2.3 锚杆钻孔2.3.1 锚杆孔位放测时,应用油漆在岩层面上画出孔位,孔位误差<±5cm,并做好放线技术交底。
框格锚杆施工技术方案一、工程概况该段防护位于边坡防护中第一级边坡,边坡坡率为1:1,边坡坡长20米,高8米,锚杆框格间隔3.0米布置,8.3米和10.3米锚杆交替放置,靠近坡顶坡脚处采用10.3米锚杆。
二、施工技术要点1.施作锚杆孔时,必须采用旋转式钻机,禁止采用冲击式钻机钻眼;2.锚杆设置两种杆长,不同杆长交替放置;3.施工时应注重边坡清理,锚杆孔清孔后方可放置锚杆并加压注浆;4.在孔内砂浆充分凝固后扎网,现浇钢筋砼框格,锚杆端部弯曲与横向联合骨架间逐点绑扎;5.施工时,要采用C25砼浇筑维修踏步;6.要提前下好各类钢筋材料,交准备好相应模板,合适的材料及机械要提前进场。
三、施工方法1.施工放线在路基土石方队伍开挖边坡后,进行人工修整边坡,测量人员用全站仪进行施工放线,每10米一个点位,按照设计图纸要求,上下,倾斜方向全部用线绳拉好,根据交叉点位确定锚杆孔位,然后由人工进行搭设钢管脚手架子,安放好机械,准备开孔。
2.机械钻孔由于本段锚杆长度比较长,全部为10.3米和8.3米的锚杆,所以需要大型机械进行钻孔,本部准备采用旋转型钻机进行钻孔。
首行,脚手架子搭设好以后,把机械按照事先定好的孔位,由下部一排一排的进行钻孔,打好一个钻孔,在安放锚杆前,一定要用材料把孔口堵住。
钻机进行钻孔时,一定在垂直于边坡面,匀速缓慢地将钻杆打入岩层内,点位误差不允许超过5厘米,钻孔深度不能小于设计要求,在施工中如遇致到塌孔现象,必须清理以后,方可继续进行钻孔。
3.锚杆定位及注浆锚杆孔钻成型后,首先进行清孔,其次把制作好的Φ25锚杆用人工轻轻插入锚杆孔内,锚杆上必须焊接好定位钢筋 ,以保证锚杆固定在孔位中央,外露长度按照设计要求控制并均匀地朝着一个方向进行弯曲。
锚杆定好位后,最好立即进行注浆,本标段采用注纯水泥浆,水灰比采用1:0.5,采用注浆泵进行注浆,注浆压力保持在0.4Mpa;首先,在安放锚杆时,就把注浆软管随锚杆一起放入锚杆孔内,以便注浆时方便注浆,在注浆时保持压力,缓慢地进行注浆,边注浆边缓慢地拔管,最后以锚杆孔口流出水泥浆为标准来确定注浆满孔,注浆注满后,用材料把孔口堵住,准备绑扎钢筋。
一、工程概况本工程位于某山区公路边坡,由于地质条件复杂,边坡稳定性较差,存在安全隐患。
为提高边坡稳定性,确保公路安全畅通,特制定本施工方案。
二、施工依据1. 国家相关施工规范、标准;2. 工程设计图纸;3. 地质勘察报告;4. 施工合同及业主要求。
三、施工方法及工艺1. 施工准备(1)施工人员:组织专业施工队伍,包括技术人员、施工人员、质量检验人员等;(2)施工材料:按照设计要求,准备足够的锚杆、钢筋、水泥、混凝土等材料;(3)施工设备:准备钻孔设备、注浆设备、模板、吊车、运输车辆等。
2. 施工工艺(1)锚杆施工1)钻孔:采用钻机进行钻孔,钻孔直径不小于锚杆直径,孔深应满足设计要求;2)锚杆制作:将钢筋加工成锚杆,并进行防腐处理;3)锚杆安装:将锚杆送入孔内,并进行锚固;4)注浆:采用水泥砂浆进行注浆,注浆压力应符合设计要求。
(2)格构梁施工1)模板制作:按照设计尺寸制作模板,并涂刷脱模剂;2)钢筋绑扎:按照设计要求进行钢筋绑扎,确保钢筋间距和位置正确;3)混凝土浇筑:采用泵送混凝土进行浇筑,确保混凝土密实;4)模板拆除:混凝土达到一定强度后,拆除模板。
(3)边坡防护1)绿化:在格构梁内进行绿化,种植草皮、灌木等植物;2)防护网:在边坡表面铺设防护网,防止石块坠落;3)排水:设置排水沟,排除边坡雨水。
四、施工进度安排1. 施工准备:1个月;2. 锚杆施工:2个月;3. 格构梁施工:2个月;4. 边坡防护:1个月;5. 整体施工周期:6个月。
五、施工质量控制1. 材料检验:对锚杆、钢筋、水泥、混凝土等材料进行严格检验,确保材料质量;2. 施工过程检验:对钻孔、锚杆安装、注浆、混凝土浇筑等施工过程进行检验,确保施工质量;3. 隐蔽工程验收:对锚杆、格构梁等隐蔽工程进行验收,确保施工质量。
六、安全措施1. 施工人员安全:对施工人员进行安全培训,提高安全意识;2. 施工设备安全:对施工设备进行定期检查、维护,确保设备安全运行;3. 施工现场安全:设置安全警示标志,加强施工现场安全管理。
编号:AQ-BH-09134锚杆框格梁护坡施工技术方案Technical scheme for slope protection of anchor frame beam( 管理资料)单位:_____________________审批:_____________________日期:_____________________WORD文档/ A4打印/ 可编辑锚杆框格梁护坡施工技术方案说明:施工方案是根据一个施工项目制定的实施方案;是根据项目确定的,有些项目简单、工期短就不需要制订复杂的方案。
一、锚杆的施工1、锚杆孔测量放线按设计立面图要求,在锚杆施工范围内,起止点用仪器设置固定桩,中间视条件加密,并应保证在施工阶段不得损坏。
其它孔位以固定桩为准钢尺丈量,全段统一放样,孔位误差不得超过±50mm。
测定的孔位点,埋设半永久性标志,严禁边施工边放样。
竖梁的具体长度可根据实际边坡高度确定,但锚杆的位置须按等分坡面的长度进行放样,其间距可适当调整。
如遇既有刷方坡面不平顺或特殊困难场地时,需经设计监理单位认可,在确保坡体稳定和结构安全的前提下,适当放宽定位精度或调整锚孔定位。
2、钻孔设备钻孔机具的选择,根据锚固地层的类别、锚杆孔径、锚杆深度、以及施工场地条件等来选择钻孔设备。
岩层中采用MG-50锚杆钻机钻孔成孔;在岩层破碎或松软饱水等易于塌缩孔和卡钻埋钻的地层中采用跟管钻进技术。
3、钻机就位利用φ50mm脚手架杆搭设平台,平台用锚杆与坡面固定,钻机用三脚支架提升到平台上。
锚杆孔钻进施工,搭设满足相应承载能力和稳固条件的脚手架,根据坡面测放孔位,准确安装固定钻机,并严格认真进行机位调整,确保锚杆孔开钻就位纵横误差不得超过±50mm,高程误差不得超过±100mm,钻孔倾角和方向符合设计要求,倾角允许误差位±1.0°,方位允许误差±2.0°。
锚杆与水平面的交角z不大于45°,一般在15°~20°之间。
4、钻进方式钻进过程中对每个孔的地层变化,钻进状态(钻压、钻速)、地下水及一些特殊情况作好现场施工记录。
如遇塌孔缩孔等不良钻进现象时,须立即停钻,及时进行固壁灌浆处理(灌浆压力0.1~0.2MPa),待水泥砂浆初凝后,重新扫孔钻进。
5、钻进过程钻进过程中对每个孔的地层变化,钻进状态(钻压、钻速)、地下水及一些特殊情况作好现场施工记录。
如遇塌孔缩孔等不良钻进现象时,须立即停钻,及时进行固壁灌浆处理(灌浆压力0.1~0.2MPa),待水泥砂浆初凝后,重新扫孔钻进。
6、孔径孔深钻孔孔径、孔深要求不得小于设计值。
为确保锚杆孔直径,要求实际使用钻头直径不得小于设计孔径。
为确保锚杆孔深度,要求实际钻孔深度大于设计深度0.2m以上。
7、锚杆孔清理钻进达到设计深度后,不能立即停钻,要求稳钻1~2分钟,防止孔底尖灭、达不到设计孔径。
钻孔孔壁不得有沉碴及水体粘滞,必须清理干净,在钻孔完成后,使用高压空气(风压0.2~0.4MPa)将孔内岩粉及水体全部清除出孔外,以免降低水泥砂浆与孔壁岩土体的粘结强度。
除相对坚硬完整之岩体锚固外,不得采用高压水冲洗。
若遇锚孔中有承压水流出,待水压、水量变小后方可下安锚筋与注浆,必要时在周围适当部位设置排水孔处理。
如果设计要求处理锚孔内部积聚水体,一般采用灌浆封堵二次钻进等方法处理。
8、锚杆孔检验锚杆孔钻孔结束后,须经现场监理检验合格后,方可进行下道工序。
孔径、孔深检查一般采用设计孔径、钻头和标准钻杆在现场监理旁站的条件下验孔,要求验孔过程中钻头平顺推进,不产生冲击或抖动,钻具验送长度满足设计锚杆孔深度,退钻要求顺畅,用高压风吹验不存明显飞溅尘碴及水体现象。
同时要求复查锚孔孔位、倾角和方位,全部锚孔施工分项工作合格后,即可认为锚孔钻造检验合格。
9、锚杆体制作及安装锚杆杆体采用φ25螺纹钢筋,沿锚杆轴线方向每隔2.0m设置一组钢筋托架,保证锚杆的保护层厚度不低于25mm。
锚筋尾端防腐采用刷漆、涂油等防腐措施处理。
锚杆端头应与框架梁钢筋焊接,如与框架钢筋、箍筋相干扰,可局部调整钢筋、箍筋地间距,竖、横主筋交叉点必须绑扎牢固。
安装前,要确保每根钢筋顺直,除锈、除油污,安装锚杆体前再次认真核对锚孔编号,确认无误后再用高压风吹孔,人工缓缓将锚杆体放入孔内,用钢尺量出孔外露出的钢杆长度,计算孔内锚杆长度(误差控制在±50mm范围内),确保锚固长度。
10、锚固注浆注浆采用二次高压劈裂注浆。
一次常压注浆作业从孔底开始,实际注浆量一般要大于理论的注浆量,或以锚具排气孔不再排气且孔口浆液溢出浓浆作为注浆结束的标准。
如一次注不满或注浆后产生沉降,要补充注浆,直至注满为止。
注浆压力不低于2.5MPa。
注浆材料宜选用水灰比0.38~0.45、灰砂比为1:1~1:2(重量比)的水泥砂浆,M30水泥砂浆。
二次注浆在一次注浆形成的水泥结石体强度达到5.0MPa分段依次由下至上进行,注浆压力、注浆数量和注浆时间根据锚固体的体积及锚固地层情况确定。
注浆结束后,将注浆管、注浆枪和注浆套管清洗干净,同时做好注浆记录。
11、框架制作框架采用C25砼浇筑,框架嵌入坡面10cm,用人工开挖,石质地段使用风镐开凿,超挖部分采用C25砼调整至设计坡面。
横梁、竖肋基础先采用5cm水泥砂浆调平,再进行钢筋制作安装,钢筋接头需错开,同一截面钢筋接头数不得超过钢筋总根数的1/2,且有焊接接头的截面之间的距离不得小于1m。
因锚杆无预应力,锚杆尾部不需外露、不需加工丝口、不用螺帽和砼锚头封块,只需将锚杆尾部与竖梁钢筋相焊接成一整体,若锚杆与箍筋相干扰可局部调整箍筋的间距。
模板采用木模板,用短锚杆固定在坡面上,砼浇注时,尤其在锚孔周围,钢筋较密集,一定要仔细振捣,保证质量。
框架分片施工,两相邻框架接触处留2cm宽伸缩缝,用浸沥青木板填塞。
四、框架梁施工1、框架梁施工工艺流程施工准备→测量放样→基础开挖→钢筋绑扎→立模板→砼浇筑→修整边坡→回填种植土并挂网2、施工方法2.1施工准备施工现场三通一平工作要完成,进入工作面等施工辅道已经修建完毕;各钢筋、砂石材料已经试验抽检合格;各施工机具已进场并满足施工生产要求;各作业人员已进场并进行技术交底培训;根据工程需要及工程划分,技术人员、管理人员及其他人员均已到位。
2.2测量放样各开挖后断面的复测工作已经完成,开挖坡体在人工修整其坡比等达到要求,然后测放出框架纵梁、横梁位置及施作起始范围。
2.3基础开挖尽量修整好边坡,凸出地方要削平,按后按框架竖梁、横梁尺寸及模板厚度精确挖出单根梁肋轮廓。
其中最下一级边坡平台有网格坡脚基础,测量放线后经监理验收后可开挖。
2.4钢筋绑扎⑴先施工竖梁,并于接点处预留横梁钢筋,竖梁形成后,再施工横梁。
⑵在施工安置框架钢筋之前,先清除框架基础底浮碴,保证基础密实,并在底部铺一层1:3水泥砂浆垫层。
⑶在坡面上打短钢筋锚钉,准备好与砼保护层厚度一致的砂浆垫块。
⑷绑扎钢筋,用砂浆垫块垫起,与坡面保持一定中距离,并和短钢筋锚钉连接牢固。
2.5立模板⑴模板采用木板或桥梁板按设计尺寸进行拼装。
模板线型在曲线段时每5m放一控制点挂线施工,保证线形顺畅,符合施工要求。
⑵立模前首先检查钢筋骨架施工质量,并做好记录,然后立模板。
⑶模板表面刷脱模剂,模板接装要平整、严实、净空尺寸准确,设合设计要求并美观。
⑷用脚手架钢杆支撑固定模板,模板底部要与基础紧密接触,以防跑浆、胀模。
⑸检查立模质量,并做好原始质检记录。
2.6砼浇筑⑴浇筑前应检查框架的截面尺寸,要严格检查钢筋数量及布置情况。
⑵框架主筋的保护层一定要满足设计要求,最小不能少于50mm,箍筋净保护层不得小于35mm,主筋的净保护层不小于40mm。
⑶钢筋宜制成整体长骨架,其制作、搭接、安装要符合设计及技术规范要求。
⑷浇筑框架砼必须连续作业,边浇筑边振捣。
浇筑过程中如有砼滑动迹象可采取速凝或早强砼或用盖模模压住。
各竖梁砼应不间断浇筑,若因故中断浇筑,其接缝按通常方式处理。
⑸锚杆框架的施工是锚杆与砼框架两项工程密切配合的过程。
锚杆和框架的相对位置比二者的绝对位置更重要,务必须精确测量,准确定位。
⑹浇筑框架砼时,应分别从下而上在三个部位制取砼试件各一组,进行试验。
⑺坡脚基础砼浇筑采用C20混凝土,施工时选用30振捣棒振捣密实,顶面用光抹压光。
五、工程质量保证措施1、锚杆框架质量保证措施1.1锚杆材质检查:确保每批锚杆材料均附有生产厂商的质量证明书,并按施工图纸规定的材质标准以及监理人指示抽检锚杆性能。
1.2注浆密实度试验:选取与现场锚杆的锚杆直径和长度、锚孔孔径和倾斜度相同的锚杆,采用与现场注浆相同的材料和配合比拌制的砂浆,并按与现场施工相同的注浆工艺进行注浆,养护7天后剖管检查其密实度。
1.3拉拔力试验:按设计要求对边坡支护锚杆,按作业分区在每300根锚杆中抽查三根进行拉拔力试验;如锚杆抗拔力达不到设计值,采用扩大钻孔直径,增大早强砂浆与围岩接触面积加以解决。
1.4施工过程中,对锚杆孔的钻孔规格(孔位、孔径、孔深和倾斜度)进行自检,作好记录,并配合监理人员进行抽验。
1.5同监理人员现场参加各项试验和检查,并将各项试验记录和成果以及验收报告经监理人员验收,在签认合格后作为支护工程完工验收的资料。
2、框架梁施工质量保证措施2.1通过测量放线控制好框架基础及横、竖梁的位置。
2.2通过施工辅助措施,保证框架体线条直顺,大面顺直。
六、安全保证措施1、锚杆施工安全保证措施(1)施工中,定期检查电源线路和设备的电器部件,确保用电安全。
(2)注浆施工作业中,要经常检查出料弯头、输料管、注浆管和管路接头等有无磨薄、击穿或松脱现象,发现问题,应及时处理。
(3)处理机械故障时,必须使设备断电、停风。
向施工设备送电、送风前,应通知有关人员。
(4)向锚杆孔注浆时,注浆罐内应保持一定数量的砂浆,以防罐体放空,砂浆喷出伤人。
(5)非操作人员不得进入正进行施工的作业区。
施工中,喷头和注浆管正前方严禁站人。
(6)施工过程中指定专人加强观察,定期检查锚杆抗拔力,确保安全。
(7)作好锚杆防护工作,锚杆安设后不得随意敲击、碰撞、拉拔杆体等扰动。
粘结锚杆在水泥砂浆强度达到80%以上后,才能进行锚杆外端部弯折施工。
2、框架梁施工安全保证措施(1)基础开槽前必须检查槽壁的稳定状况,确认安全,作业中应随时观察,发现不稳定征兆必须立即撤离危险地段,处理完毕且确认安全后,方可恢复作业。
(2)高边坡开挖施工时,要做好开挖上边缘处的截排水,为防止大到暴雨的冲击,尽量多设几道截排水沟。
(3)高边坡开挖后若未能及时做框架梁等防护措施,要用彩条布等及时覆盖,防止雨水冲蚀,坡体失稳坍塌。