紧急停车系统分布图及维护记录知识分享
- 格式:doc
- 大小:66.50 KB
- 文档页数:13
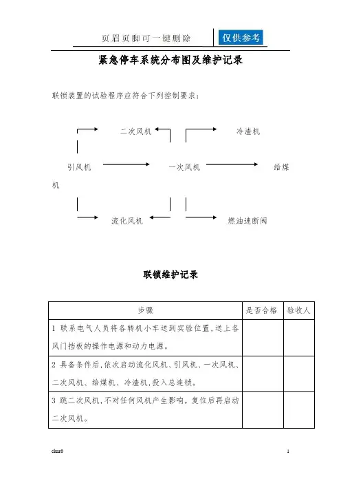
紧急停车系统分布图及维护记录
联锁装置的试验程序应符合下列控制要求:
二次风机 冷渣机
引风机 一次风机 给煤机
流化风机 燃油速断阀
联锁维护记录
锅炉车间2012.7.23
紧急停车系统分布图及维护记录
联锁装置的试验程序应符合下列控制要求:
二次风机 冷渣机
引风机 一次风机 给煤机
流化风机 燃油速断阀
联锁维护记录
锅炉车间2012.11.11
紧急停车系统分布图及维护记录
联锁装置的试验程序应符合下列控制要求:
二次风机 冷渣机
引风机 一次风机 给煤机
流化风机 燃油速断阀
联锁维护记录
锅炉车间2013.5.20
紧急停车系统分布图及维护记录
联锁装置的试验程序应符合下列控制要求:
二次风机冷渣机
引风机一次风机给煤机
流化风机燃油速断阀
联锁维护记录
锅炉车间2013.10.15
紧急停车系统分布图及维护记录
联锁装置的试验程序应符合下列控制要求:
二次风机冷渣机
引风机一次风机给煤机
流化风机燃油速断阀
联锁维护记录
锅炉车间2014.6.18
紧急停车系统分布图及维护记录
联锁装置的试验程序应符合下列控制要求:
二次风机冷渣机
引风机一次风机给煤机
流化风机燃油速断阀
联锁维护记录
锅炉车间
2014.12.8。
停车场系统演示图停车场系统概述停车场管理系统是指基于现代化电子与信息技术,在停车区域的出入口处安装自动识别装置,通过非接触式卡或车牌识别来对出入此区域的车辆实施判断识别、准入/拒绝、引导、记录、收费、放行等智能管理,其目的是有效的控制车辆与人员的出入,记录所有详细资料并自动计算收费额度,实现对场内车辆与收费的安全管理。
停车场管理系统样式图停车场管理系统集感应式智能卡技术、计算机网络、视频监控、图像识别与处理及自动控制技术于一体,对停车场内的车辆进行自动化管理,包括车辆身份判断、出入控制、车牌自动识别、车位检索、车位引导、会车提醒、图像显示、车型校对、时间计算、费用收取及核查、语音对讲、自动取(收)卡等系列科学、有效的操作。
这些功能可根据用户需要和现场实际灵活删减或增加,形成不同规模与级别的豪华型、标准型、节约型停车场管理系统和车辆管制系统。
随着科技的进步和人类文明的发展停车场无论是从外形、功能、操作方面都有跨越式的改进,国内目前最薄的停车场管理系统达到令人惊讶的170MM的厚度,而且配备双发卡模式和双倍卡量来降低故障率。
停车场管理系统的用途智能停车场管理系统在住宅小区、大厦、机关单位的应用越来越普遍。
而人们对停车场管理的要求也越来越高,智能化程度也越来越高,使用更加方便快捷,也给人类的生活带来了方便和快乐。
不仅提高了现代人类的工作效率,也大大的节约了人力物力,降低了公司的运营成本,并使得整个管理系统安全可靠。
包括车辆人员身份识别、车辆资料管理、车辆的出入情况、位置跟踪和收费的管理等等。
系统构成停车场管理系统配置包括停车场控制器、自动吐卡机、远程遥控、远距离卡读感器、感应卡(有源卡和无源卡)、自动道闸、车辆感应器、地感线圈、通讯适配器、摄像机、传输设备、停车场系统管理软件等。
这种系统有助于公司企业、政府机关等对于内部车辆和外来车辆的进出进行现代化的管理,对加强企业的管理力度和提高公司的形象有较大的帮助。
紧急停车系统分布图及维护记录
联锁装置的试验程序应符合下列控制要求:
二次风机 冷渣机
引风机 一次风机 给煤机
流化风机 燃油速断阀
联锁维护记录
锅炉车间2012.7.23
紧急停车系统分布图及维护记录
联锁装置的试验程序应符合下列控制要求:
二次风机 冷渣机
引风机 一次风机 给煤机
流化风机 燃油速断阀
联锁维护记录
锅炉车间2012.11.11
紧急停车系统分布图及维护记录
联锁装置的试验程序应符合下列控制要求:
二次风机 冷渣机
引风机 一次风机 给煤机
流化风机 燃油速断阀
联锁维护记录
锅炉车间2013.5.20
紧急停车系统分布图及维护记录
联锁装置的试验程序应符合下列控制要求:
二次风机冷渣机
引风机一次风机给煤机
流化风机燃油速断阀
联锁维护记录
锅炉车间2013.10.15
紧急停车系统分布图及维护记录
联锁装置的试验程序应符合下列控制要求:
二次风机冷渣机
引风机一次风机给煤机
流化风机燃油速断阀
联锁维护记录
锅炉车间2014.6.18
紧急停车系统分布图及维护记录
联锁装置的试验程序应符合下列控制要求:
二次风机冷渣机
引风机一次风机给煤机
流化风机燃油速断阀
联锁维护记录
锅炉车间
2014.12.8。
巴夫特(潍坊)化工有限公司紧急停车系统维护调试记录
二0一四年
序号紧急停车
系统名称
规格
型号
功能
描述
维护、
调试
情况
结论维护
措施
实施
人及
日期
备注
1
2
3
4
5
填表人
序号紧急停车
系统名称
规格
型号
功能
描述
维护、
调试
情况
结论维护
措施
实施
人及
日期
备注
1
2
3
4
5
填表人
序号紧急停车
系统名称
规格
型号
功能
描述
维护、
调试
情况
结论维护
措施
实施
人及
日期
备注
1
2
3
4
5
填表人
序号紧急停车
系统名称
规格
型号
功能
描述
维护、
调试
情况
结论维护
措施
实施
人及
日期
备注
1
2
3
4
5
填表人
序号紧急停车
系统名称
规格
型号
功能
描述
维护、
调试
情况
结论维护
措施
实施
人及
日期
备注
1
2
3
4
5
填表人。
联锁装置的试验程序应符合下列控制要求:
二次风机
冷渣机
引风机 一次风机 给煤机
流化风机 燃油速断阀
联锁维护记录
锅炉车间2012.7.23
联锁装置的试验程序应符合下列控制要求:
二次风机
冷渣机
引风机 一次风机 给煤机
流化风机 燃油速断阀
联锁维护记录
锅炉车间2012.11.11
联锁装置的试验程序应符合下列控制要求:
二次风机
冷渣机
引风机 一次风机 给煤机
流化风机 燃油速断阀
联锁维护记录
锅炉车间2013.5.20
联锁装置的试验程序应符合下列控制要求:
二次风机
冷渣机
引风机 一次风机 给煤机
流化风机 燃油速断阀
联锁维护记录
锅炉车间2013.10.15
联锁装置的试验程序应符合下列控制要求:
二次风机
冷渣机
引风机 一次风机 给煤机
流化风机 燃油速断阀
联锁维护记录
锅炉车间2014.6.18
紧急停车系统分布图及维护记录
联锁装置的试验程序应符合下列控制要求:
二次风机
冷渣机
引风机 一次风机 给煤机
流化风机 燃油速断阀
联锁维护记录
锅炉车间2014.12.8。
第8章紧急停车系统8.1 紧急停车系统的定义是什么?简答:紧急停车系统(Emergency Shut Down System,ESD),也称安全联锁系统(Safety Interlocking System,SIS),是对石油化工等生产装置可能发生的危险或不采取措施将继续恶化的状态进行自动响应和干预,从而保障生产安全,避免造成重大人身伤害及重大财产损失的控制系统。
8.2 试比较两类紧急停车系统的优劣。
简答:紧急停车系统按照结构来分,可分为双重化冗余和三重化冗余两种。
双重化冗余ESD系统从I/O模件到CPU、通信模件都是双重化配置的。
其中一套处于工作状态,另一套则处于热备状态三重化冗余ESD系统与双重化冗余ESD系统最大的区别是三重化冗余ESD系统的三重化设备同时处于工作状态,因此它需要有更强大的硬件诊断功能,在检测到某一通道的硬件有故障时,立即发出系统报警并适当地调整相应通道的选择运算方式,但系统仍能安全地运行,所以三重化系统也被叫做“冗余容错”系统。
8.3 紧急停车系统有哪些特点?简答:1)系统的最终目标都是为了确保工艺生产的安全,保护生产设备和操作人员不受伤害;2)开关量输入检出元件选择正常状态下闭合,线路断开等同于联锁动作,即系统为故障安全型;3)输出电磁阀或继电器选择为正常励磁,只有当输出线路发生故障时才产生动作;4)当无论何种原因使生产装置停车(Shutdown)时,ESD系统所控制的目标元件所处的状态都要确保生产安全。
8.4 简述ESD系统主要的通用安全标准,并进行比较。
简答:ESD系统主要的通用安全标准如下。
1)DIN V 19250 标准是德国的标准,在这个标准中建立了一个概念:安全系统的设计等级必须符合生产过程现场的危险性等级AK1~AK8(1~8级);2)DIN V VDE 0801标准是针对用于安全系统的计算机,来判定某种控制器从设计、编码、程序执行到确定是否完全符合上述DIN V 19250的要求;3)IEC 61508 是国际电工委员会制定的国际标准。
紧急停车系统分布图及维护记录联锁装置的试验程序应符合下列控制要求:二次风机冷渣机引风机一次风机给煤机流化风机燃油速断阀联锁维护记录步骤是否合格验收人1 联系电气人员将各转机小车送到实验位置,送上各风门挡板的操作电源和动力电源。
2 具备条件后,依次启动流化风机、引风机、一次风机、二次风机、给煤机、冷渣机,投入总连锁。
3 跳二次风机,不对任何风机产生影响。
复位后再启动二次风机。
4 跳流化风机,则联启备用流化风机,不对任何风机产生影响。
5 跳一次风机, 则联跳二次风机、给煤机。
复位后再启动一次风机、二次风机、给煤机。
6跳引风机, 则联跳所有设备。
复位后再启动所有设备。
锅炉车间2012.7.23紧急停车系统分布图及维护记录联锁装置的试验程序应符合下列控制要求:二次风机冷渣机引风机一次风机给煤机流化风机燃油速断阀联锁维护记录步骤是否合格验收人1 联系电气人员将各转机小车送到实验位置,送上各风门挡板的操作电源和动力电源。
2 具备条件后,依次启动流化风机、引风机、一次风机、二次风机、给煤机、冷渣机,投入总连锁。
3 跳二次风机,不对任何风机产生影响。
复位后再启动二次风机。
4 跳流化风机,则联启备用流化风机,不对任何风机产生影响。
5 跳一次风机, 则联跳二次风机、给煤机。
复位后再启动一次风机、二次风机、给煤机。
6跳引风机, 则联跳所有设备。
复位后再启动所有设备。
锅炉车间2012.11.11紧急停车系统分布图及维护记录联锁装置的试验程序应符合下列控制要求:二次风机冷渣机引风机一次风机给煤机流化风机燃油速断阀联锁维护记录步骤是否合格验收人1 联系电气人员将各转机小车送到实验位置,送上各风门挡板的操作电源和动力电源。
2 具备条件后,依次启动流化风机、引风机、一次风机、二次风机、给煤机、冷渣机,投入总连锁。
3 跳二次风机,不对任何风机产生影响。
复位后再启动二次风机。
4 跳流化风机,则联启备用流化风机,不对任何风机产生影响。
紧急停车系统维护指导书TRICON紧急停车系统维护指导书1、作业⽬的:为保证系统长周期运⾏,对出现的各种故障进⾏检查处理。
2、作业要求:熟悉TRICON紧急停车系统结构,了解该设备故障时对装置可能产⽣的影响3、作业内容:3.1、TRICON⽇常检查。
3.2、故障处理时,TRICON系统检查。
4、作业准备和危害识别:4.1、作业⼈员检查及处理系统故障时必须联系⼯艺,开相关联锁作业票。
4.2、在重⼤作业,如在线卡件更换、卡件在线热插拔等,要有⽅案及操作步骤。
4.3、在线插拔卡件时,必须佩戴防静电护腕。
4.4、联锁作业必须编制⽅案,进⾏危害识别评估,做好JHA分析。
4.5、作业时,⼀⼈作业,⼀⼈监护。
5、作业⽅法:5.1、系统硬件检查。
5.1.1 检查电源卡的运⾏状态,是否在正常运⾏状态。
主机架的第⼀个槽位为双冗余电源卡件(任⼀电源卡能满⾜⼀个机架的全部负载),⼀个电源卡失效不会影响控制器的运⾏。
电源卡为上下分布,上边的电源兼系统故障报警显⽰。
电源卡型号:8312 电源卡件LED 状态灯说明见下表5.1.2 检查CPU卡的运⾏状态,是否在正常运⾏状态。
主机架的第⼆、三、四个槽位为三块互为冗余的主处理器(MP)CPU 卡,每⼀个服务于控制器的⼀条⽀路。
主处理器就装在电源卡件的旁边。
每个主处理器独⽴地⽤它的I/O ⼦系统进⾏通讯,以及执⾏⽤户编写的控制程序。
三个MP 定期地对数据和控制程序进⾏⽐较。
CPU卡型号:3008主处理器卡件LED 状态灯5.1.3加强的智能通讯卡件EICM 可使TRICON 与Modbus 装置(主机或从属机)及⼯作站进⾏通讯。
TRICON 系统可以借助于⽹络通讯卡件NCM ⽽与802.3 联⽹。
状态指⽰器卡件状态5.1.4DI 或DO数字输⼊卡及数字输出卡的检查。
所有各种数字输⼊卡件在功能上都⽀持热插拔备件,它允许对故障卡件进⾏在线更换,或者对激活卡件作连续的⽀持。
每个卡件在机架上都有机械键销,防⽌被错误地安装到已经配置好的机架内。
安全标准化记录汇总1.11.文件发放记录;2.培训记录1.21.符合性评价报告、记录;2.不符合项整改记录。
2.11.安全生产目标责任书的考核与奖惩记录。
2.21.主要负责人组织和参与安全生产标准化建设的记录;2.资源配备文件及使用记录。
3.查安委会会议记录或纪要;4.领导干部带班记录及考核记录。
2.51.安全生产费用台帐。
3.11.风险评价记录;3.21.作业活动清单、设备、设施清单;2.风险评价记录;3.风险评价报告。
4.风险评价有关会议记录或纪要。
3.31.重大风险清单;2.风险控制措施;3.风险评价记录,风险评价报告。
4.风险管理培训教育记录。
3.41.隐患治理台账;2.隐患治理记录;3.51.安全监控报警设施台账。
2.重大危险源的设备、设施定期检查记录3.重大危险源应急预案演练记录;4.应急救援器材台账。
3.61.变更管理记录。
2.变更的风险分析记录;3.71.风险评价记录或报告2.年度评审或检查报告,或者评审记录。
3.风险评价报告、记录。
1. 安全生产规章制度文件发放记录。
4.21.岗位操作规程文件发放记录。
2.操作规程签发文件。
4.31. 安全生产规章制度、操作规程评审和修订记录。
2.发布修订的安全生产规章制度或操作规程的文件。
3. 发布最新版本安全生产规章制度或操作规程的文件发放记录。
5.11.安全培训、教育需求记录;2.安全培训、教育记录。
3.安全生产费用台账或资金计划;4.培训教育计划和记录。
5.安全培训教育计划变更记录。
6.培训教育效果评价记录5.41.特种作业人员及特种设备作业人员管理台账;2.危险化学品运输的驾驶人员、船员、押运人员管理台账。
3.新工艺、新技术、新装置、新产品投产或投用前培训记录5.51.外来参观、学习等人员培训记录。
2.厂级承包商安全培训教育记录;3.基层单位承包商安全培训教育记录。
5.61.管理部门和班组安全活动、基本功训练记录。
2. 班组安全活动记录。
1引言紧急停车系统ESD( Emergency Shutdown Device)是90年代发展起来的一种专用的安全保护设备,是独立于生产过程控制系统的用于大型装置的安全联锁保护系统。
在正常情况下,实时在线监测装置的安全;当装置出现紧急情况时,直接发出保护联锁信号对工艺流程实行联锁保护或紧急停车,以避免危险扩散造成巨大损失。
ESD一般应用于安全控制要求较高的重要生产工艺场合。
尤其在石油化工生产中,装置大都具有高温、高压、易燃、易爆、工艺连续性强、复杂性高、安全要求高等特点,所以,近年来ESD在石化企业被广泛地推广应用。
由于ESD设计技术要求高,国内还没有生产厂家,现在国内应用的ESD都是引进产品。
引进的ESD如何结合实际生产装置进行硬件、软件组态是ESD应用的关键问题。
本文结合茂名石油化工股份有限公司多套装置配置应用ESD 的情况,对石化企业ESD 系统组态进行初步探讨。
由于石化企业实际生产装置各有特点,工艺情况千变万化,ESD系统组态时,要从系统的独立性、本质安全、快速响应等基本要求和结合有关设计联锁系统的标准、规则出发,综合考虑多方面因素,才能使ESD系统满足设计要求,真正发挥出应有的安全保护作用,最大程度的确保生产安全。
同时因为生产工艺情况复杂多变,人为的误操作可能多种多样,系统组态时除了按工艺要求实现其正常的操作功能外,还应尽可能地考虑到所有的可能性。
完全满足设计要求是ESD组态最基本的要求,最大程度的确保安全生产、方便工艺操作是ESD 组态的目标。
ESD系统组态的基本内容包括:系统配置、硬件组态、逻辑组态、操作界面组态、SOE组态和与其他系统通讯的组态等。
下面着重介绍ESD在组态时的技术细节及注意事项。
2系统配置及硬件组态系统配置和硬件组态是ESD组态最基础的工作。
它决定整个系统能否正常运行和系统一些功能能否全面地实现。
一个ESD系统的基本配置一般包括:控制站、工程师站、操作站、SOE站、辅助操作台、辅助仪表盘及打印机。
紧急停车系统分布图及维护记录
联锁装置的试验程序应符合下列控制要求:
冷渣机
引风机 一次风机 给煤机
流化风机 燃油速断阀
联锁维护记录
锅炉车间2012.7.23
紧急停车系统分布图及维护记录
联锁装置的试验程序应符合下列控制要求:
冷渣机
引风机 一次风机 给煤机
流化风机 燃油速断阀
联锁维护记录
锅炉车间2012.11.11
紧急停车系统分布图及维护记录
联锁装置的试验程序应符合下列控制要求:
冷渣机
引风机 一次风机 给煤机
流化风机 燃油速断阀
联锁维护记录
锅炉车间2013.5.20
紧急停车系统分布图及维护记录
联锁装置的试验程序应符合下列控制要求:
冷渣机
引风机 一次风机 给煤机
流化风机 燃油速断阀
联锁维护记录
锅炉车间2013.10.15
紧急停车系统分布图及维护记录
联锁装置的试验程序应符合下列控制要求:
冷渣机
引风机 一次风机 给煤机
流化风机 燃油速断阀
联锁维护记录
锅炉车间2014.6.18
紧急停车系统分布图及维护记录
联锁装置的试验程序应符合下列控制要求:
冷渣机
引风机 一次风机 给煤机
流化风机 燃油速断阀
联锁维护记录
锅炉车间2014.12.8。
紧急停车系统分布图及维护记录
紧急停车系统分布图及维护记录
联锁装置的试验程序应符合下列控制要求:
引风机 一次风机 给煤机
流化风机 燃油速断阀
联锁维护记录
锅炉车间2012.7.23
紧急停车系统分布图及维护记录
联锁装置的试验程序应符合下列控制要求:
引风机 一次风机 给煤机
流化风机 燃油速断阀
联锁维护记录
锅炉车间2012.11.11
紧急停车系统分布图及维护记录
联锁装置的试验程序应符合下列控制要求:
引风机 一次风机 给煤机
流化风机 燃油速断阀
联锁维护记录
锅炉车间2013.5.20
紧急停车系统分布图及维护记录
联锁装置的试验程序应符合下列控制要求:
引风机 一次风机 给煤机
流化风机 燃油速断阀
联锁维护记录
锅炉车间2013.10.15
紧急停车系统分布图及维护记录联锁装置的试验程序应符合下列控制要求:
引风机一次风机给煤机
流化风机燃油速断阀
联锁维护记录
锅炉车间2014.6.18
紧急停车系统分布图及维护记录联锁装置的试验程序应符合下列控制要求:
引风机一次风机给煤机
流化风机燃油速断阀
联锁维护记录
锅炉车间2014.12.8。