半集中式空调系统 PPT
- 格式:ppt
- 大小:461.00 KB
- 文档页数:21
一、全空气系统(集中式)所谓全空气系统是指集中将空气处理后再通过输送系统送到使用侧,室内的空调负荷全部由处理过的空气承担。
其系统示意图如下:即:空调主机提供冷热源给空调机组,空调机组对空气集中进行处理,经送风管道输送到各处,通过出风口出风。
空调机组可根据客户的要求实现空气的混合、过滤、升温、降温、除湿、加湿、降噪、热回收等功能,形式分为卧式、立式及吊顶式三种,实际应用中,根据对空气处理要求的不同,会选择不同形式的空调机组。
二、水—空气系统(半集中式)由处理过的空气和水共同承担室内的空调负荷。
具体做法可以将空调机组的风管与盘管风机的送风管或回风箱相连接,将处理过的空气经盘管送风管送出,由处理过的空气和处理过的水共同承担室内的空调负荷。
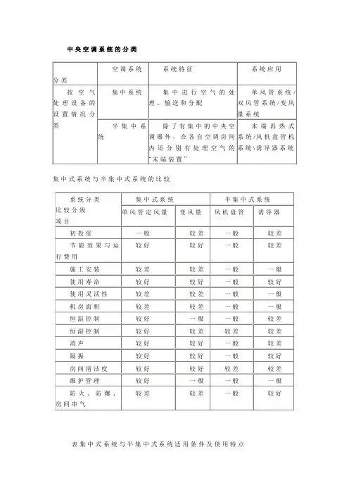
前者称为集中式空调系统,后者称为半集中式空调系统。
二、集中式空调系统与半集中式空调系统差异1、适用范围有所不同集中式空调系统(即全空气系统)一般用于房间面积大,热湿负荷变化类似,新风量变化大及对温湿度、洁净度等要求严格的场所,如体育馆、影剧院、会展中心、厂房、超市等。
半集中式空调系统一般用于多层多室层高较低、热湿负荷不一致,各室空气不要串通及要求调节风量的场所,如宾馆、酒店、写字楼等。
2、集中式与半集中式空调系统比较集中式空调系统由于是全部用空气来负担室内负荷,则存在以下几个方面的问题:1)空调机组每台有额定的制冷量与送风参数等,视使用场所的大小要配置多台空调机组,价格较贵;2)空调机组放置在室外,需要修建机房,且机房面积较大,层高较高,增加初期投资;3)系统需单独设置送风管及回风管,系统复杂,风管截面积大,主风管与支风管布置困难,且风管造价昂贵;4)全部采用风管送风,与室内装修吊顶相冲突,不易满足;5)支风管和风口较多时,不易均衡调节风量,对于热湿负荷不一致或室内参数不同的房间,不经济;6)部分房间不需空调时,整个空调系统仍须运行,不经济;7)设备与风管的安装工作量大,周期长;8)空调房间之间有风管连通,使各房间互相污染。