纸箱技术规格书
- 格式:docx
- 大小:124.59 KB
- 文档页数:7
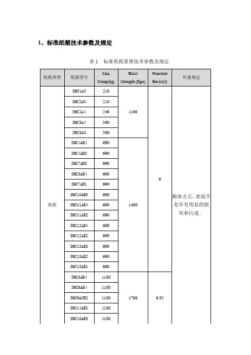
1、标准纸箱技术参数及要求表1 标准纸箱主要技术参数及要求2、标准纸箱检测项目及参考标准2.1瓦楞纸箱外观、尺寸、摇盖耐折参考标准《GB-T 6543-2008 运输包装用单瓦楞纸箱和双瓦楞纸箱》2.2瓦楞纸板耐破强度参考标准《GB/T 6545-1998 瓦楞纸板耐破强度的测定法》2.3瓦楞纸板戳穿强度参考标准《GB/T 2679.7-2005 纸板戳穿强度的测定》2.4瓦楞纸箱空箱抗压参考标准《GB/T 4857.4-1992 包装运输包装件压力试验方法》3标识3.1纸箱标识的尺寸和颜色纸箱标识的建议为尺寸为70*50mm,颜色为黑色。
3.2纸箱标识的使用纸箱的标识采用印刷的方式,印于包装箱断面或侧面,标识类型如表2。
除此类标识以外纸箱外围不能印有其他标识。
表2 纸箱标识序号标识名称标识图形含义1向上表明运输包装件的正确位置是竖直向上2易碎运输包装件内装易碎品,因此搬运时应小心轻放3怕雨包装件怕雨淋4胶合板木箱要求4.1胶合板木箱外观质量要求a.胶合板箱箱板平整、均匀一致,箱板拼接缝隙不大于2 mm。
b.胶合板箱体各立边与地面垂直、周正,包装箱合理、牢固。
4.2 胶合板木箱包装件物理力学性能要求胶合板木箱包装件物理力学性能应满足ISTA 3E测试要求。
表3 胶合板木箱包装件物理力学性能要求4.3胶合板木箱所配胶合板托盘的性能要求符合以下要求:胶合板托盘外尺寸长度、宽度和高度偏差为0~3mm, 构件定位尺寸公差为±2mm, 胶合板厚度公差为±1mm。
托盘面板一般采用15mm厚胶合板(注:对于价值非常高、重量非常大的零件,如发动机,可采用18mm厚胶合板);其余板条采用18mm*90mm胶合板;底部垫块:碎木模压90*90*76mm,数量为9。
a.胶合板托盘额定载荷R=220kg,动载为0.5t,静载为2.0t。
b.胶合板托盘表面应平整,无影响使用的毛刺、机械损伤、裂纹及其他缺陷。
5.9 纸箱接头粘合搭接舌边宽度不小于30mm,粘合剂使用乙酸乙烯乳液或具有相同粘合效果的其他粘合剂。
粘合接缝的粘合剂涂布应均匀充分,以致面纸分离时接缝依然粘合不分,同时,也不应有多余的粘合剂溢出接缝。
5.10 瓦楞纸箱的压痕线宽度,单瓦楞纸箱不大于12mm,双瓦楞纸箱不大于17mm,折线居中,不得有破裂断线,箱壁不允许有多余的压痕线。
5.11 瓦楞纸箱摇盖经开、合180°往复5次以上,1、2类箱面层和里层都不得有裂缝,3类箱板外面层不得有裂缝,内面层裂缝长度总和不得大于70mm。
5.12 瓦楞纸箱可根据供需双方的协定进行表面防潮处理。
5.13 瓦楞纸箱的机械性能包括抗压强度,耐冲击强度、抗转载强度等,在每种具体产品用瓦楞纸箱的标准或技术要求中明确规定或由供需双方商定。
6 试验方法6.1 已制成的瓦楞纸箱,根据纸箱种类及需要,应进行纸板性能试验,如有需要可进行纸箱强度试验。
6.2 测纸箱内尺寸时,把纸箱撑开成型、相邻面夹角90°量取搭接舌边以外的、构成长宽两面间的距离(内尺寸)为箱长(L)、箱宽(B),量取构成箱高的底、盖间的内距离为箱高(H)。
6.3 瓦楞纸箱空箱承压强度按GB4857.4-84《运输包装件基本试验压力试验方法》的规定进行平面压力试验。
试样制备时,用胶粘带、金属钉或粘合剂封合,并将采用的方法写在试验报告内,试样数量应不少于3只。
6.4 瓦楞纸箱耐冲击强度按GB4867.5-84《运输包装件基本试验垂直冲击跌落试验方法》的规定进行试验,跌落高度及顺序按GB4857.5-84附录A或供需双方商定,试样数量应不少于3只。
6.5 瓦楞纸箱抗转载强度按GB4857.8-84《运输懈装件基本试验六角滚筒试验方法》的规定进行试验,试验强度指标按GB4857.8-84附录A或由供需双方根据货物流通发问商定。
7 检验规则7.1 出厂检验7.1.1 生产厂应保证生产的纸箱符合本标准和订货合同的规定并经检验部门检验合格出具合格证。
2 性
能
测
试
边压强度
瓦楞纸板的边压强度直接影响瓦楞纸箱的
支撑强度;
压缩强度试验仪供应商给出测试报告耐破强度
瓦楞纸板单位面积所能承受的均匀增大的
最大压力值为瓦楞纸板的耐破强度;
耐破度仪供应商给出测试报告戳穿强度
一定形状的角锥穿过瓦楞板所做的功,所
显示的能量称为瓦楞纸板的戳穿强度;
戳穿强度测定仪供应商给出测试报告粘合强度
瓦楞纸板的面、里、芯纸和波形瓦楞纸的
楞峰粘合程度,在一定单位长度内经施压
测试所能承受的最大剥离力;
供应商给出测试报告抗压试验
纸箱抗压能力是指瓦楞纸箱空箱立体放置
时,对其两面匀速施压,箱体所能承受的
最高压力值;
包装容器整体抗压试验机供应商给出测试报告
7、产品图片+图纸(仅供参考):通用纸箱(2组/箱)
内纸盒(1组/盒)银鱼壳纸箱(4组/箱),此款含内纸盒
银鱼壳纸箱(4组/箱)
、外包装应有明显的标示卡《标明名称、规格、公司名称、公司地址、生产批次、日期、数量及合格、保质期和储存条件:。
1 外形结构1.1;纸板外形如下图所示,纸箱尺寸见具体图纸;表中所定相应两种楞高的下限值之和。
3 功能3.1包装产品,保护产品在运输过程中免受损坏。
4 技术性能 4.1 外观特性4.1.1 在较好的自然光或日光灯条件下,距离物料50公分用目检法检查表面。
4.1.2纸箱刀口位必须平整,无切歪现象,不可有纸屑、毛边、缺口、变色、变形、断裂和发霉的等不良现象。
4.1.3压线必须清晰以便折叠。
4.1.4颜色必须与色板上要求一致,纸质克重应符合采购合同或图纸要求。
4.1.5纸箱外观面无破损、撕裂、折痕,内侧面不允许有大的破损,纸箱内衬纸不得有文字、破裂现象。
4.1.6纸箱上的标识必须清晰,表面无脏污、模糊、油墨点、断笔,符合客户的要求;纸箱上图案、文字、规格标识等,必须正确,无断印、模糊、错位、重印等缺陷。
4.1.7接口处无粘接移位,订边不牢现象。
4.1.8箱钉不得有生锈、镀层脱落现象。
4.1.9箱钉排列整齐、距离均匀,无少钉、多钉等现象。
4.1.10拼接纸箱,接缝处平整,粘接牢固,纸质、印刷、图案、颜色必须一致。
4.2 规格特性瓦楞纸板结构分解 1—面纸 2—瓦楞(芯纸) 3—里纸 4—里纸厚度 5—芯纸厚度 6—瓦楞高度 7—面纸厚度4.2.1装规定重量叠好纸箱,码放于水平位,静载荷堆码时间为24h,完成后箱不破裂,不倒塌为合格,瓦楞纸箱堆码强度公式计算:A=(N-1)G*bN:产品堆叠层数;G:产品包装总重量单位kg;b:安全系数;A:单位为kg;储存期超过100天b值取2,储存期小于100天b值取1.65,一般b值取值范围为2-54.2.2瓦楞纸板的粘合强度(瓦楞成型的剥离强度):≥588 N/m楞4.2.3摇盖合拢后缝隙≤1mm,瓦楞纸箱摇盖经开、合180°,往复5次以上,箱面层和里层都不得有裂缝。
4.2.4取250*250mm 样板4块,50度90%RH 48h,前后水份差≤5%;或直接用湿度计侧其含水率10±4%。
1、标准纸箱技术参数及规定表1 标准纸箱重要技术参数及规定2、标准纸箱检测项目及参考标准2.1瓦楞纸箱外观、尺寸、摇盖耐折参考标准《GB-T 6543-2023 运送包装用单瓦楞纸箱和双瓦楞纸箱》2.2瓦楞纸板耐破强度参考标准《GB/T 6545-1998 瓦楞纸板耐破强度的测定法》2.3瓦楞纸板戳穿强度参考标准《GB/T 2679.7-2023 纸板戳穿强度的测定》2.4瓦楞纸箱空箱抗压参考标准《GB/T 4857.4-1992 包装运送包装件压力实验方法》3标记3.1纸箱标记的尺寸和颜色纸箱标记的建议为尺寸为70*50mm,颜色为黑色。
3.2纸箱标记的使用纸箱的标记采用印刷的方式,印于包装箱断面或侧面,标记类型如表2。
除此类标记以外纸箱外围不能印有其他标记。
表2 纸箱标记序号标记名称标记图形含义1 向上表白运送包装件的对的位置是竖直向上2 易碎运送包装件内装易碎品,因此搬运时应小心轻放3 怕雨包装件怕雨淋4胶合板木箱规定4.1胶合板木箱外观质量规定a.胶合板箱箱板平整、均匀一致,箱板拼接缝隙不大于2 mm。
b.胶合板箱体各立边与地面垂直、周正,包装箱合理、牢固。
4.2 胶合板木箱包装件物理力学性能规定胶合板木箱包装件物理力学性能应满足ISTA 3E测试规定。
表3 胶合板木箱包装件物理力学性能规定No 测试项目测试类型结果规定1 预解决温湿度/2 冲击斜面冲击包装箱外观无明显破损和变形,内装物无破损,包装箱内部支撑无位移和破损。
4.3胶合板木箱所配胶合板托盘的性能规定符合以下规定:胶合板托盘外尺寸长度、宽度和高度偏差为0~3mm, 构件定位尺寸公差为±2mm, 胶合板厚度公差为±1mm。
托盘面板一般采用15mm厚胶合板(注:对于价值非常高、重量非常大的零件,如发动机,可采用18mm厚胶合板);其余板条采用18mm*90mm胶合板;底部垫块:碎木模压90*90*76mm,数量为9。
莒县飞翔包装有限公司
纸箱质量规格书
1.纸箱外观:在自然光下目测,纸箱(盒)成型方正,无偏斜,表面平整、干净无污物、无破损、无裂纹、无水化现象,无错位、无重影,切边整齐,无毛边;要求印刷唛头的纸箱印刷要清晰、无误,图案、文字、色彩与标样一致;裱层粘合要求无透胶、起泡现象;各层纸板之间粘合牢固,无分层现象;当纸箱折合时,压痕处不可有破裂、断线的现象;摇盖合拢后缝隙不超过3mm。
3.纸箱强度:纸箱摇盖经开、合180 ゜往复5 次以上,外面层不得有裂缝,内面层裂缝长度总和不得大于70mm。
4.贮存及运输:纸箱在贮存时要保证储存仓库的通风和干燥,纸箱底层距地面的高度不小于10cm。
纸箱在运输过程中要严格把关,不直接受暴晒、受潮、雨雪和污染的影响,纸箱在装卸时不得从高处扔下,不得采用有损纸箱质量的工具。
纸箱技术规范1样式及用途长方体瓦楞纸箱,用于产品运输过程的保护。
2材料材质详见设计稿上技术要求。
3颜色、图案:颜色见封样和设计稿。
图案由我公司提供封样、彩稿或电子版文件软盘等信息。
原则上,以封样为基准,其他信息作为参考。
4工艺要求:印刷、模切、钉合或者粘合(无特殊要求则采用钉合)。
5技术要求5.1性能具体每个不同尺寸的纸箱的各种性能要求不能低于相应国家标准。
具体分类要求和图纸技术说明如下表:5.2尺寸:纸箱尺寸和配套衬片的尺寸偏差为±5 mm。
5.3产品外观要求5.3.1纸板表面应平整、清洁,不许有缺材、薄边,切边应整齐;纸箱箱体方正,表面不允许有明显的损坏和污迹,切断口表面裂损宽度不超过8mm。
5.3.2箱面印刷图字清晰正确,深浅一致,位置准确。
一般纸箱侧面印刷如俯图1,采用Arial Black字体,左右对齐,居中印刷,四周留空,字号根据箱面积大小调整,要求美观。
必须在箱盖内印刷ACON K3号码,跟侧面印刷要求保持一致,见附图2。
5.3.3纸箱接头钉合搭接舌边宽度为35~50mm,箱钉使用带有涂层的低碳钢扁丝,沿搭接部分中线钉合,采用斜钉(与纸箱立边成45°角),箱钉应排列整齐,单钉距不大于55mm,双钉距不大于75mm,钉距均匀, 头尾钉距底面压痕边线不大于20mm。
钉合接缝应钉牢、钉透,不得有叠钉、翘钉、不转角等缺陷,并牛皮纸胶带平整覆盖。
5.3.4纸箱接头粘合搭接舌边宽度不小于30mm,粘合剂使用乙酸乙烯乳液或具有相同粘合效果的其他粘合剂。
粘合接缝的粘合剂涂布应均匀充分,以至面纸分离时接缝依然粘合不分,且胶粘部位无胶水溢出。
5.3.5瓦楞纸箱的压痕线宽度单瓦不大于12mm,双瓦不大于17mm,折线居中,不得有破裂断线,箱壁不允许有多余的压痕线。
5.3.6瓦楞纸箱摇盖经开、合180°往复5次以上,面层和里层均不得有裂缝。
5.4其他要求其他未尽要求参照GB6543-86。
标识:JQTXⅣ-JS-03
有限公司
技术协议书
委托单位(甲方)
受托单位(乙方)
签字日期
甲方:乙方:
通迅地址:通迅地址:
邮政编码:邮政编码:
传真:传真:
电话:电话:
代表签字:代表签字:
单位盖章:单位盖章:
甲方委托乙方生产上述产品,经协商达成如下协议:
1.本协议为双方签订生产配套合同的先决条件。
2.本协议为乙方组织生产、质量检测的技术依据。
3.本协议是进行产品检查入库的验收依据。
4.甲方向乙方提供如下技术资料
(1). 产品图纸:√
(2). 技术标准:
(3). 样品:
(4). 其它:
乙方严格按照甲方提出的产品图纸及要求进行生产和质量控制。
5.乙方不得擅自更改或修订甲方提出的产品图纸和技术要求,乙方若需要更改必须事先经
甲方认可。
6.在产品上应有双方确认的标记。
7.本产品乙方的标记为:
8.标记部位:小摇盖外侧
9.凡由甲方提供的图纸生产的产品未经甲方同意,乙方不得擅自转让或将产品出售(经双
方协商的除外)甲方提供的技术资料乙方不得向第三方提供或转让。
10.本协议经双方签字盖章后生效。
11.本协议未尽事宜由双方协商解决。
12.本协议共二份,甲乙双方各执一份。
13.甲乙双方如因执行本协议发生纠纷,应协商解决。
协商不成的,双方约定:由甲方所在
地有管辖权的人民法院处理。
14.本协议同时适用于。
楞型结构外箱使用三瓦楞结构,内箱使用双瓦楞结构或三瓦楞结构。
双瓦楞纸板可使用AA,AB,AC,CC楞型制作,三瓦楞纸板不规定使用楞型和楞型组合规格表1为几种常用纸箱的规格。
要求.粘合剂瓦楞纸板应使用无异味、无腐蚀性和无有害物质的淀粉粘合剂或具有等同效果的其他粘合剂。
纸板和纸箱外观技术要求..印刷箱面图案、文字清晰正确,颜色深浅一致、位置适当。
..压痕线压痕线宽:双瓦楞纸箱不大于17mm,三瓦楞纸箱不大于22mm。
折线居中,无裂破、断线、重线等缺陷。
箱面上无多余的压痕线。
刀口刀口无明显毛刺,裁刀切口面纸、里纸距边横向裂损不超过8mm,纵向裂损不超过12mm。
成箱后叠角漏洞最大长度不超过5mm。
箱钉箱钉使用带有镀层的低碳钢扁丝,无锈斑、剥层、龟裂或其他使用上的缺陷。
间距均匀、单钉距不大于55mm,双钉距不大于75mm。
首尾钉至压痕边线的距离为13mm士7mm。
钉合接缝处应钉牢、钉透,无叠钉、翘钉、不转脚钉等缺陷。
结合钉合搭接舌宽为35mm-50mm,箱钉应沿搭接舌中线钉合,排列整齐,偏斜不超过5mm,纸箱两片接头对齐,量取结合部位上下端压痕线处两刀距离,误差应不大于5mm。
裱合纸箱面纸、里纸无拼接、缺材、露楞、折皱、透胶、污迹。
脱胶面积应不大于150mm/m,斜楞不超过三个。
摇盖耐折纸箱支撑成型后,摇盖开合2700,往复三次,面纸、里纸无裂缝..成型尺寸烟箱套合成型后,内、外箱间隙应不大于5mm,相邻面夹角呈直角,各箱面应相互垂直,同一箱面应保持在一个平面内,量取箱面间距离应符合表1的要求,误差应不超过士5mm。
厚度按GB/T6547的规定检测。
三瓦楞箱板不小于10.5mm,双瓦楞纸箱板符合SN/T0262-19993中表4的规定。
质量每一批次纸箱质量应基本一致,误差为规定质量士2kg。
物理指标要求各项物理指标应符合表2的规定。
类别项目耐破强度/kpa≥戳穿强/kpa≥边压强度/(N/m)≥粘合强度/N≥抗压强度/N≥含水率出口型双瓦楞2.55×13.7 10.78×三瓦楞2.74×24 17.5×内销型双瓦楞1.96×12.3 7.84×三瓦楞2.35×16.8 9.8×。
购 买 仕 样 书SMC(中国)有限公司No. ZX03072003/7/25名 称 制品、部品包装用纸箱一、适用范围本仕样是关于制品、部品包装用纸箱仕样的规定。
二、参考标准:参照国标:GB 5033-85SN/T 0262-93GBT-6543~86 GB 7706-87三、材料150g高强瓦楞纸、200g纸板;楞型:B楞四、型号、尺寸及公差 (单位:mm)请参阅附件1五、制作标准㈠瓦楞纸板、纸箱工艺技术标准A.瓦楞纸板技术要求:1. 瓦楞纸板粘合强度应不低于600N/m.2. 瓦楞纸板含水率为5%~9%.3. 瓦楞纸板的外观:表面平整无褶、清洁,不许有缺材、薄边,切边应整齐,粘合牢固,不许有脱胶现象。
4. 刀口光滑无明显毛刺、裂纹、及连缀现象。
裁刀切口里、面纸裂损距边及长不超过5mm。
5.瓦楞纸箱的规格尺寸要符合订货合同的规定.B.压线技术要求:压痕线宽度,单瓦楞纸箱不大于12mm,双瓦楞纸箱不大于17mm,折线居中,不得有破裂断线,箱壁不允许有多余的压痕线。
C.印刷技术要求:1. 文字图案印刷内容正确,印刷位置根据SMC样品深浅一致,清晰牢固,无溢墨,不许有错别字和缺划现象。
2. 标志印刷要符合国标《包装储运图示标志》GB191-2000和商检部门所规定的代码、代号;3. 印刷颜色以样箱或色标为准,同一批纸箱印刷颜色一致,在标准光源下,不可有肉眼可分辨的色差。
不同批次也不可有明显差异;4. 印刷版面清洁,多余墨迹面积不可超过2mm25. 印刷图案位置正确,上下、左右误差在±3㎜,水平位置误差在±2㎜。
注: logo规格(大小、位置)由SMC统一提供,请参阅附件2。
D.开槽技术要求:1. 刀口无明显毛刺,裁刀切口里、面纸裂损距边不超过5mm长不超过8mm;2. 成箱后折角漏洞直径缝隙不超过3mm,包角直径不超过3mm.E.结合技术要求:1. 粘接搭接舌宽不小于30mm,粘接剂应涂抹均匀,充分,无胶溢出。
1.目的:为使产品包装用纸箱标准化、规范化,统一检验标准,满足客户的需求,特制定本要求。
2.适用范围:本要求适用于××××有限公司铝车轮包装用瓦楞纸箱。
3.技术要求3.1 瓦楞纸箱用纸板的材料及性能指标,见下表.3.2 瓦楞纸箱尺寸3.2.1 用纸箱的内部尺寸长(L)、宽(L)、高(H)表示,纸箱的具体尺寸见纸箱图纸。
3.2.1.1一般常规轮型用瓦楞纸箱尺寸的设计参见下表.3.2.1.2 特殊轮型结构和特殊包装要求的瓦楞纸箱尺寸,按其产品外型尺寸和包装要求设计,例:●筋条高出轮辋的产品,其纸箱高度按照筋条高出轮辋的尺寸相应增加,具体增加规则如下:(a). 表示方法如例:15x6.5H4意义:表示的是比15 x6.5的常规轮型用纸箱的规格尺寸高4mm。
(b). 后缀Hx与轮毂对应尺寸见下表:说明:1)轮毂的轮辐高出轮缘尺寸小于2mm时,用常规轮型用纸箱的规格尺寸。
2)Hx中x是以4n(n=1,2,3,4…)类推的;h以x-2< h≤x+2类推(3≤h≤6除外)。
●一箱装两个轮毂时的纸箱尺寸要求如下:(a). 一箱装两个轮毂(常规轮型)时的纸箱尺寸应为:长x宽x高=L x L x (2H+20)(注:L为原一箱装一个轮毂时的纸箱宽度;H为原一箱装一个轮毂时的纸箱高度)(b). 纸箱规格:L x H D例:原一箱装一个轮毂时的纸箱尺寸为18x9,则一箱装两个轮毂时的纸箱尺寸为18x9D。
●如根据客户要求有更特殊的轮型结构或特殊包装要求时,具体包装纸箱的尺寸按照具体情况协商而定。
3.2.1.3 瓦楞纸箱的尺寸公差为+5/-0。
3.2.2.瓦楞纸箱用纸板厚度见下表.3.3 瓦楞纸箱的承压能力应符合产品和运输环节的要求。
3.4 瓦楞纸箱的外观3.4.1纸箱外标识符合纸箱图纸和客户提供样箱。
纸箱应有纸箱规格标识,具体位置见纸箱图纸。
3.4.2 箱面图案及文字应清晰、正确、位置准确,颜色应深浅一致。
纸箱技术规格书
Document number:WTWYT-WYWY-BTGTT-YTTYU-2018GT
纸箱技术规格书
一、说明
1、定义:纸箱常用的是牛皮卡纸,有单瓦楞箱、双瓦楞箱。
双瓦楞箱是最常用的外包装箱。
2、纸箱检验
A物理指标:定量、水份、紧度、耐破强度(耐破指数)、环压强度(环压指数)、正/反吸水性、耐折度。
B外观指标:平滑度、色差、白度、标志、印刷、结合、内外尺寸、折合、厚度等
3、瓦楞纸箱分类
按照最大内综合尺寸,内装物的最大质量及使用瓦楞纸板的种类,将瓦楞纸箱分为八种。
注:当瓦楞纸箱最大内综合尺寸和最大质量不在同一种类时,应选其中高种类。
二、技术要求及主要规格参数
1、检验项目和技术要求
外观检验项目规定为十一种。
其中八种为轻缺陷,三种为重缺陷。
轻缺陷的项目为:标志、印刷、压痕线、刀口、箱钉、结合、裱合和摇盖耐折;重缺陷的项目为内尺寸、厚度和含水率。
2、检验方法
按外观检验项目中的技术要求逐项进行检验,必须条例规定。
在检验中使用的检验器具有:钢卷尺、内径尺、木直尺、靠规、专用取样器和割纸刀具等。
例如瓦楞纸箱内径尺寸的检验、含水率的检验和瓦楞纸板厚度的检验。
⑴、内径尺寸的检验
首先的瓦楞纸箱支撑成型,一端摇盖合拢,相邻面夹角成90℃紧靠在靠规上,箱内用压板使内摇盖紧贴,箱顶部外摇盖打开,把木直尺水平放在内摇盖上,然后用内径尺量取底玛木直尺底面的距离,即为内径尺寸的高。
用内径尺在接舌上距箱口50mm处或第一至第二钉距中间量取箱体内长方向的两端之间的距离,即为内径尺寸的长。
用内径尺量取箱体内宽方向的两之间的距离,即为内径尺寸的宽。
靠规的使用是保证箱体摆放的方正度。
在压板的重压下,检验时样箱不会移动和变形。
⑵、含水率的检验
含水率的检验目前大多使用针插式或硅胶接触式木材测湿仪。
检验时将测湿仪的测试探头直接接触瓦楞纸箱的表面或插入瓦楞纸板,通过连续对样品的测量,最后求得算术平均值,即为检验结果。
为了确保测湿仪检验的结果准确可靠,可使用烘箱测定法和测湿仪测试的结果相比较。
比较办法是把选定的试样,撕成小薄片,用精度为克的天平称重50克并记录m1,同时立即松散地放入已知质量的铝合中置于103±2℃的恒温箱中烘三小时,然后称取第一次重量,再恒温一小时,称取第二次重量,当两次重量差不大于克时,可谓达到恒重,并记录m2。
按下列公式计算出试样的含水率。
x=(m1-m2)/m1×100%式中:x=含水率, m1-干燥前试样质量g; m2-干燥后试样质量g。
把测湿仪测试的数据和恒温后称重的数据相比较,两数据一致辞时,说明测湿仪所测数据精度准确。
为了确保无误,这样的对比较试验可连续作2-3次。
⑶、厚度的检验
测量瓦楞纸板两侧平面之间的距离所得的值为瓦楞纸板的厚度。
测量瓦楞纸板的厚度时,按要求从三个样箱的上、下摇盖或没有印刷、没有压痕和破损的箱体上每只样箱上取四块共十二块规格为250mm×200mm的试样,在恒温恒湿环境条件下处理24小时后作试验。
恒温恒湿的环境条件是:温度23℃±2℃,相对湿度50%±5%。
厚度检验使用厚度测定仪。
厚度测定仪的主要技术参数是:
测量范围:0-18mm
准确度:±
分度值:
接触压力:20±
测量面积:10±
两测量面间平行度:<
上测量头下降速度:±
测试瓦楞纸板的厚度时,试样的边缘与园形扇盘的边缘之间的最小距离不中于50mm。
每次测试前应使上、下测头紧贴调零,显示数字稳在零位后方可进行测试。
读取测试值时,不允许将手置放在仪器或试样上。
⑷、瓦楞纸板和瓦楞纸箱和性能测试共五项。
就是边压强度、耐破强度、戳穿强度和抗压试验。
性能测试必须对所以试样进行前处理。
就是将试样放在温度23℃±2℃,湿度50%±5%的恒温恒湿的环境里处理24小时后作试验。
⑸、瓦楞纸箱的型式试验共两项。
堆码试验和垂直冲击跌落试验。
按照试验规则,当出现下列情况时需作型式试验:
①制作瓦楞纸箱所使用的原材料、设计结构和加工工艺发生变动;
②供、需双方在加工承揽合同中提出要求;
③出现其它情况需要进行型式试验时。
作型式试验依照规定,所选取的试样需在温度23±2℃,相对湿度50%±5%的环境条件下予处理24小时,并在这样的环境条件下进行试验。
3、结论
外观检验、性能测试和型式试验均合格,则该检验批为合格,只要出现一项不合格,则该检验批判为不合格。
瓦楞纸箱强度是包装容器质量检验的重要技术指标,这些指标的高低,一方面反映了原材料质量的优劣程度,另一方面也反映了加工工艺的质量状况。
生产工艺情况表明,要提高瓦楞纸箱的强度,仅仅靠采购好的原材料是不够的,做好生产过程的质量控制,也是提高瓦楞纸箱强度的重要一环。
所以,正确了解和认识影响瓦楞纸箱强度的有关因素,对于更好地进行生产和提高产品质量都具有十分重要的意义。
三、纸箱验收按照以上标准及验收方式验收外,另有相关技术要求。
1、生产厂应保证生产的纸箱符合本标准和订货合同的规定并经检验部门检验合格出具合格证。
2、以相同材料、相同工艺、相同规格的同一入库日期的产品为一批,在交货的同时按本标准和订货合同的规定进行验收检验。
3 、抽样检查,其中有两项不合格,则该箱判为不合格。
4 、从选样中任取6个纸箱按本标准规定的纸板强度指标进行检验,有2件不合格者,该批全部不合格。
5 、按照具体产品用瓦楞纸箱的标准或其他技术文件的规定检验纸箱机械性能指标时,可任取3个以上的纸箱进行,以测定的平均值为该批纸箱的强度值,如无其他规定,低于规定值即为不合格。
五、若需要修改纸箱标志、印刷、尺寸规格等,经过技术部门设计确认后方可上报领导批示,然后报给厂家进行修改。