小型预制构件施工质量控制要点
- 格式:docx
- 大小:16.55 KB
- 文档页数:4
预制构件施工工艺质量控制与安装要点预制构件是指在工厂或现场按照设计要求,通过机械化或半机械化生产工艺,制造出符合国家标准和规范要求的构件。
由于其具有质量可控、生产周期短和施工效率高等优点,越来越广泛地应用于建筑施工领域。
然而,在预制构件的施工过程中,为确保工程质量,需要严格控制施工工艺和安装要点。
本文将从施工质量控制和安装要点两个方面进行论述。
一、施工质量控制1.原材料检验在预制构件施工过程中,首先需要对原材料进行检验。
原材料应符合国家标准和设计要求,并进行抽样检测。
特别要注意检验原材料的强度、密度、含水率等关键指标,确保原材料质量良好。
2.制作工艺控制预制构件的制作工艺是保证其质量的关键。
在制作过程中,需要根据设计要求,控制好每个工序的施工参数,包括搅拌时间、浇筑速度、浇筑温度等。
同时,还需要制定详细的生产工艺流程,并对每个工序进行记录和检验,以确保每一道工序都符合质量要求。
3.质量检验在制作完成后,需要对预制构件进行质量检验。
质量检验包括外观检查、尺寸检验、强度检验等。
外观检查主要是检查构件的表面光滑度、裂缝情况等;尺寸检验主要是检查构件的长度、宽度、厚度等是否符合设计要求;强度检验主要是通过抽样试验,检测构件的抗压强度和抗拉强度等。
4.运输和贮存控制预制构件在运输过程中需要注意防止碰撞和挤压,以避免破损。
在贮存过程中,需要选择干燥、通风、无腐蚀性的场地进行堆放。
同时,要注意加盖防尘罩,防止构件表面被污染。
二、安装要点1.基础处理在进行预制构件的安装之前,需要对基础进行处理。
基础处理主要包括基础的清理、加固和浇筑。
清理基础时要保持基础表面的洁净,并将其加固,以确保基础的稳定性。
浇筑基础时需要控制好混凝土的浇筑质量和浇筑厚度,避免出现质量问题。
2.安装调整在进行预制构件的安装过程中,要保证构件的位置、方向和高度的准确性。
通过调整、校正和修正等方式,确保构件的准确安装。
特别要注意检查构件之间的间隙,保证其符合设计要求。
预制构件施工规范与质量控制预制构件施工规范是指在建筑工程中,对预制构件进行安装、连接和固定等工作的标准和规范。
在确保施工质量的同时,通过预制构件施工规范能够提高工程的效率、降低成本并减少安全隐患。
本文将详细介绍预制构件施工规范与质量控制的要点。
1. 施工前的准备工作在开始预制构件的施工之前,需要进行充分的准备工作。
首先,要仔细检查预制构件的质量,确保其符合设计要求和相关标准。
其次,要对施工现场进行清理,保证施工环境整洁,并设置必要的安全警示标识,提醒工人注意施工安全。
2. 施工过程中的注意事项在进行预制构件的施工过程中,需要注意以下几个方面。
首先,要保证施工工人具备相应的技术资格和培训,能够熟练操作和安装预制构件。
其次,要按照设计图纸和施工方案进行施工,并采取必要的防护措施,保证施工过程中的安全。
此外,要控制施工进度,合理安排施工顺序,避免施工过程中的交叉影响和冲突。
3. 施工结束后的验收工作在预制构件施工完成后,需要进行验收工作。
验收包括对施工质量的检查和对安装效果的评估。
首先,要逐项检查施工质量,包括预制构件的尺寸精度、连接牢固性等。
同时,还要对施工效果进行评估,如是否满足设计要求、是否存在漏水或渗漏等问题。
若发现质量不合格或存在问题,应及时进行整改和修复。
4. 质量控制措施为了保证预制构件的施工质量,需要采取一系列的质量控制措施。
首先,要建立健全的质量管理制度,明确责任部门和人员,并制定相应的工作标准和规范。
其次,要加强对施工工人的技术培训,提高他们的技术水平和安全意识。
同时,应配备必要的施工设备和工具,确保施工过程的顺利进行。
此外,还要进行定期的检测和监测,及时发现和解决施工质量问题。
总结:预制构件施工规范与质量控制对于建筑工程的质量和进度具有重要意义。
通过严格按照规范进行施工,可以保证预制构件的安全性和稳定性,提高施工效率并降低成本。
同时,通过合理的质量控制措施,可以及时发现和解决施工中的问题,保证工程质量符合设计要求和标准。
预制混凝土构件施工质量控制一、前言预制混凝土构件在建筑工程中的使用越来越广泛,其优点包括工期短、质量可控、造价低等。
然而,由于预制混凝土构件的生产和运输过程中可能会出现一些问题,因此在施工过程中需要进行严格的质量控制,以确保预制混凝土构件的质量符合设计要求。
本文将从预制混凝土构件的施工前准备、施工过程中的质量控制和施工后验收等方面,详细介绍预制混凝土构件的施工质量控制。
二、施工前准备1.预制混凝土构件的检查在施工前,需要对预制混凝土构件进行检查。
对于已经完成生产的预制混凝土构件,需要检查其表面是否有裂缝、脱落、鼓包等缺陷,是否符合设计要求的尺寸和形状。
对于运输中的预制混凝土构件,需要检查其是否有损坏、变形等问题,以及是否符合运输要求。
2.施工现场的准备在施工前,需要对施工现场进行准备。
首先要确保施工现场的平整度和承载能力符合要求。
其次,需要准备好施工所需的机械设备和工具,包括起重机、吊装索具、脚手架、水平仪、测量工具等。
最后,需要组织好施工人员,包括工程师、技术员、操作工等,确保施工人员熟练掌握施工流程和质量控制要点。
三、施工过程中的质量控制1.吊装和安装在进行预制混凝土构件的吊装和安装时,需要注意以下几点:(1)吊装前要检查吊装设备和索具是否完好,吊装过程中要注意吊点的选择和布置,以及吊装速度和角度的控制。
(2)安装前要检查基础的平整度和承载能力是否符合要求,以及预制混凝土构件的尺寸和形状是否与设计要求相符。
(3)在安装过程中,要保证预制混凝土构件的水平度和垂直度符合要求,可以使用水平仪和测量工具进行检测。
2.连接和固定在进行预制混凝土构件的连接和固定时,需要注意以下几点:(1)连接部位要进行清理和涂刷防腐涂料,确保连接部位的质量符合要求。
(2)连接过程中要保证预制混凝土构件的尺寸和形状符合设计要求,连接件的尺寸和材质符合要求。
(3)固定过程中要注意固定件的数量和位置,以及固定力的大小和均匀性,以确保预制混凝土构件的稳定性和安全性。
预制构件施工技术及质量控制一、预制构件施工技术概述预制构件是指在工厂或施工现场预先制作好的构件,然后运输到施工现场进行组装和安装。
与传统现场浇筑相比,预制构件具有施工速度快、质量稳定、效果一致的优势。
然而,预制构件的施工技术和质量控制对于确保工程的安全和可靠性至关重要。
二、预制构件施工技术1. 构件生产预制构件的生产包括材料选择、模具制作、混凝土配合比设计、装配与浇筑等工序。
在材料选择上,需要保证材料的质量合格,特别是混凝土的强度和流动性。
模具的制作应符合设计要求,确保构件的尺寸和形状准确无误。
在装配与浇筑过程中,需要采取适当的措施保证浇筑质量,如振捣、充填等。
2. 运输与安装预制构件在运输过程中需要注意保护构件的完整性和安全性,避免受到损坏。
在安装过程中,首先要进行位置校正,确保构件的准确安装。
其次要进行稳固连接,采取适当的连接方式,如焊接、螺栓连接等。
安装过程中要注意施工现场的平整度和垂直度,保证构件的稳定性和垂直度要求。
三、预制构件质量控制1. 材料质量控制预制构件的质量控制首先需要从材料入手。
选择优质的材料,确保混凝土的强度和流动性满足设计要求。
在材料进厂前要进行检验,合格后方可使用。
材料使用过程中要注意储存条件和有效期,避免因材料老化或变质引起质量问题。
2. 构件尺寸控制预制构件的尺寸控制是施工中的关键环节。
在模具制作过程中要精确控制模具的尺寸和形状。
在装配与浇筑过程中,要严格控制混凝土的配合比,并进行振捣和充填工作,确保混凝土在模具内充分流动,避免出现空洞和裂缝。
3. 焊接质量控制预制构件中的焊接是一个重要的连接方式。
焊接质量直接关系到构件的安全性和可靠性。
在焊接过程中,要使用合格的焊材、掌握正确的焊接工艺,并进行焊缝的检测和评定。
焊接接头的设计要符合规范要求,并采取适当的焊接方法和焊接参数,确保焊接质量合格。
四、预制构件施工技术的发展趋势预制构件施工技术在近年来得到了广泛应用和推广,其发展趋势主要表现在以下几个方面:1. 自动化生产随着科学技术的发展,预制构件的生产将越来越趋于自动化。
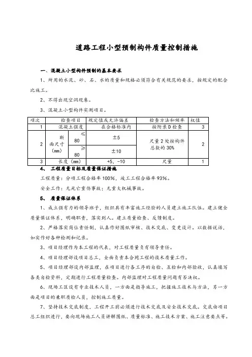
道路工程小型预制构件质量控制措施一、混凝土小型构件预制的基本要求1、所用的水泥、砂、石、水的质量和规格必须符合有关规范的要求,按规定的配合比施工。
2、不得出现空洞现象。
3、混凝土小型构件实测项目。
工程质量:分项工程合格率100%,竣工工程合格率93%。
安全工作:无死亡重伤事故;无重大机械事故。
5、质量保证体系1、成立强有力的领导班子,组织具有丰富施工经验的人员建立施工队伍。
建立健全质量保证体系,明确职责,落实到人。
建立质量检查、反馈制度。
2、严格落实岗位责任制,认真作好图纸审核、技术交底、变更设计。
以数据说话,如实作好各种检测和记录。
3、项目经理作为本工程的代表,对工程质量负有领导责任。
4、项目经理部设项目总工,全面负责本合同工程的技术质量工作。
5、项目经理部设内部监理,在项目进行各工序的自检、互检和内部验收,认真填写各类自检资料,定期进行工程质量检查。
内部监理对工程质量问题有否决权。
6、现场工区设有专业技术人员,一方面是指导施工,把握施工技术与方法,另一方面是项目的兼职质检人员,控制施工质量。
7、坚持技术交底制度,工程开工前必须进行技术交底及安全技术交底。
交底由项目总工组织进行,要向现场施工人员讲解图纸、质量标准、施工技术方案、施工注意要点等。
8、现场施工实行工序检验制度,严格实行“三检制”,即:任一工序或分项工程完成后,都必须经过工班自检、内部监理检查验证、外部监理工程师检查三个阶段,任一阶段的检查不合格均不得进行下道工序。
9、在工序检验过程中严格坚持“三不放过”原则:质量问题的原因不查清不放过、质量问题及其原因没有得到纠正不放过、有关责任人没有得到处理不放过。
7、工程施工前的质量控制准备工作1、施工前,组织技术人员认真会审设计文件和图纸,切实了解和掌握工程的要求和施工的技术标准。
2、根据工程的要求和特点,组织专业技术人员编写具体施工组织设计,编制施工计划,确定适用的施工设备并落实配备,施工中着重控制手段、检验设备、辅助装置、资源配备以达到规定的质量要求。
预制构件质量监督与控制在当今建筑行业的快速发展中,预制构件的应用日益广泛。
预制构件在工厂中预先制作完成,然后运输到施工现场进行安装,这种生产方式具有提高施工效率、保证工程质量、减少环境污染等诸多优点。
然而,要确保预制构件的质量,严格的质量监督与控制就显得尤为重要。
预制构件的质量不仅关系到建筑的结构安全和使用寿命,还直接影响着建筑的整体性能和外观效果。
如果预制构件存在质量问题,可能会导致建筑在使用过程中出现裂缝、渗漏、变形等情况,严重的甚至会危及人员的生命安全。
因此,加强预制构件的质量监督与控制,是保障建筑工程质量的关键环节。
一、预制构件质量监督与控制的要点1、原材料的质量控制原材料是预制构件质量的基础,其质量直接影响着预制构件的性能和质量。
因此,在预制构件生产过程中,必须对原材料进行严格的质量控制。
例如,对于水泥、骨料、钢筋等主要原材料,要严格检查其质量证明文件,确保其符合相关标准和设计要求。
同时,还要对原材料进行抽样检验,检验其物理性能、化学性能等指标是否符合要求。
2、生产工艺的质量控制生产工艺是影响预制构件质量的重要因素。
在预制构件生产过程中,要严格按照设计要求和相关标准制定生产工艺方案,并对生产过程进行全程监控。
例如,对于混凝土预制构件,要控制好混凝土的配合比、搅拌时间、浇筑温度、振捣方式等工艺参数,确保混凝土的强度、密实度等性能符合要求。
对于钢筋预制构件,要控制好钢筋的加工尺寸、焊接质量、绑扎方式等,确保钢筋的力学性能和连接性能符合要求。
3、模具的质量控制模具是预制构件成型的关键工具,其质量直接影响着预制构件的尺寸精度和外观质量。
因此,在预制构件生产前,要对模具进行严格的检查和验收,确保模具的尺寸精度、平整度、密封性等符合要求。
在生产过程中,要定期对模具进行维护和保养,及时发现和处理模具的变形、磨损等问题,确保模具的质量稳定。
4、成品的质量检验成品的质量检验是预制构件质量监督与控制的重要环节。
小型构件预制施工质量控制措施及要点1、振动台的制备为了防止振动台板在施工过程中变形,振动台钢板厚不宜小于8mm。
钢板下背带筋应牢固支撑并与振动台钢板满焊。
背带筋的位置应左右前后对称,振动台电机居中布置。
根据振动台板重量和预计所振动预制计的重量来确定来确定振动台板下弹簧类。
弹簧沿台板四角布置。
振动台面积不宜过大,以防振动力在边角处衰减,振动台高度以人工操作方便为宜,每个施工队准备至少两个振动台。
2、混凝土施工质量控制按照试验室的施工配合比拌制的混凝土。
拌制的混凝土要色泽均匀,无离析和泌水现象,和易性好。
拌制后及时检查混凝土的坍落度等质量指标是否符合要求,坍落度宜控制在1~3cm之间。
在混凝土中按水泥重量的2%~3%掺加亮光剂,可有效增加混凝土表面光泽。
混凝土生产过程中,一定要严格按试验确定的配合比投料,并严格控制水灰比和搅拌时间,随气候变化随时抽验砂子、碎石的含水率,以及时调整用水量混凝土添加至模具中时,应一次填足,不得出现断续添加现象,以避免后添加部分混凝土振动时间不足出现气泡,振动时间一般情况下应不低于5min.施工时严格控制振动时间。
混凝土应在初凝前将底面平整收面。
混凝土初凝后应及时覆盖洒水养生,避免出现干缩裂纹。
3、塑模的循环使用混凝土强度上升至50%即可进行拆模。
为了便于拆模,建议在当日气温最高时脱模。
拆模过程中应小心,确保不出现啃边、掉角及磕碰现象。
应将清洗干净的模具堆放整齐,防止模板变形。
4、预制件码放措施预制件码放场地应平整,有条件的应于以硬化处理。
预制件养生期满后,预制件按型号、种类分开码垛。
其中拱形骨架堆放不宜超过5层,六棱块堆放不宜超过10层。
为方便运输和防止在运输过程中的碰损,在最下层预制下应衬垫木托。
码放时每块预制件之间的接触面必须用棉毡或特制塑料泡沫隔离,以防磨损或碰损掉角。
码垛整齐后,用打包带打包成型,便于装车、运输。
小型预制构件施工质量控制要点一、施工准备阶段质量控制1、人员人员准备的核心,一是做好技术培训,明确质量标准,把生产过程和工艺规范化、制度化,使每个工人知道干什么,怎么干。
二是稳定施工队伍,保证一线生产作业人员稳定。
2、设备混凝土拌合采用60型强制式搅拌机,配备自动电子计量装置,保证混凝土拌合均匀。
根据构件类型采用选择振捣设备,框格条、六棱砖、隧道排水沟盖板采用平面振动台,U型渠、拱形骨架插入式振捣棒振捣。
3、材料水泥对于砼强度和砼色泽有较大影响,设计上C20砼使用32.5水泥,实际施工中使用42.5水泥,可以有效提高早期强度,防止拆模时缺边掉角,减少脱模时间,提高生产效率。
砂应采用级配良好、质地坚硬、颗粒洁净的天然河砂或人工机制砂,细度模数不小于2.3,含泥量小于3%,严禁使用山砂、土砂。
碎石要求石质坚硬,抗滑、耐磨及清洁,符合连续级配要求。
4、模具小型预制件通常采用钢模或塑模。
钢模具有抗变形、能力强,易于拆模,生产效率高的特点,但是混凝土外观质量通常不好。
为使砼表面光滑细腻,颜色均匀,有光泽,宜采用无再生塑料模具,进行特殊加肋设计,使模具具有良好的强度和耐久性。
5、配比混凝土配合比设计,各项指标均满足技术要求,配合比设计须经工地中心试验室、现场拌和站检验,认定其可靠性。
对水泥、水、碎石、砂的用量准确调试,经试拌检验无误,方可大面积施工。
6、拌合全部材料装入搅拌筒(从搅拌加水算起)至开始出料的最短搅拌时间不得低于2分钟。
搅拌后的混凝土,应检查混凝土拌合物的和易性。
混凝土拌合物应拌合均匀,颜色一致,不得有离析和泌水现象。
拌合后的混凝土的坍落度应控制在30mm-70mm之间,坍落度过大的话对于钢模板来说,漏浆的现象就会很严重;对塑料模板而言,虽然不存在漏浆的问题,但是坍落度过大会带来的过多水分,使得模板底的水泡不能完全排出,使得构件表面出现麻面。
坍落度过小,使得混凝土显得很干硬,在振捣的过程中不容易产生稀浆,使得气泡没有借助的导体传出,产生过大的气泡。
预制构件安装质量控制的施工工艺要点与质量把控方法预制构件是在工厂内预先制造好的构件,然后运至施工现场进行安装。
由于预制构件的制造过程受到工厂环境的限制,通常能够保证较高的质量。
然而,预制构件的安装质量直接影响整体工程的安全性和稳定性,因此需要施工工艺的精细控制以及质量的严格把控。
一、选择适用的预制构件在施工过程中,首先要根据工程的具体需求选择适用的预制构件。
这需要在施工前进行详细的设计和预算,充分考虑工程的功能要求、空间限制、材料特性等因素。
只有选择适合的预制构件,才能保证后续的安装工作符合规范,并确保工程的质量和稳定性。
二、制定施工方案在实施预制构件安装工作之前,需要制定详细的施工方案。
该方案应包括预制构件的运输、吊装、安装顺序、连接方式等信息。
方案的制定应基于实际情况和相关规范,充分考虑到施工现场的条件以及预制构件的特性,以确保施工工艺的科学合理性。
三、严格控制预制构件的质量在预制构件的制造过程中,应严格按照相关标准和规范进行操作,确保预制构件的质量符合要求。
这包括选择合适的材料、采用合理的制造工艺、加强质量监控等措施。
只有在制造环节做好质量控制,才能为后续的安装工作提供良好的基础。
四、确保预制构件的准确度预制构件的准确度对于安装工作来说至关重要。
因此,在预制构件制造过程中,应严格控制尺寸、形状、位置等要素的准确度,并采取必要的检测和调整措施。
同时,在安装过程中,也要注意预制构件的定位和对齐,避免出现偏差,确保构件的稳定性和可靠性。
五、合理选用安装方法和工具在预制构件的安装过程中,应根据具体情况选择合适的安装方法和工具。
这需要根据预制构件的性质、尺寸和施工现场的条件来确定。
合理选用安装方法和工具有助于提高施工效率,并确保安装质量的可控性。
六、加强施工人员的技术培训预制构件的安装需要经验丰富的施工人员进行操作。
因此,施工单位应加强对施工人员的技术培训和培养,提高他们的专业水平和技能。
只有具备一定的技术素质的施工人员,才能够胜任预制构件安装工作,并且能够按照要求进行质量的把控。
小型混凝土预制构件外观质量的控制在建筑工程中,小型混凝土预制构件被广泛应用,其外观质量不仅影响着建筑物的美观,还与构件的耐久性和结构性能密切相关。
因此,控制小型混凝土预制构件的外观质量至关重要。
小型混凝土预制构件的常见类型包括预制盖板、预制路缘石、预制楼梯踏步等。
这些构件通常在预制厂集中生产,然后运输到施工现场进行安装。
然而,在生产过程中,由于多种因素的影响,可能会导致构件外观出现各种质量问题,如蜂窝麻面、裂缝、色差、缺棱掉角等。
一、影响小型混凝土预制构件外观质量的因素1、原材料质量水泥的品种、强度等级、安定性等性能指标直接影响混凝土的强度和凝结时间,进而影响构件的外观质量。
骨料的级配、含泥量、针片状颗粒含量等也会对混凝土的和易性和密实度产生影响。
如果使用了不合格的原材料,容易导致构件表面出现蜂窝麻面、裂缝等缺陷。
2、配合比设计混凝土的配合比直接决定了其工作性能和强度。
水灰比过大,会导致混凝土强度降低,且表面容易产生泌水,形成水纹和砂线;砂率过小,会使混凝土和易性变差,振捣不密实,出现蜂窝麻面;外加剂的种类和掺量不当,也可能引起混凝土坍落度损失过快或过大,影响构件的成型质量。
3、模板质量模板的材质、平整度、刚度和密封性对构件外观质量有着重要影响。
使用刚度不足的模板,在浇筑混凝土时容易发生变形,导致构件尺寸偏差;模板表面不平整,会使构件表面不光滑;模板拼接处密封不严,容易产生漏浆,形成蜂窝麻面和砂线。
4、施工工艺(1)搅拌:搅拌时间不足,会导致混凝土搅拌不均匀,影响其工作性能;搅拌时间过长,又会使混凝土产生离析现象。
(2)浇筑:浇筑时分层厚度过大、振捣不密实,容易在构件内部形成空洞和蜂窝;振捣过度,会使混凝土中的粗骨料下沉,表面砂浆层过厚,出现浮浆和裂缝。
(3)养护:养护不及时或养护方法不当,会导致混凝土表面失水过快,产生干缩裂缝;养护温度和湿度控制不好,也会影响混凝土的强度发展和外观质量。
5、脱模和搬运脱模时间过早,混凝土强度不足,容易造成构件缺棱掉角;脱模时操作不当,如强行敲打模板,会损伤构件表面;搬运过程中碰撞、摔落,也会使构件外观受损。
预制构件施工技术与质量控制一、引言预制构件施工技术是现代建筑施工领域的一项重要技术,其在提高施工效率、保证工程质量以及节约资源方面具有显著的优势。
本文将介绍预制构件施工技术的基本原理和流程,并探讨如何进行有效的质量控制,以确保建筑工程的安全和可靠。
二、预制构件施工技术的基本原理1. 工程现场准备工作在开始预制构件施工之前,必须进行充分的准备工作。
这包括制定施工计划、组织施工人员、准备必要的施工设备和材料等。
同时,还需要对施工现场进行技术检查,确保施工条件满足预制构件的施工要求。
2. 预制构件制造过程预制构件的制造通常是在工厂环境下完成的。
这种制造方式可以大大提高构件的准确度和一致性。
制造过程包括选材、模版制作、骨架安装、混凝土浇筑、养护等环节。
在每个环节中,必须严格按照设计要求和工艺规范进行操作,以保证构件的质量。
3. 预制构件的运输和安装完成预制构件的制造后,需要将其运输至工地,并进行安装。
运输过程中需要注意保护构件表面免受损坏。
安装时,需要使用专用设备将构件吊装到设定位置,并进行精确定位和固定。
安装过程中,必须严格按照设计施工图纸进行操作,确保构件的准确度和稳固性。
三、预制构件施工质量控制1. 原材料质量控制预制构件的质量控制应从原材料开始。
在采购混凝土、钢材、钢筋等材料时,必须选择符合国家标准的产品,并进行抽样检测。
同时,厂家必须提供相关的质量合格证明和材料检测报告。
2. 制造过程质量控制制造过程中,必须严格按照工艺规范进行操作,并进行必要的质量检测。
例如,混凝土浇筑过程中,需要按照设计配比进行搅拌,保证混凝土的强度和坍落度符合要求。
同时,还需要进行养护,确保混凝土的早期强度和抗裂性能。
3. 施工过程质量控制在预制构件的运输和安装过程中,必须进行严格的质量控制。
运输过程中,应采取适当的保护措施,避免构件受到损坏。
安装过程中,必须按照设计要求进行操作,严格控制吊装过程中的倾斜度和偏移量。
四、预制构件施工技术的优势和挑战1. 优势预制构件施工技术具有以下几个优势:(1)高效节约:预制构件的制造过程可以与现场施工同时进行,大大缩短了工程周期。
小型预制构件施工方案一、施工前准备在进行小型预制构件的施工之前,需要进行以下准备工作:1.资料准备:根据设计图纸和相关技术规范要求,准备好施工所需的预制构件、钢筋、混凝土、脚手架等材料。
2.设备准备:检查和确认所需的施工设备是否齐全,并确保其正常工作。
3.施工人员组织:安排合适的施工人员,包括预制构件制造厂家的工人和现场施工人员,保证施工进度和质量。
4.现场准备:清理施工现场,确保施工区域的平整和安全。
二、施工过程1.钢筋安装–根据设计图纸和构造要求,按照钢筋加工图进行钢筋的预埋和连接。
–钢筋的安装要符合相关技术规范和规定的间距、间隔、弯折和连接要求。
–在钢筋加工和安装过程中,要进行质量检查和验收,确保钢筋的质量和位置准确无误。
2.预制构件运输和安装–预制构件从制造厂运输至工地时,要注意妥善保护,防止损坏和变形。
–预制构件的安装要按照设计图纸和相关规范进行,确保构件的位置、方向和垂直度等要求满足。
–在安装过程中,要进行固定和支撑,保证构件的稳定性和安全性。
3.混凝土浇筑–在预制构件的安装完成后,根据设计要求进行混凝土浇筑。
–在浇筑前,要对施工现场进行湿润处理,并进行模板的清洁和涂防粘剂处理。
–混凝土的浇筑要分段进行,避免一次性过多的浇筑量,以免造成温度裂缝和质量问题。
–在浇筑过程中,要注意控制浇筑高度和振捣,确保混凝土的均匀性和密实度。
三、施工质量控制在小型预制构件施工过程中,为了保证施工质量,需要进行以下方面的控制:1.材料质量控制–钢筋、混凝土和其他施工材料要按照国家和行业规定的标准进行检测和验收。
–对于出厂的预制构件,要检查外观、尺寸和质量,并进行检测和验收。
2.施工工艺控制–施工工艺要按照设计要求、技术规范和施工方案进行。
–在施工过程中,要做好施工记录,记录施工过程中的关键节点和质量要求。
3.施工质量检查–对钢筋、预制构件和混凝土的施工质量进行检查,确保其满足设计要求和技术规范。
–进行施工中的巡视检查,及时发现和纠正问题。
建筑施工中的预制构件安装与质量控制现代建筑施工中,预制构件的使用已经逐渐成为主流。
预制构件是在工厂内进行加工制造的构件,然后在现场进行安装。
相对于传统的现场施工方式,预制构件具有速度快、质量好、成本低的优势。
然而,预制构件的安装与质量控制也是需要高度重视的。
首先,预制构件的安装需要严格按照设计要求进行。
在进行施工前,施工方需要制定详细的安装方案,并由专业施工队伍进行安装。
安装过程中,需要进行精确的测量,确保构件位置和尺寸的准确性。
同时,还需要注意防止构件在安装过程中产生垂直方向的变形或扭曲,以免影响整体结构的稳定性。
其次,预制构件的连接方式也是关键。
在预制构件安装中,连接方式通常采用焊接、螺栓连接等方式。
不同的构件需要选择适当的连接方式,并确保连接的牢固性和稳定性。
焊接点需要经过验收,确保焊缝牢固、无裂纹、无气孔等缺陷。
螺栓连接时,需要进行预紧力的控制,以确保连接的紧固程度符合要求。
此外,质量控制也是预制构件安装过程中的重要环节。
在进行施工前,施工方需要对预制构件进行质量检查,包括尺寸、表面质量等。
检查结果需要进行记录和备份,以便后续追溯。
在安装过程中,需要进行中间验收,确保构件的质量符合要求。
同时,还要防止在搬运和安装过程中对构件造成损坏,避免出现质量问题。
预制构件安装的质量控制不仅仅是施工方的责任,建筑施工监督部门也需要加强监管力度。
监督部门应对施工方的安装方案和质量控制措施进行审查,并进行现场检查。
对于不合格的构件和施工方,应及时进行整改和处罚。
同时,建筑施工监督部门还应加强对预制构件生产企业的监管,确保构件的质量和安全性。
在建筑施工中,预制构件的安装与质量控制是与主体结构无法分割的重要环节。
只有确保预制构件的安装质量,才能保证整体结构的稳定和安全。
因此,在施工过程中,需要注重细节,严格控制每一个环节。
建筑施工监管部门应加强监管,确保预制构件的质量符合标准,为建筑施工的安全和可持续发展提供保障。
预制构件质量标准及保证措施一、预制构件安装施工前质量控制措施1构件制作的模板分项工程、钢筋分项工程和混凝土分项工程质量验收,按照《混凝土结构工程施工质量验收规范》及《装配式混凝土结构技术规程》的要求执行。
2.构件生产时门窗子分部工程,饰面板(砖)子分部工程和涂料子分部工程质量,按照《建筑装饰装修工程质量验收规范》要求执行。
3.预制构件生产用原材料水泥、砂子、石子、钢筋质量应符合国家现行规范要求。
4.进入现场的预制构件必须进行验收,其外观质量、尺寸偏差及结构性能应符合设计及《装配式混凝土结构技术规程》(JGJ1)的要求。
5.构件安装前,应认真核对构件型号、规格及数量,保证构件安装部位准确无误。
6.用于检查和验收的检测仪器应经检验合格方可使用,精密仪器如经纬仪和水平仪等应通过国家计量局或相关单位进行检验。
二、预制构件安装检验质量标准1.预制构件安装施工质量应符合《混凝土结构工程施工质量验收规范》及《装配式混凝土结构技术规程》的规定。
2,预制PC构件应采用吊装梁吊装,吊装时应保持吊装钢丝绳竖直。
3.预制PC墙板节点区后浇混凝土应采取可靠的浇筑质量控制措施,确保连续浇筑并振捣密实。
4.预制构件安装完成后,应采取有效可靠的成品保护措施,防止构件损坏。
5.预制内墙板安装质量标准条板隔墙安装的允许偏差和检验方法三、装配式结构节点区施工质量标准6.预制墙板现浇节点区混凝土浇筑前,应进行预制墙板甩出钢筋及构件粗糙面隐蔽验收。
7.预制墙板节点区后浇混凝土应采取可靠的浇筑质量控制措施,确保连续浇筑并振捣密实。
8.预制构件安装完成后,应采取有效可靠的成品保护措施,防止构件损坏。
四、预制构件拼缝防水节点施工质量标准1预制构件拼缝处防水材料必须符合设计要求,并具有合格证及检测报告。
必要时应提供防水密封材料进场复试报告。
2.拼缝处密封胶打注必须饱满、密实、连续、均匀、无气泡,宽度和深度符合要求,胶缝应横平竖直、深浅一致、宽窄均匀、光滑顺直。
技术规范小型构件质量要求1、本项目小型预制构件圬工采用C20、C25、C30预制混凝土,需注意各构件标号。
2、所用水泥采用强度不低于42.5的普通硅酸盐水泥。
水泥运至工地后应抓紧进行试验,合格后尽快使用,出厂期超过三个月或可能已受潮的水泥必须做复核试验,监理人根据试验结果决定正常使用或不得使用。
承包人及监理人应对进场水泥数量、生产日期、存放地点、使用时间做详细施工记录。
3、混凝土所用的水泥、石、砂、水和外掺剂的规格和质量应符合有关规范的要求,施工前应做好配合比试验。
混凝土拌合应在5℃~32℃间进行。
混凝土塌落度控制在3~7cm。
4、粗骨料选用强度高、连续级配好、低碱活性的碎石。
同一颜色的碎石,其产地、规格必须一致。
应选择含泥量小于1%、粒径5~25mm、压碎值小于20%的碎石,其他性能应符合国家标准。
5、细骨料细集料宜采用河砂,细度模数宜采用2.3~3.2之间的I区、II区中砂、中粗砂,含泥量小于1%,其他性能应符合国家标准。
6、混凝土采用拌合机拌制,各种原材料的用量应严格按照配合比要求进行称重计量,拌合各类原材料允许偏差应控制在以下范围:水泥±1%,粗、细集料±2%,水±1%。
7、钢筋混凝土预制块不得有露筋和空洞现象。
8、混凝土预制块外观要轮廓清晰整齐、线条顺直美观,无凹凸不平现象,不得有翘曲现象,不得有裂缝、坑槽,杜绝在拆模时损坏棱角。
平整度按5mm控制,裂缝缝宽不大于0.15mm,裂缝长度不大于边长1/5,否则为不合格产品。
9、混凝土预制块尺寸偏差要求宽度及厚度±5mm,长度-5mm。
10、承包人应负责做好预制块包装、运输等,轻拿轻放,防止运输过程中发生损坏,损坏的预制块严禁运送至施工现场。
11实体和外观质量检验出厂前构件实体强度检测必须满足设计规定要求;构件表面光滑、手感细腻、无明显水纹水印、颜色纹理均匀一致;构件外露面变形量小于2mm,表面平整无明显缺边掉角和崩边现象。
小型构件预制、安装监理实施细则一、前言1.小型预制构件是路基、路面工程中的外观工程,施工中必须做到“内实外光、色泽一致”,严格控制施工中的每一个环节,为了保证小型构件预制、安装施工质量,加强现场质量控制,现制定本细则。
2.本细则包括路缘石、六棱花砖、拱形护坡、边沟盖板、排水沟预制砼板、新泽西护栏预制、安装及资料整理等有关工程监理细则。
3.本细则未详尽之处,须按国家有关规范规定执行。
二、基本要求1 所用的水泥、砂、水、和外掺剂的质量和规格必须符合有关规范的要求,按规定的配合比施工。
2 构件外形轮廓清晰,线条直顺,不得有空洞、翘曲现象。
3 混凝土表面平整,无蜂窝,颜色一致。
4 预制构件几何尺寸符合设计要求。
5 预制构件须置于稳定的基础或坡体上。
三、质量控制1施工前准备工作1.1原材料在承包人自检合格后进行抽检,其中试验工程师对进场的水泥必须采用同一批次、同一品牌、质量稳定的产品,保证混凝土构件外观色泽一致:对砂、石料细度模数、级配检查,保证拌制好的砼具有良好的和易性。
1.2复核审查分项开工报告。
1.3现场监理根据质量要求,检查机械及模板,满足光洁度及几何尺寸要求,对粗糙变形的严禁使用。
2 构件预制2.1检查是否按施工配合比施工及砂石料的清洁度,并对砂石料含水量进行检测,及时调整施工配合比。
2.2施工过程中,经常检查砼坍落度及机械性能。
2.3在浇筑过程中经常检查小型预制构件成型外观,加强其边部振捣,保证其密实,做好混凝土表面处理,保证表面光洁。
2.4督促承包人做好养护工作,及时覆盖养生,为防止浇筑后下雨冲刷表面水泥浆,要求用土工布覆盖后,顶面覆盖一层塑料薄膜,搬运存放后,用土工布覆盖,集中洒水保湿养生,安排专人负责,养生期不小于7天。
防止出现裂缝、降低强度、影响外观。
2.5小型预制构件搬运存放时标注好浇注日期,防止碰损,以利达到强度后安装。
2.6现场监理按规定检查混凝土质量,按每台班进行一组试件抽检,进行室内养护,做好强度试验报告。
预制构件安装规范与质量控制一、引言预制构件是现代建筑施工领域中广泛应用的一种建筑材料,其采用工厂化生产方式,能够大幅度提升施工效率并保证工程质量。
然而,在预制构件的安装过程中,规范和质量控制是至关重要的。
本文将探讨预制构件安装的规范要求以及质量控制的重要性。
二、预制构件安装规范的要求1.前期准备工作在进行预制构件安装之前,必须进行充分的前期准备工作。
这包括对施工现场的勘测和预处理、预制构件的验收和检查、安装工具和设备的准备等。
这些准备工作的严谨性直接影响到后续施工的顺利进行。
2.安装程序和顺序预制构件安装的程序和顺序是按照设计要求和施工方案来进行的。
在安装过程中,必须按照正确的程序和顺序进行,以确保构件之间的连接紧密、牢固。
关键环节如施工定位、吊装、安放等必须按照规范要求执行。
同时,还需注意相邻构件之间的尺寸和位置的控制,以确保施工的准确性和一致性。
3.施工工艺和操作要点施工工艺和操作要点是指在预制构件安装中需要注意的细节问题。
这包括施工现场的环境要求、施工材料的选择和配比、安装速度的控制、各工序之间的协调配合等。
只有在严格遵守规范要求和施工工艺要点的前提下,才能确保预制构件安装的质量和稳定性。
三、质量控制的重要性1.安全性预制构件的安装质量直接关系到建筑结构的安全性。
合理的质量控制措施可以降低施工过程中的安全风险,确保预制构件的可靠性和稳定性。
通过有效的质量控制措施,可以有效防止安装过程中出现的安全事故和质量问题。
2.经济性预制构件的工厂化生产能够提高施工效率,减少了现场施工所需的时间和人力资源。
而且,合理的质量控制措施也能够减少材料的浪费和损耗,降低工程成本。
因此,质量控制对于施工方来说具有重要的经济意义。
3.持续性预制构件在安装后需要与其他构件进行连接和固定,以形成整体的建筑结构。
在质量控制过程中,需要保证连接方式的合理性和可靠性,以确保建筑整体的持续稳定性。
只有定期维护和检查,才能确保预制构件的安装质量长期有效,并避免可能出现的问题。
小型预制构件施工质量控制要点
一、施工准备阶段质量控制
1、人员
人员准备的核心,一是做好技术培训,明确质量标准,把生产过程和工艺规范化、制度化,使每个工人知道干什么,怎么干。
二是稳定施工队伍,保证一线生产作业人员稳定。
2、设备
混凝土拌合采用60型强制式搅拌机,配备自动电子计量装置,保证混凝土拌合均匀。
根据构件类型采用选择振捣设备,框格条、六棱砖、隧道排水沟盖板采用平面振动台,U 型渠、拱形骨架插入式振捣棒振捣。
3、材料
水泥对于砼强度和砼色泽有较大影响,设计上C20砼使用32.5水泥,实际施工中使用42.5水泥,可以有效提高早期强度,防止拆模时缺边掉角,减少脱模时间,提高生产效率。
砂应采用级配良好、质地坚硬、颗粒洁净的天然河砂或人工机制砂,细度模数不小于2.3,含泥量小于3%,严禁使用山砂、土砂。
碎石要求石质坚硬,抗滑、耐磨及清洁,符合连续级配要求。
4、模具
小型预制件通常采用钢模或塑模。
钢模具有抗变形、能力强,易于拆模,生产效率高的特点,但是混凝土外观质量通常不好。
为使砼表面光滑细腻,颜色均匀,有光泽,宜采用无再生塑料模具,进行特殊加肋设计,使模具具有良好的强度和耐久性。
5、配比
混凝土配合比设计,各项指标均满足技术要求,配合比设计须经工地中心试验室、现场拌和站检验,认定其可靠性。
对水泥、水、碎石、砂的用量准确调试,经试拌检验无误,方可大面积施工。
6、拌合
全部材料装入搅拌筒(从搅拌加水算起)至开始出料的最短搅拌时间不得低于2分钟。
搅拌后的混凝土,应检查混凝土拌合物的和易性。
混凝土拌合物应拌合均匀,颜色一致,不得有离析和泌水现象。
拌合后的混凝土的坍落度应控制在30mm-70mm之间,坍落度过大的话对于钢模板来说,漏浆的现象就会很严重;对塑料模板而言,虽然不存在漏浆的问题,但是坍落度过大会带来的过多水分,使得模板底的水泡不能完全排出,使得构件表面出现麻面。
坍落度过小,使得混凝土显得很干硬,在振捣的过程中不容易产生稀浆,使得气泡没有借助的导体传出,产生过大的气泡。
二、施工中质量控制要点
1、在钢模板于混凝土地坪之间应该采取一种保护连接措施,减少漏浆的发生。
通常情况,在地坪上铺一层细砂,厚度2cm,砂层要平整,然后在砂子上面铺一层地膜,再把模板嵌在砂子中。
2、混凝土浇筑前,塑料模具必须用稀盐酸进行清洗,再用清水冲刷,抹布擦干净,保证模具清洁。
施工模板都要都要刷脱模剂,便于脱模。
脱模剂的种类不同对小构件成品的外观有很大的影响,对钢模板应刷一些粘度较高、颜色轻的脱模剂,钢模板本身可以吸收一定的脱模剂;对塑料模板脱模剂的粘度可以较低一些。
脱模剂的量一定要控制好,要保证凡是接触混凝土的模板面上都要有脱模剂,防止出现粘模现象,从而影响外观质量。
3、检查模板尺寸及平整度,确认合格后方可浇筑,浇筑时设专人看模,发现模板变形时及时纠正。
4、将装满后的混凝土塑料模具放到振动台上,严格控制振动时间,精确到秒,振动时间为30秒,直到模具内的气泡完全排出,混凝土表面平整,不过振、不漏振。
5、混凝土浇筑完成后,用抹子将混凝土表面抹平,以防止表面出现裂缝。
然后运至养生地点,尽快用土工布或塑料薄膜覆盖,24小时后撤掉土工布或塑料薄膜。
6、混凝土强度达到一定程度后与模具产生一定的缝隙,
此时可以脱模,脱模时间宜选在温度较高的中午,易于脱模。
7、混凝土预制块在达到一定强度后,采用集中喷淋覆盖养生,养生期不少于7天。
8、混凝土小型预制件的移动、拉运,必须采人工装车、卸车,并注意轻拿轻放,防止预制件损坏。