组织环境与风险机遇分析表
- 格式:docx
- 大小:17.42 KB
- 文档页数:2
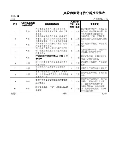
组织部门:办公室风险和机遇评估分析表部门:工程管理部风险及机遇的识别风险及机遇的评估风险及机遇应对措施执行情况序号风险和机遇发生频率×严重程度等级配合部门时限1 风险:管理人员技术能力不足;机遇:加强培训,提高相关人员工作专业性3×4=9一般1.对部分管理人员进行全面技术培训,提高其技术能力方可独立进行项目施工;2.根据不同岗位进行特定方面的培训,提高本身专业技能办公室全年2 风险:设备产品问题机遇:加强设备管理,提高安全性4×5=20高1、针对设备产品质量出现问题的情况,及时与设备厂商沟通,并要求其禁止或减少类似情况发生。
2、提高本部门设备采购监管能力,对设备品控进行严格管理工程管理部全年3 风险:内部人员沟通不及时机遇:培养团队合作意识,增强团队凝聚力。
3×3=9一般多组织团队活动,促进团队之间沟通,增强管队意识和团队凝聚力。
各部门全年4 监视和测量资源配置数量不够、精度不够、未及时检定和校准,导致结果失效5×3=15高建立监视和测量资源设备台账,按要求进行周期检定的校准工程管理部项目部全年5 应急管理风险:预案未及时制定;制定不符合企业实际,无实操性;未及时组织应急演习;配备的应急设施数量不够、未及时检定更换;机遇:有效的应急管理减少或杜绝公司环境污染事故发生3×4=12一般1.按照年初的安全培训计划对全体员工进行两次消防演练,请消防人员现场授课,讲解灭火器材的使用,初期火源的控制,消防知识等,提高全员对火灾的防范,自救能力。
2.全办公区域禁烟,张贴禁烟标识。
3.全场配备灭火器,定期检验,保证有效使用。
4.醒目位置张贴消防宣传资料,警示标语。
各部门全年6 风险:环境安全检查不及时、不到位;未建立有效的环境运行、职业健康安全防护检查制度2×2=4低建立健全环保、安全管理制度,严格落实执行办公室全年7 风险:事故发生后未及时通知易受5×1=5一般发放告知书,通过走访等方式传递环境及安全管理各部门全年编制人:审核人:识别日期:2021年1月12日组织部门:办公室风险和机遇评估分析表部门:技术部风险及机遇的识别风险及机遇的评估风险及机遇应对措施执行情况序号风险和机遇发生频率×严重程度等级配合部门时限1 风险:市场人员业务能力不足机遇:加强培训,提高相关人员工作专业性3×5=15高1.对市场人员进行一对一实际辅导,增强业务技能;2.通过公司内部模拟进行培训,提高应对问题能力办公室全年2 风险:与客户沟通能力问题机遇:增强与客户的沟通,提高顾客满意度3×2=6一般提高项目人员和客户进行交底、工程进度交流的能力,提高客户满意度。
4风险和机遇评估分析表(综合表)风险和机遇识别分析评价表序号过程风险+机遇描述严重程度发⽣频次风险系数风险级别风险对策策划的控制措施责任部门完成时间措施有效性检查⼈/⽇期1组织环境管理组织内外部环境识别不全、信息不准确,使企业对⾃⾝的优势、劣势、机遇和风险不清楚或误判313低降低严格按照《MCS-N365组织环境与相关⽅要求控制程序》,充分识别组织环境,按规定进⾏监视和评审;GMD2018.04有效2相关⽅管理相关⽅需求和期望识别不完整、不正确,影响企业与相关⽅合作212低降低按照《MCS-N365组织环境与相关⽅要求控制程序》,充分识别相关⽅要求并采取相应对策。
GMD2018.04有效3环境因素对环境因素和重要环境因素识别不充分,引起环境事件发⽣。
313低降低执⾏相应程序⽂件,组织各部门⼈员参与岗位环境因素识别,加强岗位重要环境因素的培训PRD2018.03有效4危险源对危险源和重要危险源未认真进⾏识别,引起员⼯⼈⾝伤害事故。
313低降低执⾏相应程序⽂件,组织各部门⼈员参与岗位危险源和重要危险源识别,对重要危险源应明确标识。
PRD2018.03有效5法律法规法律法规识别不全、适⽤性不够或不充分,不能有效指导⼯作313低降低定期识别、收集,定期更新,重要条款予以培训或纳⼊制度中。
PRD2018.03有效6危废处理危险固废、电池等废弃物没有委托有资质的单位处理.414低规避按法规规定,委托有资质的单位进⾏处理;定期识别、收集、更新法律法规。
PRD2018.03有效7新产品开发新产品开发周期长414低接受增加新产品开发投⼊,为新产品开发提供资源⽀持(如⼈员、资⾦等)。
TEC2018.01~12正在进⾏中8外部供⽅管理外部供⽅(核级锻件)因质量、制造进度等原因影响交货期,进⽽影响公司⽣产进度。
414低与外部供⽅(核级锻件)⽣产商多沟通,督促对⽅加快进度,同时通过驻⼚监造来监控质量。
QC2018.01~12正在进⾏中9订单管理1.客户要求识别不充分、不完整或理解存在偏差,导致输出的⽂件不充分。
组织环境风险和机遇评估分析表(ISO9001-2022)类型类别法规要求外部因素相关方要求外部因素及相关方描述法律、法规内容的变化行业标准的变化监管部门的监管力度供应商的要求风险及机遇的识别风险和机遇风险:公司通过了欧盟、韩国药监部门的检查,公司部份产品作为原料药在以上区域进行销售,公司对当地国的法律法规是否充分采集评估,并转化为公司制度执行,符合新法规要求机遇:公司产品机构调整,给公司带来潜在的客户风险:公司现有的制度,是否符合新行业标准的要求机遇:行业生产环境变化,给公司带来潜在的客户风险:监管部门监管力度的加大,如公司执行不规范,可能存在被查处的风险机遇:行业生产环境的变化,给公司带来新的发展机遇风险:原材料市场不稳定,希翼签订的年度风险及机遇的评估发生可能性等级×严重性4×4=16 高4×3=12 普通4×3=122×3=6风险及机遇应对措施1.主要职能部门按照要求加强相关产品销售区域所在地法律法规的采集评价2.贸易部门加大市场开辟1.主要职能部门按照要求加强法律法规的采集评价2.贸易部门加大市场开辟1.各级部门严格按照公司的规章制度开展相关工作2.职能部门加大公司内部制度执行情况的检查对公司影响较大的大宗原材执行情况执行部门QA 室、企管部、安环部、生产创造部贸易部、国际贸易部QA 室、企管部、安环部、生产创造部贸易部、国际贸易部生产车间、物资储运部、QC 室QA 室、企管部、安环部、生产创造部总经理室、物资采购时限全年全年全年全年全年全年全年普通普通合同和保底价格,带来的采购和资金风险料做好年度采购计划部、进口物资管理部机遇:原材料可能会降低编制人:日期:审核人:审核日期:组织环境风险和机遇评估分析表类型类别相关方要求外部因素技术外部因素及相关方描述客户的需求第三方的要求新领域、新设备、新工艺风险及机遇的识别风险和机遇风险:客户对产品质量标准提高,以及对供应周期和售后服务的期望值提升,给公司生产、质量和售后管理提出新的要求机遇:市场竞争的加剧,公司管理水平的提升,会给公司带来潜在的发展机遇风险:公司运行中可能会对第三方产生不利的影响,或者是第三方的要求公司目前无法满足,由此造成的冲突机遇:第三方要求会完善公司的管理水平风险:公司现有的工艺、设备如果比较落后,造成产品的成本较高,缺少市场竞争力。