执行器选择习题
- 格式:ppt
- 大小:199.50 KB
- 文档页数:20
机器人末端执行器1具有齿形指面的夹钳式手部,一般适合拾取。
[ 单选题:6 分]A 已加工具有光滑表面的零件B 粗糙的毛坯件C 具有较大平面的零件D 易碎类零件试题解析您的答案:B回答正确2指端为平面的夹钳式手部,一般适合拾取零件。
[ 单选题:6 分]A 棒类B 球类C 具有平行平面的D 易碎类试题解析您的答案:C回答正确3气吸式手部的工作原理为吸盘内部气压应外界大气压[ 单选题:6 分]A 大于B 小于C 等于D 以上都不对试题解析您的答案:B回答正确4以下哪项非工业机器人手部的特点[ 单选题:6 分]A 其开合动作不计入机器人自由度B 通用性差C 是一个独立的部件D 一般适合拾取多种类型的工件试题解析您的答案:D回答正确5真空发生器利用了进行工作的。
[ 单选题:6 分]A 热力学效应B 光学效应C 伯努利效应D 以上都不对试题解析您的答案:C回答正确6气吸式的应用特点包括[ 多选题:8分]A 依靠摩擦力拾取工件B 适合夹取易碎类零件C 需要工件有两个可夹持的表面D 一般需要工件平整无凹槽试题解析您的答案:BD回答正确7夹钳式手部一般包括[ 多选题:8分]A 手指B 驱动部分C 传动部分D 支撑部分试题解析您的答案:ABCD回答正确8夹钳式手部中的传动机构用以[ 多选题:8分]A 改变力的大小B 改变速度大小C 改变运动方向D 改变运动形式试题解析您的答案:ABCD回答正确9为了增大夹钳式手部与工件之间的摩擦力,可以采用[ 多选题:8分]A V型指端B 光滑的指面C 齿形指面D 柔性指面试题解析您的答案:CD回答正确10气吸式手部按压力差形成方法不同可分为[ 多选题:8分]A 真空吸附式B 气流负压吸附式C 挤压排气式D 充气式试题解析您的答案:ABC回答正确11气流负压吸附式手部需要压缩的高压气体来实现[ 判断题:6分]正确错误试题解析您的答案:正确回答正确12具有平动型传动机构的机器人手部,其一般由一个平行四边机构来驱动手指运动。
第四章执行器练习题
一填空题
1.在自动控制系统中控制器的作用是通过()完成的。
2.电动执行器具有(),便于集中控制等优点。
3.选用不同的()和装配形式,可以改善阀门流量特性和正反作用形式。
4.气开、气关的选择与()有关,其原则是一旦信号中断,调节阀的状态能保证人和设备的安全。
5.一般的蒸气锅炉阀选择()阀,一旦控制信号中断,阀处于全开状态,保证供水,不至于烧坏锅炉。
6.用来控制加热炉的燃料油的控制阀,一般选用()阀,当控制信号中断后,阀就处于关闭状态,保证燃料供应中断,燃烧停止。
7.调节阀从信号的控制作用来看,可分为()和()两种形式。
二、判断题
1.阀门定位器是气动执行机构的辅助装置,按输入信号来分,可分为气动阀门定位器和电—气阀门定位器。
()
2.直通双座阀不宜用在高黏度、含悬浮颗粒和含纤维的场合。
()
3.隔膜阀泄漏量大,不能用于腐蚀性的场合。
()
4.按所用能源形式不同,执行器可分为电动、液动、手动三类。
三、选择题
1.气动执行器由()和控制机构两部分组成。
A.气动调节机构B.气动执行机构
C.电气转换机构D.阀门定位器
2.气开气关的选择与()有关。
A.控制器形式B.管道的位置
C.生产安全D.工艺要求
3.阀门定位器的作用不包括()。
A.改善静特性B.改善动特性
C.实现串级控制D.改变正反作用形式
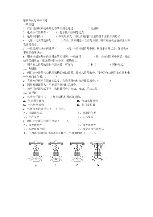
4.下列调节阀的作用形式为正作用、气开阀的是()。
传感器与执行器考试试题一、选择题(每题2分,共40分)1. 传感器的作用是什么?A. 检测环境参数并将其转换为电信号B. 控制执行器的运动C. 提供电源给其他设备D. 分析数据并生成报告2. 下列哪个不属于传感器的分类?A. 光学传感器B. 声学传感器C. 电磁传感器D. 电动机3. 以下哪种传感器适用于测量温度?A. 压力传感器B. 光敏传感器C. 温度传感器D. 加速度传感器4. 使用光电传感器可以实现什么功能?A. 检测物体的颜色B. 测量水的浑浊度C. 判断物体的重量D. 计算风速5. 执行器的作用是什么?A. 将电信号转换为环境参数B. 控制传感器的工作C. 储存环境参数D. 实现机械动作6. 以下哪种不属于执行器的分类?A. 电动机B. 汽缸C. 马达D. 传感器7. 以下哪种执行器适用于控制水流?A. 电动机B. 液压缸C. 伺服马达D. 线性马达8. 使用电磁阀可以实现什么功能?A. 控制气体或液体的流动B. 测量电压C. 生成高频信号D. 传感器的供电9. 传感器和执行器在自动化系统中的关系是什么?A. 传感器负责检测环境参数,执行器负责控制作用B. 传感器和执行器没有直接的联系C. 传感器和执行器只能同时工作D. 执行器负责产生环境参数,传感器负责控制作用10. 下列哪种传感器适用于测量压力?A. 温度传感器B. 光敏传感器C. 压力传感器D. 加速度传感器二、简答题(每题10分,共20分)1. 请简要描述传感器的工作原理。
2. 请举例说明传感器在工业自动化中的应用。
3. 请解释什么是执行器的反馈控制。
4. 简述电动机的工作原理。
5. 请说明液压缸在机械加工中的作用。
三、综合题(20分)某工厂正在进行自动化改造,需要选购适合的传感器和执行器,请你给出具体的建议。
根据该工厂的需求,分析以下几个参数,并推荐适用的传感器和执行器。
1. 工厂需要测量温度和湿度,并将数据传输给控制系统。
执行器试题及答案执行器培训试题姓名成绩一、填空题。
1、执行器是自动控制系统中的执行机构和控制阀组合体。
它在自动控制系统中的作用是接受来自调节器发出的信号,以其在工艺管路的位置和特性,调节工艺介质的流量,从而将被控数控制在生产过程所要求的范围内。
2、按输入控制信号分类,执行器分为可以输入空气压力信号、直流电流信号、电接点通断信号、脉冲信号等几类。
3、执行器按所用驱动能源分为气动、电动和液压执行器三种。
4、电动执行器有五种类型,分别是:直行程电动执行器、角行程电动执行器、电动调节阀、PID电动调节执行器和电磁阀。
5、执行器由执行机构和调节机构两个部分组成。
6、对于执机构最广泛的定义是:一种能提供直线或旋转运动的驱动装置,它利用某种驱动能源并在某种控制信号作用下工作。
执行机构使用液体、气体、电力或其他能源并通过电机、气缸或其他装置将其转化为驱动作用。
7、按动作规律,执行器可分为开关型、积分型和比例型三类。
8、直行程与角行程电动执行器的作用是接收调节器或其它仪表送来的0~10,4~20毫安或1~5伏电压的标准值流电信号,经执行器后变成位移推力或转角力矩,以操作开关、阀门等,完成自动调节的任务二、判断题。
1、按动作规律,执行器可分为开关型、积分型和比例型三类。
(T )2、执行机构使用电力能源通过电机、气缸或其它装置将其转化成驱动作用。
(T )3、阀门启闭所需的扭力决定着电动执行器选择多大的输出扭力。
(T)4、按输出位移的形式,执行器有非线型和线型两种。
(F )5、电动执行器适用与防火防爆的场合。
(F )6、电机的启动电容损坏无法接收执行器信号。
(F )7、电动执行器的控制模式一般分为开关型(开环控制)和调节型(闭环控制)两大类。
(T )8、直行程电动执行器、角行程电动执行器、电动调节阀、PID电动调节执行器都是DDZ型。
(T )三、简答题。
1、执行器的定义。
执行器是自动控制系统中的执行机构和控制阀组合体。
执行器基础知识单选题100道及答案解析1. 执行器在自动控制系统中起的作用是()A. 测量被控量B. 比较偏差C. 控制被控对象D. 计算偏差答案:C解析:执行器在自动控制系统中用于控制被控对象,实现对被控量的调节。
2. 下列不属于执行器的是()A. 调节阀B. 变送器C. 电动执行机构D. 气动执行机构答案:B解析:变送器属于测量变送环节,不是执行器。
3. 电动执行器的能源是()A. 压缩空气B. 电能C. 液压能D. 热能答案:B解析:电动执行器依靠电能驱动工作。
4. 气动执行器的能源是()A. 压缩空气B. 电能C. 液压能D. 热能答案:A解析:气动执行器以压缩空气为动力能源。
5. 执行器按其使用能源形式可分为()A. 电动、气动和液动B. 直行程和角行程C. 薄膜式和活塞式D. 正作用和反作用答案:A解析:执行器根据能源形式分为电动、气动和液动三类。
6. 直行程电动执行器接收的信号是()A. 0 - 10mAB. 4 - 20mAC. 0 - 5VD. 1 - 5V答案:B解析:直行程电动执行器通常接收 4 - 20mA 的标准信号。
7. 角行程电动执行器接收的信号是()A. 0 - 10mAB. 4 - 20mAC. 0 - 5VD. 1 - 5V答案:B解析:角行程电动执行器也常接收 4 - 20mA 的信号。
8. 气动薄膜执行机构的输入信号压力范围是()A. 0.02 - 0.1MPaB. 0.04 - 0.2MPaC. 0.06 - 0.3MPaD. 0.08 - 0.4MPa答案:B解析:气动薄膜执行机构的输入信号压力一般为0.04 - 0.2MPa。
9. 气动活塞执行机构的输出力比气动薄膜执行机构()A. 小B. 大C. 相等D. 无法比较答案:B解析:气动活塞执行机构的输出力通常比气动薄膜执行机构大。
10. 下列执行器中,动作速度最快的是()A. 电动执行器B. 气动薄膜执行器C. 气动活塞执行器D. 液动执行器答案:D解析:液动执行器的动作速度相对较快。
PN9000系列气动控制阀测试题1.现场消毒锅气动控制阀可分为哪三个部分?分别叫什么名字?2.如执行器铭牌上所示,SPRING范围是2.0-4.0bar时,压缩空气供给压力应控制在多少bar g?3.图中所示为EP5定位器内部结构,其中红色圈中的部分分别叫什么旋钮?分别起到调节什么的作用?如果出现执行器动作不正常时,应该清洁哪两个旋钮?4.EP5定位器在安装时应该让执行器开度在多少?是否有定位对准线?如有,在什么位置?5.执行器EPRING范围是2.0-4.0bar g时,执行器的出厂默认预紧力是多少?若出现控制阀关不严需调节执行器预紧力的情况,应如何调节?6.EP5定位器的信号输入范围是多少?分别对应0%-100%的电流值是多少?EP5定位器的供电电压是多少?7.执行器铭牌限制压缩空气最大供汽压力为6bar g,如果超过此限制压力,会存在什么隐患?8.如下图所示,执行器在检修膜片及弹簧组件时,拆卸时应如何预防弹簧的突然伸张?如图中红色指示的膜片出现破损时,从执行器外部该如何判断是否已破损?9.如发现因KE73控制阀阀体部分卡焊渣或结垢后出现关不严现象,应如何处理阀芯阀座?10.如需要调整EP5定位器的朝向,以方便维修EP5定位器,要松开图中所示锁紧螺母,在旋转调整执行器朝向时,应注意什么?如何预防在调整时磨损阀芯阀座?参考答案1.三部分分别是执行器、定位器及控制阀阀体,分别叫PN9000系列气动执行器、EP5定位器、KE73控制阀阀体。
2. 4.5-5.0bar g 。
3.1=行程调节旋钮、2=灵敏度调节旋钮、3=阻尼调节旋钮、4=零点调节旋钮。
出现执行器动作异常时,可将灵敏度及阻尼调节旋钮拧下,通压缩空气吹扫两个旋钮。
4.EP5定位器在更换安装时,需要直接给执行器通压缩空气使其开启至50% 开度,再拧紧EP5定位器固定螺栓时,需要将额EP5定位器左侧面的豁口对其,才能保证定位器摆杆在规定的行程范围内动作。