国标电线平方数和直径一览表
- 格式:doc
- 大小:370.00 KB
- 文档页数:5
国标电线平方数和直径一览表公司标准化编码 [QQX96QT-XQQB89Q8-NQQJ6Q8-MQM9N]换算方法:知道电线的平方,计算电线的半径用求圆形面积的公式计算:电线平方数(平方毫米)=圆周率(3.14)×电线半径(毫米)的平方知道电线的平方,计算线直径也是这样,如:2.5方电线的线直径是:2.5÷3.14 = 0.8,再开方得出0.9毫米,因此2.5方线的线直径是:2×0.9毫米=1.8毫米。
知道电线的直径,计算电线的平方也用求圆形面积的公式来计算:电线的平方=圆周率(3.14)×线直径的平方/4电缆大小也用平方标称,多股线就是每根导线截面积之和。
电缆截面积的计算公式:0.7854 × 电线半径(毫米)的平方× 股数如48股(每股电线半径0.2毫米)1.5平方的线:0.785 ×(0.2 × 0.2)× 48 = 1.5平方电缆线国家标准技术参数表0.3MM平方 16 0.15MM 6A0.4MM平方 23 0.15MM0.5MM平方 28 0.15MM0.75MM平方 42 0.15MM 14A1.5MM平方 48 0.2MM 25A2.5MM平方 19 0.41MM 34A标称截面积铜丝根数单根直径参数截流0.3MM平方 16?0.15MM6A0.4MM平方 23?0.15MM?0.5MM平方? 28?0.15MM?0.75MM平方? 42?0.15MM14A1.5MM平方48 0.2MM25A2.5MM平方?19? 0.41MM 34A标称截面积计算方法:标称截面积=单根铜线半径的平方*3.14(圆周率)*铜线根数换算方法:知道电线的平方,计算电线的半径用求圆形面积的公式计算:电线平方数(平方毫米)=圆周率(3.14)×电线半径(毫米)的平方知道电线的平方,计算线直径也是这样,如:2.5方电线的线直径是:2.5÷3.14 = 0.8,再开方得出0.9毫米,因此2.5方线的线直径是:2×0.9毫米=1.8毫米。
国标电线平方数和直径一览表注:以上导体直径指BV 塑铜线及 BLV 塑铝线换算方法:知道电线的平方,计算电线的半径用求圆形面积的公式计算:电线平方数(平方毫米)=圆周率(3.14)×电线半径(毫米)的平方知道电线的平方,计算线直径也是这样,如: 2.5方电线的线直径是:2.5÷ 3.14 = 0.8,再开方得出0.9毫米,因此2.5方线的线直径是:2×0.9毫米=1.8毫米。
知道电线的直径,计算电线的平方也用求圆形面积的公式来计算:电线的平方=圆周率(3.14)×线直径的平方/4 电缆大小也用平方标称,多股线就是每根导线截面积之和。
电缆截面积的计算公式: 0.7854 ×电线半径(毫米)的平方×股数如48股(每股电线半径0.2毫米)1.5平方的线:0.785 ×(0.2 × 0.2)× 48 = 1.5平方铜线在不同温度下的线径和所能承受的最大电流表2008-04-28 06:22 P.M.铜线安全载流量计算方法是:2.5平方毫米铜电源线的安全载流量--28A。
4平方毫米铜电源线的安全载流量--35A 。
6平方毫米铜电源线的安全载流量--48A 。
10平方毫米铜电源线的安全载流量--65A。
16平方毫米铜电源线的安全载流量--91A 。
25平方毫米铜电源线的安全载流量--120A。
如果是铝线,线径要取铜线的1.5-2倍。
如果铜线电流小于28A,按每平方毫米10A来取肯定安全。
如果铜线电流大于120A,按每平方毫米5A来取。
导线的截面积所能正常通过的电流可根据其所需要导通的电流总数进行选择,一般可按照如下顺口溜进行确定:十下五,百上二, 二五三五四三界,柒拾玖五两倍半,铜线升级算.给你解释一下,就是10平方一下的铝线,平方毫米数乘以5就可以了,要是铜线呢,就升一个档,比如2.5平方的铜线,就按4平方计算.一百以上的都是截面积乘以2, 二十五平方以下的乘以4, 三十五平方以上的乘以3, 柒拾和95平方都乘以2.5,这么几句口诀应该很好记吧,说明:只能作为估算,不是很准确。
标准电线平方数和直径一览表
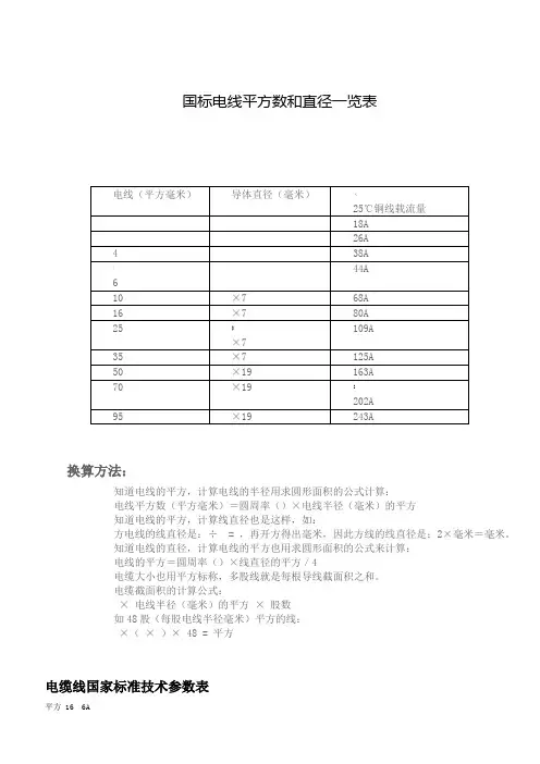
电线(平方毫米)导体直径(毫米)25℃铜线载流量
1.5 1.38 18A
2.5 1.78 26A
4 2.2
5 38A
6 2.76 44A
10 1.33×7 68A
16 1.70×7 80A
25 2.10×7 109A
35 2.50×7 125A
50 1.78×19 163A
70 2.10×19 202A
95 2.50×19 243A
注:以上导体直径指BV 塑铜线及BLV 塑铝线
换算方法:
知道电线的平方,计算电线的半径用求圆形面积的公式计算:电线平方数(平方毫米)=圆周率(3.14)×电线半径(毫米)的平方
知道电线的平方,计算线直径也是这样,如:
2.5方电线的线直径是:2.5÷
3.14 = 0.8,再开方得出0.9毫米,因此2.5方线的线直径是:2×0.9毫米=1.8毫米。
知道电线的直径,计算电线的平方也用求圆形面积的公式来计算:
电线的平方=圆周率(3.14)×线直径的平方/4
电缆大小也用平方标称,多股线就是每根导线截面积之和。
电缆截面积的计算公式:
0.7854 ×电线半径(毫米)的平方×股数
如48股(每股电线半径0.2毫米)1.5平方的线:
0.785 ×(0.2 × 0.2)× 48 = 1.5平方。
0.4MM平方23 0.15MM0.5MM平方28 0.15MM0.75MM平方42 0.15MM 14A1.5MM平方48 0.2MM 25A2.5MM平方19 0.41MM 34A标称截面积铜丝根数单根直径参数截流0.3MM平方160.15MM 6A0.4MM平方230.15MM0.5MM平方280.15MM0.75MM平方420.15MM 14A1.5MM平方48 0.2MM 25A2.5MM平方19 0.41MM 34A标称截面积计算方法:标称截面积=单根铜线半径的平方*3.14(圆周率)*铜线根数2.5方电线的线直径是:2.5÷3.14 = 0.8,再开方得出0.9毫米,因此2.5方线的线直径是:2×0.9毫米=1.8毫米。
知道电线的直径,计算电线的平方也用求圆形面积的公式来计算:电线的平方=圆周率(3.14)×线直径的平方/4电缆大小也用平方标称,多股线就是每根导线截面积之和。
电缆截面积的计算公式:0.7854 × 电线半径(毫米)的平方× 股数如48股(每股电线半径0.2毫米)1.5平方的线:0.785 ×(0.2 × 0.2)× 48 = 1.5平方电缆线国家标准技术参数表0.3MM平方 16 0.15MM 6A0.4MM平方 23 0.15MM0.5MM平方 28 0.15MM0.75MM平方 42 0.15MM 14A1.5MM平方 48 0.2MM 25A2.5MM平方 19 0.41MM 34A4*16/0.15 0.3mm2表示电缆有四芯,每一芯的导体有16根,每一根0.15mm每一芯的截面是0.3mm2其余同上标称截面积铜丝根数单根直径参数截流0.3MM平方 16 0.15MM 6A0.4MM平方 23 0.15MM0.5MM平方 28 0.15MM0.75MM平方 42 0.15MM 14A1.5MM平方 48 0.2MM 25A2.5MM平方 19 0.41MM 34A标称截面积计算方法:标称截面积=单根铜线半径的平方*3.14(圆周率)*铜线根数。
国标电线平方数和直径一览表电工资料2010-07-09 09:18:08 阅读769 评论0 ??字号:大中小?订阅注:以上导体直径指BV 塑铜线及BLV 塑铝线换算方法:知道电线的平方,计算电线的半径用求圆形面积的公式计算:电线平方数(平方毫米)=圆周率(3.14)×电线半径(毫米)的平方知道电线的平方,计算线直径也是这样,如:2.5方电线的线直径是:2.5÷3.14 = 0.8,再开方得出0.9毫米,因此2.5方线的线直径是:2×0.9毫米=1.8毫米。
知道电线的直径,计算电线的平方也用求圆形面积的公式来计算:电线的平方=圆周率(3.14)×线直径的平方/4电缆大小也用平方标称,多股线就是每根导线截面积之和。
电缆截面积的计算公式:0.7854 ×电线半径(毫米)的平方×股数如48股(每股电线半径0.2毫米)1.5平方的线:0.785 ×(0.2 × 0.2)× 48 = 1.5平方YJV22-5×16 150米87元/米YJV-5×6 160米34元/米YJV22-5×10 240米64元/米YJV-4×4 90米16.3元/米YJV22-4×35+1×16 100米136元/米YJV-5×10 1000米46元/米YJV-5×16 550米69元/米YJV22-4×150+1×70 200米513元/米YJV22-4×120+1×70 200米419元/米BV-2.5 19000米1.74元/米BV-4 450米 2.83元/米ZRBV-2.5 650米 1.89元/米郑州第三电缆有限公司报价,含17%税票,仅供参考!铜线在不同温度下的线径和所能承受的最大电流表2008-04-28 06:22 P.M.铜线安全载流量计算方法是:2.5平方毫米铜电源线的安全载流量--28A。
换算方法:知道电线的平方,计算电线的半径用求圆形面积的公式计算:电线平方数(平方毫米)=圆周率()×电线半径(毫米)的平方知道电线的平方,计算线直径也是这样,如:方电线的线直径是:÷ = ,再开方得出毫米,因此方线的线直径是:2×毫米=毫米。
知道电线的直径,计算电线的平方也用求圆形面积的公式来计算:电线的平方=圆周率()×线直径的平方/4电缆大小也用平方标称,多股线就是每根导线截面积之和。
电缆截面积的计算公式:× 电线半径(毫米)的平方× 股数如48股(每股电线半径毫米)平方的线:×(× )× 48 = 平方电缆线国家标准技术参数表平方 16 6A平方 23:平方 28平方 42 14A平方 48 25A平方 19 34A标称截面积铜丝根数单根直径参数截流平方 166A 平方 23平方 28平方 4214A"平方4825A 平方1934A标称截面积计算方法:标称截面积=单根铜线半径的平方*(圆周率)*铜线根数:;国标电线平方数和直径一览表电线(平方毫米)导体直径(毫米)25℃铜线载流量<18A26A438A644A×768A!1016×780A25×7109A125A35】×750×19163A换算方法:知道电线的平方,计算电线的半径用求圆形面积的公式计算:电线平方数(平方毫米)=圆周率()×电线半径(毫米)的平方知道电线的平方,计算线直径也是这样,如:方电线的线直径是:÷ = ,再开方得出毫米,因此方线的线直径是:2×毫米=毫米。
知道电线的直径,计算电线的平方也用求圆形面积的公式来计算:电线的平方=圆周率()×线直径的平方/4电缆大小也用平方标称,多股线就是每根导线截面积之和。
电缆截面积的计算公式:× 电线半径(毫米)的平方× 股数如48股(每股电线半径毫米)平方的线:×(× )× 48 = 平方电缆线国家标准技术参数表平方 16 6A平方 23平方 28平方 42 14A平方 48 25A#平方 19 34A4*16/表示电缆有四芯,每一芯的导体有16根,每一根每一芯的截面是其余同上=;1260mm=;所以:立方米。
换算方式:明白电线的平方,计算电线的半径用求圆形面积的公式计算:电线平方数(平方毫米)=圆周率()×电线半径(毫米)的平方知道电线的平方,计算线直径也是如此,如:方电线的线直径是:÷= ,再开方得出毫米,因此方线的线直径是:2×毫米=毫米。
知道电线的直径,计算电线的平方也用求圆形面积的公式来计算:电线的平方=圆周率()×线直径的平方/4电缆大小也用平方标称,多股线就是每根导线截面积之和。
电缆截面积的计算公式:×电线半径(毫米)的平方×股数如48股(每股电线半径毫米)平方的线:×(×)× 48 = 平方电缆线国家标准技术参数表平方16 6A平方23平方28平方42 14A平方48 25A平方19 34A标称截面积铜丝根数单根直径参数截流平方16 6A平方23平方28平方42 14A平方 48 25A平方 19 34A标称截面积计算方法:标称截面积=单根铜线半径的平方*(圆周率)*铜线根数国标电线平方数和直径一览表电线(平方毫米)导体直径(毫米)25℃铜线载流量18A26A438A644A10×768A16×780A25×7109A35×7125A50×19163A70×19202A95×19243A换算方式:明白电线的平方,计算电线的半径用求圆形面积的公式计算:电线平方数(平方毫米)=圆周率()×电线半径(毫米)的平方明白电线的平方,计算线直径也是如此,如:方电线的线直径是:÷ = ,再开方得出毫米,因此方线的线直径是:2×毫米=毫米。
明白电线的直径,计算电线的平方也用求圆形面积的公式来计算:电线的平方=圆周率()×线直径的平方/4电缆大小也用平方标称,多股线确实是每根导线截面积之和。
电缆截面积的计算公式:× 电线半径(毫米)的平方× 股数如48股(每股电线半径毫米)平方的线:×(× )× 48 = 平方电缆线国家标准技术参数表平方 16 6A平方 23平方 28平方 42 14A平方 48 25A平方 19 34A4*16/表示电缆有四芯,每一芯的导体有16根,每一根每一芯的截面是其余同上=;1260mm=;因此:立方米。
国标电线平方数和直径一览表-CAL-FENGHAI.-(YICAI)-Company One1国标电线平方数和直径一览表电线(平方毫米)导体直径(毫米) 25℃铜线载流量?18A26A4 38A6 44A?10? ×7? 68A16 ×7? 80A25 ×7? 109A?35? ×7 125A50 ×19 163A70 ×19 202A95 ×19 243A注:以上导体直径指BV塑铜线换算方法:知道电线的平方,计算电线的半径用求圆形面积的公式计算:电线平方数(平方毫米)=圆周率()×电线半径(毫米)的平方?知道电线的平方,计算线直径也是这样,如:方电线的线直径是:÷=,再开方得出毫米,因此方线的线直径是:2×毫米=毫米。
知道电线的直径,计算电线的平方也用求圆形面积的公式来计算:电线的平方=圆周率()×线直径的平方/4电缆大小也用平方标称,多股线就是每根导线截面积之和。
电缆截面积的计算公式:×电线半径(毫米)的平方×股数如48股(每股电线半径毫米)平方的线:×(×)×48=平方电缆价格铜价:70400元/吨YJV22-5×16150米87元/米YJV-5×6160米34元/米YJV22-5×10240米64元/米YJV-4×490米元/米YJV22-4×35+1×16100米136元/米YJV-5×101000米46元/米YJV-5×16550米69元/米YJV22-4×150+1×70200米513元/米YJV22-4×120+1×70200米419元/米19000米元/米BV-4450米元/米650米元/米电线电缆报价咨询:8郑州第三电缆有限公司报价,含17%税票,仅供参考!现货现价咨询:8铜线在不同温度下的线径和所能承受的最大电流表2008-04-2806:22.铜线安全载流量计算方法是:平方毫米铜电源线的安全载流量--28A。
国标电线平方数和直径一览表GE GROUP system office room 【GEIHUA16H-GEIHUA GEIHUA8Q8-换算方法:知道电线的平方,计算电线的半径用求圆形面积的公式计算:电线平方数(平方毫米)=圆周率(3.14)×电线半径(毫米)的平方知道电线的平方,计算线直径也是这样,如:2.5方电线的线直径是:2.5÷3.14 = 0.8,再开方得出0.9毫米,因此2.5方线的线直径是:2×0.9毫米=1.8毫米。
知道电线的直径,计算电线的平方也用求圆形面积的公式来计算:电线的平方=圆周率(3.14)×线直径的平方/4电缆大小也用平方标称,多股线就是每根导线截面积之和。
电缆截面积的计算公式:0.7854 × 电线半径(毫米)的平方× 股数如48股(每股电线半径0.2毫米)1.5平方的线:0.785 ×(0.2 × 0.2)× 48 = 1.5平方电缆线国家标准技术参数表0.3MM平方 16 0.15MM 6A0.4MM平方 23 0.15MM0.5MM平方 28 0.15MM0.75MM平方 42 0.15MM 14A1.5MM平方 48 0.2MM 25A2.5MM平方 19 0.41MM 34A标称截面积铜丝根数单根直径参数截流0.3MM平方 16?0.15MM6A0.4MM平方 23?0.15MM?0.5MM平方? 28?0.15MM?0.75MM平方? 42?0.15MM14A1.5MM平方48 0.2MM25A2.5MM平方?19? 0.41MM 34A标称截面积计算方法:标称截面积=单根铜线半径的平方*3.14(圆周率)*铜线根数国标电线平方数和直径一览表换算方法:知道电线的平方,计算电线的半径用求圆形面积的公式计算:电线平方数(平方毫米)=圆周率(3.14)×电线半径(毫米)的平方知道电线的平方,计算线直径也是这样,如:2.5方电线的线直径是:2.5÷3.14 = 0.8,再开方得出0.9毫米,因此2.5方线的线直径是:2×0.9毫米=1.8毫米。
国标电线平⽅数和直径⼀览表换算⽅法:知道电线的平⽅,计算电线的半径⽤求圆形⾯积的公式计算:电线平⽅数(平⽅毫⽶)=圆周率(3.14)×电线半径(毫⽶)的平⽅知道电线的平⽅,计算线直径也是这样,如:2.5⽅电线的线直径是:2.5÷3.14 = 0.8,再开⽅得出0.9毫⽶,因此2.5⽅线的线直径是:2×0.9毫⽶=1.8毫⽶。
知道电线的直径,计算电线的平⽅也⽤求圆形⾯积的公式来计算:电线的平⽅=圆周率(3.14)×线直径的平⽅/4电缆⼤⼩也⽤平⽅标称,多股线就是每根导线截⾯积之和。
电缆截⾯积的计算公式:0.7854 ×电线半径(毫⽶)的平⽅×股数如48股(每股电线半径0.2毫⽶)1.5平⽅的线:0.785 ×(0.2 × 0.2)× 48 = 1.5平⽅电缆线国家标准技术参数表0.3MM平⽅16 0.15MM 6A0.4MM平⽅23 0.15MM0.5MM平⽅28 0.15MM0.75MM平⽅42 0.15MM 14A1.5MM平⽅48 0.2MM 25A2.5MM平⽅19 0.41MM 34A标称截⾯积铜丝根数单根直径参数截流0.3MM平⽅16 0.15MM 6A 0.4MM平⽅23 0.15MM0.5MM平⽅28 0.15MM0.75MM平⽅42 0.15MM 14A1.5MM平⽅ 48 0.2MM 25A2.5MM平⽅ 19 0.41MM 34A标称截⾯积计算⽅法:标称截⾯积=单根铜线半径的平⽅*3.14(圆周率)*铜线根数换算⽅法:知道电线的平⽅,计算电线的半径⽤求圆形⾯积的公式计算:电线平⽅数(平⽅毫⽶)=圆周率(3.14)×电线半径(毫⽶)的平⽅知道电线的平⽅,计算线直径也是这样,如:2.5⽅电线的线直径是:2.5÷3.14 = 0.8,再开⽅得出0.9毫⽶,因此2.5⽅线的线直径是:2×0.9毫⽶=1.8毫⽶。
国标电线平方数和直径一览表国标电线平方数和直径一览表电线(平方毫米)导体直径(毫米)25℃铜线载流量1.5 1.38 18A2.5 1.78 26A4 2.25 38A6 2.76 44A10 1.33× 7 68A16 1.70×7 80A25 2.10×7 109A35 2.50×7 125A50 1.78×19 163A70 2.10×19 202A95 2.50×19 243A注:以上导体直径指BV 塑铜线及BLV 塑铝线换算方法:知道电线的平方,计算电线的半径用求圆形面积的公式计算:电线平方数(平方毫米)=圆周率(3.14)×电线半径(毫米)的平方知道电线的平方,计算线直径也是这样,如:2.5方电线的线直径是:2.5÷3.14 = 0.8,再开方得出0.9毫米,因此2.5方线的线直径是:2×0.9毫米=1.8毫米。
知道电线的直径,计算电线的平方也用求圆形面积的公式来计算:电线的平方=圆周率(3.14)×线直径的平方/4电缆大小也用平方标称,多股线就是每根导线截面积之和。
电缆截面积的计算公式:0.7854 ×电线半径(毫米)的平方×股数如48股(每股电线半径0.2毫米)1.5平方的线:0.785 ×(0.2 × 0.2)× 48 = 1.5平方2.5平方铝线负荷大概可以载电1.5-2.5千瓦。
电线的平方实际上标的是电线的横截面积,即电线圆形横截面的面积,单位为平方毫米,一般分为:0.5、1、1.5、2.5、4、6、10、16、25等。
10(平方毫米)以下的一般叫电线,10(平方)以上的叫电缆。
电线平方数是装修水电施工中的一个口头用语,常说的几平方电线是没加单位,即平方毫米。
一般来说,经验载电量是当电网电压是220V时候,每平方电线的经验载电量是一千瓦左右。
国标电线平方数和直径一览表注:以上导体直径指BV 塑铜线及BLV 塑铝线换算方法:知道电线的平方,计算电线的半径用求圆形面积的公式计算:电线平方数(平方毫米)=圆周率(3。
14)×电线半径(毫米)的平方知道电线的平方,计算线直径也是这样,如: 2。
5方电线的线直径是:2。
5÷ 3.14 = 0。
8,再开方得出0。
9毫米,因此2。
5方线的线直径是:2×0。
9毫米=1.8毫米。
知道电线的直径,计算电线的平方也用求圆形面积的公式来计算:电线的平方=圆周率(3。
14)×线直径的平方/4电缆大小也用平方标称,多股线就是每根导线截面积之和. 电缆截面积的计算公式: 0。
7854 ×电线半径(毫米)的平方×股数如48股(每股电线半径0。
2毫米)1.5平方的线:0。
785 ×(0。
2 × 0.2)× 48 = 1。
5平方铜线在不同温度下的线径和所能承受的最大电流表2008-04—28 06:22 P。
M.铜线安全载流量计算方法是:2。
5平方毫米铜电源线的安全载流量--28A.4平方毫米铜电源线的安全载流量--35A 。
6平方毫米铜电源线的安全载流量--48A .10平方毫米铜电源线的安全载流量--65A。
16平方毫米铜电源线的安全载流量--91A 。
25平方毫米铜电源线的安全载流量--120A.如果是铝线,线径要取铜线的1.5—2倍。
如果铜线电流小于28A,按每平方毫米10A来取肯定安全。
如果铜线电流大于120A,按每平方毫米5A来取.导线的截面积所能正常通过的电流可根据其所需要导通的电流总数进行选择,一般可按照如下顺口溜进行确定:十下五,百上二,二五三五四三界,柒拾玖五两倍半,铜线升级算。
给你解释一下,就是10平方一下的铝线,平方毫米数乘以5就可以了,要是铜线呢,就升一个档,比如2。
5平方的铜线,就按4平方计算.一百以上的都是截面积乘以2,二十五平方以下的乘以4, 三十五平方以上的乘以3,柒拾和95平方都乘以2.5,这么几句口诀应该很好记吧,说明:只能作为估算,不是很准确。
标准电线平方数和直径一览表注:以上导体直径指BV 塑铜线及 BLV 塑铝线换算方法:知道电线的平方,计算电线的半径用求圆形面积的公式计算:电线平方数(平方毫米)=圆周率(3。
14)×电线半径(毫米)的平方知道电线的平方,计算线直径也是这样,如: 2.5方电线的线直径是:2.5÷ 3。
14 = 0。
8,再开方得出0.9毫米,因此2。
5方线的线直径是:2×0。
9毫米=1.8毫米。
知道电线的直径,计算电线的平方也用求圆形面积的公式来计算:电线的平方=圆周率(3.14)×线直径的平方/4 电缆大小也用平方标称,多股线就是每根导线截面积之和。
电缆截面积的计算公式: 0.7854 ×电线半径(毫米)的平方×股数如48股(每股电线半径0。
2毫米)1。
5平方的线: 0.785 ×(0.2 × 0。
2)× 48 = 1.5平方硅橡胶导线编辑锁定本词条缺少信息栏、名片图,补充相关内容使词条更完整,还能快速升级,赶紧来编辑吧!硅橡胶导线是指具有耐高温耐低温性能,具有电绝缘性能的导线,采用耐高温高强型、经特殊工艺加工而成。
目录1.1定义信息2.2产品信息3.3特点/用途4.4规格结构及技术参数硅橡胶导线定义信息编辑硅橡胶导线,主要特征是耐高温、绝缘、防火阻燃、耐腐蚀、耐老化、耐气候性、高强度、高模量、防静电、外观光滑等特点。
硅橡胶导线产品信息编辑产品名称:硅橡胶导线硅橡胶导线.产品型号:60245 IEC 03(YG)执行标准:GB5013。
3-2008产品特性:1、额定电压:300/500V2、工作温度:-60~+200℃3、导体:绞合裸铜线或镀锡铜线4、绝缘:硅橡胶5、编织:玻璃纤维+硅树脂6、颜色:红/黄/兰/白/黑/黄绿/棕等硅橡胶导线特点/用途编辑具有优良的高温耐低温性能,具有优良的电绝缘性能,优良的化学稳定性能,耐高电压,耐老化,使用寿命长。
国标电线平方数和直径一览表电工资料2010-07-09 09:18:08 阅读769 评论0 ??字号:大中小?订阅注:以上导体直径指BV 塑铜线及BLV 塑铝线换算方法:???? 知道电线的平方,计算电线的半径用求圆形面积的公式计算:???? 电线平方数(平方毫米)=圆周率(3.14)×电线半径(毫米)的平方???? 知道电线的平方,计算线直径也是这样,如:???? 2.5方电线的线直径是:2.5÷ 3.14 = 0.8,再开方得出0.9毫米,因此2.5方线的线直径是:2×0.9毫米=1.8毫米。
???? 知道电线的直径,计算电线的平方也用求圆形面积的公式来计算:???? 电线的平方=圆周率(3.14)×线直径的平方/4???? 电缆大小也用平方标称,多股线就是每根导线截面积之和。
???? 电缆截面积的计算公式:???? 0.7854 ×电线半径(毫米)的平方×股数???? 如48股(每股电线半径0.2毫米)1.5平方的线:???? 0.785 ×(0.2 × 0.2)× 48 = 1.5平方??YJV22-5×16 150米87元/米YJV-5×6 160米34元/米YJV22-5×10 240米64元/米YJV-4×4 90米16.3元/米YJV22-4×35+1×16 100米136元/米YJV-5×10 1000米46元/米YJV-5×16 550米69元/米YJV22-4×150+1×70 200米513元/米YJV22-4×120+1×70 200米419元/米BV-2.5 19000米1.74元/米BV-4 450米 2.83元/米ZRBV-2.5 650米 1.89元/米电线电缆报价咨询:037郑州第三电缆有限公司报价,含17%税票,仅供参考!铜线在不同温度下的线径和所能承受的最大电流表2008-04-28 06:22 P.M.铜线安全载流量计算方法是:2.5平方毫米铜电源线的安全载流量--28A。
换算方法:
知道电线的平方,计算电线的半径用求圆形面积的公式计算:
电线平方数(平方毫米)=圆周率(3.14)×电线半径(毫米)的平方
知道电线的平方,计算线直径也是这样,如:
2.5方电线的线直径是:2.5÷
3.14 = 0.8,再开方得出0.9毫米,因此2.5方线的线直径是:2×0.9毫米=1.8毫米。
知道电线的直径,计算电线的平方也用求圆形面积的公式来计算:
电线的平方=圆周率(3.14)×线直径的平方/4
电缆大小也用平方标称,多股线就是每根导线截面积之和。
电缆截面积的计算公式:
0.7854 × 电线半径(毫米)的平方× 股数
如48股(每股电线半径0.2毫米)1.5平方的线:
0.785 ×(0.2 × 0.2)× 48 = 1.5平方
电缆线国家标准技术参数表
0.3MM平方16 0.15MM 6A
0.4MM平方23 0.15MM
0.5MM平方28 0.15MM
0.75MM平方42 0.15MM 14A
1.5MM平方48 0.2MM 25A
2.5MM平方19 0.41MM 34A
标称截面积铜丝根数单根直径参数截流0.3MM平方16 0.15MM 6A
0.4MM平方23 0.15MM
0.5MM平方28 0.15MM
0.75MM平方42 0.15MM 14A
1.5MM平方 48 0.2MM 25A
2.5MM平方 19 0.41MM 34A
标称截面积计算方法:
标称截面积=单根铜线半径的平方*3.14(圆周率)*铜线根数
国标电线平方数和直径一览表
电线(平方毫米)导体直径(毫米)25℃铜线载流量1.5 1.3818A
换算方法:
知道电线的平方,计算电线的半径用求圆形面积的公式计算:
电线平方数(平方毫米)=圆周率(3.14)×电线半径(毫米)的平方
知道电线的平方,计算线直径也是这样,如:
2.5方电线的线直径是:2.5÷
3.14 = 0.8,再开方得出0.9毫米,因此2.5方线的线直径是:2×0.9毫米=1.8毫米。
知道电线的直径,计算电线的平方也用求圆形面积的公式来计算:
电线的平方=圆周率(3.14)×线直径的平方/4
电缆大小也用平方标称,多股线就是每根导线截面积之和。
电缆截面积的计算公式:
0.7854 × 电线半径(毫米)的平方× 股数
如48股(每股电线半径0.2毫米)1.5平方的线:
0.785 ×(0.2 × 0.2)× 48 = 1.5平方
电缆线国家标准技术参数表
0.3MM平方16 0.15MM 6A
0.4MM平方23 0.15MM
0.5MM平方28 0.15MM
0.75MM平方42 0.15MM 14A
1.5MM平方48 0.2MM 25A
2.5MM平方19 0.41MM 34A
4*16/0.15 0.3mm2
表示电缆有四芯,每一芯的导体有16根,每一根0.15mm
每一芯的截面是0.3mm2
其余同上
0.15mm=0.00015m;1260mm=1.26m;所以:0.00015X1.26X33=0.006237立方米。
是体积,不是平方米,平方米是面积的单位。
同样的。
0.00015X1.26X25=0.004725立方米。
标称截面积铜丝根数单根直径参数截流
0.3MM平方16 0.15MM 6A
0.4MM平方23 0.15MM
0.5MM平方28 0.15MM
0.75MM平方42 0.15MM 14A
1.5MM平方48 0.2MM 25A
2.5MM平方19 0.41MM 34A
标称截面积计算方法:
标称截面积=单根铜线半径的平方*3.14(圆周率)*铜线根数。