发电机复压过流
- 格式:doc
- 大小:88.50 KB
- 文档页数:3
复压过流保护原理复压过流保护原理是一种重要的保护电路,用来保护电力系统中的电气设备免受过压和过流的损害。
该保护原理的工作过程可以分为如下几个步骤。
第一步:检测电路状态在电气设备中接入复压过流保护电路后,需要先检测电路的状态。
具体来说,就是检测电气设备的电压和电流是否处于正常范围内,以及是否存在故障或短路等情况。
只有当电路状态正常,复压过流保护才能正常工作。
第二步:判断过压和过流复压过流保护的名称中已经包含了两种保护元素——过压保护和过流保护。
因此,在工作时,保护电路需要同时监测电气设备的电压和电流,并在超出安全范围时采取相应的措施。
如果电气设备的电压超过了额定值,那么保护电路就会启动过压保护;如果电气设备的电流超出了额定值,那么保护电路就会启动过流保护。
第三步:切断电源一旦复压过流保护发现电气设备存在过压或过流,那么就会立即采取措施,以防止电气设备受到损害。
具体来说,一般会通过切断电源的方式来防止进一步的损害。
例如,当保护电路发现电气设备存在过流时,就会切断电气设备的电源,防止过流继续流入电气设备内部,从而避免设备的损毁。
第四步:发出警报信号当复压过流保护工作时,会有多个保护元素同时工作,这样可以增加保护的准确性,并及时避免电气设备的损毁。
在保护电路切断电源的同时,还会发出警报信号,提醒操作人员进行处理。
例如,当保护电路发现电气设备存在过流或过压时,就会发出警报声和灯光信号,以便操作人员进一步确认和解决问题。
综上所述,复压过流保护原理是一种可靠的电气设备保护方案。
通过定期检查电路状态、同时监测电压和电流、及时切断电源、发出警报信号等多项措施,能够有效防止电气设备在过压和过流情况下受到损害,确保电气系统的安全和稳定。
发电机复压过流处理方法保护反应相间短路故障,作为差动等保护的后备保护。
包括以下元件:1、电压取自本侧的YH或变压器各侧的YH。
动作判据:动作值小于低电压元件整定值。
2、负序电压元件,电压取自本侧或变压器各侧,动作判据:动作值大于负序电压元件整定值。
3、过流元件,电流取自本侧的LH,任一相电流大于过流定值。
保护原理?保护反应发电机电压?负序电压和电流大小,电流最好取自中性点侧,主要作为发电机相间短路的后备保护。
当发电机为自并励方式时,过流元件应有电流记忆功能。
见图一。
发电机一般都设置过负荷保护和过电流保护。
过负荷作为发电机异常运行工况下的过负荷保护,动作于信号或自动减负荷。
而过电流一方面作为发电机的近后备保护,同时作为相临元件的远后备保护,要求过电流保护的定值对相邻元件的短路故障应有必要的灵敏度。
由于发电机外部短路引起的过电流和发电机异常运行出现的过负荷电流在数值上差别不大,因此,为了区别过负荷和过电流,过电流保护就需要装设低电压元件(对称短路)和负序电压元件(不对称短路)作为闭锁元件(也称为起动元件),构成所谓复合电压闭锁(起动)过电流保护,该保护须低电压元件或负序电压元件与过电流元件同时动作时,才能出口动作于跳闸。
复合电压闭锁记忆过电流保护,作为发电机内部短路故障和区外短路故障的后备保护。
当发电机励磁采用自并励系统时,由于励磁变接在发电机出口,当外部发生短路故障而主保护拒动时,按理正常后备保护应动作,可由于短路故障造成发电机出口电压降低,引起励磁变的输出减少,造成发电机励磁电流减少,进而使发电机定子电流减少,不能维持短路电流,从而使保护返回,造成后备保护也拒动。
为此在复合电压闭锁过电流保护中设计了记忆过流功能,使保护装置能记忆故障初的短路电流而忽略以后的电流。
复压过流保护
复压过流保护就是采用复合电压闭锁的过电流保护。
是一种跟电压有关的“过电流保护”工程技术,闭锁就是关闭、锁住的意思,就是由复合电压来控制(关闭或打开)的过流保护。
电流与电压都要达到某个条件时,才动作,其中只要有一个不达到整定的条件就不会启动保护。
如果仅仅是“过电流”保护的话,只要电流超过某个最大值,就会启动保护。
复压闭锁过流保护启动的基本条件是:正序电压降低、负序电压和零序电压升高(与整定值比较而言),相电流增加,满足延时条件
复压过流原理上就是普通过流保护里加入一个复压元件
系统发生短路故障时电流上升电压下降
复压过流就是根据这个条件产生的必须电流超过过流整定值且电压
低于复压定值保护才会动作避免了一些非故障但电流瞬间升高电压
变化不大时(比如电机启动瞬间电流是额定电流10倍)保护误动作,提高系统稳定性。
碗米坡水电厂发电机复压记忆过流保护逻辑优化与改进摘要:本文主要介绍碗米坡水电厂发电机复压记忆过流保护的逻辑,对记忆过流保护存在误动的情况进行了详细的分析与试验,提出了改进的方案。
关键词:自并励;记忆过流;启动失灵1引言碗米坡水电厂总装机容量3×80MW,三台机均为单元接线,220KV母线为单母线不分段接线,经两条220KV出线接入系统,发电机为自并励机组,励磁电源取自机端电压,对于这种励磁方式,当发电机出口短路时,机端电压下降,此时励磁电源电压也随着下降,造成发电机励磁电流减少,进而使机端不能继续维持较大的短路电流,可能会使发电机过流保护返回,造成拒动。
为此,目前应用的发电机复压过流保护均采用了电流记忆功能。
2记忆过流保护逻辑碗米坡水电厂发电机复压记忆过流保护逻辑图(图1),过流元件动作后,触发时间记忆元件,在此记忆时间内,如机端电压降低到整定值时U<,一方面经过t1延时跳主变高压侧开关TCB,并启动TCB失灵;另一方面经过t2延时跳发电机出口开关GCB、灭磁开关、发停机令。
3 记忆过流保护改造原因3.1记忆过流保护动作逻辑分析利用继电保护测试仪进行表1试验,模拟发电机内部相间故障时,差动保护动作跳开GCB、灭磁开关,此时故障已经切除,但6.0s、6.5s后发电机复压记忆过流Ⅰ、Ⅱ段分别动作,跳TCB,全停。
表1 模拟实验参数当发电机内部相间故障时,差动保护动作跳开GCB、灭磁开关,此时故障已经切除,但由于保护装置中低电压元件(U<)不受GCB开断闭锁,低电压原件(U<)在差动保护动作切除故障后还是能启动,即逻辑图中U<输出为1,同时记忆的故障电流超过电流定值,造成发电机复压记忆过流保护误动作切除主变,扩大了停电范围。
3.2记忆过流保护出口方式分析依据《DL/T 5177水力发电厂继电保护设计导则》、《DL/T 684大型发电机变压器继电保护整定计算导则》规定:自并励发电机,宜采用带电流记忆的低压过电流保护,电流宜取自发电机中性点侧电流互感器,宜带有两段时限,以较短的时限动作于缩小故障影响范围,或动作于解列、解列灭磁,较长的时限动作于停机。
复压过流保护原理
复压过流保护是电力系统中的一种重要保护装置,它能够有效地保护电力设备
和线路不受过电流的损害。
复压过流保护原理是基于电流大小和时间特性来进行动作的,下面将详细介绍复压过流保护的原理和工作方式。
首先,复压过流保护是基于电流大小来进行动作的。
在电力系统中,当电流超
过设定值时,就会触发保护装置进行动作,从而切断故障电路,保护设备和线路不受损害。
复压过流保护通常设有多个动作段,每个段的设定值和动作时间都不同,以适应不同的故障情况。
当电流超过设定值时,对应的动作段将会被触发,从而实现对故障的快速切除。
其次,复压过流保护是基于时间特性来进行动作的。
在电力系统中,电流大小
不仅取决于故障类型,还取决于故障的位置和距离等因素。
因此,复压过流保护通常采用时间-电流特性曲线来进行动作判断。
当电流超过设定值并持续一定时间后,保护装置将会进行动作,以确保对故障的快速响应和切除。
此外,复压过流保护还具有灵敏度和可靠性高的特点。
在实际应用中,复压过
流保护能够准确地对各种故障进行判断和动作,从而保护电力系统的安全稳定运行。
同时,复压过流保护还能够对系统中的瞬时过电流和持续过电流进行准确判断,确保对故障的及时切除,最大限度地减少设备和线路的损坏。
综上所述,复压过流保护是一种基于电流大小和时间特性来进行动作判断的重
要保护装置。
它能够有效地保护电力系统不受过电流的损害,具有灵敏度和可靠性高的特点。
在实际应用中,复压过流保护发挥着重要的作用,为电力系统的安全稳定运行提供了有力保障。
关于复压过流,复合电压,零序电压,过电压的保护问题电力系统过电压是高电压研究范畴。
电力系统过电压分为外部过电压和内部过电压。
外部过电压指大气过电压,简单说就是雷击。
内部过电压包括操作过电压及谐振过电压,操作过电压指因操作失误,故障、运行方式改变等引起系统过电压,以下情况易发生:拉合电容器或空载长线路;断开空载变压器,电抗器,消弧线圈及同步电机等;在中性点小接地系统中,一相接地后,发生间歇电弧等。
谐振过电压指因操作失误,故障后,在系统某些部分形成L,C自振回路,当自振频率与电网频率满足一定关系而发生谐振,引起过电压。
内部过电压的根本原因在于L,C元件是储能元件,根据能量守衡定律,其储能不能突变。
复合电压是保护中的。
复合电压是由相间低电压和负序电压构成,一般组成闭锁元件,防止保护误动。
复压过流是不是低电压和负序电压闭锁过电流的意思,不包括过电压和零序电压吗?那大型(启备变和厂高变,主变)变压器的过电压保护是由什么来实现的呢?是升压站内的过电压保护装置吗?不用考虑变压器的低压侧过电压.复压过流的概念基本没错,只是判据一般还有零序电压。
过电压保护一般设在长线路上,防止操作过电压,而且由于是对侧引起的本测过电压所以一般跳闸是远跳对侧开关。
至于变压器等大型设备一般不容易造成过电压现象,(振荡情况下由于变压器系统阻抗很大,振荡中心很难落入变压器内部,关于这点我也不是很有把握,请知道的弟兄指正)。
所以一般在大型变压器特别是中性点直接接地系统,保护配置上不考虑过电压保护。
只有一些中性点不接地或经大电阻接地的变压器才考虑防止中性点偏移产生过电压伤害主设备而装设中性点过电压保护。
复压闭锁过流的复压未必就不包括零序电压。
在作为低压线路的保护或者主变的低后备时,由于处于中性点不接地系统,当然复压就不包括零序电压,采用正序电压越下限和负序电压越上限的组合逻辑。
但是对于中性点接地系统,复压闭锁过流往往仅用于主变高后备,这时是包括零序电压的。
发电机微机复合压启动的过电流保护原理及整定方法浙江旺能环保股份有限公司 作者:周玉彩一、复合压启动的(记忆)过电流保护基本作用原理发电机复压(记忆)过流保护电流元件取发电机中性点侧定子电流,低电压或复合电压取自机端。
保护作发电机、发电机变压器组相间短路故障的后备保护。
1)复合电压元件满足下列条件之一时,复合电压元件动作。
op l U U < op U 为低电压整定值,l U 为三个线电压中最小的一个; op U U .22> op U .2为负序电压整定值,2U 为负序电压(取相电压值)。
2)过流元件过流元件接于电流互感器二次三相回路中,当任一相电流满足下列条件时,保护动作。
op I I > op I 为动作电流整定值。
3)TV 异常复压闭锁机端TV 出现异常时,复合电压是否动作取决于“TV 异常复压闭锁元件”控制字的整定。
“TV 异常复压闭锁元件”控制字的整定及含义:TV 异常复压闭锁元件为“1”—TV 异常后闭锁复压元件判据判别,闭锁保护动作;TV 异常复压闭锁元件为“0”—TV 异常后复压元件满足动作条件,保护为过流保护。
二、复压(记忆)过流保护逻辑框图见图1:发电机复压(记忆)过流保护作为发电机的后备保护,当用于自并励发电机的后备保护时,电流带记忆功能。
复压(记忆)过流保护由复合电压元件、三相过流元件“与”构成,过流的记忆功能可投退。
复压(记忆)过流保护配有两段各一时限,若保护出口跳分段或母联时,应不投入记忆功能。
图1 复压(记忆)过流保护逻辑框图三、发电机复压过流保护整定:1、低电压元件整定:低电压元件为最小线电压,按躲过最低运行电压整定。
1)对于汽轮发电机,动作电压可按下式整定:Uop=0.6Ugn2)对于水轮发电机,动作电压可按下式整定:Uop=0.7Ugn式中Ugn为发电机机端电压互感器变比。
灵敏系数按主变压器高压侧母线三相短路的条件校验。
Ksen=Uop/I(3)k.max×Xt式中: I(3)k.max为主变高压侧母线金属性三相短路时的最大短路电流;tX为变压器电抗,取ttZX=。
发电机复合电压启动过流保护误动原因摘要:过流保护不仅作为发电机由于外部由故障或负载不平衡引起的负序电流引起的过热保护,还是发电机与相邻设备不对称短路后制备的保护。
其中,发电模式保护应在电气条件下关闭电力运行模式保护也应锁定在发电模式。
保护动作后果为跳500千伏总线和线路开关。
关键词:发电机;复合电压启动;过流保护误动前言由于电站所接人的电网系统容量较小,网架结构不完善,常需要分网运行,因线路故障跳闸引起的水轮发电机组保护动作情况时有发生,致使发电机组事故停机,扩大了事故的范围,也大幅增加了发电机组恢复供电的时间,不利于机组的经济运行,同时事故停机次数增加也不利于机组的安全稳定运行。
1发电机复压过流保护误动的情况自并励发电机,宜采用带电流记忆的复压过电流保护。
该电厂发电机的励磁方式为自并励,因此复压过流保护应该选用带电流记忆的复压过流保护。
但在2014年前,该电厂复压过流保护的带电流记忆功能并未投入。
不过,在之后投入带电流记忆功能的一年中,该保护误动次数高达11次。
当线路故障保护动作跳闸后,该保护负序电压仍然保持在较高值,由于此时故障电流带记忆,造成该保护误动。
事后检查录波曲线,发现在线路故障跳闸后,负序电压仍长时间地保留,直至保护动作,机组解列停机,后对该保护进行校验,保护装置动作正常,未发现负序电压衰减缓慢的情况;但在改变输入电压的频率时,发现负序电压大幅增加。
因此,分析该保护误动原因:当线路保护动作跳闸后,机组远方甩负荷,调速器根据调节特性进行调节,机组频率大幅变化,造成负序电压增大达到整定值,并维持在此定值之上,加上之前瞬时出现的故障电流带记忆,当高负序电压持续时间到达整定值时,该保护动作出口。
查阅相关的保护信息,当出现线路故障重合闸成功,机组未出现大范围频率波动时,发电机复压过流保护不动作,从侧面证实了上述判断。
该套保护装置负序电压过滤器对频率过于敏感,属装置本身问题。
2误动原因根据保护配置原则,当外部发生短路时,如果故障点附近保护无法切除,就应1918乌拉线后备保护相间距离Ⅲ段动作(保护范围为268km),而不应是发电机后备保护动作(过流I段时间为3.1s)。
发电机保护包括哪些?
发电机包括以下几种保护:
(1) 纵差保护:发电机内部及出口断路器之内相间故障的主保护,全停。
(2) 复压过流:发电机内部相间故障的后备保护。
(3) 对称过负荷:定时限减功率;反时限解列。
(4) 不对称过负荷:解列(负序过流)。
(5) 失磁保护、匝间保护、100%定子接地保护:解列。
(6) 转子一点接地保护:发信号;转子两点接地保护:解列停机。
(7) 此外,发电机还配备定子匝间短路保护、定子接地保护、逆功率、程跳逆功率保护、失步保护、起停机保护、误上电保护、过激磁保护等。
发电机在刚并网时,电压为何会有所降低?对于发电机来说,一般都是迟相运行,它的负载也一般是阻性和感性负载。
当发电机升压并网后,定子绕组流过电流,此电流是感性电流,感性电流在发电机内部的电枢反应作用比较大,它对转子磁场起削弱作用,从而引起端电压下降。
当流过的只是有功电流时,也有相同作用,只是影响比较小。
这是因为定子绕组流过电流时产生磁场,这个磁场的一半对转子磁场起助磁作用,而另一半起去磁作用,由于转子磁场的饱和性,助磁一方总是弱于去磁一方。
因此,磁场会有所减弱,导致端电压有所下降。
发电机复合电压过流(记忆)保护一、保护原理保护反应发电机电压﹑负序电压和电流大小,电流最好取自中性点侧,主要作为发电机相间短路的后备保护。
当发电机为自并励方式时,过流元件应有电流记忆功能。
保护逻辑图见图一:图一发电机复压过流保护逻辑图二、一般信息2.2出口信号定义2.4保护出口压板定义只发信,不出口跳闸2.6投入保护开启液晶屏的背光电源,在人机界面的主画面中观察此保护是否已投入。
(注:该保护投入时其运行指示灯是亮的。
)如果该保护的运行指示灯是暗的,在“投退保护”的子画面点击投入该保护。
2.7参数监视点击进入发电机复合电压过流保护监视界面,可监视保护的整定值,电流,电压,以及负序电压计算值等信息。
三、保护动作整定值测试3.1 相电流定值测试无电压输入,低电压判据满足,分别输入三相电流,并缓慢增加,直至发电机复合电压过流保护出口动作,记录数据填表:3.2 低电压定值测试加某一相电流超过整定值,加CA相电压为额定电压,缓慢降低,直至发电机复压过流3.3 负序电压定值测试使某一相电流超过整定值,外加三相不平衡电压,直至发电机复压过流保护出口动作,记录数据填表:(注:因为低电压判据和负序电压判据为或门关系,测试负序电压定值时,请将低电压定值改小,再做此项测试)3.4 动作时间定值测试在发电机机端侧突然加1.5倍定值电流,记录动作时间。
3.5 电流记忆时间定值测试分别在A、B、C相加电流使保护动作,突然撤掉电流,测试保护返回时间保护出口方式是否正确(打“√”表示):正确□错误□保护信号方式是否正确(打“√”表示):正确□错误□电流记忆逻辑是否正确(打“√”表示):正确□错误□。
复压过流保护原理复压过流保护是一种用于保护电力系统的重要保护技术,它能有效地预防电力系统发生过载、短路、地线缺失等紧急情况。
复压过流保护技术即能对过载和短路进行保护,也能对非常低的电流进行监测。
复压过流保护是一种基于复压技术开发的电力保护技术,它能够准确快速地辨识缺相、短路、地线缺失等情况,从而立刻采取相应的保护措施,防止电力系统发生严重事故。
复压过流保护的核心技术在于将复压信号变换成应力,从而辨识短路和过载情况,并以此控制保护装置。
在这意味着,如果一台机器在复压信号中出现相位差,并且有一定概率发生过载或短路,复压过流保护便可以马上识别,并采取相应的行动。
复压过流保护技术的主要功能有:(1)电流监测:可以对非常低的电流进行监测。
(2)电压监测:可以识别缺相、欠压、输入或输出电压超出限定范围的情况。
(3)功率监测:可以检测到电力系统的总功率。
(4)过载保护:在电力系统负载过大时,可以及时检测,并给出警报,确保电力系统安全运行。
(5)短路保护:能根据三相电流特性辨识短路,以及三相电压特性中的负序,迅速采取保护措施。
(6)三相不平衡保护:可以对三相不平衡的情况进行监测,并及时采取保护措施以防止事故发生。
复压过流保护技术在发展过程中,基于现有复压技术,吸纳了短路、过载和非常低电流保护等优点,大大提高了电力系统的安全性能。
在保护电力系统方面,复压过流保护技术可以保证电力系统的安全运行,并大大降低了事故发生的几率。
此外,复压过流保护技术还可以检测三相不平衡的情况,并及时采取保护措施,从而避免事故的发生。
总之,复压过流保护技术是一种重要的电力系统保护技术,它能够有效识别缺相、短路、负载过大等情况,并采取相应的防护措施,确保系统的安全运行。
它的出现不仅大幅度提高了保护电力系统的成功率,而且使电力系统的运行更加可靠安全。
复压过流保护原理电力系统中,过流保护是保护电力设备的重要手段之一。
然而,传统的过流保护方式只能保护设备本身,无法保护电力系统的稳定运行。
为了解决这一问题,复压过流保护技术应运而生。
复压过流保护原理是在传统过流保护的基础上,增加了压力信息,通过对电力系统中电流和电压的监测,实现对设备和电力系统的全面保护。
具体来说,复压过流保护技术利用了电力系统中的电流和电压之间的关系,根据这种关系来判断电力系统中是否存在过流现象,并采取相应的保护措施。
在复压过流保护技术中,首先需要对电力系统的电流和电压进行监测。
电流监测可以通过电流互感器实现,而电压监测则需要采用电压互感器。
监测到电流和电压之后,就可以计算出电力系统中的电流和电压之间的相位差和功率因数。
根据这些信息,可以判断电力系统中是否存在过流现象。
如果发现电力系统中存在过流现象,复压过流保护技术会立即采取相应的保护措施。
一般来说,保护措施包括两种:一种是直接切断电力系统中的故障设备,以避免故障设备对电力系统造成更大的影响;另一种是调整电力系统的运行状态,以尽可能地保证电力系统的稳定运行。
需要注意的是,复压过流保护技术的实现需要借助先进的电力保护设备。
这些设备包括计算机控制系统、数字信号处理器、高速通信系统等。
这些设备可以精确地计算出电力系统中电流和电压之间的关系,以及电力系统的运行状态。
同时,这些设备还可以快速响应电力系统中的故障,保护电力系统的安全稳定运行。
总之,复压过流保护技术是一种先进的电力保护技术,可以在保护电力设备的同时,保护整个电力系统的稳定运行。
随着电力系统的不断发展,复压过流保护技术将会越来越广泛地应用于电力系统中,为电力系统的安全稳定运行提供更加可靠的保障。
复压闭锁过流保护原理引言:随着电力系统的不断发展和扩大,电力设备的安全运行问题日益凸显。
电力系统中的过流问题是导致电力设备损坏和事故发生的主要原因之一。
而复压闭锁过流保护技术作为一种常用的保护手段,能够有效地保护电力设备的安全运行。
本文将详细介绍复压闭锁过流保护的原理和应用。
一、复压闭锁过流保护的基本原理复压闭锁过流保护是一种基于电流测量原理的保护技术。
其基本原理是通过监测电流的大小来判断电力设备是否发生过流故障,并在故障发生时及时采取保护措施。
具体来说,复压闭锁过流保护通过将电流信号与设定的保护值进行比较,当电流超过保护值时,保护装置会立即动作,切断电力系统的电源,从而避免电力设备的损坏。
二、复压闭锁过流保护的工作原理复压闭锁过流保护主要由电流互感器、比较器、保护装置和电源组成。
其工作原理如下:1. 电流互感器:电流互感器是复压闭锁过流保护的核心部件,它能将电力系统中的大电流转换为小电流,以便进行测量和判断。
2. 比较器:比较器是复压闭锁过流保护的重要组成部分,它能够将电流信号与设定的保护值进行比较,并输出相应的信号。
3. 保护装置:保护装置是复压闭锁过流保护的执行部分,当电流超过保护值时,保护装置会立即动作,切断电力系统的电源,从而实现对电力设备的保护。
4. 电源:电源为复压闭锁过流保护提供必要的电能,保证其正常运行。
三、复压闭锁过流保护的应用复压闭锁过流保护广泛应用于电力系统中各种电力设备的保护,如变压器、发电机、电动机等。
具体应用如下:1. 变压器保护:变压器是电力系统中常见的电力设备,其保护尤为重要。
复压闭锁过流保护可以监测变压器的电流情况,当电流超过设定值时,能够及时切断电源,保护变压器的安全运行。
2. 发电机保护:发电机是电力系统中的重要设备,其保护对电力系统的稳定运行至关重要。
复压闭锁过流保护可以监测发电机的电流情况,当电流超过设定值时,能够及时切断电源,保护发电机的安全运行。
3. 电动机保护:电动机在工业生产中应用广泛,其保护对生产的连续性和稳定性有着重要影响。
2019年第06期 发电机复压过流保护计算方法探讨周国平(国电科学技术研究院,江苏南京210031)摘 要 在电力系统中,继电保护保障着电气设备的安全,正确合理地定值能保证继电保护正确地动作,因此,做好继电保护的定值整定有助于保障设备和系统的安全㊂发电机复压过流保护作为发电机差动保护的后备防线,对发电机的安全运行起着重要的保障作用㊂从介绍发电机复压过流保护的两种整定计算方法入手,并对这两种计算方法的优劣进行了探讨,对发电机变压器组定值整定计算有一定的参考价值㊂关键词 继电保护;发电机复压过流保护;整定计算中图分类号 TM 7G 64D O I 10.19769/j .z d h y.2019.06.0540引言在电力系统中,继电保护的正确动作能保障设备的安全运行㊂当设备发生故障时,继电保护能协助工程师正确㊁快速地排查出故障设备,减轻或避免对设备的损坏和对系统的影响㊂而合理的保护定值,是继电保护正确动作的基础,发电机复压过流保护是发电机重要的后备保护㊂发电机复压过流保护的定值整定计算目前有两种计算方法:一种是按照躲过主变高压侧三相短路及系统振荡电流整定;另一种是按照发电机额定电流下能可靠返回进行整定㊂本文将这两种计算方法结合现场数据进行了详细的分析及探讨,以确定一种最优化的计算方法㊂1按躲过主变高压侧短路电流及系统振荡电流整定计算法依据发电厂继电保护整定计算及运行技术,发电机复压过流保护动作电流按躲过主变高压侧三相短路流过发电机的最大短路电流和躲过振荡时流过保护的最大振荡电流整定[1]㊂(1)按躲过主变高压侧三相短路流过发电机的最大短路电流整定㊂I o pI =K r e l ˑ1X ᵡd +X T ˑS (B)3U (G )其中,K r e l 取1.3,X ᵡd 为发电机阻抗标幺值,X T 为主变阻抗标幺值,S (B )为系统基准容量,U (G )为发电机机端电压㊂(2)按躲过振荡时流过发电机的最大振荡电流整定㊂I o pI =K r e l ˑ2X s l .m a x +X ᵡd +X T ˑS (B)3U (G )其中,X s l .m a x 为系统最大方式下阻抗标幺值㊂发电机过流保护定值取两个计算值中的较大值㊂2按躲过发电机额定电流整定计算法(1)发电机过流保护动作值整定依据大型发电机变压器继电保护整定计算导则,发电机过流保护动作电流按发电机额定负荷下可靠返回的条件整定[2]㊂(2)按躲过发电机额定电流整定㊂I o pI =K r e lK rI N ,其中,K r e l 取1.2,K r 取0.9,I N 为发电机额定电流㊂3两种计算方法的比较与选择3.1按躲过主变高压侧短路电流及系统振荡电流整定按躲过主变高压侧短路电流及系统振荡电流整定的过流保护定值,由于整定电流值大,在进行动作时间的整定时,无须考虑与主变后备保护及系统振荡时间的配合,因此整定时间较短,当发电机发生故障时,作为发电机差动的后备保护,能快速地切除故障,有效地起到了保护主设备的作用㊂该种计算方法由于整定电流过大,有时会无法满足灵敏度的要求㊂灵敏度系数校验,按发电机出口发生两相短路进行灵敏度计算,发电机出口发生短路时,流经发电机的短路电流为:I k =32X ᵡd ˑS B 3U (G )=12X ᵡd ˑS B U (G ) 灵敏度系数K s e n =I kI o pI >1.2㊂发电机复压过流保护按躲过主变高压侧三相短路流过发电机的最大短路电流整定时,其动作电流值为I o pI =1.3X ᵡd +X T ˑS (B)3U (G )根据上述相关公式,要使K s e n >1.2,则需满足X T >0.8X ᵡd ,即主变短路阻抗标幺值应大于发电机阻抗标幺值的80%㊂依据各个电厂主变短路阻抗及发电机阻抗标幺值数据,不是每个电厂的数据均能满足要求,表1为统计的部分电厂主变阻抗及发电机阻抗标幺值㊂331收稿日期:2019-04-04作者简介:周国平(1978 ),江苏常熟人,工程师,主要从事继电保护及励磁系统的调试及研究工作㊂表1主变及发电机阻抗值统计表电厂主变短路阻抗主变阻抗标幺值X T发电机阻抗标幺值Xᵡd X T/Xᵡd 大唐南京电厂1号机20.01%0.02560.03080.831国电铜陵电厂1号机14.73%0.02050.03080.665华电戚墅堰电厂3号机19.98%0.03550.04270.831国电肇庆电厂1号机14.17%0.03370.04250.793由表1可知,对于变压器短路阻抗较大的电厂,其阻抗标幺值X T较大,通常能满足X T>0.8Xᵡd,而对于变压器短路阻抗较小的电厂,则可能无法满足X T>0.8Xᵡd㊂同理,按躲过系统振荡时流过发电机的最大振荡电流整定的过流保护定值,也同样存在着无法满足保护灵敏度要求的问题,其灵敏度系数不仅与发电机阻抗标幺值Xᵡd和主变短路阻抗标幺值X T有关,也与系统最大方式下阻抗标幺值X s l.m a x有关,X s l.m a x值越大,灵敏度系数越高,保护越灵敏㊂同时,按躲过主变高压侧短路电流及系统振荡电流计算出的短路电流,由于其定值大于主变高压侧发生短路时流过发电机的短路电流,因此只能保护主变低压侧发生的短路故障,无法有效保护主变高压侧及线路上靠近发变组端的故障,缩短了保护的范围㊂3.2按发电机额定负荷下可靠返回的条件整定按发电机额定负荷下可靠返回的条件整定的过流保护定值,其整定值为:I o p I=1.20.9I N㊂灵敏度系数校验,按主变高压侧发生两相短路进行灵敏度计算,主变高压侧发生两相短路时,流经发电机的短路电流为:I k=3(X T+Xᵡd)+(X T+X2)ˑS B3U(G),其中X2为发电机负序阻抗㊂K s e n=I k Io p I >1.2㊂由于I o p I值偏小,灵敏度系数K s e n通常是远远大于1.2,因此一定能满足灵敏度的要求㊂按上述方法整定的发电机复压过流保护定值,保护灵敏度高,同时该定值不仅能保护发电机部分,同时也能保护主变高压侧及线路上靠近发变组端的故障,保护范围广,可以很好地作为发电机㊁变压器及线路近端的后备保护㊂由于该过流保护整定值偏小,一般无法躲过系统振荡电流,也无法躲过主变高压侧的短路电流,在整定动作时间时,应考虑躲过系统振荡时间㊁主变复压过流保护时间㊁线路保护距离Ⅱ段时间,因此,整定时间往往过长,当发变组一次设备故障时,无法快速切除故障㊂3.3两种整定方法的选择‘发电厂继电保护整定计算及其运行技术“与‘大型发电机变压器继电保护整定计算导则“对发电机复压过流保护提出了两种不同的计算方法,‘发电厂继电保护整定计算及其运行技术“要求按躲过主变高压侧短路电流及系统振荡电流整定,而‘大型发电机变压器继电保护整定计算导则“要求按发电机额定负荷下可靠返回的条件进行整定㊂在实际运行中,进行整定计算的各单位及试验院所,有采用第一种计算方法的,也有采用第二种计算方法的㊂按躲过主变高压侧短路电流及系统振荡电流整定的过流定值,由于躲过了主变高压侧短路电流和系统振荡电流,因此,动作时间短,作为发电机差动的后备保护,能快速地切除一次设备的故障,对于灵敏度系数能满足要求的电厂,建议使用该整定方法㊂由于该计算定值偏大,即使满足了现场的灵敏度,灵敏度系数也偏低,一次使用该整定方法时,建议设置Ⅱ段电流定值,Ⅰ段按躲过主变高压侧短路电流及系统振荡电流整定,时间为短延时,Ⅱ段按照躲发电机正常负荷电流整定,时间为长延时㊂按发电机额定负荷下可靠返回的条件整定的定值,动作值偏小,灵敏度高,不仅能保护发电机侧发生的故障,对主变高压侧及线路近端发生的故障,也起到了后备保护的作用,但由于动作时间整定长,不能起到快速切除一次设备的作用㊂进行整定计算时,建议首先按躲过主变高压侧短路电流及系统振荡电流整定,电流定值按Ⅱ段整定,如整定的电流定值确实偏大,在发电机出口发生两相故障,流过发电机的短路电流无法满足灵敏度时,可使用按发电机额定负荷下可靠返回的条件进行整定㊂4结语发电机复压过流保护对机组安全稳定运行起着重要的后备作用,发电机复压过流保护有两种计算方法:一种方法是按照躲过主变高压侧三相短路及系统振荡电流整定㊂该种方法的优点是动作时间短,当发变组出现故障时,能快速地切除故障,但由于动作电流整定大,往往不能满足现场灵敏的要求㊂另一种方法是按发电机额定负荷下可靠返回的条件整定㊂该种方法的优点是整定动作值灵敏度高,但由于整定动作时间较长,无法起到快速切除故障的作用㊂本文结合现场对这两种计算方法的优劣进行了详细的分析,并对此提出了一些整定建议,以便在今后的整定计算中加以应用㊂参考文献[1]许正亚.发电厂继电保护整定计算及其运行技术[M].北京:中国水利水电出版社,2009.[2]国家能源局.大型发电机变压器继电保护整定计算导则:D L/T684 2012[S].北京:中国电力出版社,2012. 4312019年第06期。
发电机复压过流处理方法发电机复压过流是指发电机在运行过程中电压或电流超过额定值的情况。
这种情况的出现可能导致发电机及其周围设备的损坏,甚至引发火灾等严重事故,因此需要采取相应措施进行处理。
下面将详细介绍发电机复压过流的处理方法。
1.分析原因:首先,需要对发电机复压过流的原因进行分析。
可能的原因有供电系统电压过高、发电机负载过大、线圈绝缘老化或损坏、回路中存在短路等。
通过分析原因,可以更好地制定处理方案。
2.及时停机:一旦发现发电机出现复压过流现象,应立即停机,切断电源。
这是最基本也是最重要的措施,能够避免进一步的损耗和事故的发生。
3.检查和维修:停机后,需要对发电机进行全面的检查和维修。
检查发电机的电缆、开关、控制器等部件是否正常,并进行必要的维修。
如果发现绝缘材料老化或损坏,应及时更换;如果发现短路情况,应进行修复。
4.安装过压保护器:为了防止再次发生发电机复压过流现象,可以安装过压保护器。
过压保护器能够监测电压,一旦电压超过额定值,即可切断电源。
过压保护器能够有效防止发电机受到电压过高的损害。
5.调整负载:如果复压过流的原因是负载过大,可以通过调整负载来解决问题。
可以降低负载的功率需求,或者增大发电机的额定容量,从而让发电机能够更好地适应负载。
6.升级设备:有时候,发电机本身的性能无法满足实际需求,也可能导致复压过流的发生。
这种情况下,可以考虑升级设备,使用更高容量的发电机或者增加发电机的辅助设备,如电容器、电感器等。
7.定期维护:定期维护发电机是预防复压过流的关键。
定期检查发电机的工作状态和绝缘状况,进行必要的清洁和维修。
同时,要定期检查电压和电流是否正常,及时发现问题并解决。
总结起来,对于发电机复压过流的处理,首先要对原因进行分析,然后及时停机,进行检查和维修,安装过压保护器,调整负载,升级设备,并定期维护。
这样可以最大程度地避免发电机复压过流的发生,确保发电机的正常运行和设备的安全。
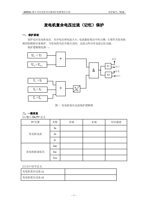
发电机复合电压过流保护
一、保护原理
保护反应发电机电压﹑负序电压和电流大小,电流最好取自中性点侧,主要作为发电机相间短路的后备保护。
当发电机为自并励方式时,过流元件应有电流记忆功能。
见图一。
图一发电机复压过流保护逻辑图
二、一般信息
注:对应的保护压板插入,保护动作时发信并出口跳闸;对应的保护压板拔掉,保护动作时只发信,不出口跳闸
2.5
2.6投入保护
开启液晶屏的背光电源,在人机界面的主画面中观察此保护是否已投入。
(注:该保护投入时其运行指示灯是亮的。
)如果该保护的运行指示灯是暗的,在“投退保护”的子画面点击投入该保护。
2.7参数监视
点击进入发电机复合电压过流保护监视界面,可监视保护的整定值,电流,电压,以及负序电压计算值等信息。
三、保护动作整定值测试
3.1 相电流定值测试
无电压输入,低电压判据满足,分别输入三相电流,并缓慢增加,直至发电机复合电压过流保护出口动作,记录数据填表:
3.2 低电压定值测试
加某一相电流超过整定值,加CA相电压为额定电压,缓慢降低,直至发电机复压过流保护出口动作,记录数据填表:
3.3 负序电压定值测试
使某一相电流超过整定值,外加三相不平衡电压,直至发电机复压过流保护出口动作,记录数据填表:(注:因为低电压判据和负序电压判据为或门关系,测试负序电压定值时,请将低电压定值改小,再做此项测试)
3.4 动作时间定值测试
保护出口方式是否正确(打“√”表示):正确□错误□
保护信号方式是否正确(打“√”表示):正确□错误□。