空气分离的基本原理空气分离的基本原理是利用低温精馏法1
- 格式:doc
- 大小:420.00 KB
- 文档页数:13
绪 论一、空气分离的几种方法1、 低温法(经典,传统的空气分离方法)压缩 膨胀低温法的核心2、 吸附法:利用固体吸附剂(分子筛、活性炭、硅胶、铝胶)对气体混合物中某些特定的组分吸附能力的差异进行的一种分离方法。
特点:投资省、上马快、生产能力低、纯度低(93%左右)、切换周期短、对阀的要求或寿命影响大。
3、 膜分离法:利用有机聚合膜对气体混合物的渗透选择性。
2O 穿透膜的速度比2N 快约4-5倍,但这种分离方法生产能力更低,纯度低(氧气纯度约25%~35%)二、学习的基本内容1、 低温技术的热力学基础——工程热力学:主要有热力学第一、第二定律;传热学:以蒸发、沸腾、冷凝机理为主;流体力学:伯努利方程、连续性方程;2、 获得低温的方法绝热节流相变制冷等熵膨胀3、 溶液的热力学基础拉乌尔定律、康诺瓦罗夫定律(1、2 ,空分的核心、精馏的核心)4、 低温工质的一些性质:(空气 、O 、N 、Ar )5、 液化循环(一次节流、克劳特、法兰德、卡皮查循环等)6、 气体分离(结合设备)三、空分的应用领域1、 钢铁:还原法炼铁或熔融法炼铁(喷煤富氧鼓风技术);2、 煤气化:城市能源供应的趋势、煤气化能源联合发电;3、 化工:大化肥、大化工企业,电工、玻璃行业作保护气;4、 造纸:漂白剂;5、 国防工业:氢氧发动机、火箭燃料;6、 机械工业;四、空分的发展趋势○ 现代工业——大型、超大型规模;○ 大化工——煤带油:以煤为原料生产甲醇;○ 污水处理:富氧曝气;○ 二次采油;第一章 空分工艺流程的组成一、工艺流程的组织我国从1953年,在哈氧第一台制氧机,目前出现的全低压制氧机,这期间经历了几代变革:第一代:高低压循环,氨预冷,氮气透平膨胀,吸收法除杂质;第二代:石头蓄冷除杂质,空气透平膨胀低压循环;第三代:可逆式换热器;第四代:分子筛纯化;第五代:,规整填料,增压透平膨胀机的低压循环;第六代:内压缩流程,规整填料,全精馏无氢制氩;○全低压工艺流程:只生产气体产品,基本上不产液体产品;○内压缩流程:化工类:5~8MPa :临界状态以上,超临界;钢铁类:3.0 MPa ,临界状态以下;二、各部分的功用 净化系统 压缩 冷却 纯化 分馏 (制冷系统,换热系统,精馏系统)液体:贮存及汽化系统;气体:压送系统;○净化系统:除尘过滤,去除灰尘和机械杂质;○压缩气体:对气体作功,提高能量、具备制冷能力;(热力学第二定律)○预冷:对气体预冷,降低能耗,提高经济性有预冷的一次节流循环比无预冷的一次节流循环经济,增加了制冷循环,减轻 了换热器的工作负担,使产品的冷量得到充分的利用;○纯化:防爆、提纯;吸附能力及吸附顺序为:2222CO H C O H >>;○精馏:空气分离换热系统:实现能量传递,提高经济性,低温操作条件;制冷系统:①维持冷量平衡 ②液化空气膨胀机 h W ∆+方法节流阀 h ∆膨胀机制冷量效率高:膨胀功W ;冷损:跑冷损失 Q1复热不足冷损 Q2生产液体产品带走的冷量Q3321Q Q Q Q ++≥第一节 净化系统一、除尘方法:1、 惯性力除尘:气流进行剧烈的方向改变,借助尘粒本身的惯性作用分离;2、 过滤除尘:空分中最常用的方法;3、 离心力除尘:旋转机械上产生离心力;4、 洗涤除尘:5、 电除尘:二、空分设备对除尘的要求对0.1m μ以下的粒子不作太多要求,因过滤网眼太小,阻力大;对0.1m μ以上的粒子要100%的除去;三、过滤除尘的两种过滤方式1、内部过滤:松散的滤料装在框架上,尘粒在过滤层内部被捕集;2、表面过滤:用滤布或滤纸等较薄的滤料,将尘粒黏附在表面上的尘粒层作为过滤层,进行尘粒的捕集;自洁式过滤器:1m μ以上99.9%以上;阻力大于1.5KPa 。
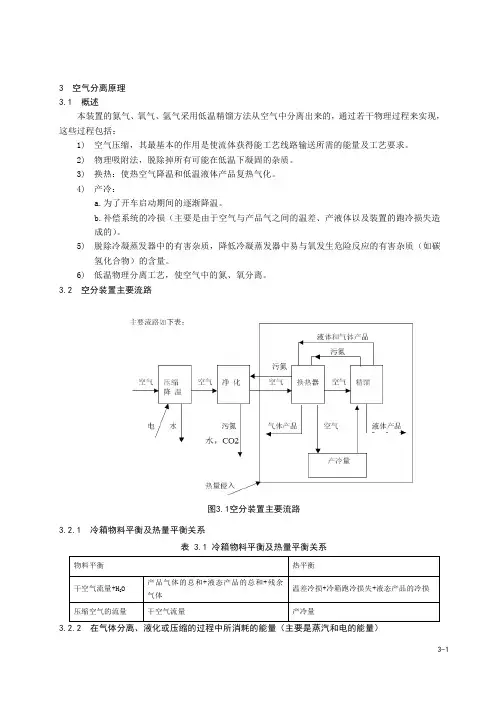
3 空气分离原理3.1 概述本装置的氮气、氧气、氩气采用低温精馏方法从空气中分离出来的,通过若干物理过程来实现,这些过程包括:1)空气压缩,其最基本的作用是使流体获得能工艺线路输送所需的能量及工艺要求。
2)物理吸附法,脱除掉所有可能在低温下凝固的杂质。
3)换热:使热空气降温和低温液体产品复热气化。
4)产冷:a.为了开车启动期间的逐渐降温。
b.补偿系统的冷损(主要是由于空气与产品气之间的温差、产液体以及装置的跑冷损失造成的)。
5)脱除冷凝蒸发器中的有害杂质,降低冷凝蒸发器中易与氧发生危险反应的有害杂质(如碳氢化合物)的含量。
6)低温物理分离工艺,使空气中的氮、氧分离。
3.2空分装置主要流路图3.1空分装置主要流路3.2.1 冷箱物料平衡及热量平衡关系表 3.1 冷箱物料平衡及热量平衡关系3.2.2 在气体分离、液化或压缩的过程中所消耗的能量(主要是蒸汽和电的能量)图3.2 能量流向示意图P0:大气压力 T0:大气温度P:限定温度下的压力 Te:在P0压力下的蒸发温度3.3 自洁式过滤器原理3.3.1 过滤过程空气经过过滤筒,由于重力、惯性扩散、静电、接触阻力等综合作用,灰尘沉降、堆积在过滤元件上,干净空气经文氏管再到出风口送出。
3.3.2 自洁过程空气过滤元件上的灰尘,用定时或定差压的方式,由微电脑自动控制,依次对过滤筒反吹,将沉降物的颗粒灰尘吹落到大气中,每次仅一组(六个)过滤筒处于自洁过程,间隔时间为30秒,其它过滤筒仍处于正常过滤工作状态,过滤器照常运行。
3.4 空气预冷系统3.4.1 预冷的作用原理预冷系统设置在空气压缩机与纯化器之间,由空气冷却塔、水冷塔、螺杆式冷水机组、氨冷器及四台多级离心式水泵组成,起到降低进纯化器空气温度、减少空气中的含水量,提高分子筛的吸附值的作用。
同时,经水洗的空气可去除某些可溶性有害物质,如NH3、SO2、NO2、Cl2、HCl等,也可除去空气中部分固体颗粒。
深冷分离技术原理
深冷分离法,又称低温精馏法。
深冷分离是指利用不同气体的沸点差异,在高压下对混合气体进行降温液化处理,进而达到分离混合气体的目的。
现已广泛应用于分离空气中的氧气。
同时,深冷分离法也是石油化工行业分离裂解气的主要技术之一。
深冷法空气分离原理以空气为原料,经过压缩、净化、用热交换使空气液化成为液空。
液空主要是液氧和液氮的混合物,利用液氧和液氮的沸点不同,通过精馏,使它们分离来获得氮气和氧气。
深冷制氮的工艺流程:
1、空气压缩及净化
空气经空气过滤器清除灰尘和机械杂质后进入空气压缩机,压缩至所需压力,然后送入空气冷却器,降低空气温度。
再进入空气干燥净化器,除去空气中的水份、二氧化碳、乙炔及其它碳氢化合物。
2、空气分离
净化后的空气进入空分塔中的主换热器,被返流气体(产品氮气、废气)冷却至饱和温度,送入精馏塔底部,在塔顶部得到氮气,液空经节流后送入冷凝蒸发器蒸发,同时冷凝由精馏塔送来的部分氮气,冷凝后的液氮一部分作为精馏塔的回流液,另一部分作为液氮产品出空分塔。
由冷凝蒸发器出来的废气经主换热器复热到约130K进膨胀机膨胀制冷为空分塔提供冷量,膨胀后的气体一部分作为分子筛的再生和吹冷用,然后经消音器排入大气。
3、液氮汽化
由空分塔出来的液氮进液氮贮槽贮存,当空分设备检修时,贮槽内的液氮进入汽化器被加热后,送入产品氮气管道。
深冷制氮可制取纯度≧99.999%的氮气。
《空气分离流程工艺》课程:过程装备成套技术姓名:刘小菲学号: 08180224学院:石油化工学院班级:基地一班一.空气分离简介及基本原理空气分离简称空分,利用空气中各组分物理性质不同(见表),采用深度冷冻、吸附、膜分离等方法从空气中分离出氧气、氮气,或同时提取氦气、氩气等稀有气体的过程。
空气分离最常用的方法是深度冷冻法(如图示)。
此方法可制得氧、氮与稀有气体,所得气体产品的纯度可达98.0%~99.9%。
此外,还采用分子筛吸附法分离空气(见变压吸附),后者用于制取含氧70%~80%的富氧空气。
近年来,有些国家还开发了固体膜分离空气的技术。
氧气、氮气及氩气、氦气等稀有气体用途很广,所以空气分离装置广泛用于冶金、化工、石油、机械、采矿、食品、军事等工业部门。
空气分离的基本原理是利用低温精馏法,将空气冷凝成液体,按照各组分蒸发温度的不同将空气分离。
双级精馏塔在上塔顶部和底部同时获得纯氮气和纯氧气;也可以在主冷的蒸发侧和冷凝侧分别取出液氧和液氮。
精馏塔中空气分离分为两级,空气在下塔进行第一次分离,获得液氮,同时得到富氧液空;富氧液空被送向上塔进行精馏,获得纯氧和纯氮。
上塔又分为两段:以液空进料口为界,上部为精馏段,精馏上升气体,回收氧组分,提纯氮气纯度,下段为提馏段,将液体中的氮组分分离出来,提高液体的氧纯度。
二.空气设备简史到50年代,由于吹氧炼钢和高炉鼓风工艺的推广应用以及氮肥工业的迅速发展,空气分离设备向大型化发展,并应用了近代的科研成果,如采用透平压缩机、透平膨胀机、板翅式换热器、微型计算机和分子筛吸附器等设备之后,空气分离设备不断得到改进和完善,设备中的空气压力从高压(20兆帕)降到低压(小于1兆帕),单位产品的电耗也逐渐下降(每立方米氧的电耗从1.5降至0.6千瓦·小时)。
现代空气分离设备能生产各种容量、不同纯度的气态或液态产品,也能制造超高纯度的氧和氮(如含氧99.998%和含氮99.9995%)空气分离设备还能根据用户的需要,通过电子计算机的控制,随时增减产品的数量,达到经济用氧的目的。
空分的工艺流程和原理
空分,即空气分离,是指将空气中的氧氮混合气体通过分离工艺分离出纯氮、纯氧或其他常见气体的过程。
空分工艺主要包括压力摩擦吸附法(PSA)和低温常压分馏法(Linde法)。
1. 压力摩擦吸附法(PSA):
- 原理:根据不同气体在固体吸附剂上的吸附性能的差异,利用压力变化来实现气体的分离。
PSA主要利用碳分子筛(CMS)吸附剂,通过交替的压缩和减压步骤,将氮气和氧气分离出来。
- 工艺流程:
a. 压缩:将空气通过压缩机增压至较高的压力。
b. 预冷:利用冷却器将压缩后的空气冷却至较低温度。
c. 吸附:将冷却后的空气通入吸附器中,吸附剂上的氮气被吸附,氧气通过。
d. 减压:关闭进气口,将吸附剂从高压状态减压至大气压,氮气被释放出来。
e. 冲洗:用一部分净化后的气体(再生气体)进行冲洗,去除吸附剂上的杂质。
f. 再生:将再生气体排出,吸附剂恢复正常吸附性能,准备下一次吸附分离。
2. 低温常压分馏法(Linde法):
- 原理:根据气体的沸点差异,在低温下将空气分馏成液氧和液氮。
Linde法主要利用精馏塔进行分离。
- 工艺流程:
a. 压缩:将空气通过压缩机增压至较高的压力。
b. 预冷:利用冷凝器将压缩后的空气冷却至较低温度。
c. 分馏:将冷却后的空气进入精馏塔,精馏塔内设置的塔板使得氮气和氧气按沸点差进行分离。
d. 出口:分离后的纯氮和纯氧按需求从相应的出口取出。
e. 再压缩:将余下的气体再次经过压缩机增压,以提高分离效率。
空分工艺流程和原理的具体细节可能会有所差异,但以上是常见的空分工艺流程和原理。
空分氩气含量高的原因探析
氩气是一种无色、无味、无毒的惰性气体,广泛应用于焊接保护、电子工业、激光技术、医疗等领域。
在空气分离过程中,氩气的提取是一个重要的环节。
然而,在某些情况下,我们可能会发现空分氩气的含量较高。
那么,这是什么原因呢?本文将对此进行探讨。
首先,我们需要了解空气分离的基本原理。
空气分离是通过低温精馏的方式,将空气中的氮气、氧气、氩气等成分进行分离的过程。
在这个过程中,由于氩气的沸点介于氮气和氧气之间,因此可以通过控制温度和压力来实现氩气的有效提取。
然后,我们要知道影响氩气含量的因素。
氩气含量的高低主要受到以下几方面因素的影响:
1. 原料气质量:原料气中氩气的初始含量会影响最终产品的氩气含量。
如果原料气中含有较高的氩气,那么经过分离后得到的氩气含量也会相应增加。
2. 分离工艺:不同的分离工艺对氩气的提取效果也有所不同。
一些高效的氩气提取工艺可以提高氩气的产量和纯度。
3. 设备性能:设备的性能对氩气的提取也有很大影响。
例如,设备的制冷效率、塔板的设计等因素都会影响到氩气的提取效果。
4. 操作条件:操作条件如温度、压力、流量等的控制也是影响氩气含量的重要因素。
合理的操作条件能够提高氩气的提取率和纯度。
综上所述,空分氩气含量高的原因可能是由于原料气中含有较高的氩气、采用了高效的氩气提取工艺、设备性能优良以及操作条件控制得当等因素共同作用的结果。
然而,也需要注意到,过高的氩气含量可能会导致其他有用气体的产量降低,因此在实际生产中需要根据具体情况合理调整操作参数,以达到最佳的分离效果。
目录1.流程总体概述2.压缩机3.换热器4.吸附器5.精馏1.流程总体概述空气中的氮是采用低温精馏方法分离出来的。
上述低温可以通过若干物理过程来达到,这些过程包括:1)空压机,其最基本的作用是使流体有能力沿工艺线路流动;2)采用低温冻结法或物理吸附法,脱除掉所有可能在低温下固化的杂质;3)换热器:用以使空气降温和复热产品气体;4)产冷:-为了开车启动期间的逐渐降温;-补偿系统的冷损(空气与产品气之间的温差,产液体,装置的跑冷损失);5)脱除所有易与氧发生危险反应的有害杂质(如碳氢化合物)的方法;6)低温分离工艺(精馏);在气体分离、液化或压缩的过程中所消耗的能量(主要是电能)。
空气中各种气体的特性2. 压缩机参考制造商手册和文件资料,以及液空杭州开车专家在现场递交的文件。
3. 换热器3.1 概述 3.1.1 定义换热器是一种将一股(或几股)流体的热量或冷量传递给另一股(或几股)流体的静 止设备。
3.1.2 例子在下面例举的换热器中,进口气流的流量和温度都是一定的,出口气流的温度将由该 换热器的工作来决定( 进、出口的流量相同)。
气流1进口温度 25︒C ,出口温度-90︒C 。
气流2进口温度 -100︒C ,出口温度3.2 热传道 3.2.1 传热过程换热器内部的热量传递可以用图示意。
如图所示,气流1与气流2之间的热传递可以通过 TA 到 TB 的温度变化曲线 予以说明。
在换热器壁面上及其邻近区域,由于层流流动,流体1与流体2所产生的热阻R1和R3 减弱 了热量的传递。
此外, 由于壁面本身的热量传递产生了一个附加的热阻R 2。
R 1,R 2,R 3分别确定了局 部换热系数 K 1,K 2和K 3,由它们导出一个总的换热系数K ,其定义如下 :1111123123K R R R K K K =++=++气流1与气流2的换热量与换热表面积及温差成正比 :∆∆Q K S T =⨯⨯整台换热器的换热量为 :Q K S =⨯⨯ △T 平均3.2.2 某段换热区间内的热平衡气流 1:∆∆Q W C T p 1111=⨯⨯C p 1气流 2:∆∆Q W C T p 2222=⨯⨯T 2+△T 2T 2T 1+△T 1ds根据前面的公式,该段区间所传递的热量:∆∆∆Q K S T T 312=⨯⨯-() W 2气流2C p 2∆∆∆∆∆Q K S T T Ln T T 31212=⨯⨯-(设 ∆∆T T 12〉)这三个换热量是相等的 :∆∆∆Q Q Q 123==我们可以根据温度分布在图上显示出整台换热器的换热量。
生产工艺题库填空题:1、空气预冷系统的作用主要有(降温)和(洗涤)两方面。
2、空气分离的三种方法是(低温法)、(吸附法)、膜分离法。
3、分子筛纯化系统的再生时间由降压、(加温)、冷吹、(升压)四部组成。
4、启动蒸汽加热器时应先通(蒸汽),后通(污氮气)。
5、分子筛吸附器主要吸附空气中的(水)、(二氧化碳)、(碳氢化合物)。
6、空冷塔底部液位报警值为高限:(2300mm),联锁值为高高限:(2700mm)。
空冷塔出口压力报警值为低限:(0.45MPa), 联锁值为低低限:(0.4MPa)。
7、空分分离的基本原理是利用低温精馏法,氧、氮、氩三种组分中,氮的沸点最低,为(196℃)。
8、水冷塔底部液位报警值为低限:(1200mm),联锁值为低低限:(600mm)。
9、制氧流程详细可分为十大系统,即空气压缩系统、空气净化系统、(换热系统)、制冷系统、(精馏系统)、安全防爆系统、产品压缩输送系统、(加温解冻系统)、仪控系统、电控系统。
10、主冷凝蒸发器是连接上下塔,使二者进行热量交换的设备,对下塔是(冷凝器),对上塔是(蒸发器)。
11、进口增压透平膨胀机组转速报警值为高限:(20800rpm), 联锁值为高高限:(21550rpm), 低低限:(3000rpm)。
13、国产增压透平膨胀机组转速报警值为高限:(21000rpm), 低限:(9000rpm)。
联锁值为高高限:(22000rpm), 低低限:(8000rpm)。
14、翅片的形式有平直、(多孔)、(锯齿)、波纹。
15、空分装置临时停车时,上塔底部液氧面会(上升)。
16、精馏过程的实质是多次的部分(蒸发)和多次的部分(冷凝)过程的结合。
17、空分装置的启动过程大致可以分为(冷却)、(积液)、调纯几个阶段。
18、过冷器用氮气、污氮气使液空、液氮、污液氮过冷,以(减少)气化率,(增加)上塔回流液,改善精馏工况。
19、下塔液氮取出量越(大)主冷液氮纯度越低液空纯度会(提高)。
空气分离的基本原理空气分离的基本原理是利用低温精
馏法1
空气分离的基本原理空气分离的基本原理是利用低温精馏法1
空气分离的基本原理是利用低温精馏法。
空气是由多种气体组成的混
合物,包括氮气、氧气、氩气和少量的二氧化碳、氢气和其他稀有气体。
空气分离的目的是将其中的氮气、氧气和氩气等有用气体分离出来,以便
用于工业生产或其他应用。
首先,需要将空气进行压缩,一般达到几十个大气压。
随后,将压缩
后的空气通过冷却器进行冷却,使其达到低温。
在该过程中,空气被冷却
至液态。
由于不同气体的沸点不同,可以利用这一差异来实现对气体的分离。
在空气冷却的过程中,液态空气会通过精馏塔来进行分离。
精馏塔内
部设有一系列的分馏板,通过加热或降温以及控制压力等因素,使不同沸
点的气体分别汽化或液化。
较易液化的气体会凝结成液态,较难液化的气
体则继续上升至精馏塔的上部。
在精馏塔的不同分馏板上,气体逐渐分离,其中液态氮气居于底部,
液态氧气则集中在中部,液态氩气位于上部。
通过控制温度和压力等因素,可以调整精馏塔的操作条件来实现对氮气、氧气和氩气等气体的纯化和回收。
最后,从精馏塔的不同部位收集氮气、氧气和氩气等纯气体。
这些纯
气体可以经过进一步的处理,用于制造合成氨、造船、切割金属等工业生
产中。
总之,空气分离的基本原理是利用低温精馏法,通过调整温度和压力等操作条件,利用气体的沸点差异,实现对氮气、氧气和氩气等气体的分离。
一、空气分离的方法和原理空分的含义:简单说就是利用物理或者化学方法将将空气混合物各组进行分开,获得高纯氧气和高纯氮气以及一些稀有气体的过程。
空分分离的方法和原理:空气中的主要成分是氧和氮,它们分别以分子状态存在,均匀地混合在一起,通常要将它们分离出来比较困难,目前工业上主要有3种实现空气分离方法。
1)深冷法(也称低温法):先将混合物空气通过压缩、膨胀和降温,直至空气液化,然后利用氧、氮汽化温度(沸点)的不同(在标准大气压下,氧的沸点为﹣183℃;氮的沸点为﹣196℃,沸点低的氮相对于氧要容易汽化这个特性,在精馏塔内让温度较高的蒸气与温度较低的液体不断相互接触,低沸点组分氮较多的蒸发,高沸点组分氧较多的冷凝的原理,使上升蒸气氮含量不断提高,下流液体中的氧含量不断增大,从而实现氧、氮的分离。
要将空气液化,需将空气冷却到﹣173℃以下的温度,这种制冷叫深度冷冻(深冷);而利用沸点差将液态空气分离为氧、氮、氩的过程称之为精馏过程。
深冷与精馏的组合是目前工业上应用最广泛的空气分离方法;2)吸附法:利用多孔性物质分子筛对不同的气体分子具有选择性咐附的特点,对气体分子不同组分有选择性的进行吸附,达到单高纯度的产品。
吸附法分离空气流程简章,操作方便运行成本较低,但不能获得高纯度的的双高产品。
3)膜分离法:利用一些有机聚合膜的潜在选择性,当空气通过薄膜或中空纤维膜时,氧气穿过膜的速度比氮快的多的特点,实现氧、氮的分离。
这种分离方法得到的产品纯度不高,规模也较小,目前只适用于生产富氧产品。
二、空气的组成氧、氮、氩和其他物质一样,具有气、液和固三态。
在常温常压下它们呈气态。
在标准大气压下,氧被冷凝至-183℃,氮被冷凝至-196℃,氩被冷凝至-186℃即会变为液态,氧和氮的沸点相差13 ℃,氩和氮的沸点相差10 ℃,空气的分离就是充分利用其沸点的不同来将其进行分离。
空气中除氧、氮和氩外,还有氖、氦、氪、氙等稀有气体,这些稀有气体广泛应用在国防、科研及工业上,稀有气体的提取也直接关系到空分装置氧气的提取率和生产运行能耗。
《空气分离流程工艺》课程:过程装备成套技术姓名:刘小菲学号: 08180224学院:石油化工学院班级:基地一班一.空气分离简介及基本原理空气分离简称空分,利用空气中各组分物理性质不同(见表),采用深度冷冻、吸附、膜分离等方法从空气中分离出氧气、氮气,或同时提取氦气、氩气等稀有气体的过程。
空气分离最常用的方法是深度冷冻法(如图示)。
此方法可制得氧、氮与稀有气体,所得气体产品的纯度可达%~%。
此外,还采用分子筛吸附法分离空气(见变压吸附),后者用于制取含氧70%~80%的富氧空气。
近年来,有些国家还开发了固体膜分离空气的技术。
氧气、氮气及氩气、氦气等稀有气体用途很广,所以空气分离装置广泛用于冶金、化工、石油、机械、采矿、食品、军事等工业部门。
空气分离的基本原理是利用低温精馏法,将空气冷凝成液体,按照各组分蒸发温度的不同将空气分离。
双级精馏塔在上塔顶部和底部同时获得纯氮气和纯氧气;也可以在主冷的蒸发侧和冷凝侧分别取出液氧和液氮。
精馏塔中空气分离分为两级,空气在下塔进行第一次分离,获得液氮,同时得到富氧液空;富氧液空被送向上塔进行精馏,获得纯氧和纯氮。
上塔又分为两段:以液空进料口为界,上部为精馏段,精馏上升气体,回收氧组分,提纯氮气纯度,下段为提馏段,将液体中的氮组分分离出来,提高液体的氧纯度。
二.空气设备简史到50年代,由于吹氧炼钢和高炉鼓风工艺的推广应用以及氮肥工业的迅速发展,空气分离设备向大型化发展,并应用了近代的科研成果,吸附器等设备之后,空气分离设备不断得到改进和完善,设备中的空气压力从高压(20兆帕)降到低压(小于1兆帕),单位产品的电耗也逐渐下降(每立方米氧的电耗从降至千瓦·小时)。
现代空气分离设备能生产各种容量、不同纯度的气态或液态产品,也能制造超高纯度的氧和氮(如含氧%和含氮%)空气分离设备还能根据用户的需要,通过电子计算机的控制,随时增减产品的数量,达到经济用氧的目的。
到80年代,大型空气分离设备的氧气生产能力已达到70000米(/时;空气压力下降到兆帕;连续运转周期可达2年以上。
分类空气分离设备是由多种机械和设备组成的成套设备,常按空气压力来分类。
常用的有高压、中压和低压3种.低压设备由于电耗低、连续运转周期长、经济效益高,被广泛采用。
低压空气分离设备。
整个设备由空气压缩系统、杂质净化和换热系统、制冷系统和液化精馏4个主要系统组成。
相应的机械设备有空气透平压缩机、空气冷却塔、透平膨胀机和分馏塔等。
低压空气分离设备的工作原理建立在液化循环和精馏理论基础上进入的空气先经空气过滤器,而后由透平压缩机空气冷却塔压缩和冷却到压力为兆帕、温度为303K 左右,再进入切换式换热器(E1、E2)两换热器能清除空气中的水和二氧化碳,并进行热交换,把空气冷却到接近液化温度(101K)后送入下塔,从下塔抽出一部分空气送到换热器(E2)加热。
加热的空气与下塔来的少量冷空气汇合后进入透平膨胀机绝热膨胀,产生需要的冷量,然后被送往上塔精馏。
余下的空气在下塔初步精馏。
在底部得到含氧38%的液化空气,在下塔的顶部得到含氮%的纯液氮,在中部获得含氮约95%的污液氮。
液化空气、纯液氮、污液氮分别从下塔抽出通过节流阀减压到约兆帕,送入上塔作回流液,在此进行第二次深低温精馏,在上塔底部得到含氧~%的高纯度氧气,流经换热器(E4、E2、E1)与空气进行热交换,升温到大气温度后排出塔外。
在上塔顶部获得含氮%的高纯度氮气,在上塔中部得到含氮约96%的污氮,均经换热器(E3、E4、E2、E1)复热到大气温度后排出装置。
位于上、下塔之间的冷凝蒸发器也是一种换热器,它的功用是通过换热,将上塔底部的液氧蒸发,而将下塔的气氮冷凝,故称冷凝蒸发器。
液氧蒸发后一部分作为产品输出,其余部分作为上塔精馏所需的上升蒸气。
下塔冷凝的液氮,一部分送往上塔作上塔回流液,另一部分作为下塔精馏所需要的回流液。
因此,冷凝蒸发器是使上、下塔能起精馏作用的不可缺少的设备之一。
除上述主要设备外,冷箱内还有吸附器,它能吸附未被冻结在换热器(E1、E2)中的杂质二氧化碳和易爆物质。
箱内还设有液氧泵,使液氧循环流动和清除致爆物质,以保证设备的安全运转。
在低温下工作的换热器、塔、液氧泵和透平膨胀机等都装在填充有绝热材料的冷箱内,以减少冷量损失。
出冷箱的产品氧气和氮气,再送往贮存系统和透平压缩机内升压到需要的压力后供用户使用。
空分设备系统空分设备是一个大型的复杂系统,主要由以下子系统组成:动力系统、净化系统、制冷系统、热交换系统、精馏系统、产品输送系统、液体贮存系统和控制系统等。
1.动力系统主要是指原料空气压缩机。
空分设备将空气经低温分离得到氧、氮等产品,从本质上说是通过能量转换来完成。
而装置的能量主要是由原料空气压缩机输入的。
相应地,空气分离所需要的总能耗中绝大部分是原料空气压缩机的能耗。
2.净化系统由空气预冷系统(空冷系统)和分子筛纯化系统(纯化系统)组成。
经压缩后的原料空气温度较高,空气预冷系统通过接触式换热降低空气的温度,同时可以洗涤其中的酸性物质等有害杂质。
分子筛纯化系统则进一步除去空气中的水分、二氧化碳、乙炔、丙烯、丙烷和氧化亚氮等对空分设备运行有害的物质。
3.制冷系统空分设备是通过膨胀制冷的,整个空分设备的制冷严格遵循经典的制冷循环。
不过通常提到的空分制冷设备,只要是指:膨胀机。
4.热交换系统空分设备的热平衡是通过制冷系统和热交换系统来完成的。
随着技术的发展,现在的换热器主要使用铝制板翘式换热器。
5.精馏系统空分设备的核心,实现低温分离的重要设备。
通常采取高、低压两级精馏方式。
只要由低压塔、中压塔和冷凝蒸发器组成。
6.产品输送系统空分设备生产的氧气和氮气需要一定的压力才能满足后续系统的使用。
只要由各种不同规格的氧气压缩机和氮气压缩机组成。
7.液体贮存系统空分设备能生产一定的液氧和液氮等产品,进入液体贮存系统,以备需要时使用。
只要是由各种不同规格的贮槽、低温液体泵和汽化器组成。
8.控制系统大型空分设备都采用计算机集散控制系统,可以实现自动控制。
三.工艺过程1.高中压空分设备工艺过程2.典型空分设备氧气生产安全流程3. 流程1. 设备可同本时制取纯氧和纯氮,并可取得少量的液氧,以备临时停车时气化使用。
空气自吸入塔使吸入,经空气过滤器除去机械杂质,由空气压缩机加压到,进空气冷却塔冷却后,分两路进入空分塔的两组可逆式换热器的热段与冷段。
热段由空气、污氮、氧气和氮气四个通道组成,冷段除上述四个通道外,还有一个环流空气的通道。
2. 净化后的空气在-171摄氏度左右进入下塔。
自下塔底部抽出一定量的洗涤空气,一部分进污氮液化器、氮气液化器和氧气液化器,被液化回流进下塔底部;另一部分进可逆式换热器冷段作为环流空气;再一部分旁通后两部分空气汇合后经透平膨胀机,膨胀到送入上塔中部。
3. 冷凝蒸发器系板翅式结构.由其中引出液氮,一部分做下塔的回流液,另一部分经液氮过冷器后节流入上塔顶部.在下塔中部抽出部分液氮经液氮过冷器后节流入上塔.4. 空气在上塔进一步精馏,在下部得到含氧%的氧气,顶部得到含氮%的氮气.氧气出上塔经氧气液化器和可逆式换热器后,出空分塔送压氧系统,透平氧压机压至,再经活塞式氧压机压至所需的压力.上塔的氮气经液空过冷器、氮气液化器和可逆式换热器后输出.污氮自上塔上部输出,经液氮过冷器和液氧过冷器及污氮液化气后进入可逆式换热器.将在前一周期中冻结的水分和二氧化碳一同带出塔外,最后经氮水冷却塔后放空.氧气生产安全流程四.空气压缩机驱动机启动后,经三角胶带,带动压缩机曲轴旋转,通过曲柄杆机构转化为活塞在气缸内作往复运动。
当活塞由盖侧向轴运动时,气缸容积增大,缸内压力低于大气压力,外界空气经滤清器,吸气阀进入气缸;到达下止点后,活塞由轴侧向盖侧运动,吸气阀关闭,气缸容积逐渐变小,缸内空气被压缩,压力升高,当压力达到一定值时,排气阀被顶开,压缩空气经管路进入储气罐内,如此压缩机周而复始地工作,不断地向储气罐内输送压缩空气,使罐内压力逐渐增大,从而获得所需的压缩空气。
空气压缩机五.空气过滤器1.作用从气源出来的压缩空气中含有过量的水汽和油滴,同时还有固体杂质,如铁锈、沙粒、管道密封剂等,这些会损坏活塞密封环,堵塞元器件上的小排气孔,缩短元器件的使用寿命或使之失效.空气过滤器的作用就是将压缩空气中的液态水、液态油滴分离出来,并滤去空气中的灰尘和固体杂质,但不能除去气态的水和油.2.结构空气过滤器的结构如下图所示3.空气过滤器的主要性能指标过滤精度指允许通过的杂质颗粒的最大直径。
影响过滤精度的关键是滤芯,可根据后面元器件的需要选择不同的滤芯,使其达到相应的过滤精度。
流量特性指在一定的进口压力下,通过过滤器的空气流量与过滤器两端压力降之间的关系曲线,实际使用时,最好在压力损失小于的范围内选用。
在空气过滤器中,影响流量特性的主要是本体和滤芯。
分水效率指分离出来的水分与进气口空气中所含水分之比.一般要求空气过滤器的分水效率不小于80%.影响分水效率的主要是导流板。
六.低温吸附器吸附气体中的二氧化碳或液体中的乙炔及其他碳氢化合物的吸附器。
二氧化碳吸附器用于蓄冷气中部抽气流程。
乙炔吸附器是指液空吸附器和液氧吸附器七. 透平膨胀机透平膨胀机是空气分离设备及天然气(石油气)液化分离设备和低温粉碎设备等获取冷量所必需的关键部机,是保证整套设备稳定运行的心脏。
主要原理利用有一定压力的气体在透平膨胀机内进行绝热膨胀对外做功而消耗气体本身的内能,从而使气体自身强烈地冷却而达到制冷的目的。
我们平常用气筒打气会发现筒身发热,那是因为活塞压缩气体气体放热,如果反之其原理就类似于膨胀机了(更确切的说是活塞式膨胀机).透平膨胀机输出的能量由同轴压缩机回收或制动风机消耗。
八.精馏设备精馏塔是一种采用精馏的方法,使各组份分离。
从而得到高纯度组份的设备。
空气被冷却至接近液化温度后送入精馏塔的下塔,空气自下向上与温度较低的回流液体充分接触进行传热,使部分空气冷凝为液体。
由于氧是难挥发组份,氮是易挥发组份,在冷凝过程中,氧比氮较多的冷凝下来,使气体中氮的纯度提高。
同时,气体冷凝时要放出冷凝潜热,使回流液体一部分汽化。
由于氮是易挥发组份。
因此,氮比氧较多的蒸发出来,使液体中氧纯度提高。
就这样,气体由下向上与每一块塔板上的回流液体进行传热传质,而每经过一块塔板,气相中的氮纯度就提高一次,当气体到达下塔顶部时,绝大部分氧已被冷凝到液体中,使气相中的氮纯度达到%。
一部分氮气进入冷凝蒸发器中,冷凝成液氮.作为下塔回流液。
同时上塔底部的液氧汽化,作为上塔的上升气体,参与上塔的精馏。
将下塔底部得到的含氧38~40%的富氧液空节流后送入上塔,作为上塔的一部分回流液与上升气体接触传热,部分富氧液空汽化。