项目施工单位三级安全教育内容考试签字
- 格式:doc
- 大小:59.50 KB
- 文档页数:27
入场三级安全教育内容有哪些新工人入场必须进行项目总包单位、项目分包单位、作业班组三级安全教育并做好记录,经总包单位安全环保部考试合格、登记备案后,方准上岗作业。
教育时间:总包级教育为16小时,分包级教育为16小时,班组级教育为8小时。
工程项目可根据工程规模及特点对各级安全教育的时间做适当的延长。
分包安全教育:各分包商要做好进场员工的安全教育,并贯穿始终,全过程覆盖地进行安全教育培训,教育培训的重点是操作者的自我保护意识。
各分包商经过培训的员工要在总包制定的安全誓约书上签名并上报到总包安全环保部。
在事故多发期及上级部门下达指令时,进行针对性的教育。
采取多样化的培训教育形式,如板报、标语、大会、录像等。
实施施工队伍职工的安全进场教育工作及平时的安全教育培训,新工人必须经过三级安全教育。
由安全环保部负责安全培训教育工作,并做好记录,建立职工劳动保护教育卡。
总承包商每个月都根据施工现场情况拟定安全活动主题,开展安全活动,月底对安全施工表现好的个人和分包商在安全大会上予以奖励。
总包级教育内容:新工人入场安全教育的意义和必要性;建筑施工的特点及其给劳动者安全带来的不利因素;国家、行业、地方及企业当前的安全生产形势;安全生产法规及安全知识教育(如:《中华人民共和国宪法》第42条;《中华人民共和国刑法》第113条、114条、115条、187条;《国务院关于加强安全生产工作的通知》(国发(1993)50号);国务院发布的《建筑安装工程安全技术规程》有关内容;公司有关安全生产的规章制度和办法;事故发生规律及典型事故案例;事故预防的基本知识;事故急救措施等)。
分包级教育内容:国家、部委有关安全生产的标准;当地有关部门的各项安全生产标准;在施工程基本情况和必须遵守的安全事项;施工用化学产品的用途、防毒知识、防火及防煤气中毒知识等。
班组级教育内容工程项目中工人的安全生产责任制;本工程项目易发生事故的部位及劳动保护用品的使用要求;本班组生产工作概况、工作性质及范围;本工种的安全操作规程;个人从事工作的性质及必要的安全知识。
施工现场三级安全教育一、工种的安全技术操作规程:1、基坑作业、机械设备、电气安全基础知道2、防水、防毒、防尘、防爆及紧急情况安全防患自救。
3、防护用品发放标准及防护用品,用具使用的基本自救。
4、进行本工种岗位安全操作及班组安制度、纪律教育,主要内容是:(1)本班组作业特点及安全操作规程:(2)班组安全活动制度及纪律;(3)爱护和正确使用安全防护装置(设施)及个人劳动防护用品;(4)本岗位易发生事故的不安全因素及其防患对策;(5)本岗位的作业环境及使用的机械设备、工具的安全要求.二、工人安全生产须知:1、新工人进入工地前必须认真学习本工种安全技术操作规程,未经安全知道教育和培训,不得进入施工现场操作。
2、进入施工现场,必须戴好安全帽、扣好帽带。
3、不懂电器和机械的人员,严禁使用和玩弄机电设备.4、建筑材料和构件要堆放整齐稳妥,不要过高。
5、危险区域要有明显标志,要采取防护措施,夜间要设红灯示警。
6、在操作中,应坚守工作岗位,严禁酒后操作。
7、特殊工种(电工)必须经过有关部门专业培训考试合格发给操作证,方可独立操作.8、施工现场禁止穿拖鞋、高根鞋、赤脚和易滑、带钉的鞋和赤脚操作。
9、不得擅自拆除施工现场的防护设施、安全标志、警告牌、脚手架连接铅丝或连接件。
需要拆除时,必须经过加固后经负责人同意。
10、任何人不准向下、向上乱丢材、物、垃圾、工具等。
不准随意开动一切机械.操作时要集中,不准开玩笑、做私活。
11、手推车装运物料,应注意平稳,掌握重心,不得猛跑或撒把溜放.12、工具用好后要随时装入工具袋。
13、要及时清扫脚手架上的霜、雪、泥等。
14、挂梯上部要挂牢,下部要绑扎.15、人字梯中间要扎牢,下部要有防滑措施,不准人坐在上面骑马式移动。
16、基坑作业:a、施工人员必须按安全技术交底要求进行挖掘作业。
b、土方开挖前必须做好降(排)水,防止地表水,施工用水和生活废水侵入施工场地或冲刷边坡。
c、挖土应从上而下逐层挖掘,土方开挖应遵循“开槽支撑,先撑后挖,分层挖掘,严禁掏(超)挖”的原则。
施工人员三级安全教育记录姓 名: 出生年月: 序号: 文化程度: 单 位: 班 组: 入场日期: 家庭住址:生产人员(含外施工队员工)安全生产责任制1、认真学习并严格执行各项安全技术操作规程和安全技术交底,自觉遵规守纪。
2、积极参加各项安全培训教育和安全生产活动,加强安全生产意识,提高自我保护能力。
3、发扬团结友爱精神,互相帮助、互相监督,做到不伤害自己,不伤害别人,不被别人伤害。
4、维护各种施工安全防护设备、设施,做到不随意拆改,不违章使用,不违章作业,正确使用安全防护用品.5、发生生产安全事故要全力抢救伤者,保护现场,立即上报并主动向事故调查组提供客观证据和事故经过。
项目经理签字:年月日施工人员签字:年月日施工人员安全教育培训问答卷1、施工作业人员入场前应接受哪些教育?答:2、作业人员施工中应该执行什么要求?答:3、作业人员作业前应检查什么?答:4、施工现场严禁拆改、移动哪些设施?答:5、脚手架使用前应有哪些规定?答:6、高处作业严禁向下抛掷什么?答:7、作业中出现危险征兆时,作业人员应采取什么措施?答:8、我国的安全生产方针是什么?答:9、建筑业常发生的重大伤害是什么?答:10、施工中三不伤害是什么?答:11、施工作业人员对危及生命安全健康行为有哪些权力?答:12、施工人员应履行哪些安全生产义务?答:13、强令工人冒险作业发生事故是什么行为?答:14、对特种作业人员的要求是什么?答:15、我国制定安全生产法重要目的是什么?答:16、安全生产责任制的目的是什么?答:17、施工人员在作业中必须佩戴什么用品?答:18、制定安全标识的目的是什么?答:19、作业人员在管道和污水井内作业应采取哪些措施?答:20、所有手持电动工具必须具备哪些装置?答:21、作业人员在机械挖土清理基坑时应注意什么?答:22、建筑施工中的“四口”是什么?答:23、对架子工的身体要求有哪些?答:24、在吊运和安装大模板或预制构件时应注意什么?答:25、电工作业时有哪些安全要求?答:26、电焊机二次线的要求有哪些?答:27、氧气瓶、乙炔瓶使用时应注意什么?答:28、施工中发现沟、槽边有裂纹或部分下沉时如何处理?答:29、脚手板在作业面上如何铺设?答:30、打夯时须几人操作?答:施工人员安全教育培训问答卷1、施工作业人员入场前应接受哪些教育?答:施工作业人员进场前必须经过项目部、施工队、班组三级安全教育培训,考试合格后方可上岗作业.2、作业人员施工中应该执行什么要求?答:必须认真执行掌握安全技术交底、施工方案、措施和安全规范要求。
正确的是:
公司教育:
教育人:公司安全科安全工程师(必须具有相应资质,c证和安全主任证或注册安全工程师证)。
接受人:公司员工(领导、管理、工人等)。
项目教育:
教育人:项目部安全部专职安全管理人员(必须具有相应资质,不再赘述。
)。
接受人:项目部员工(同上)。
班组教育:
教育人:(班组兼职安全员或者)班组长。
接受人:班组作业人员。
说明:
1、施工单位安全科长这个职务只是行政职务,不代表该人具有专业资格,安全管理是讲究责任追究的,不具备资格的人是不能进行签字的。
简单地说:安全科长如果不具有安全资质,那么即使他在教育人一栏签名,也属于无效签字。
2、受教育人并非都是工人,法律上讲:凡是你单位的职工,必须与单位签订劳动合同,必须接受三级安全教育并考试合格,方可上岗。
3、关于劳务用工:法律规定,用人单位必须与劳务人员签订合同,承担安全管理责任。
实际上很多劳务用工都没有合同,严格上来讲,都没有单位,属于流动工人。
这里有个方法,专业劳务分包管理,施工单位与专业劳务公司签订合同,由专业劳务公司分别雇佣劳务工人,专业劳务公司就必须在雇佣劳务工人的时候与其签订合同,对其进行管理、教育、考核。
相应的,这类人员的三级安全教育就必须由劳务公司来进行。
三级安全教育的主要内容三级安全教育的主要内容一、公司教育内容:1、学习国家有关法律、法规、及本施工企业的有关安全管理规定。
2、容易发生安全事故和原因。
3、施工安全生产教育及安全事故预防措施。
4、施工用电要求。
5、文明施工。
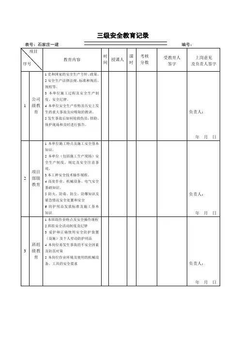
二、项目教育内容:1、本单位施工特点及施工安全知识;2、本单位(包括施工、生产现场)安全生产制度,规定及安全注意事项;3、各工种的安全技术操作规程;4、高处作业、机械设备、电气安全基础知识;5、防火、防毒、防尘、防爆知识及紧急情况安全处置和安全疏散知识;6、防护用品发放标准及防护用品、用具使用的基本知识。
三、班组教育内容:1、本班组作业特点及安全操作规程;2、班组安全活动制度及纪律;3、爱护和正确使用安全防护装置(设施)及个人劳动防护用品;4、本岗位易发生事故的不安全因素及其防范对策;5、本岗位的作业环境及使用的机械设备、工具的安全要求。
安全教育登记表(一至三级)工程名称施工单位教育日期年月日教育地点受教育班组主持部门工程部主持人职务项目部主持人职务班组主持人职务受教育人数教育当时累计(小时)序号姓名性别受教育者签字序号姓名性别受教育者签字《一级安全教育内容》一、学习有关法律、法规1、建筑法第五章第三十六条,建筑工程安全生产管理必须坚持安全第一、预防为主的方针。
2、刑法第一百三十四条,建筑企业单位职工,由于不服从管理,违反规章制度、或者强令工人违章作业,因而发生重大伤亡事故或者造成其他严重后果,处三年以下有期徒刑或者拘留;情节特别严劣的,处三年以上七年以下有期徒刑。
3、安全法:1)第三章第四十五条生产过程中的从业人员有权了解其作业场所和工作岗位存在的危险因素、防范措施及事故应急措施,有权对本单位的安全生产工作提出建议。
2)第四十六条从业人员有权对本单位安全生产工作中存在的问题提出批评、检举、控告;有权拒绝违章指挥和强令冒险作业。
3)第四十七条从业人员发现直接危有人身安全的紧急情况时,有权停止作业或者在采取可能的应急措施后撤离作业场所。
施工人员三级安全教育记录卡范文一、教育目的为了加强施工人员的安全意识,提高施工人员的安全技能,保障施工过程中的安全生产,必须对施工人员进行安全教育。
通过三级安全教育,让施工人员熟悉施工现场的安全规定和操作规程,掌握相关的安全操作技能,提升自我保护意识和应急处理能力,确保施工安全。
二、教育内容1. 施工现场安全规定和操作规程的学习;2. 安全操作技能的培训;3. 紧急事故应急处理措施的学习;4. 个人安全保护装备的选用和使用;5. 安全责任的认识与落实;6. 安全风险评估与防范。
三、教育形式1. 安全教育讲座;2. 安全教育培训课程;3. 现场实地教育;4. 安全操作技能培训;5. 安全演习与模拟训练。
四、教育过程1. 学习施工现场的安全规定和操作规程;2. 理解施工现场可能存在的安全风险;3. 学习紧急事故应急处理措施;4. 学习个人安全保护装备的选用和使用;5. 学习安全责任的意识与落实;6. 进行安全风险评估与防范方案的学习;7. 掌握安全操作技能。
五、教育效果与考核教育结束后,应对施工人员进行安全知识考核和安全操作技能考核,确保施工人员能够掌握相关的安全知识和操作技能。
考核内容包括施工现场的安全规定和操作规程、个人安全保护装备的选用和使用、紧急事故应急处理措施的掌握等。
六、教育记录1. 姓名:XXX职务:施工人员工种:XXX参加教育日期:XXXX年X月X日教育形式:安全教育讲座教育内容:学习施工现场的安全规定和操作规程教育效果:掌握施工现场的安全规定和操作规程备注:2. 姓名:XXX职务:施工人员工种:XXX参加教育日期:XXXX年X月X日教育形式:现场实地教育教育内容:学习个人安全保护装备的选用和使用教育效果:掌握个人安全保护装备的选用和使用备注:3. 姓名:XXX职务:施工人员工种:XXX参加教育日期:XXXX年X月X日教育形式:安全教育培训课程教育内容:学习安全责任的意识与落实教育效果:意识到安全责任的重要性并能够落实备注:4. 姓名:XXX职务:施工人员工种:XXX参加教育日期:XXXX年X月X日教育形式:安全操作技能培训教育内容:掌握安全操作技能教育效果:熟练掌握安全操作技能备注:以上是施工人员三级安全教育记录卡的范文,通过记录卡可以及时了解施工人员的安全教育情况,为施工项目的安全生产提供有效的保障。
2022—3—8 12:09最佳答案公司(第一级):1 .落实执行国家有关法律法规、政策和公司制定的安全生产责任制和安全生产管理制度.2 .执行与公司签订的安全生产文明施工目标管理责任书.3 .做好本单位工程防止“六大伤害"的措施.4 .做好每一个工人安全教育.5 .“血的教训”举例论述。
项目部(第二级):1 .落实执行现场制定的《施工现场管理奖罚制度》.2 .执行本工程“六大伤害”的预防措施。
3 .落实做好现场文明施工,做到工完料尽场地清,整洁卫生。
4 .落实执行项目组与班组签订的目标管理责任书。
5 .遵章守纪。
6 .严格按本工种操作规程进行作业。
班组(第三级)1 .落实执行本项目部制定的《施工现场管理奖惩制度》.2 .严格执行本工种安全技术操作规程。
3 .做到“三不伤害",遵章守纪。
4 .正确使用个人防护用品、用具和安全防护措施。
5 .做好班前安全教育活动.6 .做到文明施工、整洁、卫生。
安全生产培训为贯彻“安全第一,预防为主"的安全生产方针,使泛博职工掌握必要的安全生产知识和安全技能,提高职工安全生产意识和自我保护能力,从而有效地保护劳动者的合法权益-—劳动安全和健康,促进企业安全生产水平的提高和国民经济的持续、快速、健康的发展,特组织此次的安全生产管理培训。
安全生产,这个问题看来是老生常谈,却是公司日常管理中不容忽视的问题,若浮现工伤事故,一方面员工需承受生理和心理上的巨大痛苦,另一方面影响公司正常的生产和工作秩序,给公司造成无法估计的经济损失,可谓是有百害而无一利,所以必须引起大家的高度重视。
安全生产包括两个方面的内容:一是通过安全教育,技能培训,严格操作规程来保证员工的人身安全;二是通过设备保障,事故预警系统来确保生产的安全。
结合本公司的实际情况,公司员工在生产作业中必须注意以下几点:1 .统一思想,提高认识。
安全生产是公司里的一件大事,作为公司的一员,应该明白,如果不注意这个问题将会给与你相关的部门,与你相关的工作带来什么不良的影响,造成什么样的后果,工伤事故只是一瞬间的事,必须高度重视.2.落实责任,密切配合。
三级安全教育记录卡编号:姓名:单位名称:班组及工种:三级安全教育记录卡使用说明在现代企业安全管理中,三级安全教育记录卡是一项至关重要的管理工具,它旨在通过系统化的教育培训,确保每位员工都能充分理解并遵守安全生产法律法规,掌握必要的安全生产知识和技能,从而有效预防和控制生产安全事故的发生。
以下是对三级安全教育记录卡使用方法的详细说明。
一、三级安全教育体系概述三级安全教育体系包括公司级(一级)、项目部级(二级)和班组级(三级)三个层次的教育培训。
每个层次的教育内容各有侧重,相互衔接,共同构成了完整的安全教育体系。
公司级教育(一级):主要侧重于安全生产法律法规的教育,包括国家和地方有关安全生产的方针政策、安全生产法规、标准、规范以及企业自身的安全生产规章制度等。
通过这一层次的教育,员工能够建立起对安全生产法律法规的基本认识,明确自身在安全生产中的责任和义务。
项目部级教育(二级):针对具体工程项目,重点介绍项目部安全生产制度、施工现场环境、工程施工特点及可能存在的危险因素。
员工在这一层次将学习到本工程项目施工特点及现场的主要危险源分布、安全生产制度、规定及安全常规知识、注意事项,以及防护用品发放标准及防护用品、用具使用的基本知识。
班组级教育(三级):作为最基层的安全教育,班组级教育侧重于本工种(岗位)的安全操作规程、劳动纪律、岗位讲评、事故案例讲解、应急预案及应急救援知识等。
员工将深入了解工种(岗位)施工作业特点及安全操作规程,掌握防火、防毒、防尘、防爆等安全知识及应急处置和安全逃生疏散方法,同时学习事故案例,了解本岗位易发生事故的不安全因素及防范对策,以及作业环境和使用机械设备、工具的安全要求。
二、三级安全教育记录卡的使用方法填写基本信息:在使用三级安全教育记录卡之前,首先需要填写员工的姓名、单位名称、班组及工种等基本信息,以便后续跟踪和管理。
分阶段进行教育培训:按照公司级、项目部级、班组级的顺序,分阶段对员工进行教育培训。
安全教育内容公司一级安全教育内容概要一、安全生产方针与原则①贯彻“预防为主,安全第一”的指导方针。
②坚持“管生产必须管安全,讲效益必须讲安全”的原则。
二、规章制度遵守严格遵守公司规章制度、工地守则及文明施工守则。
三、事故预防与统计重点预防高处坠落、物体打击、触电伤亡、机械伤害及坍塌事故,以降低工伤事故率。
四、自我保护与职业素养提升自我防护意识,做到“三不伤害”。
热爱本职工作,提升政治、文化、业务水平和操作技能,积极参与安全活动,提出改进建议。
五、劳动纪律与安全操作①严格遵守劳动纪律,服从指挥,集中思想,坚守岗位。
②禁止酒后作业,禁火区严禁吸烟动火。
③严格执行操作规程,拒绝违章指挥,制止他人违章作业。
六、个人防护与设施使用①正确穿戴防护用品,高空作业系安全带,禁穿硬底滑鞋,不投掷物品。
②注意行走安全,不攀爬脚手架等危险设施。
③正确使用并保护防护装置、设施及安全警示牌。
七、特殊人群管理禁止招收高血压、心脏病等患者及未满16周岁儿童从事建筑作业。
八、消防安全工棚内安全用火,发现火情立即切断电源并报警,积极扑救并保护现场。
九、事故处理与报告①发生伤亡事故立即上报,不得瞒报谎报。
②移动现场物件前需绘制简图并保存重要痕迹物证,待调查组同意后方可清理。
教育人与受教育人签字教育人(签字):__________受教育人(签字):__________工人进场项目部二级安全教育要点一、施工现场特性认知强调建筑施工现场为露天、多工种交叉作业的复杂环境,伴随高风险因素,需高度警惕。
二、规章制度遵守严格遵守公司及项目部规章制度,包括“工地守则”与“现场文明施工条例”。
三、安全知识学习主动学习本工种安全技术规程及防护知识,积极参与安全活动,提出改进建议。
四、自我防护意识强化“三不伤害”原则:不伤害自己、不伤害他人、不被他人伤害。
五、个人防护装备进入现场必须佩戴安全帽并系紧帽带,正确使用个人防护用品。
六、高处作业规范高处作业严禁抛掷物品,禁止招收有健康隐患人员从事高空作业,穿着需符合安全要求。
施工现场三级安全教育内容范本一、施工现场三级安全教育的重要性在施工现场,安全教育是保障施工人员生命财产安全的重要环节。
加强施工现场的三级安全教育,可以有效减少施工事故的发生,提高工程质量,确保员工安全生产。
因此,制定合理的三级安全教育内容范本对于施工现场的安全管理至关重要。
二、施工现场三级安全教育内容范本1. 一级安全教育•岗前培训:新进施工人员在进入施工现场之前要接受安全教育培训,了解施工现场的安全规定和操作流程。
•安全规章制度宣传:向所有参与施工的人员宣传公司的安全管理制度和相关规章,确保他们了解安全责任和义务。
•安全防护设备的使用:要求所有参与施工的人员严格按照规定使用安全防护设备,确保自身安全。
2. 二级安全教育•风险告知:在施工现场设置明显的安全提示牌,告知施工人员施工现场的潜在危险和注意事项。
•定期安全会议:定期组织安全会议,总结前期安全工作情况,提出安全改进意见,并向施工人员进行安全教育。
•安全演练:定期组织安全演练,提高施工人员应对紧急情况的能力,确保在事故发生时能够及时有效应对。
3. 三级安全教育•安全交底:在作业前进行安全交底,明确各自的作业责任和安全措施。
•安全考核:定期组织安全知识考核,促使施工人员加强安全意识,提高安全管理水平。
•安全奖惩制度:建立健全的安全奖惩制度,对违反安全规定的人员进行相应处罚,对表现突出的人员进行奖励,形成安全激励机制。
三、结语以上是施工现场三级安全教育内容范本的具体内容。
在实际工作中,要结合具体施工情况不断完善和优化安全教育内容,确保施工现场的安全生产。
只有加强安全教育,提高施工人员安全意识,才能有效降低施工事故发生的概率,保障施工现场的安全生产。
安全教育容⑴、工人进场公司一级安全教育容1、我国建筑业安全生产的指导方针是:必须贯彻“预防为主,安全第一”思想。
2、安全生产的原则是坚持“管生产必须管安全”,讲效益必须讲安全是生产过程中必须遵循的原则。
3、必须遵守本公司的一切规章制度和“工地守则”及“文明施工守则”。
4、建筑企业,根据历年来工伤事故统计:高处坠落约占40~50%,物体打击约占20%,触电伤亡约占20%,机械伤害约占10~20%,坍塌事故约占5~10%,因此,预防以上几类事故的产生,就可以大幅度降低建筑工人的工伤事故率。
5、提高自我防护意识,做到不伤害自已,不伤害他人,也不被他人伤害。
6、企业职工、合同工、临时工要热爱本职工作,努力学习提高政治、文化、业务水平和操作技能;积极参加安全生产的各项活动,提出改进安全工作的意见,一心一意搞好安全。
7、在施工过程中,必须严格遵守劳动纪律,服从领导和安全检查人员的指挥,工作时思想要集中,坚守岗位,未经变换工种培训和项目经理部的许可不得从事非本工种作业;严禁酒后上班;不得在禁火的区域吸烟和动火。
8、施工时要严格执行操作规程,不得违章指挥和违章作业;对违章作业的指令有权予以拒绝施工,并有责任和义务制止他人违章作业。
9、按照作业要求正确穿戴个人防护用品。
进入施工现场必须戴安全帽,在没有防护设施的高空、临边和陡坡进行施工时必须系上安全带;高空作业不得穿硬底和带钉易滑的鞋,不得往下投掷物体,严禁赤脚或穿高跟鞋、拖鞋进入施工现场作业。
10、在施工现场行走要注意安全,不得攀登脚手架、井字架和随吊盘上下。
11、正确使用防护装置和防护设施。
对各种防护装置、防护设施和安全禁示牌等不得任意拆除和随意挪动。
12、建筑业属于高空作业,如班组因工作需要招用临时性工人时,严禁招有高血压、心脏病、癫痫病和年龄未满16周岁的儿童从事建筑生产的人员。
13、在工棚(包括木制品生产车间)吸烟时,应该将烟火和火柴梗放在有水的盆里,不要随地乱丢,不要躺在床上吸烟,电灯泡距离可燃物应大于30cm。
14、如发现有人触电时应立即:①切断电源,如拉下闸刀、保险丝等;②用木棍挑开电源;③站在干木板或木凳上拉开触电者的干衣服,使其脱离电源,万一触电者因抽筋而紧握电线,可用干燥的木棍、胶把钳等工具切断电源;或用干燥木板、干胶木板等绝缘物插入触电者身下,以隔断电流。
15、施工现场要按规定悬挂灭火器,工地一旦发生火灾,无论任何人发现火警都有义务迅速向当地消防部门报警,报警时要讲清楚起火原因、地点,并要派人在路口接应消防车。
16、发生火灾时,现场所有人员都要积极扑救火势,并保护好现场,积极配合火灾事故的调查工作。
17、如工地发生伤亡事故,应立即报告公司和主管部门,不得瞒报和谎服。
18、发生伤亡事故后,因抢救人员的需要要移动现场物件时,应绘制现场简图并妥善保存现场重要痕迹、物证,有条件的可以进行拍照。
19、事故现场必须经过劳动安全机构和司法部门的调查组同意,方可进行现场的清理工作。
教育人(签字):受教育人(签字):2011年月日⑵、工人进场项目部二级安全教育容1、建筑施工现场的特点是一个露天的、多工种的立体交叉作业环境,临时设施多、作业环境多变、人机流动性大的生产场所。
因此,存在着多种不安全因素,是事故多发的作业场所。
2、应遵守公司和项目部的一切规章制度和“工地守则”、“现场文明施工条例”。
3、努力学习本工种的安全技术操作规程和有关的安全防护知识,积极参加各项安全活动,提出改正安全工作的意见,从而使安全管理水平再上新台阶。
4、提高自我防护意识,做到不伤害自己、不伤害他人、不被他人伤害。
5、进入施工现场必须戴好安全帽,扣好帽带;并正确使用个人防护用品。
6、高处作业时,不准往下或向上抛掷工具、材料等物体。
7、建筑业属于高空作业,生产班组如果工作需要招用临时性工人的话,严禁招用患有高血压、心脏病、精神病、癫痫病、高度近视眼等不宜在建筑行业劳动的人员。
8、高空作业不得穿硬底鞋和带钉易滑的鞋,严禁赤脚或穿高跟鞋、拖鞋进入施工现场。
9、在施工现场行走要注意安全,不得攀登脚手架、井架;井架的吊篮严禁乘人上、下。
10、严禁酒后上班,不得在工地打架斗殴、嬉闹、猜拳、酗酒、赌博、寻衅滋事和耍流氓等行为。
11、施工作业时要严格执行安全操作规程,不得违章指挥和违章作业;对违章作业的指令班组有权拒绝施工,并有责任和义务制止他人违章作业的行为。
12、正确使用个人防护用品和爱护防护设施。
对各种防护装置、防护设施和安全警示牌等,未经工地安全员同意不得随便拆除和随意挪动。
13、在工棚(包括木制品车间)吸烟时,应将烟火和火柴梗放在有水的盆里,不得随地乱丢;不要躺在床上吸烟;照明灯泡距离可燃物应大于30cm。
14、拆除井架、竹架和倾倒土头杂物,必须有专人监护。
15、防止触电事故发生,要做到:①非电工、机械人员,不要乱动电和机械设备;②实行一机一闸一漏电保护;③不要把衣服和杂物挂在可能触电的物体上。
16、外脚手架、卸料平台架的防护栏杆,严禁坐人和挤压。
教育人(签章):受教育人(签章):教育日期:2011年月日⑶、工人进场班组三级安全教育容①钢筋班组安全生产教育容1、每个工人都应自觉遵守法律法规和公司、项目部的各种规章制度。
2、钢材、半成品等应按规格、品种分别堆放整齐。
制作场地要平整,操作台要稳固,照明灯具必须加网罩。
3、拉直钢筋,卡头要卡牢,地锚要结实牢固,拉筋沿线2米区域禁止行人。
人工绞磨拉直,禁止用胸、肚接触推杆;并缓慢松解,不得一次松开。
4、展开圆盘钢筋要一头卡牢,防止回弹,切断时要先用脚踩牢。
5、在高空、深坑绑扎钢筋和安装骨架,须搭设脚手架和马道。
6、绑扎立柱、墙体钢筋,不得站在钢筋骨架上和攀登骨架上下。
柱筋在4米以下且重量不大,可在地面或楼面上绑扎,整体竖起;柱筋在4米以上应搭设工作台;柱、梁骨架应用临时支撑拉牢,以防倾倒。
7、绑扎基础钢筋时,应按施工操作规程摆放钢筋支架(马凳)架起上部钢筋,不得任意减少支架或马凳。
8、多人合运钢筋,起、落、转、停动作要一致,人工上下传送不得在同一垂直线上;钢筋堆放要分散、稳当,防止倾倒和塌落。
9、点焊、对焊钢筋时,焊机应设在干燥的地方;焊机要有防护罩并放置平稳牢固,电源通过漏电保护器,导线绝缘良好。
10、电焊时应戴防护眼镜和手套,并站在胶木板或木板上。
电焊前应先清除易燃易爆物品,停工时,确认无火源后,方准离开现场。
11、钢筋切断机应机械运转正常,方准断料。
手与刀口距离不得少于是15cm。
电源通过漏电保护器,导线绝缘良好。
12、切断钢筋禁止超过机械负载能力;切长钢筋应有专人扶住,操作动作要一致,不得任意拖拉。
切断钢筋要用套管或钳子夹料,不得用手直接送料。
13、使用卷扬机拉直钢筋,地锚应牢固坚实,地面平整。
钢丝绳最少需保留三圈,操作时不准有人跨越。
作业突然停电,应立即拉开闸刀。
14、电机外壳必须做好接地,一机一闸,严禁把闸刀放在地面上,应挂1.5m高的地方,并有防雨棚。
15、严禁操作人员在酒后进入施工现场作业。
16、每个工人进入施工现场都必须头戴安全帽。
17、班组如果因劳力不足需要再招新工人时,应事先向工地报告。
18、新工人进场后应先经过三级安全交底,并经考试合格后方可让其正式上岗。
19、新工人进场应具有四证,即:劳动技能证、、计划生育证和外来人口暂住证。
教育人(签章):受教育人签字):教育时间:2011年7月日②模板班组安全生产教育容1、每个工人都应自觉遵守法律法规和公司、项目部的各种规章制度。
2、进入现场人员须戴好安全帽,高处作业人员必须佩戴安全带,并应系牢。
3、经医生检查认为不适宜高处作业的人员,不得进行高处作业。
4、工作前应先检查使用的工具是否牢固,板手等工具必须用绳链系挂在身上,钉子必须放在工具袋,以免掉落伤人。
工作时要思想集中,防止钉扎脚和空中滑落。
5、安装与拆除5m以上的模板,应搭脚手架,并设防护栏杆,防止上下在同一垂直面操作。
6、高空、复杂结构模板的安装与拆除,事先应有切实的安全措施。
7、遇六级以上的大风时,应暂停室外的高空作业,雪霜雨后应先清扫施工现场,略干不滑时再进行工作。
8、二人抬运模板时要互相配合、协同工作。
传递模板、工具应用运输工具或绳子系牢后升降,不得乱抛。
9、组合钢模板装拆时,上下应有人接应。
钢模板及配件应随装拆随运送,严禁从高处抛下,高空拆模时,应有专人指挥。
并在下面标出工作区,加围栏,暂停人员过往。
10、不得在脚手架上堆放大批模板等材料。
11、支撑、牵杆等不得搭在门窗框和脚手架上。
通路中间的斜撑、拉杆等应设在1.8m高以上。
12、支模过程中,如需中途停歇,应将支撑、搭头、柱头板等钉牢。
拆模间歇时,应将已活动的模板、牵杆、支撑等运走或妥善堆放,防止因踏空、扶空而附落。
13、模板上有预留洞者,应地安装后将洞口盖好,混凝土上的预留,应在模板拆除后即将洞口盖好。
14、拆除模板一般用长撬棒,人不许站在正在拆除的模板上,在拆除楼板的模板时,要注意整块模板掉下,尤其是用定型模板做平台模板时,更要注意,拆除人员要站在门窗洞口外拉支撑,防止模板突然全部掉下伤人。
15、在组合钢模板上架设的电线和使用的电动工具,应用36伏低压电源或采用其它安全措施。
16、装、拆模板时禁止使用小楞木、钢模板作立人板。
17、高空作业要搭设脚手架或操作台,上、下要使用梯子,不许站立在墙上工作;不准在梁底模上行走。
操作人员严禁穿硬底鞋及有跟鞋作业。
18、装、拆模板时作业人员要站立在安全地点进行操作,防止上下在同一垂直面工作;操作人员要主动避让吊物,增强自我保护和相互保护的安全意识。
19、拆模必须一次性拆净,不得留有无撑模板。
拆下的模板要及时清理,堆放整齐。
20、在钢模及机件垂直运输时,吊点必须符合要求,以防坠落伤人。
模板顶撑排列必须符合施工荷载要求,尤其遇地下室吊装,地下室顶模板、支撑还另需考虑大型机械行走因素,每平方支撑数,必须根据荷载要求。
21、拆模时,临时脚手架必须牢固,不得用拆下的模板作脚手板。
脚手板搁置必须牢固平整,不得有空头板,以防踏空坠落。
砼板上的预留孔,应在施工组织设计时就做好作业交底容(预设钢筋网架),以免操作人员从孔中坠落。
22、封柱子模板时,不准从顶部往下套,禁止使用2×4木料作顶撑(支撑)。
教育人(签章):受教育人(签字):教育时间:2011年7月日③混凝土班组安全生产教育容1、每个工人都应自觉遵守法律法规和公司、项目部的各种规章制度。
2、铺设车道板时,两头需搁置平稳,并用钉子固定,在车道板下面每隔1.5m需加横楞、顶撑,2m以上的高空架道,必须装有防护栏杆。
3、车道板上应经常清扫垃圾、石子等以防行车受阻、人仰车翻。
4、用塔吊、料斗浇捣混凝土时,指挥扶斗人员与塔吊驾驶员应密切配合,当塔吊放下料斗时,操作人员应主动避让,应随时注意料斗碰头,并应站立稳当,防止料斗碰人坠落。