2017版沥青路面结构计算书
- 格式:doc
- 大小:21.21 KB
- 文档页数:5
三长线
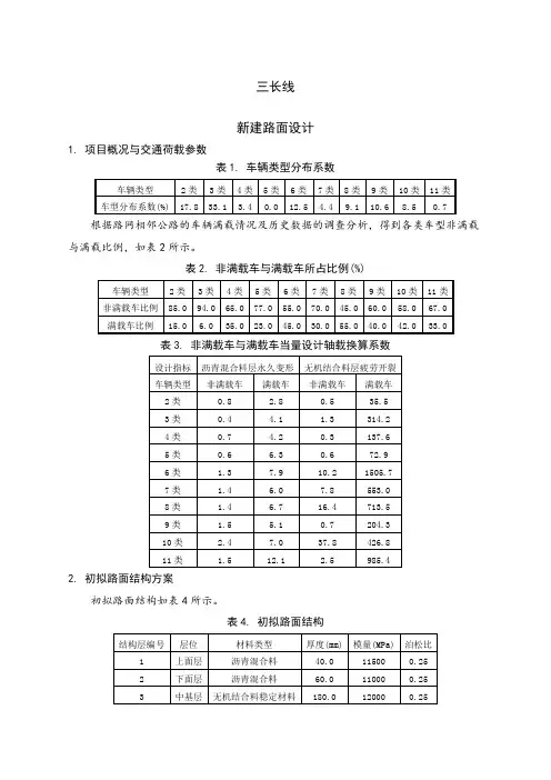
新建路面设计
1. 项目概况与交通荷载参数
表1. 车辆类型分布系数
根据路网相邻公路的车辆满载情况及历史数据的调查分析,得到各类车型非满载与满载比例,如表2所示。
表2. 非满载车与满载车所占比例(%)
表3. 非满载车与满载车当量设计轴载换算系数
2. 初拟路面结构方案
初拟路面结构如表4所示。
表4. 初拟路面结构
路基标准状态下回弹模量取90MPa,回弹模量湿度调整系数Ks取0.80,干湿与冻融循环作用折减系数Kη取0.85,则经过湿度调整和干湿与冻融循环作用折减的路基顶面回弹模量为61MPa。
3. 路面结构验算
3.1 沥青混合料层永久变形验算
表5. 沥青层永久变形计算结果
3.2 无机结合料层疲劳开裂验算
根据弹性层状体系理论,计算得到无机结合料层层底拉应力为0.264MPa。
根据气象资料,工程所在地区冻结指数F为25.0℃?
4. 路基顶面和路表验收弯沉值
根据附录B.7节,确定路基顶面和路表验收弯沉值时,采用落锤式弯沉仪,荷载盘半径为150mm,荷载为50kN。
采用拟定的路面结构以及各层结构模量值,路基顶面回弹模量采用平衡湿度状态下的回弹模型乘以模量调整系数kl(kl=0.5),为36MPa,根据弹性层状体系理论计算得到路表验收弯沉值la为26.0(0.01mm)。
5. 结果汇总
各项验算结果汇总如下表所示:
表6. 分析结果汇总
由上表可知,所选路面结构和材料能满足各项验算内容的要求。
沥青路面计算书一、计算基础资料1、项目所在区域拟建项目为城市主干路,采用双向4车道,路基宽度17米。
位于青海省西宁市东部,自然区划为VII2,属北温带高原半干旱大陆季风气候。
其特点为降雨量少而集中,蒸发量大,日温差大,无霜期 65—140天,冬季寒冷漫长,夏季凉爽,冬长夏短,春夏相连,海拔高,气温低,冻土期长,无霜期短,紫外线强,年降水量 350—550毫米,多年平均降水量450毫米,降水量分布极不均匀,每年以 6、7、8、9四个月雨水较多。
7、8、9三个月,占全年降水量的59%,11月至来年3月共五个月的降水量仅为全年降水量的3%,年最大降水量541.2毫米,年最小降水量为196.4毫米。
年最大蒸发量为2095毫米,最小蒸发量为1535.9毫米。
年平均气温 4.7度,极端最高气温 29.9度,极端最低气温-21.9度,11月至2月的平均气温11.9度,最大冻土层110cm,年平均风速1.4m/s。
2、拟定路面结构方案设计年限为15年,交通量采用工可报告中预测交通量成果。
拟定路面结构方案如下:AC-13细粒式改性沥青混凝土4cmAC-20中粒式沥青混凝土5cmAC-25粗粒式沥青混凝土7cm水泥稳定碎石20cm石灰土稳定砂砾20cm二、计算内容1、轴载换算及设计弯沉值和容许拉应力计算2)设计年限为15年,双向四车道,边道系数采用0.45一个车道上大客车及中型以上的各种货车日平均交通量Nh= 480 ,属轻交通等级当以设计弯沉值和沥青层层底拉应力为指标时:路面营运第一年双向日平均当量轴次: 3302设计年限内一个车道上的累计当量轴次: 2.189018E+07属重交通等级当以半刚性材料结构层层底拉应力为设计指标时:路面营运第一年双向日平均当量轴次: 4686设计年限内一个车道上的累计当量轴次: 3.106523E+07属特重交通等级路面设计交通等级为特重交通等级公路等级一级公路公路等级系数 1 面层类型系数 1 路面结构类型系数 1 路面设计弯沉值: 20.4 (0.01mm)2、新建路面结构厚度计算新建路面的层数: 5标准轴载: BZZ-100路面设计弯沉值: 20.4 (0.01mm)路面设计层层位: 4设计层最小厚度: 200 (mm)按设计弯沉值计算设计层厚度:LD= 20.4 (0.01mm)H( 4 )= 200 mm LS= 20.1 (0.01mm)由于设计层厚度H( 4 )=Hmin时LS<=LD,故弯沉计算已满足要求.H( 4 )= 200 mm(仅考虑弯沉)按容许拉应力计算设计层厚度:H( 4 )= 200 mm(第1 层底面拉应力计算满足要求)H( 4 )= 200 mm(第2 层底面拉应力计算满足要求)H( 4 )= 200 mm(第3 层底面拉应力计算满足要求)H( 4 )= 200 mm(第4 层底面拉应力计算满足要求)H( 4 )= 200 mm(第5 层底面拉应力计算满足要求) 路面设计层厚度:H( 4 )= 200 mm(仅考虑弯沉)H( 4 )= 200 mm(同时考虑弯沉和拉应力)验算路面防冻厚度:路面最小防冻厚度500 mm验算结果表明,路面总厚度满足防冻要求通过对设计层厚度取整以及设计人员对路面厚度进一步的修改, 最后得到路面结构设计结果如下:AC-13细粒式改性沥青混凝土4cmAC-20中粒式沥青混凝土5cmAC-25粗粒式沥青混凝土7cm水泥稳定碎石20cm石灰土稳定砂砾20cm计算新建路面各结构层及路基顶面交工验收弯沉值:第1 层路面顶面交工验收弯沉值LS= 20.1 (0.01mm)第2 层路面顶面交工验收弯沉值LS= 20.3 (0.01mm)第3 层路面顶面交工验收弯沉值LS= 20.7 (0.01mm)第4 层路面顶面交工验收弯沉值LS= 30.3 (0.01mm)第5 层路面顶面交工验收弯沉值LS= 90.6 (0.01mm)路基顶面交工验收弯沉值LS= 232.9 (0.01mm)计算新建路面各结构层底面最大拉应力:(未考虑综合影响系数) 第1 层底面最大拉应力σ( 1 )=-.239 (MPa)第2 层底面最大拉应力σ( 2 )=-.073 (MPa)第3 层底面最大拉应力σ( 3 )=-.036 (MPa) 第4 层底面最大拉应力σ( 4 )= .15 (MPa) 第5 层底面最大拉应力σ( 5 )= .091 (MPa)。
三长线新建路面设计1. 项目概况与交通荷载参数该项目位于江西省,属于一级公路,起点桩号为K0+000,终点桩号为K44+086,设计使用年限为15.0年,根据交通量OD调查分析,断面大型客车和货车交通量为3855辆/日, 交通量年增长率为5.0%, 方向系数取55.0%, 车道系数取60.0%。
根据交通历史数据,按表A.2.6-1确定该设计公路为TTC3类,根据表A.2.6-2得到车辆类型分布系数如表1所示。
表1. 车辆类型分布系数根据路网相邻公路的车辆满载情况及历史数据的调查分析,得到各类车型非满载与满载比例,如表2所示。
表2. 非满载车与满载车所占比例(%)根据表6.2.1,该设计路面对应的设计指标为沥青混合料层永久变形与无机结合料层疲劳开裂。
根据附表A.3.1-3,可得到在不同设计指标下,各车型对应的非满载车和满载车当量设计轴载换算系数,如表3所示。
表3. 非满载车与满载车当量设计轴载换算系数根据公式(A.4.2)计算得到对应于沥青混合料层永久变形的当量设计轴载累计作用次数为22,351,024, 对应于无机结合料层疲劳开裂的当量设计轴载累计作用次数为1,670,542,389。
本公路设计使用年限内设计车道累计大型客车和货车交通量为10,019,677,交通等级属于重交通。
2. 初拟路面结构方案初拟路面结构如表4所示。
表4. 初拟路面结构路基标准状态下回弹模量取90MPa,回弹模量湿度调整系数Ks取0.80,干湿与冻融循环作用折减系数Kη取0.85,则经过湿度调整和干湿与冻融循环作用折减的路基顶面回弹模量为61MPa。
3. 路面结构验算3.1 沥青混合料层永久变形验算根据表G.1.2,基准等效温度Tξ为23.8℃,由式(G.2.1)计算得到沥青混合料层永久变形等效温度为25.4℃。
可靠度系数为1.28。
根据B.3.1条规定的分层方法,将沥青混合料层分为6个分层,各分层厚度(hi)如表5所示。
新建路面设计1. 项目概况与交通荷载参数该项目位于西南地区,属于二级公路,设计时速为40Km/h,12米双车道公路,设计使用年限为12.0年,根据交通量OD调查分析,断面大型客车和货车交通量为1849辆/日,交通量年增长率为8.2%,方向系数取55.0%,车道系数取70.0%。
根据交通历史数据,按表 A.2.6-1确定该设计公路为TTC4类,根据表A.2.6-2得到车辆类型分布系数如表1所示。
表1.车辆类型分布系数根据路网相邻公路的车辆满载情况及历史数据的调查分析,得到各类车型非满载与满载比例,如表2所示表2.非满载车与满载车所占比例(%)根据表6.2.1,该设计路面对应的设计指标为沥青混合料层永久变形与无机结合料层疲劳开裂。
根据附表 A.3.1-3,可得到在不同设计指标下,各车型对应的非满载车和满载车当量设计轴载换算系数,如表3所示。
表3.非满载车与满载车当量设计轴载换算系数根据公式(A.4.2 )计算得到对应于沥青混合料层永久变形的当量设计轴载累计作用次数为8,109,551,对应于无机结合料层疲劳开裂的当量设计轴载累计作用次数为562,339,245。
本公路设计使用年限内设计车道累计大型客车和货车交通量为4,989,710,交通等级属于中等交通。
2. 初拟路面结构方案初拟路面结构如表4所示。
表4.初拟路面结构路基标准状态下回弹模量取50MPa回弹模量湿度调整系数Ks取1.00,干湿与冻融循环作用折减系数K n取1.00,则经过湿度调整和干湿与冻融循环作用折减的路基顶面回弹模量为50MPa3. 路面结构验算3.1沥青混合料层永久变形验算根据表G.1.2,基准等效温度T E为20.1 T,由式(G.2.1 )计算得到沥青混合料层永久变形等效温度为21.5 °C。
可靠度系数为1.04。
根据B.3.1条规定的分层方法,将沥青混合料层分为6个分层,各分层厚度(hi )如表5所示。
利用弹性层状体系理论,分别计算设计荷载作用下各分层顶部的竖向压应力(Pi)根据式(B.3.2-3 )和式(B.3.2-4 ),计算得到d仁-8.23,d2=0.77。
新建路面设计1. 项目概况与交通荷载参数该项目位于西南地区,属于二级公路,设计时速为40Km/h,12米双车道公路,设计使用年限为12.0年,根据交通量OD调查分析,断面大型客车和货车交通量为1849辆/日, 交通量年增长率为8.2%, 方向系数取55.0%, 车道系数取70.0%。
根据交通历史数据,按表A.2.6-1确定该设计公路为TTC4类,根据表A.2.6-2得到车辆类型分布系数如表1所示。
表1. 车辆类型分布系数根据路网相邻公路的车辆满载情况及历史数据的调查分析,得到各类车型非满载与满载比例,如表2所示。
表2. 非满载车与满载车所占比例(%)根据表6.2.1,该设计路面对应的设计指标为沥青混合料层永久变形与无机结合料层疲劳开裂。
根据附表A.3.1-3,可得到在不同设计指标下,各车型对应的非满载车和满载车当量设计轴载换算系数,如表3所示。
表3. 非满载车与满载车当量设计轴载换算系数根据公式(A.4.2)计算得到对应于沥青混合料层永久变形的当量设计轴载累计作用次数为8,109,551, 对应于无机结合料层疲劳开裂的当量设计轴载累计作用次数为562,339,245。
本公路设计使用年限内设计车道累计大型客车和货车交通量为4,989,710,交通等级属于中等交通。
2. 初拟路面结构方案初拟路面结构如表4所示。
表4. 初拟路面结构路基标准状态下回弹模量取50MPa,回弹模量湿度调整系数Ks取1.00,干湿与冻融循环作用折减系数Kη取1.00,则经过湿度调整和干湿与冻融循环作用折减的路基顶面回弹模量为50MPa。
3. 路面结构验算3.1 沥青混合料层永久变形验算根据表G.1.2,基准等效温度Tξ为20.1℃,由式(G.2.1)计算得到沥青混合料层永久变形等效温度为21.5℃。
可靠度系数为1.04。
根据B.3.1条规定的分层方法,将沥青混合料层分为6个分层,各分层厚度(hi)如表5所示。
利用弹性层状体系理论,分别计算设计荷载作用下各分层顶部的竖向压应力(Pi)。
新建路面设计1. 项目概况与交通荷载参数该项目位于西南地区,属于二级公路,设计时速为40Km/h,12米双车道公路,设计使用年限为12.0年,根据交通量OD调查分析,断面大型客车和货车交通量为1849辆/日, 交通量年增长率为8.2%, 方向系数取55.0%, 车道系数取70.0%。
根据交通历史数据,按表A.2.6-1确定该设计公路为TTC4类,根据表A.2.6-2得到车辆类型分布系数如表1所示。
表1. 车辆类型分布系数根据路网相邻公路的车辆满载情况及历史数据的调查分析,得到各类车型非满载与满载比例,如表2所示。
表2. 非满载车与满载车所占比例(%)根据表6.2.1,该设计路面对应的设计指标为沥青混合料层永久变形与无机结合料层疲劳开裂。
根据附表A.3.1-3,可得到在不同设计指标下,各车型对应的非满载车和满载车当量设计轴载换算系数,如表3所示。
表3. 非满载车与满载车当量设计轴载换算系数根据公式(A.4.2)计算得到对应于沥青混合料层永久变形的当量设计轴载累计作用次数为8,109,551, 对应于无机结合料层疲劳开裂的当量设计轴载累计作用次数为562,339,245。
本公路设计使用年限内设计车道累计大型客车和货车交通量为4,989,710,交通等级属于中等交通。
2. 初拟路面结构方案初拟路面结构如表4所示。
表4. 初拟路面结构路基标准状态下回弹模量取50MPa,回弹模量湿度调整系数Ks取1.00,干湿与冻融循环作用折减系数Kη取1.00,则经过湿度调整和干湿与冻融循环作用折减的路基顶面回弹模量为50MPa。
3. 路面结构验算3.1 沥青混合料层永久变形验算根据表G.1.2,基准等效温度Tξ为20.1℃,由式(G.2.1)计算得到沥青混合料层永久变形等效温度为21.5℃。
可靠度系数为1.04。
根据B.3.1条规定的分层方法,将沥青混合料层分为6个分层,各分层厚度(hi)如表5所示。
利用弹性层状体系理论,分别计算设计荷载作用下各分层顶部的竖向压应力(Pi)。
注:本文档为手算计算书文档,包含公式、计算过程在内,可供老师教学,可供学生学习。
下载本文档后请在作者个人中心中下载对应Excel计算过程。
(若还需要相关cad图纸或者有相关意见及建议,请私信作者!)团队成果,侵权必究!(温馨提示,本文档没有计算功能,请在作者个人中心中下载对应的Excel计算表格,填入基本参数后,Excel表格会计算出各分项结果,并显示计算过程!)新版规范沥青混凝土路面设计(详细应用)1.设计资料湖南郴州某地区拟建公路,设计年限为15年,公路自然区划为Ⅳ5区,其中路基土质为粘性土,干湿状态为潮湿,稠度为0.95。
近期混合交通量如下表所示,交通组成和代表车型的技术参数分别如下表所示,交通量年平均增长率为6.0%。
请设计合适的沥青路面结构。
混合交通组成车型分类代表车型的技术参数2.交通量计算2.1车道数及交通荷载等级确定交通量换算采用小客车为标准车型。
根据《公路工程技术标准》(JTG B01-2014)中表3.3.2得到各车型的车辆折减系数,再根据设计资料中的参数,得到换算的小客车平均日交通量。
如下表:根据《公路沥青路面设计规范》(JTG D50-2017)(以下简称沥青规范)中表3.0.2可知一级公路设计使用年限为15年,与设计资料相符。
由上表知在设计年限内最大小客车年平均昼夜交通量为20574辆/天,在15000~30000辆之间,需选用一级公路,与设计资料相符。
且符合四车道一级公路的适应范围,故本设计采用双向四车道的一级公路。
由沥青规范中条文A.2.5以及表A.2.5取车道系数LDF=0.75,由条文A.2.4取方向系数DDF=0.5。
根据沥青规范中表3.0.4可知8283336辆设计年限内设计车道累计大型客车和货车交通量对应的设计交通荷载等级为重。
2.2车辆类型分布系数确定由于缺乏交通历史数据或经验数据,根据沥青规范中条文A.2.6,采用水平三确定车辆类型分布系数,先按表A.2.6-1确定公路TTC分类为TTC5,再根据表A.2.6-2得TTC5车辆类型分布系数如下表:车辆类型分布系数(%)2.3车辆当量设计轴载换算根据沥青规范中条文A.3,采用水平三确定车辆当量设计轴载换算系数。
2017沥青路面计算书-CAL-FENGHAI.-(YICAI)-Company One1三长线新建路面设计1. 项目概况与交通荷载参数该项目位于江西省,属于一级公路,起点桩号为K0+000,终点桩号为K44+086,设计使用年限为年,根据交通量OD调查分析,断面大型客车和货车交通量为3855辆/日, 交通量年增长率为%, 方向系数取%, 车道系数取%。
根据交通历史数据,按表确定该设计公路为TTC3类,根据表得到车辆类型分布系数如表1所示。
表1. 车辆类型分布系数根据路网相邻公路的车辆满载情况及历史数据的调查分析,得到各类车型非满载与满载比例,如表2所示。
表2. 非满载车与满载车所占比例(%)根据表,该设计路面对应的设计指标为沥青混合料层永久变形与无机结合料层疲劳开裂。
根据附表,可得到在不同设计指标下,各车型对应的非满载车和满载车当量设计轴载换算系数,如表3所示。
表3. 非满载车与满载车当量设计轴载换算系数根据公式()计算得到对应于沥青混合料层永久变形的当量设计轴载累计作用次数为22,351,024, 对应于无机结合料层疲劳开裂的当量设计轴载累计作用次数为1,670,542,389。
本公路设计使用年限内设计车道累计大型客车和货车交通量为10,019,677,交通等级属于重交通。
2. 初拟路面结构方案初拟路面结构如表4所示。
表4. 初拟路面结构路基标准状态下回弹模量取90MPa,回弹模量湿度调整系数Ks取,干湿与冻融循环作用折减系数Kη取,则经过湿度调整和干湿与冻融循环作用折减的路基顶面回弹模量为61MPa。
3. 路面结构验算沥青混合料层永久变形验算根据表,基准等效温度Tξ为℃,由式()计算得到沥青混合料层永久变形等效温度为℃。
可靠度系数为。
根据条规定的分层方法,将沥青混合料层分为6个分层,各分层厚度(hi)如表5所示。
利用弹性层状体系理论,分别计算设计荷载作用下各分层顶部的竖向压应力(Pi)。
根据式()和式(),计算得到d1=,d2=。
新建路面设计1.项目概况与交通荷载参数该项目位于西南地区,属于二级公路,设计时速为 40Km/h,12 米双车道公路,设计使用年限为年,根据交通量 OD调查分析,断面大型客车和货车交通量为1849辆 / 日 , 交通量年增长率为 %, 方向系数取 %, 车道系数取 %。
根据交通历史数据,按表确定该设计公路为 TTC4类,根据表得到车辆类型分布系数如表 1 所示。
表 1. 车辆类型分布系数车辆类型 2 类 3 类 4 类 5 类 6 类7 类8 类9 类10 类11 类车型分布系数(%)根据路网相邻公路的车辆满载情况及历史数据的调查分析,得到各类车型非满载与满载比例,如表 2 所示。
表 2.非满载车与满载车所占比例(%)车辆类型 2 类 3 类4类 5类 6类 7类8 类9 类10 类11 类非满载车比例满载车比例根据表,该设计路面对应的设计指标为沥青混合料层永久变形与无机结合料层疲劳开裂。
根据附表,可得到在不同设计指标下,各车型对应的非满载车和满载车当量设计轴载换算系数,如表 3 所示。
表3.非满载车与满载车当量设计轴载换算系数设计指标车辆类型沥青混合料层永久变形非满载车满载车无机结合料层疲劳开裂非满载车满载车2 类3 类4 类5 类6 类7 类8 类9 类10 类11 类根据公式()计算得到对应于沥青混合料层永久变形的当量设计轴载累计作用次数为8,109,551, 对应于无机结合料层疲劳开裂的当量设计轴载累计作用次数为562,339,245 。
本公路设计使用年限内设计车道累计大型客车和货车交通量为 4,989,710 ,交通等级属于中等交通。
2.初拟路面结构方案初拟路面结构如表 4 所示。
表 4. 初拟路面结构结构层编号层位材料类型厚度 (mm)模量 (MPa)泊松比1上面层沥青混合料120002下面层沥青混合料135003基层无机结合料稳定材料180004底基层粒料材料4005土基50路基标准状态下回弹模量取 50MPa,回弹模量湿度调整系数 Ks 取 , 干湿与冻融循环作用折减系数 Kη取, 则经过湿度调整和干湿与冻融循环作用折减的路基顶面回弹模量为 50MPa。
水泥路面直接加铺沥青和水泥路面碎石化后加铺沥青路面结构计算书本文档根据最新规范《公路沥青路面设计规范》(JTGD50-2017)和《公路水泥混凝土路面设计规范》(JTG D40-2012)利用2017计算软件,计算了两种水泥混凝土路面不同加铺方式:(1)碎石化把碎石化层作为粒料基层按照沥青路面计算路面结构。
(2)保留水泥路面直接加铺,按照水泥混凝土相关规范计算路面结构。
一、水泥路面碎石化后加铺沥青(1)交通量计算表1.1实测交通量(辆/日)公路等级:二级公路Ll标可靠指标:1.04初始年大型客车和货车双向年平均日交通量(辆/日):1001路面设计使用年限(年):12通车至首次针对车辙维修的期限(年):12交通量年平均增长率:8.5%方向系数:0. 55车道系数:1整体式货车比例:73%半挂式货车比例:27%表1. 2非满载车与满载车所占比例(%)初始年设计车道大型客车和货车年平均日交通量(辆/S): 550设计使用年限内设计车道累计大型客车和货车交通量(辆):3924511根据《公路沥青路面设计规范》(JTG D50-2017)规范表3.0.4,路面设计交通荷载等级为:轻交通荷载等级。
表1・3设计交通荷载等级(规范表3.0.4)注:大型客车和货车为规范规立的2〜11类车。
当验算沥青混合料层疲劳开裂时:设讣使用年限内设计车道上的当量设计轴载累计作用次数为:7388457当验算无机结合料稳定层疲劳开裂时:设计使用年限内设计车道上的当量设计轴载累计作用次数为:7. 377117×10s 当验算沥青混合料层永久变形量时:通车至首次针对车辙维修的期限内设讣车道上的当量设讣轴载累讣作用次数为:7588457当验算路基顶面竖向压应变时:设讣使用年限内设计车道上的当量设计轴载累计作用次数为:1.325065 XlO7 (2)路面结构设计与验算路面结构的层数:6设计轴载:IookN路面设计层层位:3设讣层起始厚度:300 (mm)加铺层最下层位:31.41)笫3层无机结合料稳定层疲劳开裂验算设计层厚度H (3) =300 mm季节性冻土地区调整系数KA=I温度调整系数KT2=1. 275现场综合修正系数KC=-O. 946笫3层层底拉应力O =0. 282 MPa笫3层无机结合料稳定层疲劳开裂寿命NF2=1. 747613 XlO9轴次设计使用年限内设计车道上的当量设计轴载累计作用次数NZB2二7. 377117×10$轴次第3层无机结合料稳定层疲劳开裂验算已满足设计要求。
(完整版)2017沥青路⾯计算书三长线新建路⾯设计1. 项⽬概况与交通荷载参数该项⽬位于江西省,属于⼀级公路,起点桩号为K0+000,终点桩号为K44+086,设计使⽤年限为15.0年,根据交通量OD调查分析,断⾯⼤型客车和货车交通量为3855辆/⽇, 交通量年增长率为5.0%, ⽅向系数取55.0%, 车道系数取60.0%。
根据交通历史数据,按表A.2.6-1确定该设计公路为TTC3类,根据表A.2.6-2得到车辆类型分布系数如表1所⽰。
表1. 车辆类型分布系数根据路⽹相邻公路的车辆满载情况及历史数据的调查分析,得到各类车型⾮满载与满载⽐例,如表2所⽰。
表2. ⾮满载车与满载车所占⽐例(%)根据表6.2.1,该设计路⾯对应的设计指标为沥青混合料层永久变形与⽆机结合料层疲劳开裂。
根据附表A.3.1-3,可得到在不同设计指标下,各车型对应的⾮满载车和满载车当量设计轴载换算系数,如表3所⽰。
表3. ⾮满载车与满载车当量设计轴载换算系数根据公式(A.4.2)计算得到对应于沥青混合料层永久变形的当量设计轴载累计作⽤次数为22,351,024, 对应于⽆机结合料层疲劳开裂的当量设计轴载累计作⽤次数为1,670,542,389。
本公路设计使⽤年限内设计车道累计⼤型客车和货车交通量为10,019,677,交通等级属于重交通。
2. 初拟路⾯结构⽅案初拟路⾯结构如表4所⽰。
表4. 初拟路⾯结构路基标准状态下回弹模量取90MPa,回弹模量湿度调整系数Ks取0.80,⼲湿与冻融循环作⽤折减系数Kη取0.85,则经过湿度调整和⼲湿与冻融循环作⽤折减的路基顶⾯回弹模量为61MPa。
3. 路⾯结构验算3.1 沥青混合料层永久变形验算根据表G.1.2,基准等效温度Tξ为23.8℃,由式(G.2.1)计算得到沥青混合料层永久变形等效温度为25.4℃。
可靠度系数为1.28。
根据B.3.1条规定的分层⽅法,将沥青混合料层分为6个分层,各分层厚度(hi)如表5所⽰。
一、沥青路面计算书1.基本资料:公路等级为一级公路,地处II2区;为双向四车道,设计车速:80km/h;设计标准轴载:BZZ-100;中液限粘性土,填方路基高1.6m,地下水位距路床2.2m,属中湿状态;年降雨量850mm;最高气温38℃,最低气温-25℃;多年最大冻深120cm;2.设计路段路基出于中湿状态,地基土为中液限粘性土,取土基回弹模量为36MPa。
3.其交通量增长率为5.5%.近期交通量及其累计轴次计算结果如下表,属重交通等级。
沥青路面弯沉与沥青层层底弯拉应力计算轴载换算N=ΣC1C2n i(P i/P)4.35N e=[(1+r)t-1]*365*N i*η/r半刚性基层层底弯拉应力计算轴载换算N=ΣC1C2n i(P i/P)8N e=[(1+r)t-1]*365*N i*η/r4.初拟路面结构根据结构层的最小施工厚度,材料,水文,交通量等因素,初步确定路面结构组合与各层层厚如下:方案1:30mm细粒式沥青混凝土+50mm中粒式沥青混凝土+70mm粗粒式沥青混凝土+?mm水泥稳定碎石+250mm水泥石灰砂砾土,以水泥稳定碎石为设计层。
方案2:40mm细粒式沥青混凝土+60mm中粒式沥青混凝土+80mm粗粒式沥青混凝土+? mm密级配沥青碎石+250mm级配碎石。
以密级配沥青碎石为设计层。
5.各层材料的抗压模量与劈裂强度(1)方案1:层位结构层材料名称 20℃平均 15℃平均综合影容许应力劈裂强度抗压模量抗压模量响系数 (MPa) (MPa)1 细粒式沥青混凝土 1400 2000 1 0.42 1.42 中粒式沥青混凝土 1200 1800 1 0.3 13 粗粒式沥青混凝土 1000 1200 1 0.24 0.84 水泥稳定碎石 1500 1500 1 0.29 0.65 水泥石灰砂砾土 1000 1000 1 0.15 0.46 新建路基 36 1(2)方案2:层位结构层材料名称 20℃平均 15℃平均综合影容许应力劈裂强度抗压模量抗压模量响系数 (MPa) (MPa)1 细粒式沥青混凝土 1400 2000 1 0.42 1.42 中粒式沥青混凝土 1200 1800 1 0.3 13 粗粒式沥青混凝土 1000 1200 1 0.24 0.84 密级配沥青碎石 1200 1400 1 0.24 0.65 级配碎石 250 250 16 新建路基 36 16、路面结构层厚度确定:(1)方案1的结构厚度计算:该结构为半刚性基层,面层类型系数1,路面结构类型系数为1。
沥青路面结构设计计算说明书(一)设计资料济南地区新建一级公路,设计速度为80km/h,双向四车道。
沿线土质为粘土,地下水位为1m,路基填土高度为1.2m。
公路沿线有可开采碎石、砂砾,并有粉煤灰、石灰供应。
根据工程可行性报告得知,近期交通组成与交通量、不同车型的交通参数见表1,交通量年平均增长率为6%。
【表1.1 近期交通组成与交通量、车辆交通参数】注:基本要求为车道系数、车辆类型分布系数、当量设计轴载换算系数等均按照新建沥青路面,可采用水平三选取计算。
(二)设计任务该公路拟采用沥青路面结构,沥青面层要求采用沥青混凝土,基层采用无机结合料稳定类基层,试设计沥青路面结构和厚度。
(三)设计步骤1.交通荷载参数分析依表1.1,初始年大型客车和货车双向年平均日交通量为1946辆/日,交通量年增率γ=6%.(1)设计使用年限根据《公路沥青路面设计规范》(JTGD50-2017)3.0.2,沥青路面一级公路的设计使用年限t=15(年)。
(2)方向系数及车道系数根据《公路沥青路面设计规范》(JTGD50-2017)A.2.4,方向系数DDF取0.55。
根据《公路沥青路面设计规范》(JTGD50-2017)A.2.5,车道系数LDF取0.6。
(3)各类车比例、满载比例、设计轴载换算系数整体式货车即表1.1中3类、4类、5类车,占比为62.95%;半挂式货车即表1.1中7类车,占比为16.19%。
根据《公路沥青路面设计规范》(JTGD50-2017)A.2.6,新建路面按水平三考虑,故公路TTC分类为TTC4,由此车辆类型分布系数VCDF(%)分别为如下:【表3.1.1 车辆类型分布系数】各类车型的满载车占比PERmh如下取值:【表3.1.2 各类车型满载车占比】2-11类车辆当量设计轴载换算系数EALFml (非满)和EALFmh(满)依不同计算作用,如下:【表3.1.3 2-11类车辆当量设计轴载换算系数】(4)交通荷载等级、设计使用年限内设计车道的年平均日当量轴次初始年设计车道的年平均日货车交通量Q1=AADTT×DDF×LDF=642(辆/日),设计使用年限内设计车道累计大型客车和货车交通量(辆)Qt = Q1×365×[(1+γ)t-1]/γ=5454258(辆/日),属于中等交通荷载等级;初始年设计车道的年平均当量轴次N1=Q1×Σ(VCDFm×EALFm)=1043.4(次),设计使用年限内设计车道的年平均日当量轴次Nt依表3.1.3有:①当验算沥青混合料层疲劳开裂时:设计使用年限内设计车道上的当量设计轴载累计作用次数Ne1=8864560(次);②当验算无机结合料稳定层疲劳开裂时:设计使用年限内设计车道上的当量设计轴载累计作用次数Ne2=6.146937×108(次);③当验算沥青混合料层永久变形量时:通车至首次针对车辙维修期限内设计车道的当量设计轴载累计作用次数Ne3=8864560(次);④当验算路基顶面竖向压应变时:设计使用年限内设计车道上的当量设计轴载累计作用次数Ne4=1.393465×107(次)。
新建路面设计
1. 项目概况与交通荷载参数
该项目位于西南地区,属于二级公路,设计时速为40Km/h,12米双车道公路,设计使用年限为12.0年,根据交通量OD调查分析,断面大型客车和货车交通量为1849辆/日, 交通量年增长率为8.2%, 方向系数取55.0%, 车道系数取
70.0%。
根据交通历史数据,按表A.2.6-1确定该设计公路为TTC4类,根据表
A.2.6-2得到车辆类型分布系数如表1所示。
表1. 车辆类型分布系数
根据路网相邻公路的车辆满载情况及历史数据的调查分析,得到各类车型非满载与满载比例,如表2所示。
表2. 非满载车与满载车所占比例(%)
根据表6.2.1,该设计路面对应的设计指标为沥青混合料层永久变形与无机结合料层疲劳开裂。
根据附表A.3.1-3,可得到在不同设计指标下,各车型对应的非满载车和满载车当量设计轴载换算系数,如表3所示。
表3. 非满载车与满载车当量设计轴载换算系数
根据公式(A.4.2)计算得到对应于沥青混合料层永久变形的当量设计轴载累计作用次数为8,109,551, 对应于无机结合料层疲劳开裂的当量设计轴载累计作用次数为562,339,245。
本公路设计使用年限内设计车道累计大型客车和货车交通量为4,989,710,交通等级属于中等交通。
2. 初拟路面结构方案
初拟路面结构如表4所示。
表4. 初拟路面结构
路基标准状态下回弹模量取50MPa,回弹模量湿度调整系数Ks取1.00,干湿与冻融循环作用折减系数Kη取1.00,则经过湿度调整和干湿与冻融循环作用折减的路基顶面回弹模量为50MPa。
3. 路面结构验算
3.1 沥青混合料层永久变形验算
根据表G.1.2,基准等效温度Tξ为20.1℃,由式(G.2.1)计算得到沥青混合料层永久变形等效温度为21.5℃。
可靠度系数为1.04。
根据B.3.1条规定的分层方法,将沥青混合料层分为6个分层,各分层厚度(hi)如表5所示。
利用弹性层状体系理论,分别计算设计荷载作用下各分层顶部的竖向压应力(Pi)。
根据式(B.3.2-3)和式(B.3.2-4),计算得到d1=-8.23,d2=0.77。
把d1和d2的计算结果带入式(B.3.2-2),可得到各分层的永久变形修正系数(kRi),并进而利用式(B.3.2-1)计算各分层永久变形量(Rai)。
各计算结果汇总于表5中。
各层永久变形累加得到沥青混合料层总永久变形量Ra=19.2(mm),根据表3.0.6-1,沥青层容许永久变形为20.0(mm),拟定的路面结构满足要求。
表5. 沥青层永久变形计算结果
3.2 无机结合料层疲劳开裂验算
根据弹性层状体系理论,计算得到无机结合料层层底拉应力为0.480MPa。
根据气象资料,工程所在地区冻结指数F为50.0℃•日,按照表B.1.1,季节性冻土地区调整系数ka取1.00。
根据式(B.2.1-2),现场综合修正系数为-0.747 根据工程所在地区,查表G.1.2得到基准路面结构温度调整系数为1.31,根据初拟路面结构和路面结构层材料参数,按式(G.1.3-1)计算得到温度调整系
数kT2为1.15。
由表B.2.1-1,对于无机结合料稳定粒料,疲劳开裂模型参数a=13.24,b=12.52。
弯拉强度为2.0MPa。
根据以上参数,按式(B.2.1-1)计算得到无机结合料层底疲劳寿命为678,769,556。
3.3 贯入强度验算
公路所在地区月平均气温大于0℃的月份数为11个月,由此得到对应于贯入强度验算的设计车道累计设计轴载作用次数Ne5为7,433,755。
所在地区月平均气温大于0℃的各月份气温平均值为20.0℃。
根据公路等级,参照表3.0.6-1,得到沥青混合料层容许永久变形量为20.0mm。
路面结构系数根据式(5.5.8-2)计算为0.91,沥青混合料层的综合贯入强度由式(5.5.8-3)确定为0.55MPa,根据式(5.5.8-1),得到沥青混合料层的贯入强度要求值为0.49,所以,拟定的路面结构和材料满足贯入强度要求。
4. 路基顶面和路表验收弯沉值
根据附录B.7节,确定路基顶面和路表验收弯沉值时,采用落锤式弯沉仪,荷载盘半径为150mm,荷载为50kN。
路基标准状态下回弹模量取50MPa,回弹模量湿度调整系数Ks取1.00,则平衡湿度状态下的回弹模量为50MPa,采用公式(B.7.1)计算得到路基顶面验收弯沉值为373.5(0.01mm)。
采用拟定的路面结构以及各层结构模量值,路基顶面回弹模量采用平衡湿度状态下的回弹模型乘以模量调整系数kl(kl=0.5),为25MPa,根据弹性层状体
系理论计算得到路表验收弯沉值la为35.2(0.01mm)。
5. 结果汇总
各项验算结果汇总如下表所示:
表6. 分析结果汇总
由上表可知,所选路面结构和材料能满足各项验算内容的要求。