消防设施检测报告(2018年版)
- 格式:doc
- 大小:472.00 KB
- 文档页数:25
消防设施检测报告.总编号 ZXJ2014No.XXXXX分编号总页数建筑消防设施检测报告(第2版 -2)工程名称: .委托单位: .检测机构: .日期:年月日检测机构CMA 章检测机构声明1、本检测机构经批准具备、、、检测能力,在许可范围内从事检测工作并出具公正数据;2、本报告无本机构CMA章、检测专用章或公章无效;3、未经本机构书面批准,部分复印检测报告无效;4、本报告无检测人、报告审核人、批准人签名无效;5、本报告涂改无效;6、对本报告若有异议,请收到报告后于十五日内向本机构提出。
机构名称:机构地址:联系电话:报告编号:第 1 页共36 页基本情况工程名称建筑高度m 检测地点建筑层数建设单位建筑面积m2设计单位建筑类别施工单位使用性质监理单位检测类别联系人联系电话检测日期序号消防设施设计安装委托检测序号检测依据1 消防供配电设施1 《建筑消防设施检测技术规程》GA503-20042 火灾自动报警及联动控制系统2 《建筑设计防火规范》GB50016-20063《高层民用建筑设计防火规范》 (2005年版)GB50045-19953 自动喷水灭火系统4 《火灾自动报警系统设计规范》GB50116-20134 消火栓给水系统5 《火灾自动报警系统施工验收规范》GB50166-20075 防排烟系统6 《自动喷水灭火系统设计规范》 (2005年版)GB50084-20016 气体灭火系统7 《自动喷水灭火系统施工及验收规范》GB50261-20057 水喷雾灭火系统8 《固定消防炮灭火系统设计规范》GB50338-20038 泡沫灭火系统9 《水喷雾灭火系统设计规范》GB50219-19959 火灾应急照明及疏散指示10 《气体灭火系统设计规范》GB50370-200511 《气体灭火系统施工及验收规范》GB50263-200710 火灾应急广播及警报装置12《二氧化碳灭火系统设计规范》(2010年局部修订)GB50193-199313 《泡沫灭火系统设计规范》GB50151-201011 消防通讯14 《泡沫灭火系统施工及验收规范》GB50281-200612 防火分隔15 《人民防空工程设计防火规范》GB50098-200913 消防电梯16 《汽车库、修车库、停车场设计防火规范》GB50067-199717 《建筑工程消防验收规范》DB 33/1067—201318检测范围检测人员检测设备感烟探测器试验装置照度计温度计感温探测器试验装置声级计湿度计消火栓系统试水检测装置微压计风速仪水喷淋系统试水检测装置万用表秒表垂直度测定仪坡度计流量计卷尺(50m) 卷尺(5m) 报告编号:第 2 页共36 页检测结论及重要事项说明:受(委托单位)的委托,本公司依据国家法律法规、现行消防技术标准(见本报告第1页“检测依据”)的相关条款,于年月日至年月日,对(工程名称)的(消防供配电设施、火灾自动报警及联动控制系统、自动喷水灭火系统、消火栓给水系统、防排烟系统、气体灭火系统、水喷雾灭火系统、泡沫灭火系统、火灾事故照明及疏散指示标志、火灾应急广播及警报装置、消防通讯、防火分隔、消防电梯等)消防设施进行了检查测试。
建设工程竣工验收消防查验报告工程名称:工程地址:查验日期:建设单位:(印章)项目负责人:(签字)填写说明1. 本报告是建设单位实施消防查验的结果汇总,由建设单位负责填写,并作为工程竣工验收报告的附件,在申请消防验收或备案时向消防设计审查验收主管部门一并提交。
2. 建设单位如未直接和符合从业条件的技术服务机构订立委托合同,在施工过程中自行完成消防设施检测,或在建设工程竣工验收消防查验时自行完成消防设施性能、系统功能联调联试,则本报告中“技术服务机构”一栏由建设单位及其项目负责人盖章、签字,并承担相应责任和法律后果。
3. 本报告是消防设计审查验收主管部门实施消防验收现场评定的重要依据,建设、设计、施工、工程监理和技术服务单位应充分了解其法律后果。
要求填写内容真实,语言简练,字迹清楚。
4. 本报告一式七份,建设单位、设计单位、施工单位、工程监理单位、技术服务机构、工程质量监督机构、消防设计审查验收主管部门各持一份。
5. 表格设定的栏目,应逐项填写;不需填写的,可填“无”。
6. 本报告中的所列表格,如行数和页数不够,可另加行/页(附行/页应按照文书所列项目要求制作)。
7.各责任主体单位均应在本报告上盖骑缝章。
一、工程概况二、消防查验实施情况(一)消防查验组织及形式(二)消防查验程序1、建设单位主持消防查验会议。
2、各参建单位分别汇报工程合同履约情况和在工程建设各环节执行法律、法规和工程建设消防技术标准的情况。
3、审阅各参建单位提供的消防技术档案和施工管理资料。
4、查验工程实体消防施工质量。
5、完成了工程质量监督机构提出的有关整改意见。
6、形成工程竣工验收消防查验结果意见并签名。
(三)验收人员签名(四)除建设单位外,其他各责任主体分别独立出具的消防质量确认报告三、涉及消防的各分部分项工程消防查验结果表一建设工程的分部工程、分项工程的划分及查验项目列表表二室外工程的划分及查验项目列表四、涉及消防的建筑材料、构配件和设备的进场试验报告汇总表五、建设工程消防查验意见和结论六、各责任主体(单位和个人)签字盖章确认。
四川省建筑消防设施年度检测报告工程名称:地址:委托单位:注意事项1.本报告无现场检测人、项目负责人、技术负责人签字无效;2.本报告涂改、复印无效;3.对本检测报告若有异议,应在收到本报告之日起五日内向检测单位提出;4. 本报告仅对当时检测状况负责检测单位:地址:电话:传真:邮编:电子信箱:XXXXX公司检测报告表A.1 消防供配电设施检测记录细项表表A.2 电气火灾监控系统检测记录细项表表A.2 电气火灾监控系统检测记录细项表(续表)表A.3 火灾自动报警系统检测记录细项表表A.4 火灾应急广播、消防通讯、消防应急照明及疏散指示标志、消防电梯检测记录细项表检测日期:2018年12月25日表A.4 火灾应急广播、消防通讯、消防应急照明及疏散指示标志、消防电梯检测记录细项表(续表)表A.4 火灾应急广播、消防通讯、消防应急照明及疏散指示标志、消防电梯检测记录细项表(续表)表A.5 水灭火系统检测记录细项表表A.5 水灭火系统检测记录细项表(续表)检测日期:2018年12月25日表A.5 水灭火系统检测记录细项表(续表)表A.5 水灭火系统检测记录细项表(续表)检测日期:2018年12月25日表A.5 水灭火系统检测记录细项表(续表)表A.5 水灭火系统检测记录细项表(续表)表A.6 泡沫灭火系统检测记录细项表表A.7 气体灭火系统检测记录细项表表A.7 气体灭火系统检测记录细项表(续表)表A.7 气体灭火系统检测记录细项表(续表)表A.8 防排烟系统检测记录细项表表A.8 防排烟系统检测记录细项表(续表)表A.9防火卷帘检测记录细项表表A.9 防火卷帘检测记录细项表(续表)表A.10 防火门检测记录细项表表A.10防火门检测记录细项表(续表)表A.11 灭火器检测记录细项表。
消防设施检测报告项目名称委托单位检测机构名称检测机构资质报告日期说明1、本报告书统一使用国际标准A4型纸,由各建筑消防设施维护保养机构按照规定的式样制作。
报告书设定的栏目应逐项填写完整、准确;不需填写的,应在空白处填写“无”。
2、本报告书包含封面、《检测报告汇总表》、《检测报告记录表》及检测现场照片。
每份报告书应按顺序编写页码,在“共页第页”处分别填写总页数、页码,如:“共6页第2页”。
3、本报告书由技术负责人、项目负责人、编制人审核确认,并加盖建筑消防设施检测机构印章、骑缝章。
4、《检测报告记录表》内的“检测结果”应当载明所检查测试的设施所在具体位置、名称及编号、型号、数量等,并客观记录其运行的具体数据(值)或状态,根据实测记录给予“合格”“不合格”的结论判定。
5、应在《检测报告汇总表》的检测情况汇总及结论栏内要写明《检测报告记录表》内不符合标准要求的项目和内容的编号及不符合情况描述,并对单项项目给予“合格”“不合格”判定。
6、建筑消防检测机构应如实填写各项内容,对提交材料的真实性、完整性负责,不得虚构、伪造或编造事实,否则将承担相应的法律后果。
7、建筑消防检测机构应使用甘肃省社会消防服务信息管理系统全程记录检测过程并生成消防设施检测报告唯一编码。
8、委托单位可使用甘肃省社会消防服务信息管理系统通过报告唯一编码查验报告真伪。
消防设施检测报告无唯一编码或查验报告内容与纸质报告内容不一致的,均视为虚假报告。
9、本报告书一式三份,一份本机构存档,一份送委托单位,一份送公安机关消防机构备案。
项目负责人:技术负责人:编制人:项目负责人:技术负责人:编制人:项目负责人:技术负责人:编制人:项目负责人:技术负责人:编制人:(以下空白)(以下空白)。
消防安全第三阶段检查报告一、引言消防安全是任何组织和个人都必须重视的重要问题。
为了确保场所的消防安全,定期进行消防安全检查是必不可少的。
本报告是针对某公司进行的第三阶段消防安全检查的总结报告。
二、检查目的本次检查的主要目的是评估公司在第二阶段消防安全改进措施的实施效果,同时发现并解决可能存在的新的消防安全隐患,以提高公司的消防安全水平。
三、检查范围和方法本次检查范围覆盖了公司的所有区域,包括办公区、生产区、仓库和员工休息区等。
检查方法包括实地观察、询问员工和查阅相关记录等。
四、检查结果1. 消防设施:所有消防设施都按照规定配备齐全,且都在有效期内。
但是,部分灭火器存在压力不足的情况,需要重新充装。
2. 消防通道:所有消防通道都保持畅通,没有杂物堆放。
但是,部分消防灯具存在故障,需要及时修复。
3. 消防演习:公司定期进行消防演习,员工的消防安全意识和应急处理能力有所提高,但在演习中发现部分员工对灭火器的使用不够熟练。
4. 消防记录:公司的消防记录完整,包括每日巡查记录、消防设施维护记录和消防演习记录等。
五、改进措施根据检查结果,提出以下改进措施:1. 对存在问题的灭火器进行充装。
2. 修复损坏的消防灯具。
3. 加强对员工的消防安全培训,特别是灭火器的使用方法。
4. 定期对消防设施进行检查和维护,确保其处于良好状态。
5. 进一步完善消防安全管理制度,提高公司整体的消防安全水平。
六、总结通过本次检查,发现公司在消防安全方面还存在一些问题,但整体情况良好。
公司需要继续加强消防安全管理,完善消防设施,提高员工的消防安全意识和应急处理能力,确保公司的消防安全。
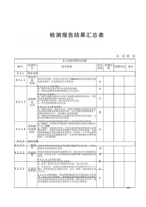
检测报告结果汇总表共页第页5.2消防供配电设施编号检测项目技术要求项目类别检测结果检测结论备注5.2.1消防电源5.2.1.1用电负荷等级消防负荷等级、供电形式是否符合GB50016的消防电源及其配电相关要求,以及消防设计文件要求。
A5.2.1.2.1专用回路:a)消防用电设备应采用专用的供电回路;b)其配电线路和控制回路按防火分区划分。
A5.2.1.2消防配电方式5.2.1.2.2标识:a)消防设备配电箱应有区别于其他配电箱的明显标志,不同消防设备的配电箱应有明显区分标志;b)配电箱上的仪表、指示灯的显示应正常;c)开关及控制按钮灵活可靠。
5.2.1.2.3主备电切换:a)消防控制室、消防水泵房、防烟与排烟机房的消防用电设备及消防电梯等重要设备的供电,应在其配电线路的最末一级配电箱处具有主、备电源自动切换装置;b)切换备用电源的控制方式及操作程序应符合设计要求,主备电的切换时间应符合设计要求。
CB5.2.1.3消防配电线路防护消防用电设备的配电线路应满足火灾时连续供电的需要:a)暗敷时,应穿管并应敷设在不燃性结构内且保护层厚度不应小于30mm;b)明敷时(包括在吊顶内)应穿金属导管或采用封闭式金属槽盒保护,金属导管或封闭线槽应采取防火保护措施;当采用阻燃或耐火电缆并敷设在电缆井、沟内时,可不穿金属导管或采用封闭式金属槽盒保护;当采用矿物绝缘类不燃性电缆时,可直接明敷。
A5.2.2备用电源5.2.2.1一般规定查验备用发电机或其他备用电源的规格型号及功率,应符合消防技术标准和设计要求。
B5.2.2.2控制装置查验发电机或其他备用电源的仪表、指示灯及开关按钮等应完好,显示应正常。
发电机机房内的通风换气设施应能正常运行。
B5.2.2.3.1发电机功能:a)发电机额定功率符合技术要求;b)仪表、指示灯及开关按钮等应完好,显示应正常;B5.2.2.3自备发电机组c)自动启动,发电机达到额定转速并发电的时间不应大于30s,发电机的运行及输出功率、电压、频率、相位的显示均应正常。
建筑消防设施
检测报告
报告编号:TXJ-0000
委托单位;
工程名称:
检测类别:
检测时间:
检测单位:
注意事项
1.被检单位接到本公司整改通知书后,你单位应高度重视并及时整改,如果发生火灾安全隐患事故,本公司概不负责。
2.本公司是在即时状态下对现有项目进行检测。
如果环境、布线、负荷等状态发生变化,应执行国家有关规范或及时通知我公司进行复检,并收取一定的相关费用。
3.本报告无“公章”、无“检测专用章”、无“骑缝章”无效。
4.复制本报告无效。
5.报告未经检测、审核、批准人签字,无效。
6.对检测报告若有异议,请于收到报告之日起五日内向本公司提出,逾期不予受理。
7.需要整改项目以书面形式通知受检单位
8.本报告仅对现有检测项目负责。
9.本报告有效期一年
邮编:028000
地址:
报告编号:
检测结果汇总
检测工程建筑消防设施、设备一览表
消防供电系统检测报告
消防供电系统检验报告
火灾自动报警及联动控制系统检测报告
火灾自动报警及联动控制系统检测报告
消火栓系统检测报告
消火栓系统检测报告
湿式自动喷水灭火系统检测报告。
本文部分内容来自网络整理,本司不为其真实性负责,如有异议或侵权请及时联系,本司将立即删除!== 本文为word格式,下载后可方便编辑和修改! ==消防设施年检报告篇一:消防检测报告范本编号N0:建筑消防设施测报工程名称:委托单位:检测性质:(单位名称)二0年月日告检注意事项1.报告无检测单位公章或“检测专用章”无效。
2.复制报告未重新加盖检测单位公章或检测专用章无效。
3.报告无主检、审核、批准人签章无效。
4.报告涂改无效。
5.对检测报告若有异议,可于收到报告日起向检测单位提出。
6.此报告适用于对工程中已设置自动消防设施的委托部分的技术测试;对于规范要求设置而未设置的部分以及未委托部分,仅在报告中备注,供参考。
7.此报告仅对本次检测时的运行条件负责。
在人为或自然改变运行条件时,都将引起消防设施运行情况的改变,本报告反映的结论将会失效。
地址:手机:邮政编码:检测公司资质证书(复印件加盖公章)检测人员执业资格证书(复印件加盖公章)Xxx公司检验报告首页篇二:消防检测报告目录1.2. 3. 4. 5.6. 7. 8. 9. 10.建筑消防设施检测报告No 201X 第1页共页批准:审核:编制:No 201X 第2页共页No 201X第3页共3页No 201X 第 4 页共页篇三:消防设施维护保养报告书附录C编号:消防设施维护保养报维保项委托单维保机维保日告书目:位:构:期:说明1、本报告书由消防设施维护保养机构自每月履行完维修、保养责任后制作,出具时间不得迟于下月次维护保养任务开始之前。
2、本报告书通过山东省消防设施维保监督系统制作生成,由项目负责人、技术负责人审核通过后提交,逾期不提交的自动上传;同时打印纸件,按要求签字、加盖公章后,消防设施维护保养机构存档一份,送委托单位一份,报当地公安机关消防机构一份。
3、因消防设施型号导致确实无法使用山东省消防设施维保监督系统的,消防设施维护保养企业应当将反映本次消防设施检查、测试过程的照片、火灾自动报警控制器打印记录等凭证,加以详细标注,作为《消防设施维护保养报告书》附件。
本文部分内容来自网络整理,本司不为其真实性负责,如有异议或侵权请及时联系,本司将立即删除!== 本文为word格式,下载后可方便编辑和修改! ==消防情况报告篇一:消防安全检查情况汇报消防安全检查情况汇报根据县委、县府有关消防安全规定的要求,按照《中华人民共和国消防法》,于11月30日下午组织各所所长和水电管理人员,对各市场进行了全面消防安全检查。
现将检查的基本情况报告如下:一、检查中发现的安全隐患1、XX市场:(1)电表处电线外皮脱落,容易起火,要求缠好胶布。
(2)31号店铺纸货物箱放在开关旁,存在安全隐患。
(3)28号店天然气管接口或开关阀与电线接口相连接。
(4)17号店塑料袋、20号店食用油、21号店塑料花放开关旁,14号店灭火器未挂好,随意乱放。
(5)有些店铺电线未用套管。
2、XX路市场:(1)塑料袋挂在开关旁边。
(2)整个市场消防设施不健全,没有消防水龙头接口。
3、XX市场、东门市场、城东市场未发现安全隐患,要求各所要督促跟踪检查,特别是城东市场米兰春天正在进行工程装修。
二、消防安全工作检查后的要求:1、按照督察提出的要求,在规定期限内进行整改。
2、确定专人负责管理消防设施,平时要加强对消防设施的保养维护,定期检查测试,并将确定的消防安全隐患报上级有关部门备案。
3、对场内经营户私(来自: 在点网)拉、私接电线进行清理,坚决杜绝大功率电器的使用,消除电器火灾隐患;水电、消防员要坚持每日巡查关注用电的关键部位,有效避免不安全事故的发生。
4、加强对员工的消防安全教育工作。
增加员工的消防安全知识,提高灭火器材、消防栓的使用技能。
三、今后消防安全工作的目标内容:1、在消防知识普方面还有待加强。
通过这次专项消防安全检查,发现员工和市场经营户对消防安全规章制度的学习还不够,消防安全意识欠缺。
今后要加强对员工和市场经营户的消防安全教育工作,在提高全体员工和广大经营户消防安全意识方面多下功夫,为认真落实各项消防措施营造了良好的氛围。
No.200706建筑消防设施 检 测 报 告委托单位 建筑名称检测类别 新建/扩建/装修改造/消防整改工程无锡XXXXXXXXX 有限公司二ΟΟX 年 月(05)量认苏字(L020)号注意事项1、报告无检测专用章、齐缝印无效。
2、报告无编制、审核、批准人签字(章)无效。
3、报告涂改、印章复印无效。
4、对检测报告若有异议,应于收到报告之日起一周内向检测单位提出,逾期不予受理。
5、检测报告仅对受检时的建筑消防设施负责。
单位名称:地址:电话:传真:电子信箱:邮政编码:(XXXX工程名称)建筑消防设施检测情况受的委托,我所根据江苏省消防条例(第三次修正)以及公安部(96)第30号令和江苏省公安厅消防局有关文件精神,于二ΟΟ七年月日至月日对贵单位建筑消防设施进行了检测,现将检测情况汇报如下:一、检测概况:XXX工程属多层建筑(注:建筑类别为一类高层、二类高层、多层建筑、甲、乙、丙、丁、戊类厂房[仓库]),占地面积m2,建筑总面积m2。
该工程共有幢建筑组成。
其中XX建筑主体层,局部层,地下层,建筑高度为m,建筑结构为框架、砖混结构。
建筑物内各层使用功能为:(注:若由多个单体组成,应说明各单体的建筑概况及使用功能)。
该工程消防设计由设计院设计(注:建筑与消防分开设计或由几个设计院设计的应分别表述),由公司负责施工安装(注:由多个施工单位施工的应分别表述),本工程共设有火灾应急照明和疏散指示系统、消火栓给水系统、自动喷水灭火系统、火灾自动报警及联动控制系统等消防设施,其中火灾自动报警及联动控制系统由公司负责调试。
防火分隔设施:1、首先表述建筑防火分区的总体情况。
2、其次表述各防火分区的分区情况及分区内设置的防火分隔设施情况、联动逻辑关系。
(主要是针对设置常开防火门、防火卷帘的部位)火灾应急照明和疏散指示系统:1、首先表述应急照明灯具的控制方式。
(即是否通过消控中心直接控制,还是通过楼层配电柜或其他方式控制,火灾报警联动或手动切断非消防电源后,应急照明灯具是否投入运行)2、应急照明灯具的应急供电方式(集中供电、自带电源型、子母电源型),有不同供电方式的应分别表述。
消防设施检测报告
项目名称
委托单位
检测机构名称
检测机构资质
报告日期
说明
1、本报告书统一使用国际标准A4型纸,由各建筑消防设施维护保养机构按照规定的式样制作。
报告书设定的栏目应逐项填写完整、准确;不需填写的,应在空白处填写“无”。
2、本报告书包含封面、《检测报告汇总表》、《检测报告记录表》及检测现场照片。
每份报告书应按顺序编写页码,在“共页第页”处分别填写总页数、页码,如:“共6页第2页”。
3、本报告书由技术负责人、项目负责人、编制人审核确认,并加盖建筑消防设施检测机构印章、骑缝章。
4、《检测报告记录表》内的“检测结果”应当载明所检查测试的设施所在具体位置、名称及编号、型号、数量等,并客观记录其运行的具体数据(值)或状态,根据实测记录给予“合格”“不合格”的结论判定。
5、应在《检测报告汇总表》的检测情况汇总及结论栏内要写明《检测报告记录表》内不符合标准要求的项目和内容的编号及不符合情况描述,并对单项项目给予“合格”“不合格”判定。
6、建筑消防检测机构应如实填写各项内容,对提交材料的真实性、完整性负责,不得虚构、伪造或编造事实,否则将承担相应的法律后果。
7、建筑消防检测机构应使用甘肃省社会消防服务信息管理系统全程记录检测过程并生成消防设施检测报告唯一编码。
8、委托单位可使用甘肃省社会消防服务信息管理系统通过报告唯一编码查验报告真伪。
消防设施检测报告无唯一编码或查验报告内容与纸质报告内容不一致的,均视为虚假报告。
9、本报告书一式三份,一份本机构存档,一份送委托单位,一份送公安机关消防机构备案。
项目负责人:技术负责人:编制人:
项目负责人:技术负责人:编制人:
项目负责人:技术负责人:编制人:
项目负责人:技术负责人:编制人:
(以下空白)
(以下空白)。