12 排桩墙支护工程检验批质量验收记录(重复使用钢板桩)
- 格式:doc
- 大小:26.50 KB
- 文档页数:1
排桩墙支护工程检验批质量验收记录(混凝土板桩制
作)
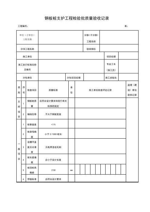
(GB50202-2002)表722-2 编号:010201 □□ 口(2)
010201□□口(2)说明
强制性条文
7.1.7 基坑(槽)、管沟土方工程验收必须确保支护结构安全和周围环境安全为前提。
当设
计有指标时,
以设计要求为依据,如无设计指标时应按表7.1.7的规定执行。
表7.1.7基坑变形的监控值(cm)
7.2 排桩墙支护工程
7.2.1排桩墙支护结构包括灌注桩、预制桩、板桩等类型桩构成的支护结构。
7.2.2灌注桩、预制桩的检验标准应符合本规范第5章的规定。
钢板桩均为工厂成品,新
桩可按出厂标
准检验,重复使用的钢板桩应符合表7.2.2-1的规定,混凝土板桩应符合表722-2
的规定。
7.2.3排桩墙支护的基坑,开挖后应及时支护,每一道支撑施工应确保基坑变形在设计要求的控制范围内。
7.2.4在含水地层范围内的排桩墙支护基坑,应有确实可靠的止水措施,确保基坑施工及邻近构筑物的
安全。
表7.2 .2-2 混凝土板桩制作标准
注:本表由施工项目专业质量检查员填写,专业监理工程师(建设单位项目专业技术负责人)组织项目
专业质量(技术)负责人等进行验收。
使用说明(使用时删除):1、该表格主要用途包含不局限于学校、公司企业、事业单位、政府机构,主要针对对象为白领、学生、教师、律师、公务员、医生、工厂办公人员、单位行政人员等。
2、表格应当根据时机用途及需要进行适当的调整,该表格作为使用模板参考使用。
3、表格的行列、文字叙述、表头、表尾均应当根据实际情况进
《合同条件》是根据《中华人民共和国合同法》,对双方权利义务作出的约定,除双方协商同意对其中的某些条款作出修改、补
《协议条款》是按《合同条件》的顺序拟定的,主要是为《合同条件》的修改、补充提供一个协议的格式。
双方针对工实际情况,把对《合同条件》的修改、补充和对某些条款不予采用的一致意见按《协议条款》的格式形。
排桩墙支护工程检验批质量验收记录(混凝土板桩制
作)
(GB50202-2002)表7.2.2-2 编号:010201□□□(2)
010201□□□(2)说明
强制性条文
7.1.7基坑(槽)、管沟土方工程验收必须确保支护结构安全和周围环境安全为前提。
当设计有指标时,
以设计要求为依据,如无设计指标时应按表7.1.7的规定执行。
表7.1.7 基坑变形的监控值(cm)
7.2 排桩墙支护工程
7.2.1排桩墙支护结构包括灌注桩、预制桩、板桩等类型桩构成的支护结构。
7.2.2灌注桩、预制桩的检验标准应符合本规范第5章的规定。
钢板桩均为工厂成品,新桩可按出厂标
准检验,重复使用的钢板桩应符合表7.2.2-1的规定,混凝土板桩应符合表7.2.2-2的规定。
7.2.3排桩墙支护的基坑,开挖后应及时支护,每一道支撑施工应确保基坑变形在设计要求的控制范围内。
7.2.4在含水地层范围内的排桩墙支护基坑,应有确实可靠的止水措施,确保基坑施工及邻近构筑物的
安全。
表7.2 .2-2 混凝土板桩制作标准
注:本表由施工项目专业质量检查员填写,专业监理工程师(建设单位项目专业技术负责人)组织项目
专业质量(技术)负责人等进行验收。
房建验收标准表格目录010101———————————————土方开挖工程检验批质量验收记录表010102———————————————土方回填工程检验批质量验收记录表010201(1)————排桩墙支护工程检验批质量验收记录表(重复使用钢板桩)010201(2)——————排桩墙支护工程检验批质量验收记录表(混凝土板桩)010202——————————————降水与排水工程检验批质量验收记录表010203(1)——————混凝土灌注桩(钢筋笼)工程检验批质量验收记录表010203(2)————————————地下连续墙工程检验批质量验收记录表010204———————————锚杆及土钉墙支护工程检验批质量验收记录表010205——————————加筋水泥土桩墙支护工程检验批质量验收记录表010206——————————————沉井与沉箱工程检验批质量验收记录表010207————————————钢或混凝土支撑工程检验批质量验收记录010301———————————————灰土地基工程检验批质量验收记录表010302———————————————砂和砂石地基检验批质量验收记录表010303———————————土工合成材料地基工程检验批质量验收记录表010304——————————————粉煤灰地基工程检验批质量验收记录表010305———————————————强夯地基工程检验批质量验收记录表010306———————————————振冲地基工程检验批质量验收记录表010307———————————————砂桩地基工程检验批质量验收记录表010308———————————————预压地基工程检验批质量验收记录表010309———————————高压喷射注浆地基工程检验批质量验收记录表010310——————————土和灰土挤密桩复合地基检验批质量验收记录表010311—————————————————注浆地基检验批质量验收记010312———————水泥粉煤灰碎石桩复合地基工程检验批质量验收记录表010313—————————夯实水泥土桩复合地基工程检验批质量验收记录表010314———————————水泥土搅拌桩地基工程检验批质量验收记录表010401———————————————静力压桩工程检验批质量验收记录表010402——————————————预应力管桩工程检验批质量验收记录表010403(1)—————混凝土预制桩(钢筋骨架)工程检验批质量验收记录表010403(2)———————————混凝土预制桩工程检验批质量验收记录表010404(1)———————————混凝土预制桩工程检验批质量验收记录表010404(2)———————————————钢桩施工检验批质量验收记录表010405(1)——————混凝土灌注桩(钢筋笼)工程检验批质量验收记录表010405(2)———————————混凝土灌注桩工程检验批质量验收记录表010501————————————————防水混凝土检验批质量验收记录表010502——————————————水泥砂浆防水层检验批质量验收记录表010503————————————————卷材防水层检验批质量验收记录表010504————————————————涂料防水层检验批质量验收记录表010505———————————————金属板防水层检验批质量验收记录表010506———————————————塑料板防水层检验批质量验收记录表010507—————————————————细部构造检验批质量验收记录表010508—————————————————锚喷支护检验批质量验收记录表010509————————————————复合式衬砌检验批质量验收记录表010510———————————————地下连续墙检验批质量验收记录表010511————————————————盾构法隧道检验批质量验收记录表010512———————————————渗排水、盲沟排水检验批质量验收记录010513———————————————隧道、坑道排水检验批质量验收记录表010514———————————————预注浆、后注浆检验批质量验收记录表010515———————————————衬砌裂缝注浆检验批质量验收记录表010601(1)—————————————模板安装工程检验批质量验收记录表010601(3)——————————————模板拆除工程检验批质量验收记录表010602(1)———————————————钢筋加工检验批质量验收记录表010602(2)—————————————钢筋安装工程检验批质量验收记录表010603(1)———————混凝土原材料及配合比设计检验批质量验收记录表010603(2)——————————————混凝土施工检验批质量验收记录表010901(1)——————钢结构制作(安装)焊接工程检验批质量验收记录表010901(2)—————————焊钉(栓钉)焊接工程检验批质量验收记录表010902(1)——————————普通紧固件连接工程检验批质量验收记录表010902(2)——————————高强度螺栓连接工程检验批质量验收记录表010905—————————————防腐涂料涂装工程检验批质量验收记录表010906—————————————防火涂料涂装工程检验批质量验收记录表020101(1)—————————————模板安装工程检验批质量验收记录表020101(2)———————————预制构件模板工程检验批质量验收记录表020101(3)—————————————模板拆除工程检验批质量验收记录表020102(1)———————————————钢筋加工检验批质量验收记录表020102(2)—————————————钢筋安装工程检验批质量验收记录表020103(1)———————混凝土原材料及配合比设计检验批质量验收记录表020103(2)——————————————混凝土施工检验批质量验收记录表020104(1)—————————————预应力原材料检验批质量验收记录表020104(2)————————————预应力制作与安装检验批质量验收记录表020104(3)—————预应力张拉、放张、灌浆及封锚检验批质量验收记录表020105(1)————————现浇结构外观及尺寸偏差检验批质量验收记录表020105(2)———————混凝土设备基础外观及尺寸偏差检验批验收记录表020106(1)———————————————预制构件检验批质量验收记录表020106(2)————————————装配式结构施工检验批质量验收记录表020301—————————————砖砌体(混水)工程检验批质量验收记录表020302————————混凝土小型空心砌块砌体工程检验批质量验收记录表020303————————————————石砌体工程检验批质量验收记录表020304——————————————填充墙砌体工程检验批质量验收记录表020305———————————————配筋砌体工程检验批质量验收记录表020401(1)——————钢结构制作(安装)焊接工程检验批质量验收记录表020401(2)—————————焊钉(栓钉)焊接工程检验批质量验收记录表020402(1)——————————普通紧固件连接工程检验批质量验收记录表020402(2)——————————高强度螺栓连接工程检验批质量验收记录表020403(1)————————钢结构零、部件加工工程检验批质量验收记录表020403(2)————————————钢网架制作工程检验批质量验收记录表020404————————————单层钢构件安装工程检验批质量验收记录表020405—————————多层及高层钢构件安装工程检验批质量验收记录表020406——————————————钢构件组装工程检验批质量验收记录表020407—————————————钢构件预拼装工程检验批质量验收记录表020408——————————————钢网架安装工程检验批质量验收记录表020409——————————————压型金属板工程检验批质量验收记录表020410—————————————防腐涂料涂装工程检验批质量验收记录表020411—————————————防火涂料涂装工程检验批质量验收记录表020501————————————————木屋盖工程检验批质量验收记录表020502————————————————胶合木工程检验批质量验收记录表020503——————轻型木结构(规格材、钉连接)工程检验批质量验收记录表020504—————————木结构防腐、防虫、防火工程检验批质量验收记录表030101(1)———————————————基土垫层检验批质量验收记录表030101(2)———————————————灰土垫层检验批质量验收记录表030101(3)———————————砂垫层和砂石垫层检验批质量验收记录表030101(4)——————————碎石垫层和碎砖垫层检验批质量验收记录表030101(5)——————————————三合土垫层检验批质量验收记录表030101(6)———————————————炉渣垫层检验批质量验收记录表030101(7)————————————水泥混凝土垫层检验批质量验收记录表030101(8)————————————————找平层检验批质量验收记录表030101(9)————————————————隔离层检验批质量验收记录表030101(10)————————————————填充层检验批质量验收记录表030102——————————————水泥混凝土面层检验批质量验收记录表030103————————————————水磨石面层检验批质量验收记录表030104—————————————————水泥钢屑检验批质量验收记录表030105————————————————防油渗面层检验批质量验收记录表030106———————————不发火(防爆)面层工程检验批质量验收记录表030107——————————————————砖面层检验批质量验收记录表030108————————————大理石和花岗石面层检验批质量验收记录表030109———————————————预制板块面层检验批质量验收记录表030110—————————————————料石面层检验批质量验收记录表030111————————————————塑料板面层检验批质量验收记录表030112———————————————活动地板面层检验批质量验收记录表030113—————————————————地毯面层检验批质量验收记录表030114———————————————实木地板面层检验批质量验收记录表030115—————————————实木复合地板面层检验批质量验收记录表030116—————————中密度(强化)复合地板面层检验批质量验收记录表030117————————————————竹地板面层检验批质量验收记录表030201———————————————一般抹灰工程检验批质量验收记录表030202———————————————装饰抹灰工程检验批质量验收记录表030203—————————————清水砌体勾缝工程检验批质量验收记录表030301(1)————————————木门窗制作工程检验批质量验收记录表030301(2)————————————木门窗安装工程检验批质量验收记录表030302(1)————————金属门窗安装工程检验批质量验收记录表(钢门窗)030302(2)——————金属门窗安装工程检验批质量验收记录表(铝合金门窗)030302(3)———金属门窗安装工程检验批质量验收记录表(涂色镀锌钢板门窗)030303—————————————塑料门窗安装工程检验批质量验收记录表030304——————————————特种门安装工程检验批质量验收记录表030305—————————————门窗玻璃安装工程检验批质量验收记录表030401——————————————暗龙骨吊顶工程检验批质量验收记030402——————————————明龙骨吊顶工程检验批质量验收记录表030501———————————————板材隔墙工程检验批质量验收记录表030502———————————————骨架隔墙工程检验批质量验收记录表030503———————————————活动隔墙工程检验批质量验收记录表030504———————————————玻璃隔墙工程检验批质量验收记录表030601——————————————饰面板安装工程检验批质量验收记录表030602——————————————饰面砖粘贴工程检验批质量验收记录表030701(1)————————玻璃幕墙工程检验批质量验收记录表(主控项目) 030701(2)————————玻璃幕墙工程检验批质量验收记录表(一般项目) 030702(1)————————金属幕墙工程检验批质量验收记录表(主控项目)030702(2)————————金属幕墙工程检验批质量验收记录表(一般项目)030703(1)————————石材幕墙工程检验批质量验收记录表(主控项030703(2)————————石材幕墙工程检验批质量验收记录表(一般项目)030801—————————————水性涂料涂饰工程检验批质量验收记录表030802————————————溶剂型涂料涂饰工程检验批质量验收记录表030803———————————————美术涂饰工程检验批质量验收记录表030901—————————————————裱糊工程检验批质量验收记录表030902—————————————————软包工程检验批质量验收记录表031001————————————橱柜制作与安装工程检验批质量验收记录表031002——窗帘盒、窗台板和散热器罩制作与安装工程检验批质量验收记录表031003———————————门窗套制作与安装工程检验批质量验收记录表031004—————————护栏和扶手制作与安装工程检验批质量验收记录表031005————————————花饰制作与安装工程检验批质量验收记录表040101————————————————屋面保温层检验批质量验收记录表040102————————————————屋面找平层检验批质量验收记录表040103————————————————卷材防水层检验批质量验收记录表040104—————————————————细部构造检验批质量验收记录表040201————————————————屋面保温层检验批质量验收记录表040202————————————————屋面找平层检验批质量验收记录表040203————————————————涂膜防水层检验批质量验收记录表040204—————————————————细部构造检验批质量验收记录表040301—————————————细石混凝土防水层检验批质量验收记录表040302———————————————密封材料嵌缝检验批质量验收记录表040303—————————————————细部构造检验批质量验收记录表040401—————————————————平瓦屋面检验批质量验收记录表040402————————————————油毡瓦屋面检验批质量验收记录表040403———————————————金属板材屋面检验批质量验收记录表040404—————————————————细部构造检验批质量验收记录表040501—————————————————架空屋面检验批质量验收记录表040502——————————————蓄水、种植屋面检验批质量验收记录表040503——————————————蓄水、种植屋面检验批质量验收记录表050101————————室内给水管道及配件安装工程检验批质量验收记录表050102——————————室内消火栓系统安装工程检验批质量验收记录表050103—————————————给水设备安装工程检验批质量验收记录表050201————————室内排水管道及配件安装工程检验批质量验收记录表050202———————————雨水管道及配件安装工程检验批质量验收记录050301———————表室内热水管道及配件安装工程检验批质量验收记录表050302———————热水供应系统辅助设备安装工程检验批质量验收记录表050401————————卫生器具及给水配件安装工程检验批质量验收记录表050402—————————卫生器具排水管道安装工程检验批质量验收记录表050501—————————————室内采暖管道及配件安装工程质量检验表050502———室内采暖辅助设备及散热器及金属辐射板安装工程检验批质量验收记录050503———室内采暖辅助设备及散热器及金属辐射板安装工程检验批质量验收记录表050504———————低温热水地板辐射采暖安装工程检验批质量验收记录表050601———————————室外给水管道安装工程检验批质量验收记录表050602——————消防水泵结合器及消火栓安装工程检验批质量验收记录表050603——————————————管沟及井室检验批工程质量验收记录表050701———————————室外排水管道安装工程检验批质量验收记录表050702——————————室外排水管沟及井池工程检验批质量验收记录表050801————————室外供热管道及配件安装工程检验批质量验收记录表050901————建筑中水系统及游泳池水系统安装工程检验批质量验收记录表050902————建筑中水系统及游泳池水系统安装工程检验批质量验收记录表051001———————————————锅炉安装工程检验批质量验收记录表051002(1)—————————锅炉辅助设备安装工程检验批质量验收记录表051002(2)———————————工艺管道安装工程检验批质量验收记录表051003———————————锅炉安全附件安装工程检验批质量验收记录表051004——————————————换热站安装工程检验批质量验收记录表060101————————架空线路及杆上电气设备安装检验批质量验收记录表060102———————————变压器、箱式变电所安装检验批质量验收记录表060103(1)————————————————————成套配电柜、控制柜(屏、台)和动力、照明配电箱(盘)安装检验批质量验收记录表(高压开关柜)060104(2)——电线导管、电缆导管和线槽敷设检验批质量验收记录表(室外)060105——————————电线、电缆穿管和线槽敷线检验批质量验收记060106———————电缆头制作、接线和线路绝缘测试检验批质量验收记录表060107————建筑物景观照明灯、航空障碍标志灯和庭院灯安装检验批质量验收记录表060108———————————建筑物照明通电试运行检验批质量验收记录表060109———————————————接地装置安装检验批质量验收记录表060201———————————变压器、箱式变电所安装检验批质量验收记录表060202(1)————————————————————成套配电柜、控制柜(屏、台)和动力、照明配电箱(盘)安装检验批质量验收记录表(高压开关柜)060203——————裸母线、封闭母线、插接式母线安装检验批质量验收记录表060204———————电缆沟内和电缆竖井内电缆敷设检验批质量验收记录表060205———————电缆头制作、接线和线路绝缘测试检验批质量验收记录表060206———————————————接地装置安装检验批质量验收记录表060207(2)————————————————————————————避雷引下线和变配电室接地干线敷设检验批质量验收记录表(变配电室接地干线)060301——————裸母线、封闭母线、插接式母线安装检验批质量验收记录表060302———————电缆桥架安装和桥架内电缆敷设检验批质量验收记录表060303———————电缆沟内和电缆竖井内电缆敷设检验批质量验收记录表060304(1)——电线导管、电缆导管和线槽敷设检验批质量验收记录表(室内)060305——————————电线、电缆穿管和线槽敷线检验批质量验收记录表060306———————电缆头制作、接线和线路绝缘测试检验批质量验收记录表060401(2)————————————————成套配电柜、控制柜(屏、台)和动力、照明配电箱(盘)安装检验批质量验收记录表(低压成套柜(屏、台))060402————低压电动机、电加热器及电动执行机构检查接线检验批质量验收记录表060403———————低压电气动力设备试验和试运行检验批质量验收记录表060404———————电缆桥架安装和桥架内电缆敷设检验批质量验收记录表060405(1)——电线导管、电缆导管和线槽敷设检验批质量验收记录表(室内)060406——————————电线、电缆穿管和线槽敷线检验批质量验收记录表060407———————电缆头制作、接线和线路绝缘测试检验批质量验收记录表060408————————————开关、插座、风扇安装检验批质量验收记录表060501(3)———————————————————成套配电柜、控制柜(屏、台)和动力、照明配电箱(盘)安装检验批质量验收记录表(照明配电箱(盘))060502(1)——电线导管、电缆导管和线槽敷设检验批质量验收记录表(室内)060503——————————电线、电缆穿管和线槽敷线检验批质量验收记录表060504—————————————————槽板配线检验批质量验收记录表060505—————————————————钢索配线检验批质量验收记录表060506———————电缆头制作、接线和线路绝缘测试检验批质量验收记录表060507———————————————普通灯具安装检验批质量验收记录表060508———————————————专用灯具安装检验批质量验收记录表060509————建筑物景观照明灯、航空障碍标志灯和庭院灯安装检验批质量验收记录表060510————————————开关、插座、风扇安装检验批质量验收记录表060511———————————建筑物照明通电试运行检验批质量验收记录表060601(1)————————————————————成套配电柜、控制柜(屏、台)和动力、照明配电箱(盘)安装检验批质量验收记录表(高压开关柜)060602—————————————柴油发电机组安装检验批质量验收记录表060603——————————————不间断电源安装检验批质量验收记录表060604——————裸母线、封闭母线、插接式母线安装检验批质量验收记录表060605(1)——电线导管、电缆导管和线槽敷设检验批质量验收记录表(室内)060606——————————电线、电缆穿管和线槽敷线检验批质量验收记录表060607———————电缆头制作、接线和线路绝缘测试检验批质量验收记录表060608———————————————接地装置安装检验批质量验收记录表060701———————————————接地装置安装检验批质量验收记录表060702(2)—避雷引下线和变配电室接地干线敷设检验批质量验收记录表(防雷引下线)060703—————————————建筑物等电位联结检验批质量验收记录表060704————————————————接闪器安装检验批质量验收记录表080100————————————————————工程系统调试验收记录表080101(1)————————风管与配件制作检验批质量验收记录表(金属风管)080101(2)——风管与配件制作检验批质量验收记录表(非金属、复合材料风管)080103——风管系统安装检验批质量验收记录表(送、排风,防排烟,除尘系统) 080105———————————风管部件与消声器制作检验批质量验收记录表080107————————————————通风机安装检验批质量验收记录表080200————————————————————工程系统调试验收记录表080201(1)————————风管与配件制作检验批质量验收记录表(金属风管)080201(2)——风管与配件制作检验批质量验收记录表(非金属、复合材料风管)080203(1)———风管系统安装检验批质量验收记录表(送、排风,防排烟,除尘系统) 080207————————————————通风机安装检验批质量验收记录表080300————————————————————工程系统调试验收记录表080301(1)————————风管与配件制作检验批质量验收记录表(金属风管)080301(2)——风管与配件制作检验批质量验收记录表(非金属、复合材料风管)080303(1)———风管系统安装检验批质量验收记录表(送、排风,防排烟,除尘系统) 080304(1)——————通风与空调设备安装检验批质量验收记录表(通风系统)080306————————————————通风机安装检验批质量验收记录表080400————————————————————工程系统调试验收记录表080401(1)————————风管与配件制作检验批质量验收记录表(金属风管)080401(2)——风管与配件制作检验批质量验收记录表(非金属、复合材料风管)080403(1)———风管系统安装检验批质量验收记录表(送、排风,防排烟,除尘系统) 080403(2)————————风管系统安装检验批质量验收记录表(空调系统) 080404(2)——————通风与空调设备安装检验批质量验收记录表(空调系统)080405———————————风管部件与消声器制作检验批质量验收记录表080407————————————————通风机安装检验批质量验收记录表080500————————————————————工程系统调试验收记录表080501(1)————————风管与配件制作检验批质量验收记录表(金属风管)080501(2)——风管与配件制作检验批质量验收记录表(非金属、复合材料风管)080503(1)———风管系统安装检验批质量验收记录表(送、排风,防排烟,除尘系统) 080503(3)———————风管系统安装检验批质量验收记录表(净化空调系统)080504(3)————通风与空调设备安装检验批质量验收记录表(净化空调系统)080505———————————风管部件与消声器制作检验批质量验收记录表080507————————————————通风机安装检验批质量验收记录表080600————————————————————工程系统调试验收记录表080601—————————————空调制冷系统安装检验批质量验收记录表080700————————————————————工程系统调试验收记录表080701(1)————————空调水系统安装检验批质量验收记录表(金属管道)080701(2)———————空调水系统安装检验批质量验收记录表(非金属管道)080701(3)——————————空调水系统安装检验批质量验收记录表(设备)090101——————————————电梯安装工程设备进场质量验收记录表090102————————————————电梯安装土建交接质量验收记录表090103——————电梯驱动主机安装工程质量验收记录表(曳引式或强制式)090104————————————————电梯导轨安装工程质量验收记录表090105———————————电力液压电梯门系统安装工程质量验收记录表090106—————————————电梯轿厢及对重安装工程质量验收记录表090107——————————————电梯安全部件安装工程质量验收记录表090108—————电梯悬挂装置、随行电缆、补偿装置安装工程质量验收记录表090109——————————————电梯电气装置安装工程质量验收记录表090110————————————————电梯整机安装工程质量验收记录表090201——————————————电梯安装工程设备进场质量验收记录表090202————————————————电梯安装土建交接质量验收记录表090203——————————————电梯液压系统安装工程质量验收记录表090204————————————————电梯导轨安装工程质量验收记录表090205———————————电力液压电梯门系统安装工程质量验收记录表090206—————————————电梯轿厢及对重安装工程质量验收记录表090207——————————————电梯安全部件安装工程质量验收记录表090208————————————液压电梯悬挂装置、随行电缆质量验收记录表090209——————————————电梯电气装置安装工程质量验收记录表090210————————————————液压电梯整机安装质量验收记录表090301———————————自动扶梯、自动人行道设备进场质量验收记录表090302—————————自动扶梯、自动人行道土建交接检验质量验收记录表090303———————————自动扶梯、自动人行道整机安装质量验收记录表。