模拟乘法器-AD532
- 格式:pdf
- 大小:345.80 KB
- 文档页数:16
频率范围为1KHZ~100KHZ的自动跟踪90度相位移相
器
电路的功能
移相电路的种类很多,在低频范围内,可使用由OP放大器和电容、电阻(CR)构成的移相器。
为了移相90度,必须建立W=1/CR的关系,输入频率改变时,相移量也与之成比例地变化。
这种移相器只能在频率固定的条件下使用。
本电路可以自动跟踪输入频率,在一定频率范围内可获得90度的固定相移量。
若用改变量程的办法,可在更大的频率范围内使用。
电路工作原理
OP放大器A1是单纯的缓冲放大器,输入信号电平在1V以下时,A1可将其放大到数伏。
A2是由OP放大器组成的具有固定增益的移相电路,输出幅度与输入频率无关,因为它只改变相位,所以也称作全通滤波器。
要得到90度相们差,必须使RO=1/2πF.C。
本电路采用了伺服电路对RO进行控制。
在进行90度相位检测时,同步检波电路的输出EO=E.COSφ,即与输入信号振荡大小无关,只要φ=90度,输出就等于零。
同步检波电路种类很多,本电路采用了模拟乘法器ICL8013,也可用AD532 等,把移相器A2的输入和输出分别加到X和Y上。
如果输入信号的电平低,检波效率就会降低,应予注意。
积分器A4是伺服电路,加了零输入反馈。
积分输出为负电压,须用PNP晶体管TT1进行功率放大,以增强电流。
设计要点
作为可变电阻元件使用的光电耦合器,中心电阻值根据数据表取RO=10K,。
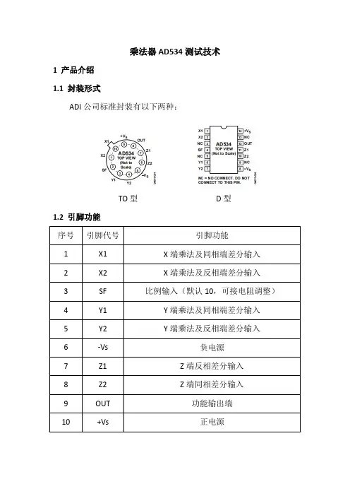
乘法器AD534测试技术1 产品介绍1.1 封装形式ADI公司标准封装有以下两种:TO型D型1.2 引脚功能1.3 功能框图框图中X、Y、Z端共同构成了一个高增益运放,具备运放通用功能;SF为已经设计好的比例系数(SF=10),可通过外接电阻调整为3~10。
1.4 额定参数1.5 功能描述根据产品功能框图,产品输入被三个相同的电压-电流转换器转换为差动电流。
X电流和Y电流的乘积是由一个乘子单元使用吉尔伯特的跨线性技术产生的。
芯片预先设计为10 V的比例因子,显著减少了输入放大器的非线性。
AD534是一个能够提供高达×100的增益的通用乘法器,可以非常便捷地作为高共模变增益差分输入放大器使用。
增益选项在所有模式下都可用,并简化了许多函数拟合算法的实现(例如正余弦、正余切等)。
AD534设计的低噪声相比于原有单片乘法器约低10倍,漂移和馈通也比早期设计大大减小。
产品可以通过外接线路的不同连接实现乘、除、平方、开方四种基础运算功能(复杂运算连接也基于以上四种运算),还可通过外接线路形成压控放大器、正余弦函数发生器、线性AM调制器、百分比计算器、线性函数计算器、差分输入电压变频器、宽带高波峰系数均方根直流转换器等(详细连接可参考外文资料,或联系作者)。
2 电参数及测试2.1 手动功能验证将产品X1,X2端接+10V电压,Y1,Y2端接+5V电压,Z2接地,Z1接OUT端,在正负电源供电后,产品输出端为2.5V直流电平,此时功能验证良好。
2.2 参数机测参数机测采用华峰公司STS8207S进行,测试线路为自制定,可实现所有功能验证及所有参数测试(时间类参数暂不做测试)。
以下对部分电参数做理论测试,详细测试线路可联系作者。
2.2.1 乘法功能①功能验证:参照AD534外文资料直接验证;②乘法总误差(极限误差测试):X设置为10V,Y设置为0V,此时总误差1为=(产品输出-10V)/10V;同理,X设置0V,Y设置10V,计算可得总误差2。
MC1594L四象限模拟乘法器模拟相乘器是一种时变参量电路。
在高频电路中,相乘器是实现频率变换的基本组件,与一般非线性器件相比,相乘器可进一步克服某些无用的组合频率分量,使输出信号频谱得以净化。
在通信系统及高频电子技术中应用最广的乘法器有两种,一种是二极管平衡相乘器,另一种是由双极型或 MOS 器件构成的四象限模拟相乘器。
随着集成电路的发展,这些相乘器还具有工作频带宽、温度稳定性好等优点,广泛用于调制、解调及混频电路中。
四象限模拟乘法器又大致分为两种。
一种是在集成高频电路中经常用到的乘法器,它们大多属于非理想乘法电路,是为了完成某种功能而制成的一种专用集成电路,如电视接收机中的视频信号同步检波电路、相位检波电路以及调频立体声接收机中的立体声解码电路等。
这种乘法电路均采用差动电路结构。
另一种是较为理想的模拟乘法器,属于通用的乘法电路,用户可用这种乘法器按需要设计,完成其功能。
常用的集成化模拟乘法器的产品有 BG314 、MC1494L/MC1594L 、MC1495L/MC1595L 、XR-2208/XR2208M 、AD530 、AD532 、AD533 、A D534 、AD632 、BB4213 、BB421等。
相乘器的基本特性及实现方法:若输入信号分别用v 1 ( t ) 和v 2 ( t ) 表示,输出信号用v o ( t ) 表示,则理想模拟乘法器的传输特性方程可表示为v o ( t )= K v 1 ( t ) v 2 ( t ) (4-18)式中,K 是乘法器的比例系数或增益系数。
该式表明,对一个理想的相乘器,其输出电压的瞬时值v o ( t ) 仅与两个输入电压在同一时刻的瞬时值v 1 ( t ) 和v 2 ( t ) 的乘积成正比,而不包含任何其它分量。
输入电压v 1 ( t ) 和v 2 ( t ) 可以是任意的,即其波形、幅度、极性和频率 ( 包括直流 ) 均不受限制。
1.MC1594L四象限乘法器原理图:用MC1594L模拟乘法器做交流电压乘法器(其原理图):2.各部分电路进行分析:该电路主要分为三个部分:(1)电压调整器:电压调整器就是使输出电压在一定条件下保持稳定当输入电压改变,负载条件变时,输出电压要尽可能保持不变。
应用广泛的单片IC乘法运算电路
电路的功能
模拟乘法运算除作一般的乘法运算外,还有许多用途,如平衡调制解调、同步检波、电压控制衰减器、振荡器等。
本电路图是模拟设备公司的单片IC乘法器AD532的基本接线图。
因为在内部已进行过激光微调,所以可去掉用来调节X、Y输入置偏平衡的电位器,只要调整输出置偏。
电路工作原理
AD532是具有差动输入的4象限倍增器,可进行EO=[(X1-X2)*(Y1-
Y2)]/10的运算。
各输入端输入电压范围为0~+10V,通常使用1/10的比例系数。
IC内部是由称为“吉伯”倍增器电路构成的乘法单元,输出阻抗低,无须外接元件。
IC出厂时其内部已进行过激光微调,因此无须再进行烦锁的调节,本电路中只有输出失调调节V。
电气特性
作为乘法电路使用时的频带为1MHZ/-3DB,当线性要求高时,频率可达100KHZ。
用作VCA时,非线性失真是重要的因素,X输入端和Y输入端失真大小是不一样的,从Y输入信号可获得失真小的VCA输出。
线性度开始变差的频率是20~30KHZ,在100KHZ时失真约1%。
处理交流信号的乘法运算,须注意泄漏,因X输入或Y输入而异,并从数百千赫开始急剧恶化。
输出的置偏漂移为700UV/CLYO,与通用OP放大器相比要大几千倍,所以当用作直流耦合的同步检波时,应尽量使用高信号电平,避免采用放大后输出的办法。
调整。
型号功能简述AD1380JD 16位20us高性能模数转换器(民用级)AD1380KD 16位20us高性能模数转换器(民用级)AD1671JQ 12位 1.25MHz采样速率带宽2MHz模数转换器(民用级)AD1672AP 12位3MHz采样速率带宽20MHz单电源模数转换器(工业级)AD1674JN 12位100KHz采样速率带宽500KHz模数转换器(民用级)AD1674AD 12位100KHz采样速率带宽500KHz模数转换器(工业级)AD202JN 小型2KHz隔离放大器(民用级)卧式AD202JY小型2KHz隔离放大器(民用级)立式AD204JN 小型5KHz隔离放大器(民用级)卧式AD22100KT 带信号调理比率输出型温度传感器AD22105AR 可编程温控开关电阻可编程温度控制器SOICAD261BND-1 数字隔离放大器AD2S99AP 可编程正弦波振荡器(工业级)PLCCAD420AN-32 16位单电源4-20mA输出数模转换器(工业级)DIPAD420AR-32 16位单电源4-20mA输出数模转换器(工业级)SOICAD421BN 16位环路供电符合HART协议4-20mA输出数模转换器(工业级)DIP AD421BR 16位环路供电符合HART协议4-20mA输出数模转换器(工业级)SOIC AD515AJH 低价格,低偏置电流,高输入阻抗运放(民用级) TO-99AD515ALH 低价格,低偏置电流,高输入阻抗运放(民用级) TO-99AD517JH 低失调电压,高性能运放(民用级) TO-99AD518JH 宽带,低价格运放(民用级) TO-99AD521JD 电阻设置增益精密仪表放大器(民用级)DIPAD524AD 引脚设置增益高精度仪表放大器(工业级)DIPAD526BD 软件编程仪表放大器(工业级)DIPAD526JN 软件编程仪表放大器(民用级)DIPAD532JH 模拟乘法器(民用级)TO-99AD534JD 模拟乘法器(民用级)DIPAD534JH 模拟乘法器(民用级)TO-99AD536AJH 集成真有效值直流转换器(民用级)TO-99AD536AJD 集成真有效值直流转换器(民用级)DIPAD536AJQ 集成真有效值直流转换器(民用级)DIPAD537JH 150KHZ集成压频转换器(民用级)TO-99AD537SH 150KHZ集成压频转换器(军用级)TO-99AD538AD 单片实时模拟乘法器(工业级)DIPAD539JN 宽带双通道线性乘法器(民用级)DIPAD542JH 低价格,低偏置电流,高输入阻抗运放(民用级) TO-99AD545ALH 低偏置电流,高输入阻抗运放(民用级) TO-99AD546JN 静电计放大器(民用级)DIPAD547JH 低价格,低偏置电流,高输入阻抗运放(民用级) TO-99AD548JN 精密BiFET输入运放(民用级)DIPAD549JH 低偏置电流,高输入阻抗运放(民用级) TO-99AD549LH 低偏置电流,高输入阻抗运放(民用级) TO-99AD5539JN 高速运放(民用级)DIPAD557JN 微处理器兼容完整7位电压输出数模转换器(民用)DIPAD558JN 微处理器兼容完整8位电压输出数模转换器(民用)DIPAD565AJD 12位0.25us电流输出数模转换器(民用)DIPAD568JQ 12位超高速电流输出数模转换器(民用)DIPAD569JN 16位3us电流输出数模转换器(民用)DIPAD570JD/+ 8位25us模数转换器(民用)DIPAD574AJD 12位25us模数转换器(民用)DIPAD574AKD 12位25us模数转换器(民用)DIPAD578KN 12位3us模数转换器(民用)DIPAD580JH 精密 2.5V电压基准源(民用级)TO-52AD580LH 精密 2.5V电压基准源(民用级)TO-52AD581JH 精密10V电压基准源(民用级)TO-5AD582KD 0.7us采样保持放大器(民用)DIPAD584JH 引脚设置输出电压基准源(民用级)TO-99AD584JN 引脚设置输出电压基准源(民用级)DIPAD585AQ 3us采样保持放大器(工业级)DIPAD586JN 精密5V电压基准源(民用级)DIPAD586JQ 精密5V电压基准源(民用级)DIPAD586KN 精密5V电压基准源(民用级)DIPAD586KQ 精密5V电压基准源(民用级)DIPAD586KR 精密5V电压基准源(民用级)SOICAD587KN 精密10V电压基准源(民用级)DIPAD587KR 精密10V电压基准源(民用级)SOICAD588AQ 精密可编程电压基准源(工业级)DIPAD589JH 精密 1.235V电压基准源(民用级)H-02AAD590JH —55℃~150℃测温范围温度传感器TO-52AD590KH —55℃~150℃测温范围温度传感器TO-52AD592AN 低价格,精密单片温度传感器TO-92AD592BN 低价格,精密单片温度传感器TO-92AD595AD K型(铬-铝)热电偶信号调节器(工业级)DIPAD595AQ K型(铬-铝)热电偶信号调节器(工业级)DIPAD598AD 线性可变位移信号调节器(LVDT)(工业级)DIPAD600XN 低噪声宽带可变增益双运放(民用级)DIPAD602JN 低噪声宽带可变增益双运放(民用级)DIPAD603AQ 低噪声可变增益运放(工业级)DIPAD606JN 50MHz, 80db对数放大器(民用级)DIPAD607ARS 低功耗混频器/AGC/RSSC 3V接收机的IF子系统(工业级)SSOP AD620AN 低功耗仪表放大器(工业级)DIPAD621AN 低功耗仪表放大器(工业级)DIPAD622AN 单电源仪表放大器(工业级)DIPAD623AN 单电源Rail-Rail输出仪表放大器(工业级)DIPAD623AR 单电源Rail-Rail输出仪表放大器(工业级)SOICAD624AD 精密仪表放大器(工业级)DIPAD625JN 可编程增益仪表放大器(民用级)DIPAD625KN 可编程增益仪表放大器(民用级)DIPAD626AN 单电源仪表放大器(工业级)DIPAD627AN 单电源低功耗Rail-Rail输出仪表放大器(工业级)DIPAD629AN 高电压抑制比差分放大器(工业级)DIPAD630JN 平衡跳制解调器(民用级)DIPAD633JN 低价格模拟乘法器(民用级)DIPAD636JH 高精度真有效值直流转换器(民用级)TO-99AD636JD 高精度真有效值直流转换器(民用级)DIPAD637JQ 高精度真有效值直流转换器(民用级)DIPAD648JN 精密,BiFET输入运放(民用级)DIPAD650JN 1MHz,电压频率转换器(民用级)DIPAD650KN 1MHz,电压频率转换器(民用级)DIPAD652AQ 2MHz,同步电压频率转换器(工业级)DIPAD654JR 500KHz,低价格电压频率转换器(民用级)SOICAD654JN 500KHz,低价格电压频率转换器(民用级)DIPAD660AN 16位8us串并行输入数模转换器(工业级)DIPAD6640AST 12位65MSPS模数转换器(工业级) LQFPAD6644AST 14位65MSPS模数转换器(工业级) LQFPAD667JN 12位3us并行输入数模转换器(民用级)DIPAD667KN 12位3us并行输入数模转换器(民用级)DIPAD669AN 16位8us并行输入数模转换器(工业级)DIPAD670JN 单电源,内带仪表放大器电压基准源8位数模转换器(民用级)DIPAD676JD 16位100KSPS采样速率并行输出模数转换器(民用级)DIPAD676JN 16位100KSPS采样速率并行输出模数转换器(民用级)DIPAD676KD 16位100KSPS采样速率并行输出模数转换器(民用级)DIPAD677AR 16位100KSPS采样速率串行输出模数转换器(民用级)SOICAD677JD 16位100KSPS采样速率串行输出模数转换器(民用级)DIPAD677JN 16位100KSPS采样速率串行输出模数转换器(民用级)DIPAD678JD 12位200KSPS采样速率并行输出模数转换器(民用级)DIPAD678KN 12位200KSPS采样速率并行输出模数转换器(民用级)DIPAD679JN 14位128KSPS采样速率并行输出模数转换器(民用级)DIPAD679KN 14位128KSPS采样速率并行输出模数转换器(民用级)DIPAD680JN 精密 2.5V电压基准源(民用级)DIPAD684JQ 1us 四通道采样保持放大器(民用级)DIPAD693AQ 环路供电,4~20mA输出传感器信号变送器(工业级)DIPAD694AQ 0~2V或0~10V输入,4~20mA或0-20mA输出信号变送器(工业级)DIP AD694JN 0~2V或0~10V输入,4~20mA或0-20mA输出信号变送器(民用级)DIP AD698AP 通用线性可变位移信号调节器(LVDT)(工业级)PLCCAD7008AP20 带10位D/A,20MHz主频直接数字同步调制器(工业级)PLCCAD7008JP-50 带10位D/A,50MHz主频直接数字同步调制器(民用级)PLCCAD704JN 精密四运放(民用级)DIPAD705JN 精密运放(民用级)DIPAD706JN 精密双运放(民用级)DIPAD707AQ 精密单运放(工业级)DIPAD707JN 精密单运放(民用级)DIPAD708AQ 双AD707(工业级)DIPAD708JN 双AD707(民用级)DIPAD7111ABN 0.37db对数数模转换器(工业级)DIPAD7111LN 0.37db对数数模转换器(工业级)DIPAD711AQ 精密BiFET输入运放(工业级)DIPAD711JR 精密BiFET输入运放(民用级)SOICAD711JN 精密BiFET输入运放(民用级)DIPAD712AQ 双AD711(工业级)DIPAD712JN 双AD711(民用级)DIPAD713BQ 四AD711(工业级)DIPAD713JN 四AD711(民用级)DIPAD720JP RGB-NTSC/PAL编码器(民用级)PLCCAD7224KN 8位3us转换时间电压输出数模转换器(民用级)DIPAD7226KN 8位4通道3us转换时间电压输出数模转换器(民用级)DIPAD7228ABN 8位8通道5us转换时间电压输出数模转换器(工业级)DIPAD722JR-16 Analog toNTSC/PAL编码器(民用级)SOICAD7237AAN 12位2通道5us转换时间电压输出数模转换器(工业级)DIPAD7237JN 12位2通道5us转换时间电压输出数模转换器(民用级)DIPAD7243AN 12位电压输出型数模转换器(工业级)DIPAD7245AAN 12位10us转换时间电压输出数模转换器(工业级)DIPAD7249BN 12位双路串行输出数模转换器(工业级)DIPAD724JR Analog toNTSC/PAL编码器(民用级)SOICAD734AQ 10MHz带宽四象限模拟乘法器(工业级)DIPAD736JN 通用真有效值直流转换器(民用级)DIPAD737JN 通用真有效值直流转换器(民用级)DIPAD737AQ 通用真有效值直流转换器(工业级)DIPAD7416AR 片内带D/A数字输出温度传感器LM35升级品可8片级联(工业级)SOIC AD741KN 通用运放(民用级)DIPAD743JN 低噪声,BiFET输入运放(民用级)DIPAD744JN 精密,双极性运放(民用级)DIPAD745JN 精密低噪声运放(民用级)DIPAD7501JN 8选1 CMOS多路转换器(民用级)DIPAD75019JP 16×16音频距阵开关(民用级)PLCCAD7502JN 差动4选1 CMOS多路转换器(民用级)DIPAD7502KQ 差动4选1 CMOS多路转换器(民用级)DIPAD7503JN 8选1 CMOS多路转换器(民用级)DIPAD7506JN 16选1 CMOS多路转换器(民用级)DIPAD7507JN 差动8选1 CMOS多路转换器(民用级)DIPAD7510DIJN 四单刀单掷CMOS介质隔离模拟开关9民用级)DIPAD7510DIKN 四单刀单掷CMOS介质隔离模拟开关9民用级)DIPAD7512DIJN 双单刀双掷CMOS介质隔离模拟开关9民用级)DIPAD7512DIKN 双单刀双掷CMOS介质隔离模拟开关9民用级)DIPAD7520LN 10位CMOS数模转换器(民用级)DIPAD7523JN 8位CMOS数模转换器(民用级)DIPAD7524JN 8位CMOS带锁存数模转换器(民用级)DIPAD7528JN 8位180ns电流输出CMOS数模转换器(民用级)DIPAD7528KN 8位180ns电流输出CMOS数模转换器(民用级)DIPAD7533JN 10位600ns电流输出CMOS数模转换器(民用级)DIPAD7535JN 14位 1.5us电流输出CMOS数模转换器(民用级)DIPAD7537JN 12位双路1.5us电流输出CMOS数模转换器(民用级)DIP AD7541AKN 12位600ns电流输出CMOS数模转换器(民用级)DIPAD7542JN 12位250ns电流输出CMOS数模转换器(民用级)DIPAD7543KN 12位串行输入CMOS数模转换器(民用级)DIPAD7545AKN 12位1us电流输出CMOS数模转换器(民用级)DIPAD7564BN 低功耗四路数模转换器(工业级)DIPAD7574JN 8位15us电流输出CMOS数模转换器(民用级)DIPAD7590DIKN 四单刀单掷CMOS带锁存介质隔离模拟开关9民用级)DIP AD7660AST 16位100KSPS CMOS模数转换器(工业级)LQFPAD7664AST 16位570KSPS CMOS模数转换器(工业级)LQFPAD767JN 12位高速电压输出数模转换器(民用级)DIPAD768AR 16位高速电流输出数模转换器(民用级)SOICAD7701AN 16位∑–△模数转换器(工业级)DIPAD7703AN 20位∑–△模数转换器(工业级)DIPAD7703BN 20位∑–△模数转换器(工业级)DIPAD7705BN 16位∑–△模数转换器(工业级)DIPAD7705BR 16位∑–△模数转换器(工业级)SOICAD7706BN 16位∑–△模数转换器(工业级)DIPAD7707BR 16位∑–△模数转换器(工业级)SOICAD7710AN 24位∑–△模数转换器(工业级)DIPAD7711AN 24位∑–△模数转换器(工业级)DIPAD7712AN 24位∑–△模数转换器(工业级)DIPAD7713AN 24位∑–△模数转换器(工业级)DIPAD7714AN-3 24位∑–△模数转换器(工业级)DIP 3V电源AD7714AN-5 24位∑–△模数转换器(工业级)DIP 5V电源AD7715AN-5 16位∑–△模数转换器(工业级)DIP 5V电源AD7715AR-5 16位∑–△模数转换器(工业级)SOIC 5V电源AD7731BN 24位∑–△模数转换器(工业级)DIPAD7741BN 单通道输入6MHz压频转换器(工业级)DIPAD7742BN 四通道输入6MHz压频转换器(工业级)DIPAD7750AN 两通道乘积/频率转换器电度表专用芯片(工业级)DIPAD7755AARS IEC521/1036标准电度表专用芯片(工业级)DIPAD7777AR 10位多路T/H子系统(工业级)SOICAD779JD 14位128KSPS采样速率并行输出模数转换器(民用级)DIPAD780AN 2.5V或3V可选输出高精度电压基准源(工业级)DIPAD781JN 700ns采样保持放大器(民用级)DIPAD7820KN 8位500KSPS采样速率模数转换器(民用级)DIPAD7821KN 8位1MSPS采样速率模数转换器(民用级)DIPAD7822BN 8位2MSPS采样速率模数转换器(工业级)DIPAD7824BQ 8位四通道高速模数转换器(民用级)DIPAD7824KN 8位四通道高速模数转换器(工业级)DIPAD7837AN 12位双路乘法数模转换器(工业级)DIPAD7845JN 12位乘法数模转换器(民用级)DIPAD7846JN 16位电压输出数模转换器(民用级)DIPAD7847AN 12位双路乘法数模转换器(工业级)DIPAD7856AN 14位8通道285KSPS采样速率模数转换器(工业级)DIPAD7862AN-10 12位4通道同时采样250KSPS速率模数转换器带2SHA and 2ADCs(工业级)DIP AD7864AS-1 12位4通道同时采样147KSPS速率模数转换器(工业级)PQFPAD7865AS-1 14位4通道同时采样175KSPS速率模数转换器带2SHA and 2ADCs(工业级)PQFP AD7872AN 14位串行输出模数转换器(工业级)DIPAD7891AP-1 12位四通道同时采样模数转换器(工业级)DIPAD7892AN-1 12位四通道同时采样模数转换器(工业级)SOICAD7895AN-10 12位750KSPS采样速率模数转换器(民用级)DIPAD7874AN 12位750KSPS采样速率模数转换器(民用级)DIPAD7874BR 12位8通道200KSPS速率模数转换器(工业级)SOICAD7886JD 12位单电源八通道串行采样模数转换器(工业级)DIPAD7886KD 12位单电源八通道串并行采样模数转换器(工业级)DIPAD7888AR 12位600KSPS采样模数转换器(工业级)DIPAD7890AN-10 12位单电源200KSPS采样速率模数转换器(工业级)DIPAD790JN 高速精密比较器(民用级)DIPAD795JN 低偏置电流低噪声运放(民用级)DIPAD797AN 低失真低噪声运放(工业级)DIPAD797AR 低失真低噪声运放(工业级)SOICAD73360AR 16位6通道数据采集子系统(三相电量测量IC)(工业级)SOICAD8001AN 800MHz 电流反馈运放(工业级)DIPAD8002AN 800MHz 电流反馈双运放(工业级)DIPAD8009AR 1GHz 4500V/us 电流反馈双运放(工业级)DIPAD8011AN 340MHz 电流反馈运放(工业级)DIPAD8015AR 单电源真空管前置放大器(工业级)SOICAD8018AR 5V Rail-Rail 大电流输出XDSL线性驱动放大器(工业级)SOICAD8031AN 单电源Rail-Rail输入输出运放(工业级)DIPAD8032AN 单电源Rail-Rail输入输出双运放(工业级)DIPAD8036AN 低失真宽带240MHz电压输出运放(工业级)DIPAD8037AN 低失真宽带270MHz电压输出运放(工业级)DIPAD8041AN 120MHz带宽Rail-Rail输出运放(工业级)DIPAD8041AR 120MHz带宽Rail-Rail输出运放(工业级)SOICAD8042AN 120MHz带宽Rail-Rail输出双运放(工业级)DIPAD8044AN 80MHz带宽Rail-Rail输出四运放(工业级)DIPAD8047AN 电压反馈运放(工业级)DIPAD8055AR 电压反馈运放(工业级)SOICAD8056AR 低价格300MHz电压反馈双运放(工业级) SOICAD8058AR 电压反馈双运放(工业级)SOICAD8079AR 双通道260MHz缓冲器(工业级) SOICAD8108AST 8×8视频距阵开关(工业级)LQFPAD8109AST 8×8视频距阵开关(工业级)LQFPAD810AN 带电源休眠控制端的低功耗视频运放(工业级) DIPAD8111AST 16×8视频距阵开关(工业级)LQFPAD8115AST 16×16视频距阵开关(工业级)LQFPAD8116AST 16×16视频距阵开关(工业级)LQFPAD811AN 高性能视频运放(工业级) DIPAD811JR 高性能视频运放(工业级) SOICAD812AN 低功耗电流反馈双运放(工业级) DIPAD812AR 低功耗电流反馈双运放(工业级) SOICAD8131AR 差分输入输出电压反馈放大器(工业级)SOICAD8138AR IF 放大器(工业级)SOICAD813AN 单电源低功耗三视频运放(工业级) DIPAD813AR-14 单电源低功耗三视频运放(工业级) SOICAD815AY大电流输出,差动输入\输出运放(工业级)AD8170AN 2选1视频多路转换器(工业级) DIPAD8174AN 4选1视频多路转换器(工业级) DIPAD817AN 高速低功耗宽电源运放(工业级) DIPAD8180AN 差动2选1视频多路转换器(工业级) DIPAD8184AN 4选1视频多路转换器(工业级) DIPAD818AN 低价格高速电压反馈视频运放(工业级) DIPAD820AN 单电源低功耗FET输入Rail-Rail输出运放(工业级) DIP AD822AN 双AD820(工业级) DIPAD822AN-3V 双AD820(工业级) DIP 3V电源AD823AN 单电源Rail-Rail输出双运放(工业级)DIPAD824AN 单电源Rail-Rail输出四运放(工业级)DIPAD826AN 高速低功耗双运放(工业级) DIPAD827AQ 双AD847 (工业级) DIPAD827JN 双AD847 (民用级) DIPAD828AN 双AD818(工业级) DIPAD829JN 高速低噪声视频运放(工业级) DIPAD8307AN 500MHz对数放大器(工业级)DIPAD8307AR 500MHz对数放大器(工业级)SOICAD8309ARU 500MHz对数放大器(工业级)TSSOPAD830AN 高速视频差动运放(工业级) DIPAD8313ARM 2.5GHz对数放大器(工业级)RM-8AD830AN 高速视频差动运放(工业级) DIPAD8313ARM 2.5GHz对数放大器(工业级)RM-8AD8320ARP 数字可变增益线性驱动器(工业级)RP-20AD834JN 500MHz带宽四象限模拟乘法器(工业级)DIPAD8350AR15 差分输入射频放大器(工业级)SOICAD835AN 250MHz带宽四象限电压输出模拟乘法器(工业级)DIP AD8402AN-10 2通道数字电位器阻值10K(工业级) DIPAD8403AN100 4通道数字电位器阻值100K(工业级) DIPAD840JN 宽带高速运放(民用级) DIPAD843AQ 34MHz带宽高速FET输入运放(工业级) DIPAD844AN 2000V/us高速运放(工业级) DIPAD845JN 16MHz带宽高速FET输入运放(民用级) DIPAD845KN 16MHz带宽高速FET输入运放(民用级) DIPAD847AQ 300V/us高速低功耗运放(工业级) DIPAD847JN 300V/us高速低功耗运放(民用级) DIPAD847SQ 300V/us高速低功耗运放(军用级) DIPAD849JN 高速低功耗运放(民用级) DIPAD8522AN 12 位单电源双路电流输出型数模转换器(工业级)DIP AD8551AR 自稳零运放(工业级)SOICAD8552AR 自稳零双运放(工业级)SOICAD8561AN 单电源比较器(工业级)DIPAD8561AR 单电源比较器(工业级)SOICAD8564AN 单电源TTL/CMOS四路比较器(工业级)DIPAD8598AN 单电源双路比较器(工业级)DIPAD9042AST 12位41MSPS模数转换器(工业级) LQFPAD9048JQ 8位35MSPS视频模数转换器(民用级) DIPAD9049BRS 9位30MSPS模数转换器(工业级) SSOPAD9050BR 10位40MSPS模数转换器(工业级) SOICAD9051BRS 10位60MSPS模数转换器(工业级) SSOPAD9057BRS-40 8位40MSPSz视频模数转换器(工业级) SSOPAD9057BRS-60 8位60MSPS视频模数转换器(工业级) SSOPAD9058JJ 双路8位50MSPS视频模数转换器(民用级) LCCAD9059BRS 双路8位60MSPS视频模数转换器(工业级) SSOPAD9066JR 双路6位60MSPS视频模数转换器(民用级) SSOPAD9071BR 10位TTL兼容100MSPS模数转换器(工业级) SOICAD9101AR 7ns建立时间采样保持放大器(工业级)SOICAD9200ARS 10位20MSPS模数转换器(工业级) SSOPAD9203ARU 10位40MSPS模数转换器(工业级) TSSOPAD9220AR 12位10MSPS模数转换器(工业级) SOICAD9221AR 12位1MSPS模数转换器(工业级) SOICAD9223AR 12位3MSPS模数转换器(工业级) SOICAD9225AR 12位25MSPS模数转换器(工业级) SOICAD9226ARS 12位65MSPS模数转换器(工业级) SSOPAD9240AS 14位10MSPS模数转换器(工业级) MQFPAD9243AS 14位3MSPS模数转换器(工业级) MQFPAD9260AS 16位2.5MSPS∑–△模数转换器(工业级)MQFPAD9280ARS 单电源8位32MSPS模数转换器(工业级)SSOPAD9281ARS 单电源8位双路32MSPS模数转换器(工业级)SSOP AD9283BRS-100 单电源8位100MSPS模数转换器(工业级)SSOP AD9283BRS-80 单电源8位80MSPS模数转换器(工业级)SSOPAD9288BRS-80 单电源8位双路80MSPS模数转换器(工业级)SSOPAD9300KQ 4选1宽带视频多路转换器(民用级) DIPAD9483KS-100 8位100MSPS三视频模数转换器(民用级)MQFPAD9500BQ 数字化可编程延迟信号发生器(工业级) DIPAD9501JN TTL/COMS数字化可编程延迟信号发生器(民用级) DIPAD9617JR 1400V/us,140MHz带宽高速运放(民用级) SOICAD9617JN 1400V/us,140MHz带宽高速运放(民用级) DIPAD9618JN 1800V/us,160MHz带宽高速运放(民用级) DIPAD9630AN 低失真闭环缓冲放大器(工业级) DIPAD9631AN 超低失真宽带电压反馈放大器(工业级) DIPAD96687BQ 高速双电压比较器(工业级) DIPAD9698KN 高速TTL兼容双电压比较器(工业级) DIPAD9708ARU 8位100MSPS 双路数模转换器(工业级)TSSOPAD9709AST 8位125MSPS 双路数模转换器(工业级)PQFPAD9713BAN 12位80MSPS TTL兼容数模转换器(工业级) DIPAD9721BR 10位400MSPS TTL兼容数模转换器(工业级) SOICAD9731BR 10位170MSPS 双电源数模转换器(工业级) SOICAD9732BRS 10位200MSPS 单电源数模转换器(工业级) SSOPAD9750AR 10位125MSPS 数模转换器(工业级)SOICAD9752AR 12位125MSPS 数模转换器(工业级)SOICAD9760AR 10位100MSPS 数模转换器(工业级)SOICAD9762AR 12位100MSPS 数模转换器(工业级)SOICAD9764AR 14位100MSPS 数模转换器(工业级)SOICAD976CN 16位100KSPS BiCMOS并行输出模数转换器(工业级)DIPAD976AN 16位100KSPS BiCMOS并行输出模数转换器(工业级)DIPAD976AAN 16位200KSPS BiCMOS并行输出模数转换器(工业级)DIPAD9772AST 14位300MSPS 数模转换器(工业级)LQFPAD977AAN 16位200KSPS BiCMOS串行输出数模转换器(工业级)DIPAD977AN 16位100KSPS BiCMOS串行输出数模转换器(工业级)DIPAD9801JCST 10位6MSPS CCD信号处理器(民用级)LQFPAD9802JST 10位6MSPS CCD信号处理器(民用级)LQFPAD9803JST 10位6MSPS CCD信号处理器(民用级)LQFPAD9805JS 10位3通道6MSPS CCD信号处理器(民用级)MQFPAD9816JS 12位3通道6MSPS CCD信号处理器(民用级)MQFPAD9822JR 14位3通道12MSPS CCD信号处理器(民用级)SOICAD9830AST 带10位D/A,25MHz主频直接数字同步调制器(工业级)PQFPAD9831AST 带10位D/A,50MHz主频直接数字同步调制器(工业级)PQFPAD9832BRU 带10位D/A,25MHz主频直接数字同步调制器(工业级)TSSOPAD9850BRS 带10位D/A,125MHz主频直接数字同步调制器(工业级)SSOPAD9851BRS 带10位D/A,180MHz主频直接数字同步调制器(工业级)SSOPAD9852AST 带12位D/A,200MHz主频直接数字同步调制器(工业级)LQFP-80AD9852ASQ 带散热器带12位D/A,300MHz主频直接数字同步调制器(工业级)LQFP-80 AD9853AS 数字QPSK/16 QAM 调整器(工业级)PQFPAD9854AST 带12位D/A,200MHz主频直接数字同步调制器(工业级)LQFP-80AD9854ASQ 带散热器带12位D/A,300MHz主频直接数字同步调制器(工业级)LQFP-80AD9901KQ 线性相位探测器/频率鉴别器(民用级)DIPADG201AKN 四单刀单掷模拟开关(民用级)DIPADG201HSJN 四单刀单掷模拟开关(民用级)DIPADG211AKN 四单刀单掷模拟开关(民用级)DIPADG222AKN 四单刀单掷模拟开关(民用级)DIPADG333ABN 四单刀单掷模拟开关(工业级)DIPADG333ABR 四单刀单掷模拟开关(工业级)SOICADG408BN 8选1CMOS模拟多路转换器(工业级)DIPADG409BN 差动4选1CMOS模拟多路转换器(工业级)DIPADG411BN 四单刀单掷模拟开关(工业级)DIPADG417BN 单刀单掷模拟开关(工业级)DIPADG419BN 单刀单掷模拟开关(工业级)DIPADG431BN 四单刀单掷模拟开关(工业级)DIPADG436BN 双单刀单掷模拟开关(工业级)DIPADG441BN 四单刀单掷模拟开关(工业级)DIPADG442BN 四单刀单掷模拟开关(工业级)DIPADG506AKN 16选1CMOS模拟多路转换器(民用级)DIPADG507AKN 差动8选1CMOS模拟多路转换器(民用级)DIPADG508AKN 8选1CMOS模拟多路转换器(民用级)DIPADG508FBN 8选1CMOS带过压保护模拟多路转换器(工业级)DIPADG509AKN 差动4选1CMOS模拟多路转换器(民用级)DIPADG511BN 单电源四单刀单掷模拟开关(工业级)DIPADG608BN 8选1CMOS模拟多路转换器(工业级)DIPADG609BN 差动4选1CMOS模拟多路转换器(工业级)DIPADG719BRM 单路视频CMOS模拟开关(工业级)RM-6ADG736BRM 双路视频CMOS模拟开关(工业级)RM-10ADM660AN DC-DC转换器(工业级)DIPADM690AN 微处理器监控电路(工业级)DIPADM708AN 微处理器监控电路(工业级)DIPADSP21060KS160 32位浮点数字信号处理器内存4M(民用级)PQFPADSP21060CZ-160 32位浮点数字信号处理器内存4M(工业级)PQFPADSP21062KS-160 32位浮点数字信号处理器内存2M(民用级)PQFPADSP2181KS-133 16位定点数字信号处理器(民用级)PQFP-128ADSP2181KST-133 16位定点数字信号处理器(民用级)TQFP-128ADUC812BS 带单片机、8路12位A/D、2路D/A的数采系统(工业级)PQFP ADVF32KN 500KHz工业标准压频转换器(民用级)DIPADXL105JQC ±1g-±5g带温度补偿加速度传感器(民用级)QC-14ADXL202AQC ±2g双路加速度传感器(工业级)QC-14AMP02FP 高精度仪表放大器(工业级)DIPAMP04FP 单电源精密仪表放大器(工业级)DIPDAC08CP 8位高速电流输出型数模转换器(民用级)DIPDAC8228FP 8位双路电压输出型数模转换器(工业级)DIPOP07AZ/883C 超低失调电压运放(军用级)DIPOP07CP 超低失调电压运放(工业级)DIPOP07CS 超低失调电压运放(工业级)SOICOP176GP 低失真低噪声运放(工业级)DIPOP177GP 高精密运放(工业级)DIPOP27GP 低噪声精密运放(工业级)DIPOP291GP 单电源Rail-Rail输入输出双运放(工业级)DIPOP295GP 单电源Rail-Rail输入输出双运放(工业级)DIPOP296GP 微功耗Rail-Rail输入输出双运放(工业级)DIPOP297GP 超低偏置电流精密双运放(工业级)DIPOP297GS 超低偏置电流精密双运放(工业级)SOICOP37EP 低噪声精密运放(民用级)DIPOP37GP 低噪声精密运放(工业级)DIPOP495GP 单电源Rail-Rail输入输出四运放(工业级)DIPOP497GP 超低偏置电流精密四运放(工业级)DIPOP77GP OP07改进型(工业级)DIPOP90GP 低电压微功耗精密运放(工业级)DIPOP97FP 微功耗精密运放(工业级)DIPOP97FS 微功耗精密运放(工业级)SOICPKD01FP 峰值检测器(工业级)DIPREF02CP 精密5V电压基准源带温度传感器(工业级)DIPREF03GP 精密低价格2.5V电压基准源(工业级)DIPREF192GP 低功耗大电流输出2.5V电压基准源(工业级)DIPREF192GS 低功耗大电流输出2.5V电压基准源(工业级)SOICREF194GP 低功耗大电流输出4.5V电压基准源(工业级)DIPREF195GS 低功耗大电流输出5V电压基准源(工业级)SOICREF43FZ 高精度2.5V电压基准源(工业级)DIPSMP04EP 7us四通道采样保持放大器(工业级)DIPSMP08FP 7us八通道采样保持放大器(工业级)DIPSSM2141P 差动线路接收器Gain="0dB"(工业级)DIPSSM2142P 平衡线路驱动器(工业级)DIPSSM2143P 差动线路接收器Gain="-6dB"(工业级)DIPSSM2211P 1W功率差分输出音频功率放大器(工业级)DIPSSM2275P Rail-Rail输出双音频功率放大器(工业级)DIPTMP03FS PWM输出,直接与微处理器接口数字输出温度传感器SOIC TMP04FS 反相PWM输出,直接与微处理器接口数字输出温度传感器SOIC TMP36GT9 电压输出温度传感器TO-92MAX038CPP 波形发生器MAX1044CPA 60KHz振荡器自举模式DC-DC 电荷泵转换器MAX110ACPE 低价格双路14位串形模数转换器MAX110BCPE 低价格双路14位串形模数转换器MAX111BCPE 低价格14位串形模数转换器MAX122BCNG 高速带采保和基准的12位模数转换器MAX1232CPA微处理器监控电路MAX1242BCSA 10位带2.5V基准的串形模数转换器MAX125CEAX 14位2×4通道4路同时采集并行模数转换器MAX134CPL 积分型A/D转换器,+5V,3-3/4位MAX135CPI 低功率A/D转换器MAX139CPL 积分型A/D转换器MAX140CPL 积分型A/D转换器MAX1480BCPI 完全隔离半双RS-485接口MAX1480BEPI 完全隔离半双RS-485接口MAX1483CPA RS-485/RS-442接口,256个节点MAX1487CPA RS-485/RS-442接口,128个节点MAX1487ECPA RS-485/RS-442接口,+15KV保护MAX1488ECPD RS-232接口,+15KV保护MAX1489ECPD RS-232接口,+15KV保护MAX148BCPP 低功耗8路10位A/DMAX1490BCPG 完全隔离全双IKS-485接口MAX158BCPI 高速8路8位A/DMAX1771CPA开关型DC-DC变换器MAX1771CSA开关型DC-DC变换器MAX180CCPL 8路12位A/DMAX186CCPP 串行接口A/D,带采保,电压基准,12位,采样速率133KHZ MAX187BCPA串行A/D,12位,采样速率75KHZMAX189CCPA低功耗,12位单通道,串行带采保和电压基准A/DMAX191BCNG 低功耗,12位单通道,带采保和电压基准A/DMAX192BCPP 串行A/D,10位采样速率133MMAX197BCNI 12位,八通道故障保护,带采保并行A/DMAX202CPE RS-232接口,+5VMAX202CSE RS-232接口MAX202ECPE +15KV静电保护RS-232接口MAX202EESE +15KV静电保护,工业级RS-232接口MAX202EPE 工业级RS-232接口MAX207CNG RS-232接口MAX208CNG RS-232接口MAX232CPE RS-232接口,+5VMAX232CSE RS-232接口MAX232EPE 工业级RS-232接口MAX235CPG RS-232接口5组收发器MAX238CNG RS-232接口MAX238ENG RS-232接口MAX260BCHG 双路,开关电容型4阶滤波器MAX260BENG 双路,开关电容型4阶滤波器MAX261BCNG 双路,开关电容型4阶滤波器MAX280CPA单路,开关电容型5阶滤波器MAX291CPA有源滤波器,时钟可编程MAX292CPA有源滤波器,时钟可编程MAX293CPA有源滤波器,时钟可编程MAX294CPA有源滤波器,时钟可编程MAX297CPA有源滤波器,时钟可编程MAX301CPE 模拟开关MAX305EPE 模拟开关MAX306CPI 模拟多路转换器MAX3080CPD 失效保护RS-485/RS-232 MAX3082CPA失效保护RS-485/RS-232 MAX308CPE 模拟多路转换器MAX309CPE 模拟多路转换器MAX3100CPD 通用异步收发信机(UART)MAX312CPE 模拟开关MAX313CPE 模拟开关MAX318CPA模拟开关MAX319CPA模拟开关MAX3218CPP RS-232接口MAX3223CPP RS-232接口MAX3232CPE RS-232接口MAX325CPA模拟开关MAX333CPP 模拟开关MAX338CPE 模拟多路转换器MAX339CPE 模拟多路转换器MAX351CPE 模拟开关MAX354CPE 模拟多路转换器MAX354CWE 模拟多路转换器MAX354EPE 模拟多路转换器(工业级)MAX355CPE 模拟多路转换器MAX355CWE 模拟多路转换器MAX366CPA模拟多路转换器MAX367CPN 模拟多路转换器MAX384CPN 模拟多路转换器MAX391CPE 模拟多路转换器MAX400CPA运算放大器MAX4016ESA视频放大器MAX4100ESA视频放大器MAX4101ESA视频放大器MAX4106ESA视频放大器MAX4107ESA视频放大器MAX4142ESD 视频放大器MAX4146ESD 视频放大器MAX419CPD 运算放大器MAX420CPA运算放大器MAX427CPA运算放大器MAX435CPD 运算放大器MAX436CPD 运算放大器MAX440CPI 视频多路转换器/放大器MAX441CPP 视频多路转换器/放大器MAX442CPA视频多路转换器/放大器MAX4456CPL 视频矩阵开关MAX453EPA视频多路转换器/放大器MAX457EPA视频放大器MAX458CPL 视频矩阵开关MAX468CPE 视频缓冲器MAX470CPE 视频缓冲器MAX479CPD 运算放大器MAX480EPA运算放大器MAX483CPA RS-485/RS-422接口MAX485CPA RS-485/RS-422接口MAX487CPA RS-485/RS-422接口MAX487ECPA RS-485/RS-422接口MAX487EEPA RS-485/RS-422接口MAX488CPA RS-485/RS-422接口MAX490ECPA RS-485/RS-422接口MAX491CPD RS-485/RS-422接口MAX491ECPD RS-485/RS-422接口MAX501AENG D/A转换器MAX504CPD 串行,低功耗D/A转换MAX505BCNG 四路8位D/A转换MAX506CPP D/A转换MAX509BCPE D/A转换MAX512CPD 8位低功耗D/AMAX515CPA电压输出串型10位D/AMAX517BCPA D/A转换二线接口MAX518BCPA双路517MAX526DCNG 四路12位D/A转换MAX527DCNG ±5V四路12位D/A转换MAX528CPP 八路8位D/A转换MAX530BCNG 低功耗D/A转换MAX531BCPD 串行接口,低功耗D/A转换,多种电压输出MAX532BCPE D/A转换,12位MAX536BCWE 四路串型电压输出12位D/AMAX538BCPA D/A转换MAX543ACPA D/A转换MAX551ACPA 12位D/A转换器MAX603CPA低压差线性稳压器MAX619CPA DC-DC电荷泵变换器MAX6225ACPA基准电压源MAX6225AESA基准电压源MAX6225BCPA基准电压源MAX6225BCSA基准电压源MAX622CPA DC-DC电荷泵变换器MAX6250BCPA基准电压源MAX633ACPA DC-DC变换器MAX638AEPA DC-DC变换器MAX639CPA DC-DC变换器MAX660CPA DC-DC电荷泵变换器,振荡频率10KHZ可选择MAX662ACPA DC-DC变换器,外围仅需3个小电容MAX667CPA低压差线性稳压器MAX691ACPE MP监控电路MAX691CPE MP监控电路MAX705CPA MP监控电路MAX706CPA MP监控电路MAX708CPA MP监控电路MAX708CSA-T MP监控电路MAX709LEPA监控电路MAX712CPE 电池充电器电路MAX712EPE 电池充电器电路MAX713CPE 电池充电器电路MAX7219CNG LED显示驱动电路MAX7219ENG LED显示驱动电路MAX724CCK 降压型DC-DC变换器MAX726CCK 降压型DC-DC变换器MAX729CCK 降压型DC-DC变换器MAX730ACPA降压型DC-DC变换器,单频开关噪音MAX733CPA升压型DC-DC变换器MAX735CPA反向输出DC-DC变换器MAX736CPD 反向输出DC-DC变换器MAX738ACPA降压型DC-DC变换器,单频开关噪音MAX738AEPA降压型DC-DC变换器,单频开关噪音MAX739CPD 反向输出DC-DC变换器MAX739CWE 反向输出DC-DC变换器MAX7400CPA有源滤波器MAX743CPE 双电压输出DC-DCMAX743EPE 双电压输出DC-DCMAX749CPA反向输出DC-DC变换器,数字调节LCD用负荷电流MAX750ACPA降压型DC-DC变换器,单频开关噪音MAX756CPA升压型DC-DC变换器MAX761CPA升压型DC-DC变换器MAX764CPA反向输出DC-DC变换器MAX765CPA反向输出DC-DC变换器MAX766EPA反向输出DC-DC变换器MAX787CCK 降压型DC-DC变换器MAX791CPE DC-DC变换器MAX807LCPE MP监控电路。
图1:基础模拟乘法器与乘法器象限的定义从数学角度来看,乘法是一种“四象限”运算——换言之,两个输入可能为正,也可能为负,输出亦是如此。
然而,用于生产电子乘法器的某些电路仅支持单极性信号。
如果两个信号都必须是单极性的,结果形成一个“单象限”乘法器,输出同样也会是单极性的。
如果其中一个信号为单极性,而其他信号可能为正或负,则乘法器就是一个“二象限”输出可能为两个极性之一(因而为“双极性”)。
用于产生一象限或二象限乘法器的电路可能比四象限乘法器所需电路要简单,由于许多应用并不需要全四象限乘法,因此,常用的是仅支持一象限或二象限的精密器件。
一个示例是AD539,这是一款宽带双通道二象限乘法器,具有一个单极性Vy 输入,其相对受限带宽为5 MHz,还有两个双极性Vx输入,每个乘法器各一个,带宽为60 MHz。
图2显示的是AD539的框图。
图2:AD539模拟乘法器框图最简单的电子乘法器采用对数放大器。
计算依赖于以下事实:两个数的对数之和的反对数为这两些数字之积(如图3所示)。
图3:利用对数放大器实现乘法运算图4:基础跨导乘法器这是一种性能很差的乘法器,因为(1) Y 输入被随V Y 非线性变化的V BE 抵消;之间存在指数关系,因而X 输入呈现非线性;(3) 比例因子随温度而变化。
图5:基础跨导乘法器如此,吉尔伯特单元有三个不便之处:(1) 其X输入为差分电流;(2) 其输出为差分电流;输入为单极性电流——因此吉尔伯特单元只是一个二象限乘法器。
通过交叉耦合两个这样的单元并使用两个电压-电流转换器(如图6所示),我们可以把基础架构转换成一种带电压输入的四象限器件,如AD534。
在中低频率下,可以用一个减法器放大器把输出端的差分电流转换成电压。
鉴于其电压输出架构,AD534的带宽仅为1 MHz 左右,而后续版本AD734的带宽则为10 MHz。
图6:AD534:一款四象限跨导线性乘法器Q1A和Q1B以及Q2A和Q2B形成两个吉尔伯特单元的两对核心长尾对,而Q3A 则为两个单元的线性化晶体管。
1 AD1380JD 16位20us高性能模数转换器(民用级)2 AD1380KD 16位20us高性能模数转换器(民用级)3 AD1671JQ 12位1.25MHz采样速率带宽2MHz模数转换器(民用级)4 AD1672AP 12位3MHz采样速率带宽20MHz单电源模数转换器(工业级)5 AD1674JN 12位100KHz采样速率带宽500KHz模数转换器(民用级)6 AD1674AD 12位100KHz采样速率带宽500KHz模数转换器(工业级)7 AD202JN 小型2KHz隔离放大器(民用级)卧式8 AD202JY 小型2KHz隔离放大器(民用级)立式9 AD204JN 小型5KHz隔离放大器(民用级)卧式10 AD22100KT 带信号调理比率输出型温度传感器11 AD22105AR 可编程温控开关电阻可编程温度控制器SOIC12 AD261BND-1 数字隔离放大器13 AD2S99AP 可编程正弦波振荡器(工业级)PLCC14 AD420AN-32 16位单电源4-20mA输出数模转换器(工业级)DIP15 AD420AR-32 16位单电源4-20mA输出数模转换器(工业级)SOIC16 AD421BN 16位环路供电符合HART协议4-20mA输出数模转换器(工业级)DIP17 AD421BR 16位环路供电符合HART协议4-20mA输出数模转换器(工业级)SOIC18 AD515AJH 低价格,低偏置电流,高输入阻抗运放(民用级) TO-9919 AD515ALH 低价格,低偏置电流,高输入阻抗运放(民用级) TO-9920 AD517JH 低失调电压,高性能运放(民用级) TO-9921 AD518JH 宽带,低价格运放(民用级) TO-9922 AD521JD 电阻设置增益精密仪表放大器(民用级)DIP23 AD524AD 引脚设置增益高精度仪表放大器(工业级)DIP24 AD526BD 软件编程仪表放大器(工业级)DIP25 AD526JN 软件编程仪表放大器(民用级)DIP26 AD532JH 模拟乘法器(民用级)TO-9927 AD534JD 模拟乘法器(民用级)DIP28 AD534JH 模拟乘法器(民用级)TO-9929 AD536AJH 集成真有效值直流转换器(民用级)TO-9930 AD536AJD 集成真有效值直流转换器(民用级)DIP31 AD536AJQ 集成真有效值直流转换器(民用级)DIP32 AD537JH 150KHZ集成压频转换器(民用级)TO-9933 AD537SH 150KHZ集成压频转换器(军用级)TO-9934 AD538AD 单片实时模拟乘法器(工业级)DIP35 AD539JN 宽带双通道线性乘法器(民用级)DIP36 AD542JH 低价格,低偏置电流,高输入阻抗运放(民用级) TO-9937 AD545ALH 低偏置电流,高输入阻抗运放(民用级) TO-9938 AD546JN 静电计放大器(民用级)DIP39 AD547JH 低价格,低偏置电流,高输入阻抗运放(民用级) TO-9940 AD548JN 精密BiFET输入运放(民用级)DIP41 AD549JH 低偏置电流,高输入阻抗运放(民用级) TO-9942 AD549LH 低偏置电流,高输入阻抗运放(民用级) TO-9943 AD5539JN 高速运放(民用级)DIP44 AD557JN 微处理器兼容完整7位电压输出数模转换器(民用)DIP45 AD558JN 微处理器兼容完整8位电压输出数模转换器(民用)DIP46 AD565AJD 12位0.25us电流输出数模转换器(民用)DIP47 AD568JQ 12位超高速电流输出数模转换器(民用)DIP48 AD569JN 16位3us电流输出数模转换器(民用)DIP49 AD570JD/+ 8位25us模数转换器(民用)DIP50 AD574AJD 12位25us模数转换器(民用)DIP51 AD574AKD 12位25us模数转换器(民用)DIP52 AD578KN 12位3us模数转换器(民用)DIP53 AD580JH 精密2.5V电压基准源(民用级)TO-5254 AD580LH 精密2.5V电压基准源(民用级)TO-5255 AD581JH 精密10V电压基准源(民用级)TO-556 AD582KD 0.7us采样保持放大器(民用)DIP57 AD584JH 引脚设置输出电压基准源(民用级)TO-9958 AD584JN 引脚设置输出电压基准源(民用级)DIP59 AD585AQ 3us采样保持放大器(工业级)DIP60 AD586JN 精密5V电压基准源(民用级)DIP61 AD586JQ 精密5V电压基准源(民用级)DIP62 AD586KN 精密5V电压基准源(民用级)DIP63 AD586KQ 精密5V电压基准源(民用级)DIP64 AD586KR 精密5V电压基准源(民用级)SOIC65 AD587KN 精密10V电压基准源(民用级)DIP66 AD587KR 精密10V电压基准源(民用级)SOIC67 AD588AQ 精密可编程电压基准源(工业级)DIP68 AD589JH 精密1.235V电压基准源(民用级)H-02A69 AD590JH —55℃~150℃测温范围温度传感器TO-5270 AD590KH —55℃~150℃测温范围温度传感器TO-5271 AD592AN 低价格,精密单片温度传感器TO-9272 AD592BN 低价格,精密单片温度传感器TO-9273 AD595AD K型(铬-铝)热电偶信号调节器(工业级)DIP74 AD595AQ K型(铬-铝)热电偶信号调节器(工业级)DIP75 AD598AD 线性可变位移信号调节器(LVDT)(工业级)DIP76 AD600XN 低噪声宽带可变增益双运放(民用级)DIP77 AD602JN 低噪声宽带可变增益双运放(民用级)DIP78 AD603AQ 低噪声可变增益运放(工业级)DIP79 AD606JN 50MHz, 80db对数放大器(民用级)DIP80 AD607ARS 低功耗混频器/AGC/RSSC 3V接收机的IF子系统(工业级)SSOP81 AD620AN 低功耗仪表放大器(工业级)DIP82 AD621AN 低功耗仪表放大器(工业级)DIP83 AD622AN 单电源仪表放大器(工业级)DIP84 AD623AN 单电源Rail-Rail输出仪表放大器(工业级)DIP85 AD623AR 单电源Rail-Rail输出仪表放大器(工业级)SOIC86 AD624AD 精密仪表放大器(工业级)DIP87 AD625JN 可编程增益仪表放大器(民用级)DIP88 AD625KN 可编程增益仪表放大器(民用级)DIP89 AD626AN 单电源仪表放大器(工业级)DIP90 AD627AN 单电源低功耗Rail-Rail输出仪表放大器(工业级)DIP91 AD629AN 高电压抑制比差分放大器(工业级)DIP92 AD630JN 平衡跳制解调器(民用级)DIP93 AD633JN 低价格模拟乘法器(民用级)DIP94 AD636JH 高精度真有效值直流转换器(民用级)TO-9995 AD636JD 高精度真有效值直流转换器(民用级)DIP96 AD637JQ 高精度真有效值直流转换器(民用级)DIP97 AD648JN 精密,BiFET输入运放(民用级)DIP98 AD650JN 1MHz,电压频率转换器(民用级)DIP99 AD650KN 1MHz,电压频率转换器(民用级)DIP100 AD652AQ 2MHz,同步电压频率转换器(工业级)DIP101 AD654JR 500KHz,低价格电压频率转换器(民用级)SOIC102 AD654JN 500KHz,低价格电压频率转换器(民用级)DIP103 AD660AN 16位8us串并行输入数模转换器(工业级)DIP104 AD6640AST 12位65MSPS模数转换器(工业级) LQFP105 AD6644AST 14位65MSPS模数转换器(工业级) LQFP106 AD667JN 12位3us并行输入数模转换器(民用级)DIP107 AD667KN 12位3us并行输入数模转换器(民用级)DIP108 AD669AN 16位8us并行输入数模转换器(工业级)DIP109 AD670JN 单电源,内带仪表放大器电压基准源8位数模转换器(民用级)DIP110 AD676JD 16位100KSPS采样速率并行输出模数转换器(民用级)DIP111 AD676JN 16位100KSPS采样速率并行输出模数转换器(民用级)DIP112 AD676KD 16位100KSPS采样速率并行输出模数转换器(民用级)DIP113 AD677AR 16位100KSPS采样速率串行输出模数转换器(民用级)SOIC114 AD677JD 16位100KSPS采样速率串行输出模数转换器(民用级)DIP115 AD677JN 16位100KSPS采样速率串行输出模数转换器(民用级)DIP116 AD678JD 12位200KSPS采样速率并行输出模数转换器(民用级)DIP117 AD678KN 12位200KSPS采样速率并行输出模数转换器(民用级)DIP118 AD679JN 14位128KSPS采样速率并行输出模数转换器(民用级)DIP119 AD679KN 14位128KSPS采样速率并行输出模数转换器(民用级)DIP120 AD680JN 精密2.5V电压基准源(民用级)DIP121 AD684JQ 1us 四通道采样保持放大器(民用级)DIP122 AD693AQ 环路供电,4~20mA输出传感器信号变送器(工业级)DIP123 AD694AQ 0~2V或0~10V输入,4~20mA或0-20mA输出信号变送器(工业级)DIP 124 AD694JN 0~2V或0~10V输入,4~20mA或0-20mA输出信号变送器(民用级)DIP 125 AD698AP 通用线性可变位移信号调节器(LVDT)(工业级)PLCC126 AD7008AP20 带10位D/A,20MHz主频直接数字同步调制器(工业级)PLCC127 AD7008JP-50 带10位D/A,50MHz主频直接数字同步调制器(民用级)PLCC128 AD704JN 精密四运放(民用级)DIP129 AD705JN 精密运放(民用级)DIP130 AD706JN 精密双运放(民用级)DIP131 AD707AQ 精密单运放(工业级)DIP132 AD707JN 精密单运放(民用级)DIP133 AD708AQ 双AD707(工业级)DIP134 AD708JN 双AD707(民用级)DIP135 AD7111ABN 0.37db对数数模转换器(工业级)DIP136 AD7111LN 0.37db对数数模转换器(工业级)DIP137 AD711AQ 精密BiFET输入运放(工业级)DIP138 AD711JR 精密BiFET输入运放(民用级)SOIC139 AD711JN 精密BiFET输入运放(民用级)DIP140 AD712AQ 双AD711(工业级)DIP141 AD712JN 双AD711(民用级)DIP142 AD713BQ 四AD711(工业级)DIP143 AD713JN 四AD711(民用级)DIP144 AD720JP RGB-NTSC/PAL编码器(民用级)PLCC145 AD7224KN 8位3us转换时间电压输出数模转换器(民用级)DIP146 AD7226KN 8位4通道3us转换时间电压输出数模转换器(民用级)DIP147 AD7228ABN 8位8通道5us转换时间电压输出数模转换器(工业级)DIP148 AD722JR-16 Analog toNTSC/PAL编码器(民用级)SOIC149 AD7237AAN 12位2通道5us转换时间电压输出数模转换器(工业级)DIP150 AD7237JN 12位2通道5us转换时间电压输出数模转换器(民用级)DIP151 AD7243AN 12位电压输出型数模转换器(工业级)DIP152 AD7245AAN 12位10us转换时间电压输出数模转换器(工业级)DIP153 AD7249BN 12位双路串行输出数模转换器(工业级)DIP154 AD724JR Analog toNTSC/PAL编码器(民用级)SOIC155 AD734AQ 10MHz带宽四象限模拟乘法器(工业级)DIP156 AD736JN 通用真有效值直流转换器(民用级)DIP157 AD737JN 通用真有效值直流转换器(民用级)DIP158 AD737AQ 通用真有效值直流转换器(工业级)DIP159 AD7416AR 片内带D/A 数字输出温度传感器LM35升级品可8片级联(工业级)SOIC 160 AD741KN 通用运放(民用级)DIP161 AD743JN 低噪声,BiFET输入运放(民用级)DIP162 AD744JN 精密,双极性运放(民用级)DIP163 AD745JN 精密低噪声运放(民用级)DIP164 AD7501JN 8选1 CMOS多路转换器(民用级)DIP165 AD75019JP 16×16音频距阵开关(民用级)PLCC166 AD7502JN 差动4选1 CMOS多路转换器(民用级)DIP167 AD7502KQ 差动4选1 CMOS多路转换器(民用级)DIP168 AD7503JN 8选1 CMOS多路转换器(民用级)DIP169 AD7506JN 16选1 CMOS多路转换器(民用级)DIP170 AD7507JN 差动8选1 CMOS多路转换器(民用级)DIP171 AD7510DIJN 四单刀单掷CMOS介质隔离模拟开关9民用级)DIP172 AD7510DIKN 四单刀单掷CMOS介质隔离模拟开关9民用级)DIP173 AD7512DIJN 双单刀双掷CMOS介质隔离模拟开关9民用级)DIP174 AD7512DIKN 双单刀双掷CMOS介质隔离模拟开关9民用级)DIP175 AD7520LN 10位CMOS数模转换器(民用级)DIP176 AD7523JN 8位CMOS数模转换器(民用级)DIP177 AD7524JN 8位CMOS带锁存数模转换器(民用级)DIP178 AD7528JN 8位180ns电流输出CMOS数模转换器(民用级)DIP179 AD7528KN 8位180ns电流输出CMOS数模转换器(民用级)DIP180 AD7533JN 10位600ns电流输出CMOS数模转换器(民用级)DIP181 AD7535JN 14位1.5us电流输出CMOS数模转换器(民用级)DIP182 AD7537JN 12位双路1.5us电流输出CMOS数模转换器(民用级)DIP 183 AD7541AKN 12位600ns电流输出CMOS数模转换器(民用级)DIP 184 AD7542JN 12位250ns电流输出CMOS数模转换器(民用级)DIP185 AD7543KN 12位串行输入CMOS数模转换器(民用级)DIP186 AD7545AKN 12位1us电流输出CMOS数模转换器(民用级)DIP187 AD7564BN 低功耗四路数模转换器(工业级)DIP188 AD7574JN 8位15us电流输出CMOS数模转换器(民用级)DIP189 AD7590DIKN 四单刀单掷CMOS带锁存介质隔离模拟开关9民用级)DIP 190 AD7660AST 16位100KSPS CMOS模数转换器(工业级)LQFP191 AD7664AST 16位570KSPS CMOS模数转换器(工业级)LQFP192 AD767JN 12位高速电压输出数模转换器(民用级)DIP193 AD768AR 16位高速电流输出数模转换器(民用级)SOIC194 AD7701AN 16位∑–△模数转换器(工业级)DIP195 AD7703AN 20位∑–△模数转换器(工业级)DIP196 AD7703BN 20位∑–△模数转换器(工业级)DIP197 AD7705BN 16位∑–△模数转换器(工业级)DIP198 AD7705BR 16位∑–△模数转换器(工业级)SOIC199 AD7706BN 16位∑–△模数转换器(工业级)DIP200 AD7707BR 16位∑–△模数转换器(工业级)SOIC201 AD7710AN 24位∑–△模数转换器(工业级)DIP202 AD7711AN 24位∑–△模数转换器(工业级)DIP203 AD7712AN 24位∑–△模数转换器(工业级)DIP204 AD7713AN 24位∑–△模数转换器(工业级)DIP205 AD7714AN-3 24位∑–△模数转换器(工业级)DIP 3V电源206 AD7714AN-5 24位∑–△模数转换器(工业级)DIP 5V电源207 AD7715AN-5 16位∑–△模数转换器(工业级)DIP 5V电源208 AD7715AR-5 16位∑–△模数转换器(工业级)SOIC 5V电源209 AD7731BN 24位∑–△模数转换器(工业级)DIP210 AD7741BN 单通道输入6MHz压频转换器(工业级)DIP211 AD7742BN 四通道输入6MHz压频转换器(工业级)DIP212 AD7750AN 两通道乘积/频率转换器电度表专用芯片(工业级)DIP213 AD7755AARS IEC521/1036标准电度表专用芯片(工业级)DIP214 AD7777AR 10位多路T/H子系统(工业级)SOIC215 AD779JD 14位128KSPS采样速率并行输出模数转换器(民用级)DIP 216 AD780AN 2.5V或3V可选输出高精度电压基准源(工业级)DIP217 AD781JN 700ns采样保持放大器(民用级)DIP218 AD7820KN 8位500KSPS采样速率模数转换器(民用级)DIP219 AD7821KN 8位1MSPS采样速率模数转换器(民用级)DIP220 AD7822BN 8位2MSPS采样速率模数转换器(工业级)DIP221 AD7824BQ 8位四通道高速模数转换器(民用级)DIP222 AD7824KN 8位四通道高速模数转换器(工业级)DIP223 AD7837AN 12位双路乘法数模转换器(工业级)DIP224 AD7845JN 12位乘法数模转换器(民用级)DIP225 AD7846JN 16位电压输出数模转换器(民用级)DIP226 AD7847AN 12位双路乘法数模转换器(工业级)DIP227 AD7856AN 14位8通道285KSPS采样速率模数转换器(工业级)DIP228 AD7862AN-10 12位4通道同时采样250KSPS速率模数转换器带2SHA and 2ADCs(工业级)DIP 229 AD7864AS-1 12位4通道同时采样147KSPS速率模数转换器(工业级)PQFP230 AD7865AS-1 14位4通道同时采样175KSPS速率模数转换器带2SHA and 2ADCs(工业级)PQFP 231 AD7872AN 14位串行输出模数转换器(工业级)DIP232 AD7891AP-1 12位四通道同时采样模数转换器(工业级)DIP233 AD7892AN-1 12位四通道同时采样模数转换器(工业级)SOIC234 AD7895AN-10 12位750KSPS采样速率模数转换器(民用级)DIP235 AD7874AN 12位750KSPS采样速率模数转换器(民用级)DIP236 AD7874BR 12位8通道200KSPS速率模数转换器(工业级)SOIC237 AD7886JD 12位单电源八通道串行采样模数转换器(工业级)DIP238 AD7886KD 12位单电源八通道串并行采样模数转换器(工业级)DIP239 AD7888AR 12位600KSPS采样模数转换器(工业级)DIP240 AD7890AN-10 12位单电源200KSPS采样速率模数转换器(工业级)DIP241 AD790JN 高速精密比较器(民用级)DIP242 AD795JN 低偏置电流低噪声运放(民用级)DIP243 AD797AN 低失真低噪声运放(工业级)DIP244 AD797AR 低失真低噪声运放(工业级)SOIC245 AD73360AR 16位6通道数据采集子系统(三相电量测量IC)(工业级)SOIC246 AD8001AN 800MHz 电流反馈运放(工业级)DIP247 AD8002AN 800MHz 电流反馈双运放(工业级)DIP248 AD8009AR 1GHz 4500V/us 电流反馈双运放(工业级)DIP249 AD8011AN 340MHz 电流反馈运放(工业级)DIP250 AD8015AR 单电源真空管前置放大器(工业级)SOIC251 AD8018AR 5V Rail-Rail 大电流输出XDSL线性驱动放大器(工业级)SOIC252 AD8031AN 单电源Rail-Rail输入输出运放(工业级)DIP253 AD8032AN 单电源Rail-Rail输入输出双运放(工业级)DIP254 AD8036AN 低失真宽带240MHz电压输出运放(工业级)DIP255 AD8037AN 低失真宽带270MHz电压输出运放(工业级)DIP256 AD8041AN 120MHz带宽Rail-Rail输出运放(工业级)DIP257 AD8041AR 120MHz带宽Rail-Rail输出运放(工业级)SOIC258 AD8042AN 120MHz带宽Rail-Rail输出双运放(工业级)DIP259 AD8044AN 80MHz带宽Rail-Rail输出四运放(工业级)DIP260 AD8047AN 电压反馈运放(工业级)DIP261 AD8055AR 电压反馈运放(工业级)SOIC262 AD8056AR 低价格300MHz电压反馈双运放(工业级) SOIC263 AD8058AR 电压反馈双运放(工业级)SOIC264 AD8079AR 双通道260MHz缓冲器(工业级) SOIC265 AD8108AST 8×8视频距阵开关(工业级)LQFP266 AD8109AST 8×8视频距阵开关(工业级)LQFP267 AD810AN 带电源休眠控制端的低功耗视频运放(工业级) DIP268 AD8111AST 16×8视频距阵开关(工业级)LQFP269 AD8115AST 16×16视频距阵开关(工业级)LQFP270 AD8116AST 16×16视频距阵开关(工业级)LQFP271 AD811AN 高性能视频运放(工业级) DIP272 AD811JR 高性能视频运放(工业级) SOIC273 AD812AN 低功耗电流反馈双运放(工业级) DIP274 AD812AR 低功耗电流反馈双运放(工业级) SOIC275 AD8131AR 差分输入输出电压反馈放大器(工业级)SOIC276 AD8138AR IF 放大器(工业级)SOIC277 AD813AN 单电源低功耗三视频运放(工业级) DIP278 AD813AR-14 单电源低功耗三视频运放(工业级) SOIC279 AD815AY 大电流输出,差动输入\输出运放(工业级)280 AD8170AN 2选1视频多路转换器(工业级) DIP281 AD8174AN 4选1视频多路转换器(工业级) DIP282 AD817AN 高速低功耗宽电源运放(工业级) DIP283 AD8180AN 差动2选1视频多路转换器(工业级) DIP284 AD8184AN 4选1视频多路转换器(工业级) DIP285 AD818AN 低价格高速电压反馈视频运放(工业级) DIP286 AD820AN 单电源低功耗FET输入Rail-Rail输出运放(工业级) DIP 287 AD822AN 双AD820(工业级) DIP288 AD822AN-3V 双AD820(工业级) DIP 3V电源289 AD823AN 单电源Rail-Rail输出双运放(工业级)DIP290 AD824AN 单电源Rail-Rail输出四运放(工业级)DIP291 AD826AN 高速低功耗双运放(工业级) DIP292 AD827AQ 双AD847 (工业级) DIP293 AD827JN 双AD847 (民用级) DIP294 AD828AN 双AD818(工业级) DIP295 AD829JN 高速低噪声视频运放(工业级) DIP296 AD8307AN 500MHz对数放大器(工业级)DIP297 AD8307AR 500MHz对数放大器(工业级)SOIC298 AD8309ARU 500MHz对数放大器(工业级)TSSOP299 AD830AN 高速视频差动运放(工业级) DIP300 AD8313ARM 2.5GHz对数放大器(工业级)RM-8301 AD830AN 高速视频差动运放(工业级) DIP302 AD8313ARM 2.5GHz对数放大器(工业级)RM-8303 AD8320ARP 数字可变增益线性驱动器(工业级)RP-20304 AD834JN 500MHz带宽四象限模拟乘法器(工业级)DIP305 AD8350AR15 差分输入射频放大器(工业级)SOIC306 AD835AN 250MHz带宽四象限电压输出模拟乘法器(工业级)DIP 307 AD8402AN-10 2通道数字电位器阻值10K(工业级) DIP308 AD8403AN100 4通道数字电位器阻值100K(工业级) DIP309 AD840JN 宽带高速运放(民用级) DIP310 AD843AQ 34MHz带宽高速FET输入运放(工业级) DIP311 AD844AN 2000V/us高速运放(工业级) DIP312 AD845JN 16MHz带宽高速FET输入运放(民用级) DIP313 AD845KN 16MHz带宽高速FET输入运放(民用级) DIP314 AD847AQ 300V/us高速低功耗运放(工业级) DIP315 AD847JN 300V/us高速低功耗运放(民用级) DIP316 AD847SQ 300V/us高速低功耗运放(军用级) DIP317 AD849JN 高速低功耗运放(民用级) DIP318 AD8522AN 12 位单电源双路电流输出型数模转换器(工业级)DIP319 AD8551AR 自稳零运放(工业级)SOIC320 AD8552AR 自稳零双运放(工业级)SOIC321 AD8561AN 单电源比较器(工业级)DIP322 AD8561AR 单电源比较器(工业级)SOIC323 AD8564AN 单电源TTL/CMOS四路比较器(工业级)DIP324 AD8598AN 单电源双路比较器(工业级)DIP325 AD9042AST 12位41MSPS模数转换器(工业级) LQFP326 AD9048JQ 8位35MSPS视频模数转换器(民用级) DIP327 AD9049BRS 9位30MSPS模数转换器(工业级) SSOP328 AD9050BR 10位40MSPS模数转换器(工业级) SOIC329 AD9051BRS 10位60MSPS模数转换器(工业级) SSOP330 AD9057BRS-40 8位40MSPSz视频模数转换器(工业级) SSOP331 AD9057BRS-60 8位60MSPS视频模数转换器(工业级) SSOP332 AD9058JJ 双路8位50MSPS视频模数转换器(民用级) LCC333 AD9059BRS 双路8位60MSPS视频模数转换器(工业级) SSOP334 AD9066JR 双路6位60MSPS视频模数转换器(民用级) SSOP335 AD9071BR 10位TTL兼容100MSPS模数转换器(工业级) SOIC336 AD9101AR 7ns建立时间采样保持放大器(工业级)SOIC337 AD9200ARS 10位20MSPS模数转换器(工业级) SSOP338 AD9203ARU 10位40MSPS模数转换器(工业级) TSSOP339 AD9220AR 12位10MSPS模数转换器(工业级) SOIC340 AD9221AR 12位1MSPS模数转换器(工业级) SOIC341 AD9223AR 12位3MSPS模数转换器(工业级) SOIC342 AD9225AR 12位25MSPS模数转换器(工业级) SOIC343 AD9226ARS 12位65MSPS模数转换器(工业级) SSOP344 AD9240AS 14位10MSPS模数转换器(工业级) MQFP345 AD9243AS 14位3MSPS模数转换器(工业级) MQFP346 AD9260AS 16位2.5MSPS∑–△模数转换器(工业级)MQFP347 AD9280ARS 单电源8位32MSPS模数转换器(工业级)SSOP348 AD9281ARS 单电源8位双路32MSPS模数转换器(工业级)SSOP 349 AD9283BRS-100 单电源8位100MSPS模数转换器(工业级)SSOP 350 AD9283BRS-80 单电源8位80MSPS模数转换器(工业级)SSOP351 AD9288BRS-80 单电源8位双路80MSPS模数转换器(工业级)SSOP 352 AD9300KQ 4选1宽带视频多路转换器(民用级) DIP353 AD9483KS-100 8位100MSPS三视频模数转换器(民用级)MQFP354 AD9500BQ 数字化可编程延迟信号发生器(工业级) DIP355 AD9501JN TTL/COMS数字化可编程延迟信号发生器(民用级) DIP356 AD9617JR 1400V/us,140MHz带宽高速运放(民用级) SOIC357 AD9617JN 1400V/us,140MHz带宽高速运放(民用级) DIP358 AD9618JN 1800V/us,160MHz带宽高速运放(民用级) DIP359 AD9630AN 低失真闭环缓冲放大器(工业级) DIP360 AD9631AN 超低失真宽带电压反馈放大器(工业级) DIP361 AD96687BQ 高速双电压比较器(工业级) DIP362 AD9698KN 高速TTL兼容双电压比较器(工业级) DIP363 AD9708ARU 8位100MSPS 双路数模转换器(工业级)TSSOP364 AD9709AST 8位125MSPS 双路数模转换器(工业级)PQFP365 AD9713BAN 12位80MSPS TTL兼容数模转换器(工业级) DIP366 AD9721BR 10位400MSPS TTL兼容数模转换器(工业级) SOIC367 AD9731BR 10位170MSPS 双电源数模转换器(工业级) SOIC368 AD9732BRS 10位200MSPS 单电源数模转换器(工业级) SSOP369 AD9750AR 10位125MSPS 数模转换器(工业级)SOIC370 AD9752AR 12位125MSPS 数模转换器(工业级)SOIC371 AD9760AR 10位100MSPS 数模转换器(工业级)SOIC372 AD9762AR 12位100MSPS 数模转换器(工业级)SOIC373 AD9764AR 14位100MSPS 数模转换器(工业级)SOIC374 AD976CN 16位100KSPS BiCMOS并行输出模数转换器(工业级)DIP375 AD976AN 16位100KSPS BiCMOS并行输出模数转换器(工业级)DIP376 AD976AAN 16位200KSPS BiCMOS并行输出模数转换器(工业级)DIP377 AD9772AST 14位300MSPS 数模转换器(工业级)LQFP378 AD977AAN 16位200KSPS BiCMOS串行输出数模转换器(工业级)DIP379 AD977AN 16位100KSPS BiCMOS串行输出数模转换器(工业级)DIP380 AD9801JCST 10位6MSPS CCD信号处理器(民用级)LQFP381 AD9802JST 10位6MSPS CCD信号处理器(民用级)LQFP382 AD9803JST 10位6MSPS CCD信号处理器(民用级)LQFP383 AD9805JS 10位3通道6MSPS CCD信号处理器(民用级)MQFP384 AD9816JS 12位3通道6MSPS CCD信号处理器(民用级)MQFP385 AD9822JR 14位3通道12MSPS CCD信号处理器(民用级)SOIC386 AD9830AST 带10位D/A,25MHz主频直接数字同步调制器(工业级)PQFP387 AD9831AST 带10位D/A,50MHz主频直接数字同步调制器(工业级)PQFP388 AD9832BRU 带10位D/A,25MHz主频直接数字同步调制器(工业级)TSSOP389 AD9850BRS 带10位D/A,125MHz主频直接数字同步调制器(工业级)SSOP390 AD9851BRS 带10位D/A,180MHz主频直接数字同步调制器(工业级)SSOP391 AD9852AST 带12位D/A,200MHz主频直接数字同步调制器(工业级)LQFP-80392 AD9852ASQ 带散热器带12位D/A,300MHz主频直接数字同步调制器(工业级)LQFP-80 393 AD9853AS 数字QPSK/16 QAM 调整器(工业级)PQFP394 AD9854AST 带12位D/A,200MHz主频直接数字同步调制器(工业级)LQFP-80395 AD9854ASQ 带散热器带12位D/A,300MHz主频直接数字同步调制器(工业级)LQFP-80 396 AD9901KQ 线性相位探测器/频率鉴别器(民用级)DIP397 ADG201AKN 四单刀单掷模拟开关(民用级)DIP398 ADG201HSJN 四单刀单掷模拟开关(民用级)DIP399 ADG211AKN 四单刀单掷模拟开关(民用级)DIP400 ADG222AKN 四单刀单掷模拟开关(民用级)DIP401 ADG333ABN 四单刀单掷模拟开关(工业级)DIP402 ADG333ABR 四单刀单掷模拟开关(工业级)SOIC403 ADG408BN 8选1CMOS模拟多路转换器(工业级)DIP404 ADG409BN 差动4选1CMOS模拟多路转换器(工业级)DIP405 ADG411BN 四单刀单掷模拟开关(工业级)DIP406 ADG417BN 单刀单掷模拟开关(工业级)DIP407 ADG419BN 单刀单掷模拟开关(工业级)DIP408 ADG431BN 四单刀单掷模拟开关(工业级)DIP409 ADG436BN 双单刀单掷模拟开关(工业级)DIP410 ADG441BN 四单刀单掷模拟开关(工业级)DIP411 ADG442BN 四单刀单掷模拟开关(工业级)DIP412 ADG506AKN 16选1CMOS模拟多路转换器(民用级)DIP413 ADG507AKN 差动8选1CMOS模拟多路转换器(民用级)DIP414 ADG508AKN 8选1CMOS模拟多路转换器(民用级)DIP415 ADG508FBN 8选1CMOS带过压保护模拟多路转换器(工业级)DIP416 ADG509AKN 差动4选1CMOS模拟多路转换器(民用级)DIP417 ADG511BN 单电源四单刀单掷模拟开关(工业级)DIP418 ADG608BN 8选1CMOS模拟多路转换器(工业级)DIP419 ADG609BN 差动4选1CMOS模拟多路转换器(工业级)DIP420 ADG719BRM 单路视频CMOS模拟开关(工业级)RM-6421 ADG736BRM 双路视频CMOS模拟开关(工业级)RM-10422 ADM660AN DC-DC转换器(工业级)DIP423 ADM690AN 微处理器监控电路(工业级)DIP424 ADM708AN 微处理器监控电路(工业级)DIP425 ADSP21060KS160 32位浮点数字信号处理器内存4M(民用级)PQFP426 ADSP21060CZ-160 32位浮点数字信号处理器内存4M(工业级)PQFP427 ADSP21062KS-160 32位浮点数字信号处理器内存2M(民用级)PQFP428 ADSP2181KS-133 16位定点数字信号处理器(民用级)PQFP-128429 ADSP2181KST-133 16位定点数字信号处理器(民用级)TQFP-128430 ADUC812BS 带单片机、8路12位A/D、2路D/A的数采系统(工业级)PQFP 431 ADVF32KN 500KHz工业标准压频转换器(民用级)DIP432 ADXL105JQC ±1g-±5g带温度补偿加速度传感器(民用级)QC-14433 ADXL202AQC ±2g双路加速度传感器(工业级)QC-14434 AMP02FP 高精度仪表放大器(工业级)DIP435 AMP04FP 单电源精密仪表放大器(工业级)DIP436 DAC08CP 8位高速电流输出型数模转换器(民用级)DIP437 DAC8228FP 8位双路电压输出型数模转换器(工业级)DIP438 OP07AZ/883C 超低失调电压运放(军用级)DIP439 OP07CP 超低失调电压运放(工业级)DIP440 OP07CS 超低失调电压运放(工业级)SOIC441 OP176GP 低失真低噪声运放(工业级)DIP442 OP177GP 高精密运放(工业级)DIP443 OP27GP 低噪声精密运放(工业级)DIP444 OP291GP 单电源Rail-Rail输入输出双运放(工业级)DIP445 OP295GP 单电源Rail-Rail输入输出双运放(工业级)DIP446 OP296GP 微功耗Rail-Rail输入输出双运放(工业级)DIP447 OP297GP 超低偏置电流精密双运放(工业级)DIP448 OP297GS 超低偏置电流精密双运放(工业级)SOIC449 OP37EP 低噪声精密运放(民用级)DIP450 OP37GP 低噪声精密运放(工业级)DIP451 OP495GP 单电源Rail-Rail输入输出四运放(工业级)DIP452 OP497GP 超低偏置电流精密四运放(工业级)DIP453 OP77GP OP07改进型(工业级)DIP454 OP90GP 低电压微功耗精密运放(工业级)DIP455 OP97FP 微功耗精密运放(工业级)DIP456 OP97FS 微功耗精密运放(工业级)SOIC457 PKD01FP 峰值检测器(工业级)DIP458 REF02CP 精密5V电压基准源带温度传感器(工业级)DIP459 REF03GP 精密低价格2.5V电压基准源(工业级)DIP460 REF192GP 低功耗大电流输出2.5V电压基准源(工业级)DIP461 REF192GS 低功耗大电流输出2.5V电压基准源(工业级)SOIC462 REF194GP 低功耗大电流输出4.5V电压基准源(工业级)DIP463 REF195GS 低功耗大电流输出5V电压基准源(工业级)SOIC464 REF43FZ 高精度2.5V电压基准源(工业级)DIP465 SMP04EP 7us四通道采样保持放大器(工业级)DIP466 SMP08FP 7us八通道采样保持放大器(工业级)DIP467 SSM2141P 差动线路接收器Gain=0dB(工业级) DIP468 SSM2142P 平衡线路驱动器(工业级)DIP469 SSM2143P 差动线路接收器Gain=-6dB(工业级) DIP470 SSM2211P 1W功率差分输出音频功率放大器(工业级)DIP471 SSM2275P Rail-Rail输出双音频功率放大器(工业级)DIP472 TMP03FS PWM输出,直接与微处理器接口数字输出温度传感器SOIC473 TMP04FS 反相PWM输出,直接与微处理器接口数字输出温度传感器SOIC 474 TMP36GT9 电压输出温度传感器TO-92。
用模拟乘法器构成的调幅电路
用模拟乘法器构成的调幅电路
电路的功能
高频的振幅调制可采用改变晶体管集电压对对载波振幅进行调制的方式。
对于调幅来说,由于只对载波振幅进行控制,所以使用可变增益元件。
本电路采用模拟乘法器,用载波信号与调制信号相乘来获得AM调制波。
因为没有使用变压器,所以与载波信号频率无关,可作为通用AM调制电路使用。
电路工作原理
单片IC乘法器ICL8013其输入电压范围为±10V,可作为完全的4象限乘法器。
输出电压EO可建立EO=X.Y/10的关系式。
最初的4象限乘法器是一种用于平衡调制的集成电路。
本电路加了固定置偏,对无调制信号时的载波电平进行了调整,因为输入电压为0~±10V,若进行+5V或-5V的置偏便可使用±5VMAX的调制信号,扩大了动态范围。
载波信号频率最高可达100KHZ左右,Y输入端最大输入电压为20VP-P。
20VP-P的信号和5V相乘,可获得10VP-P的调幅波(EO=20*5/10=10P-P)。
ICL8013的外部调整端子全部接地,这是因为用于AM调制时性能要求不。
频率范围为1KHZ~100KHZ的自
频率范围为1KHZ~100KHZ的自动跟踪90度相位移相器
电路的功能
移相电路的种类很多,在低频范围内,可使用由OP放大器和电容、电阻(CR)构成的移相器。
为了移相90度,必须建立W=1/CR的关系,输入频率改变时,相移量也与之成比例地变化。
这种移相器只能在频率固定的条件下使用。
本电路可以自动跟踪输入频率,在一定频率范围内可获得90度的固定相移量。
若用改变量程的办法,可在更大的频率范围内使用。
电路工作原理
OP放大器A1是单纯的缓冲放大器,输入信号电平在1V以下时,A1可将其放大到数伏。
A2是由OP放大器组成的具有固定增益的移相电路,输出幅度与输入频率无关,因为它只改变相位,所以也称作全通滤波器。
要得到90度相们差,必须使RO=1/2πF.C。
本电路采用了伺服电路对RO 进行控制。
在进行90度相位检测时,同步检波电路的输出EO=E.COSφ,即与输入信号振荡大小无关,只要φ=90度,输出就等于零。
自动跟踪90度相位移相器电路介绍
电路的功能
移相电路的种类很多,在低频范围内,可使用由OP放大器和电容、电阻(CR)构成的移相器。
为了移相90度,必须建立W=1/CR的关系,输入频率改变时,相移量也与之成比例地变化。
这种移相器只能在频率固定的条件下使用。
本电路可以自动跟踪输入频率,在一定频率范围内可获得90度的固定相移量。
若用改变量程的办法,可在更大的频率范围内使用。
电路工作原理
OP放大器A1是单纯的缓冲放大器,输入信号电平在1V以下时,A1可将其放大到数伏。
A2是由OP放大器组成的具有固定增益的移相电路,输出幅度与输入频率无关,因为它只改变相位,所以也称作全通滤波器。
要得到90度相们差,必须使RO=1/2πF.C。
本电路采用了伺服电路对RO 进行控制。
在进行90度相位检测时,同步检波电路的输出EO=E.COSφ,即与输入信号振荡大小无关,只要φ=90度,输出就等于零。
同步检波电路种类很多,本电路采用了模拟乘法器ICL8013,也可用AD532等,把移相器A2的输入和输出分别加到X和Y上。
如果输入信号的电平低,检波效率就会降低,应予注意。
积分器A4是伺服电路,加了零输入反馈。
积分输出为负电压,须用PNP晶体管TT1进行功率放大,以增强电流。
设计要点
作为可变电阻元件使用的光电耦合器,中心电阻值根据数据表取RO=10K,跟踪的中心频率FO取10KHZ,据此求出C1的电容量为。
详解ADI产品命名规则【详解ADI产品命名规则】(一)AD公司标准单片及混合集成电路产品型号编码型号编码:AD XXXX A Y ZAD公司产品前缀AD为标准编码;其它如: ADG一模拟开关或多路器ADSP一数字信号处理器DSPADV一视频产品 VIDEOADM一接口或监控R电源产品ADP一电源产品不尽详述,但标准产品一般以AD开头(AD)封装选择信息B,款形格栅阵列BGA(塑封) RJ,J引脚小尺寸BC,芯片级球形格栅阵列RM,μSOIC(微型SOIC)BP,温度增强型球形格栅阵列 RN,小尺寸(0.15 英寸,厚2mm) C,晶片/DIE RP,小尺寸(PSOP)D,边或底铜焊陶瓷CDIP RQ,SOIC(宽0.025英寸,厚2mm) E,陶瓷无引线芯片载体LLCC RS,紧缩型小尺寸(SSOP)F,陶瓷扁平到装FP(l或2边) RT,SOT,23或SOI,143G,多层陶瓷PGA RU,细小型TSSOPH,圆金属壳封装 RW-小尺寸(宽0.025英寸,厚2MM)J-J引脚陶瓷芯片载体 S-公制塑料四方扁平封装(MQFP)M-金属矩形封装DIP SP-MPQFPN-塑料,环氧树脂 DIP SQ-薄QFP,highPOwer(厚1.4MM) ND-塑料 PDIP ST-薄QFP(LQFP)(厚1.4MM)P-塑料带引线芯片载体 SU-极薄QFP(LQFP)(厚1.4MM) PP-塑料带引线芯片载体 T-To,92晶体管封装Q-陶瓷 CDIP V-表面安装带至脚 MOLY TABQC-CERPACK VR-表面安装带至脚 MOLY TABR-小外行封装(宽或窄SOIC) Y-单列直插封装SIPRB-带散热片SOIC YS-带引脚SIPa(Z)3-5位阿拉伯数字(XXXX)1或个字母,提供一般附加信息A-第二代产品 DI-电介质隔离Z-?12V工作电压 L-低功耗(A)温度范围*0?,+70?:I、J、K、L、M特性依次递增,,性能最忧。
模拟乘法器芯片
模拟乘法器芯片是一种电子元件,它能够在小信号条件下将两个输入信号相乘并输出其乘积。
这种芯片的应用范围非常广泛,包括模拟电路、控制电路、信号处理、音频处理等领域。
模拟乘法器芯片的工作原理是利用差分放大器和电容积分器构
成一个模拟乘法器电路。
它的输入端分别连接两个信号源,经过差分放大器放大后再进入电容积分器,经过积分后输出乘积信号。
模拟乘法器芯片有很多种型号和规格,如 AD633、AD734、AD835 等,其中 AD633 是一种比较常见的型号。
这种芯片具有高精度、低噪声、高线性度等优点,在实际应用中能够满足各种要求。
模拟乘法器芯片的应用领域很多,比如音频处理中的混响效果、频率变化、失真效果等;控制电路中的电机转速、温度控制、液位控制等;还有在模拟电路设计中的误差校正、滤波器设计等方面都有广泛的应用。
总之,模拟乘法器芯片是一种十分重要的电子元件,它能够在各种领域中发挥重要的作用。
随着科技的不断进步,相信它的应用范围还会不断扩大和完善。
- 1 -。
姑且先简单说明一下ad532平方根电路的基本原理,这样你就能更好地理解后面的内容了。
ad532平方根电路是一种专门设计用于计算输入电压的平方根的集成电路,它可以实现高精度的平方根计算,被广泛应用于工业控制、仪器仪表和科学研究等领域。
接下来,我们将按照你的要求,从简到繁地介绍ad532平方根电路的调整方法,让你能够更深入地理解这一主题。
1. 简单调整对于ad532平方根电路,我们可以通过简单的电路调整来实现基本的功能,比如调整输入电压的范围、输出电压的带宽等。
这些简单的调整方法可以帮助我们更好地适应不同的工作环境和需求。
2. 电路参数调整我们可以通过调整ad532平方根电路的一些关键参数,如输入电阻、放大倍数、失调电压等,来实现更精确的平方根计算。
这些参数的调整需要一定的专业知识和技术支持,但可以大大提高电路的性能和稳定性。
3. 调整方法案例分析我们可以结合实际案例,来详细介绍ad532平方根电路的调整方法。
在工业控制系统中,如何根据实际需求来调整ad532平方根电路,以实现精准的控制和监测;在仪器仪表领域中,如何根据测量范围和精度要求来调整ad532平方根电路,以获得准确的测量结果。
4. 个人观点和理解我想共享一下我对ad532平方根电路调整方法的个人观点和理解。
在我的看来,调整ad532平方根电路不仅是一项技术活,更是一种艺术。
它需要我们深入理解电路的工作原理,灵活运用各种技术手段,结合实际需求进行调整,以实现最佳的性能和稳定性。
以上就是关于ad532平方根电路的调整方法的文章内容,希望能够满足你的要求。
如果有其他问题,欢迎随时与我联系。
ad532平方根电路的调整方法包括简单调整、电路参数调整、调整方法案例分析和个人观点和理解。
接下来,我们将对每个部分进行更详细的介绍,以便更好地理解和掌握这一主题。
1. 简单调整在ad532平方根电路的简单调整中,我们可以通过改变输入电压的范围和输出电压的带宽来实现基本的功能。
AD532单片乘法器/除法器
张苏春
【期刊名称】《集成电路应用》
【年(卷),期】1992(000)003
【摘要】AD532单片乘法器/除法器在不外加微调电阻和输出运算放大器时,其输出电压为±10V,最大误差为±1V,CMRR=75dB。
AD532的输入端可有不同的连接方法,由此可得到不同的传输函数。
如四输入端的乘法传输函数为:(x_1-x_2)(y_1-y_2)/10V;双输入端的除法传输函数为:10V·Z/(x_1-x_2);单输入端的开方函数为
±10V·Z^(1/2)。
图1所示为AD532的方块图。
当用作乘法或乘方时。
【总页数】1页(P51)
【作者】张苏春
【作者单位】无
【正文语种】中文
【中图分类】TP335.1
【相关文献】
1.ARM单片机的硬件乘法器在软件滤波中的应用 [J], 李莉
2.无硬件乘法器MSP430单片机FIR滤波程序合成器的研制 [J], 詹形;余凤翎
3.四象限乘法器/除法器AD734在伽玛相机中的应用 [J], 赵媛媛;赵书俊;刘洋
4.无硬件乘法器MSP430单片机FIR滤波程序合成器的研制 [J], 詹彤;余凤翎
5.RS(256,252)译码过程中的乘法器和除法器 [J], 杜平周
因版权原因,仅展示原文概要,查看原文内容请购买。