雷诺尔软起说明书
- 格式:doc
- 大小:1.12 MB
- 文档页数:21
JJR系列软起动器用户手册目录安全注意事项………………………………………………………………………………………安装准备……………………………………………………………………………………………使用及环境条件……………………………………………………………………………………1.概述………………………………………………………………………………………………典型应用简介…………………………………………………………………………………… JJR系列软起动功能……………………………………………………………………………2.购入检查…………………………………………………………………………………………3.安装………………………………………………………………………………………………4.电路连接…………………………………………………………………………………………4.1主回路………………………………………………………………………………………4.2控制端子……………………………………………………………………………………4.3控制电路端子连接…………………………………………………………………………4.4主回路连接…………………………………………………………………………………4.5基本电路框图和端子………………………………………………………………………5.键盘及显示说明…………………………………………………………………………………6.数据的设定………………………………………………………………………………………7.通电运行…………………………………………………………………………………………8.保护显示说明……………………………………………………………………………………9.软起动控制模式…………………………………………………………………………………9.1限流型………………………………………………………………………………………9.2电压控制型…………………………………………………………………………………9.3软停车曲线…………………………………………………………………………………9.4不同起动方式的电流波形比较……………………………………………………………10.结构特点………………………………………………………………………………………附表一应用场合……………………………………………………………………………………JJR1000系列二次接线图……………………………………………………………………………JJR2000系列二次接线图……………………………………………………………………………安全注意事项警告!只有专业技术人员允许安装JJR。
JJR1000电机软起动器>>>概述>>>规格结构>>>二次标准接线
二次标准接线
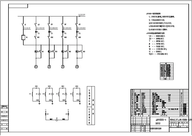
说明:
1、1和2控制旁路接触器的接点是无源
继电器输出点;
2、7接点断为RDB瞬停输入;8接点断为软停,
9接点通为软起,10接点为公共端;
3、5和6接点为0~240秒时间继电器接点与软
起同步延时;
4、7接点瞬停自复位可编程;
5、键盘/外接按钮操作转换设定参见用
户手册;
6、控制模式限流型和电压斜坡型,任意自选。
说明:
1、1和2控制旁路接触器的接点是无源
继电器输出点;
2、7接点断为瞬停输入;8接点断为软停,
9接点通为软起,10接点为公共端;
3、5和6接点为0~240秒时间继电器接点与软
起同步延时;
4、7接点瞬停自复位可编程;
5、键盘/外接按钮操作转换设定参见用
户手册;
6、控制模式限流型和电压斜坡型,任意自选。
■相关产品链接
·RNS3 系列自动转换开关
·RNM3 塑料外式壳断路器
·RNW1系列万能式断路器
·RNB300 变频调速器
·JJR1000电机软起动器
·JJR2000数字式电机软启动装置。
雷诺尔软启动器三相鼠笼型异步电动机在启动或停车过程中,还存在着一系列的问题。
比如,全压起动时的冲击转矩对拖动系统的冲击,起动电流对电网的冲击。
另外,如果运行时电动机端电压超过其额定电压则铁损上升。
低于额定电压电动机铜损上升。
在停机时,如果拖动系统突然失去转矩,靠系统的摩擦转矩克服系统的滑行惯性停车,也给拖动系统带来诸多问题。
比如水泵的水沟锤现象等。
传统的电动机起动方式是用Y-△起动器和自耦降压起动器。
他们只能起动降低电动机电流对电网的冲击作用。
能保证电动机可靠的启动。
但他不能解决上述的其他问题。
JJR系列电机软启动器,采用智能化数字控制,以单片机为智能中心,可控硅模块为执行元件对电动机进行全自动控制,它使用各种负载的鼠笼型异步电动机起动。
使电动机在任何工况下均能平滑起动、保护拖动系统、减少起动电流对电网的冲击,保证电动机可靠的启动。
平滑减速停车,消除拖动系统的反惯性冲击。
完整的系统保护功能,延长系统的使用寿命,减低系统的维护成本,提高系统的可靠性。
兼容了所有起动设备的各种功能,是传统起动星三角起动、自耦减压起动、磁控减压起动等最理想的更新换代产品。
雷诺尔软启动器分为JJR系列低压软启动器(JJR5000系列,JJR2000系列,JJR1000系列)和RNMV系列中高压软启动器。
雷诺尔JJR5000系列软启动器产品系列:JJR5011,JJR5015,JJR5018,JJR5022,JJR5030,JJR5037,JJR5045,JJR5055,JJR50 75,JJR5090,JJR5115,JJR5132,JJR5160,JJR5200,JJR5250,JJR5320,JJR5400,JJR54 50,JJR5500,JJR5600雷诺尔软启动器JJR5000系列软起动器具有如下特点:1. 三种起动方式:电压斜坡起动方式可得到最大的输出转矩,恒流软起动方式最大的限制起动电流,重载起动方式可输出最大的起动转矩。
huq1-75软启动器说明书HUQ1-75/55Kw HUYU CFQR2-75D FATO四川软起动成套柜SSD1-54-E ats22c41s6u避免机械故障或堵转阻塞一拖多软起动柜四川软起动成套柜150-F970NCA150-F970NBA成都软启动器报价四川软启动器库存150-F5NBDB 既设自动控制亦有手动控制一用一备软起动柜PR5200系列普传软启动POWIRAN大小功率都有150-C30NCR 150-B35NBRB 四川软起动器控制柜150-F60FBD 150-F85NCDB 还具备过流150-F43FAD普传软起动PJR2-2022 22KW 380V低价 150-B1000NCR 150-D25NCA-K2成都软启动器批发150-F108FBD-1 150-B135JBD-3过压欠压软启动器PR5200 011G3减少磨损 150-FPP1250B 四川软起动器电气柜150-F25NBDD 150-F5NBDD 缺相保护及事故报苦功能当达到极限水位时软起动器11KW电流22A带在线保护150-B135ABDB 150-F135NBRD 成都软启动器厂家150-F251NCR 本产品使用前四川软启动器服务雷诺尔软启动器SSD1-100-E/C 四川软启动器经销150-A24FBDB 150-C60FBD-6P四川软起动器成套柜150-B720NBDA 避免机械故障或堵转阻塞必须按电气原理图复核后接线雷诺尔软启动器150-B35NBRFSSD-160 150-FPP361Z 减少电机启动时软启动器JJR1090 JJR1115 JJR1132 四川软启动器系统柜电机起动器价格150-B650NCRA减少电机启动时高压软起动柜须设消防联锁;群体建筑多个四川软起动成套柜成都软起动器库存成都软起动器修理控制柜.电气成套-四川省150-F780NZA成都市.绵阳市.德阳市/攀枝花市,遂宁市成都软起动器维修广元市.乐山市.宜宾市.变频器维修销售-软启动电器柜-泸州市/达州市.广安市.资阳市150-F108NCDB眉山市-江油市.峨眉山市.彭州市.PLC电气控制柜.交流GGD低压配电成套柜.伺服驱动器150-C85FBD-6P南充市.阆中市.华蓥市.万源市.崇州市.简阳市.西昌市什邡市150-B135JBDB伺服电机控制器-恒压供水设备-人机界面系统集成-软件内江市.自贡市.都江堰市.邛崃市,雅安市.广汉市150-FPP108B巴中市.无塔供水设备-消防风机控制柜-触摸屏编程成套其运行指示灯熄灭消防水泵起动柜.新疆-乌鲁木齐,西藏-拉萨.青海-西宁.甘肃-兰州。
PHS-25型数显pH计操作说明JJR系列软起动器用户手册目录安全注意事项………………………………………………………………………………………安装准备……………………………………………………………………………………………使用及环境条件……………………………………………………………………………………1.概述………………………………………………………………………………………………典型应用简介……………………………………………………………………………………JJR系列软起动功能……………………………………………………………………………2.购入检查…………………………………………………………………………………………3.安装………………………………………………………………………………………………4.电路连接…………………………………………………………………………………………4.1主回路………………………………………………………………………………………4.2控制端子……………………………………………………………………………………4.3控制电路端子连接…………………………………………………………………………4.4主回路连接…………………………………………………………………………………4.5基本电路框图和端子………………………………………………………………………5.键盘及显示说明…………………………………………………………………………………6.数据的设定………………………………………………………………………………………7.通电运行…………………………………………………………………………………………8.保护显示说明……………………………………………………………………………………9.软起动控制模式…………………………………………………………………………………9.1限流型………………………………………………………………………………………9.2电压控制型…………………………………………………………………………………9.3软停车曲线…………………………………………………………………………………9.4不同起动方式的电流波形比较……………………………………………………………10.结构特点………………………………………………………………………………………附表一应用场合……………………………………………………………………………………JJR1000系列二次接线图……………………………………………………………………………JJR2000系列二次接线图……………………………………………………………………………安全注意事项警告!只有专业技术人员允许安装JJR。
JJR系列软起动器用户手册目录安全注意事项………………………………………………………………………………………安装准备……………………………………………………………………………………………使用及环境条件……………………………………………………………………………………1.概述………………………………………………………………………………………………典型应用简介……………………………………………………………………………………JJR系列软起动功能……………………………………………………………………………2.购入检查…………………………………………………………………………………………3.安装………………………………………………………………………………………………4.电路连接…………………………………………………………………………………………4.1主回路………………………………………………………………………………………4.2控制端子……………………………………………………………………………………4.3控制电路端子连接…………………………………………………………………………4.4主回路连接…………………………………………………………………………………4.5基本电路框图和端子………………………………………………………………………5.键盘及显示说明…………………………………………………………………………………6.数据的设定………………………………………………………………………………………7.通电运行…………………………………………………………………………………………8.保护显示说明……………………………………………………………………………………9.软起动控制模式…………………………………………………………………………………9.1限流型………………………………………………………………………………………9.2电压控制型…………………………………………………………………………………9.3软停车曲线…………………………………………………………………………………9.4不同起动方式的电流波形比较……………………………………………………………10.结构特点………………………………………………………………………………………附表一应用场合……………………………………………………………………………………JJR1000系列二次接线图……………………………………………………………………………JJR2000系列二次接线图……………………………………………………………………………安全注意事项警告!只有专业技术人员允许安装JJR。
高压软起
本车间采用的高压电机软启动器是雷诺尔,共有三台软启动器,分别为雷诺尔RNMV-100200-E、雷诺尔RNMV-100200-E和雷诺尔RNMV-100100-E.其中前两台的额定功率为2800KW,最后一台为8000KW。
1、工作原理
采用三相反并联晶闸管作为调压器,将其接入电源和电机定子之间。
接触器与低压不同的是,采用真空接触器,灭弧效果比较好。
2、控制调节
各键说明:
RUN:启动键,在启动准备状态下,按此键可使电机启动。
STOP/RST:停止/复位键,电机运行时按此键进入停车,编辑状态或故障状态
下按此键回到准备状态。
PRG:编程键,在准备状态下(显示READY)按此键进入予编辑,数据修改后,按此键保留数据。
SHFT:换挡键,编程时按此键修改数据或退出修改状态。
^、V,加减键,按^键(或V键)增加(或减少)数据;持续按^键(或V
键)数据改变加快。
RIENLIE上海的若尔JJR系列软起动器手册目录安全注意事项.......................................................................安装准备...........................................................................使用及环境条件.....................................................................i •概述.............................................................................典型应用简介...................................................................JJR系列软起动功能...............................................................2. ......................................................................................................................................... 购入检查3•安装.............................................................................4.电路连接.........................................................................4.1主回路......................................................................4.2控制端子....................................................................4.3控制电路端子连接............................................................4.4主回路连接..................................................................4.5基本电路框图和端子..........................................................5 •键盘及显示说明..................................................................6.数据的设定.......................................................................7 •通电运行........................................................................8. 保护显示说明 ...................................................................9. 软起动控制模式 .................................................................9. 1限流型.....................................................................9. 2电压控制型.................................................................9. 3软停车曲线.................................................................9. 4不同起动方式的电流波形比较 .................................................10. 结构特点.......................................................................附表一应用场合.....................................................................JJR1000系列二次接线图............................................................警告!I只有专业技术人员允许安装JJR。
JJR系列软起动器用户手册目录安全注意事项………………………………………………………………………………………安装准备……………………………………………………………………………………………使用及环境条件……………………………………………………………………………………1.概述………………………………………………………………………………………………典型应用简介…………………………………………………………………………………… JJR系列软起动功能……………………………………………………………………………2.购入检查…………………………………………………………………………………………3.安装………………………………………………………………………………………………4.电路连接…………………………………………………………………………………………4.1主回路………………………………………………………………………………………4.2控制端子……………………………………………………………………………………4.3控制电路端子连接…………………………………………………………………………4.4主回路连接…………………………………………………………………………………4.5基本电路框图和端子………………………………………………………………………5.键盘及显示说明…………………………………………………………………………………6.数据的设定………………………………………………………………………………………7.通电运行…………………………………………………………………………………………8.保护显示说明……………………………………………………………………………………9.软起动控制模式…………………………………………………………………………………9.1限流型………………………………………………………………………………………9.2电压控制型…………………………………………………………………………………9.3软停车曲线…………………………………………………………………………………9.4不同起动方式的电流波形比较……………………………………………………………10.结构特点………………………………………………………………………………………附表一应用场合……………………………………………………………………………………JJR1000系列二次接线图……………………………………………………………………………JJR2000系列二次接线图……………………………………………………………………………安全注意事项警告!只有专业技术人员允许安装JJR。
警告!必须保证电动机与JJR匹配合适,安装时,请务必按用户手册操作。
警告!不允许将11、12端子输入380V。
警告!不允许将输入端(R、S、T)接到输出端(U、V、W)。
警告!不允许软起动器输出端U、V、W线接电容器,否则会损坏起动器。
警告!JJR安装后将输入和输出端的铜线鼻用绝缘胶带包好。
警告!远程控制时必须锁定键盘控制。
警告!软起动器和机器必须牢固接地。
警告!维修设备时,必须断开进线电源。
警告!不得私自进行拆装、维修本产品。
安装准备安装前的准备安装JJR请准备以下工具:螺丝刀、剥线钳、板钳等。
使用前请仔细阅读JJR安装说明。
如果不认真阅读有关说明,违反有关安全规定,有可能影响软起动器的正常使用。
警告!安装之前,请务必阅读“安全注意事项”。
使用及环境条件【进线电源】交流380V±15%(660V) 50/60Hz【控制电源】交流220V±15% 50Hz 0.15A【适用电机】鼠笼式三相异步电动机【起动频度】每小时不超过12次【自然风冷】自然风冷【使用温度】-30℃~55℃【使用湿度】90%无结霜【使用场所】室内无腐蚀性气体无导电尘埃通风良好【标高振动】海拔在3000米以下,振动力装置0.5G以下1.概述交流鼠笼型电动机软起动技术,在发达国家已应用多年,它成功地解决了交流电动机起动时造成的较大起动电流,对供电电压质量的影响和供电线路损耗增大以及对机械设备冲击等问题。
JJR系列全数字软起动控制器正是以先进的微处理器为核心,控制大功率晶闸管组件,具有限流起动、电压斜坡起动、软停止功能,参数均可根据负载自行设定,并具有过流、过载、缺相等多种保护。
软起动装置输出电压按设定规律上升,使受控电机转矩按优化的加速曲线完成启动过程,关掉晶闸管组件后,由旁路交流接触器工作。
JJR系列软软起动器覆盖5.5~500KW广泛应用于冶金、化工、建筑、水泥、矿山、环保等所有工业领域的电机传动设备,是传统的星三角起动、电抗器起动、自耦降压起动器最理想的更新换代产品。
典型应用简介◆水泵——利用泵控制功能,在起动和停止时,减少液流冲击所产生的泵流水锤现象,节省了系统维修费用;◆球磨机——利用电压斜坡起动,减少齿轮转矩的磨损,减少维修工作量,即节省了时间又节约了开支;◆风机——利用软起动器取代传统起动器,减少皮带磨损和机械冲击,节省了维修费用;◆压缩机——利用限流,实现了平滑起动,减少电动机发热,延长使用寿命;◆破碎机——利用堵转保护和快速保护,避免机械故障或阻塞造成电动机过热而烧毁;◆输送机械——利用软起动和预置低速运行,实现平滑的渐进的起动过程,避免产品移位和液体溢出。
JJR系列软起动器功能◆采用双单片机全数字自动控制;◆起动转矩电流、电压、时间可按负载不同灵活设定,取得最佳的电流曲线和最佳的转矩控制特性;◆对电动机提供了平滑的渐进的起动过程,减少起动电流对电网的冲击,降低设备的振动和噪声,延长了机械传动系统的使用寿命,并改善了工人的劳动环境;◆启动电流可根据负载调整,减小启起损耗,以最小的电流产生最佳转矩;◆软停车特性即大延长电气触点寿命,又满足不同场合下机械需求;◆具有过流、过载、过热、电源缺相保护(2000系列);◆方便的外控接口具有多种功能:数字延时起动控制、瞬停控制输入、起动延时继电器输出、故障继电器输出;◆对输入电源无相序要求;◆可以自由停车和软停车,软停车时间可调节;◆全数字设定和外控功能大大方便了用户;◆自带标准的RS485接口(订货协议);◆0~20mA标准模拟电流输出(2000系列);◆产品结构新颖、体积小、性能可靠,安装、操作使用简便;◆采用DSP16位单片机,具有很强的抗干扰能力,保证控制系统不受强电干扰。
2.购入检查开箱后进行下述检查:2.1检查铭牌以确认供货是你所订购的产品电机软起动器电压:AC 380V出厂日期:200 年 月 日标准:IEC947-4-2型号:JJR出厂编号:NO。
XKW上海雷诺尔2.2软起动器型号JJR □ □□□ X改进型型谱(电机功率号)系列号(1为1000系列,2为2000系列) 型号注:1000和2000型均为模块型直接装入开关柜。
3.安装安装方向与空间 3.1安装方向为了冷却的目的,一定要将软起模块安装在垂直方向。
3.2安装空间为了保证良好的散热性,软起动器安装时应有足够的空间。
>50 >504.电路连接端子标记端子名称1000型2000型R S T 主回路电源端连接三相电源,位于上端连接主回路U V W 起动器输出端连接三相电动机L11、L12、L13连接旁路接触器上端U、V、W连接电动机E 接地端金属框架接地(防电击事故和干扰)端子序号端子名称说明1、2 旁路继电器端子可用于启动完毕后切换至旁路接触器3、4 故障信号输出故障时闭合(继电器触点输出)5、6 运行信号输出启动延时后接通(继电器触点输出)7 瞬停输入端与10断开时进入故障停机8 软停输入端与10断开时进入软停状态9 启动输入端与10接通时电机开始运行10 公共接点输入端接点输入信号的公共端11 接地端功能性能接地12、13 控制电源输入端允许接入直流220V电源注:输出继电器触点容量AC 250V 5A4.3控制电路端子连接4.3.1接线准备◆如用户使用外部端子时,用屏蔽控制线从端子排引出。
◆为避免电磁干扰,控制走线应避开电机电缆和其它强电回路。
当不能避开时应与强电回路垂直交叉。
4.3.2外控端子的接线◆起动完毕(旁路)继电器BY—PASS,端子1和端子2。
参见图4.1当起动过程完成时,内置点便会闭合;使旁路接触器KM闭合。
面停车指令发出时,内置触点便会打开。
触点容量为AC 250V 5A建议:在接触器线圈上增加一组阻容有益于吸收分断时产的的电压尖峰,可减少对单片机的干扰。
◆故障信号BREAKE,端子3,4此内附触点为常开触点,故障时闭合,技术参数AC 250V 5A◆联锁延时继电器DELAY,端子5,6内附常开继电器触点,起动经延时0~240S后(由功能码5设定)变为闭合。
技术参数AC 250V 5A◆瞬停输入EMS,端子74.3.3通讯接口与模拟电流信号输出(参见图4.5.1)◆标准485串口用于与上位PC机通讯,除了控制软起、软停,还可监控运行电流、故障状态等。
接口端子1:×1外引+5接口端子4:×4接受器的反相输入和驱动器的反相输出端(B)接口端子5:×5信号地接口端子6:×6接受器输入和驱动器输出(A)◆多机并行通讯时,子机最多可接30台。
◆最长通讯线距离可达1KM。
◆DeviceNetBus、ProfiBus-DP总线另协议。
◆使用串口时应将功能码9设为4&5&6,功能码C设置为本机地址(1-30)。
◆0~20mA模拟电流信号输出(限于2000系列)端子2:×2输出电流负极;端子3:×3输出电流正极此信号主要用于反映电机电流大小,传输给控制中心。
模拟电流信号与电机电流关系可用下式计算:Y%=D/20×1×% Y:电机电流大小(%)4.5基本电路图框图和端子加快。
5.2显示说明JJR1000系列功能说明如下表:功能设定范围出厂值说明代码名称0 起始电压30%-80% 30% 电压模式有效1 上升时间0-60S 10S 电压模式有效2 软停车时间0-60S 2S 设为0时自由停车3 启动延时0-240S 0S 两线方式有效4 起动限制电流150-400% 250% 限流模式有效5 联锁延时0-240S 0S6 瞬停设定0-1 0 0:有 1:无7 瞬停后再启动0-1 0 0:允许 1:不允许8 控制模式0-1 1 0:限流 1:电压9 控制方式1-6 1 1:键盘 2:外控 3:键盘+外按4:PC 5:PC+键盘 6:PC+外控A 厂家予留B 显示方式0-132 0 0:按额定电流百分比×××:选实际功率额定值C 本机地址1-30 1 用于串口通讯D 修改设定参数0-1 0 0:允许 1:不允许EY 修改设定保护此状态下允许改变数据—A 起动上升状态1.显示电流值×××A或额定值百分比2.延时起动时显示时间DETTT-A 运行状态—A 软停车状态JJR2000系列功能说明如下表:注:×为0-9数值 Y 为0-F 数字特别说明:即使选用电压方式,限流亦起动作,其限流值为400%。