CKSG-1.8/0.45-6串联电抗器
- 格式:pdf
- 大小:410.81 KB
- 文档页数:5
CKSG-10.8/0.45-6串联电抗器-ReactorCKSG-10.8/0.45-6串联电抗器介绍:CK:代表系列型号,以它作为产品型号的开头是为了让客户更好的区分电抗器的功能,这里的CK代表串联电抗器,BK并联电抗器QK 启动电抗器LK滤波电抗器XK代表限流电抗器S:代表相数,这里的S表示三相电抗器,用于补偿柜共补。
,还有D 代表单相电抗器,用于补偿柜分补。
G:代表冷却方式空气冷却C代表环氧浇筑系列10.8:代表电抗器的容量,容量选择范围0.3-30KVAR,如果对电抗器容量不了解,可致电详询。
0.45:指的是电容器电压,这里的单位是KV,1KV以下的电压为低压,3-10KV以上的电抗器称高压电抗器,也有被称为高压电抗器。
6:指的是电抗率6%,常用的电抗率有5%,6%,7%,12%,14% CKSG-10.8/0.45-6串联电抗器CKSG电抗器参数表同系列型号CKSG-10.8/0.45-6%CKSG-180/0.45-6%名称串联电抗器调谐电抗器电抗器容量6%10.8KVAR匹配电容器180KVAR系统电压400V电容电压450V(可选)电压降15.59V电流230.95A电感0.22MH电抗率6%频率50HZ品牌昌日冷却方式AN防护等级Ip00串联电抗器适用于无功补偿系统中的电容器前端,抑制电网中的谐波,保护电容器的正常使用CKSG串联电抗器并联在电网中,低频时呈现容性,主要起到无功补偿功能;高频时,电网呈现感性,从而抑制谐波起动保护电容器的作用。
上海昌日电子科技有限公司我公司是专业生产电抗器的厂家,电抗器有变频器输入电抗器又称(进线电抗器),输出电抗器又称出线电抗器,直流电抗器又称平波电抗器。
补偿柜CKSG串联电抗器,电容专用串联电抗器,高压串联电抗器,电抗器系列种类齐全,订做非标电抗器产品。
串联电抗器;CKSC高压串联电抗器;QKSC启动电抗器等输入电抗器JXL系列-400输出电抗器CXL系列-400输入电抗器JXL系列-660输出电抗器CXL系列-660直流电抗器DCL系列-250一、CKSG-10.8/0.45-6串联电抗器作用接入串联电抗器,电容器电压升高系数-K=1d1如K=6%1.06 10.061≈-d=即运行电压升高6%,工作电流也随之大约6%。
60KVAR电容器配套串联电抗器60KVAR电抗器,电抗率6%,配套串联电抗器型号CKSG-3.6/0.48-6%,常规品,属于CKSG系列,俗称补偿电抗器。
CKSG串联电抗器引言:CKSG串联电抗器并联在电网中,低频时呈现容性,主要起到无功补偿功能;高频时,电网呈现感性,从而抑制谐波起动保护电容器的作用。
60KVAR电容器配套串联电抗器同系列型号CKSG-3.6/0.48-6% CKSG-60/0.45-6%名称串联电抗器调谐电抗器电抗器容量 3.6KVAR 匹配电容器60KVAR系统电压400V 电容电压480V (可选)电压降16.63V 电流72A电感0.74MH 电抗率6%频率50HZ 品牌昌日冷却方式AN 防护等级Ip00串联电抗器适用于无功补偿系统中的电容器前端,抑制电网中的谐波,保护电容器的正常使用设计、制造、销售电抗器的企业,产品涵盖各种型号的进/出线电抗器、高/低压串/并联电抗器、滤波电抗器、平波电抗器、启动电抗器等;电压等级0.30KV,0.4KV,0.69KV ,10KV等,绝缘等级包括B级、F级、H级,可充分满足用户的不同需求。
300%订单式生产方式,满足客户实际需求。
产品系列有:JXL系列输入电抗器CXL系列输出电抗器CKSG系列串联电抗器CKSC系列高压串联电抗器一、60KVAR电容器配套串联电抗器作用接入串联电抗器,电容器电压升高系数- K=1 d 1如K= 6% 1.06 30.06 1≈-d =即运行电压升高6%,工作电流也随之大约6%。
运行经验认为,装有串联电抗器的电容器容量占2/3及以上时,则不会产生谐波谐振,能有效地吸收电网谐波,改善系统的电压波形,提高系的。
二, 60KVAR电容器配套串联电抗器型号说明三、60KVAR电容器配套串联电抗器性能参数1.可用于400V、660V系统。
2.电抗率的种类:1%、6%、12%3.额定绝缘水平3kV/min。
4.CKSG电抗器各部位的温升限值:铁芯不超过85K,电圈温升不超过95K。
上海民恩电气有限公司咨询热线:158********,QQ:969827336刘先生低压电容器配套电抗器产品型号众多,均可根据客户实际需要设计加工。
我公司产的电抗器可以配套各种国内外品牌电容器,我们也可以根据您提供的技术参数,技术要求非标定制。
以下是国产40kvar电容器配套用的低压串联电抗器技术参数供您参考1依据标准:GB/T10229-1988JB5346-1998串联电抗器标准2电抗器型号:CKSG-2.8/0.48-7%3电抗器品牌:上海民恩4额定容量:2.8kVar5相数:三相6频率:50HZ7系统额定电压:0.4KV8配套电容器额定电压:0.48KV9配套电容器额定容量:40kvar电容器型号:BSMJ0.48-40-310电抗器额定端电压:19.4V11额定电抗率:7%12额定电流:48.1A13额定电感量:1.28mH14最大工作电流:65A15噪声:小于45dBA16额定电流时的温升:小于65K17最大工作电流时的温升:小于95K18绝缘水平:3KV/min19三相电抗器任意两相电抗器值之差:不大于±3%20绝缘材料耐热等级:F/H级21冷却方式:AN22使用条件:户内23海拔高度:2000m24环境温度:-25℃~+45℃25外形尺寸:240L*160W*230H26安装孔尺寸:150A*110B27单位:mm28材质:铜包,铝包(客户自选)29包装:木箱30质保期:1年31售后:免费技术咨询,技术指导,安装指导32货期:2-3个工作日,税票:开17%增值税发票33价格:请咨询我公司低压电容器配套电抗器尺寸图:低压电容器配套电抗器的作用:电容器接入串联电抗器,电容器电压升高系数-K=1d1如K=6%1.0610.061≈-d=即运行电压升高6%,工作电流也随之大约6%。
运行经验认为,装有串联电抗器的电容器容量占2/3及以上时,则不会产生谐波谐振,能有效地吸收电网谐波,改善系统的电压波形,提高系统的功率因数,并能有效地抑制合闸涌流及操作过电压,有效地保护了电容器。
50KVAR电容器配套串联电抗器50KVAR电抗器,电抗率6%,配套串联电抗器型号CKSG-50/48-6%,常规品,属于CKSG系列,俗称补偿电抗器。
CKSG串联电抗器引言:CKSG串联电抗器并联在电网中,低频时呈现容性,主要起到无功补偿功能;高频时,电网呈现感性,从而抑制谐波起动保护电容器的作用。
50KVAR电容器配套串联电抗器同系列型号CKSG-3/0.48-6% CKSG-50/0.45-6%名称串联电抗器调谐电抗器电抗器容量3KVAR 匹配电容器50KVAR系统电压400V 电容电压480V (可选)电压降16.63V 电流60.14A电感0.74MH 电抗率6%频率50HZ 品牌昌日冷却方式AN 防护等级Ip00串联电抗器适用于无功补偿系统中的电容器前端,抑制电网中的谐波,保护电容器的正常使用上海昌日电子科技有限公司是一家设计、制造、销售电抗器的企业,产品涵盖各种型号的进/出线电抗器、高/低压串/并联电抗器、滤波电抗器、平波电抗器、启动电抗器等;电压等级0.30KV,0.4KV,0.69KV ,10KV等,绝缘等级包括B 级、F级、H级,可充分满足用户的不同需求。
300%订单式生产方式,满足客户实际需求。
产品系列有:JXL系列输入电抗器CXL系列输出电抗器CKSG系列串联电抗器CKSC系列高压串联电抗器一、50KVAR电容器配套串联电抗器作用接入串联电抗器,电容器电压升高系数- K=1 d 1如K= 6% 1.06 30.06 1≈-d =即运行电压升高6%,工作电流也随之大约6%。
运行经验认为,装有串联电抗器的电容器容量占2/3及以上时,则不会产生谐波谐振,能有效地吸收电网谐波,改善系统的电压波形,提高系的。
二, 50KVAR电容器配套串联电抗器型号说明三、50KVAR电容器配套串联电抗器性能参数1.可用于400V、660V系统。
2.电抗率的种类:1%、6%、12%3.额定绝缘水平3kV/min。
选型指南CKSG 系列低压串联电抗器在补偿容性无功功率的时候,往往会受到谐波电流、合闸涌流及操作过程电压的影响,造成电容损坏和功率因数降低,为此需要在电容器前端加装串联电抗器,用以抑制和吸收谐波、保护电容器,避免谐波电压电流及冲击电压电流影响,改善电能质量提高系统功率因数,延长电容器使用寿命。
另外还有各种电压等级如:0.4kV 、0.45kV 、0.48kV 、0.525kV 、0.66kV 、1.44kV 等;各种电抗率如:1%、4.5%、5.6%、7%、12%、13%、14%等。
国家标准:GB/T1094.1、GB/T1094.6适用范围认证与标准产品特征主要技术参数 电抗器采用三相三柱心式结构。
铁心气隙采用环氧层压玻璃布板做间隔,以保证电抗器气隙在运行过程中不发生变化。
线圈采用漆包扁线紧密绕制,以保证电抗器线圈在运行过程中不发生震动。
106CKSG-1.220 1.2CKSG-1.830 1.8CKSG-2.440 2.4CKSG-3.0503CKSG-3.660 3.6CKSG-4.270 4.2CKSG-4.880 4.8CKSG-5.490 5.4CKSG-6.01006796G电源类产品主要技术参数CKSG-0.72kvar/0.45kV-6%126 CKSG-0.9kvar/0.45kV-6%156 CKSG-0.96kvar/0.45kV-6%166 CKSG-1.08kvar/0.45kV-6%186 CKSG-1.2kvar/0.45kV-6%206 CKSG-1.5kvar/0.45kV-6%256 CKSG-1.68kvar/0.45kV-6%286 CKSG-1.8kvar/0.45kV-6%306 CKSG-2.1kvar/0.45kV-6%356 CKSG-2.4kvar/0.45kV-6%406 CKSG-2.7kvar/0.45kV-6%456 CKSG-3.0kvar/0.45kV-6%506 CKSG-3.6kvar/0.45kV-6%606 CKSG-4.2kvar/0.45kV-6%706 CKSG-0.7kvar/0.45kV-7%107 CKSG-0.84kvar/0.45kV-7%127 CKSG-1.05kvar/0.45kV-7%157 CKSG-1.12kvar/0.45kV-7%167 CKSG-1.26kvar/0.45kV-7%187 CKSG-1.4kvar/0.45kV-7%207 CKSG-1.75kvar/0.45kV-7%257 CKSG-1.96kvar/0.45kV-7%287 CKSG-2.1kvar/0.45kV-7%307 CKSG-2.45kvar/0.45kV-7%357 CKSG-2.8kvar/0.45kV-7%407 CKSG-3.15kvar/0.45kV-7%457 CKSG-3.5kvar/0.45kV-7%507 CKSG-4.2kvar/0.45kV-7%607 CKSG-4.9kvar/0.45kV-7%707 CKSG-1.2kvar/0.525kV-12%1012 CKSG-1.44kvar/0.525kV-12%1212 CKSG-1.8kvar/0.525kV-12%1512 CKSG-1.92kvar/0.525kV-12%1612 CKSG-2.16kvar/0.525kV-12%1812CKSG-2.4kvar/0.525kV-12%2012CKSG-3.0kvar/0.525kV-12%2512797G 电源类产品CKSG-3.6kvar/0.525kV-12%3012CKSG-4.2kvar/0.525kV-12%3512CKSG-4.8kvar/0.525kV-12%4012CKSG-5.4kvar/0.525kV-12%4512CKSG-6.0kvar/0.525kV-12%5012CKSG-7.2kvar/0.525kV-12%6012CKSG-8.4kvar/0.525kV-12%7012CKSG-1.3kvar/0.525kV-13%1013CKSG-1.56kvar/0.525kV-13%1213CKSG-1.95kvar/0.525kV-13%1513CKSG-2.08kvar/0.525kV-13%1613CKSG-2.34kvar/0.525kV-13%1813CKSG-2.6kvar/0.525kV-13%2013CKSG-3.25kvar/0.525kV-13%2513CKSG-3.64kvar/0.525kV-13%2813CKSG-3.9kvar/0.525kV-13%3013CKSG-4.55kvar/0.525kV-13%3513CKSG-5.2kvar/0.525kV-13%4013CKSG-5.85kvar/0.525kV-13%4513CKSG-6.5kvar/0.525kV-13%5013CKSG-7.8kvar/0.525kV-13%6013CKSG-9.1kvar/0.525kV-13%7013CKSG-1.4kvar/0.525kV-14%1014CKSG-1.68kvar/0.525kV-14%1214CKSG-2.1kvar/0.525kV-14%1514CKSG-2.24kvar/0.525kV-14%1614CKSG-2.52kvar/0.525kV-14%1814CKSG-2.8kvar/0.525kV-14%2014CKSG-3.5kvar/0.525kV-14%2514CKSG-3.92kvar/0.525kV-14%2814CKSG-4.2kvar/0.525kV-14%3014CKSG-4.9kvar/0.525kV-14%3514CKSG-5.6kvar/0.525kV-14%4014CKSG-6.3kvar/0.525kV-14%4514CKSG-7.0kvar/0.525kV-14%5014CKSG-8.4kvar/0.525kV-14%6014CKSG-9.8kvar/0.525kV-14%7014798G电源类产品外形与安装尺寸(mm)CKSG-0.3/0.45-6%0.35 4.5%5.6%6%7%12%13%14%D 160×95×165130×60φ7×17160×105×165130×60φ7×17CKSG-0.6/0.45-6%0.610160×115×165130×80φ7×17160×110×165130×75φ7×17CKSG-0.9/0.45-6%0.915Y 200×145×185170×70φ7×17200×150×180170×80φ7×17CKSG-1.2/0.45-6% 1.220200×155×185170×80φ7×17200×160×180170×80φ7×17CKSG-1.5/0.45-6% 1.525200×170×185170×90φ7×17200×170×180170×90φ7×17CKSG-1.8/0.45-6% 1.830240×180×205200×100φ10×22240×180×205200×90φ10×22CKSG-2.1/0.45-6% 2.135240×180×230200×100φ10×22240×185×205200×95φ10×22CKSG-2.4/0.45-6% 2.440240×190×205200×110φ10×22240×195×205200×100φ10×22CKSG-2.7/0.45-6% 2.745240×190×230200×110φ10×22240×195×230200×100φ10×22CKSG-3.0/0.45-6%350250×200×235210×115φ10×22250×200×235210×105φ10×22CKSG-3.6/0.45-6% 3.660250×205×255210×120φ10×22250×215×235210×115φ10×22CKSG-4.2/0.45-6% 4.270310×195×285250×110φ10×22250×200×255210×110φ10×22CKSG-0.35/0.45-7%0.355D 160×105×165130×75φ7×17160×105×165130×75φ7×17CKSG-0.7/0.45-7%0.710200×105×190170×75φ7×17160×115×165130×80φ7×17图1 外形Y图2 外形D799G电源类产品CKSG-1.05/0.45-7% 1.0515 4.5%5.6%6%7%12%13%14%Y 200×155×180170×80φ7×17200×160×180170×80φ7×17CKSG-1.4/0.45-7% 1.420200×165×180170×90φ7×17200×165×180170×85φ7×17CKSG-1.75/0.45-7% 1.7525240×175×205200×95φ10×22240×175×205200×90φ10×22CKSG-2.1/0.45-7% 2.130240×180×230200×100φ10×22240×190×205200×100φ10×22CKSG-2.45/0.45-7% 2.4535240×185×230200×105φ10×22240×190×230200×100φ10×22CKSG-2.8/0.45-7% 2.840250×190×235210×105φ10×22240×190×230200×100φ10×22CKSG-3.15/0.45-7% 3.1545250×195×255210×110φ10×22240×205×230200×110φ10×22CKSG-3.5/0.45-7% 3.550250×205×255210×120φ10×22250×205×235210×110φ10×22CKSG-4.2/0.45-7% 4.260250×205×255210×120φ10×22250×210×255210×110φ10×22CKSG-4.9/0.45-7% 4.970310×195×285250×110φ10×22250×220×255220×120φ10×22CKSG-0.35/0.48-7%0.355D 160×105×165130×75φ7×17160×105×165130×75φ7×17CKSG-0.7/0.48-7%0.710200×105×190170×75φ7×17160×115×165130×80φ7×17CKSG-1.05/0.48-7% 1.0515Y 200×155×180170×85φ7×17200×155×180170×75φ7×17CKSG-1.4/0.48-7% 1.420200×165×180170×95φ7×17200×165×180170×90φ7×17CKSG-1.75/0.48-7% 1.7525240×175×205200×95φ10×22240×175×205200×90φ10×22CKSG-2.1/0.48-7% 2.130240×180×230200×100φ10×22240×185×205200×95φ10×22CKSG-2.45/0.48-7% 2.4535240×190×230200×110φ10×22240×195×205200×105φ10×22CKSG-2.8/0.48-7% 2.840240×190×230200×110φ10×22240×190×230200×100φ10×22CKSG-3.15/0.48-7% 3.1545250×205×235210×120φ10×22240×200×230200×110φ10×22CKSG-3.5/0.48-7% 3.550250×210×255210×120φ10×22250×205×235210×110φ10×22CKSG-4.2/0.48-7% 4.260250×210×255210×120φ10×22250×205×235210×110φ10×22CKSG-4.9/0.48-7% 4.970310×200×285250×110φ10×22250×220×255220×120φ10×22CKSG-0.6/0.525-12%0.65D 160×115×165130×80φ7×17200×105×190170×70φ7×17CKSG-1.2/0.525-12% 1.210200×115×190170×80φ7×17200×120×190170×85φ7×17CKSG-1.8/0.525-12% 1.815Y 240×175×180200×90φ7×17240×175×205200×90φ10×22CKSG-2.4/0.525-12% 2.420240×185×230200×100φ10×22240×190×205200×105φ10×22CKSG-3.0/0.525-12%325240×195×230200×110φ10×22250×200×235210×105φ10×22CKSG-3.6/0.525-12% 3.630250×205×235210×120φ10×22250×210×235210×115φ10×22CKSG-4.2/0.525-12% 4.235250×215×235210×130φ10×22250×210×255210×110φ10×22CKSG-4.8/0.525-12% 4.840310×205×285250×110φ10×22250×225×255210×120φ10×22CKSG-5.4/0.525-12% 5.445310×215×285250×120φ10×22310×205×285250×110φ10×22CKSG-6.0/0.525-12%650310×215×285250×120φ10×22310×205×285250×110φ10×22CKSG-7.2/0.525-12%7.260310×225×285250×130φ10×22310×220×285250×120φ10×22CKSG-8.4/0.525-12%8.470310×235×285250×140φ10×22310×235×285250×130φ10×22800G电源类产品注:以上外形尺寸误差±10mm ,安装尺寸标注误差±5mm。
串联电抗器-Reactor串联介绍:CK:代表系列型号,以它作为产品型号的开头是为了让客户更好的区启动电抗器LK滤波电抗器 XK代表限流电抗器有D代表单相电抗器,用于补偿柜分补。
: 代表电抗器的容量,容量选择范围,若是对电抗器容量不了解,可致电详询。
:指的是电容器电压,那个地址的单位是KV,1KV以下的电压为低压,3-10KV以上的电抗器称高压电抗器,也有被称为高压电抗器。
上海昌日电子科技我公司是专业生产电抗器的厂家,电抗器有变频器输入电抗器又称(进线电抗器),输出电抗器又称出线电抗器,直流电抗器又称平波电抗器。
补偿柜CKSG串联电抗器,电容专用串联电抗器,高压串联电抗器,电抗器系列种类齐全,订做非标电抗器产品。
串联电抗器;CKSC高压串联电抗器;QKSC启动电抗器等输入电抗器 JXL系列-400 输出电抗器 CXL系列-400输入电抗器 JXL系列-660 输出电抗器 CXL系列-660直流电抗器 DCL系列-250一、串联电抗器作用接入串联电抗器,电容器电压升高系数- K=1 d 1如K= 6% 1≈-d =即运行电压升高6%,工作电流也随之大约6%。
运行体会以为,装有串联电抗器的电容器容量占2/3及以上时,那么可不能产生谐波谐振,能有效地吸收电网谐波,改善系统的电压波形,提高系统的功率因数,并能有效地抑制合闸涌流及操作过电压,有效地爱惜了电容器。
CKSG电抗器作用,在补偿柜中称为共补用于补偿兼顾滤波的功能电抗器的K值:6%,是我公司生产的CKDG, CKSG 电抗器系列,CKSG电抗器系列,品质:优质品,质量是产品的生命;价钱:优惠,量大从优,长期合作;包装:木箱包装,运输牢固靠得住。
效劳:免费,您有问题只要一个,为您解决相关问题,. 产地:上海;产品效劳: 一年三包,响应时刻24小时,偏僻地域适当延长。
二, 串联电抗器型号说明CK S / -7电抗率电容电压(KV)电抗器容量(KVAR)干式冷却方式S代表三相D代表单相串联电抗器(Reactor)叁,串联电抗器性能参数1.串联电抗器可用于400V、660V系统。
25KVAR电容器配套串联电抗器25KVAR电抗器,电抗率6%,配套串联电抗器型号CKSG-1.5/0.48-6%,常规品,属于CKSG系列,俗称补偿电抗器。
CKSG串联电抗器引言:CKSG串联电抗器并联在电网中,低频时呈现容性,主要起到无功补偿功能;高频时,电网呈现感性,从而抑制谐波起动保护电容器的作用。
25KVAR电容器配套串联电抗器同系列型号CKSG-1.5/0.48-6% CKSG-25/0.45-6%名称串联电抗器调谐电抗器电抗器容量 1.5KVAR 匹配电容器25KVAR系统电压400V 电容电压480V (可选)电压降16.63V 电流30A电感 1.765MH 电抗率6%频率50HZ 品牌昌日冷却方式AN 防护等级Ip00串联电抗器适用于无功补偿系统中的电容器前端,抑制电网中的谐波,保护电容器的正常使用上海昌日电子科技有限公司是一家设计、制造、销售电抗器的企业,产品涵盖各种型号的进/出线电抗器、高/低压串/并联电抗器、滤波电抗器、平波电抗器、启动电抗器等;电压等级0.25KV,0.4KV,0.69KV ,10KV等,绝缘等级包括B 级、F级、H级,可充分满足用户的不同需求。
250%订单式生产方式,满足客户实际需求。
产品系列有:JXL系列输入电抗器CXL系列输出电抗器CKSG系列串联电抗器CKSC系列高压串联电抗器一、25KVAR电容器配套串联电抗器作用接入串联电抗器,电容器电压升高系数- K=1 d 1如K= 6% 1.06 25.06 1≈-d =即运行电压升高6%,工作电流也随之大约6%。
运行经验认为,装有串联电抗器的电容器容量占2/3及以上时,则不会产生谐波谐振,能有效地吸收电网谐波,改善系统的电压波形,提高系的。
二, 25KVAR电容器配套串联电抗器型号说明三、25KVAR电容器配套串联电抗器性能参数1.可用于400V、660V系统。
2.电抗率的种类:1%、6%、12%3.额定绝缘水平3kV/min。
串联电抗器型号CKSG-1.2/0.45-6%型式Type低压串联电抗器电抗率Reactor6%电抗器容量Rated power 1.2kvar联结Connection串联电压Se.Vol0.45KV电流Se.Cur25.66A相数Number of phases三相频率Frequency50Hz电感量Inductance 1.936mH温升Temperature rise<65K冷却方式Cooling Type自冷品牌Brand上海民恩配套电容器容量20kvar配套电容电压0.45KV质保期Warranty period一年三包服务售后维护终身免费维护该滤波电抗器用于低压滤波补偿柜中,与并联电容器相串联,调谐至某一谐振频率,用来吸收电网中相应频率的谐波电流。
低压电网中有大量整流、变流、变频装置等谐波源,其产生的高次谐波会严重危害主变及系统中其它电器设备的安全运行。
滤波电抗器与电容器相串联后,不但能有效地吸收电网谐波,而且提高了系统的功率因数,对于系统的安全运行起到了较大的作用。
接入串联电抗器,电容器电压升高系数-K=1d1如K=6%1.0610.061≈-d=即运行电压升高6%,工作电流也随之大约6%。
运行经验认为,装有串联电抗器的电容器容量占2/3及以上时,则不会产生谐波谐振,能有效地吸收电网谐波,改善系统的电压波形,提高系统的功率因数,并能有效地抑制合闸涌流及操作过电压,有效地保护了电容器。
一.CKSG-1.2/0.45-6%串联电抗器型号含义(标示图)CK S G-1.2/0.45-6%额定电抗率6%(抑制5次7次谐波)系统额定电压0.45KV额定容量 1.2kvar干式铁芯自然冷却三相串联电抗器抑制5次7次谐波的民恩滤波补偿电抗器改如何选择呢?3次谐波电抗率选择多大合适呢?根据我公司多年为客户选配电抗器的经验得出以下结论;K值取4.5%~7%针对5次7次谐波抑制效果比较好,但是考虑到安全问题通常电抗率会选到6%或者7%。
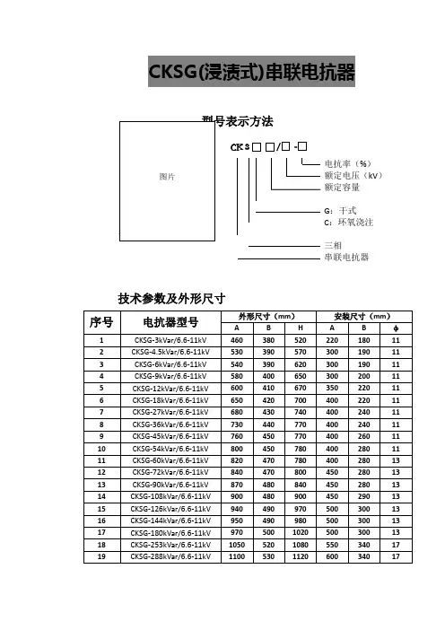
CKSG(浸渍式)串联电抗器电抗率(%) 额定电压(kV )额定容量 G :干式 C :环氧浇注 三相串联电抗器技术参数及外形尺寸CKSC(浇注式)串联电抗器CK S C电抗率(%)额定电压(kV)额定容量C:环氧浇注三相串联电抗器产品用途本系列产品为35kV及以下电力电容器配套,改善电力系统的功率因数,降低电力电容器组投切过程中的涌流倍数和抑制电网的高次谐波,对电容器组的安全运行,改善网络电压波形,提高供电质量和电网安全经济运行其良好的作用。
适用于电力系统、电气化铁道、冶金、石化等较高防火要求、电磁干扰要求和安装空间有限的城网变电站、地下变电站和微机控制变电站等户内场所。
国家标准IEC289-88《电抗器》GB10229-88《电抗器》JB5346-1998《串联电抗器》D1462-92《高压关联电容器用串联电抗器订货技术条件》技术参数及外形尺寸油浸式串联电抗器产品概述油浸式串联电抗器用于与电力系统高压并联电容器串联,抑制高次谐波,限制合闸涌流和操作过电压,改善系统供电质量,保证电网安全和经济运行。
电抗率(%)额定电压(kV)额定容量Q:加强型(普S:三相D:单相串联电抗器使用环境条件1.使用地点:户内或户外;2.环境温度:-30℃~+40℃;3.相对湿度:≤90%;4.地震烈度:≤8级;5.海拔高度:≤1000米;6.安全地点应无严重影响绝缘性能的有害气体及导电性或爆炸性尘埃。
主要性能1.额定电压,额定电流,配套电容器容量等见技术参数;2.超载能力:1.35倍额定电流下连续运行;3.热稳定电流:能耐受额定电流的倍数,时间2S;4.动稳定性能:能耐受热稳定电流的2.55倍,时间0.5S,无任何热的机械的损伤;5.温升:线圈平均温升≤55℃(电阻法),油面温升≤50℃(温度计法)。
外形和安装尺寸三相串联电抗器(变频器适配电抗器)产品概述本系列电抗器主要适用于额定电压1000kV及以下交流系统中与变频器配套使用。
CKDG 单相串联电抗器选型指南CKDG 单相串联电抗器主要用于低压无功补偿柜中,与电容器相串联,用以抑制和吸收谐波、保护电容器,避免谐波电压电流及冲击电压电流影响,改善电能质量,提高系统功率因素,延长电容器使用寿命。
采用双柱结构,散热好、温升低。
铁心气隙采用环氧层压玻璃布板做间隔,以保证电抗器气隙在运行过程中不发生变化。
线圈采用漆包扁线紧密绕制,以保证电抗器线圈在运行过程中不发生震动。
标准:GB/T 1094.1、GB/T 1094.6适用范围认证与标准产品特征工作条件及安装条件海拔高度:≤2000m环境温度:-5℃~+40℃空气相对湿度:最湿月的月平均最大相对湿度为90%,同时该月的月平均温度为+25℃ 工作环境:a.大气中无严重影响变压器绝缘的污秽及易蚀易爆介质。
b.安装场所无剧烈震动和颠簸。
c.不受雨雪侵袭的场所。
d.电源电压波形近似于正弦波。
e.电源电压偏差不大于±5%。
G5 变压器803G电源类产品外形与安装尺寸(mm)CKDG 单相串联电抗器注:以上外形尺寸标注误差±10mm ,安装尺寸标注误差±5mm 。
三台单相连体(以型号后*3为标志)的根据客户要求按特殊定制(下单请时咨询)。
此外形尺寸仅供参考,如有特殊要求,请提前告知。
CKDG-0.23/0.25-7%10/30.23 4.5%D 105×100×17075×60φ7×17105×145×17075×75φ7×17CKDG-0.35/0.25-7%15/30.35Y 105×145×16075×75φ7×17105×160×16075×85φ7×17CKDG-0.47/0.25-7%20/30.47120×155×18590×80φ7×17120×150×18590×75φ7×17CKDG-0.58/0.25-7%25/30.58120×160×18590×85φ7×17120×155×18590×75φ7×17CKDG-0.7/0.25-7%30/30.7120×165×18590×85φ7×17120×160×18590×85φ7×17CKDG-0.82/0.25-7%35/30.82120×170×18590×90φ7×17120×165×18590×90φ7×17CKDG-0.93/0.25-7%40/30.93155×175×205114×90φ10×22155×180×205114×90φ10×22CKDG-1.05/0.25-7%45/3 1.05155×190×205114×100φ10×22155×190×230114×90φ10×22CKDG-1.17/0.25-7%50/3 1.17155×190×205114×100φ10×22155×190×205114×95φ10×22CKDG-1.4/0.25-7%60/3 1.4155×190×230114×100φ10×22155×190×205114×100φ10×22CKDG-0.47/0.30-14%10/30.47D 120×110×18590×75φ7×17120×110×18590×75φ7×17CKDG-0.7/0.30-14%15/30.7120×125×19590×85φ7×17120×160×18590×85φ7×17CKDG-0.93/0.30-14%20/30.93Y 120×170×18590×95φ7×17155×185×205114×90φ10×22CKDG-1.17/0.30-14%25/3 1.17155×185×205114×95φ10×22155×185×205114×90φ10×22CKDG-1.4/0.30-14%30/3 1.4155×185×230114×100φ10×22155×190×205114×100φ10×22CKDG-1.63/0.30-14%35/3 1.63155×195×230114×110φ10×22155×190×230114×100φ10×22CKDG-1.87/0.30-14%40/3 1.87155×195×230114×110φ10×22155×200×230114×110φ10×22CKDG-2.1/0.30-14%45/3 2.1165×200×235125×115φ10×22165×195×235125×105φ10×22CKDG-2.34/0.30-14%50/3 2.34165×225×235125×130φ10×22165×200×235125×110φ10×22CKDG-2.8/0.30-14%*360/3 2.8190×190×285140×110φ10×22165×200×255125×110φ10×22G5 变压器804G电源类产品。
CKSG-2.4/0.45-6铁芯电抗器CKSG-2.4/0.45-6铁芯电抗器的简介电抗器就是电力系统中用于限制短路电流、无功补偿和移相等的电感性高压电器。
按其绕组内有无铁芯可分为铁心式电抗器和空心式电抗器。
空心式电抗器的磁通全部经空气闭合,而铁芯式电抗器磁通全部或大部分经铁心闭合。
铁芯式电抗器作为一种变阻器件,接在交流电路中,通过改变铁芯的导磁率以改变器件的电抗,使负载得到的功率受到控制。
空心式电抗器在运行中线性度好,限制短路电流的能力强,但容易造成电磁污染,损耗较大,占据空间大,制作成本高,且不适合装在柜中。
一般应用于低压电路或者柜内,采用带铁芯结构的电抗器,它的主要优点是:损耗小,电磁兼容性好,体积小,而且价格相对便宜等。
铁芯式电抗器由铁芯、绕组、绝缘油、冷却系统构成。
同时它又可分为干式铁芯,采用氧树脂铸线圈其动、热稳定性均很好,适合装在柜中;油浸式铁芯电抗器虽然体积大些,但噪音较小,散热较好,安装方便,适用于户外使用. 需要注意的是:铁芯应用在变压器与电抗器也有不同,电抗器只有一个高压绕组,变压器分两个;而且电抗器带绕组的铁芯一般是有气隙的,气隙是为保证电抗器的伏安特性。
另一方面为保证电抗器伏安特性的线性,而采用较低的磁通密度。
铁芯电抗器常用的有铁芯输入电抗器,铁芯输出电抗器,铁芯串联电抗器,高压铁芯串联电抗器。
高压并联铁芯电抗器。
一、CKSG-2.4/0.45-6铁芯电抗器作用接入铁芯串联电抗器,电容器电压升高系数- K=1 d 1如K= 6% 1.06 10.06 1≈-d =即运行电压升高6%,工作电流也随之大约6%。
运行经验认为,装有串联电抗器的电容器容量占2/3及以上时,则不会产生谐波谐振,能有效地吸收电网谐波,改善系统的电压波形,提高系统的功率因数,并能有效地抑制合闸涌流及操作过电压,有效地保护了电容器。
二, CKSG-2.4/0.45-6铁芯电抗器型号说明上海昌日电子科技有限公司我公司是专业生产电抗器,变压器电容器的厂家,铁芯电抗器有变频器铁芯输入电抗器,铁芯输出电抗器,铁芯直流电抗器。
CKSG-2.1/0.48-7%串联电抗器-ReactorCKSG-2.1/0.48-7%串联电抗器介绍:CK:代表系列型号,以它作为产品型号的开头是为了让客户更好的区分电抗器的功能,这里的CK代表串联电抗器,BK并联电抗器QK 启动电抗器LK滤波电抗器XK代表限流电抗器S:代表相数,这里的S表示三相电抗器,用于补偿柜共补。
,还有D 代表单相电抗器,用于补偿柜分补。
G: 代表冷却方式空气冷却C代表环氧浇筑系列2.1: 代表电抗器的容量,容量选择范围0.3-30KVAR,如果对电抗器容量不了解,可致电详询。
0.48:指的是电容器电压,这里的单位是KV,1KV以下的电压为低压,3-10KV以上的电抗器称高压电抗器,也有被称为高压电抗器。
7%:指的是电抗率,常用的电抗率有5%,6%,7%,12%,14% CKSG-2.1/0.48-7%串联电抗器CKSG电抗器参数表同系列型号CKSG-2.1/0.48-7% CKSG-30/0.48-7%名称串联电抗器调谐电抗器电抗器容量 2.1KVAR 匹配电容器30KVAR 系统电压400V 电容电压480V(可选)电压降19.4V 电流36.1A电感 1.71MH 电抗率7%频率50HZ 品牌昌日冷却方式AN 防护等级Ip00串联电抗器适用于无功补偿系统中的电容器前端,抑制电网中的谐波,保护电容器的正常使用CKSG串联电抗器并联在电网中,低频时呈现容性,主要起到无功补偿功能;高频时,电网呈现感性,从而抑制谐波起动保护电容器的作用。
上海昌日电子科技有限公司我公司是专业生产电抗器的厂家,电抗器有变频器输入电抗器又称(进线电抗器),输出电抗器又称出线电抗器,直流电抗器又称平波电抗器。
补偿柜CKSG串联电抗器,电容专用串联电抗器,高压串联电抗器,电抗器系列种类齐全,订做非标电抗器产品。
串联电抗器;CKSC高压串联电抗器;QKSC启动电抗器等输入电抗器 JXL系列-400 输出电抗器 CXL系列-400输入电抗器 JXL系列-660 输出电抗器 CXL系列-660直流电抗器 DCL系列-250一、CKSG-2.1/0.48-7%串联电抗器作用接入串联电抗器,电容器电压升高系数- K=1 d 1如K= 6% 1.06 10.06 1≈-d =即运行电压升高6%,工作电流也随之大约6%。
一.CKSG-4.2/0.48-6%串联电抗器型号含义(标示图)CK S G-4.2/0.48-6%额定电抗率6%系统额定电压0.48KV 额定容量 4.2kvar 干式铁芯三相串联电抗器串联电抗器型号CKSG-4.2/0.48-6%型式Type低压串联电抗器电抗率Reactor 6%电抗器容量Rated power 4.2kvar 联结Connection 串联电压Se.Vol0.48KV 电流Se.Cur 84.2A 相数Number of phases 三相频率Frequency 50Hz 冷却方式Cooling Type 自冷品牌上海民恩配套电容器容量70KVAR 配套电容电压0.48KV 质保期一年三包服务售后维护终身免费维护为什么电容器要加装电抗器呢?加装电抗器的目的是吸收抑制电网中的谐波;一般谐波源是变频设备,会产生5次7次谐波,改变电网波形,对电容器造成威胁,从而降低补偿功率因数。
电容器柜装电抗器,是为了抑制谐波,抑制合闸浪涌;目的不同,电抗率K取值不同。
比如,单纯是抑制合闸浪涌,选用电抗率为1%的电抗器够了抑制电网5次谐波时,K取值范围4.5%~7%,一般选用电抗率为6%或者7%的电抗率比较安全。
抑制电网3次谐波时,应选用电抗率为12%、14%的电抗器比较多。
70kvar电容器,现场如果有5次谐波电抗率可以选择6%;型号就是CKSG-4.2/0.4-6% 70KVAR电容器,现场有3次谐波,电抗率可以选择6%,型号就是CKSG-8.4/0.525-12%上海民恩电抗器厂家无功补偿柜用低压串联电抗器系列产品型号众多,有线绕和箔绕两种,均可根据客户实际需要设计加工。
我公司设计的电抗器可以配套各种国内外品牌电容器,我们也可以根据您提供的技术参数,技术要求非标设计加工。
我公司向客户保证每一台产品出厂前均经过检测合格后才包装发出,请您放心购买!如有疑问可联系我们!二.CKSG-4.2/0.48-6%串联电抗器基本参数以下是CKSG-4.2/0.48-6%串联电抗器技术参数供您参考1依据标准:GB/T10229-1988JB5346-1998串联电抗器标准2电抗器型号:CKSG-4.2/0.48-6%3电抗器品牌:上海民恩4额定容量:4.2kvar5电抗器相数:三相6电抗器频率:50HZ7系统额定电压:0.48KV8配套电容器额定电压:0.48KV9配套电容器额定容量:40kvar电容器型号:BSMJ0.48-50-310电抗器额定端电压:16.6V11额定电抗率:6%、额定电流:84A、额定电感量:0.63mH12最大工作电流:113A、噪声:小于45dBA、绝缘水平:3KV/min13额定电流时的温升:小于65K、最大工作电流时的温升:小于95K14三相电抗器任意两相电抗器值之差:不大于±3%15绝缘材料耐热等级:F/H级、冷却方式:AN16使用条件:户内、海拔高度:2000m、环境温度:-25℃~+45℃17外形尺寸:280L*170W*21H、安装孔尺寸:175A*80B18单位:mm材质:铜包,铝包(客户自选)19包装:木箱,托板木箱20质保期:1年、售后:免费技术咨询,技术指导,安装指导21货期:3个工作日,税票:开17%增值税发票常规电抗器现货产品有:30KVAR电抗器-6%:CKSG-1.8/0.485-6%、30KVAR电抗器-7%:CKSG-2.1/0.485-7%、20KVAR电抗器6%:CKSG-1.2/0.485-6%、25KVAR电抗器-6%:CKSG-1.5/0.485-6%等,当天可以打包发货!三.CKSG-4.2/0.48-6%串联电抗器技术图纸四.CKSG-4.2/0.48-6%串联电抗器实物图片漆包线绕制电抗器(铜线和铝线两种)箔绕串联电抗器(电抗器批量发货)买前须知:一、上海民恩电气有限公司所售所有产品均为正品,保证质量,保证性能;需要17%增值税发票,请联系我公司销售人员!二、购买前请核对技术参数,文中产品描述的产品标准技术参数为:1)电抗器名称:三相低压串联电抗器2)系统电压:400V(如系统电压非常规请备注说明)频率:50HZ2)匹配电容器额定电压:400V,450V,480V,525V等3)本产品型号为标题标注CKSG系列产品4)本产品标注电抗率为6%,主要抑制5次,7次,11次以上谐波5)本产品所发布价格为铝线包价格(即铝漆包线,出线端为铜端),如需要铜线包价格请联系工作人员,谢谢)6)此型号电抗器其他技术参数请您咨询公司销售人员!如有技术疑问或方案设计,请联系我们!三、公司常规型号有库存,如需非标定做,交货周期一般在3-5个工作日,具体根据型号及数量来决定!四、运输方式:由于电气产品较重,走快递费用高容易损坏,一般以物流为主(合作物流有德邦,华宇,佳吉,以及其他物流专线等)。
CKSG-1.8/0.45-6 电抗器-串联电抗器生产过程
CKSG-1.8/0.45-6串联电抗器生产步骤
第一步,CKSG-1.8/0.45-6%根据客户提供的参数,进行计算,确定串联电抗器的线材,矽钢片等原料.
举例CKSG-1.8/0.45-6参数型号
串联电抗器型号:CKSG-1.8/0.45-6
电抗器名称:低压干式串联电抗器
电抗器容量:1.8kvar
电抗率:6%
系统电压:400V
压降:15.6V
额定电流:38.5A
耐压:3000V
耐温等级:F/H
第二步:串联电抗器下生产单进行生产
1,串联电抗器使用绕线机开始绕线,绕制成电抗器线包
2,电抗器-串联电抗器铁芯叠装
全自动绕线机图片
线包成品
工艺好坏与使用设备还有制造师傅有很重要的关系第三步:串联电抗器装配阶段
1,对所制作电抗器的硅钢片进行叠片
产品组装中
第四;CKSG系列串联电抗器线圈和铁芯组装成体后是如何固化的,确保电抗器低温升,低噪音
电抗器-串联电抗器的线圈和铁芯组装成一体后经过预烘→真空浸漆→热烘固化这一工艺流程,采用H级浸渍漆,使电抗器的线圈和铁芯牢固地结合在一起,不但大大减小了运行时的噪音,而且具有极高的耐热等级,可确保电抗器在高温下亦能安全地无噪音地运行。
串联电抗器芯柱部分紧固件采用无磁性材料,确保电抗器具有较高的品质因数和较低的温升,确保具有较好的滤波效果。
生产电抗器设备要具有浸漆罐,
这个是浸漆设备为了保证电抗器的噪音低,温升小
烘箱设备
第五步,生产出来的电抗器图片
第六步电抗器要经过检测,表面处理等不一一介绍
第七步,电抗器打包装箱。