生活污水处理A2O工艺设计计算说明书
- 格式:doc
- 大小:517.50 KB
- 文档页数:26
一.A 2/O 工艺的设计 1.1 A 2/O 工艺说明根据处理要求,我们需计算二级处理进水碳氮比值和总磷与生化需氧量的比值,来判断A 2/O 工艺是否适合本污水处理方案。
1. 设计流量:Q =54000m³/d=2250 m³/h原污水水质:COD =330mg/L BOD =200 mg/L SS =260 mg/L TN =25 mg/L TP =5 mg/L一级处理出水水质:COD =330×(1-20%)=264mg/L BOD =200×(1-10%)=180mg/L SS =260×(1-50%)=130 mg/L二级处理出水水质:BOD =10mg/L SS =10 mg/L NH3-N =5mg/L TP ≤1 mg/L TN =15 mg/L COD=50 mg/L 其中:2.1325330==TN COD >8 025.02005==BOD TP <0.06 符合A 2/O 工艺要求,故可用此法。
1.2 A 2/O 工艺设计参数BOD5污泥负荷N =0.15KgBOD5/(KgMLSS ‧d)好氧段DO =2 缺氧段DO ≤0.5 厌氧段DO ≤0.2回流污泥浓度Xr =1000011001000000=⨯mg/L 污泥回流比R =50% 混合液悬浮固体浓度 X ==+r ·1X R R 10000·5.15.0=3333mg/L混合液回流比R 内:TN 去除率yTN =%10025825⨯-=68%R 内=TNTNy 1y -×100%=212.5% 取R 内=200%1.3设计计算(污泥负荷法)硝化池计算(1) 硝化细菌最大比增长速率m ax μ=0.47e0.098(T-15)m ax μ =0.47⨯e0.098⨯(T-15)=0.3176d -1(2) 稳定运行状态下硝化菌的比增长速率μN =,max 11N z N K N μ+=0.42615151⨯+=0.399d -1(3) 最小污泥龄 θc mθcm =1/μN =10.399=2.51d (4) 设计污泥龄 d c θd c θ=mC FD θ⨯d d c 04.951.232.1=⨯⨯=θ 为保证污泥稳定 , d c θ取20d 。
Q max=15000m'/d=625 in^Zh=O. 174 mVs2.进出水水质要求3. ①.BOD5污泥负荷N=OJ3kgBOD5/(kgMLSS • d)② •回流污泥浓度X R =9 OOOing/L③ •污泥回流比R=50%④ •混合液悬浮固体浓度(污泥浓度)X='-X. =』Lx9000 = 3000mg/L1 + R R 1 + 0,5⑤ •设 MLVSS/MLSS=0.75 ⑥•挥发性活性污泥浓度Xy = 0.75 X =055 x 3000 = 2250 川g/厶⑦.NH3-N 去除率. = ^X I00% = 2^X 10O% = ^.7%⑧.内回流倍数① .总有效容积设计参数 L 设讣最大流量4. A2/O 曝气池计算—牆沖W 200%② .反应水力总停留时间③ .各段水力停留时间和容积厌氧;缺氧:好氧=1:1: 4厌氧池停留时间r 庆=A X 6J5=L025/H 池容=±X 2564=427・3〃F ;6 、 6池容 V =-x 2564=427.3加3; 以646・ 15=4.1爪 池容=-x2564=17093/M O6H=3 m4・5m 。
则每条廊道长度为L = — =8" = 31.7/M , 取 32mbn 4.5x6⑦.尺寸校核^ = 21 = 7.1, ± = ±^ = 1.5h 4.5D 3长比宽在5~10间,宽比高在1~2间,可见长、宽、深皆符合要求5. 反应池进、出水系统计•算① 进水管进水通过DN500的管道送入厌氧一缺氧一好氧池首端的进水渠道。
反应池进水管如•流量Q 严籍“⑺" 管道流速V =09”/$F 二 Q ySo NX JOOOOx% 如0.13x3000_ V一 Q 10000= 0.26〃 = 6.15/?缺氧池停留时间如=-x6.15=1.025", 駅6好氧池停留时间%=-x 6④. 反应池有效深度取超高为I-Onir 则反应池总高//=3.0 + L0=4.0/n⑤. 反应池有效面积⑥. 生化池廊道设置设厌氧池I 廊道, 缺氧池1廊道,好氧池4廊道,共6条廊道。
南京林业大学课程设计任务书学院(系):化学工程学院专业:环境工程系学生姓名:***学生学号:*********课程设计题目:70000m3/d城市污水处理厂工艺设计起讫日期:6月3日-7月3日****:***目录1.摘要 22.第一章设计概论 21.1设计依据和任务 21.2设计要求 23.第二章工艺流程的选择 34.第三章工艺流程设计计算 43.1 设计流量的计算 43.2 设备设计计算 43.2.1格栅 43.2.2 提升泵房 53.2.3 细格栅 63.2.4 沉砂池 73.2.5初沉池 83.2.6 A2/O 103.2.7 二沉池 163.2.8 接触池和加氯间 173.2.9 污泥处理构筑物的计算 185.第四章平面布置 234.1 污水处理厂平面布置 234.1.1平面布置原则 234.1.2 具体平面布置 244.2 污水处理厂高程布置 264.2.1主要任务 264.2.2 高程布置原则 264.2.3高程布置结果 266.第五章参考文献 30摘要随着社会进步,人们对于城市污水的处理的要求愈加严格。
除了基本的去除污水中BOD和SS的要求外,通常还要求2/A O工艺由于不同环境条件,不同功能的微生物群落的有机配合,加之厌氧、缺氧条件下,部分不可生物降解的有机物能被开环或断链,使得N、P、有机碳被同时去除,并提高对不可降解有机物的去除效果。
它可以同时完成有机物的去除,硝化脱氮、磷的过量摄取而被去除等功能,脱氮的前提是NH3-N应完全硝化,好氧池能完成这一功能,缺氧池则完成脱氮功能。
厌氧池和好氧池联合完成除磷功能。
此外该工艺还具有高效、节能的特点,且耐冲击负荷较高,出水水质好。
因此,更具有广泛的适应性,完全适合本设计的实际要求。
本工艺的主要构筑物包括格栅、污水泵房、平流沉砂池、好氧池、厌氧池、缺氧池、二沉池、接触消毒池、浓缩池、污泥脱水机房等。
关键词:2/A O格栅泵房二沉池第一章设计概论1.1 设计依据和任务1. 本课程设计课题任务的内容和要求(包括原始数据、技术参数、设计要求等)设计基础资料:原始数据: Q=70000m3/d(1)污水处理要求达到《城镇污水处理厂污染物排放标准》中的一级B标准。
A2/0工艺计算说明书1.概述城市污水处理厂的污水主要是来自居民生活污水和市区内的工业废水,该工业废水在排入市政管网之前已经过适当处理,并达到国家二级排放标准,可直接排入污水处理厂进行进一步处理。
该生活污水和工业废水经市政排水管网固定排放口收集。
假定污水中主要是可溶性有机物、氮、磷等,而且有机物的浓度不是特别高,可生化性较好,在处理时需要考虑常规的脱氮除磷。
根据《室外排水设计规范》(GB50014-2006)确定该城区水质特点为:2.工艺选择和评价在活性污泥法中,根据《室外排水设计规范》(GB50014-2006)推荐对于设计流量小于10Xl04m3/d的城市污水处理厂可以采用氧化沟法、A2/O法进行处理。
由于氧化沟对于脱氮除磷效果不是很好,而且占地比较大。
所以应选用A2/O工艺进行生化处理。
A2/O工艺是污水处理工艺中的应用典范,它由脱氮工艺和除磷工艺综合起来的一种能够起到同步脱氮除磷作用的污水处理工艺。
它是传统活性污泥工艺、生物脱氮除磷工艺的综合体,并具有优良的BOD降解和脱氮除磷的效果,其工程投资低,且有丰富的、可借鉴的设计运行经验,所以在国内外城市污水处理厂经常被采用。
A2/O 工艺原理是有机氮通过氨化作用转变为氨氮,好氧下继续发生硝化转变为亚硝态氮和硝态氮,含有硝态氮与原污水一起从好氧池流到进行反硝化脱氮作用的缺氧区;磷在厌氧条件下被聚磷菌释放,在好氧区又被聚磷菌吸收,达到除磷目的;污染物在好氧区被氧化降解,去除COD和BOD5。
根据A2/O脱氮除磷工艺主要设计参数来考查该城区污水是否可采用A2/O 工艺A2/O脱氮除磷主要设计参数设计项目要求数值BOD5污泥负荷0.13~0.2好氧段总氮负荷小于0.05厌氧段总磷负荷小于0.06溶解氧浓度DO (mg/L) 好氧区域大于2厌氧池COD : TN 大于8总水力停留时间t 8~11h污泥回流比R 0.5~1.0混合液回流比R内 1.0~3.0厌氧池TP : BOD5 小于0.06由上可知:本城区污水处理设计中COD/TN=400/20=20 > 8 (符合要求)TP/BOD5=8/240=0.033< 0.06 (符合要求)故可米用A2/O工艺。
A2O工艺计算书一、概述A2O 工艺(AnaerobicAnoxicOxic,厌氧缺氧好氧)是一种常用的污水处理工艺,具有同步脱氮除磷的功能。
该工艺通过在不同的反应区域创造不同的环境条件,使微生物能够有效地去除污水中的有机物、氮和磷等污染物。
本计算书将对 A2O 工艺的主要设计参数进行计算,以确定工艺设备的尺寸和运行参数。
二、设计基础数据1、设计处理水量:_____m³/d2、进水水质:COD(化学需氧量):_____mg/LBOD₅(五日生化需氧量):_____mg/LTN(总氮):_____mg/LTP(总磷):_____mg/LNH₃N(氨氮):_____mg/L3、出水水质要求:COD:_____mg/LBOD₅:_____mg/LTN:_____mg/LTP:_____mg/LNH₃N:_____mg/L三、反应池容积计算1、厌氧池容积(V₁)厌氧池水力停留时间(HRT₁)一般取 1 2 h,本次设计取 15 h。
V₁= Q × HRT₁其中,Q 为设计处理水量。
计算可得:V₁=_____m³2、缺氧池容积(V₂)缺氧池水力停留时间(HRT₂)一般取 2 4 h,本次设计取 3 h。
V₂= Q × HRT₂计算可得:V₂=_____m³3、好氧池容积(V₃)好氧池水力停留时间(HRT₃)一般取 4 8 h,本次设计取 6 h。
V₃= Q × HRT₃计算可得:V₃=_____m³四、污泥负荷计算1、好氧池污泥负荷(Ns)Ns =(L₀ Le)× Q /(XV₃)其中,L₀为进水 BOD₅浓度,Le 为出水 BOD₅浓度,X 为混合液悬浮固体浓度(MLSS),一般取 2500 4000 mg/L,本次设计取 3000 mg/L。
计算可得:Ns =_____kg BOD₅/(kg MLSS·d)2、校核污泥龄(θc)θc = 1 / Ns计算可得:θc =_____d五、混合液悬浮固体浓度(MLSS)计算1、好氧池 MLSS(X)X =R × ρ × 10³ / SVI其中,R 为污泥回流比,一般取 50% 100%,本次设计取 70%;ρ 为回流污泥浓度,一般取 8000 12000 mg/L,本次设计取 10000 mg/L;SVI(污泥体积指数)一般取 70 150 mL/g,本次设计取 100 mL/g。
目录设计总说明 (1)设计任务书 (2)一.设计任务 (2)二.任务目的 (2)三.任务要求 (2)四. 设计基础资料 (2)(一)水质 (2)(二)水量 (3)(三)设计需要使用的有关法规、标准、设计规范和资料 (3)第一章 A2/O工艺介绍 (4)1。
基本原理 (4)2。
工艺特点 (5)3.注意事项 (5)第二章 A2/O工艺生化池设计 (6)1.设计最大流量 (6)2.进出水水质要求 (6)3.设计参数计算 (6)4. A2/O工艺曝气池计算.......................................................................。
..7 5。
反应池进、出水系统计算. (8)6。
反应池回流系统计算 (10)7.厌氧缺氧池设备选择 (11)第三章 A2/O工艺需氧量设计 (13)1.需氧量计算 (13)2。
供气量 (13)3。
所需空气压力 (14)4。
风机类型 (15)5。
曝气器数量计算 (15)6.空气管路计算 (16)第四章 A2/O工艺生化池单元设备一览 (17)第五章参考文献 (18)第六章致谢 (19)附1 水污染课程设计感想 (20)附2 A2/O工艺生化池图纸 (22)设计总说明随着经济快速发展和城市化程度越来越高,中心城区和小城镇建设步伐不断加快,城市生活污水对城区及附近河流的污染也越来越严重。
为了改善人民的生活环境,各地政府大力投入资金,力图改变现今水体的水质。
本设计为污水处理厂生化池单元,要求运用A2/O工艺进行设计,对生化池的工艺尺寸进行设计计算,最后完成设计计算说明书和设计图。
污水处理水量为10000t/d。
污水水质:CODCr 250mg/L,BOD5100mg/L,NH3-N30mg/L,SS120mg/L,磷酸盐(以P计)5mg/L。
出水水质达到广东省地方标准《水污染物排放限值(DB44/26-2001)》最高允许排放浓度一级标准,污水经二级处理后应符合以下具体要求:CODCr ≤40mg/L,BOD5≤20mg/L,NH3-N≤10mg/L,SS≤20mg/L,磷酸盐(以P计)≤0。
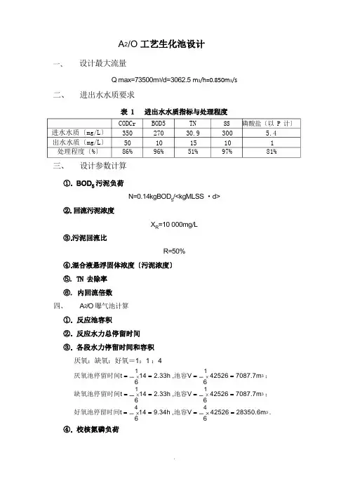
A 2/O一、 设计最大流量Q max=73500m 3/d=3062.5 m 3/h=0.850m 3/s二、 进出水水质要求三、 设计参数计算N=0.14kgBOD 5/<kgMLSS ·d>X R =10 000mg/LR=50%四、 A 2/O 曝气池计算厌氧:缺氧:好氧=1:1 :41 1厌氧池停留时间t = 14 = 2.33h ,池容V = 42526 = 7087.7m 3 ;6 6 1 1缺氧池停留时间t = 14 = 2.33h ,池容V = 42526 = 7087.7m 3 ;6 6 4 4 好氧池停留时间t = 14 = 9.34h ,池容V = 42526 = 28350.6m 3 .6 6CODCr BOD5 TN SS 磷酸盐〔以 P 计〕进水水质〔mg/L 〕 350 270 30.9 300 5.4 出水水质〔mg/L 〕 50 10 15 10 1 处理程度〔%〕86%96%51%97% 81%好氧段TN负荷为:Q•TNX•V3=7350030.9.3333283506= 0.024kgTN/(kgMLSS. d)厌氧段TP负荷为:Q•TPX•V1=735005.4.333370877= 0.017kgTN/(kgMLSS. d)X ,<kg/d>式中:取污泥增值系数Y=0.5,污泥自身氧化率K = 0.05 ,代入公式得:d=5395kg/d则:湿污泥量:设污泥含水率P=99.2%则剩余污泥量为:反应池总容积:V=42526 m3设反应池 2 组,单组池容积:V = = 21263m3单2有效水深5m,则:S =V /5=4252.6 m2单单取超高为1.0m,则反应池总高H = 5.0 + 1.0 = 6.0m生化池廊道设置:设厌氧池1 廊道,缺氧池1 廊道,好氧池4 廊道,共6 条廊道.廊道宽10m.则每条廊道长度为L = = = 70.88m ,取71mbn 10 6尺寸校核L 71 b 10查《污水生物处理新技术》,长比宽在5~10 间,宽比高在1~2 间可见长、宽、深皆符合要求五、反应池进、出水系统计算= = 7.1 , = = 2b 10 h 5S 4252.6V单组反应池进水管设计流量Q = Qmax=0.85= 0.425m3 / s1 2 2管道流速v = 1.0m /s管道过水断面面积A = Q / v = 0.425 /1.0 = 0.425m214A 4 0.425管径 d = = = 0.74m取进水管管径DN800mm单组反应池回流污泥管设计流量设管道流速v = 0.85m /s1管道过水断面积管径取出水管管径DN800mm3) 出水管单组反应池出水管设计流量设管道流速v = 0.8m /s1管道过水断面积管径取出水管管径DN1200mm六、曝气系统设计计算碳化需氧量:硝化需氧量:反硝化需氧量:总需氧量:最大需氧量与平均需氧量之比为 1.4,则:去除 1kg BOD 的需氧量为:5采用鼓风曝气,微孔曝气器.曝气器敷设于池底,距池底 0.2m,淹没深度4.3m,氧转移效率E =20%,计算温度 T=25℃,将实际需氧量 AOR 换算成标准状态下的A需氧量 SOR.式中: π ——气压调整系数, π =所在地区实际气压/1.013×105 ,取值为 1C ——曝气池内平均溶解氧,取C =2mg/LL L取α = 0.85 , β = 0.95查表得 20 C 和 25 C 时,水中饱和溶解氧值为:C = 9. 17mg /L ; C = 8.38mg / LS (20) S (30)空气扩散器出口处的绝对压力 空气离开曝气池池面时,氧的百分比曝气池混合液中平均氧饱和度 最大时需氧量为好氧反应池最大时供气量为3. 所需空气压力式中 h + h = 0.2m — —供风管到沿程与局部阻力之和1 2h = 4.3m ——曝气器淹没水头34. 曝气器数量计算按供氧能力计算所需曝气器数量:h = SOR m a x q c= 1518..02022 = 5421.4 个,为分布均匀,取 5616 个采用MT215 型薄膜盘式微孔空气曝气器,动力充氧效率 7.0kgO /(kw . h ),工作2水深 4.3m,在供风量 1 - 3m 3/〔h×个〕时 ,曝气器氧利用率 E =20%,充氧能力Aq = 0. 14 kgO /<h ×个>,则:c 25. 供风管道计算供风干管采用树状布置流量为设流速v = 10m /s则管径取干管管径 DN800mm单侧供气〔向两侧廊道供气〕支管设流速v = 10m /s则管径为:取支管管径为 DN400mm双侧供气〔向单廊道供气〕支管设流速v = 10m /s则管径为:取支管管径为 DN600mm七、设备选择1.厌氧池设备选择〔以单组反应池计算〕厌氧池内设 Q/12-621/3-480 推流式潜水搅拌机4 台,功率 5kW,混合全部污水所需功率为:5×4=20kW.2.缺氧池设备选择〔以单组反应池计算〕缺氧池内设 Q/12-621/3-480 推流式潜水搅拌机4 台,功率 5kW,混合全部污水所需功率为:5×4=20kW.3.混合液回流设备<1>.混合液回流泵混合液回流比R = 106%N混合液回流量设混合液回流泵房2 座,每座泵房内设3 台潜污泵〔2 用一备〕则单泵流量为:采用300QW900-8-30 型潜水排污泵, 扬程为8m,功率为30kW,转速为960r/min.<2>.混合液回流管回流混合液由出水井流至混合液回流泵房,经潜污泵提升后送至缺氧段首端.混合液回流管设计流量泵房进水管设计流速采用v = 0.8m/ s管道过水断面积则管径为:取泵房进水管管径 DN1200mm同理,泵房出水管设计流量为泵房进水管设计流速采用v =1.0m/ s管道过水断面积则管径为:取泵房进水管管径 DN1200mm4.鼓风机选择好氧反应池最大时供气量为因此,鼓风机选择 L83WD-980 二叶罗茨鼓风机 2 用 1 备,该鼓风机进口流量为216m3/ min ,转速980r/min,升压9.8kpa,轴功率40.5kW,配套机电型号为Y280S-6, 机电功率45kW,主机分量为5530kg.。
A 2/O 工艺生化池设计一、设计最大流量Q max=73500m 3/d=3062.5 m 3/h=0.850 m 3/s二、 进出水水质要求表1 进出水水质指标及处理程度三、 设计参数计算①. BOD 5污泥负荷N=0.14kgBOD 5/(kgMLSS ·d)②. 回流污泥浓度X R =10 000mg/L③. 污泥回流比R=50%④. 混合液悬浮固体浓度(污泥浓度)L mg X R R X R /3.3333100005.015.01=⨯+=+=⑤. TN 去除率%5.51%1009.30159.30%1000e 0=⨯-=⨯-=TN TN TN TN η⑥. 内回流倍数%2.1061062.0515.01515.01==-=-=ηηR四、A 2/O 曝气池计算①. 反应池容积330425264.425253333.30.1407273500NX S Q m m V ≈=⨯⨯=•=②. 反应水力总停留时间h h d t 1492.1358.07350042526Q V ≈====③. 各段水力停留时间和容积厌氧:缺氧:好氧=1:1:4厌氧池停留时间h t 33.21461=⨯= ,池容37.70874252661m V =⨯=;缺氧池停留时间h t 33.21461=⨯= ,池容37.70874252661m V =⨯=;好氧池停留时间h t 34.91464=⨯= ,池容36.283504252664m V =⨯=。
④. 校核氮磷负荷好氧段TN 负荷为:()d kgMLSS kgTN N ⋅=⨯⨯=••/024.06.8350233339.3073500V X T Q 30厌氧段TP 负荷为:()d kgMLSS kgTN P ⋅=⨯⨯=••/017.07.708733334.573500V X T Q 10① 剩余污泥量:X ∆,(kg/d)s X P P X +=∆式中:()v X V K S S Q Y P d e X ⨯⨯⨯--⨯⨯=0%50)(⨯⨯-=Q TSS TSS P e s取污泥增值系数Y=0.5,污泥自身氧化率05.0=d K ,代入公式得:()75.03.342526.005.001.03.0735005.0⨯⨯⨯--⨯⨯=X P=5395kg/d()d kg P S /5.10657%50735001.03.0=⨯⨯-=则:d kg P P X s X /5.160525.106575395=+=+=∆湿污泥量:设污泥含水率P=99.2% 则剩余污泥量为:h m d kg P W Q s /6.83/6.20061000)992.01(5.16052%100)1(3==⨯-=⨯-=⑤. 反应池主要尺寸反应池总容积:V=425263m设反应池2组,单组池容积:V 单 =3212632m V= 有效水深5m ,则:S 单=V 单/5=4252.62m取超高为1.0m ,则反应池总高m H 0.60.10.5=+= 生化池廊道设置:设厌氧池1廊道,缺氧池1廊道,好氧池4廊道,共6条廊道。
污水处理A2\O工艺摘要本次毕业设计的题目为新建城市污水处理厂设计(15万m3/天)工艺。
主要任务是完成个该地区污水的处理设计。
其中初步设计要完成设计说明书一份、污水处理厂总平面图一张及污水处理厂污水与污泥高程图一张;单项处理构筑物施工图设计中,主要是完成平面图和剖面图及部分大样图。
该污水处理厂工程,规模为15万吨/日。
A2/O工艺的生物处理部分由厌氧池、缺氧池和好氧池组成。
厌氧池主要功能是释放磷,同时部分有机物进行氨化。
缺氧池的主要功能是脱氮。
好氧池是多功能的,能够去除BOD、硝化和吸收磷。
该污水厂的污水处理流程为:从泵房到沉砂池,进入反应池,进入辐流式二次沉淀池,再进入清水池,最后出水;污泥的流程为:从反应池排出的剩余污泥进入集泥配水井,再由污水泵送入浓缩池,再进入消化池,最后进入脱水机房脱水,最后外运处置。
关键词:A2O;同步脱氮除磷;设计说明书AbstractThe topic of this graduate design is about the design of the sewage disposal plant in the area of a City. The technics of the plant is the Anaerobic-Anoxic-Oxic. The main task is the primary design of the plant .The task of the primary design is that a design book、a plan of the plant、the high drawing of the disposal of sludge and sewage ;in the single disposal build design ,the harvest is that the section plane drawing、the plan and some part magnifying drawings of the Anaerobic-Anoxic- Oxic.The construction of this plant is 160000 tones a day.T-oxidize ditch and unoxidize pool are two important part and water flows into three ditchs in turn, also T-oxidize ditch plays the role of secondary settling. The unoxidize pond release phosphorus. Along with aeration distance, the dissolved oxygen density reduces. This make oxidize area and unoxdize area present in ture. Namely appears the nitration and the counter- nitration process in succession , get the result of denitrogenation. At the same time the fine oxygen district absorbs the phosphorus, get the result of getting rid of phosphorus.The process of the sewage in the plant is that: The sewage runs from pump house to sand sinking pond, enters the pond of sedimentation tank, enters disinfection pond, then enters calculation trough ,at last lets out. The process of the sludge is that: Surplus sludge from the sedimentation tank enters concentration pond, enters digestion pond , enters automatically translated text: then enters automatically translated text:, at last it is carried out of the plant.Key words:The Anaerobic-Anoxic-Oxic; Taking off the nitrogen and the phosphorus; Automatically translated text.目录摘要 (I)Abstract (II)目录.......................................................................................................................... I II 第一章设计概论 (1)1.1设计任务 (1)1.2.2 开发区自然条件: (1)1.2.3 设计水量与水质 (2)第二章工程概预算 (4)污水处理厂设计规模 (4)工程估算 (4)第三章污水处理厂设计 (6)3.1 污水处理厂址选择 (6)3.2 污水污泥处理工艺选择 (6)3.2.1水质 (6)3.2.2污水、污泥处理工艺选择 (6)3.3主要生产构筑物工艺设计 (13)3.3.1 进水泵房 (13)3.3.2 细格栅和沉砂池 (13)3.3.3初次沉淀池: (14)3.3.4 A2/O池 (14)3.3.5 鼓风机房 (15)3.3.7 配水集泥井 (15)3.3.8 污泥浓缩池 (15)3.3.9 脱水车间 (16)第四章劳动定员及其附属构筑物 (17)4.1劳动定员 (17)4.2人员培训 (17)4.3技术管理 (18)4.4附属构筑物 (18)4.5附属化验设备 (18)第五章格栅的计算 (20)5.1设计要求 (20)5.2中格栅的设计计算 (20)5.3细格栅的设计计算 (22)第六章沉砂池的设计计算 (26)第七章初次沉淀池的设计计算 (28)7.1设计要点 (28)7.2初次沉淀池的设计(为辐流式) (28)第八章 A2/O反应池的设计计算 (36)8.1设计要点 (36)8.2设计计算 (36)第九章曝气池的设计计算 (42)9.1设计要点 (42)9.2曝气池的设计 (42)第十章二沉池的设计计算 (46)10.1设计要求 (46)10.2.二次沉淀池的设计 (46)第十一章清水池的设计计算 (48)第十二章浓缩池的设计计算 (49)12.1设计要点 (49)12.2.浓缩池的设计 (49)第十三章消化池的设计计算 (51)13.1设计要点 (51)13.2消化池的设计 (51)第十四章污水处理厂总体布置 (58)14.1污水厂平面布置 (58)14.1.1污水处理厂平面布的原则 (58)14.1.2 污水处理厂的平面布置 (60)14.2污水厂的高程布置 (61)14.2.1污水厂高程的布置方法 (61)14.2.2本污水处理厂高程计算 (62)14.2.3 污水处理部分高程计算 (63)14.2.4 污泥处理部分搞程计算 (65)结论 (67)参考文献 .................................................................................... 错误!未定义书签。
( 1 )反应器内 MLSS 浓度取 MLSS 浓度 X=3000mg/L ,回流污泥浓度 X R=9000mg/L( 2 )求硝化的比生长速率( 3 )求设计 SRT d (污泥龄)( 4 )好氧池停留时间( 5 )好氧池面积( 6 )生物固体产量( 7 )比较求由氮氧化成的硝酸盐数量( 1 )内回流比 IR( 2 )缺氧池面积( 1 )厌氧池容积( 1 )设计最大需氧量 AORAOR= 除去 BOD 需氧量—剩余污泥当量 +消化需氧量—反硝化产氧量( 2 )供气量的计算采用 STEDOC300 型橡胶膜微孔曝气器,敷设于距池底 0.2m 处,淹没水深4.8m ,氧转移效率 30% ,计算温度定为30℃。
氧在蒸馏水中的溶解度:( 3 )曝气器计算在每一个廊道中每平方米中该设置一个曝气器,一个曝气池的总面积 360m2 。
故曝气池中的微孔曝气器数量 N=360 个。
这里采用 STEDOC300 型橡胶膜微孔曝气器,其主要性能参数见下:校核每一个曝气头的供气量( 4 )空压机的选择空气管路中总压力损失按 5KPa 计算故空压机所需压力 P 为:1.45m ×1m) ,一根据所需压力和供气量,采用两台 RD-125 型罗茨鼓风机(用一备。
( 1 )厌、缺氧区搅拌器取搅拌能量 5w/m3 ,故厌、缺氧区所需能量为 :选用两台 DOTO 15 型低速潜水推流器。
( 2 )内回流泵内回流比 IR=132% ,故内回流流量 Qr 为:( 1 )反应池廊道布置A/A/O 反应池采用 4 廊道设计,好氧池两个廊道,缺氧池和厌氧池共两个廊道,有效水深 5m ,每一个廊道宽 5m ,大 36m( 2 )出水堰堰上水头 h。
生活污水处理A2/O工艺计算说明书目录1处理规模 12进水井的计算 23提升泵房设计计算 23.1泵的选择23.2吸水管计算 23.3集水池 23.4泵房布置34格栅的计算 34.1设计要求34.2中格栅的设计计算 34.3细格栅的设计计算 64. 4沉砂池84.5巴式计量槽104.6配水井105 A2/O反应池的设计计算115.1设计要点115.2设计计算125.3曝气系统设计计算165.4标准需氧量175.5供气管道计算185.6生物池设备选择196 沉淀池的设计计算196.1设计要点196.2沉淀池的设计(为辐流式)206.2机械刮泥的选择217清水池的设计计算 228浓缩池的设计计算 228.1设计要点228.2浓缩池的设计:229水利及高程计算249.1 水利计算 249.2 高程计算 26附件2中英文翻译281处理规模该市2009年末城区人口131347人。
污水量210~393L/人·d,从2010年往后,由于人们的生活水平越来越高,因此所用水量增加,从而污水量也随着增加。
根据该直达市的总体规划,人口自然增长率为6.1‰,机械增长率近期14‰。
根据Pn=P1(1+a+b)n,计算出2010年~2030年的人口及污水处理厂处理规模如下表:年份基准人口(人)自然增长率(‰)机械增长率(‰)总人口(人)单位污水量升/(人·d)-1 处理量(m3/d)2009 6.1 14 131347 210 28953.752010 131347 6.1 14 136681 210 28703.012011 136681 6.1 14 139428 210 29279.882012 139428 6.1 14 142230 210 29868.302013 142230 6.1 14 145089 210 30468.692014 145089 6.1 14 148006 215 31821.292015 148006 6.1 14 150980 215 32460.702016 150980 6.1 14 154015 220 33883.302017 154015 6.1 14 157111 220 34564.422018 157111 6.1 14 160269 230 36861.872019 160269 6.1 14 163490 230 37602.702020 166776 6.1 14 166776 250 41694.002021 166776 6.1 14 170129 250 42532.252022 170129 6.1 14 173548 280 48593.442023 173548 6.1 14 177036 280 49570.802024 177036 6.1 14 180595 300 54178.502025 180595 6.1 14 184225 300 55267.502026 184225 6.1 14 187928 310 58257.682027 187928 6.1 14 191705 310 59428.552028 191705 6.1 14 195558 320 62578.562029 195558 6.1 14 199489 320 63836.482030 199489 6.1 14 203499 320 65119.68确定一期为3.3万m3/d,二期为3.3万m3/d,污水处理厂规模为6.63.3万m3/d2进水井的计算因为进水井在粗格栅之前并和粗格栅连接,起到对各个格栅平均分配进水的作用,故取进水井的宽与格栅的总宽度相同,取宽度为5.34m,取长度为2.50m。
A 2/O 系统计算设计参数工程设计流量为:Q=14500m 3/d ;设计进水水质:CODcr=800mg/L ,BOD 5=400mg/L ,SS=160mg/L ,NH 5-N =60mg/L ,N k =100mg/L ,TN=150mg/L ,TP=20mg/L ;设计出水水质:CODcr=60mg/L ,BOD 5=20mg/L ,SS=20mg/L ,NH 3-N =8mg/L ,TN=20mg/L ,TP=1.0mg/L 。
(2)设计计算1、判断是否可采用A 2/O 法41004005==k N BOD (基本符合要求) 1720204005>==TP BOD (符合要求) 2、缺氧区(池)容积,可按下列公式计算:044.008.103.008.15)20()20()(=⨯=-T de T de K K =dkg S S Q yY X e o tv /65.20661000)20400(158005.075.01000)(=-⨯⨯⨯=-=Δ372.5172400003.05.225112.0)20100(1450012.0)(m XK X N N Q V de vte k n =⨯⨯--⨯=Δ--= ,停留时间t=8.6ht=15.4h式中:K de —无试验资料时,20℃的K de 值可采用0.03~0.06 [(kgNO 3-N/(kgMLSS ·d)],进行温度修正;K de(T)、K de(20)分别为T ℃和20℃时的脱氮速率; 好氧区(池)容积,可按下列规定计算:X V =yX=0.75×4000=3000mg/L06.008.105.008.15)20()20()(=⨯=-T de T de K K =392.7437)2006.01(3000)20400(205.014500)1()(m K X S S QY V c de V e o c o =⨯⨯⨯⨯⨯=+-θ+-θ= ,停留时间t=13.7h ;式中:X V ——生物反应池内混合液挥发性悬浮固体平均浓度(gMLVSS/L); 4、混合液回流量,可按下列公式计算:QX 0+Q R X R =(Q +Q R )X污泥回流量:dm X X X X Q Q R o R /1392080004000)4000160(14500)(3=--⨯=--=; 污泥回流比R=0.96;混合液回流量:dm Q N N XK V Q Rkete de n Ri /5156213920254044.057.9284100010003=-⨯⨯⨯=--=混合液回流比Ri=%350%1001580051562%100=⨯=⨯Q Q Ri 式中:Q Ri —混合液回流量(m 3∕d ),混合液回流比不宜大于400%;Q R —回流污泥量(m 3∕d );N ke —生物反应池出水总凯氏氮浓度(mg ∕L ); N t —生物反应池出水总氮浓度,取40mg/L 。
污水处理厂工艺设计一、污水处理厂的设计规模(一)污水处理厂的设计规模污水处理厂以处理水量的平均日平均时流量计,该市污水厂的处理规模定为:近期4.4万m3/d,远期6.6万m3/d,见表:污水处理厂的设计规模(二)污水处理厂处理构筑物规模污水处理厂的主要构筑拟分成三组,每组处理规模为2.2万m3/d,近期建2组,处理规模为4.4万m3/d,远期再建1组,处理规模扩至6.6万m3/d,污水厂占地约5.9ha,用地指标为0.89 m2/(m3污水/d)(三)设计流量当污水厂分建时,以相应的各期流量作为设计流量。
各设计流量的具体数据见表。
污水处理厂的设计流量二、污水处理程度的确定(一)进水水质根据原始资料,污水处理厂实测污水水质及设计水质见表:污水的实测水质,设计进水水质、出水水质标准(二)设计出水水质出水水质要求符合GB8978-96《防水综合排放标准》根据出水水质要求,污水处理厂既要求有效地去除BOD 5,又要求对污水中的氮,磷进行适当处理,防止A 江的富营养化。
(三)处理程度计算 1.溶解性BOD 5去除率活性污泥处理系统处理水中的BOD 5值是由残存的溶解性BOD 5(Se )和非溶解性BOD 5二者组成,而非溶解性BOD 5主要以生物污泥的残屑为主体。
活性污泥的净化功能,是去除溶解性BOD 5,故从活性污泥的净化功能考虑,应将非溶解性BOD 5从处理水的总BOD 5值中减去。
处理水中非溶解性BOD 5值: BOD 5=7.1·b ·Xa ·Ce式中 Ce ——处理水中悬浮固体浓度,取25mg/Lb ——微生物自身氯化率,一般介于0.05~0.1,之间,取0.09 Xa ——活性微生物在处理水中所占比例,取0.4 故 BOD 5=7.1×0.09×0.4×25≈6.4 处理水中溶解性BOD 5值为: 25-6.4=18.6mg/L 去除率:%1.97%1002204.6220=⨯-=η 2.CODcr 的去除率: %35.82%10034060340=⨯-=η 3.SS 的去除率%75.93%10032020320=⨯-=η 4.总氮的去除率出水标准中的总氮为15mg/L ,故去除率为: %70%100501550=⨯-=η 5.磷酸盐的去除率进水中磷酸盐浓度为6.8~9.4mg/L ,按9.4 mg/L 计,如磷酸盐以最大可能成分Na 3PO 4计,则磷的含量为1.7 mg/L 。
1、缺氧池、好氧池(曝气池)的设计计算: (1)、设计水量的计算由于硝化和反硝化的污泥龄和水力停留时间都较长,设计水量应按照最高日流量计算。
Q K Q •=式中:Q ——设计水量,m 3/d ; Q ——日平均水量,m 3/d ;K ——变化系数;(2)、确定设计污泥龄C θ需反硝化的硝态氮浓度为e e 0-)S -.05(S 0-N N N O =式中:N ——进水总氮浓度,mg/L ;0S ——进水BOD 值【1】,mg/L ; e S ——出水BOD 值,mg/L ; e N ——出水总氮浓度,mg/L ;反硝化速率计算S N K Ode =计算出de K 值后查下表选取相应的V V D /值,再查下表取得C θ值。
反硝化设计参数表(T=10~12℃)(3)、计算污泥产率系数Y【2】]072.1θ17.01072.1θ102.0-6.075.0[)15-()15-(00T C T C S X K Y •+•+=式中:Y ——污泥产率系数,kgSS/kgBOD ; K ——修正系数,取9.0=K ;0X ——进水SS 值mg/L;T ——设计水温,与污泥龄计算取相同数值。
然后按下式进行污泥负荷核算:)-(θ00e C S S S Y S L •=式中:S L ——污泥负荷,我国规范推荐取值范围为0.2~0.4kgBOD/(kgMLSS •d)。
活性污泥工艺的最小污泥龄和建议污泥龄表(T=10℃)【3】单位:d(4)、确定MLSS(X)MLSS(X)取值通过查下表可得。
反应池MLSS 取值范围取定MLSS(X)值后,应用污泥回流比R 反复核算XX XR R -=310007.0ER t SVI X ו=式中:R ——污泥回流比,不大于150%;E t ——浓缩时间,其取值参见下表。
浓缩时间取值范围(5)、计算反应池容积XS S Y Q V e C 1000)-(θ240=计算出反应池容积V 后,即可根据V V D /的比值分别计算出缺氧反应池和好氧反应池的容积。
A 2/O 工艺生化池设计一、设计最大流量Q max=73500m 3/d=3062.5 m 3/h=0.850 m 3/s二、 进出水水质要求表1 进出水水质指标及处理程度三、 设计参数计算①. BOD 5污泥负荷N=0.14kgBOD 5/(kgMLSS ·d)②. 回流污泥浓度X R =10 000mg/L③. 污泥回流比R=50%④. 混合液悬浮固体浓度(污泥浓度)L mg X R R X R /3.3333100005.015.01=⨯+=+=⑤. TN 去除率%5.51%1009.30159.30%1000e 0=⨯-=⨯-=TN TN TN TN η⑥. 内回流倍数%2.1061062.0515.01515.01==-=-=ηηR四、A 2/O 曝气池计算①. 反应池容积330425264.425253333.30.1407273500NX S Q m m V ≈=⨯⨯=•=②. 反应水力总停留时间h h d t 1492.1358.07350042526Q V ≈====③. 各段水力停留时间和容积厌氧:缺氧:好氧=1:1:4厌氧池停留时间h t 33.21461=⨯= ,池容37.70874252661m V =⨯=;缺氧池停留时间h t 33.21461=⨯= ,池容37.70874252661m V =⨯=;好氧池停留时间h t 34.91464=⨯= ,池容36.283504252664m V =⨯=。
④. 校核氮磷负荷好氧段TN 负荷为:()d kgMLSS kgTN N ⋅=⨯⨯=••/024.06.8350233339.3073500V X T Q 30厌氧段TP 负荷为:()d kgMLSS kgTN P ⋅=⨯⨯=••/017.07.708733334.573500V X T Q 10① 剩余污泥量:X ∆,(kg/d)s X P P X +=∆式中:()v X V K S S Q Y P d e X ⨯⨯⨯--⨯⨯=0%50)(⨯⨯-=Q TSS TSS P e s取污泥增值系数Y=0.5,污泥自身氧化率05.0=d K ,代入公式得:()75.03.342526.005.001.03.0735005.0⨯⨯⨯--⨯⨯=X P=5395kg/d()d kg P S /5.10657%50735001.03.0=⨯⨯-=则:d kg P P X s X /5.160525.106575395=+=+=∆湿污泥量:设污泥含水率P=99.2% 则剩余污泥量为:h m d kg P W Q s /6.83/6.20061000)992.01(5.16052%100)1(3==⨯-=⨯-=⑤. 反应池主要尺寸反应池总容积:V=425263m设反应池2组,单组池容积:V 单 =3212632m V= 有效水深5m ,则:S 单=V 单/5=4252.62m取超高为1.0m ,则反应池总高m H 0.60.10.5=+= 生化池廊道设置:设厌氧池1廊道,缺氧池1廊道,好氧池4廊道,共6条廊道。
生活污水处理A2/O工艺计算说明书目录1处理规模 (1)2进水井的计算 (1)3提升泵房设计计算 (2)3.1泵的选择 (2)3.2吸水管计算 (2)3.3集水池 (2)3.4泵房布置 (2)4格栅的计算 (3)4.1设计要求 (3)4.2中格栅的设计计算 (3)4.3细格栅的设计计算 (5)4. 4沉砂池 (8)4.5巴式计量槽 (9)4.6配水井 (9)5 A2/O反应池的设计计算 (10)5.1设计要点 (10)5.2设计计算 (10)5.3曝气系统设计计算 (15)5.4标准需氧量 (15)5.5供气管道计算 (16)5.6生物池设备选择 (17)6 沉淀池的设计计算 (17)6.1设计要点 (17)6.2沉淀池的设计(为辐流式) (18)6.2机械刮泥的选择 (19)7清水池的设计计算 (19)8浓缩池的设计计算 (20)8.1设计要点 (20)8.2浓缩池的设计: (20)9水利及高程计算 (22)9.1 水利计算 (22)9.2 高程计算 (23)附件2中英文翻译....................... 错误!未定义书签。
1处理规模周同市2009年末城区人口131347人。
污水量210~393L/人·d,从2010年往后,由于人们的生活水平越来越高,因此所用水量增加,从而污水量也随着增加。
根据该直达市的总体规划,人口自然增长率为6.1‰,机械增长率近期14‰。
根据Pn=P1(1+a+b)n,计算出2010年~2030年的确定一期为3.3万m/d,二期为3.3万m/d,污水处理厂规模为6.63.3万m/d2进水井的计算因为进水井在粗格栅之前并和粗格栅连接,起到对各个格栅平均分配进水的作用,故取进水井的宽与格栅的总宽度相同,取宽度为5.34m,取长度为2.50m。
则进水井的尺寸为2500 mm×5340mm。
3提升泵房设计计算3.1泵的选择远期期设计最大流量为0.978m3/s ,设计扬程取10m 。
近期、远期各选用三台潜污泵,两用一备。
总的为六台潜污泵,四用两备。
每台泵的流量为800.0m3/h ,抽升一般的废水多采用PW 型污水泵,对于有腐蚀性的废水,应选择合宜的耐腐蚀泵或耐酸泵。
抽升泥渣多的废水和污泥时,可选择泥沙泵或污泵。
设机组净距离为1米,机组于墙的距离为1米,3.2吸水管计算取流速为1.2m/s ,则吸水管的截面积=0.2445/1.2=0.204m2 吸水管的直径)(51.014.3204.044m Ad =⨯=⨯=π圆整后取外径为550mm,壁厚为10mm 的吸水管。
校核吸水管流速:A=d2π/4=(0.532×3.14)/4=0.2205(m2) V=Q/A=0.2445/0.2205=1.11m/s3.3集水池设计集水池的有效水深为6m,根据设计规,集水池的容积应大于污水泵5 min 的出水量,即:V >0.978m3/s ×5×60=293.4m3,可将其设计为矩形,其尺寸为6m ×7m ,池高为7m ,则池容为294m3。
同时为减少滞流和涡流可将集水池的四角设置成圆角。
并应设置相应的冲洗或清泥设施。
3.4泵房布置设计要求机组布置时,在机组之间以及机组和墙壁间应保持一定的距离。
电动机容量小于50kw 时,机组净距不小于0.8米;大于50kw 时,净距应大于1.2米。
机组于墙的距离不小于0.8米,机组至低压配电盘的距离不小于1.5米。
考虑到检修的可能,应留有足够距离以抽出泵轴和电机转子,如无单独的检修间,则泵房应留有足够的场地。
此外,泵站的主要通道应并不小于1.0~1.2米。
该设计中,取两机组的中心距离为2.5米,最边上的机组与墙的距离为1.5米,则泵房总长=1.5×2+5×2.5=15.5米=15500mm 。
取泵房的主要通道宽1.2米,嘴边上的机组离通道为1.8米,机组安装所占宽度为7米,机组的出水管道所占宽度为2米。
则提升泵房总宽度=1.2+1.8+7+2=12米。
4格栅的计算4.1设计要求1.污水处理系统前格栅条间隙,应该符合以下要求:a :人工清除25~40mm ;b : 机械清除16~25mm ;c :最大间隙40mm ,污水处理厂也可设细粗两格栅.2.若水泵前格栅间隙不大于25mm 时,污水处理系统前可不再设置格栅.3.在大型污水处理厂或泵站前的大型格栅(每日栅渣量大于0.2m3),一般采用机械清除.4.机械格栅不宜小于两台,若为若为一台时,应设人工清除格栅备用.5.过栅流速一般采用0.6~1.0m/s.6.格栅前渠道的水速一般采用0.4~0.9m/s.7. 格栅倾角一般采用45 ~75 ,人工格栅倾角小的时候较为省力但占地多. 8.通过格栅水头损失一般采用0.08~0.15m.9.格栅间必须设置工作台,台面应该高出栅前最高设计水位0.5m.工作台上应有安全和冲洗设施. 10. 格栅间工作台两侧过道宽度不应小于0.7m.4.2中格栅的设计计算《城市污水厂处理设施设计计算 玉川 振江 绍怡等编 化学工业 P31-37 》 1.栅条间隙数(n ):设计平均流量:Q=66000/(24×3600)=0.764(m3/s),总变化系数Kz=1.2 8(环保设备-铭编,P4表1-5) 则最大设计流量Qmax=0.764×1.28=0.978(m3/s) 栅条的间隙数n,个 bhvQ n αsin m ax =式中Qmax------最大设计流量,m3/s ; α------格栅倾角,取α=60;b ------栅条间隙,m ,取b=0.025m ; n-------栅条间隙数,个;h-------栅前水深,m ,取h=0.8m ; v-------过栅流速,m/s,取v=0.9m/s ;则: n 9.08.0025.060sin 978.00⨯⨯⨯==50.56(个) 栅条间隙数取 n=51(个)则每组中格栅的间隙数为51个. 2.栅条宽度(B):设栅条宽度 S=0.01m栅槽宽度一般比格栅宽0.2~0.3 m,取0.2 m ; 则栅槽宽度 B2= S(n-1)+bn+0.2=0.01×(51-1)+0.025×51+0.2 =1.975m 栅槽宽度取B2=2.0m 两栅间隔墙宽取0.6m ,则栅槽总宽度 B=2.0+0.60=2.6m 选用两个中格栅,每个格栅1.0m3. 进水渠道渐宽部分的长度L1.设进水渠道B1=1.5m ,其渐宽部分展开角度 α1=20 0,进水渠道的流速为0.52 m/s. )(24.120tan 25.16.2tan 20111m B B L ≈⨯-=⨯-=α 4.格栅与出水总渠道连接处的渐窄部长度L2 m ,)(512.0224.1212m L L ===5.通过格栅的水头损失 h1,m h1=h0⨯k 0h 342)(,2sin bSgv βεαε==式中:h1--------设计水头损失,m ; h0--------计算水头损失,m ; g--------重力加速度,m/s2k--------系数,格栅受污物堵塞时水头损失增大倍数,一般采用 3; ξ--------阻力系数,与栅条断面形状有关;设栅条断面为锐边矩形断面 β=2.42.gkv b S k h h 2sin )(23401αβ==6.19360sin 9.0)025.001.0(42.20234⨯⨯==0.077(m) 6.栅槽总长度L ,mL αtan 0.10.2121H L L ++++= 式中,H1为栅前渠道深, 21h h H += m. 060tan 077.08.00.10.2512.024.1+++++=L =4.84(m) 7.栅后槽总高度H ,m 设栅前渠道超高h2=0.3mH=h+h1+h2=0.8+0.077+0.3 =1.177(m)8.粗格栅的选型LJG 型链条式机械格栅9. 每日栅渣量W ,m3/d10001864001W Q W ⨯⨯= 式中,W1为栅渣量,m3/103m3污水,格栅间隙16~25mm 时,W1=0.10~0.05 m3/103m3污水;本工程格栅间隙为25mm ,取W1=0.05.W=86400×0.764×0.05÷1000=3.3(m3/d)>0.2(m3/d) 采用机械清渣. 格栅除污设备选择选用两台回转式格栅除污机,每台过水流量为0.38 m3/s ,即33000 m3/d 。
根据设备制造厂商提供的回转式格栅除污机的有关技术资料,所选设备技术参数为: ① 安装角度为60° ② 电机功率为1.5kw ③ 沟宽1m④ 栅前水深0.8m ⑤ 过栅流速0.9m/s ⑥ 耙齿栅隙为25mm⑦ 过水流量为33000 m3/d4.3细格栅的设计计算1.栅条间隙数(n ):bhvQ n ⨯=2sin max α式中Qmax------最大设计流量,0.978m3/s ; α------格栅倾角,(o),取α=60; b ------栅条隙间,m ,取b=0.015m ; n-------栅条间隙数,个;h-------栅前水深,m ,取h=0.8m ; v-------过栅流速,m/s,取v=0.9 m/s ;隔栅设两组,按两组同时工作设计,一格停用,一格工作校核则 bhv Q n αsin max=个14.429.08.0015.0260sin 0.9780=⨯⨯⨯= 栅条间隙数取n=43个 2.栅条宽度(B):设栅条宽度 S=0.01m栅槽宽度一般比格栅宽0.2~0.3 m,取0.2 m ; 则栅槽宽度 B2= S(n-1)+bn+0.2=0.01×(43-1)+0.01×43+0.2 =0.42+0.43+0.2 =1.05(m)≈1.1单个格栅宽1.1m ,两栅间隔墙宽取0.60m , 则栅槽总宽度 B=1.1×2+0.60=2.8m3 . 进水渠道渐宽部分的长度L1,设进水渠道B1=1.5 m ,其渐宽部分展开角度α1=20°,进水渠道的流速为0.52 m/s. L1)(78.120tan 25.18.2tan 2011m B B ≈⨯-=⨯-=α4.格栅与出水总渠道连接处的渐窄部分长度L2 . L2)(89.0278.121m L ===5.通过格栅的水头损失 h1,m h1=h0⨯k0h 342)(,2sin bSgv βεαε==式中 h1 -------设计水头损失,m ; h0 -------计算水头损失,m ; g -------重力加速度,m/s2k ------系数,格栅受污物堵塞时水头损失增大倍数,一般采用 3;ξ ------阻力系数,与栅条断面形状有关;设栅条断面为锐边矩形断面,β=2.42.g kv b S k h h 2sin )(23401αβ==6.19360sin 9.0)015.001.0(42.20234⨯⨯==0.15(m)(符合0.08~0.15m 围). 6.栅槽总长度L ,mL αtan 0.10.2121H L L ++++= 式中,H1为栅前渠道深, 21h h H += m. 060tan 3.08.00.10.289.078.1+++++=L ≈6.3m 7.栅后槽总高度H ,m 设栅前渠道超高h2=0.3mH=h+h1+h2=0.8+0.259+0.3 =1.359(m)8.细格栅的选型 HZG 型高链式格栅9.每日栅渣量W ,m3/d10001864001W Q W ⨯⨯= 式中,W1为栅渣量,m3/103m3污水,W1=0.10~0.05m3/103m3污水;取W1=0.06污水. W=86400×0.764×0.06÷1000=3.96(m3/d)>0.2(m3/d) 采用机械清渣. (6)格栅除污设备选择选用两台回转式格栅除污机,每台过水流量为0.25 m3/s ,即21600 m3/d 。