八年级物理上册计算题精选(50道)(2020年8月整理).pdf
- 格式:pdf
- 大小:325.43 KB
- 文档页数:8
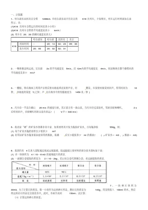
一、计算题1、哈尔滨东站到北京全程1288km。
从哈尔滨东站开往北京的K18次列车,夕发朝至,列车运行时刻表如右表所示。
求:(1)K18次列车全程运行的时间是多少小时?(2)K18次列车全程的平均速度是多少km/h?(3)列车在20:20的瞬时速度是多大?哈尔滨东哈尔滨沈阳北北京K18到站时间--20:1402:2309:30发车时间20:0020:3202:31–2、一物体做直线运动,它在前2s的平均速度是5m/s,后12m内的平均速度是4m/s,则该物体在整个路程内的平均速度是多少m/s?3、一艘船,停在海面上利用声音的反射向海底垂直发射声音,经测量,从发射到接受到回声,所用时间为10秒,求海底的深度?(已知:声音在海水中的传播速度为1450米/秒)4、汽车沿一平直公路以20 m/s的速度行驶,其正前方有一座山崖,当汽车经过某处时,驾驶员按响喇叭, 2 s 后听到回声,求按喇叭时距山崖有多远?(V声=340 m/s)5、我省富“硒”的矿泉水资源非常丰富.如果要将其开发为瓶装矿泉水,且每瓶净装550g,则:(1)每个矿泉水瓶的容积至少要多少ml?(2)若用该矿泉水瓶来装家庭常用的酱油,装满后至少能装多少ml的酱油? (ρ矿泉水=m3 ,ρ酱油=m3)6、我国约有4亿多人需配戴近视或远视眼镜,组成眼镜主要材料的部分技术指标如下表:(1)求一块体积为4×10-6 m3的玻璃镜片的质量.(2)一副铜合金镜架的质量为2×10-2kg,若以钛合金代替铜合金;求这副镜架的质量.7、一块碑石体积为30m3,为了计算它的质量,取一小块作为这块碑石样品,测出它的质量为140g,用量筒装入100ml的水,然后将这块岩石样品完全浸没水中,此时,水面升高到150ml。
试计算:(1)计算这块碑石的密度;(2)计算这块碑石的质量。
8、质量为9kg的冰块,密度为×103kg/m3,(1)求冰块的体积多大?(2)若冰吸热后,有30 cm3的冰融化成水,求冰融化成的水的质量。
1.一块体积为100立方厘米的冰融化成水后,质量多大?2.一块质量为100克的冰溶化成水后,体积多大?3。
一块体积为100厘米3的冰块熔化成水后,体积多大?4.一个瓶子能盛1千克水,用这个瓶子能盛多少千克酒精?5。
有一空瓶子质量是50克,装满水后称得总质量为250克,装满另一种液体称得总质量为200克,求这种液体的密度。
6。
有一节油车,装满了30立方米的石油,为了估算这节油车所装石油的质量,从中取出了30立方厘米石油,称得质量是24。
6克,问:这节油车所装石油质量是多少?7。
有一质量为5.4千克的铝球,体积是3000立方厘米,试求这个铝球是实心还是空心?如果是空心,则空心部分体积多大?8.瓶中装满酒精,瓶和酒精的总质量是1000克;换装满水,瓶和水的总质量是1200克。
如果换装满水银,那么瓶和水银的总质量是多少?9.一只铝球体积是20立方厘米,质量是27克,试判断此球是实心的还是空心的?10.由于黄河流域植被的破坏,黄河水含有大量的泥沙。
为了测定黄河水的含沙量,某课外活动小组的同学取了200立方厘米的黄河水,称得其质量为202。
4克,已知泥沙的密度为2500kg/立方米,则黄河水的含沙量是多少?(即求每立方米的黄河水含有多少泥沙)11.一列长200米的火车以54千米/时的速度通过一个长700米的山洞需要多少时间?12.蝴蝶飞翔的速度是5米/秒,要飞到距出发点0。
6千米的花园,它要花多少时间?13。
甲、乙两车在同一平直公路上同向行驶,甲车速度为10千米/小时,乙车的速度是30千米/小时,乙车发现到追上甲车行驶了15千米,求乙车发现甲车时两车相距多少千米14。
甲乙两抵相距70千米,一辆汽车从甲地向乙地开出,速度是15米/秒,一辆自行车同时从乙地出发驶向甲地,他们在离甲地54千米处相遇.求自行车的速度是多少千米/时15.一艘巡洋舰用70千米/小时的速度追赶在它前面10千米的一艘战斗舰,巡洋舰追了210千米,恰好赶上战斗舰,求战斗舰的速度.16.用一只玻璃杯、水和天平测定石子密度,实验记录如下:杯子装满水后的总质量m1=200g,放入石子后,杯子、水、石子总质量m2=215g,取出石子后,杯子和水的总质量为m3=190g,求石子密度.17。
八年级物理上册计算题精选(50道)一、计算题(共50题;共290分)1、某人乘坐出租车在平直的公路上匀速行驶,图为他乘车到达目的地时的车费发票的有关内容.求:(1)出租车行驶的时间:(2)出租车行驶的速度.2、将一质量是6g的金戒指缓慢漫设在盛满水的溢水杯中,称得溢出水的质量是0.4g,问:此戒指的密度是多少?3、在一根长为884m的铁管一端重重敲击一下,在铁管另一端的人能听到两次声音,声音的间隔2.43秒。
声音在铁管里的传播速度是多少?4、站在百米赛跑终点的计时员听到起跑的枪声后,立即开始计时,测得李明同学百米赛跑的时间是14.00秒.当时气温是15℃,则李明同学跑出百米的真实时间是多少秒?5、十一黄金周”期间,小群一家驾车去百脉泉游玩.一路上,所学的物理知识帮助他解决了不少实际问题.在经十东路上,小群注意到一个交通标志牌上的标示如图所示.(1)如果小群的爸爸驾车从此处到达明水这段路程用了30min,则汽车的速度是多少?(2)在遵守交通规则的前提下,计算从标志牌到明水最快要多长时间?8m/s),6、太空研究站用激光测量月球到地球的距离。
经过 2.4s接受到反射回来的激光(激光速度取c=3.0×10求研究站到月球的距离7、5m3的水全部结成冰后体积是多大?8、一个铁球的质量是 1.58kg,体积是0.5dm3,ρ铁=7.9×103kg/m3,ρ酒精=0.8×103kg/m.(1)这个铁球是实心还是空心的?(2)如果是空心的,空心部分体积是多大?(3)如果空心部分注满酒精,则球的总质量是多大?10、太阳光传到地球需要8分20秒,那么太阳到地球的距离是多少米?11、在一次爆破中,用一根长1m的导火线引爆炸药,导火线以0.5cm/s的速度燃烧,点火者点着导火线后以4m/s的速度跑开,他能否在爆炸前跑到离爆炸地点600m的安全地区?(通过列式计算来说明)12、小车从甲地到乙地,前一半路程的速度为15m/s,后一半路程的速度为10m/s,求小车在全程的平均速度?13、汽车沿平直公路从甲地开往乙地,两地相距90km,开始时汽车以10m/s的速度行驶了 1.5h,然后余下的路程要在45min内匀速行驶完,求:后来汽车应以多大的速度行驶?14、在一次警察追捕小偷的过程中,小偷在警察前90m处,小偷逃跑的速度是5m/s,警察追捕的速度是27km/h,如果小偷和警察都做匀速直线运动,问:(1)通过计算说明警察能不能在500m的路程内追上小偷?(2)若能追上小偷,警察追上小偷共走了多少路程?15、某台拖拉机耕1m2的地需消耗柴油 1.2g,若拖拉机的油箱容积为250升,问装满一箱柴油可以耕多少m2的土地?[柴油的密度为0.85×103kg/m3].16、体积240立方厘米,质量是 1.78kg的铜球,你认为是空心还是实心的?如果是空心的,那么在空心部分注满水、问球的总质量是多少?17、一只空瓶质量是100g,装满水后,瓶水的总质量是600g;现改装某种液体,装满后,瓶和液体的总质量是500g.求:这种液体的密度?18、一质量为54g,体积为20cm3的金属块,它的密度是多少?是哪一种金属?当截去5cm3后,剩下的金属块密度为多少?19、某时刻有一辆快速公交车甲和一辆普通公交车乙,从同一路口同时向东匀速行驶.它们的路程随时间变化的图象如图所示,则运行2min后,甲车相对于乙车向哪个方向行驶,两车相距多远?20、下表是“和谐号”列车的部分运行时刻表.车次运行区间发车时间到达时间运行里程(km)停车站D608 四方─济南8:04 10:31 387 四方、潍坊、济南D609 济南─四方11:28 13:58 387 济南、淄博、四方D35 北京─济南8:10 11:34 495 北京、德州、济南D36 济南─北京12:00 15:24 495 济南、德州、北京(1)根据表中提供的信息,计算D609次列车从济南至四方全程的平均速度.(2)全国铁路提速后,乱穿铁路面临的危险将增大.假如某列车正在以上面速度行驶,某同学要想以 1.5m/s 的速度横穿9m宽的铁路,则他至少应在距列车多少米处横穿铁路才安全.21、如图是一座高10m、长2m、厚0.5m的花岗岩体纪念碑,为了知道它的质量,取一小块花岗岩石样品,用天平测得其质量是39.2g,用细绳拴好将其浸没在装有70mL的水中,水面升到的刻度是84mL.求:(1)花岗岩石的密度;(2)花岗岩石的体积;(3)花岗岩体的质量.22、如图所示,一列长200m的列车以20m/s的速度通过一山洞共用了50s,问该山洞有多长?23、汽车在出厂前要进行测试,某次测试中,先让汽车在模拟山路上以8m/s的速度行驶500s,紧接着在模拟公路上以20m/s的速度行驶100s.求:(1)该汽车在模拟山路上行驶的路程.(2)汽车在这次整个测试过程中的平均速度.24、某校同学在水平直道上进行1000米跑步比赛.甲、乙两位同学同时出发,甲同学在整个比赛过程中作匀速运动.乙同学出发后,经过100秒通过的路程400米,此时他发现比甲同学落后100米;接着乙同学以6米/秒的速度追赶,经过50秒没有赶上;然后乙同学发起冲刺,最后比甲同学提前10秒到达终点.则:(1)甲同学比赛中的速度是多少米/秒?(2)乙同学出发后,前100秒时间内的平均速度为多少米/秒?(3)乙同学最后冲刺的平均速度为多少米/秒?25、小刚从家中出发到达句容新世纪广场后,其中一半路程步行,一半路程骑自自行车.路程与时间图象如图所示.则:(1)小刚骑车的速度是多少?(2)小刚从家到句容新世纪广场全程的平均速度是多少?(3)在步行期间20s内通过的路程.26、某施工工地购入横截面积为1cm2的钢筋7.9t,求这些钢筋的长度。
八年级物理上册计算题精选(50道)一、计算题(共50题;共290分)1、某人乘坐出租车在平直的公路上匀速行驶,图为他乘车到达目的地时的车费发票的有关内容.求:(1)出租车行驶的时间:(2)出租车行驶的速度.2、将一质量是6g的金戒指缓慢漫设在盛满水的溢水杯中,称得溢出水的质量是0。
4g,问:此戒指的密度是多少?3、在一根长为884m的铁管一端重重敲击一下,在铁管另一端的人能听到两次声音,声音的间隔2.43秒。
声音在铁管里的传播速度是多少?4、站在百米赛跑终点的计时员听到起跑的枪声后,立即开始计时,测得李明同学百米赛跑的时间是14。
00秒.当时气温是15℃,则李明同学跑出百米的真实时间是多少秒?5、十一黄金周”期间,小群一家驾车去百脉泉游玩.一路上,所学的物理知识帮助他解决了不少实际问题.在经十东路上,小群注意到一个交通标志牌上的标示如图所示.(1)如果小群的爸爸驾车从此处到达明水这段路程用了30min,则汽车的速度是多少?(2)在遵守交通规则的前提下,计算从标志牌到明水最快要多长时间?6、太空研究站用激光测量月球到地球的距离。
经过2.4s接受到反射回来的激光(激光速度取c=3。
0×108m/s),求研究站到月球的距离7、5m3的水全部结成冰后体积是多大?8、一个铁球的质量是1。
58kg,体积是0.5dm3,ρ铁=7。
9×103kg/m3, ρ酒精=0。
8×103kg/m.(1)这个铁球是实心还是空心的?(2)如果是空心的,空心部分体积是多大?(3)如果空心部分注满酒精,则球的总质量是多大?10、太阳光传到地球需要8分20秒,那么太阳到地球的距离是多少米?11、在一次爆破中,用一根长1m的导火线引爆炸药,导火线以0。
5cm/s的速度燃烧,点火者点着导火线后以4m/s的速度跑开,他能否在爆炸前跑到离爆炸地点600m的安全地区?(通过列式计算来说明)12、小车从甲地到乙地,前一半路程的速度为15m/s,后一半路程的速度为10m/s,求小车在全程的平均速度?13、汽车沿平直公路从甲地开往乙地,两地相距90km,开始时汽车以10m/s的速度行驶了1。
人教版八年级上册物理计算题汇总一、计算题(本大题共13小题,共104.0分)1.一轿车在福厦高速公路上行驶。
(1)它在经过如图所示的标志牌下时,速度已达40m/s,并仍以此速度向前开行,这辆车是否违反了交通法规,为什么?(2)如果这辆轿车以108km/h的速度匀速直线行驶,则从标志牌处开到厦门需多少时间?2.一辆汽车向着山崖以15m/s的速度匀速行驶,在距离山崖一定距离的地方鸣笛,经过0。
8s后司机听到了回声求:(已知声音在空气中传播速度为340m/s)(1)汽车鸣笛时距山崖多远.(2)此时汽车距山崖多远?3.一天小明他上学去时,以1m/s的速度走了6min,后来感觉时间不够为了不迟到,他又以1。
5m/s的速度走了4min,求(1)他家离学校多远?(2)他上学走路的平均速度。
4.一个铁球的质量是1。
58kg,体积是0.5dm3,ρ铁=7。
9×103kg/m3,ρ酒精=0.8×103kg/m.(1)这个铁球是实心还是空心的?(2)如果是空心的,空心部分体积是多大?(3)如果空心部分注满酒精,则球的总质量是多大?5.某人在长铁管一端猛敲击一下,在长铁管另一端人听到两次声音间隔为0。
4s,求长铁管的长度?(声音在空气中、钢铁中传播速度分别是340m/s、5200m/s)。
6.在一次爆破中,用了一条90cm长的引火线来使装在钻孔里的炸药爆炸,引火线燃烧的平均速度是0。
6cm/s,点火者点着引火线后,以5m/s的平均速度跑开,他能不能在爆炸前跑到离爆炸点700m远的安全地区?7.如图所示,一个瓶子里有不多的水,乌鸦喝不到水.聪明的乌鸦想,如果衔很多的小石块填到瓶子里,水面上升就能喝到了水.若瓶子的容积为500mL,内有0。
2kg的水.请你帮乌鸦计算:(1)瓶内水的体积是多少?(2)使水到达瓶口,要放入的石块质量是多少.(石块密度为2。
6×103kg/m3)8.便捷的交通与互联网给人们出行带来了极大的方便,王爷爷带小孙子驾车到萍乡北站,然后乘高铁去南昌参观滕王阁,8:20开车出发,并看到路边如图所示的交通标志牌,此刻吩咐小孙子通过铁路12306网站查询列车时刻表,如表.车次萍乡北开南昌西到运行距离G134608:3809:40240kmG169208:4910:05240kmG148209:1110:31240km(1)在交通正常的情况下,依据以上信息并通过计算,爷孙俩最快能赶上哪一车次?(2)该趟高铁运行的平均速度为多少km/h?9.有一个玻璃瓶,它的质量为0。
八年级物理上册计算题1.站在百米跑终点的计时员听到发令枪的枪声后才开始计时,那么参赛同学甲的成绩将会提高多少,你认为怎样计时才能比较准确的记录赛跑时间已知:S=100m;v=340m/s求: (1)t∆;(2)如何计时更准确解:由Svt=得:Stv==1000.29340/msm s≈答: (1)参赛同学甲的成绩将会提高。
(2)为了更准确的计时,可以计时员可以看到烟雾就计时,如果环境太暗,可以看到火光就计时,因为光的传播速度比声音的传播速度快很多,光的传播时间可以忽略不计。
2.打靶时,人在距离靶340m处开枪,后听到子弹击中靶的声音,求子弹离开枪膛的速度是多少已知:S=340m;t=;v声=340m/s求:v弹解:由Svt=得:Stv=t t t+=弹声340340+= 1.5340/S S m mt sv v v m s+=弹声弹即:解之得:680/v m s=弹答:子弹离开枪膛的速度是680m/s3.已知声音在空气中的传播速度是340m/s,某人看到闪电3s后听到雷声,问打雷的地方距离此人有多远(忽略光的传播时间)已知:v=340m/s;t=3s求:S解:由Svt=得:S=vt忽略光传播的时间有:S=vt=340m/s⨯3s=1020m答:打雷的地方距离此人有1020m4.一工人在房顶上敲打,每秒敲4下,一个观察者听到敲打声时恰好看到他把锤子举到最高处,问观察者和工人距离最短是多少米已知:4f=;v=340m/s求:Smin解:由f=4可知:锤子从最低点举到最高点用的时间t为:t=由Svt=得:S=vt=340m/⨯=42.5m答:观察者和工人距离最短是42.5m5.某人在高处用望远镜看地面上的工人以每秒1次的频率敲钉子,他听到的声音时恰好看到击锤的动作,当木工停止击锤后,他又听到两次击锤声,求木工离他有多远已知:f=1;v=340m/s求:S解:木工停止击锤后,他又听到两次击锤声,说明声音在他和木工之间的传播的时间够敲打两次,即声音的传播时间t=2s由Svt=得:S=vt=340m/s⨯2s=680m答:木工离他有680m6.一人在北京歌剧院里看远处的观众,另一个在上海的居民坐在电视机前1m处收看演出,如果两人同时听到演奏声,那么北京的观众距离演奏者多少米(北京距离上海106m ,无线电波的传播速度是108m/s)已知:S1=1m;v电=108m/s;S2=106m;v声=340m/s求:S3解:由Svt=得:Stv=t t=观家6 332181.47101=+340/ 3.010340/ S SS S m mv v v m s m m s⨯=+⨯声电声带入数据解之得:S3≈2.67m答:北京的观众距离演奏者2.67m7.超音速飞机的速度常用马赫数来表示,马赫数指的是声速的倍数(声速是340m/s),某超音速飞机的马赫数是,那么它飞行的速度是多少若广州到北京的距离是106m,这架飞机从广州飞到北京要多长时间已知:n=,v声=340m/s,S=106m求:(1)v 飞;(2)t解:(1)v 飞=n ⨯v 声=⨯340ms=850m/s (2)由Sv t =得:61.710=2000850/S m t s v m s ⨯==飞答:它飞行的速度是850m/s;这架飞机从广州飞到北京要2000s8.一架喷气式飞机的速度是声速的倍,飞行高度约为2720m 。
八年级物理上册计算题精选(50道)八年级物理上册计算题精选(50道)一、计算题(共50题;共290分)1、某人乘坐出租车在平直的公路上匀速行驶,图为他乘车到达目的地时的车费发票的有关内容.求:(1)出租车行驶的时间:(2)出租车行驶的速度.2、将一质量是6g的金戒指缓慢漫设在盛满水的溢水杯中,称得溢出水的质量是0.4g,问:此戒指的密度是多少3、在一根长为884m的铁管一端重重敲击一下,在铁管另一端的人能听到两次声音,声音的间隔2.43秒。
声音在铁管里的传播速度是多少?4、站在百米赛跑终点的计时员听到起跑的枪声后,立即开始计时,测得李明同学百米赛跑的时间是14.00秒.当时气温是15℃,则李明同学跑出百米的真实时间是多少秒?5、十一黄金周”期间,小群一家驾车去百脉泉游玩.一路上,所学的物理知识帮助他解决了不少实际问题.在经十东路上,小群注意到一个交通标志牌上的标示如图所示.(1)如果小群的爸爸驾车从此处到达明水这段路程用了30min,则汽车的速度是多少?(2)在遵守交通规则的前提下,计算从标志牌到明水最快要多长时间?6、太空研究站用激光测量月球到地球的距离。
经过2.4s接受到反射回来的激光(激光速度取c=3.0×108m/s),求研究站到月球的距离7、5m3的水全部结成冰后体积是多大?8、一个铁球的质量是1.58kg,体积是0.5dm3,ρ铁=7.9×103kg/m3,ρ酒精=0.8×103kg/m.(1)这个铁球是实心还是空心的?(2)如果是空心的,空心部分体积是多大?(3)如果空心部分注满酒精,则球的总质量是多大?10、太阳光传到地球需要8分20秒,那么太阳到地球的距离是多少米?11、在一次爆破中,用一根长1m的导火线引爆炸药,导火线以0.5cm/s的速度燃烧,点火者点着导火线后以4m/s的速度跑开,他能否在爆炸前跑到离爆炸地点600m的安全地区(通过列式计算来说明)12、小车从甲地到乙地,前一半路程的速度为15m/s,后一半路程的速度为10m/s,求小车在全程的平均速度?13、汽车沿平直公路从甲地开往乙地,两地相距90km,开始时汽车以10m/s的速度行驶了1.5h,然后余下的路程要在45min内匀速行驶完,求:后来汽车应以多大的速度行驶?14、在一次警察追捕小偷的过程中,小偷在警察前90m处,小偷逃跑的速度是5m/s,警察追捕的速度是27km/h,如果小偷和警察都做匀速直线运动,问:(1)通过计算说明警察能不能在500m的路程内追上小偷?(2)若能追上小偷,警察追上小偷共走了多少路程?15、某台拖拉机耕1m2的地需消耗柴油1.2g,若拖拉机的油箱容积为250升,问装满一箱柴油可以耕多少m2的土地?[柴油的密度为0.85×103kg/m3].16、体积240立方厘米,质量是1.78kg的铜球,你认为是空心还是实心的如果是空心的,那么在空心部分注满水、问球的总质量是多少17、一只空瓶质量是100g,装满水后,瓶水的总质量是600g;现改装某种液体,装满后,瓶和液体的总质量是500g.求:这种液体的密度?18、一质量为54g,体积为20cm3的金属块,它的密度是多少是哪一种金属当截去5cm3后,剩下的金属块密度为多少?19、某时刻有一辆快速公交车甲和一辆普通公交车乙,从同一路口同时向东匀速行驶.它们的路程随时间变化的图象如图所示,则运行2min后,甲车相对于乙车向哪个方向行驶,两车相距多远?20、下表是“和谐号”列车的部分运行时刻表.车次运行区间发车时间到达时间运行里程(km)停车站D608四方─济南8:0410:31387四方、潍坊、济南D609济南─四方11:2813:58387济南、淄博、四方D35北京─济南8:1011:34495北京、德州、济南D36济南─北京12:0015:24495济南、德州、北京(1)根据表中提供的信息,计算D609次列车从济南至四方全程的平均速度.(2)全国铁路提速后,乱穿铁路面临的危险将增大.假如某列车正在以上面速度行驶,某同学要想以1.5m/s的速度横穿9m宽的铁路,则他至少应在距列车多少米处横穿铁路才安全.21、如图是一座高10m、长2m、厚0.5m的花岗岩体纪念碑,为了知道它的质量,取一小块花岗岩石样品,用天平测得其质量是39.2g,用细绳拴好将其浸没在装有70mL的水中,水面升到的刻度是84mL.求:(1)花岗岩石的密度;(2)花岗岩石的体积;(3)花岗岩体的质量.22、如图所示,一列长200m的列车以20m/s的速度通过一山洞共用了50s,问该山洞有多长?23、汽车在出厂前要进行测试,某次测试中,先让汽车在模拟山路上以8m/s的速度行驶500s,紧接着在模拟公路上以20m/s的速度行驶100s.求:(1)该汽车在模拟山路上行驶的路程.(2)汽车在这次整个测试过程中的平均速度.24、某校同学在水平直道上进行1000米跑步比赛.甲、乙两位同学同时出发,甲同学在整个比赛过程中作匀速运动.乙同学出发后,经过100秒通过的路程400米,此时他发现比甲同学落后100米;接着乙同学以6米/秒的速度追赶,经过50秒没有赶上;然后乙同学发起冲刺,最后比甲同学提前10秒到达终点.则:(1)甲同学比赛中的速度是多少米/秒?(2)乙同学出发后,前100秒时间内的平均速度为多少米/秒?(3)乙同学最后冲刺的平均速度为多少米/秒?25、小刚从家中出发到达句容新世纪广场后,其中一半路程步行,一半路程骑自自行车.路程与时间图象如图所示.则:(1)小刚骑车的速度是多少?(2)小刚从家到句容新世纪广场全程的平均速度是多少?(3)在步行期间20s内通过的路程.26、某施工工地购入横截面积为1cm2的钢筋7.9t,求这些钢筋的长度。
八年级物理上册计算题精选(50道)一、计算题(共50题;共290分)1、某人乘坐出租车在平直的公路上匀速行驶,图为他乘车到达目的地时的车费发票的有关内容.求:(1)出租车行驶的时间:(2)出租车行驶的速度.2、将一质量是6g的金戒指缓慢漫设在盛满水的溢水杯中,称得溢出水的质量是0.4g,问:此戒指的密度是多少3、在一根长为884m的铁管一端重重敲击一下,在铁管另一端的人能听到两次声音,声音的间隔2.43秒。
声音在铁管里的传播速度是多少?4、站在百米赛跑终点的计时员听到起跑的枪声后,立即开始计时,测得李明同学百米赛跑的时间是14.00秒.当时气温是15℃,则李明同学跑出百米的真实时间是多少秒?5、十一黄金周”期间,小群一家驾车去百脉泉游玩.一路上,所学的物理知识帮助他解决了不少实际问题.在经十东路上,小群注意到一个交通标志牌上的标示如图所示.(1)如果小群的爸爸驾车从此处到达明水这段路程用了30min,则汽车的速度是多少?(2)在遵守交通规则的前提下,计算从标志牌到明水最快要多长时间?6、太空研究站用激光测量月球到地球的距离。
经过2.4s接受到反射回来的激光(激光速度取c=3.0×108m/s),求研究站到月球的距离7、5m3的水全部结成冰后体积是多大?8、一个铁球的质量是1.58kg,体积是0.5dm3,ρ铁=7.9×103kg/m3,ρ酒精=0.8×103kg/m.(1)这个铁球是实心还是空心的?(2)如果是空心的,空心部分体积是多大?(3)如果空心部分注满酒精,则球的总质量是多大?10、太阳光传到地球需要8分20秒,那么太阳到地球的距离是多少米?11、在一次爆破中,用一根长1m的导火线引爆炸药,导火线以0.5cm/s的速度燃烧,点火者点着导火线后以4m/s的速度跑开,他能否在爆炸前跑到离爆炸地点600m的安全地区?(通过列式计算来说明)12、小车从甲地到乙地,前一半路程的速度为15m/s,后一半路程的速度为10m/s,求小车在全程的平均速度?13、汽车沿平直公路从甲地开往乙地,两地相距90km,开始时汽车以10m/s的速度行驶了1.5h,然后余下的路程要在45min内匀速行驶完,求:后来汽车应以多大的速度行驶?14、在一次警察追捕小偷的过程中,小偷在警察前90m处,小偷逃跑的速度是5m/s,警察追捕的速度是27km/h,如果小偷和警察都做匀速直线运动,问:(1)通过计算说明警察能不能在500m的路程内追上小偷?(2)若能追上小偷,警察追上小偷共走了多少路程?15、某台拖拉机耕1m2的地需消耗柴油1.2g,若拖拉机的油箱容积为250升,问装满一箱柴油可以耕多少m2的土地?[柴油的密度为0.85×103kg/m3].16、体积240立方厘米,质量是1.78kg的铜球,你认为是空心还是实心的?如果是空心的,那么在空心部分注满水、问球的总质量是多少?17、一只空瓶质量是100g,装满水后,瓶水的总质量是600g;现改装某种液体,装满后,瓶和液体的总质量是500g.求:这种液体的密度?18、一质量为54g,体积为20cm3的金属块,它的密度是多少?是哪一种金属?当截去5cm3后,剩下的金属块密度为多少?19、某时刻有一辆快速公交车甲和一辆普通公交车乙,从同一路口同时向东匀速行驶.它们的路程随时间变化的图象如图所示,则运行2min后,甲车相对于乙车向哪个方向行驶,两车相距多远?20、下表是“和谐号”列车的部分运行时刻表.(1)根据表中提供的信息,计算D609次列车从济南至四方全程的平均速度.(2)全国铁路提速后,乱穿铁路面临的危险将增大.假如某列车正在以上面速度行驶,某同学要想以1.5m/s 的速度横穿9m宽的铁路,则他至少应在距列车多少米处横穿铁路才安全.21、如图是一座高10m、长2m、厚0.5m的花岗岩体纪念碑,为了知道它的质量,取一小块花岗岩石样品,用天平测得其质量是39.2g,用细绳拴好将其浸没在装有70mL的水中,水面升到的刻度是84mL.求:(1)花岗岩石的密度;(2)花岗岩石的体积;(3)花岗岩体的质量.22、如图所示,一列长200m的列车以20m/s的速度通过一山洞共用了50s,问该山洞有多长?23、汽车在出厂前要进行测试,某次测试中,先让汽车在模拟山路上以8m/s的速度行驶500s,紧接着在模拟公路上以20m/s的速度行驶100s.求:(1)该汽车在模拟山路上行驶的路程.(2)汽车在这次整个测试过程中的平均速度.24、某校同学在水平直道上进行1000米跑步比赛.甲、乙两位同学同时出发,甲同学在整个比赛过程中作匀速运动.乙同学出发后,经过100秒通过的路程400米,此时他发现比甲同学落后100米;接着乙同学以6米/秒的速度追赶,经过50秒没有赶上;然后乙同学发起冲刺,最后比甲同学提前10秒到达终点.则:(1)甲同学比赛中的速度是多少米/秒?(2)乙同学出发后,前100秒时间内的平均速度为多少米/秒?(3)乙同学最后冲刺的平均速度为多少米/秒?25、小刚从家中出发到达句容新世纪广场后,其中一半路程步行,一半路程骑自自行车.路程与时间图象如图所示.则:(1)小刚骑车的速度是多少?(2)小刚从家到句容新世纪广场全程的平均速度是多少?(3)在步行期间20s内通过的路程.26、某施工工地购入横截面积为1cm2的钢筋7.9t,求这些钢筋的长度。
目录1.站在百米跑终点的计时员听到发令枪的枪声后才开始计时,那么参赛同学甲的成绩将会提高多少,你认为怎样计时才能比较准确的记录赛跑时间? (1)2.打靶时,人在距离靶340m处开枪,1.5s后听到子弹击中靶的声音,求子弹离开枪膛的速度是多少? (1)3.已知声音在空气中的传播速度是340m/s,默认看到闪电3s后听到雷声,问打雷的地方距离此人有多远?(忽略光的传播时间) (1)4.一工人在房顶上敲打,每秒敲4下,一个观察者听到敲打声时恰好看到他把锤子举到最高处,问观察者和工人距离最短是多少米? (1)5.某人在高处用望远镜看地面上的工人以每秒1次的频率敲钉子,他听到的声音时恰好击锤的动作击锤的动作,当木工停止击锤后,他又听到两次击锤声,求木工离他有多远? (2)6.一人在北京歌剧院里看远处的观众,另一个在上海的居民坐在电视机前1m处收看演出,如果两人同时听到演奏声,那么北京的观众距离演奏者多少米?(北京距离上海1.47106m,无线电波的传播速度是3.0108m/s) (2)7.超音速飞机的速度常用马赫数来表示,马赫数指的是声速的倍速(声速是340m/s),某超音速飞机的马赫数是2.5,那么它飞行的速度是多少?若广州到北京的距离是1.7106m,这架飞机从广州飞到北京要多长时间? (2)8.一架喷气式飞机的速度是声速的1.5倍,飞行高度约为2720m。
沿水平方向飞行,某人听到飞机在他头顶上方的轰鸣声时,抬头看飞机飞到前方多远的地方了? (2)9.人耳能区别原声和回声的时间间隔为0.1s,求人至少离障碍物多远才能区别自己的原声和回声? (3)10.利用超声波测量海洋的深度,已知声波在海水中的传播速度是1500m/s,从海面上向海底发出的超声波信号经过6s后返回,则海水的深度是多少米? (3)11.a)人站在两座平行的大山形成的峡谷之中,在他击掌后,分别在0.3s和0.7s后听到回声,若声音在1s内传播330m,则峡谷的宽度是多少? (3)11.b)人站在两座平行的大山形成的峡谷之中,在他击掌后,0.3s后听到第一次回声,又经过0.7s听到第二次回声,若声音在1s内传播330m,则峡谷的宽度是多少? (3)12.某人在平行的陡峭的山谷里放了一枪,放枪的位置距离山谷右侧340m,1.5s后听到第一次回声。
人教版八年级上册物理计算题一、速度相关计算题1. 一辆汽车在平直公路上行驶,在10min内前进6km,停车10min后又以72km/h 的速度匀速行驶20min,求:(1)汽车停车前的平均速度;(2)汽车在全程中的平均速度。
解析:(1)已知汽车停车前行驶的路程公式,时间公式。
根据速度公式公式,可得停车前的平均速度公式。
(2)汽车停车公式,以公式的速度行驶公式,根据公式,则这段路程公式。
全程的路程公式,全程的时间公式。
全程的平均速度公式。
2. 甲、乙两地的距离是900km,一列火车从甲地早上7:30出发开往乙地,途中停靠了几个车站,在当日16:30到达乙地。
列车行驶途中以144km/h的速度匀速通过长度为400m的桥梁,列车全部通过桥梁的时间是25s。
求:(1)火车从甲地开往乙地的平均速度是多少千米每小时?(2)火车的长度是多少米?解析:(1)火车从甲地早上7:30出发,当日16:30到达乙地,所用时间公式,路程公式。
根据速度公式公式,可得平均速度公式。
(2)已知列车速度公式,通过桥梁的时间公式,桥梁长公式。
根据公式,列车通过桥梁行驶的路程公式。
列车的长度公式。
二、声音相关计算题1. 某人站在一个较大的山谷里,想估测山谷的宽度。
他大喊一声后经过0.3s听到右面山崖反射回来的声音,再经过0.5s才听到左面山崖反射回来的声音。
请你帮他估算这个山谷的宽度。
(声音在空气中的传播速度为340m/s)解析:设人离右面山崖的距离为公式,根据公式,公式,则公式。
设人离左面山崖的距离为公式,听到左面山崖反射回来的声音总时间公式,则公式。
山谷的宽度公式。
2. 一辆汽车以15m/s的速度正对山崖行驶,鸣笛后2s听到回声,问:(1)鸣笛处距山崖离多远?(2)听到回声时,汽车距山崖多远?解析:(1)设鸣笛处距山崖的距离为公式,汽车速度公式,声音速度公式,时间公式。
根据公式。
(2)听到回声时汽车行驶的距离公式。
听到回声时汽车距山崖的距离公式。
八年级物理上册计算题1.站在百米跑终点的计时员听到发令枪的枪声后才开始计时,那么参赛同学甲的成绩将会提高多少,你认为怎样计时才能比较准确的记录赛跑时间?已知:S=100m;v=340m/s求: (1)t∆;(2)如何计时更准确解:由Svt=得:Stv==1000.29340/msm s≈答: (1)参赛同学甲的成绩将会提高0.29s。
(2)为了更准确的计时,可以计时员可以看到烟雾就计时,如果环境太暗,可以看到火光就计时,因为光的传播速度比声音的传播速度快很多,光的传播时间可以忽略不计。
2.打靶时,人在距离靶340m处开枪,1.5s后听到子弹击中靶的声音,求子弹离开枪膛的速度是多少?已知:S=340m;t=1.5s;v声=340m/s求:v弹解:由Svt=得:Stv=t t t+=弹声340340+= 1.5340/S S m mt sv v v m s+=弹声弹即:解之得:680/v m s=弹答:子弹离开枪膛的速度是680m/s3.已知声音在空气中的传播速度是340m/s,某人看到闪电3s后听到雷声,问打雷的地方距离此人有多远?(忽略光的传播时间)已知:v=340m/s;t=3s求:S解:由Svt=得:S=vt忽略光传播的时间有:S=vt=340m/s⨯3s=1020m答:打雷的地方距离此人有1020m4.一工人在房顶上敲打,每秒敲4下,一个观察者听到敲打声时恰好看到他把锤子举到最高处,问观察者和工人距离最短是多少米?已知:4f=;v=340m/s求:Smin解:由f=4可知:锤子从最低点举到最高点用的时间t为:t=0.125s由Svt=得:S=vt=340m/s⨯0.125s=42.5m答:观察者和工人距离最短是42.5m5.某人在高处用望远镜看地面上的工人以每秒1次的频率敲钉子,他听到的声音时恰好看到击锤的动作,当木工停止击锤后,他又听到两次击锤声,求木工离他有多远?已知:f=1;v=340m/s求:S解:木工停止击锤后,他又听到两次击锤声,说明声音在他和木工之间的传播的时间够敲打两次,即声音的传播时间t=2s由Svt=得:S=vt=340m/s⨯2s=680m答:木工离他有680m6.一人在北京歌剧院里看远处的观众,另一个在上海的居民坐在电视机前1m处收看演出,如果两人同时听到演奏声,那么北京的观众距离演奏者多少米?(北京距离上海1.47106m,无线电波的传播速度是3.0108m/s)已知:S1=1m;v电=3.0108m/s;S2=1.47106m;v声=340m/s求:S3解:由Svt=得:Stv=t t=观家6 332181.47101=+340/ 3.010340/ S SS S m mv v v m s m m s⨯=+⨯声电声带入数据解之得:S3≈2.67m答:北京的观众距离演奏者2.67m7.超音速飞机的速度常用马赫数来表示,马赫数指的是声速的倍数(声速是340m/s),某超音速飞机的马赫数是2.5,那么它飞行的速度是多少?若广州到北京的距离是1.7106m,这架飞机从广州飞到北京要多长时间?已知:n=2.5,v 声=340m/s ,S=1.7106m 求:(1)v 飞;(2)t 解:(1)v飞=n ⨯v声=2.5⨯340m/s=850m/s (2)由Sv t =得:61.710=2000850/S m t s v m s⨯==飞答:它飞行的速度是850m/s;这架飞机从广州飞到北京要2000s8.一架喷气式飞机的速度是声速的1.5倍,飞行高度约为2720m 。
人教版八年级上册物理计算题汇总(word版可编辑修改)编辑整理:尊敬的读者朋友们:这里是精品文档编辑中心,本文档内容是由我和我的同事精心编辑整理后发布的,发布之前我们对文中内容进行仔细校对,但是难免会有疏漏的地方,但是任然希望(人教版八年级上册物理计算题汇总(word版可编辑修改))的内容能够给您的工作和学习带来便利。
同时也真诚的希望收到您的建议和反馈,这将是我们进步的源泉,前进的动力。
本文可编辑可修改,如果觉得对您有帮助请收藏以便随时查阅,最后祝您生活愉快业绩进步,以下为人教版八年级上册物理计算题汇总(word版可编辑修改)的全部内容。
人教版八年级上册物理计算题汇总一、计算题(本大题共13小题,共104。
0分)1.一轿车在福厦高速公路上行驶。
(1)它在经过如图所示的标志牌下时,速度已达40m/s,并仍以此速度向前开行,这辆车是否违反了交通法规,为什么?(2)如果这辆轿车以108km/h的速度匀速直线行驶,则从标志牌处开到厦门需多少时间?2.一辆汽车向着山崖以15m/s的速度匀速行驶,在距离山崖一定距离的地方鸣笛,经过0。
8s后司机听到了回声求:(已知声音在空气中传播速度为340m/s)(1)汽车鸣笛时距山崖多远.(2)此时汽车距山崖多远?3.一天小明他上学去时,以1m/s的速度走了6min,后来感觉时间不够为了不迟到,他又以1.5m/s的速度走了4min,求(1)他家离学校多远?(2)他上学走路的平均速度。
4.一个铁球的质量是1。
58kg,体积是0。
5dm3,ρ铁=7.9×103kg/m3,ρ酒精=0。
8×103kg/m.(1)这个铁球是实心还是空心的?(2)如果是空心的,空心部分体积是多大?(3)如果空心部分注满酒精,则球的总质量是多大?5.某人在长铁管一端猛敲击一下,在长铁管另一端人听到两次声音间隔为0.4s,求长铁管的长度?(声音在空气中、钢铁中传播速度分别是340m/s、5200m/s)。
八年级物理上册计算题1.站在百米跑终点的计时员听到发令枪的枪声后才开始计时,那么参赛同学甲的成绩将会提高多少,你认为怎样计时才能比较准确的记录赛跑时间?已知:S=100m;v=340m/s求: (1)t∆;(2)如何计时更准确解:由Svt=得:Stv==1000.29340/msm s≈答: (1)参赛同学甲的成绩将会提高0.29s。
(2)为了更准确的计时,可以计时员可以看到烟雾就计时,如果环境太暗,可以看到火光就计时,因为光的传播速度比声音的传播速度快很多,光的传播时间可以忽略不计。
2.打靶时,人在距离靶340m处开枪,1.5s后听到子弹击中靶的声音,求子弹离开枪膛的速度是多少?已知:S=340m;t=1.5s;v声=340m/s求:v弹解:由Svt=得:Stv=t t t+=弹声340340+= 1.5340/S S m mt sv v v m s+=弹声弹即:解之得:680/v m s=弹答:子弹离开枪膛的速度是680m/s3.已知声音在空气中的传播速度是340m/s,某人看到闪电3s后听到雷声,问打雷的地方距离此人有多远?(忽略光的传播时间)已知:v=340m/s;t=3s求:S解:由Svt=得:S=vt忽略光传播的时间有:S=vt=340m/s⨯3s=1020m答:打雷的地方距离此人有1020m4.一工人在房顶上敲打,每秒敲4下,一个观察者听到敲打声时恰好看到他把锤子举到最高处,问观察者和工人距离最短是多少米?已知:4f=;v=340m/s求:Smin解:由f=4可知:锤子从最低点举到最高点用的时间t为:t=0.125s由Svt=得:S=vt=340m/s⨯0.125s=42.5m答:观察者和工人距离最短是42.5m5.某人在高处用望远镜看地面上的工人以每秒1次的频率敲钉子,他听到的声音时恰好看到击锤的动作,当木工停止击锤后,他又听到两次击锤声,求木工离他有多远?已知:f=1;v=340m/s求:S解:木工停止击锤后,他又听到两次击锤声,说明声音在他和木工之间的传播的时间够敲打两次,即声音的传播时间t=2s由Svt=得:S=vt=340m/s⨯2s=680m答:木工离他有680m6.一人在北京歌剧院里看远处的观众,另一个在上海的居民坐在电视机前1m处收看演出,如果两人同时听到演奏声,那么北京的观众距离演奏者多少米?(北京距离上海1.47106m,无线电波的传播速度是3.0108m/s)已知:S1=1m;v电=3.0108m/s;S2=1.47106m;v声=340m/s求:S3解:由Svt=得:Stv=t t=观家6 332181.47101=+340/ 3.010340/ S SS S m mv v v m s m m s⨯=+⨯声电声带入数据解之得:S3≈2.67m答:北京的观众距离演奏者2.67m7.超音速飞机的速度常用马赫数来表示,马赫数指的是声速的倍数(声速是340m/s),某超音速飞机的马赫数是2.5,那么它飞行的速度是多少?若广州到北京的距离是1.7106m,这架飞机从广州飞到北京要多长时间?已知:n=2.5,v 声=340m/s ,S=1.7106m 求:(1)v 飞;(2)t 解:(1)v飞=n ⨯v声=2.5⨯340m/s=850m/s (2)由Sv t =得:61.710=2000850/S m t s v m s⨯==飞答:它飞行的速度是850m/s;这架飞机从广州飞到北京要2000s8.一架喷气式飞机的速度是声速的1.5倍,飞行高度约为2720m 。
八年级物理上册计算题精选(50道)一、计算题(共50题;共290分)1、某人乘坐出租车在平直的公路上匀速行驶,图为他乘车到达目的地时的车费发票的有关内容.求:(1)出租车行驶的时间:(2)出租车行驶的速度.2、将一质量是6g的金戒指缓慢漫设在盛满水的溢水杯中,称得溢出水的质量是0.4g,问:此戒指的密度是多少?3、在一根长为884m的铁管一端重重敲击一下,在铁管另一端的人能听到两次声音,声音的间隔2.43秒。
声音在铁管里的传播速度是多少?4、站在百米赛跑终点的计时员听到起跑的枪声后,立即开始计时,测得李明同学百米赛跑的时间是14.00秒.当时气温是15℃,则李明同学跑出百米的真实时间是多少秒?5、十一黄金周”期间,小群一家驾车去百脉泉游玩.一路上,所学的物理知识帮助他解决了不少实际问题.在经十东路上,小群注意到一个交通标志牌上的标示如图所示.(1)如果小群的爸爸驾车从此处到达明水这段路程用了30min,则汽车的速度是多少?(2)在遵守交通规则的前提下,计算从标志牌到明水最快要多长时间?6、太空研究站用激光测量月球到地球的距离。
经过2.4s接受到反射回来的激光(激光速度取c=3.0×108m/s),求研究站到月球的距离7、5m3的水全部结成冰后体积是多大?8、一个铁球的质量是1.58kg,体积是0.5dm3,ρ铁=7.9×103kg/m3,ρ酒精=0.8×103kg/m.(1)这个铁球是实心还是空心的?(2)如果是空心的,空心部分体积是多大?(3)如果空心部分注满酒精,则球的总质量是多大?10、太阳光传到地球需要8分20秒,那么太阳到地球的距离是多少米?11、在一次爆破中,用一根长1m的导火线引爆炸药,导火线以0.5cm/s的速度燃烧,点火者点着导火线后以4m/s的速度跑开,他能否在爆炸前跑到离爆炸地点600m的安全地区?(通过列式计算来说明)12、小车从甲地到乙地,前一半路程的速度为15m/s,后一半路程的速度为10m/s,求小车在全程的平均速度?13、汽车沿平直公路从甲地开往乙地,两地相距90km,开始时汽车以10m/s的速度行驶了1.5h,然后余下的路程要在45min内匀速行驶完,求:后来汽车应以多大的速度行驶?14、在一次警察追捕小偷的过程中,小偷在警察前90m处,小偷逃跑的速度是5m/s,警察追捕的速度是27km/h,如果小偷和警察都做匀速直线运动,问:(1)通过计算说明警察能不能在500m的路程内追上小偷?(2)若能追上小偷,警察追上小偷共走了多少路程?15、某台拖拉机耕1m2的地需消耗柴油1.2g,若拖拉机的油箱容积为250升,问装满一箱柴油可以耕多少m2的土地?[柴油的密度为0.85×103kg/m3].16、体积240立方厘米,质量是1.78kg的铜球,你认为是空心还是实心的?如果是空心的,那么在空心部分注满水、问球的总质量是多少?17、一只空瓶质量是100g,装满水后,瓶水的总质量是600g;现改装某种液体,装满后,瓶和液体的总质量是500g.求:这种液体的密度?18、一质量为54g,体积为20cm3的金属块,它的密度是多少?是哪一种金属?当截去5cm3后,剩下的金属块密度为多少?19、某时刻有一辆快速公交车甲和一辆普通公交车乙,从同一路口同时向东匀速行驶.它们的路程随时间变化的图象如图所示,则运行2min后,甲车相对于乙车向哪个方向行驶,两车相距多远?20、下表是“和谐号”列车的部分运行时刻表.(1)根据表中提供的信息,计算D609次列车从济南至四方全程的平均速度.(2)全国铁路提速后,乱穿铁路面临的危险将增大.假如某列车正在以上面速度行驶,某同学要想以1.5m/s 的速度横穿9m宽的铁路,则他至少应在距列车多少米处横穿铁路才安全.21、如图是一座高10m、长2m、厚0.5m的花岗岩体纪念碑,为了知道它的质量,取一小块花岗岩石样品,用天平测得其质量是39.2g,用细绳拴好将其浸没在装有70mL的水中,水面升到的刻度是84mL.求:(1)花岗岩石的密度;(2)花岗岩石的体积;(3)花岗岩体的质量.22、如图所示,一列长200m的列车以20m/s的速度通过一山洞共用了50s,问该山洞有多长?23、汽车在出厂前要进行测试,某次测试中,先让汽车在模拟山路上以8m/s的速度行驶500s,紧接着在模拟公路上以20m/s的速度行驶100s.求:(1)该汽车在模拟山路上行驶的路程.(2)汽车在这次整个测试过程中的平均速度.24、某校同学在水平直道上进行1000米跑步比赛.甲、乙两位同学同时出发,甲同学在整个比赛过程中作匀速运动.乙同学出发后,经过100秒通过的路程400米,此时他发现比甲同学落后100米;接着乙同学以6米/秒的速度追赶,经过50秒没有赶上;然后乙同学发起冲刺,最后比甲同学提前10秒到达终点.则:(1)甲同学比赛中的速度是多少米/秒?(2)乙同学出发后,前100秒时间内的平均速度为多少米/秒?(3)乙同学最后冲刺的平均速度为多少米/秒?25、小刚从家中出发到达句容新世纪广场后,其中一半路程步行,一半路程骑自自行车.路程与时间图象如图所示.则:(1)小刚骑车的速度是多少?(2)小刚从家到句容新世纪广场全程的平均速度是多少?(3)在步行期间20s内通过的路程.26、某施工工地购入横截面积为1cm2的钢筋7.9t,求这些钢筋的长度。
27、2014年6月4日宁夏新闻网报道:银川﹣﹣西安高速铁路预计在5年内建设完成,北起银川站,途经吴忠、盐池,由甜水堡出境至甘肃庆阳市、陕西咸阳市,最终到达西安市.线路建成后,全线运营时间约3.2h,它比原来普通列车的全程运行时间缩短了近11h.若高铁列车以200km/h的速度行驶,则银川﹣﹣西安高铁总路程约为多少km?28、从上海到南京的D412次动车组运行时刻表如下表所示.(1)D412次动车由上海驶往南京全程的平均速度是多少?(2)若该动车长200m,以这个平均速度完全穿过一条长2200m的隧道,需要多长时间?29、一辆汽车向山崖开去,在离山崖710m时司机按了一下喇叭,经过了4s他听到了回声,求:(1)当司机听到回声时离山崖多远?(2)汽车的速度是多少?30、一个铁球的质量是3.95kg,体积为8×10﹣3m3,铁的密度是7.9×103kg/m3(1)试鉴定此球是空心的还是实心的?(2)若此球是空心的,空心的体积是多大?31、2015年10月9日,重庆市青年教师初中物理优质课大赛在西南大学附中举行,李老师前往听课乘坐出租车时,司机给他提供的发票如图所示,请根据发票中的有关信息.求:(1)该出租车行驶的时间;(2)该出租车这段时间行驶的平均速度.32、野兔在草地上以10m/s的速度向前方树洞奔逃.野兔跑到树洞需要时间是4s,秃鹰在野兔后方110m 处,以30m/s的速度贴着地面飞行追击.请你通过计算回答野免能否安全逃进树洞.33、国庆期间,买买提和爸爸开车从乌鲁木齐到克拉玛依,车上速度仪表盘如图1所示,途中看到如图2所示的标志牌.(1)由图1可知,此时车速为多少?(2)图2标示牌的含义?(3)如果按照目前的速度行驶,父子二人到克拉玛依至少还需要多少小时?35、某人身高1.7米,为了测试路灯的高度,他从路灯正下方沿平直公路以1米/秒的速度匀速走开,某时刻他的影子长为1.3米,再经过2秒钟,他的影子长为1.8米,路灯距地面的高度是多少?(提示:可画图解答)37、一块碑石的体积为30m3,为了计算它的质量,取一小块作为碑石样品,用天平测得它的质量为140g,用量筒测得它的体积为50mL,根据以上数据,求这块碑石的总质量?38、为了修建一座桥梁,要在花岗石山坡上挖出一个如图所示的直角三棱柱形桥墩施工槽.已知花岗石的密度为ρ=2.8×103kg/m3,求被挖出的花岗石的质量有多少吨.39、在一次爆破中,用一条96cm的导火线引爆.如果导火线燃烧的速度为0.6cm/s,点火者在点燃导火线后,以5m/s的速度向安全区域跑去,那么他能否在爆破前跑到离爆炸点500m远的安全区?(用两种方法)40、超音速飞机的飞行速度常用“马赫数”表示,“马赫数”指的是飞行器在空气中的运动速度与飞行地声速的比值.若某超音速飞机飞行的“马赫数”为2.5,声速是340m/s,那么它的飞行速度是多少?若这架超音速飞机按照上面的速度,从广州飞到北京需要时间为2×103s,它从广州到北京的这段飞行距离为多少?42、一列火车全长200m,匀速通过一座70m长的桥用时18s,若该车用同样的速度通过一个山洞,用时1.5min,该山洞的长度是多少米?43、一辆大型运输车,长40m,质量为30t,匀速通过长260m的山洞时,所用时间为30s,它以同样速度通过一座桥时,所用时间为24s,求桥的长度.44、太阳发出的光,要经过大约8min才能到达地球.请你估算太阳到地球的距离是多少?若果一辆赛车以500km/h的速度不停的跑,它要经过多长时间才能跑完全程?45、回声比原声晚0.1秒到达人耳,人就能分辨.2010年,墨西哥湾钻井平台发生爆炸,附近作业船上工人听了到两次爆炸声,那么船离爆炸地点至少多远?作业船只在听到第二次爆炸声后,以7.2km/h的平均速度迅速赶往出事平台,在爆炸后至少多久能够到达?(设声音在空气中的传播速度为340m/s,在海水中的传播速度为1700m/s)46、小明一家驾车旅游经过某处时,发现一个交通指示牌,如图10所示,求:(1)若小明爸爸驾车从此处到达揭阳市用了0.6h,则车的平均速度为多少?(2)在遵守交通规则的前提下,从交通指示牌到揭阳市最快需要多长时间?47、用两个相同的杯子装有甲乙两种物体,如图所示是杯子和物体总质量﹣体积的图象,请根据图象回答下列问题:(1)空杯的质量是多少?(2)乙物质的密度是多少kg/m3?(3)当甲物体的体积为2.5cm3时,甲物体的质量是多少?48、一个200g的空杯子,装满水的总质量为700g;用它装满另一种液体总质量为0.6kg,求这种液体的密度是多少?49、甲用锤敲打物体发声,每秒敲三次,当已看见甲敲打物体时听到的总是上一次敲打时发出的声音,求甲乙之间的距离?50、在温度计的玻璃管上刻有150个均匀刻度,当温度计的玻璃泡浸在冰水混合物中时,水银柱的液面在30格处;当玻璃泡浸在1标准大气压下的沸水中时,水银柱的液面在80格处;当温度计放入某种液体内,水银柱液面在62格处,此液体的温度是多少摄氏度?。