电加热器企业标准
- 格式:docx
- 大小:19.47 KB
- 文档页数:9
电加热器安全使用管理规定模版第一条:为了确保电加热器的安全、高效使用,保护使用人员的生命和财产安全,根据相关法律法规,制定本规定。
第二条:适用范围本规定适用于所有单位和个人使用电加热器的场所,包括但不限于家庭、办公场所、工厂、学校等。
第三条:电加热器的选购1.按照国家标准选购电加热器,并购买正规渠道销售的产品;2.选择具有照明电加热器,则产品应符合国家强制性标准,并获得相关产品质量认证。
第四条:电加热器的安装1.安装电加热器应由专业人员进行,确保固定牢靠,不得受到外力影响导致倾倒;2.电加热器应远离易燃物品,保持一定的安全距离;3.安装位置应通风良好,不得堵塞通风口。
第五条:电加热器的使用1.使用前应检查电加热器的插头、电源线是否完好无损;2.使用时,不得将电加热器非法私拉乱接电源;3.严禁用潮湿的手触摸电加热器,以免发生电击事故;4.确保电加热器稳定放置,不得放在斜坡、不平稳的地方;5.严禁在电加热器上晾晒衣物、被褥等易燃物品;6.使用时发现电加热器有异常现象,如插头发热、电线老化、电路故障等应立即停止使用,并及时维修或更换;7.不得将电加热器用于其他非正常用途。
第六条:电加热器的保养1.定期检查电加热器的插头、电源线,如有老化、断裂等情况应及时更换;2.清洁电加热器时,务必先断开电源,使用干净的软布或刷子清理表面灰尘;3.出现故障时,应及时通知专业人员进行检修。
第七条:电加热器的停用1.不使用电加热器时,应拔下电源插头;2.长时间不使用时,应储存到干燥、通风的地方,并避免受到阳光直射;3.电加热器不得私自拆卸、改装。
第八条:电加热器的应急措施1.如发现电加热器冒烟、发出异味或发生其他异常情况,应立即拔出电源插头,并迅速通知专业人员进行检修;3.电加热器突发故障导致人员受伤,应及时进行急救,并送医院进行治疗。
第九条:处罚措施对违反本规定的单位和个人,将依法给予相应的处罚,并承担因违规行为造成的损失。
电加热器安全使用管理规定范本第一章总则第一条为了保障电加热器的安全使用,防止事故的发生,根据相关法律法规和规范要求,制定本规定。
第二条本规定适用于所有使用电加热器的单位和个人。
第三条电加热器的定义:指使用电能作为能源,通过电热效应将电能转化为热能的设备。
第四条电加热器的安全使用要求:使用单位和个人要严格按照电加热器的操作说明和相关规定进行使用,确保设备安全可靠,防止安全事故的发生。
第二章电加热器的选购与验收第五条电加热器的选购应当符合以下要求:(一)应当选择具有国家强制性产品认证的产品。
(二)应当根据使用环境和需求选择适当功率、规格和种类的电加热器。
(三)对于生产制造企业的电加热器,应当查验生产企业的资质和信誉,选择正规企业的产品。
第六条电加热器的验收应当执行以下程序:(一)检查产品的合格证明文件、说明书和标示是否齐全。
(二)检查产品是否完好无损,并检查产品的安装是否符合要求。
(三)检查产品的电气性能、外观质量是否符合要求。
(四)进行产品的试验运行,验证产品的工作状态和性能指标。
第三章电加热器的安装与使用第七条电加热器的安装位置应当符合以下要求:(一)距离易燃物、易爆物和危险化学品等有害物质的储存、使用场所保持一定的安全距离。
(二)距离易燃物、易爆物和危险化学品等有害物质储存容器的贮存体的安全距离应当按照相关规定执行。
(三)在使用过程中,应当保障电加热器的通风、散热条件,避免长时间超负荷运行。
第八条电加热器的使用应当按照以下要求执行:(一)使用电加热器前,应当检查电加热器的工作状态、电源接线、控制装置等是否正常。
(二)使用过程中,应当随时检查电加热器的工作情况,发现异常应及时停止使用并进行排除故障。
(三)禁止在电加热器上堆放物品,以免堵塞通风口,影响散热。
(四)禁止将电加热器放置在易燃物品旁边,以免引起火灾。
(五)使用过程中应当注意防止电加热器受水、油等物质的侵蚀,避免发生漏电、短路等安全事故。
家电产品质量承诺标准和指标要求产品名称承诺标准承诺指标承诺值(说明:企业填报承诺书时,应根据实际指标在此栏中“严于”或“等同于”二者中选择其一)电冰箱GB 12021.2-2008 《家用电冰箱耗电量限定值及能源效率等级》GB/T8059.1-1995《家用制冷器具冷藏箱》GB/T8059.2-1995《家用制冷器具冷藏冷冻箱》GB/T8059.3-1995 《家用制冷器具冷冻箱》GB/T8059.4-93 《家用制冷器具无霜冷藏箱、无霜冷藏冷冻箱、无霜冷冻食品储藏箱和无霜食品冷冻箱》GB 19606-2004《家用和类似用途电器噪声限值》能效指数(此处填写企业自愿承诺指标值)说明:本承诺值严于/等同于有关标准要求。
(有关标准规定能效指数不应低于该产品的额定能源效率等级对应的能源指数)冷冻能力(此处填写企业自愿承诺指标值)说明:本承诺值严于/等同于有关标准要求。
(有关标准规定不应小于额定值的85%,且不应小于4.5kg/100L,45L以下的不得小于2kg)噪声(此处填写企业自愿承诺指标值)说明:本承诺值严于/等同于有关标准要求。
(有关标准规定GB 19606-2004中表A.1)电风扇GB/T13380-2007《交流电风扇和调速器》风量(此处填写企业自愿承诺指标值)说明:本承诺值严于/等同于有关标准要求。
(有关标准规定不同扇叶直径限值不同,详见5.2表2)噪声(此处填写企业自愿承诺指标值)说明:本承诺值严于/等同于有关标准要求。
(有关标准规定不同扇叶直径限值不同,详见5.5表5)空调器GB/T7725-2004《房间空气调节器》GB 12021.3-2010《房间空气调节器能效限定值及能效等级》GB 21455-2013《转速可控型房间空气调节器能效限定值及能效等级》GB 19606-2004《家用和类似用途电器噪声限值》定频空调制冷能效(EER)(此处填写企业自愿承诺指标值)说明:本承诺值严于/等同于有关标准要求。
Q/WJL J XXXXXX有限公司企业标准Q/WJL 储水式电热水器检验标准发布实施XXXXXXX有限公司发布目次前言 (2)1 范围 (3)2 规范性引用文件 (3)3 术语和定义 (4)4 产品型号与产品编码命名 (4)5 检验项目和检验要求 (4)6 检验方法 (5)7 检验规则 (9)8 标志、包装、运输、储存 (10)前言Q/WJL J02.029-2012《储水式电热水器》是对GB 4706.12-2006《家用和类似用途电器的安全储水式热水器的特殊要求》、GB/T 20289-2006《储水式电热水器》和JB/T 4088-1999《日用管状电热元件》标准的补充,主要增加了储水式电热水器产品的外观结构、内胆容器强度、EMC性能试验、使用舒适性和关键元器件的使用寿命的要求,此标准仅在本公司内部执行。
本标准由质量管理部提出。
本标准由技术管理部归口。
本标准起草单位:营销中心电热产品部。
本标准主要起草人:本标准20xx年3月首次发布。
1 范围本标准为GB/T 20289-2006《储水式电热水器》、GB 4706.12-2006 《家用和类似用途电器的安全储水式热水器的特殊要求》和JB/T 4088-1999《日用管状电热元件》的补充要求,规定了储水式电热水器产品补充的检验项目、检验要求、检验方法、检验规则。
本标准适用于本公司储水式电热水器产品的检验。
2 规范性引用文件下列文件对于本文件的应用是必不可少的。
凡是注日期的引用文件,仅注日期的版本适用于本文件。
凡是不注日期的引用文件,其最新版本(包括所有的修改单)适用于本文件。
GB 4706.1-1998 家用和类似用途电器的安全第一部分:通用要求GB 4706.12-2006 家用和类似用途电器的安全储水式热水器的特殊要求GB/T 20289-2006 储水式电热水器GB 20429-2006 电热水器安装规范GB 21519-2008 储水式电热水器能效限定值及能效等级CEL——012 储水式电热水器能源效率标识实施规则QB/T 2590-2003 《贮水式热水器搪瓷制件》GB 5023.3-1997 额定电压450/750V及以下聚氯乙烯绝缘电缆第3部分:固定布线用无护套电缆GB 5023.5-1997 额定电压450/750V及以下聚氯乙烯绝缘电缆第5部分:软电缆(软线)GB 14536.1-1998 家用和类似用途电自动控制器第一部分:通用要求GB 14536.10-1996 家用和类似用途电自动控制器温度敏感控制器的特殊要求GB/T 22687-2008 《家用和类似用途双金属温度控制器》JB/T 4088-1999 日用管状电热元件GB 20044-2005 电气附件——家用及类似用途的不带过电流保护的移动式剩余电流装置(PRCD)GB2099.1-2008 家用和类似用途插头插座第一部分:通用要求GB1002-2008 家用和类似用途单相插头插座型式、基本参数和尺寸GB/T 21384-2008 电热水器用安全阀GB 4208-93 外壳防护等级(IP代码)GB19212.1-2008 电力变压器、电源、电抗器和类似产品的安全第1部分:通用要求和试验GB19212.7-2006 电力变压器、电源装置和类似产品的安全第1部分:一般用途安全隔离变压器的特殊要求GB/T17626.4 电磁兼容电快速瞬变脉冲群抗扰度试验(idt IEC61000-4-4:1995)GB/T17626.5 电磁兼容雷击浪涌抗扰度试验(idt IEC61000-4-5:1995)GB/T17626.11 电磁兼容电压跌落、短时中断和电压渐变抗扰度试验(idtIEC61000-4-11:1994)GB/T 6544-2008 瓦楞纸板GB/T 191-2008 包装储运图标标志QJ/WJL06.01.0181–2009 产品包装件试验通则Q/WJL G02.031 产品型号编制方法Q/WJL G02.032 产品编码编制方法3 术语和定义3.1 产品定义产品定义与GB4706.12的定义相同。
室内加热器【浴霸】企业标准QB企业标准室内加热器(浴霸)通用技术要求2017-12-20发布 2018-06-01实施XXXXX有限公司发布目次前言(Ⅱ)1、范围 (1)2、规范性引用标准 (1)3、术语和定义 (2)4、产品分类 (3)5、技术要求 (5)6、试验方法 (8)7、检验规则 (11)8、标志、包装、运输、储存 (13)9、附录A (16)10、附录B (19)前言本技术规范根据国家标准GB4706.1-2005《家用和类似用途电器的安全第1部分:通用要求》、GB4706.23-2003《家用和类似用途电器的安全室内加热器的特殊要求》、GB/T 14806-2003《家用和类似用途的交流换气扇及其调速器》及其它有关标准进行制定,本技术规范的规定在整体上高于相关国家标准。
本技术规范的实施有助于提高本公司浴霸产品的安全性和可靠性,在确保产品满足国家强制性安全认证(3C认证)的基础上,进一步提升产品的使用性能,使得本公司生产的浴霸产品质量达到行业领先水平。
本标准由xxxxxxxx有限公司生产技术总部提出。
本标准由xxxxxxxx有限公司开发部起草。
本标准主要起草人:xxx、XXX本标准由xxxxxxxx有限公司开发部负责解释。
室内加热器【浴霸】1.范围:本标准规定了用于不超过250V的单相交流线路上,输入功率不超过3000W,用于固定安装在浴室使用的非储热式室内加热器的产品分类、技术要求、试验方法检验规则、标志、包装、运输和贮存。
本标准适用于天花板安装以及高位墙壁安装的辐射式浴室电加热器、风扇式浴室电加热器、辐射与风扇复合式浴室电加热器。
本标准不适用于其他电加热器,包括:既能在房间使用、又能在浴室中使用的便携式室内加热器;自然对流式浴室电加热器;专为工业用途设计的器具;打算使用在经常产生腐蚀性或爆炸性气体(如灰尘、蒸气或瓦斯气体)特殊环境场所的器具;在空调器内部安装的加热器(GB4706.32);干衣机和毛巾烘杆(GB4706.60);桑拿浴加热器(GB4706.31);贮热式室内加热器(GB4706.44);动物繁殖和饲养用加热器(GB4706.47)。
1. 主题内容与适用范围:本标准规定了本公司电热水壶(以下简称为“水壶”)的有关技术要求、试验方法、包装、运输和贮存。
本标准适用于家用或类似用途的有线的或无线的电热水壶,额定容量不超过3L。
本标准不适用于汽车上使用的水壶及其它加热器具。
本标准主要参照2.1引用标准,如本标准的某些内容与该标准有冲突,则以引用标准为准。
2.引用和参考标准:2.1引用标准EN60335-1:1995:家电产品设计及结构的安全通则EN60335-2-3:1997: 家电产品设计及结构的安全液体加热器具的特殊要求2.2参考标准GB4706.1-1998:家用和类似用途电器的安全通用要求GB4706.30-92:家用各类似用途电器的安全液体加热器具的特殊要求GB1019:家用电器包装通则3.型号、型式和主要电参数:3.1型号命名:XB 6278 A派生产品代码产品型号代码系列产品代码3.2产品型式:---结构: I类电器结构---防水等级: IPX0---电源软线连接:X型(可分离式)、 Y型(固定式)3.3主要电参数:---额定电压:220V-240V AC.---额定频率:50HZ---额定功率:1000W,1200W,1500W,2200W,3000W…4.技术要求和实验方法:电热水壶应符合本标准及EN60335-1:1995、EN60335-2-3:1997的要求,并遵照本公司规定程序批准的图纸,样板及相关的技术文件制造;同时也可参考GB4706.1-1998、GB4706.19-1999的一些技术要求和试验方法。
4.1.1器具应处在正常使用中可能出现的最不利位置上进行试验。
( EN60335-1: 4.5)4.1.2环境温度: ( EN60335-1: 4.7)除非另有特殊规定,环境温度及被测器具和水的温度应保持在20±5℃。
4.1.3 正常工作条件:(EN60335-2-15 2.2.9)容器内注入额定容积的冷水进行工作,如有盖子将盖子盖上。
2023/11准与认证42标STANDARD & CERTIFICATION第三,提高产品的质量,推动企业不断提升技术水平和能力;第四,为政府部门监督管理提供科学的依据。
标准名称、术语有调整,提出新的产品分类方式相比GB/T 26185-2010《快热式热水器》,快热式电热水器标准进行了较大的修订。
首先,标准名称从“快热式热水器”改为“快热式电热水器”,并修改了相应术语和定义。
发生这一改变,是因为在标准修订过程中,工作组成员一致认为,快热式热水器范围较大,从定义上来看包含快热式电热水器和燃气快速热水器,修改为快热式电热水器更为准确。
其次,为了与GB 4706.11《家用和类似用途电器的安全快热式热水器的特殊要求(报批稿)》在术语名词上保持一致,该标准在修订过程中将“封闭式热水器”改为了“密闭式热水器”,将“敞开式热水器”改为了“出口敞开式热水器”。
在现行标准GB/T 26185-2010《快热式热水器》制定时,行业对恒温产品的研究较少,产品尚处于起步阶段,市场占比较低。
经过十多年的发展,恒温快热式电热水器已经成为行业主流产品。
因此,快热式电热水器标准第三个修订重点是与恒温产品的相关内容——恒温热水器的定义增加了“通过自动调节”和“实现出水温度恒定”,明确了恒温热水器的调节方式和出水恒定的特性,全面准确地阐述了恒温热水器的定义。
经过20年的发展,快热式电热水器逐渐演变出多种结构及类型,以适用于不同场景。
为此,快热式电热水器标准新增了产品分类方式。
其中,按照结构形式不同,快热式电热水器可分为密闭式热水器、出口敞开式热水器;按照使用用途不同,可快热式电热水器标准发布,内容调整较大本刊记者 李曾婷快热式电热水器因体积小、随开随用、无内胆不需担心水垢问题等优点,拥有相对稳定的用户群体,在家用热水器行业稳定发展并占有一席之地,近几年更是呈现出较好的增长势头。
为进一步助力行业快速发展,GB/T 26185-2023《快热式电热水器》(以下简称快热式电热水器标准)已于2023年8月6日正式发布,并将于2024年3月1日起实施。
3号汽机轴封电加热器采购技术规范书1. 概述(以下简称“甲方”)现有汽机轴封电加热器的铭牌参数见表1,配套容器铭牌参数见表2。
供货方(以下简称“乙方”)提供电加热器芯1台,加热器出线转接箱1个。
转接箱用于将电加热器芯的加热管端部接线引出至箱内,方便甲方检查及隔离加热管。
甲方原有的配套容器继续保留使用,新的加热器芯安装尺寸必需与原加热器芯安装尺寸一致,出线转接箱需根据现场安装位置订做,电加热芯尺寸需要厂家现场复核,实际勘探,买方不对安装尺寸负责。
乙方所提供的产品,必须是技术和工艺先进,并经过3年以上运行实践已证明是成熟可靠的产品。
乙方需派专业技术人员到甲方现场勘查,确认电加热器芯及转接箱现场安装环境;甲方更换加热器时,乙方必须派技术人员到甲方现场提供安装技术指导服务。
2. 执行标准以下标准有最新版本时,按最新版本为准。
2.1电加热器执行标准:《金属管状电热元件》JB/T2379-2016《结构用不锈钢无缝管》(GB/T14975-2002)《公差与配合》(GB1801-79)《不锈钢材质标准》(GB1220-92)《形状和位置公差、未注公差的规定》(GB1184)《质量体系最终检验和实验的质量保证模式》(GB/T19002-2000)《质量体系设计、开发、生产、安装和服务的质量保证模式》(GB/T19001-2000)《绝缘材料电气强度试验方法》GB1408-20062.2转接箱执行标准:《低压电气基本试验方法》GB998-1982《低压成套开关设备和控制设备》GB7251.1~5-2006《低压开关设备和控制设备》GB 14048《低压电器电控设备》GB7251.1《低压电器基本标准》GB1497《低压电器设备外壳防护等级》GB4942.23. 轴封电加热器技术要求3.1 加热器应能满足在9 min内将0.05 MPa、温度250 ℃的水蒸汽加热到0.05 MPa、温度450 ℃,蒸汽流量为1 000 kg/h;由于蒸汽中会带水,所以加热器工作环境中存在水分,加热器应能保证在此情况下运行稳定、可靠、安全。
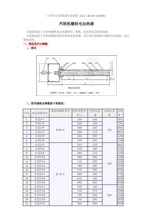
(中华人民共和国专业标准UDC ZB K54 019-88)汽轮机螺栓电加热器本标准规定了汽轮机螺栓电加热器型号、参数、技术要求及检验规则。
本标准适用于汽轮机螺栓装拆加热的电加热器。
其它承压容器的大螺栓电加热器,也可参照采用。
一、型式及尺寸参数1、型式2、型号规格及参数按下表规定:中华人民共和国机械电子工业部1988-07-20批准1989-07-01实施注:1、本表所列电加热器参数适用于中心孔直径d=22.6±0.2mm的螺栓,凡不符合本表所列中心孔直径与规格参数的电加热器,由用户与制造厂商定。
2、本表所列的电加热器表面功率密度选用8-11W/cm2。
二、技术要求(一)汽轮机螺栓电加热器应符合下列要求:1、电加热器所用原材料应符合下列要求:①绝缘材料氧化镁的成份应符合HG3-1294-80《氧化镁》规定;②氧化镁须经烘干后使用;③电加热器所用的电热材料为0Cr27A17Mo2高电阻电热合金丝,其工作温度为400°C,技术要求按GB1234《高电阻电热合金》规定;④电加热器保护套管材料为1Cr18Ni9Ti耐热不锈钢管。
其技术要求按YB804《不锈耐酸钢无缝钢管》规定。
使用其它材料由制造厂与用户商定;⑤电加热器用的保护套管内部去除毛刺后,再用汽油或煤油清洗干净,并吹干后才能使用。
2、电加热器成品应符合下列要求:①电加热器的额定工作电压为220±20V。
直流100V,低压50V;②电加热器插入长度在1m以内的,其中心线直线度不大于?0.3mm;插入长度在1-2m的,其中心线直线度不大于?0.4mm;③插入部分直径偏差为-0.20mm/-0.50mm;④插入部分长度偏差为±5mm,发热长度偏差为±5mm,底部冷端长度为25-30mm;⑤电加热器在使用时要求发热均匀,不允许有局部过热现象。
(二)对电加热器进行寿命试验时,每次加热时间为10-20min。
Q/XF 河南新飞电器有限公司企业标准Q/XFJ209-2005代替 Q/XFJ209-1997 除霜除臭电加热器组件2005- - 发布2005- - 实施河南新飞电器有限公司标准化委员会发布除霜除臭电加热器组件Q/XFJ209-20051 主题内容与适用范围本标准规定了除霜除臭电加热器组件的技术要求、试验方法、检验规则、包装、贮存等要求。
本标准适用于电冰箱用除霜除臭电加热器组件。
2 引用标准GB1019 家用电器包装通则GB/T2423.1 电工电子产品基本环境试验规程试验Ad:低温试验方法GB/T2423.2 电工电子产品基本环境试验规程试验Bd:高温试验方法GB/T2423.3 电工电子产品基本环境试验规程试验Ca:恒定湿热试验方法GB/T2423.5 电工电子产品环境试验第2部分:试验方法试验En和导则:冲击GB/T2423.10电工电子产品环境试验第2部分:试验方法试验Fc和导则:振动(正弦)GB/T2423.17 电工电子产品基本环境试验规规程试验Ka:盐雾试验方法GB/T2828 逐批检查计数抽样程序和抽样表(适用于连续批的检查)GB/T2829 周期检查计数抽样程序和抽样表GB4207 固体绝缘材料在潮湿条件下相比漏电起痕指数和耐漏电起痕指数的测定方法GB4609 塑料燃烧性试验方法:垂直燃烧法GB4706.1家用和类似用途电器的安全第一部分:通用要求GB4706.13家用和类似用途电器的安全制冷器具、冰淇淋机和制冰机的特殊要求JB/T5660 电器附件:家用和类似用途的控制器、保护器的包装和标志GB14536.1 家用和类似用途电自动控制器第一部分:通用要求3 技术要求3.1 外观及结构3.1.1 形状、尺寸应符合图纸要求。
3.1.2 外观应满足如下要求:玻璃管表面应光滑、无损伤、色泽均匀、裂纹或粘附其它杂质、管内无灰尘及异物;a)除臭剂涂布应均匀、无挥发、色调均匀;b) 加热丝各圈螺丝间隔应均匀;c) 两端纤维块应无伤痕、裂纹、毛刺、污迹及变形等,两端导线无损伤。
江苏省镇江质量技术监督局企业标准备案公告根据《中华人民共和国标准化法》、《中华人民共和国标准化法实施条例》和《江苏省标准监督管理办法》有关规定,下列企业标准已经我局备案,备案有效期为三年。
现予公告。
序号企业标准编号企业标准名称企业名称备案号1 Q/321100TL001-2004 WL Y型系列轮式液压挖掘机镇江升隆机械有限公司3837-2004-P2 Q/321100BS003-2004 化纤丝漆刷镇江市制刷厂3838-2004-Y3 Q/321100PF003-2004 调味料(沙司)镇江恒顺新型调味品有限责任公司3839-2004-X4 Q/321100PF004-2004 调味汁镇江恒顺新型调味品有限责任公司3840-2004-X5 Q/321100PF005-2004 复合型调味酱镇江恒顺新型调味品有限责任公司3841-2004-X6 Q/321100ZN001-2004 特浓鲜牛奶镇江市长江乳业有限公司3842-2004-X7 Q/321100NW002-2004 氨基酸饮料镇江市宝莱生物技术开发有限公司3843-2004-X8 Q/321100ABN002-2004 复合型生物肥水剂镇江益生堂药业有限责任公司3844-2004-G9 Q/321100ABN003-2004 复合生物净水剂镇江益生堂药业有限责任公司3845-2004-G10 Q/321102EAB001-2004 钢质电缆桥架镇江市京口欣业电气桥架厂3847-2004-K11 Q/321101ZAN001-2004 钢质电缆桥架镇江市伟业电气桥架制造有限公司3848-2004-K12 Q/321101ZAN002-2004 铝合金桥架镇江市伟业电气桥架制造有限公司3849-2004-K13 Q/321100ABR001-2004 BW系列泥浆泵镇江煤安矿用设备有限责任公司3850-2004-D14 Q/321100ABR002-2004 SYB-60/5双液变量注浆泵镇江煤安矿用设备有限责任公司3851-2004-D15 Q/321100ABR003-2004 DLB-50/4型漏斗式注浆泵镇江煤安矿用设备有限责任公司3852-2004-D16 Q/321100HD004-2004 蒸气锅炉排汽小孔消声器镇江华东电力设备制造厂3853-2004-J17 Q/321100HD006-2004 PZH型微机厂用电快切换装置镇江华东电力设备制造厂3854-2004-K18 Q/321100HD007-2004 固定式高真空吸引装置镇江华东电力设备制造厂3855-2004-J19 Q/321100HD009-2004 封闭母线镇江华东电力设备制造厂3856-2004-K20 Q/321100HD010-2004 水处理自动加药成套装置镇江华东电力设备制造厂3857-2004-T21 Q/321100HL003-2004 洗衣机用蒙皮铝板镇江鼎胜铝业有限公司3858-2004-H22 Q/321100HL017-2004 电容器外壳用铝带材镇江鼎胜铝业有限公司3859-2004-H23 Q/321100HL018-2004 空调器散热片用铝箔镇江鼎胜铝业有限公司3860-2004-H24 Q/321100HL019-2004 铝塑复合管用铝及铝合金带材镇江鼎胜铝业有限公司3861-2004-H25 Q/321100HL020-2004 冰箱冰柜用高表面优质铝合金带材镇江鼎胜铝业有限公司3862-2004-H26 Q/321100JK15-2004 DVD数字视盘机江苏宏图高科技股份有限公司3863-2004-M27 Q/321101FGB001-2004 颈椎牵引器镇江新区康富医疗器械厂3864-2004-C28 Q/321102EAA001-2004 P103型系列交流点焊机镇江市京口焊接器械厂3865-2004-J29 Q/321102EAA002-2004 P11储能系列点焊机镇江市京口焊接器械厂3866-2004-J30 Q/321101ZAD005-2004 WSTS系列手动液压手术床镇江威尔医疗设备有限公司3867-2004-C31 Q/321101ZAD006-2004 WSTD系列电动手术床镇江威尔医疗设备有限公司3868-2004-C32 Q/321101ZAD007-2004 WBD系列电动病床镇江威尔医疗设备有限公司3869-2004-C33 Q/321101ZAD008-2004 WBS系列手动液压病床镇江威尔医疗设备有限公司3870-2004-C34 Q/321101ZAD009-2004 WCS系列手动液压产床镇江威尔医疗设备有限公司3871-2004-C35 Q/321101ZAD010-2004 WCD系列电动产床镇江威尔医疗设备有限公司3872-2004-C36 Q/321101ZAD011-2004 WD系列冷光手术灯镇江威尔医疗设备有限公司3873-2004-C37 Q/321121HD004-2004 镇江白醋镇江市镇丹酱醋有限公司3874-2004-X38 Q/321100HS035-2004 系列辣油酱菜江苏恒顺醋业股份有限公司3875-2004-X39 Q/321100HS046-2004 恒顺奶醋江苏恒顺醋业股份有限公司3876-2004-X40 Q/321100HR07-2004 4-甲氧基-2-硝基苯胺镇江精细化工有限责任公司3880-2004-G41 Q/321121AFD001-2004 弹性系列糖、弹性系列巧克力镇江市丹徒区鑫惠食品厂3881-2004-X42 Q/321100BC01-2004 不粘锅镇江华鹏金属制品有限公司3882-2004-Y43 Q/321101RDK004-2004 电加热带(线)镇江市东方制冷空调设备配件有限公司3883-2004-Y44 Q/321100DG14-2004 直管形氙气闪光灯(AKD)镇江市电子管厂3884-2004-N45 Q/321100HY01-2004 中性施胶剂烷基烯酮二聚体固体镇江市化工研究设计院3885-2004-G46 Q/321100HY04-2004 聚酰胺聚胺表氯醇(PPE)树脂镇江市化工研究设计院3886-2004-G47 Q/321100HY02-2004 中性施胶剂烷基烯酮二聚体乳液(AKD)镇江市化工研究设计院3887-2004-G48 Q/321100ABM001-2004 HG型不含气液体灌装机镇江恒威机器制造有限公司3888-2004-X49 Q/321100ZH008-2004 偶氮二甲酰胺(复合型发泡剂ADC)江苏索普(集团)有限公司3889-2004-G50 Q/321102ERF001-2004 西式糕点镇江市京口好利来蛋糕世界3890-2004-X51 Q/321102ERF002-2004 面包镇江市京口好利来蛋糕世界3891-2004-X52 Q/321100NP004-2004 恒顺老酒镇江恒顺酒业有限责任公司3892-2004-X53 Q/321101RGH001-2004 丙烯腈-丁二烯-苯乙烯(ABS)树脂镇江国亨化学有限公司3893-2004-G54 Q/321101RGH002-2004 丙烯腈-苯乙烯(AS)树脂镇江国亨化学有限公司3894-2004-G55 Q/321118NKB001-2004 光学树脂镜片镇江万新光学眼镜有限公司3895-2004-Y56 Q/321102TZ001-2004 WZP-21型卧式玻璃管制瓶机组镇江京口特种灯泡厂3896-2004-Y57 Q/321100TT001-2004 玻璃纤维增强水泥建筑外装饰制品镇江欧特装饰材料厂3897-2004-Q58 Q/321100KB004-2004 B系列隔爆型控制箱镇江美佳环保设备有限公司3898-2004-K59 Q/321128AEG001-2004 三相应急电源镇江银佳宝岛消防电子设备有限公司3899-2004-K60 Q/321100DAE06-2004 肉用鹌鹑、蛋鹌鹑系列配合饲料嘉吉饲料(镇江)有限公司3900-2004-B61 Q/321100MG001-2004 绒制工艺品镇江天元玩具制造有限责任公司3901-2004-Y62 Q/321102ESN01-2004 含油铸型尼龙ND5机车导框衬板镇江市京口浇铸尼龙厂3902-2004-Y63 Q/321102ESN02-2004 含油铸型尼龙管材、棒材、板材、异型材镇江市京口浇铸尼龙厂3903-2004-Y64 Q/321118AJ001-2004 LN型交流无触点开关控制柜镇江华晟电气设备有限公司3904-2004-K65 Q/321100AAW001-2004 工业无水亚硫酸钠镇江市京口福利综合厂3905-2004-G66 Q/321121AFC002-2004 葛根茶镇江市缘源葛业开发有限公司3906-2004-X67 Q/321100SJ006-2004 高聚合度聚氯乙烯树脂江苏金益集团有限公司3907-2004-G68 Q/321100YG01-2004 影视剧工艺服饰镇江影剧服装工艺厂有限责任公司3908-2004-G69 Q/321118AL001-2004 YTWT型室外遥控转向电视接收电线丹阳市丹峰电子有限公司3909-2004-M70 Q/321101ZAM01-2004 住宅厨房、卫生间排烟气道防火隔离门镇江新区丁卯芳兴建材厂3910-2004-C71 Q/321101ZAM002-2004 住宅厨房卫生间脱卸式止回阀镇江新区丁卯芳兴建材厂3911-2004-C72 Q/321102TAF001-2004 木工机用麻花钻镇江市宇星工具有限责任公司3912-2004-J73 Q/321100GU001-2004 自动生化反应设备镇江东方生物工程设备技术有限责任公司3913-2004-G74 Q/321101RDK002-2004 户式中央空调用辅助电加热器镇江市东方制冷空调设备配件有限公司3914-2004-J75 Q/321101RDK003-2004 中央空调辅助电加热器镇江市东方制冷空调设备配件有限公司3915-2004-J76 Q/321100NE003-2004 中式糕点镇江市润州食品饮料公司3916-2004-X77 Q/321100NE005-2004 西式糕点镇江市润州食品饮料公司3917-2004-X78 Q/321100NE006-2004 云片糕镇江市润州食品饮料公司3918-2004-X79 Q/321100UB001-2004 PXB型燃气泄漏保护装置镇江安宝电子有限责任公司3919-2004-Q80 Q/JLB26-2004 运动饮料健力宝(镇江)有限公司3920-2004-X81 Q/321101LTX001-2004 羧基丁苯乳胶来泰祥化工(江苏)有限公司3921-2004-G82 Q/321102EAC001-2004 裱花蛋糕镇江好当家面包店3922-2004-X83 Q/321102EAC002-2004 蛋糕镇江好当家面包店3923-2004-X84 Q/321100DAE05-2004 水产系列配合饲料、浓缩饲料嘉吉饲料(镇江)有限公司3924-2004-X85 Q/321100WZ001-2004 ZH5-2型交流点焊机镇江无线电专用设备厂3925-2004-J86 Q/321100WZ002-2004 P11(系列)储能点焊机镇江无线电专用设备厂3926-2004-J87 Q/31100WZ004-2004 P103-3(系列)交流点焊机镇江无线电专用设备厂3927-2004-J88 Q/321101FGA006-2004 鳗鱼全价配合饲料镇江市康茂饲料有限公司3928-2004-B89 Q/321101FGA007-2004 甲鱼(中华鳖)全价配合饲料镇江市康茂饲料有限公司3929-2004-B90 Q/321100EY001-2004 纸质滤芯空气滤清器总成镇江市方正滤清器有限公司3930-2004-T91 Q/321102EAE002-2004 西式糕点镇江元亨西点有限公司3931-2004-X92 Q/321102EAE003-2004 面包镇江元亨西点有限公司3932-2004-X93 Q/321102XAB06-2004 凹式半挂车车轴总成通用技术要求镇江市宝华半挂车配件有限公司3933-2004-J94 Q/321102XAB05-2004 半挂车轴总成镇江市宝华半挂车配件有限公司3934-2004-T95 Q/321111SCD002-2004 恒园TZPS型住宅烟气集中排放系统镇江市润州区恒园建筑材料制品厂3935-2004-Q96 Q/321100EY002-2004 纸质滤芯机油滤清器总成镇江市方正滤清器有限公司3936-2004-T97 Q/321100EY003-2004 汽油机汽油滤清器总成镇江市方正滤清器有限公司3937-2004-T98 Q/321118AN001-2004 系列小麦粉丹阳市园丰面粉有限公司3938-2004-X99 Q/321100ACB001-2004 液晶电视广播接收机江苏世纪数码液晶有限公司3939-2004-M 100 Q/321100LM071-2004 ZL型轮胎式装载机镇江金江机械制造有限责任公司3940-2004-P 101 Q/321100LM072-2004 WL型液压挖掘机镇江金江机械制造有限责任公司3941-2004-P 102 Q/321102RF001-2004 铸造用覆膜砂镇江市长城造型材料厂3942-2004-J 103 Q/321102XAA007-2004 中式糕点镇江市象山供销社象山甘露食品厂3943-2004-X 104 Q/321100AEJ001-2004 蜂奥牌蜂胶软胶囊镇江江大蜂奥蜂胶有限公司3944-2004-X 105 Q/321111SAG01-2004 产蛋鸡、肉用仔鸡、仔猪、生长肥育猪复合预混合饲料镇江市京金饲料添加剂厂3945-2004-B 106 Q/321100GU12-2004 液晶电视机通用技术条件江苏赛博牡丹电子有限公司3946-2004-M 107 Q/321100GU08-2004 彩色电视机通用技术条件江苏赛博牡丹电子有限公司3947-2004-M 108 Q/321100YF08-2004 猪鸡系列配合饲料镇江市台谊浓缩饲料厂3948-2004-B 109 Q/321100YF01-2004 5%蛋鸡(含种鸡)、肉鸡、猪复合预混合饲料镇江市台谊浓缩饲料厂3949-2004-B 110 Q/321101DAG01-2004 HSG系列摸拟换色器镇江旋丽电器有限公司3950-2004-K 111 Q/321101DAG02-2004 XLSYS系列数控换色器镇江旋丽电器有限公司3951-2004-K 112 Q/321100ACD001-2004 DC带管保健牙刷镇江润州盛康牙刷厂3952-2004-Y113 Q/321102EAE001-2004 广式月饼镇江元亨西点有限公司3953-2004-X 114 Q/321100LZ05-2004 DLF-12/630-20型户内高压元氟化硫负荷开关镇江龙源电器有限公司3954-2004-K 115 Q/321100YR001-2004 跃进牌NJ2810系列农用运输车江苏跃进农用车有限公司3955-2004-T 116 Q/321100YR002-2004 跃进牌NJ48系列农用运输车江苏跃进农用车有限公司3956-2004-T 117 Q/321100ES022-2004 南方系列婴幼儿配方奶粉广西黑五类集团镇江南方食品有限公司3957-2004-X 118 Q/321102TAD01-2004 新型高效工业切割气镇江市江虹切割气厂3958-2004-G 119 Q/321100W A011-2004 YKF型红外遥控发射器江苏惠通集团有限责任公司3959-2004-M 120 Q/321100TS01-2004 静电喷涂金属货架镇江东联仓储设备有限公司3960-2004-J 121 Q/321102T019-2004 ZR-110金红石型二氧化钛颜料镇江钛白粉股份有限公司3961-2004-G 122 Q/321121AEK001-2004 一次性使用吸管镇江市丹徒区科达医疗用品厂3962-2004-C 123 Q/321121AEK002-2004 一次性使用导尿包镇江市丹徒区科达医疗用器厂3963-2004-C 124 Q/321121AEK003-2004 一次性使用备皮包镇江市丹徒区科达医疗用器厂3964-2004-C 125 Q/321121AEK004-2004 一次性使用换药盒镇江市丹徒区科达医疗用器厂3965-2004-C 126 Q/321121AEK005-2004 一次性使用口腔换药盒镇江市丹徒区科达医疗用器厂3966-2004-C 127 Q/321121AEK006-2004 一次性使用试管镇江市丹徒区科达医疗用器厂3967-2004-C 128 Q/321100HS015-2004 镇江恒顺香醋(蜂蜜养生醋)江苏恒顺醋业股份有限公司3968-2004-X 129 Q/321100HS017-2004 镇江恒顺花色醋江苏恒顺醋业股份有限公司3969-2004-X 130 Q/321100HS018-2004 镇江恒顺香(陈)醋江苏恒顺醋业股份有限公司3970-2004-X 131 Q/321111QZJ01-2004 ZD、ZL、ZS园柱齿轮减速器镇江市减速机厂3971-2004-J 132 Q/321111QZJ02-2004 ZOH、ZLH、ZSH园弧园柱齿轮减速器镇江市减速机厂3972-2004-J 133 Q/321111QZJ03-2004 ZQH园弧园柱齿轮减速器镇江市减速机厂3973-2004-J 134 Q/321100CK01-2001 熔剂石灰石江苏船山矿业股份有限公司3974-2004-D 135 Q/321100AEK001-2004 干黄蘑镇江市乐万家山产品有限公司3975-2004-X 136 Q/321121HQ003-2004 恒丰白醋镇江恒丰酱醋有限公司3976-2004-X137 Q/321121HQ008-2004 镇江米醋、凉拌醋镇江恒丰酱醋有限公司3977-2004-X 138 Q/321121HQ011-2004 花色醋镇江恒丰酱醋有限公司3978-2004-X 139 Q/321121HQ019-2004 料酒镇江恒丰酱醋有限公司3979-2004-X 140 Q/321100XE001-2004 健力宝现调机糖浆健力宝(镇江)饮料有限公司3980-2004-X 141 Q/321100JK16-2004 DVD系列数字视盘机镇江江奎集团有限公司3981-2004-M 142 Q/321100NT001-2004 太阳能庭院灯镇江皓天太阳能有限公司3982-2004-K 143 Q/321111SBN001-2004 醋蛋液镇江仙妻味业有限公司3983-2004-X 144 Q/321111SBN002-2004 卤菜镇江仙妻味业有限公司3984-2004-X 145 Q/321111SBN008-2004 果醋镇江仙妻味业有限公司3985-2004-X 146 Q/321100ZN002-2004 消毒鲜牛奶检验规则镇江市长江乳业有限公司3986-2004-X 147 Q/321121HQ012-2004 北固山果醋镇江恒丰酱醋有限公司3987-2004-X 148 Q/321100KZ002-2004 吉能士(JNS)高性能粉状灰复合保温砂浆规程镇江市建筑科学研究院3988-2004-P 149 Q/321100KZ001-2004 粉煤灰双层地基施工技术规程镇江市建筑科学研究院3989-2004-P 150 Q/321102GB005-2004 多异氰酸酯胶联剂镇江金宝粘合剂有限公司3990-2004-G 151 Q/321102GB004-2004 天然橡胶胶粘剂镇江金宝粘合剂有限公司3991-2004-G 152 Q/321100ACF001-2004 电子用铜包钢线镇江市广庆包装材料有限公司3992-2004-K 153 Q/321100ACG001-2004 白灵802低压锅炉水处理剂镇江百灵化学品有限公司3993-2004-G 154 Q/321100ACG002-2004 白灵801循环冷却水处理剂镇江百灵化学品有限公司3994-2004-G 155 Q/321100ACG003-2004 白灵803FOA高效节能燃油添加剂镇江百灵化学品有限公司3995-2004-G 156 Q/321100ACG004-2004 白灵902清洗剂镇江百灵化学品有限公司3996-2004-G 157 Q/321111QED03-2004 T13-1碳砖镇江市润州区电碳厂3997-2004-Q 158 Q/321100VE04-2004 天然宝螺旋藻饮料镇江市华宝生物工程有限责任公司3998-2004-X 159 Q/321100VE05-2004 天然宝蔬汁饮料镇江市华宝生物工程有限责任公司3999-2004-X 160 Q/321100ACB002-2004 彩色电视接收和视盘播放一体机江苏世纪数码液晶有限公司4000-2004-M161 Q/321100ABS001-2004 尚谷牌系列婴幼儿配方奶粉广西黑五类集团镇江南方食品有限公司4001-2004-X 162 Q/321100ABS002-2004 尚谷牌学生益智营养奶粉广西黑五类集团镇江南方食品有限公司4002-2004-X 163 Q/321100ABS003-2004 尚谷牌系列中老年配方奶粉广西黑五类集团镇江南方食品有限公司4003-2004-X 164 Q/321100BV001-2004 芝麻调和油镇江市金莲小磨麻油厂4004-2004-X 165 Q/321100ACH001-2004 月饼镇江市儿童食品厂4005-2004-X 166 Q/321100ACH002-2004 烘烤糕点制品镇江市儿童食品厂4006-2004-X 167 Q/321100ACH003-2004 冷作糕点制品镇江市儿童食品厂4007-2004-X 168 Q/321100ACH004-2004 油炸糕点制品镇江市儿童食品厂4008-2004-X 169 Q/321100ACH005-2004 京果粉镇江市儿童食品厂4009-2004-X 170 Q/321100ACE001-2004 月饼镇江市润州区聚发园食品厂4010-2004-X 171 Q/321100TV004-2004 配变线路识别仪镇江泰利丰电子有限公司4011-2004-L 172 Q/321100ZT008-2004 二氧化钛中五氧化二铌的测定方法镇江钛白粉股份有限公司4012-2004-G 173 Q/321100ZT009-2004 二氧化钛粒径的测定方法镇江钛白粉股份有限公司4013-2004-G 174 Q/321100ZT010-2004 烘干料不溶物的测定方法镇江钛白粉股份有限公司4014-2004-G 175 Q/321100ZT011-2004 二氧化钛中金红石晶型含量的测定方法镇江钛白粉股份有限公司4015-2004-G 176 Q/321100ZT012-2004 二氧化钛干粉白度的测定方法镇江钛白粉股份有限公司4016-2004-G 177 Q/321100EH02-2004 超细硫化促进剂TMTD 镇江振邦化工有限公司4017-2004-G 178 Q/321100EH06-2004 颗粒型硫化促进剂镇江振邦化工有限公司4018-2004-G 179 Q/321100EH07-2004 充油型硫化促进剂镇江振邦化工有限公司4019-2004-G 180 Q/321100ABN007-2004 免疫多糖(酵母细胞壁)镇江益生堂药业有限公司4020-2004-B 181 Q/321100VG01-2004 甘草瓜子镇江市三和食品有限公司4021-2004-X 182 Q/321100VG05-2004 联福兰花豆镇江市三和食品有限公司4022-2004-X 183 Q/321100VG07-2004 联福牌开心果镇江市三和食品有限公司4023-2004-X 184 Q/321100VG08-2004 联福牌美国葵花籽、葵花籽仁镇江市三和食品有限公司4024-2004-X185 Q/321100VG10-2004 胡桃、胡桃仁镇江市三和食品有限公司4025-2004-X 186 Q/321100VG15-2004 开心杏仁果镇江市三和食品有限公司4026-2004-X 187 Q/321100TD001-2004 月饼镇江市镇汽食品厂4027-2004-X 188 Q/321100TD002-2004 锅巴镇江市镇汽食品厂4028-2004-X 189 Q/321100TD003-2004 萨其玛镇江市镇汽食品厂4029-2004-X 190 Q/321100TD004-2004 裱花蛋糕镇江市镇汽食品厂4030-2004-X 191 Q/321100TD005-2004 片糕镇江市镇汽食品厂4031-2004-X 192 Q/321121AEL004-2004 宴会香醋镇江万源酱醋有限公司4032-2004-X 193 Q/321121AEL010-2004 蟹醋镇江万源酱醋有限公司4033-2004-X 194 Q/321100VG16-2004 话梅瓜子镇江三和食品有限公司4034-2004-X 195 Q/321100VG18-2004 玫瑰瓜子镇江三和食品有限公司4035-2004-X 196 Q/321100ZH004-2004 乙二醇单乙醚江苏索普(集团)有限公司4036-2004-G 197 Q/321100ZH005-2004 乳化剂AEO系列江苏索普(集团)有限公司4037-2004-G 198 Q/321100ZH006-2004 乳化剂NP系列江苏索普(集团)有限公司4038-2004-G 199 Q/321100ZH007-2004 渗透剂T 江苏索普(集团)有限公司4039-2004-G 200 Q/3200CC1-2004 L23/30系列中速柴油机镇江船用柴油机厂4040-2004-J 201 Q/3200CC2-2004 L28/32系列中速柴油机镇江船用柴油机厂4041-2004-J 202 Q/3200CC3-2004 L16/24系列中速柴油机镇江船用柴油机厂4042-2004-J 203 Q/321100ZC015-2004 60m海洋救助拖船江苏省镇江船厂有限责任公司4043-2004-U 204 Q/321100ZC03-2004 Z型推进拖船(优质)江苏省镇江船厂有限责任公司4044-2004-U 205 Q/321100ACJ001-2004 DVD数字视盘机江苏宏图高科技股份有限公司激光声像分公司4045-2004-M 206 Q/321100YT003-2004 塑料双股绞合跳线镇江通信器材厂4046-2004-M 207 Q/321118AE001-2004 永昌、永佳系列小麦粉丹阳市永兴面粉有限公司4047-2004-X 208 Q/321100QB010-2004 ZBW10B真空气泵镇江斯伊格机械有限公司4048-2004-J209 Q/321100QB011-2004 DFT、VFT自润滑系列气泵镇江斯伊格机械有限公司4049-2004-J 210 Q/321100QB09-2004 直联式小规格滑片气泵镇江斯伊格机械有限公司4050-2004-J 211 Q/321100ABT001-2004 住宅信息配线箱通用技术条件镇江宏联电工有限公司4051-2004-M 212 Q/321101RAD001-2002 通用级聚苯乙稀(GPPS)树脂镇江奇美化工有限公司4052-2004-G 213 Q/321101RAD002-2002 高抗冲聚苯乙烯(HIPS)树脂镇江奇美化工有限公司4053-2004-G 214 Q/321101RAE001-2002 丙烯腈一苯乙烯(AS)树脂镇江奇美塑料有限公司4054-2004-G 215 Q/321101RAE002-2002 丙烯腈一丁二烯一苯乙烯(ABS)树脂镇江奇美塑料有限公司4055-2004-G 216 Q/321100WV001-2004 1E级核电设备用KF型圆形防水耐辐照气密封电缆连接器江苏惠通集团有限责任公司元件二厂4056-2004-L 217 Q/321100WV002-2004 CS51型线簧插孔式印制板连接器江苏惠通集团有限责任公司元件二厂4057-2004-L 218 Q/321100WV003-2004 CY8型印制板插座江苏惠通集团有限责任公司元件二厂4058-2004-L 219 Q/321100WV004-2004 CE2型印制电路连接器江苏惠通集团有限责任公司元件二厂4059-2004-L 220 Q/321100WV005-2004 DC2型圆导体带状电缆插头座江苏惠通集团有限责任公司元件二厂4060-2004-L 221 Q/321100WV006-2004 CX2型气密封耐辐照圆形电连接器江苏惠通集团有限责任公司元件二厂4061-2004-L 222 Q/321100WV007-2004 CY3型绕接式印制电路插座江苏惠通集团有限责任公司元件二厂4062-2004-L 223 Q/321100WV008-2004 DC3型双列直插式带状电缆插头江苏惠通集团有限责任公司元件二厂4063-2004-L 224 Q/321100WV009-2004 DC5型带状电缆印制电路板插座江苏惠通集团有限责任公司元件二厂4064-2004-L 225 Q/321100WV010-2004 TJ-2.54型条列式插头座江苏惠通集团有限责任公司元件二厂4065-2004-L 226 Q/321100WV11.1-2004 CS6、CS7型线簧孔式印制电路连接器总规范江苏惠通集团有限责任公司元件二厂4066-2004-L 227 Q/321100WV11.2-2004 CS6型线簧孔式印制电路连接器详细规范江苏惠通集团有限责任公司元件二厂4067-2004-L 228 Q/321100WV11.3-2004 CS7型线簧孔式印制电路连接器详细规范江苏惠通集团有限责任公司元件二厂4068-2004-L 229 Q/321101ZAQ001-2004 澳橙系列鲜果汁镇江市澳橙食品有限公司4069-2004-X 230 Q/321101THL001-2004 道达尔轿车发动机油道达尔华东润滑油(镇江)有限公司4070-2004-E 231 Q/321101THL002-2004 道达尔重载荷柴油发动机油道达尔华东润滑油(镇江)有限公司4071-2004-E 232 Q/321100HL001-2004 扭断型防盗盖用铝板带材华东铝加工厂4072-2004-H233 Q/321100HL008-2004 电缆条用铝带华东铝加工厂4073-2004-H 234 Q/321100HL009-2004 空调器用亲水涂层铝箔华东铝加工厂4074-2004-H 235 Q/321100HL012-2004 厢式汽车用带筋外蒙铝板华东铝加工厂4075-2004-H 236 Q/321100HL017-2004 电容器外壳用铝带材华东铝加工厂4076-2004-H 237 Q/321100HL018-2004 宽辐空调器用铝箔华东铝加工厂4077-2004-H 238 Q/321100ZY007-2004 TLF1型同轴溶量放大全液压转向器镇江液压件厂有限责任公司4078-2004-J 239 Q/321100ZY009-2004 BZZ1型低输入扭矩全液压转向器镇江液压件厂有限责任公司4079-2004-J 240 Q/321100AEL001-2004 中式糕点镇江市佳家益食品有限公司4080-2004-X 241 Q/321100QQ001-2004 FD型放电棒镇江英沙伏安电器有限公司4081-2004-K 242 Q/321111GWZ001-2004 正恒香醋镇江润州正恒酱醋厂4082-2004-X 243 Q/321111GWZ002-2004 正恒陈醋镇江润州正恒酱醋厂4083-2004-X 244 Q/321111GWZ003-2004 正恒姜汁醋镇江润州正恒酱醋厂4084-2004-X 245 Q/321111QBE001-2004 传感测速器镇江润州恒泰电子器材厂4085-2004-C 246 Q/321101FGC001-2004 丁二烯一丙烯腈橡胶镇江南帝化工有限公司4086-2004-G 247 Q/321100NS001-2004 南山滴翠镇江市南山茶林研究所4087-2004-X 248 Q/321100AEB001-2004 展销馆零售服务质量规范镇江展销馆有限责任公司4088-2004-A 249 Q/321100GX05-2004 高聚物改性沥青建筑防水接缝材料镇江市建筑防水施工公司4089-2004-Q 250 Q/321100PV01-2004 1(A)号燃料油金海宏业(镇江)沥青有限公司4090-2004-E 251 Q/321100PV02-2004 1(B)号燃料油金海宏业(镇江)沥青有限公司4091-2004-E 252 Q/321100PV03-2004 2号燃料油金海宏业(镇江)沥青有限公司4092-2004-E 253 Q/321100PV04-2004 化工轻油金海宏业(镇江)沥青有限公司4093-2004-E 254 Q/321100PV05-2004 燃料油金海宏业(镇江)沥青有限公司4094-2004-E 255 Q/321100PV06-2004 调合燃料油金海宏业(镇江)沥青有限公司4095-2004-E 256 Q/3211UR001-2004 空调机细远程监控器镇江广源电气有限公司4096-2004-N257 Q/321102XAD03-2004 酞菁蓝BGS 镇江市金阳颜料化工有限公司(原颜料厂) 4097-2004-G 258 Q/321102XAD02-2004 酞菁蓝BS 镇江市金阳颜料化工有限公司(原颜料厂) 4098-2004-G 259 Q/321121AEK007-2004 一次性使用薄膜手套镇江市丹徒区科达医疗用品厂4099-2004-C 260 Q/321121AEK008-2004 一次性使用尿杯镇江市丹徒区科达医疗用品厂4100-2004-C 261 Q/321111WME01-2004 WNG(B、C)型多用炉灶镇江市岗华多用炉灶有限公司4101-2004-Y 262 Q/321100KZ003-2004 粉煤灰增强固化剂镇江市建筑科学研究院4102-2004-Q 263 Q/321100KZ004-2004 吉能士DJNS高性能粉煤灰复合保温砂浆镇江市建筑科学研究院4103-2004-Q 264 Q/321100KZ005-2004 砂浆抗渗抗裂剂镇江市建筑科学研究院4104-2004-Q 265 Q/321100AEM001-2004 通信服务规范中国铁通镇江分公司4105-2004-A 266 Q/321100LM016-2004 中小型金属压延设备江苏华通机械有限公司矿山机械厂4106-2004-H 267 Q/321102XBA001-2004 煅后焦镇江碳素总厂4107-2004-H 268 Q/321100NU001-2004 轮船式装载机江苏柳工机械有限公司4108-2004-P 269 Q/321100ACN001-2004 自挤水拖把桶镇江环球商贸有限公司4109-2004-X 270 Q/321100TX001-2004 江天牌ZKJ6800系列客车镇江天洋汽车有限公司4110-2004-T 271 Q/321100TX002-2004 江天牌ZKJ6600系列客车镇江天洋汽车有限公司4111-2004-T 272 Q/321100AEA001-2004 室内装饰装修服务质量要求南京美庭家居集成有限公司镇江分公司4112-2004-A 273 Q/321102EST01-2004 水晶肴蹄镇江市京口金龙肴肉店4113-2004-X 274 Q/321121AEP001-2004 口腔内窥镜设备江苏立升医疗器械有限公司4114-2004-C 275 Q/321100DT001-2004 CF、CFL系列悬挂式电磁除铁器镇江电磁设备厂有限责任公司4115-2004-D 276 Q/321100DT007-2004 MW5系列起重电磁铁镇江电磁设备厂有限责任公司4116-2004-D 277 Q/321100TW01-2004 恒顺藏虫草胶囊(菌丝体)镇江天年生物制品有限公司4117-2004-X 278 Q/321100SA003-2004 锦纶6单丝镇江市久欣塑料制品有限责任公司4118-2004-Y 279 Q/321100AEJ001-2004 蜂奥牌蜂胶软胶囊镇江江大蜂奥蜂胶有限公司4119-2004-X 280 Q/321100ERF001-2004 西式糕点镇江市京口好利来蛋糕世界4120-2004-X281 Q/321100ERF002-2004 面包镇江市京口好利来蛋糕世界4121-2004-X 282 Q/321100EAC001-2004 裱花蛋糕镇江市京口好当家面包店4122-2004-X 283 Q/321100EAC002-2004 蛋糕镇江市京口好当家面包店4123-2004-X 284 Q/321100CM02-2003 片糕镇江市润州喜盈门食品厂4124-2004-X 285 Q/321100TR001-2003 裱花蛋糕镇江市京口区唐人蛋糕店4125-2004-X 286 Q/321100TR002-2003 西式蛋糕镇江市京口区唐人蛋糕店4126-2004-X 287 Q/321121HQ004-2004 镇江恒丰酱菜镇江恒丰酱醋有限公司4127-2004-X 288 Q/321111QAH01-2002 果冻镇江市金山食品有限公司4128-2004-X 289 Q/321111QAH02-2002 菠萝水、鲜桔水镇江市金山食品有限公司4129-2004-X 290 Q/321100ESY002-2003 裱花蛋糕镇江市京口区大喜来食品店4130-2004-X 291 Q/321100ACK001-2004 肴肉镇江市京口润新食品饮料研究开发中心4131-2004-X 292 Q/321100HS001-2004 罐装酱菜江苏恒顺醋业股份有限公司4132-2004-X 293 Q/321100HS002-2004 精制酱菜江苏恒顺醋业股份有限公司4133-2004-X 294 Q/321100HS016-2004 恒顺白醋江苏恒顺醋业股份有限公司4134-2004-X 295 Q/321100JH009-2004 增碳剂镇江焦化煤气集团有限公司4135-2004-H 296 Q/321100JH012-2004 高密度煅后焦镇江焦化煤气集团有限公司4136-2004-H 297 Q/321100JH018-2004 重化工碳材镇江焦化煤气集团有限公司4137-2004-H 298 Q/321100JH020-2004 高级铸造焦镇江焦化煤气集团有限公司4138-2004-H 299 Q/321100JG02-2002 冰菊茶镇江江扬国药有限公司4139-2004-X 300 Q/321102XAF06-2003 广式月饼镇江市京口星辰食品厂4140-2004-X 301 Q/321100VS001-2002 松花蛋肠镇江市润州区金山新润食品厂4141-2004-X 302 Q/321100ZR005-2002 398果味饮料(袋袋冰)镇江市速冻食品厂4142-2004-X 303 Q/321100TE001-2002 健怡饮料镇江市金盟商贸有限责任公司4143-2004-X 304 Q/321100ZN003-2004 A、D高钙鲜牛奶镇江市长江乳业有限公司4144-2004-X305 Q/321100ZN004-2004 学生饮用牛奶(学生奶)镇江市长江乳业有限公司4145-2004-X 306 Q/321100XX006-2003 广式月饼镇江市大酒店股份有限公司4146-2004-X 307 Q/321100UF007-2003 广式十香果月饼镇江国际饭店4147-2004-X 308 Q/321100EL001-2003 中草药的浓缩原浆镇江吉家宝饮食品有限公司4148-2004-X 309 Q/321100AA V001-2003 广式月饼镇江市润州区营房街康泰尔食品厂4149-2004-X 310 Q/321100AA V002-2003 苏式月饼镇江市润州区营房街康泰尔食品厂4150-2004-X 311 Q/321102LAF002-2003 苏式月饼镇江京口区汝山糕点食品厂4151-2004-X 312 Q/321100AAT001-2003 广式月饼镇江市蒋乔为民食品厂4152-2004-X 313 Q/321100YX002-2003 广式月饼镇江糖烟酒总公司银山门采购供应站4153-2004-X 314 Q/321102ERL001-2003 果奶镇江市京口润新食品饮料研究开发中心4154-2004-X 315 Q/321102ERC001-2004 纸桶镇江市京口焦山包装容器厂4155-2004-A 316 Q/321102ACH07-2004 弹性巧克力奶糖镇江市儿童食品厂4156-2004-X 317 Q/321100FAD002-2004 XJD系列携带式检修电源箱镇江市英沙伏安电器有限公司4157-2004-K 318 Q/321101ZAQ001-2004 澳橙系列鲜果汁镇江市奥橙食品有限公司4158-2004-X 319 Q/321100VE03-2003 天然宝螺旋藻片镇江市华宝生物工程有限责任公司4159-2004-X 320 Q/321100VE02-2003 天然宝螺旋藻胶囊镇江市华宝生物工程有限责任公司4160-2004-X 321 Q/321100VE05-2004 天然宝果蔬汁饮料镇江市华宝生物工程有限责任公司4161-2004-X 322 Q/321121AAB001-2003 恒发食醋镇江市丹徒区恒发酱醋厂4162-2004-X 323 Q/321100HM06-2002 和和鳗钙镇江和和保健药品有限公司4163-2004-X 324 Q/321100HM01-2003 和和鳗精胶囊中日合资镇江和和保健药品有限公司4164-2004-X 325 Q/321100HM03-2002 水中参(纯天然河鳗制品) 镇江和和保健药品有限公司4165-2004-X 326 Q/321100UL002-2004 花式面包镇江市万方连锁超市有限责任公司4166-2004-X 327 Q/321100TD002-2004 锅巴镇江市镇汽食品厂4167-2004-X 328 Q/321100TD003-2004 萨其玛镇江市镇汽食品厂4168-2004-X329 Q/321100VG11-2002 绿茶南瓜子镇江三和食品有限公司4169-2004-X 330 Q/321100VG17-2002 咸干花生镇江三和食品有限公司4170-2004-X 331 Q/321100VG04-2002 开口松子镇江三和食品有限公司4171-2004-X 332 Q/321100VG03-2002 白瓜子镇江三和食品有限公司4172-2004-X 333 Q/321102BAJ001-2003 花式冰棒镇江市京口谏壁露露冷饮调味食品厂4173-2004-X 334 Q/321100ACP001-2004 中小功率柴油机镇江东电机电有限公司4174-2004-J 335 Q/321101DAJ003-2004 DWK系列配变电压无功综合测控装置镇江苏源电气科技有限公司4175-2004-K 336 Q/321100YJ049-2004 两轮普通摩托车镇江跃进机械厂4176-2004-T 337 Q/321100YJ050-2004 正三轮系列摩托车镇江跃进机械厂4177-2004-T 338 Q/321100YJ051-2004 正三轮轻便摩托车镇江跃进机械厂4178-2004-T 339 Q/321100YJ052-2004 两轮踏板摩托车镇江跃进机械厂4179-2004-T 340 Q/321100YJ053-2004 YJ125-11两轮普通摩托车镇江跃进机械厂4180-2004-T 341 Q/321100DV02-2004 百叶、干子系列镇江万方连锁超市有限责任公司豆食制品厂4181-2004-X 342 Q/321100DV03-2004 豆腐系列镇江万方连锁超市有限责任公司豆食制品厂4182-2004-X 343 Q/321100DV04-2004 油炸、卤制豆制品系列镇江万方连锁超市有限责任公司豆食制品厂4183-2004-X 344 Q/321100ACM001-2004 开心果镇江市振华商业有限责任公司华味食品分公司4184-2004-X 345 Q/321100ACM002-2004 白瓜子、南瓜子镇江市振华商业有限责任公司华味食品分公司4185-2004-X 346 Q/321100ACM003-2004 核桃仁镇江市振华商业有限责任公司华味食品分公司4186-2004-X 347 Q/321100ACM004-2004 开口山核桃镇江市振华商业有限责任公司华味食品分公司4187-2004-X 348 Q/321100ACM005-2004 咸干花生镇江市振华商业有限责任公司华味食品分公司4188-2004-X 349 Q/321100ACM006-2004 开口杏仁镇江市振华商业有限责任公司华味食品分公司4189-2004-X 350 Q/321100ACM007-2004 香蕉片镇江市振华商业有限责任公司华味食品分公司4190-2004-X 351 Q/321100ACM008-2004 话梅瓜子镇江市振华商业有限责任公司华味食品分公司4191-2004-X 352 Q/321100ACM009-2004 葡萄干镇江市振华商业有限责任公司华味食品分公司4192-2004-X353 Q/321100ACM010-2004 开口松子镇江市振华商业有限责任公司华味食品分公司4193-2004-X 354 Q/321100AEJ002-2004 蜂奥牌蜂胶珍品软胶囊镇江江大蜂奥蜂胶有限公司4194-2004-X 355 Q/321100AEJ003-2004 蜂奥牌蜂胶液镇江江大蜂奥蜂胶有限公司4195-2004-X 356 Q/321100ACR001-2004 维生素A、D3、E溶液镇江威特药业有限责任公司4196-2004-X 357 Q/321100ACQ001-2004 奥赛牌ZJT5030XJH型救护车镇江市特种车辆厂有限公司4197-2004-T 358 Q/321100ACQ002-2004 奥赛牌ZJT5031XJH型救护车镇江市特种车辆厂有限公司4198-2004-T 359 Q/321100ACQ003-2004 奥赛牌ZJT5032XJH型救护车镇江市特种车辆厂有限公司4199-2004-T 360 Q/321100ACQ004-2004 奥赛牌ZJT5040XJH型工程车镇江市特种车辆厂有限公司4200-2004-T。
企业标准Q/FD001—2015电水壶(讨论稿)2015—XX—XX发布 2015—XX—XX实施有限公司发布产品企业标准制(修)订组Q/FD×××-2015目次1范围 (1)2规范性引用文件3定义4试验的一般条件5功能性能要求5.1 外观及标识5。
1.1 操作标识要求5。
1.2 容积标识要求5.1。
3 产品外观要求5。
1.4 丝印可靠性要求5。
1。
5 涂层可靠性要求5.2 操作适用性5。
2.1 清洁和维护性能5。
2。
2 电源开关操作力度5.2.3 按键开关操作力度5。
2.4 旋钮操作力度5。
2.5 壶盖打开力度及角度5。
2.6 品字尾插的操作要求5。
3 产品功能要求5.3。
1 正常煲水要求5.3.2 沸水断电时间5.3。
3 沸水断电温度5.3.4 复位时间5。
3。
5 正常倒水要求5。
3.6 异常倒水要求5.3。
7 产品干烧性能5。
4 产品结构要求5。
4。
1 整机稳定性5。
4。
2 电气连接要求5。
4.3 结构检查要求Q/FD×××-2015 5.5 关键部件性能要求5.5.1 煲体防漏水要求5。
5。
2 发热盘与煲体的连接可靠性5.5.3 水尺防漏水要求5。
5。
4 凝水性能要求5。
5.5 指示灯亮度及强度5。
6 产品误用和滥用性能5.6。
1 误用和滥用要求5。
6.2 电压波动要求5.6。
3煲干水试验5.7 产品寿命要求5.7。
1 正常操作寿命试验5.7。
2 干烧急冷5。
7.3电源线尾插插拔寿命5。
7。
4无绳壶连接器的插拔寿命5。
8 产品包装性能5。
9 感官测试要求(异味测试)余姚富达电子有限公司企业标准本标准为电水壶产品类企业标准,标准中对电水壶系列产品的功能和性能进行了详细的规范和描述。
涉及到的产品电器安全标准要求和通用企业标准要求的具体内容没有在本标准内重复体现,在执行时参考相应的标准执行。
——IEC/EN 60335—1 家用和类似用途电器的安全第一部分通用要求;——IEC/EN 60335—2—15 家用和类似用途电器的安全液体加热器特殊要求;——GB 4706。
浴霸(浴室电加热器具)品质抽检规范前言为维护自营商品品质、保护消费者的合法权益,将不定期对商品进行抽检,抽检商品委托国家认定的第三方质检机构进行检测判定。
一旦发现商品品质存在问题,将依据双方协议要求,要求供应商承担违约责任,情节严重的将根据相关服务条款作终止合作处理。
自营浴霸(浴室电加热器具)商品品质抽检规范由制定,有权对本规范进行相关修订。
第一章适用范围本规范适用于自营浴霸(浴室电加热器具)类商品,范围包括天花板安装的辐射式浴室电加热器;天花板安装的风扇式浴室电加热器;天花板安装的辐射、风扇复合式浴室电加热器;墙壁安装的辐射式浴室电加热器;墙壁安装的风扇式浴室电加热器;墙壁安装的辐射、风扇复合式浴室电加热器等。
第二章抽样方式2.1采用购买线上店铺的商品的方式。
2.2采用抽检线下仓库中的商品的方式。
如抽样无法满足检验要求,只检验其中一部分项目。
第三章检验依据3.1凡是标注日期的文件,其随后所有的修改单(不包括勘误的内容)或修订版均不适用于本规范。
凡是不标注日期的引用文件,最新版本适用于本规范。
GB 4706.1 家用和类似用途电器的安全第 1 部分通用要求GB 4706.23 家用和类似用途电器的安全特殊要求室内加热器 (等同 IEC 60335-2- 30) (CCC 目录)GB/T 22769: 2008 浴室电加热器具(浴霸)IEC 60335-1 家用和类似用途电器的安全第 1 部分通用要求IEC 60335-2-30 家用和类似用途电器的安全特殊要求室内加热器的特殊要求3.2经备案现行有效的企业标准及产品明示质量指标和要求,或其他相适应的产品标准。
3.3以上最新版本的(包括已由行业标准升级为国家标准的)推荐性标准,在实施日期之后一年内,仍可按产品明示的标准进行判定;最新版本的推荐性标准实施日期一年后,统一按照最新版本的推荐性标准进行检验及判定。
强制性标准应按标准明示的正式实施日期实施。
煤科集团沈阳研究院有限公司企业标准前言本企业标准是参照 GB3836.1-2010《爆炸性环境第 1 部分:设备通用要求》,GB3836.2-2010《爆炸性环境第 2 部分:由隔爆外壳"d"保护的设备》,GB3836.2-2010《爆炸性环境第 3 部分:由增安型"e"保护的设备》,MT/T 661-2011《煤矿井下用电器设备通用技术条件》而编制。
本标准由煤科集团沈阳研究院有限公司提出。
本标准由煤科集团沈阳研究院有限公司归口。
本标准起草单位:煤科集团沈阳研究院有限公司机械装备分院。
本标准主要起草人:杜晓林。
本标准批准人:罗海珠本标准 2015年 5 月 31 日发布。
制氮装置用隔爆兼增安型电加热器1范围本企业标准规定了 RJD-25/1140(660)型制氮装置用隔爆兼增安型电加热器的产品分类、技术要求、试验方法、检验规则及标志、包装、运输、贮存等。
本企业标准适用于制氮装置用隔爆兼增安型电加热器的设计、制造与检验(以下简称" 电加热器")。
2规范性引用文件下列文件中的条款通过本标准的引用而成为本标准的条款。
凡是注日期的引用文件,其随后所有的修改单(不包括勘误的内容)或修订版均不适用于本标准,然而,鼓励根据本标准达成协议的各方研究是否可使用这些文件的最新版本。
凡是不注日期的引用文件,其最新版本适用于本标准。
GB 14048.1-2012 低压开关设备和控制设备第 1 部分:总则GB/T 2423.4-2008电工电子产品基本环境试验规程试验 Db:交变实验(12h+12h 循环) GB 3836.1-2010爆炸性环境第 1 部分:设备通用要求GB 3836.2-2010爆炸性环境第 2 部分:由隔爆外壳"d"保护的设备GB 3836.3-2010爆炸性环境第 3 部分:由增安型"e"保护的设备GB4208-2008 外壳防护等级(IP 代码)MT/T 154.1-2011煤矿机电产品型号的编制导则和管理办法MT/T 661-2011 煤矿井下用电器设备通用技术条件AQ 1043-2007 矿用产品安全标志标识GB/T2828-2003 计数抽样检验程序3分类3.1型号电加热器型号编制方法应符合 MT /T 154.1-2011 规定,型号含义如下:R J D-25/1140(660)电压等级额定功率制氮装置用隔爆兼增安型加热器3.2 基本参数产品型号额定工作电压(V)额定功率(kW)额定电流(A)设计序号备注RJD-25/1140(660)1140/6602522/3813.3 型式电加热器型式为矿用隔爆兼增安型"ExdeⅠMb"。
煤科集团沈阳研究院有限公司企业标准前言本企业标准是参照GB3836.1-2010《爆炸性环境第1部分:设备通用要求》,GB3836.2-2010《爆炸性环境第2部分:由隔爆外壳"d"保护的设备》,GB3836.2-2010《爆炸性环境第3部分:由增安型"e"保护的设备》,MT/T 661-2011《煤矿井下用电器设备通用技术条件》而编制。
本标准由煤科集团沈阳研究院有限公司提出。
本标准由煤科集团沈阳研究院有限公司归口。
本标准起草单位:煤科集团沈阳研究院有限公司机械装备分院。
本标准主要起草人:杜晓林。
本标准批准人:罗海珠本标准2015 年5月31日发布。
制氮装置用隔爆兼增安型电加热器1 范围本企业标准规定了RJD-25/1140(660)型制氮装置用隔爆兼增安型电加热器的产品分类、技术要求、试验方法、检验规则及标志、包装、运输、贮存等。
本企业标准适用于制氮装置用隔爆兼增安型电加热器的设计、制造与检验(以下简称"电加热器" )。
2 规范性引用文件下列文件中的条款通过本标准的引用而成为本标准的条款。
凡是注日期的引用文件,其随后所有的修改单(不包括勘误的内容)或修订版均不适用于本标准,然而,鼓励根据本标准达成协议的各方研究是否可使用这些文件的最新版本。
凡是不注日期的引用文件,其最新版本适用于本标准。
GB 14048.1-2012 低压开关设备和控制设备第1部分:总则GB/T 2423.4-2008 电工电子产品基本环境试验规程试验Db:交变实验(12h+12h循环) GB 3836.1-2010 爆炸性环境第1部分:设备通用要求GB 3836.2-2010 爆炸性环境第2部分:由隔爆外壳"d"保护的设备GB 3836.3-2010 爆炸性环境第3部分:由增安型"e"保护的设备GB4208-2008 外壳防护等级(IP代码)MT/T 154.1-2011 煤矿机电产品型号的编制导则和管理办法MT/T 661-2011 煤矿井下用电器设备通用技术条件AQ 1043-2007 矿用产品安全标志标识GB/T2828-2003 计数抽样检验程序3 分类3.1 型号电加热器型号编制方法应符合MT /T 154.1-2011规定,型号含义如下:R J D -25/1140(660)电压等级额定功率制氮装置用隔爆兼增安型加热器3.2基本参数产品型号额定工作电压(V)额定功率(kW)额定电流(A)设计序号备注RJD-25/1140(660)1140/6602522/3813.3型式电加热器型式为矿用隔爆兼增安型"ExdeⅠMb"。
4 技术要求4.1 一般要求4.1.1电加热器应符合本标准,并按经过规定程序批准的图纸和技术文件制造;4.1.2电加热器的外购件除符合本标准的要求外,还应符合各自的产品标准的规定。
4.1.3电加热器的外购件应具有该产品的生产厂质量检验部门出具的《产品合格证》。
4.1.4电加热器除符合本标准的要求外,还应符合GB 3836.1-2010、GB 3836.2-2010和GB3836.3-2010的有关规定,并经国家指定检验机构审查检验合格,取得《防爆合格证》和《煤矿矿用产品安全标志证书》方可投入生产。
4.2使用环境a)环境温度-5℃- +40℃。
b)海拔高度不超过2000米。
c)无外力直接冲击。
d)周围空气相对湿度不大于95%(25℃)。
e)井底车场、总进风巷和主要进风巷,翻车机硐室,采区进风巷。
f)环境大气压80-110kPa。
g)在无显著摇动和冲击震动的地方。
h)在无明显破坏绝缘的气体或蒸气的环境中。
i)在无滴水及其他液体侵入的地方。
j)安装类型为III类。
k)污染等级为3级。
4.3技术要求4.3.1工作电压:1140V(660V)4.3.2额定功率:25kW4.3.3加热介质:压缩空气4.3.4当温度控制系统失灵,加热器中心温度变送器测得温度超过150℃时,控制箱控制自动断电。
4.3.5电加热器与制氮装置用隔爆兼本安型电控箱配合使用后实现,最高加热温度50℃±2℃,当温度超过最高加热温度时,通过控制箱调节降低加热温度。
4.3.6 连接电阻加热器的导线横截面积为1mm2。
4.3.7 电加热器应配套漏电保护装置,漏电保护装置位于控制箱内,电加热器与控制箱配合使用后实现漏电保护功能,漏电保护器应符合GB3836.3-2010附录D的规定。
4.4 主要性能4.4.1 绝缘电阻常温下接线端子与接地端子间,二相邻接线端子间的绝缘电阻应不小于lOMΩ,湿态绝缘电阻不小于2MΩ。
4.4.2 介电强度接线端子与接地端子之间、二相邻接线端子之间的绝缘应能承受交流50Hz,工频试验电压4200V,历时l分钟无击穿和闪络现象。
4.5 水压要求外壳应通过GB3836.2-2010中15.1.3.1的静压试验,压力为1.0MPa,历时时间10-12s,无影响隔爆性能的永久性变形或损坏。
4.6 外壳耐压和内部点燃的不传爆要求外壳应通过GB3836.2-2010中第15.1条的外壳耐压试验和15.2内部点燃的不传爆试验。
4.7 湿热试验电加热器进行湿热试验,严酷等级+40℃,12d,试后应符合4.4.1和4.4.2要求。
4.8 电缆引入装置4.8.1 密封圈要求引入装置的密封圈应符合GB3836.2-2010附录C.2.1.1的要求,其硬度IRHD45-55度,耐热耐寒试验应满足GB3836.1-2010第26.8、26.9条的试验要求。
4.8.2 引用装置要求引入装置冲击、夹紧、密封和机械强度性能应符合GB3836.1-2010中第26.4.2条、第16条及附录A和GB3836.2-2010第13条及其附录C的要求。
4.9 温升及表面温度电加热器表面温度不大于150℃,接线端子铜镀镍温升低于70K。
4.10 绝缘套管要求连接件绝缘套管应满足GB3836.1-2010中第26.6的要求,火焰烧蚀试验应满足GB3836.2-2010中第19.3.1.3条的要求。
4.11电气间隙、爬电距离要求不同电位的裸导体之间与外壳、接线导体之间的电气间隙≥18mm,爬电距离≥26mm。
4.12应设有"严禁带电开盖"的警告牌,"使用屈服应力≥640MPa(8.8级)的紧固件"的警示牌。
4.13外壳材质是Q235A,其隔爆面的参数,应符合GB3836.2-2010中第5、6、7、8、11条的要求。
4.14应具有符合GB3836-2010第15 章规定接地件,并有""标志。
4.15 外壳防护性能外壳防护等级应符合GB4208-2008中IP54的要求。
4.16 外壳腔内非隔爆面喷涂耐弧漆,隔爆面涂防锈油。
4.17 电阻加热器绝缘材料的热稳定试验用于电阻加热器中的绝缘材料应按GB3836.3-2010中第6.8.4条要求进行热稳定试验。
4.18 电阻加热器的绝缘电阻及耐压试验电阻加热器应按GB3836.3-2010中第6.8.3条要求进行绝缘电阻及耐压试验。
4.19 加热器冷启动电流加热器冷启动电流应符合GB3836.3-2010 中5.9.5条规定。
4.20 外壳抗冲击试验加热器外壳应按GB3836.1-2010中第26.4.2条要求进行抗冲击试验。
5 试验方法5.1 结构尺寸用通用量具进行测量。
5.2 绝缘电阻用1000V兆欧表测定。
5.3 介电强度按GB 14048.1中第8.3.3.4条进行,符合4.4.2要求。
5.4 外壳静压试验按GB3836.2-2010中15.1.3.1规定的方法进行。
5.5 外壳耐压和内部点燃的不传爆试验隔爆外壳耐压和内部点燃的不传爆试验,分别按GB3836.2-2010中15.1和15.2规定的方法进行。
5.6 湿热试验按GB/T2423.4规定进行,试后符合4.7条要求。
5.7 密封圈耐热耐寒试验按GB3836.1-2010中第26.8、26.9条规定的方法进行。
5.8 电缆引入装置的冲击、夹紧、密封、机械强度试验分别按GB3836.1-2010中第26.4.2条、附录A.3.1.1和GB3836.2-2010附录C.2规定的方法进行。
5.9 温升及表面温度试验按GB14048.1-2012中8.3.3.3规定进行,满足4.10要求。
5.10 绝缘套管扭转试验按GB3836.1-2010中26.6规定的方法进行。
5.11 绝缘套管火焰烧蚀试验按GB3836.2-2010中19.3.1.3规定的方法进行。
5.12 电气间隙和爬电距离试验电气间隙、爬电距离应按GB3836.3-2010中表1规定的进行。
5.13 外壳材质、隔爆参数检查外壳材质、隔爆面的参数检查应按GB3836.2-2010中规定的进行。
5.14 外壳防护等级验应按GB4208-2008中规定的进行。
5.15 温度调节试验控制箱的本安接线端子接上相应的模拟量信号,当排气温度达到55℃,温度报警指示灯亮。
5.16 电阻加热器绝缘材料的热稳定试验按GB3836.3-2010中第6.8.4条规定的方法进行。
5.17 电阻加热器的绝缘电阻及耐压试验按GB3836.3-2010中第6.8.3条规定的方法进行进行。
5.18 加热器冷启动电流试验按GB3836.3-2010中6.8.6条规定进行。
5.19 外壳抗冲击试验按GB3836.1-2010中第26.4.2条要求进行抗冲击试验。
6检验规则6.1检验分类检验分出厂检验和型式检验,检验项目见表1。
表1试验项目技术要求试验方法出厂检验型式检验绝缘电阻4.4.15.2√√介电强度4.4.25.3√√外壳静压试验4.55.4√√外壳耐压和内部点燃不传爆试验4.65.5-√湿热试验4.75.6-√密封圈耐热耐寒试验4.8.15.7-√引入装置冲击、夹紧、密封和机械强度试验4.8.25.8-√温升及表面温度4.95.9-√绝缘套管扭转试验4.105.10-√绝缘套管火焰烧蚀试验4.105.11-√电气间隙、爬电距离检查4.115.12√√外壳材质、隔爆参数检查4.135.13√√外壳防护4.155.14-√温度调节试验4.3.55.15√√绝缘材料热温度试验4.175.16-√绝缘电阻及耐压试验4.185.17-√冷启动电流试验4.195.18-√外壳抗冲击试验4.205.19-√注:"√"表示需要进行检验的项目;"-"表示不检验项目。
6.2 型式检验6.2.1在下列情况之一时应按型式试验规定的项目进行型式试验:a)试制的新产品时;b)连续批量生产的产品,上次型式试验已满五年时;c)设计、工艺和材料有重大改变,可能影响产品性能时;d)产品转厂生产时;e)停产三年后再次生产时;f) 国家质量监督机构提出要求时。