大屏幕操作说明书
- 格式:doc
- 大小:1.66 MB
- 文档页数:11
前言这是LED大屏幕操作及重要的注意事项的操作说明书。
若要完全了解功能以及正确有效地使用LED大屏幕,请在使用前详读本操作说明书。
请妥善保管本操作说明书,以便使用LED大屏幕操作时快速参考。
本操作说明书是以您已经熟悉计算机基本知识为基础而编制。
本书的标记1. 在本说明书中,“电脑”是指现场计算机。
2. 本说明书使用下列图示。
目录1.软件功能特点 (3)2.软件安装 (3)3.软件卸载 (4)4.软件使用 (5)4.1播放窗 (5)4.2控制窗 (6)5.功能介绍 (6)5.1菜单 (7)5.1.1文件菜单 (7)5.1.2控制菜单 (7)5.1.3工具菜单 (8)5.1.4设置菜单 (8)5.1.5帮助菜单 (10)5.2工具条 (11)6.节目制作流程 (11)6.1第一步:设定播放窗大小 (11)6.2第二步:新建节目页 (11)6.3第三步:设定节目页选项 (11)6.4第四步:新建节目窗 (12)6.5第五步:设定节目窗口选项 (13)6.5.1文件窗体: (13)6.5.2文本窗体: (14)6.5.3日期时间窗: (15)6.6第六步:节目制作完成 (15)6.7第七步:播放节目 (15)7.附:常见问题 (16)LED大屏幕操作使用说明1.软件功能特点《LED演播室》是LED演播室工作组专为LED显示屏设计的一套功能强大,使用方便,简单易学的节目制作、播放软件,支持多种文件格式:文本文件,WORD文件,所有图片文件(BMP/JPG/GIF/PCX...),所有的动画文件(MPG /MPEG/MPV/MPA/AVI/VCD/SWF/RM/RA/RMJ/ASF...)的工具软件。
2.软件安装《LED演播室》软件安装很简单,操作如下:在您的光盘或软盘中找到文件LEDStudioD.exe(带演示功能版)或文件LEDStudio.exe(标准功能版),双击该文件执行它。
这将开始安装《LED演播室》软件安装向导。
大屏幕使用说明书 (2008年1月)一、规格(单位:mm )二、接口:(1) 采用RS232接口协议,安全传输距离15m,采用9芯D 型插座,其中:PIN2:RXD,连接仪表RS23的PIN3(发送引脚)。
PIN5: GND,连接仪表RS232的PIN7(地脚)。
本产品附带的信号线可直接适用于XK3168的串行口和HT9800的RS232接口。
(2) 数据格式:10位,其中一位起始位,8位数据位,1位停止位。
(3) 本大屏幕只能接收波特率为4800的信号(接收3190时为1200)。
因多数仪表波特率可调在与本产品联接时应该先将仪表的波特率改为4800。
三、可配接仪表类型(1)XK3168 (2)HT9800 (3)XK3190 (4)XK3110 (5)XK3102 (6)DS822本大屏幕利用内部的短路块的不同状态来适用于不同型号的仪表。
在自检结束后,若无信号,则根据短路块的不同状态自动显示出该状态下所能接的仪表。
使用前请务必确认:仪表的RS232发送引脚与大屏幕的接受引脚相连,仪表与大屏幕的地线准确相连。
详见下表:注:除3190(出厂设置为1200)外其它型号的仪表都应将其波特率改为4800聊城昌信电子有限公司名称 外观尺寸 字体尺寸 显示位数 1.8寸大屏幕 340×100 55×38 6 3寸大屏幕 560×180 85×65 6 短路块状态仪表通讯端口1 2 3 4 5所接仪表 TXD GND 无信号显示3 7 3 7 OFF OFF OFF OFF OFF XK3168;HT9800-A(B/D/W/V);XK3110-F(E)9 10 3168 ON ON ON OFF OFF XK3102 3 5 3102 ON ON OFF OFF OFF XK3110-E+9 10 3110-E ON ON ON ON ON XK3190(波特率1200) 7 8 3190 OFF ON ON ON ON HT9800-A9(P9/C9/V9) 7 89800-P ON OFF OFF OFF OFF DS822-D42 5 822-d4 其它状态为无效状态3168闪变。
LED显示屏说明书1. 产品简介LED显示屏是一种新型的显示设备,能够以高亮度、高清晰度、高对比度的方式显示图像和文字。
LED显示屏被广泛应用于室内外广告、体育场馆、商业展示等场所。
该说明书将介绍如何正确操作和使用LED显示屏,包括安装、连接、设置和维护等方面的内容。
2. 安装与连接2.1 安装LED显示屏的安装需要一定的专业知识和技能,请确保由经验丰富的专业人员进行安装。
1.准备安装支架和固定螺丝。
2.根据需要,确定安装位置并使用水平仪确保水平。
3.将支架固定在安装位置上,并使用螺丝固定。
2.2 连接连接LED显示屏时,请确保电源已关闭。
1.连接电源线:将电源线插入LED显示屏的电源插孔,并用螺丝固定。
2.连接信号线:将信号线的输入端插入LED显示屏的信号输入插孔。
3.连接控制器:将控制器的输出端与信号线的输出端相连。
3. 设置与操作3.1 开机与关机请确保连接正确后再进行开机操作。
•开机:按下电源按钮,LED显示屏将开始工作。
•关机:长按电源按钮约3秒钟,直到屏幕关闭。
3.2 亮度调节根据实际需求,可以通过控制器调节LED显示屏的亮度。
1.按下控制器上的亮度调节按钮。
2.使用方向键调整亮度。
向上键增加亮度,向下键降低亮度。
3.3 色彩设置可以通过控制器进行LED显示屏的色彩设置。
1.按下控制器上的色彩设置按钮。
2.使用方向键选择需要调整的色彩参数,例如红色、绿色和蓝色。
3.使用增减键调整色彩值。
3.4 显示模式切换LED显示屏支持多种显示模式,可以通过控制器进行切换。
1.按下控制器上的显示模式切换按钮。
2.使用方向键选择需要显示的模式,例如静态显示、滚动显示、闪烁显示等。
4. 维护与保养为了确保LED显示屏的正常运行和延长其使用寿命,需要定期进行维护与保养。
4.1 清洁定期清洁LED显示屏可以保持其正常的显示效果。
1.使用柔软的布料蘸取适量清洁液进行清洁。
2.轻轻擦拭显示屏表面,避免用力过大或使用刷子等尖锐物品。
DLP操作说明一、开机操作1、先打开大屏幕屏幕供电线板开启后,在屏幕的正前方四五米处正对屏幕按开关机键---红色按键,等半分钟左右看到屏幕上方出现文字,证明已打开,若没有出现文字说明屏幕没有开启,走到未开启屏幕前方正对该屏幕按开关键即可。
2、再打开处理器前面板有两个按键,下为重启键,上为开关机键。
由于屏幕检测、信号延时,启动可能比较慢,大约两到三分钟启动完毕。
3、打开矩阵开关在矩阵后边电源线附近二、信号调用1、画面分割器的使用开机后等屏幕上蓝色文字消失后(十几秒),点击桌面分割器图标六块屏幕即可显示出所要显示图像。
2、远程控制端软件的使用该软件可以远程控制大屏幕的显示图像。
打开软件后,点击左上角新建图标可以在屏幕上任意拖拽,远程控制第一个下拉框选择你要调入的信号是内部还是外部信号,第二个选择你要调入的具体信号,然后点确定即可调入,屏幕上会在相同的位置显示出调入的信号。
也可以将常用的布局保存成固定方案,需要时直接调用即可。
该软件即可调用内部视频也可调用外部信号。
3、信号管理器的使用点击桌面图标打开信号调用窗体,选择“输入VGA/视频”出现信号调用窗体,选择方法同上即可调入信号。
4、信号调节a电脑信号有黑边,在信号上点右键,在设置的下级选项中选择下边filters,在下级菜单中选择RGB-PRO2,在下级菜单中选择properties,打开后可以调节信号的上下左右位置和尺寸大小。
b视频信号有黑边,在右键选项中选择画面大小位置调整,进入后选择increase size使图像变大。
三、关机操作1、关闭屏幕上显示的信号2、关闭处理器3、关闭屏幕等处理器关闭用遥控关闭屏幕,如果有没有关闭的再单个关闭4、关闭电源线板或直接关闭总开关四、其他相关操作1、去掉窗体上的菜单点击右键,在查看选项的下级菜单中取消显示菜单2、全屏显示双击要全屏显示的信号即可,再双击变回要来大小3、更换信号位置点住鼠标左键任意拖拽到要显示的位置4、如果要调入信号的窗口不能在最前端显示,可以在右键菜单中在前端显示中选择最前端显示。
11款汉兰达大屏幕说明书11款汉兰达大屏幕说明书汉兰达作为丰田的旗舰SUV车型,一直以来都以其豪华、实用和高性能而闻名。
近年来,随着科技的飞速发展,汉兰达也紧跟潮流,推出了一系列配备大屏幕的车型,为驾驶者提供更加智能化和便利的驾驶体验。
以下是11款汉兰达大屏幕的说明书,介绍其功能和使用方法。
1. 10.25英寸触摸屏:该大屏幕采用先进的触摸技术,可以通过触碰、滑动、捏合等手势操作实现各种功能,如导航、音乐、电话等。
2. Apple CarPlay和Android Auto支持:汉兰达大屏幕兼容苹果CarPlay和安卓Auto系统,使驾驶者可以轻松连接和控制手机上的应用程序,如音乐、导航和信息。
3. 多媒体娱乐系统:大屏幕配备了丰富的娱乐功能,包括AM/FM收音机、蓝牙音频流、USB和AUX输入,使驾驶者可以随时享受高品质的音乐和娱乐内容。
4. 导航系统:汉兰达大屏幕的导航系统可以提供实时的导航信息,包括交通状况、路线规划和语音引导,帮助驾驶者准确快速地到达目的地。
5. 倒车影像系统:大屏幕配备了倒车影像系统,帮助驾驶者更好地观察后方交通情况,避免刮蹭和碰撞,提高驾驶安全性。
6. 蓝牙电话连接:驾驶者可以通过大屏幕轻松连接手机,并进行免提通话,提高通话质量和驾驶安全性。
7. 实时车况监控:大屏幕能够显示车辆的实时信息,如油耗、速度、里程等,帮助驾驶者了解车辆状况并进行合理驾驶。
8. 语音控制功能:大屏幕支持语音控制,驾驶者只需通过语音指令即可实现各种操作,如调节温度、选择音乐等,提高驾驶便利性。
9. 多点触控功能:大屏幕支持多点触摸,可以实现多任务操作,如同时导航和播放音乐,提高驾驶者的操控效率。
10. 定制化设置:驾驶者可以根据个人喜好进行大屏幕的定制化设置,包括主题、背景图片、显示布局等,使驾驶体验更加个性化。
11. 升级和更新:大屏幕具有升级和更新的功能,可以通过下载和安装新的软件和功能,保持系统的最新状态,提供更好的使用体验。
YHL-5H五英寸多功能点阵式大屏幕使用说明书上海耀华称重系统有限公司(Ver1.00)一、概述YHL-5H五英寸多功能点阵式大屏幕在称重时显示实时的重量数据,在重量为零一段时间后又可以显示时钟、温度及用户设定的中文广告等信息,是普通称重显示大屏幕和点阵式广告大屏幕的完美结合。
标配电流环和全双工RS232接口,可连接本公司XK3190系列称重仪表或电脑。
二、技术参数1、型号YHL-5H2、接口电流环接口:可连接称重仪表,传输距离≤1200米RS232接口:可连接电脑或称重仪表,传输距离≤30米RS485接口(选配):可连接电脑或称重仪表,传输距离≤1000米3、显示超高亮度64×16点阵LED显示,显示区域为640mm×160mm可显示宋体、粗宋体、黑体三种字体的称重数据或广告等4、时钟可显示年月日、时分秒、星期、农历和节日,自动闰年闰月;不受断电影响。
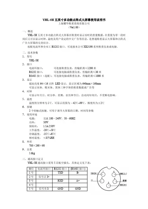
5、温度温度的分辨率为1℃,可显示范围为-42℃~99℃,精度约为±2℃6、按键2个轻触式按键,可用于调节大屏幕的日期、时间等参数7、使用环境电源:交流100~240V,50~60HZ功率:50W保险丝: 1.5A/250V工作温度:-20℃~50℃存储温度:-35℃~65℃相对湿度:≤85%RH8、外形780×260×609、自重5.6kg三、通讯接口定义YHL-5H通讯接口采用5芯航空插头,具体定义见下表:脚位电流环接口RS232接口(RS485接口)1号TXD B-2号信号正I+3号RXD A+4号5号信号负I-GND GND四、标准配线说明1、仪表-大屏幕电流环连接线仪表15芯D型插头10米连线大屏幕航空插头9号脚(仪表大屏幕输出正)红线2号脚(大屏幕电流环输入正)10号脚(仪表大屏幕输出负)黑线5号脚(大屏幕电流环输入负)2、电脑-大屏幕RS232连接线电脑9芯D型插头2米连线大屏幕航空插头2号脚(电脑RS232的RXD)黄线1号脚(大屏幕RS232的TXD)3号脚(电脑RS232的TXD)红线3号脚(大屏幕RS232的RXD)5号脚(电脑RS232的GND)黑线5号脚(大屏幕RS232的GND)五、连接仪表1、电流环方式连接(标准)如果连接的XK3190系列仪表具有电流环接口(15芯D型接头),则可以直接使用随大屏幕配置的“仪表-大屏幕电流环连接线”进行连接使用。
汽车中控大屏操作方法首先需要明确的是,不同品牌和型号的汽车中控大屏操作方法可能存在差异,以下介绍的操作方法主要基于一般的汽车中控大屏,具体以车辆说明书为准。
1.切换主页面启动汽车后,汽车中控大屏通常会显示车辆信息页面,如驾驶模式、车速、燃油状态、剩余里程数等。
如果需要切换到其他操作页面,可以在屏幕下方或侧面的按键区域寻找主页按钮,点击即可进入主页面,通常显示各种功能的图标和快捷入口。
2.使用导航系统如果汽车中控大屏上有导航系统,可以点击主页面上的“导航”图标进入导航功能。
在这里,可以输入目的地的地址或名称,还可以设置导航的偏好和避让路段。
在行车过程中,导航界面会实时显示车辆的位置和路线,同时提供语音指引和路况提示。
3.使用多媒体系统汽车中控大屏上的多媒体系统可以播放音乐和视频。
通常可以通过主页面上的“音乐”或“媒体”图标进入多媒体系统,在这里可以选择不同的音频或视频源,如车载硬盘、手机蓝牙、USB接口等。
可以使用汽车中控大屏上的触摸屏或旋钮来调整音量、歌曲/视频等的选择和播放。
4.调节空调和温度汽车中控大屏上可以控制空调和温度。
在主页面上通常可以找到“车内环境”或“气息”图标,点击进入后可以设置空调模式、温度、风速等。
通常可以通过触摸屏或旁边的按键来进行调节。
5.调节座椅和方向盘如果汽车中控大屏上有可调节座椅和方向盘的功能,则可以通过主页面上的“座椅”或“方向盘”图标进行设置。
可以选择座椅的高度、角度、按摩、加热等功能,选择方向盘的高度和角度。
6.调节车灯和雨刷汽车中控大屏上也可以控制车灯和雨刷。
在主页面上找到“车灯”或“雨刷”图标,点击进入后可以设置车灯的亮度、开启的方式和自动功能。
对于雨刷,可以选择不同的刷洗速度和方案。
7.设置车辆性能和安全某些汽车中控大屏上还可以设置车辆性能和安全功能。
在主页面上可能会出现“驾驶模式”、“车辆设定”或“安全”等图标,点击进入后可以设置动力和驾驶控制的偏好,也可以设置安全功能,例如自动刹车、盲区监测、自适应巡航等。
第一现场大屏导航说明书一、概述第一现场大屏导航系统是一种用于指引现场参与者进行定位、导航和信息展示的设备。
它可以广泛应用于各类展览会、活动现场、演出现场、商业场馆等地方,通过大屏幕展示地图、位置信息、路径规划等内容,方便参与者快速找到目的地,提升场所的管理效率和用户体验。
二、系统组成1.大屏幕显示设备:采用高清液晶显示屏,分辨率达到1080P,显示画面清晰、流畅。
2.主机设备:负责系统的数据处理和控制,运行软件,保证系统的正常运行。
3.摄像头设备:安装在关键位置,用于监测区域内人员的行动,实时更新位置信息。
4.服务器:承接主机设备传输过来的数据并存储,并将相应信息发送到大屏幕设备上。
5.软件系统:包含地图导航、路径规划、位置监控等功能。
三、功能介绍1.位置识别:通过摄像头监测人员位置信息,可以准确找到参与者的具体位置,实时更新到大屏幕地图上。
2.地图导航:参与者可以在大屏幕上看到当前位置和目的地位置,并显示路径规划和步行时间等详细信息,方便参与者快速准确地找到目的地。
3.信息展示:大屏幕上除了地图导航外,还可以展示与现场有关的实时信息,如展览介绍、活动进程、优惠信息等。
4.位置监控:可以监控现场参与者的分布情况,根据人员密度和热点区域等信息进行智能分析,提供参考数据供管理人员参考。
5.紧急调度:在发生突发状况(如火灾、地震等)时,系统可以迅速调度人员撤离,减少人员伤亡。
四、使用方法1.系统启动:将主机设备和大屏幕设备连接好,开启系统电源,并将软件系统运行起来。
2.位置识别:系统会自动识别现场参与者的位置,将其显示在大屏幕地图上。
3.地图导航:参与者可通过触摸屏、手机APP或与系统设备连接的导航器进行目的地设定,并按照系统指引进行导航。
4.信息展示:系统会根据参与者的位置和目的地,智能推送与现场活动相关的信息。
5.紧急调度:系统设备会自动判断紧急情况并发出警报,参与者应按照系统指引撤离现场。
五、注意事项1.系统设备的正常运行需要保持良好的网络连接和电源供应。
物联单机版V1.0.0 使用说明书U盘目录结构:使用说明:第一步,安装APK;安装完成后,可以设置播放模式及其他设置项(默认是不开机启动的),详情可看下图相关介绍。
默认为【删除原节目模式】删除原节目模式:删除之前的所有播放节目,拷贝新的节目;保留原节目追加模式:保留之前的所有播放节目,增加新的节目;第二步:U盘根目录下,建立【exhibition】文件夹,【exhibition】文件增加文件夹,名称为:【1】,表示1分屏节目(支持4分屏对应文件夹名称为【1】【2】【3】【4】,分屏模式设置为四分分屏生效),把要播放的节目内容,拷贝到对应的文件夹,如上图所示;第三步:启动APK后,插入U盘;第四步:文件拷贝完成后,拔出U盘;功能说明:1、同一网络内(无需服务器,支持手机热点发布)手机APP发布(包含内容更新,滚动字幕,节目背景音乐);2、支持多个设备管理、分屏模式支持图片视频混播;3、支持控制分屏区域的声音(静音、调节音量)、节目切换(下一个节目),播放/暂停(支持图片);4、支持节目背景音乐(可控制音乐的声音大小,可静音/播放/暂停,可点播音乐,单曲循环、列表循环等);5、支持流媒体节目播放,滚动字幕,时钟、联网可观看在线电视,支持节目切换,不定期更新;6、支持产品展示,支持U盘(特殊目录,更安全)更新,支持U盘直接更新分屏节目(分屏模式生效);7、U盘多模式拷贝:保留原节目模式和删除原节目模式(默认);8、内置多种分屏模式(适配多种分辨率屏幕,不定期更新),免费定制分屏样式,可设置开机是否启动;9、支持定时开关机、屏幕旋转、重启、关机、截屏、亮度调节;10、支持文档查看:支持PPT,Word、Excel、PDF文档查看(展示界面有效);11、支持语音播报(默认关闭,道闸信息显示,可提供对接接口);12、文件服务器:手机可访问观看设备中播放的图片/视频(同一网络内);13、互动模块(产品分类讲解展示):产品分类:自定义将产品分类并编辑名称,同时可编辑产品相关特性,智能化自定义排列产品展示列表,U盘自动拷贝到设备上,不用担心U盘不见或丢失视频展示:对于一些不方便讲解或一些功能性的技术资料,让客户更直观的了解产品信息图片展示:图片翻页,展示产品的产品图及现场样类,双击或手指拉伸放大缩小(仅触摸屏支持),展示产品细节,突显产品品质;VR图片展示:展示做好了的VR产品,更直观,操作性强,体验度好播放功能界面:语音播报(默认是关闭状态)及定时开关机手机操作说明手册:1、添加设备:手机(android版)与设备在同一个路由器网段内,点击【设备】,点击右上角的“+”号进行添加设备。
广东威创电子有限公司二零零七年十二月目录第一章大屏幕投影系统概述 (2)系统配置 (2)系统功能 (2)系统应用软件 (2)第二章投影单元简介 (3)投影单元结构 (3)系统连接 (4)第三章大屏幕管理软件的操作 (5)开机操作 (5)大屏幕管理软件操作 (6)关机操作 (9)第四章日常维护…………………………………………………10第五章联系我们…………………………………………………11注:请操作人员务必按照操作手册进行操作第四1章大屏幕投影系统概述投影墙系统是由投影单元、控制PC构成的高性能多屏幕投影系统。
投影墙面由2x2 ,4个60”投影单元组成。
投影墙的分辨率是所有投影单元分辨率的总和。
由于单个投影单元的分辨率为1024 X 768,则22的投影墙的分辨率达20481536象素。
投影墙系统支持视频插入。
系统配置投影墙系统由一个2 x 2的投影墙单元和其它必要的设备所组成。
大屏管理控制PC可实现投影机的开关机和其它控制。
配备的大屏幕管理软件VWAS安装在大屏管理控制PC上,可实现远距离操作控制显示模式。
系统功能Vtron 投影墙系统具有多功能的特点,主要包括:RGB信号的显示系统支持RGB信号源通过专用RGB线缆传输到大屏幕上高清晰显示。
Video的显示系统支持PAL/NTSC/SECAM 格式的活动视频的显示。
专门设计的管理软件可实行投影墙的显示性能调整和投影单元管理。
系统应用软件Vtron 投影墙系统具有软件丰富的特点,具有用于各种目的的系统应用软件主要包括:投影单元显示性能的控制软件:1、活动视频、RGB电脑信号组合模式的调用软件第四2章 投影单元简介投影单元结构投影单元光学成像结构如下图:反射镜成投影机投影机调整架调节螺母调整架调节螺母图用于调整上下光程和投射角的三个调整螺钉图 背投箱投影成像示意图1) 投影机的光程决定图像的大小。
2) 投影机的投射角决定图像 的方正形状。
3) 反射镜会影响上述因素。
差压 / 风速 / 风量 / 湿度 / 温度 /大气压 / CO / CO2操作手册C A 310大型显示屏多功能变送器LCC-S电脑连接端口差压自动校准元件总线通讯模拟信号输入模块以太网通讯模块压力连接端口智能型探头连接端口输出信号接线端口 (a)继电器 (b)电源供应 (c)电缆接入电源种类(a)N OC O MN C(b)继电器(1)N OC O MN C继电器(3)N OC O MN C继电器 (2)(c)用于电源供应24 Vdc/Vac 型号相位 (L )+中性 N ) -(c)用于电源供应230 Vac 型号相位 (L ) ~中性 N ) ~(d)Modbus RS-485差压手动零点校准模拟输出 (1)0 / 4 ~ 20 m A - 电流G N D - 接地0 ~ 5 / 10 V - 电压模拟输出 (3)0 / 4 ~ 20 m A - 电流G N D - 接地0 ~ 5 / 10 V - 电压模拟输出 (2)0 / 4 ~ 20 m A - 电流G N D - 接地0 ~ 5 / 10 V - 电压G N DA BC A 310 接线图电气接线 - 符合 NFC15-100标准接线应由合格技术人员操作。
当接线时, 变送器必须停止供应电源。
➢电流输出信号 0 / 4 ~ 20 mA 接线方式:➢电源供应 24 Vdc 接线方式:➢电源供应 24 Vac 接线方式:➢电源供应 230 Vdc 接线方式:电源供应 24 Vac Class II0/4-20 mA显示仪 或 PLC / BMS主动种类+-24 Vdc电源供应+-N LLN Pe 230 VacLN Pe 230 Vac或LN LN LN 24 VacLN 230 Vac电源供应GND-+显示仪 或 PLC / BMS主动种类-+0-5/10 VGNDL N 24 Vac电源供应 24 Vac Class II设置继电器和报警CA310 多功能变送器内含 3 组独立且可设置的报警灯和蜂鸣器同时也可搭配和 3 组继电器使用。
LED屏操作说明一、引言欢迎使用我们的LED屏!本操作说明书将帮助您了解如何正确操作和维护您的LED屏。
请您在使用之前仔细阅读本说明书,并按照说明操作。
二、设备介绍LED屏是一种采用LED技术制作而成的显示设备,具有高亮度、高对比度、多功能等特点。
本设备采用模块化设计,每个模块由数个LED单元构成。
三、操作步骤1.开机:将电源线插入LED屏的电源插座,并将另一端插入电源插座。
按下开关按钮,屏幕将亮起,并显示相应的图像。
2.关机:按下开关按钮,屏幕将熄灭并关闭。
3.亮度调节:根据需要,您可以通过调节屏幕上的亮度按钮来调整屏幕的亮度。
4.输入信号:本LED屏支持多种输入信号源,如HDMI、VGA、DVI等。
您可以根据需要选择合适的输入信号源,并将其连接到屏幕上的相应接口。
5.图像设置:您可以通过屏幕上的菜单键来进行图像设置。
按下菜单键,菜单选项将在屏幕上显示。
通过方向键来选择相应选项,并按下确认键来进行设置。
6.声音设置:若您的LED屏带有扬声器功能,您可以通过菜单键来进行声音设置。
按下菜单键,选择声音设置选项,通过方向键来调整声音大小,并按下确认键确认设置。
7.切换输入:如果您连接了多个输入信号源,您可以通过切换键来切换不同的输入信号。
按下切换键,屏幕将显示当前连接的信号源,并在屏幕上切换。
8.菜单操作:在菜单选项中,您可以进行一些高级设置,例如色彩调整、画面调整等。
根据您的需求,调整相应的选项,并按下确认键确认设置。
9.遥控器:如有遥控器附带,您可以使用遥控器来方便操作LED屏。
遥控器上的按钮功能与屏幕上的按钮相同,您可以根据需要选择使用。
四、维护与保养1.清洁:定期使用柔软的布或专用清洁液清洁屏幕表面。
请勿使用有机溶剂或酸碱类清洁剂,以免损坏屏幕。
2.保护屏幕:请勿用尖锐物品刮擦屏幕表面,以免划伤屏幕。
长时间使用LED屏时,请确保屏幕的通风良好,避免过热导致损坏。
五、注意事项1.请勿将液体或金属物品进入LED屏机箱内部,以免触电或短路。
立体电子大屏操作方法
操作方法可以根据具体的立体电子大屏型号略有不同,以下是一般的操作方法:
1. 打开电源:在电子大屏主机上找到电源按钮,按下开启电源。
2. 连接输入源:使用HDMI、VGA等线缆将电脑、DVD播放器、摄像机等设备与电子大屏连接。
3. 打开输入源:在电子大屏主机上找到输入源按钮,按下选择所需的输入源。
4. 调整画面位置和尺寸:通过菜单按钮或遥控器上的调整按钮,调整画面的位置、尺寸和比例,使其适应屏幕。
5. 调整亮度和对比度:根据实际需求,通过菜单按钮或遥控器上的调整按钮,调整亮度和对比度。
6. 切换显示模式:在电子大屏主机上找到显示模式按钮,按下选择所需的显示模式,如扩展、镜像等。
7. 调整音量:通过菜单按钮或遥控器上的音量按钮,调整音量大小。
8. 其他高级功能:根据电子大屏的型号和功能,还可以进行更多的操作,如屏
幕分割、画中画、调整背光等。
请注意,以上仅为一般的操作方法,具体的操作步骤可能会因立体电子大屏的型号和品牌而有所不同,建议参考使用说明书或联系厂家获取详细的操作指南。
1
拼接软件操作说明
第一部分开关机
1 打开幕墙控制系统在系统设置里有屏幕设置设置相应的串口号(本台操作电脑的设备管理器,点击右键查看端口号码)
2可通过屏幕右上脚的开关机键选择屏幕开关机
3 可通过屏幕的的遥控指令对屏幕亮度对比度进行调整
(其他的都设置好了,主要操作开关机就好,其他尽量不要操作)
第二部分
1 打开处理器的multiview。
exe文件,显示正在链接,如果不能成功,点击连接配置,刷新,点击刷新后ip 点击确定
2 连接好了,进入多窗口界面
3 左上角有槽位1 和槽位2 下面各有通道A通道B (打叉的表示没有信号输入)
4 点击有信号输入的通道,在屏幕中间开个窗口,点击右键或者上方的操作指令对窗口进行操作
备注:相关细节,需要现场指导,由专门指定操作人员学习下。
1。
C-128
6位显示大屏幕使用说明书
1
2、接口
●采用RS232接口,安全传输距离15米,采用9芯D型插座,其中:
PIN2:RXD,大屏幕RS232接收引脚;
PIN5:GND,大屏幕RS232地线;
●数据格式:10位,其中1位起始位,8位数据位,1位停止位;(N,8,1;)
3、波特率设置
大屏幕支持4种波特率:1200、2400、4800、9600;请注意正确设置仪表的串行通讯波特率;大屏幕的波特率无需设置,可以根据仪表的波特率自动同步;仪表端可以任意设定为以上四种波特率,无需重新启动大屏幕;
4、可配接仪表类型及连接方法
以上几种规格大屏幕都能够配接以下几种仪表:在连接前请按照下面表格正
1.附送的连线为连接友声仪表用,连接其他仪表前请务必根据仪表说明书正
确连线。
2.大屏幕在一定时间内没有接收到数据的条件下,将自动进入睡眠状态(每
一位逐段扫描显示),以延长使用寿命;接收到串行数据则自动唤醒,回到正常显示状态;若接收到的数据与仪表的协议不符则显示“oooooo”;。
大屏幕说明书
(2011年07月版)
1.概述
采用超高亮度LED数码管,具有亮度高、发光稳定等优点。
DPM-x 为铁外壳的大屏幕;DPM-xB为不锈钢外壳的大屏幕;DPM-xH为广告型大屏幕;DPM-xHB为广告型不锈钢大屏幕,其中x为、3或5。
可接收二种不同的信号:1、RS232串行数据(连续发送方式,波特率600);2、20mA电流环数据(连续发送方式,波特率600)。
2.连接方法
用2芯屏蔽电缆按下表所示将5芯航空插头管脚与仪表连接即可。
大屏幕与柯力公司仪表的接法:
大屏幕通讯线出厂默认为电流环接法:
表二:RS232接法
3.注意事项
●当显示“- - - - - -”时,表明大屏幕接受不到数据。
●大屏幕内部有高压强电,非专业人员请不要随意打开,以免造成人身
伤亡或意外。
上海硕衡电子科技有限公司
地址:上海市松江区九亭镇康亭路125号
服务热线:
传真:
邮编:201615
网址:。
广东威创电子有限公司二零零七年十二月
目录
第一章大屏幕投影系统概述 (2)
系统配置 (2)
系统功能 (2)
系统应用软件 (2)
第二章投影单元简介 (3)
投影单元结构 (3)
系统连接 (4)
第三章大屏幕管理软件的操作 (5)
开机操作 (5)
大屏幕管理软件操作 (6)
关机操作 (9)
第四章日常维护 (10)
第五章联系我们 (11)
注:请操作人员务必按照操作手册进行操作
第四1章大屏幕投影系统概述
投影墙系统是由投影单元、控制PC构成的高性能多屏幕投影系统。
投影墙面由2x2 ,4个60”投影单元组成。
投影墙的分辨率是所有投影单元分辨率的总和。
由于单个投影单元的分辨率为1024 X 768,则22的投影墙的分辨率达20481536象素。
投影墙系统支持视频插入。
系统配置
投影墙系统由一个2 x 2的投影墙单元和其它必要的设备所组成。
大屏管理控制PC可实现投影机的开关机和其它控制。
配备的大屏幕管理软件VWAS安装在大屏管理控制PC上,可实现远距离操作控制显示模式。
系统功能
Vtron 投影墙系统具有多功能的特点,主要包括:
RGB信号的显示
系统支持RGB信号源通过专用RGB线缆传输到大屏幕上高清晰显示。
Video的显示
系统支持PAL/NTSC/SECAM 格式的活动视频的显示。
专门设计的管理软件可实行投影墙的显示性能调整和投影单元管理。
系统应用软件
Vtron 投影墙系统具有软件丰富的特点,具有用于各种目的的系统应用软件主要包括:
投影单元显示性能的控制软件:
1、活动视频、RGB电脑信号组合模式的调用软件
第四2章投影单元简介
投影单元结构
投影单元光学成像结构如下图:
反射镜
成像幕
投影机
投影机
等效位置
调整架调节
螺母
调整架调节
螺母
图用于调整上下光程和投射角的
三个调整螺钉
图背投箱投影成像示意图
1)投影机的光程决定图像的
大小。
2)投影机的投射角决定图像
的方正形状。
3)反射镜会影响上述因素。
系统连接
根据用户的具体情况,图表示一个用于2×2结构投影墙的信号源位置图。
控制PC
辽宁铁煤集团大平选煤厂调度室监控系统
60寸2*2
红色实线为控制线,
蓝色虚线为数据线
-
图
第三章.大屏幕管理软件的操作
开机操作
步骤1 软件的登陆
1.双击控制PC桌面的图标,就会弹出下图所示登录界面
在服务器名输入:“.0.1”;
在用户名输入:“admin ”;
在密码输入:暂时无密码,直接回车(按ENTER键),按“确定”即可进入管理软件菜单。
如下图3.2.1
图3.2.1
2.右击模拟墙就会弹出如下图
3.2.2所示界面:
图3.2.2
3.然后点击“打开全部机芯”即可开启大屏幕。
步骤2 在大屏幕上显示各种信号:
1.点击软件菜单中左边列表的“
”,在其下拉菜单中拖拉其中一项到相对应的大屏上就能显示该项信号,然后切换信号就能得到想要的信号。
2.点击模式菜单列表的其中一项,就能得到想要的显示方式,然后进行信号切换就能得到你想要的最终图像。
例如点击“4个视频”后,大屏幕就能出现4块屏幕分别显示一个视频的显示方式,如果你这时想将其中一块屏幕显示另外一个视频的信号,只要进行信号切换到对应屏幕即可。
例如点击“视频全屏”后,大屏幕就能出现4块屏幕显示整个视频的显示方式,如果你这时想将视频显示切换成其它的视频信号,只要进行信号切换到即可。
3.3关机操作
关闭投影光源
再右击控制PC中软件菜单中的模拟墙就会弹出如图
选中“关闭全部机芯”即可关闭投影机,然后要等3分钟才能断开投影机大屏总电源。
第四章:日常维护
1.大屏幕备份文件是在控制PC的目录“D:\大屏备份\VWAS备份”中的Vresource文件夹.当大屏幕管理软件重新安装后只要把这个文件复制到“C:\Program Files\Vtron\ VResourcer”文件夹,大屏幕管理软件里原来的所有设置就能恢复。
2.当RGB电脑信号不能在大屏幕上调用时:
检查每台用RGB方式调用的PC分辨率,分辨率一定不能随意更改,否则不能实现调用,下为调试分辨率记录:
1024x768/60Hz
3.当调用信号上大屏幕显示“通道不足”时
说明大屏内部数据通道已占用,请重新分配信号源在大屏的显示,图像就会显示正常4.大屏幕在使用的过程中,设备最佳工作温度为22-26度。
屏幕前后的空调必须打开,以确保大屏幕的前后温差处于均衡状态,保证前后温差不能大于3度,否则造成温差不一致引起的屏幕损坏问题。
如屏幕有灰尘时,可用玻璃水喷少量在一条干净的清洁布上面,轻柔并均匀的擦去灰尘,然后用另一条干的抹布在擦过的地方再擦一遍。
(注意:擦的时候要轻,不能太用力)
第五章:联系我们
有关售后服务事项请联系售后服务部:
VTRON北京办事处
地址:北京市东城区北三环东路36号环球贸易中心B座2002-2005室邮编:100013
电话:0
传真:0
E-mail
北京办事处售后服务部:
售后服务部经理:张永0
VTRON东北区域沈阳办事处售后负责人:许辉。