12路流水灯控制电路
- 格式:doc
- 大小:558.50 KB
- 文档页数:19
3组12只LED流水灯电路设计与制作(姓名:黄丽琳学号:20101041101)(姓名:廖雨学号:20101041120)2013年06月17日3组12只LED流水灯电路设计与制作(姓名:黄丽琳学号:20101041101;姓名:廖雨学号:20101041120)摘要:3组12只LED流水灯是特别针对电子装配与调试技能设计出来的,值得学习和电路分析。
本文分析了该流水灯电路的特点及其电路工作原理的说明.关键字:3组12只LED流水灯;电路设计;循环。
1 引言随着科学技术的发展,电力电子设备与人们的工作、生活的关系日益密切。
各种小套件层出不穷,功能多样。
本文所设计的电子制作可以说是电子初学者学习电子的最佳入门制作!其制作方式容易,趣味横生,更能提高初学者的动手能力!让初学者在制作学习中感受电子技术带来的乐趣!2 系统的功能描述这款3组12只LED流水灯具有制作容易、有趣易学的特点,电路焊接成功后,装入电池,即可正常工作,3组12只发光二极管便会被轮流点亮,不断的循环发光,达到流动的效果。
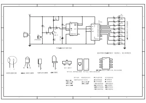
3 设计原理3.1 电路工作原理说明:本电路是由3只三极管组成的循环驱动电路。
每当电源接通时,3只三极管会争先导通,但由于元器件存在差异,只会有1只三极管最先导通.这里假设V1最先导通,则V1集电极电压下降,使得电容C2的左端下降,接近0V.由于电容两端的电压不能突变,因此此时V2的基极也被拉到近似0V,V2截止,V2的集电极为高电压,故接在它上面的发光二极管LED5—LED8被点亮。
此时V2的高电压通过电容C3使V3基极电压升高,V3也将迅速导通,因此在这段时间里,V1、V3的集电极均为低电压,因此只有LED5-LED8被点亮,LED1-LED4、LED9—LED12熄灭。
但随着电源通过电阻R3对C2的充电,V2的基极电压逐渐升高,当超过0。
7V时,V2由截止状态变为导通状态,集电极电压下降,LED5-LED8熄灭。
可编辑12路七彩控制器(四组RGB)
一、系统特点:
1.12路七彩控制器,效果使用我司上位机软件LedEdit编辑。
2.输出模式可选,12路单色控制(选择T-1000S-XB002)或者4路RGB控制(选择T-1000S-XB001)。
3.每一路最大输出电流8A。
4.可多台级联同步使用,多台级联使用只需在第一台插SD卡,最多可级联512台。
二、丝印含义:
状态灯(Status)级联状态灯,级联正常会频闪DI/GND级联信号输入DO/GND级联信号输出
电源灯(Power)电源指示灯,正常情况会常亮B/G/R/V+连接七彩灯具V+/GND连接供电电源
三、接线方式:
四、具体参数:
储存卡:
类型:SD卡
容量:128MB—2GB
格式:FAT格式
储存文件:*.led
物理参数:
工作电源:控制器供电DC5V,灯具供电DC5-24V
工作环境:-30℃-85℃
最大输出电流:单路8A
连接方式:共阳
数据传输端口:接线柱
重量:0.15Kg
外形尺寸:
注:1、控制器单路最大输出电流为8A,建议带350点以下
2、此控制器必须在LEDEdit上编辑效果后才能使用。
12个流水灯课程设计一、课程目标知识目标:1. 让学生掌握流水灯的基础知识,包括电路连接、LED灯工作原理等;2. 使学生了解编程控制流水灯的逻辑原理,如循环、延时等概念;3. 帮助学生理解流水灯在生活中的应用,培养其将理论知识与实际应用相结合的能力。
技能目标:1. 培养学生动手搭建流水灯电路的能力,提高其电子制作技能;2. 让学生掌握基本的编程技巧,能够独立编写控制流水灯的程序;3. 培养学生团队协作能力,学会在项目中分工与协作,共同完成任务。
情感态度价值观目标:1. 培养学生对电子制作的兴趣,激发其创新意识和探索精神;2. 培养学生面对问题积极求解的态度,提高其克服困难的意志力;3. 增强学生的环保意识,使其关注能源利用和可持续发展。
本课程针对中学生设计,考虑到学生的年龄特点,注重理论与实践相结合,充分调动学生的动手能力和思维能力。
课程目标旨在使学生通过学习,能够将所学知识运用到实际项目中,培养其创新精神和实践能力,同时注重培养学生的情感态度和价值观,使其成为具有全面发展的人才。
二、教学内容本课程以《电子技术》教材中有关流水灯的制作与编程控制内容为基础,结合以下教学大纲进行:1. 电路基础知识:- 电路元件的认识与使用(电阻、电容、二极管、LED灯等);- 基本电路连接方式(串联、并联)。
2. 流水灯电路制作:- 设计流水灯电路图;- 动手搭建流水灯电路;- 电路调试与故障排除。
3. 编程控制流水灯:- 学习编程软件的使用;- 编写流水灯控制程序(循环结构、延时函数等);- 程序下载与调试。
4. 流水灯应用实例:- 分析生活中流水灯的应用案例;- 学生团队设计创意流水灯项目;- 项目展示与评价。
教学内容按照以下进度安排:第一课时:电路基础知识学习与元件认识;第二课时:流水灯电路制作与调试;第三课时:编程控制流水灯;第四课时:流水灯应用实例分析与团队项目设计;第五课时:项目展示与评价。
教学内容注重科学性和系统性,旨在帮助学生掌握流水灯制作与编程控制的基本技能,培养其创新思维和实践能力。
采用LM324的摩托车频闪尾灯(流水灯)
采用LM324的摩托车频闪尾灯(流水灯)
摩托车频闪尾灯电路图如下:
该电路将6组LED灯循环点亮,也称为流水灯,由于其循环速度设计得很快所以称其为频闪灯。
制作中改变C1和R11的值可以改变循环速度。
原理分析:
当夜间行车时,12V夜行灯工作同时给本电路供电。
电路中主要点电位设定为:Va=8.IV,Vb=7.4V,Vc=6.7V,Vd=6V,Ve=5.3V,Vf=4.6V,Vg=3.gV。
12V电源接通瞬间,B点电压由电阻分压得到VB=8.3V,由于电容C端电压不能突变,这时A点电压Va=0,则运放4a输出电平约为12V,此电压通过R11对电容C1充电,当Va上升到大于Vg时,运放4b输出由低电平反转为高电平,但这时运放3b输出端仍为低电平,故发光二极管LED6被点亮。
这时电容C继续在充电,当Va上升到大于Vf时,运放3b也反转为高电平,同时发光二极管LED5被点亮,但由于4b、3b输出端都为高电平,故发光二极管LED6转为熄灭。
原理依次类推。
元件选择:
运放采用LM324,LM324为四运放制作本电路需要两片。
发光二极管采用高亮白光LED,其它元件按图示取值。
流水灯电路
该流水灯电路由时钟发生电路和功能显示电路两部分组成。
以集成电路NE555为核心器件构成自激多谐振荡器。
当电源开关S闭合时,电源通过电阻R1和R2向电容器C1充电。
当C1刚充电时,由于555的②脚处于低电平,故输出端③脚呈高电平;当电源经R1、R2向C1充电到2/3电源电压时,输出端③脚电平由高变低,555内部放电管导通,电容C1经R2向555的⑦脚放电,直至C1两端电压低于1/3电源电压时,555的③脚又由低电平变为高电平,C1又再次充电,如此循环工作,形成振荡。
555的频率可以通过改变电阻R2的阻止而改变,其时钟输出直接进入4017的14脚,这样来驱动8个LED负载
工具/原料
∙电阻:2K2×1;47K×1;270×8
∙电容:0.1μF×1;
∙电解电容:1μF×1
∙IC:LM555×1;CD4017×1;
∙LED:随意
∙电源:9V
∙其它:万用电路板×1;导线若干;电烙铁、焊锡丝、助焊剂、镊子、万用表等
步骤/方法
按照下图中电路原理图和PCB电路板设计并进行焊接,只要元器件选择和接线无误,电路不需调试即可正常工作。
注意事项
∙LM555和CD4017在焊接时要迅速,如果没有把握,安装集成电路插座,避免高温损坏IC;
∙LED极性不要接错,管脚长的一端为正极,尽量选择同样型号的led,有助于一致显示;
∙如需改变流水灯的工作频率,可小范围调整电解电容或47K电阻的数值。
12vled恒流驱动电路图大全(六款模拟电路设计原理图详解)2021年10月23日23:45 星期六霜降辛丑年九月十八12vled恒流驱动电路图(一)要设计这款电路,首先要确定12V蓄电池最多能驱动多少个串联的HBLED,需要在最不利的条件下能够正常工作为设计依据。
其最不利的条件是:每只HBLED正向电压4V、蓄电池的最低电压10V、MC34063最大占空比为5/6,在这种条件下,蓄电池通过MC34063的功率变换和电流控制后的最高输出电压为很显然这个电压可以满足两只HBLED串联式的工作电压,也就是说用12V蓄电池在最低电源电压时通过MC34063的控制仍可以驱动两只HBLED。
根据HBLED的特性以及12V电源电压、2只HBLED串联,电路确定为降压型电路拓扑,控制方式选择峰值电流型控制和最大电压限制。
用MC34063构成的HBLED驱动电路如下图所示。
电路由MC34063、电流检测电阻Rse、输入旁路电容器Ci、续流二极管VD、电感L、输出滤波电容器C。
、输出电压检测电阻R1和R2以及被驱动的HBLED构成。
其中,MC34063与VD、L、C。
构成降压型变换器。
在此电路中续流二极管应选择肖特基二极管,可以选择常见的1N5819(1A/40V)或选择额定电压在30V以上、额定电流不低于0.SA的其他型号和封装的肖特基二极管。
上图电路中的输入电容器选择了100μF/16V的铝电解电容器,一般来说能够满足要求。
但是,从性能角度考虑,100μF/16V铝电解电容器的等效串联电阻至少为2Q,而50kHz频率下的容抗仅为31.8mΩ!容抗远低于等效串联电阻。
这时的电源旁路效果将取决于电容器的等效串联电阻,在0.25A交流电成分流过旁路电容器时,会在电源两端产生约0.SV有效值电压的交流成分,至少会产生1V(峰一峰值电压)的电压波动。
尽管这可以保证电路的正常工作,但使用起来还是感觉不那么舒服。
如果用封装为1206、介质为X5R的10μF/16V陶瓷贴片电容器(零售价约0.2元),则其等效串联电阻将低于lOmΩ,对应的容抗为0.318Q,总的阻抗低于100μF,远低于铝电解电容器的电容值,输入电源的电压尖峰将得到有效地抑制,可以降低到用铝电解电容器的1/10。
多变流水灯控制电路(1)电路结构与特点多变流水灯控制电路如图2S所示。
图中的多谐振荡器由非门U5;A、U5:B及R1、R2、C1组成,其振荡频率为2H2。
三极管开关电路由R3、v1组成,它并联在R2(决定频率的元件之一)的两端。
当v1饱和时,相当于R2两端并联一电阻,多谐振荡器的频率将变为原来的3倍。
多谐振荡器产生的方波由两路输出,其中b4日1u5:A输出的一路输入U4的12级串行二进制计数分频器。
该计数分频器将输入端信号输出,分频作用于v1。
在U4的13脚输出的一个方波的前半段,其输出电平为“o”,v1截止,振荡器频率保持2H2;在后半段v1饱和,使振荡频率变为6Hz。
非门U5:B输出至U1的BCD可预置数同步可逆计数器。
其4、12、13、3脚为BCD码数据预置端,6、11、14、2脚为BCD码数据输出端。
9脚为清零端,当其为高电平时,输出的数据为咖零数。
l脚为置数允许端,当其为高电平而9脚为低电平时,输出的数据与4、12、13、3脚预置数相同。
I o脚为加、减计数控制端,高电平为加计数,低电乎为减计数。
5脚为进位输入端,无进位时,固定为低电乎。
15脚为时钟脉冲输入端,脉冲上升沿有效。
U1输出直接至U2的咖十进制译码器,将BcD码数据译为十进制码,从相应的十进制码数输出端输出。
电路中Ul的4、12脚接高电乎,13、3脚接低电乎,故预置数为o011,即十进制数的3。
u1的10脚由U4的输出端提供控制信号,当U1的15脚连续不断地输入时钟脉冲时,如果u1的10脚为高电平,则U1输出的比D码数据经U2译码,U2的3、14、2、15脚依次输出高电平。
当U2的1 脚输出高电平时,经R5、C2稍加延时输入非门U5:D、U5lc整形,将经RC延时使前沿变得较平滑的波形重新整形为方波,以避免ul同步计数器产生信号丢失。
整形后的高电乎至U1的9脚时,U2的3脚迅速变为高电乎输出。
于是开始了3、14、2、15脚依次输出高电乎的重复过程。
流水灯电路的制作与测试【知识目标】●理解时序逻辑电路的基本概念及分类。
●掌握同步和异步时序逻辑电路的分析方法。
●理解计数器的逻辑功能及原理。
●掌握寄存器电路的基本工作原理,理解移位寄存器的逻辑功能。
【技能目标】●能用触发器制作与调试各种同步计数器。
●能用集成计数器制作任意进制的计数器。
●熟悉集成移位寄存器逻辑功能和各控制端的作用,能构成实用电路。
●多种方法实现流水灯电路,且进一步完善流水灯功能。
任务一用移位寄存器构成流水灯电路一、分析任务在一些数字系统中,有时需要系统按照事先规定的顺序进行一系列的操作。
这就要求系统的控制部分能给出一组在时间上有一定先后顺序的脉冲,再用这组脉冲形成所需要的各种控制信号。
二、相关知识在数字系统中,常常需要将一些数码、运算结果和指令等暂时存放起来,然后在需要的时候再取出来进行处理或运算。
这种能够用于存储少量二进制代码或数据的时序逻辑电路,称为寄存器。
寄存器用于暂时存放二进制代码,它是数字系统中重要的部件之一。
寄存器的主要组成部分是具有记忆功能的双稳态触发器。
一个触发器可以存储一位二进制代码,所以要存放n位二进制代码,就需要n个触发器。
按照功能的不同,可将寄存器分为数码寄存器和移位寄存器两大类。
1. 数码寄存器数码寄存器具有寄存数据和清除原有数据的功能。
现以集成四位数据寄存器74LSl75来说明数据寄存器的电路结构和功能。
74LSl75是用D触发器组成的四位数据寄存器。
它的逻辑图和管脚排列图如图7-11所示。
(a)逻辑图 (b)管脚排列图图7-11 四位集成数码寄存器74LS17574LS175的功能表见表7-11,CP 是时钟端,CR 是异步清零端,D 0~D 3是数据输入端,Q 0~Q 3是数据输出端。
其功能如下。
表7-11 74LS175的功能表①异步清零。
只要CR =0,就可使输出端清零,而与时钟无关。
清零后,将CR 接高电平,数据才能正常存人。
②并行输入/输出。
一、概述随着人们生活环境的不断改善和美化,在许多场合可以看到彩色霓虹灯不断变化闪烁。
LED,低廉的造价以及控制简单等特点而得到了广泛的应用,用彩灯来装饰街道和城市灯由于其丰富的灯光色彩建筑物已经成为一种时尚。
但目前市场上各式样的LED灯控制器大多数用全硬件电路实现,电路结构复杂、功能单一,这样一旦制作成品只能按照固定的模式闪亮,不能根据不同场合、不同时间段的需要来调节亮灯时间、模式、闪烁频率等动态参数。
这种彩灯控制器结构往往有芯片过多、电路复杂、功率损耗大等缺点。
此外从功能效果上看,亮灯模式少而且样式单调,缺乏用户可操作性,影响亮灯效果。
因此有必要对现有彩灯控制器进行改进。
流水彩灯控制器在我们日常生活中有重要的应用,如广告牌的设计和节日彩灯的设计都能运用到它的原理。
本次设计的流水彩灯控制器是其中较简单的,但这是复杂设计的基础。
设计要求:1、在选择器件时,应考虑成本。
2、根据技术指标,通过分析计算确定电路和元器件参数。
3、画出电路原理图(元器件标准化,电路图规范化)。
技术指标:1、用中规模计数器设计该12路流水灯控制电路;2、要求每盏灯的点亮时间介于1s~1.2s之间;3、要求用555定时器设计时钟脉冲,12路流水灯采用12个发光二极管代替。
二、方案设计1 原理框图图1 12路流水灯设计原理图该电路主要由555定时器、74LS161计数器和74HC154译码器和LED 发光二极管。
由555定时器构成脉冲发生器,并由LED 发光二极管监视电路是否工作;将74SL161接成二进制计数器,74SL154的12个输出端依次与排成一排的12个LED 发光管相接。
161芯片的QC 、QD 端接与非门然后与161的LOAD 端相接;且161的LOAD 端通过非门与154芯片的G1与G2相接。
取74SL161的QD 、QC 、QB 、QA 接到74SL154的地址控制端D 、C 、B 、A , 12个发光二极管按一定方向循环亮灭。
运用12C508A控制的LED循环点亮电路,Coloured lights运用12C508A控制的LED循环点亮电路,Coloured lights 关键字:12C508,彩灯电路图作者:庞守军该电路是一款适用于城市街道、公园和厂区亮化工程等景观照明的LED 变色灯光控制电路.电路结构简单、寿命长、光色艳丽、柔和、美观。
工作原理如下:电路通电,交流220V经整流后,一路经电阻R1降压C1滤波成+5V电压给集成块U1(12C508A)供电;另一路直接提供给发光二极管(红、绿、蓝)的正极。
当12C508A得电后,轮流从⑤脚、⑥脚、⑦脚输出0~0.76V脉冲信号,触发相应的可控硅导通,从而使所连接的发光二极管串发光。
U1的④脚所接电阻R4和电容C3为时间常数控制(改变相应的电阻和电容容量规格,就可以改变各串发光二极管点亮的时长);R2和R3是用于通电时,启动12C508A工作。
该灯正常一个循环周期为2分钟左右。
整个灯串由12条宽15mm长465mm的灯板,共有528个LED组成,红、绿、蓝LED间隔排列。
其中红色LED 为80个一串。
间隔20个串1个1.2kΩ/1W的限流电阻(电流为13.7mA)。
绿和蓝各为48个LED.各间隔12个串1个1KΩ/1W电阻(电流均为15mA)。
混合交叉排列44个为一组板。
常见故障:通电后不亮。
其故障一般为R2、R3、R1断路或者12C508A损坏。
如果出现有一组色长亮,就是该组控制的可控硅(MCR100-6)击穿。
还有一种最常见的现象,就是发光二极管串接电路中有一只老化或烧断,则该组就无电流通过而不亮。
这时就需要用一组3.0V的电源,串一只20Ω.电阻后。
分别对该组二极管从头到尾逐一进行查找.将不亮的LED换掉就好了。
维修时,一定要断开电源后,进行焊接或查找故障.注意安全。
按实物绘制的电路图如附图所示。
目录第一章:开发板简介 (3)1-1.SY_1220开发板特性简介 (3)1-2.SY_1220开发板构成和工作原理 (4)第二章:开发板使用说明 (6)2-1.使用简介及入门指导 (6)2-2.键盘规划及编码规划,键盘功能 (7)2-3.在线下载功能(AT89S52xx并口另配下载器) (8)第三章:开发板用器件资料及说明 (10)3—1.AT89S52单片机 (10)3—2.DS1302时钟芯片 (11)3-3.DS18B20数字温度传感器 (12)3-4.128*64点阵图形液晶显示器 (13)3-5.16*2字符型液晶显示器 (15)3-6.DTLED_6数码管驱动器 (19)第四章:开发板附件清单 (22)4—1.调试用源主程序 (22)4-2.原理图....................................................附录插页4-2.包装清单. (26)第五章:其它51类实验板简介 (28)5-1.51DEMO I/O板简介 (28)5-2.A/D-8X51数模转换开发实验板简介 (29)5-3.流水灯控制器(12路) (31)5-4.ISP_51下载线(适配于SY0606用) (32)5-5.SY0606_MCU开发板 (33)5-6.SY03091_CPLD开发板 (35)5-7.ALTERA_ISP下载线(适配于SY03091用) (37)5-8.ISP_A VR下载线(本开发板推荐选用) (38)*********公司其它产品简介见软件盘中电子版文件*********第一章:开发板简介1-1.SY_1220开发板的特性简介1.标准的8X5X应用电路设计,电源/时钟/复位/端口驱动。
2.可使用无极性电源供电,+5伏/AC8~12V均可。
3.自带芯片程序的在线烧录(自下载)端口。
4.自带数字型温度传感器。
可直接显示当前的环境温度。
5.提供128*64点阵图形液晶显示板接口(液晶需另选配)。
《电子线路CAD》课程论文题目:流水灯电路的设计1 电路功能和性能指标该电路设计的是流水灯,通过电路的控制电路中的二极管可以流水作业一个接一个的循环闪烁。
2 原理图设计2.1原理图元器件制作(1)原理图元器件的制作如图一所示图一(2)操作步骤自制的元器件为发光二极管a 新建集成库工程b 给这个工程添加一个新的原理图c 做一个三角形的图(place->IEEE symbols)d 放置两个引脚(3)要注意的地方就是引脚放置时候要看清楚引脚的方向摆放,有叉的一头应该接外部电路。
2.2 原理图设计1 原理图的操作步骤:新建一个PCB工程,然后给工程添加一个新的原理图,命名该工程为流水灯,并保存这个工程,然后开始作图2 作图完毕后,如下图图二图二3 Messages对话框内容截图如下步骤:Project->compile->system->messages->修改到没有错误即可图三4 生成项目元器件库步骤点击design compiler-然后navigator-接着design-最后生成原理图库图四5、应该要注意的地方Message信息框出来之后有错误的情况下,可以逐个点击错误来修改,这样会使整个过程更加简单2.3 原理图报表1、生成的原理图网络表如图五图六步骤:design->Netlist For Project->Protel6、对生成的报表要仔细观察3 PCB设计3.1元器件封装制作1 自制二极管的封装图七2 封装的制作方法在工作界面点击Place 放置一个圆环,之后放置焊盘并保存。
然后给画的元器件添加封装。
3.2 PCB设计1、PCB的设计步骤先建立一个PCB文件命名后保存->update PCB->设置物理边界及电气边界2、电源、地线不同宽度连线后->双击线,在出现的菜单上设置线的宽度3、生成的PCB图如图八图八4、该项目的封装库,如图九图九5、文档目录截图如图十图十6、物理边界及电气边界应该设置合适的大小3.3 PCB设计后处理1、补泪滴操作如图十一步骤:在PCB界面点Tools->Teardrops\图十一2、敷铜操作如图十二步骤:在PCB界面点放置敷铜按钮,打开敷铜属性对话框进行设置。
附件:图1-1 LED灯闪亮时间间隔600ms电路图程序1-1:ORG 0000HSTART: CLR P1.0LCALL DELAYSETB P1.0LCALL DELAYLJMP STARTDELAY : MOV R5,#60 //延时子程序,延时600msD1: MOV R6,#20D2: MOV R7,#248DJNZ R7,$DJNZ R6,D2DJNZ R5,D1RETEND图2-1 LED流水灯线路图程序2-1:ORG 0000HLJMP MAINORG 0100HDELAY1:MOV R7,#200D1:MOV R6,#200D2:DJNZ R6,D2 DJNZ R7,D1RETDELAY2:MOV R7,#250D4:MOV R6,#250D5:DJNZ R6,D2 DJNZ R7,D4RETD3:MOV P2,ALCALL DELAY1RL AMOV P2,ALCALL DELAY1DJNZ R5,D3LCALL DELAY1MOV P2,#0LCALL DELAY2RETMAIN:MOV R5,#7MOV A,#11111110BLCAll D3LJMP MAINEND图3-1 LED数字显示倒计时电路图程序3-1:ORG 0000HLJMP MAINORG 0100HCHART:DB0C0H,0F9H,0A4H,0B0H,99H,92H,82H,0F8H ,80H,90HDELAY:MOV R7,#10DEL1:MOV R6,#200DEL2:MOV R5,#248DJNZ R5,$DJNZ R6,DEL2DJNZ R7,DEL1RETLOOP:MOV DPTR,#CHARTMOV A,R2MOVC A,@A+DPTRMOV P2,ALCALL DELAYDEC R2DJNZ R1,LOOP RETMAIN:MOV R1,#10MOV R2,#9LCALL LOOPLJMP MAINEND图4-1 LED加减按键电路图程序4-1:ORG 0000HLJMP STARTORG 0030H START:MOV R2, #1 LOOP:CALL DISPJB P1.6, NEXT CALL DL10MSJB P1.6, NEXTJNB P1.6, $DJNZ R2, NEXT MOV R2, #10 NEXT:JB P1.7, LOOP CALL DL10MSJB P1.7, LOOPJNB P1.7, $INC R2CJNE R2, #11, LOOP JMP START;----------------------------------------DISP:MOV A, R2DEC AMOV DPTR, #TABMOVC A, @A + DPTRMOV P2, ARETDL10MS:MOV R6, #20DJNZ R7, $DJNZ R6, $ - 2RET;----------------------------------------TAB:DB 0C0H, 0F9H, 0A4H, 0B0H, 99H DB 92H, 82H, 0F8H, 80H, 90H;----------------------------------------END图5-1 电压超限预警电路图程序5-1:ORG 0000HNOLED:MOV P2,#0START:JB P1.0,LEDCALL NOLEDLED:MOV P2,#1JMP STARTEND图6-1 电压超限预警报警显示电路图程序6-1:#include <reg52.h>#define uchar unsigned char#define uint unsigned int//===========================//ADC0809相关引脚定义//===========================#define ADC_DATA P1sbit ADC_EOC = P3^3;sbit ADC_CLK = P3^4;sbit ADC_START = P3^6;sbit ADC_OE = P3^7;//===========================//4位共阳数码管相关//===========================uchar code seg[10]={0xc0,0xf9,0xa4,0xb0,0x99,0x92,0x82,0xf8,0x80,0x90};//0~9 小数点不亮uchar code seg_dot[10]={0x40,0x79,0x24,0x30,0x19,0x12,0x02,0x78,0x00,0x10};//0~9 小数点亮#define SEG_DA TA P2//数码管段选码,共阳数码管,低电平选通段选码sbit SEG_SEL_0=P0^3;//数码管位选:第0位,共阳数码管,高电平选通位选码sbit SEG_SEL_1=P0^2;//数码管位选:第1位sbit SEG_SEL_2=P0^1;//数码管位选:第2位sbit SEG_SEL_3=P0^0;//数码管位选:第3位//===========================//警报:LED与蜂鸣器引脚//===========================sbit L ED_Y = P0^5;//低电平亮sbit BEEP = P0^4;//高电平响sbit L ED_R = P0^6;sbit L ED_G = P0^7;#define BEEP_ON BEEP=1#define BEEP_OFF BEEP = 0#define LED_Y_ON LED_Y=0#define LED_Y_OFF LED_Y=1#define LED_R_ON LED_R=0#define LED_R_OFF L ED_R=1#define LED_G_ON LED_G=0#define LED_G_OFF LED_G=1//===========================//粗略延时函数A T89C51 & 12MHz//===========================void delayms(unsigned int ms){unsigned char a,b,c;while(ms--){for(c=1;c>0;c--)for(b=142;b>0;b--)for(a=2;a>0;a--);}}/*//===========================//粗略延时函数STC12C5A60S2 & 12MHz//===========================void delayms(unsigned int ms){unsigned char a,b,c;while(ms--){for(c=1;c>0;c--)for(b=222;b>0;b--)for(a=12;a>0;a--);}}*///===========================//定时器初始化,配置ADC0809时钟//===========================void timer_init(void){//配置定时器0ET0 = 1;TMOD &= 0xF0;TMOD |= 0x02;//定时器0,模式2,自动重装定时器TH0 = 200;//自动重装值TL0 = 200;TR0 = 1;//配置定时器1ET1 = 1;TMOD &= 0x0F;//清除定时器1配置,不改动定时器0的配置TMOD |= 0x10;//定时器1模式一,不改动定时器0的模式TH1 = (65536 - 2000)/256;TL1 = (65536 - 2000)%256;TR1 = 1;EA = 1;}//===========================//定时器0中断,为ADC0809提供时钟信号//===========================void timer0() interrupt 1{ADC_CLK = ~ADC_CLK;}//============================//ADC0809 转换函数//============================uchar ADC0809_GET(void){ADC_START = 0;ADC_OE = 0;ADC_START = 1;ADC_START = 0;while(ADC_EOC == 0);ADC_OE = 1;return ADC_DATA;}//============================//定时器1中断函数,用于刷新数码管//============================uchar t1_flag = 0;//用于标记显示第几位数码管uchar seg0 = 0;//第0位数码管的值uchar seg1 = 1;//第1位数码管的值uchar seg2 = 2;//第2位数码管的值uchar seg3 = 3;//第3位数码管的值void timer1() interrupt 3{TH1 = (65536 - 2000)/256;TL1 = (65536 - 2000)%256;SEG_SEL_0 = 0;SEG_SEL_1 = 0;SEG_SEL_2 = 0;SEG_SEL_3 = 0;SEG_DATA = 0xff;if(t1_flag == 0){SEG_SEL_0 = 1;//选通第0位数码管SEG_SEL_1 = 0;SEG_SEL_2 = 0;SEG_SEL_3 = 0;SEG_DA TA = seg_dot[seg0];//显示带小数点的数}else if(t1_flag == 1){SEG_DA TA = seg[seg1];SEG_SEL_0 = 0;SEG_SEL_1 = 1;//选通第1位数码管SEG_SEL_2 = 0;SEG_SEL_3 = 0;}else if(t1_flag == 2){SEG_DA TA = seg[seg2];SEG_SEL_0 = 0;SEG_SEL_1 = 0;SEG_SEL_2 = 1;//选通第2位数码管SEG_SEL_3 = 0;}else if(t1_flag == 3){SEG_DA TA = seg[seg3];SEG_SEL_0 = 0;SEG_SEL_1 = 0;SEG_SEL_2 = 0;SEG_SEL_3 = 1;//选通第3位数码管}t1_flag++;//自加1t1_flag = t1_flag%4;//让t1_flag 在0和3之间循环}//============================//显示电压值,输入0~255,显示0.000~5.000//============================uint print_volt(uchar num){uint volt = 0;volt = num/255.0 * 5000 + 0.5;//除255.0和除255有很大区别,除255.0会自动转换为float型,小数才能保持,而volt/255=0,+0.5四舍五入。
一、概述随着人们生活环境的不断改善和美化,在许多场合可以看到彩色霓虹灯不断变化闪烁。
LED,低廉的造价以及控制简单等特点而得到了广泛的应用,用彩灯来装饰街道和城市灯由于其丰富的灯光色彩建筑物已经成为一种时尚。
但目前市场上各式样的LED灯控制器大多数用全硬件电路实现,电路结构复杂、功能单一,这样一旦制作成品只能按照固定的模式闪亮,不能根据不同场合、不同时间段的需要来调节亮灯时间、模式、闪烁频率等动态参数。
这种彩灯控制器结构往往有芯片过多、电路复杂、功率损耗大等缺点。
此外从功能效果上看,亮灯模式少而且样式单调,缺乏用户可操作性,影响亮灯效果。
因此有必要对现有彩灯控制器进行改进。
流水彩灯控制器在我们日常生活中有重要的应用,如广告牌的设计和节日彩灯的设计都能运用到它的原理。
本次设计的流水彩灯控制器是其中较简单的,但这是复杂设计的基础。
设计要求:1、在选择器件时,应考虑成本。
2、根据技术指标,通过分析计算确定电路和元器件参数。
3、画出电路原理图(元器件标准化,电路图规范化)。
技术指标:1、用中规模计数器设计该12路流水灯控制电路;2、要求每盏灯的点亮时间介于1s~1.2s之间;3、要求用555定时器设计时钟脉冲,12路流水灯采用12个发光二极管代替。
二、方案设计1 原理框图图1 12路流水灯设计原理图该电路主要由555定时器、74LS161计数器和74HC154译码器和LED 发光二极管。
由555定时器构成脉冲发生器,并由LED 发光二极管监视电路是否工作;将74SL161接成二进制计数器,74SL154的12个输出端依次与排成一排的12个LED 发光管相接。
161芯片的QC 、QD 端接与非门然后与161的LOAD 端相接;且161的LOAD 端通过非门与154芯片的G1与G2相接。
取74SL161的QD 、QC 、QB 、QA 接到74SL154的地址控制端D 、C 、B 、A , 12个发光二极管按一定方向循环亮灭。
2 各模块组成及功能分析1、振荡电路:由一个555芯片与滑动变阻器,电阻和电容组成。
周期可调,控制计数器。
2、计数器:由一个74LS161芯片与两个非门组成,输出信号至译码器,控制LED 灯的亮灭的顺序。
3、译码器:由一个74HC154芯片组成,为4-16译码器, 输出来自555芯片的信号到LED 灯。
4、显示部分:由12个发光二极管和电阻组成,通过发光二极管的亮灭情况判断电是否达到设计要求。
555多谐振荡电路74LS161计数部分LED 显示部分74HC154译码电路部分三、电路设计1 555多谐振荡电路多谐振荡电路由LMC555定时器、一个滑动变阻器、一个电阻、两个电容组成。
555定时器是一种多用途的数字模拟混合集成电路,利用它可以方便的构成施密特触发器、单稳态触发器和多谐振荡器。
由于使用灵活方便,所以555芯片在波形的产生与变化、测量与控制等多种领域得到广泛应用。
本次课设的多谐振荡电路在这次课程设计中,LMC555定时器用来产生脉冲信号。
LMC555定时器的管脚图如图2所示:图2 555定时器管脚555定时器内部主要由以下几个部分组成:1、电阻分压器:由3个5kΩ的电阻组成。
2、电压比较器:由C1与C2组成,当控制输入端悬空时,C1与C2的基准电压分别是1/3V CC与2/3V CC。
3、基本RS触发器:由两个与非门G1与G2构成,对两个比较器输出的电压进行控制。
4、放电三极管VT:VT是集成极开路的三极管,VT的集成极做定时器的引出端D。
5、缓冲器:由G3与G4构成,提高电路的负载能力。
引脚功能:1脚位接地端;2脚是低电平触发器入端;3脚输出端;4脚复位端;5脚是电压控制器;6脚是高电平触发器入端;7脚是放电端;8脚是电源端。
由555定时器构成的谐振荡电路如图3所示:图3 555多谐振荡电路555定时器构成多谐振荡电路,电路输出可以得到一个周期性的矩形脉冲,其周期为:T=T1+T2=(R1+2R2)C1ln 2由于1s<T<1.2s,令R1=R2=25KΩ,C1=22μF,ln2=0.7,则T=1.155s,在1s~1.2s 之间,符合要求,且占空比q=T1/T=(R1+R2)/(R1+2R2)=66.7%>50%。
C2为滤波电容,起滤波作用,一般取C2=0.01μF。
接通电源后,Vcc经R1,R2给电容C充电。
由于电容上电压不能突变,电源Vc=0,当Vc上升到大于Vcc/3时,RD=1,SD=1,基本RS触发器不变,即Q仍为高电平,当Vc上升到略大于2Vcc/3时,RD=0,SD=1,基本触发器置零,Q为低电平。
这时Q=1,使内部放电管饱和导通,于是电容C经内部放电管和R2放电,Uc按指数规律减小。
当Vc下降略小于Vcc/3时,内部比较器A1输出高电平,A2输出低电平,基本RS 触发器置1,输出高电平。
这时,Q=0,内部放电管截止。
于是C结束放电并重新开始充电。
如此循环不止,输出端就得到一系列的矩形脉冲。
2 74LS161计数部分计数部分主要由161芯片,一个与非门和一个反向器组成。
因为在课设中需要一个十进制计数器,因此采用了74LS161芯片作为计数器,用来控制LED灯的亮灭顺序。
74LS161的引脚图如图4所示:图4 161芯片引脚图74LS161是常用的四位二进制可预置的同步加法计数器,它可以灵活的运用在各种数字电路,以及单片机系统种实现分频器等很多重要的功能。
74161型四位同步二进制可预置计数器的外引线排列图及其逻辑符号,其中CLR(RD)端是直接清零端,LOAD(LD)端是预置数控制端,A(A0)、B(A1)、C(A2)、D(A3)是预置数据输入端,ENP(EP)和ENT(ET)是计数控制端,QA(Q0)、QB(Q1)、QC(Q2)、QD(Q3)是计数输出端,RCO是进位输出端。
74161型计数器的功能表如表1所示表1 74LS161功能表由表1可知,74LS161具有以下功能:1、异步清零:CLR(RD)=0时,计数器输出被直接清零,与其他输入端的状态无关。
2 、同步并行预置数:在CLR(RD)=1条件下,当LOAD(LD)=0且有时钟脉冲CP的上升沿作用时,A(A0)、B(A1)、C(A3)、D(A4)输入端的数据d3、d2、d1、d0 将分别被 QA(Q0)、QB(Q1)、QC(Q2)、QD(Q3)所接收。
3、保持:在CLR(RD)=LOAD(LD)=1条件下,当ENT(ET)·ENP(EP)=0,不管有无CLK(CP)脉冲作用,计数器都将保持原有状态不变。
需要说明的是,当ENP=0,ENT=1时,进位输出RCO也保持不变;而当ENT=0时,不管ENP状态如何,进位输RCO=0。
4、计数:当CLR=LOAD=ENP=ENT=1时,74161处于计数状态。
由于本次课设需要用到组合逻辑运算,因此需要一个74LS00芯片,其引脚图如图5所示:图5 74LS00芯片引脚图真值表如表2所示:表2 74LS00真值表A B Y0 0 10 1 11 0 11 1 0反相器74LS04引脚图以及功能表如下图所示:图6 74LS04引脚图表3 74LS04功能表A Y0 11 0 74LS161芯片构成的译码电路部分如图7所示:图7 74LS161译码电路部分置数端A、B、C、D分别置0。
2接脉冲信号,同555振荡器的3相接,1、7、10接电源。
QA、QB、QC、QD端接154芯片的A、B、C、D端,QC、QD端通过与非门与LOAD 端相接;LOAD端通过反相器与154芯片的G1与G2相连。
3 74LS154译码部分与LED显示部分该部分分主要由一个74HC154芯片和12个发光二极管以及电阻构成。
74HC154的引脚图如下图所示:图8 74HC154引脚图74HC154 功能简述: 74HC154 4线-16 线译码器/解调器1、将4个二进制编码输入译成16个彼独立的输出之一;2、将数据从一个输入线分配到16个输出的任意一个而实现解调功能;3、输入箝位二极管简化了系统设计;4、与大部分TTL和DTL电路完全兼容。
74154这种单片4线—16线译码器非常适合用于高性能存储器的译码器。
当两个选通输入G1和G2为低时, 它可将4个二进制编码的输入译成16个互相独立的输出之一。
实现解调功能的办法是:用4个输入线写出输出线的地址,使得在一个选通输入为低时数据通过另一个选通输入。
当任何一个选通输入是高时,所有输出都为高。
功能表如表4所示:表4 74HC154功能表引脚端符号名称及功能1,2,3,4,5,6,7,8,9,10,11,13,14,15,16,17 O0~O15 输出低电平18,19 G1,G2 使能输入(低电平)23,22,21,20 A~D 地址输入12 GND 接地24 Vcc 接电源电压74HC154及LED灯构成的译码显示部分如图9所示:图9 74HC154译码及LED显示部分引脚端A、B、C、D分别接来自74LS161的QA、QB、QC、QD端,G1,G2端通过反相器与161芯片的LOAD端相接,1~13引脚接电阻与发光二极管,二极管另一端接4V 电源电压。
四、性能测试1 多谐振荡电路的测试仿真电路图如图10所示:图10 多谐振荡电路测试图1、周期为1.278s时多谐振荡器输出的波形图如下:图11 多谐振荡电路输出波形图2、改变滑动变阻器阻值,让周期落在1~1.2s之间,此时输出的波形图如下:图12 多谐振荡电路输出波形图2 电路整体测试第一盏灯亮,其余的灯不亮,如图13所示:图13 整体测试电路第四盏灯亮,其余的灯不亮,如图14所示:图14 整体测试电路第九盏灯亮,其余的灯不亮,如图15所示:图15 整体测试电路第十二盏灯亮,其余的灯都不亮,如图16所示:图16 整体测试电路所有的灯都不亮,处于全灭状态,如图17所示:图17 整体测试电路五、结论电路的设计能完成基本功能的实践,使用的芯片数量少,设计思路清晰明了。
但是在两个星期的课设过程中我也遇到了不少的问题,比如第一次连电路的时候因为把LED灯接反导致没看到预期的结果。
第二次因为串联的电阻阻值过大导致LED灯不亮。
而且在老师的帮助下,我改正了我原来电路的不足之处,我原来的设计方案是用两个138芯片代替154芯片进行译码,然而结果并不尽人意,在运行过程中出了不少问题,不能达到预期效果,后来多亏了老师,才能顺利完成课设。
通过本次课程设计,让我了解了12路流水灯的基本原理与设计理念。
更让我明白具备扎实的理论基础是非常重要的,如果理论知识不够强,随意一点小的差错就可能导致电路不能达到预期的效果。
而且,通过这次课程设计,充分的将理论知识与实践知识相结合,也提高了我的查阅资料的水平,让我的经验,能力得到了锻炼。