防火门检验批记录
- 格式:xls
- 大小:27.00 KB
- 文档页数:2
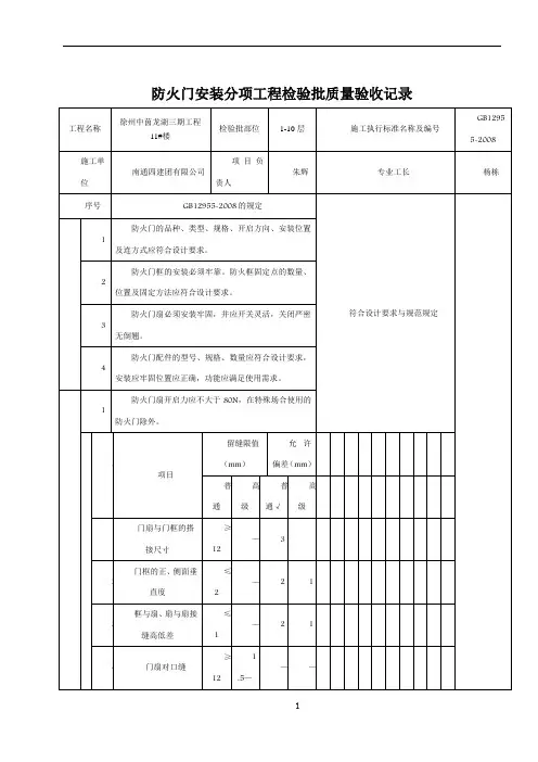
表B.123
防火门安装工程检验批质量验收记录
GB50210-2001
工程名称编号
分项工程名称验收部位施工单位项目负责人施工员分包单位项目负责人施工班组长施工执行标准名称及编号
验收规范的规定施工、分包单位检查记录监理单位验收记录
规范要求1防火门质量和性能第5.5.2条2防火门品种规格、方向位置第5.5.3条3机械、自动和智能化装置第5.5.4条4安装及预埋件第5.5.5条5配件、安装及功能第5.5.6条6防火门的等级符合设计要求1表面装饰第5.5.7条2表面质量第5.5.8条3推拉自动门留缝隙值及允许
偏差第5.5.9条4推拉自动门感应时间限值第5.5.10条5旋转门安装允许偏差第5.5.11条
施工、分包单位检查结果:
项目专业质量检查员:
年月日监理单位验收结论:
专业监理工程师:
年月日。
火灾自动报警系统防火门监控系统联动控制功能调试检测检验批质量验收记录火灾自动报警系统和防火门监控系统联动控制功能的调试、检测和检验质量验收是确保系统安全可靠运行的重要环节。
下面是一个1200字以上的火灾自动报警系统防火门监控系统联动控制功能调试、检测检验批质量验收记录的范例。
一、调试、检测和检验批质量验收目的:确保火灾自动报警系统和防火门监控系统联动控制功能正常可靠。
二、调试、检测和检验批质量验收范围:三、调试、检测和检验批质量验收依据:3.相关设计文件和技术文件。
四、调试、检测和检验批质量验收内容:1.系统连接和通讯检测:(1)检查各个系统之间的接线是否正确连接。
(2)检测系统之间的通讯是否正常,包括数据传输和指令发送接收。
2.联动控制检测:(1)开启火灾自动报警系统,检测防火门监控系统是否自动触发关闭防火门。
(2)模拟火灾情况,触发火灾报警器,检测防火门监控系统是否自动打开防火门。
(3)检测联动控制是否灵敏,实时反应火灾情况。
3.防火门开关状态检测:(1)检测防火门的开关状态是否准确,包括开启、关闭、半开等。
(2)检测防火门的位置反馈是否准确。
4.报警记录和事件记录检测:(1)检测系统是否可以正常记录火灾报警事件和防火门开关事件。
(2)检测报警记录和事件记录是否可靠、准确。
五、调试、检测和检验批质量验收结果:1.系统连接和通讯检测结果:(1)各个系统之间的接线正确连接。
(2)系统之间的通讯正常,数据传输和指令发送接收正常。
2.联动控制检测结果:(1)火灾自动报警系统可以触发关闭防火门。
(2)模拟火灾情况时,防火门监控系统可以自动打开防火门。
(3)联动控制灵敏,实时反应火灾情况。
3.防火门开关状态检测结果:(1)防火门的开关状态准确,包括开启、关闭、半开等。
(2)防火门的位置反馈准确。
4.报警记录和事件记录检测结果:(1)系统可以正常记录火灾报警事件和防火门开关事件。
(2)报警记录和事件记录可靠、准确。
防火门安装分项工程检验批质量验收记录防火门是建筑物中重要的消防设施之一,对于保障人员生命安全和财产安全具有重要的作用。
为了确保防火门的安装质量,需要进行分项工程检验批质量验收记录。
本文将从验收记录的编写要点、验收过程中需要检查的主要项目以及常见的质量问题进行详细阐述。
一、编写要点1. 文档格式:以检验批质量验收记录为标题,包括建设单位名称、项目名称、施工单位名称、工程名称、工程验收范围等基本信息。
2. 验收人员:明确主要参与验收的人员,包括建设单位的代表、施工单位的代表以及监理单位的代表。
3. 验收时间:记录实际的验收时间,包括开始时间和结束时间。
4. 验收地点:记录验收的具体地点,通常为施工现场。
二、验收过程中的主要项目1. 防火门的安装位置和数量:核对防火门的安装位置和数量是否与图纸要求一致。
2. 防火门的尺寸:测量防火门的尺寸,包括门框尺寸和门扇尺寸,确保符合图纸要求。
3. 防火门的材质:检查防火门的材质,如门框和门扇材料是否符合规定要求。
4. 防火门的密封性能:测试防火门的密封性能,包括门扇与门框之间的间隙是否符合规定要求。
5. 防火门的开闭性能:测试防火门的开闭性能,确保防火门能够正常开闭,并能够自动关闭。
6. 防火门的安装质量:检查防火门的安装质量,如门框的固定是否牢固、门扇的装配是否精确等。
三、常见的质量问题1. 尺寸不符:防火门的尺寸与图纸要求不符,可能会导致防火门无法正常关闭或防火隔离效果不佳。
2. 材质不合格:防火门的材质不符合规定要求,可能会影响防火门的防火性能和耐用性。
3. 密封性能差:防火门的密封性能不好,可能会导致火灾时烟气和火焰逸出,从而影响逃生通道的安全性。
4. 开闭性能差:防火门的开闭性能不好,可能会导致在火灾发生时无法及时关闭,从而无法隔离火灾。
5. 安装质量差:防火门的安装质量不好,如门框固定不牢固、门扇装配不精确等,可能会影响防火门的正常使用和防火效果。
四、总结防火门作为消防设施的重要组成部分,对于保障人员生命安全和财产安全具有重要的作用。
防火门安装检验批质量验收记录模板
项目信息
- 项目名称:
- 施工单位:
- 工程编号:
- 竣工日期:
检验批信息
- 检验批编号:
- 规格型号:
- 数量:
- 批次编号:
验收记录
- 安装位置:
- 钢框架安装质量验收:
- 框架与墙体连接牢固,无倾斜、松动等现象。
- 框架表面无明显划痕、凹陷、氧化等损坏情况。
- 门扇安装质量验收:
- 门扇与框架连接牢固,无摇晃、松动等现象。
- 门扇外观无明显划痕、凹陷、氧化等损坏情况。
- 铰链、锁具、密封条验收:
- 铰链连接部位无松动、磨损等现象。
- 锁具操作灵活,无阻塞、卡滞等问题。
- 密封条完好,无破损、脱落等现象。
- 标志标牌验收:
- 防火门标志醒目,易于识别。
- 相关标牌、标志附着牢固,无掉落、脱落等现象。
- 防火门开启及闭合验收:
- 门扇开闭自如,无卡滞、卡住等问题。
- 门扇闭合后紧密贴合框架,无明显间隙、漏光现象。
- 配套设施验收:
- 门锁齐全、牢固可靠。
- 紧急开启装置完好可靠。
- 其他配套设施符合要求。
验收结论
经验收,防火门安装质量合格。
验收人员
- 建设单位代表:
- 施工单位代表:
- 监理单位代表:
备注
(可根据实际情况添加备注信息)。
防火门安装检验批质量验收记录模板一、项目信息
- 项目名称: [填写项目名称]
- 施工单位: [填写施工单位]
- 检验批号: [填写检验批号]
- 防火门型号: [填写防火门型号]
- 设计要求: [填写设计要求]
- 安装位置: [填写安装位置]
- 验收时间: [填写验收时间]
二、安装情况
2.1 安装对象
- 防火门: [填写防火门数量]
- 手动操作装置: [填写手动操作装置数量]
- 自动控制装置: [填写自动控制装置数量]
- 密封材料: [填写密封材料数量]
2.2 安装质量
三、质量验收结果
- 合格数量: [填写合格数量]
- 不合格数量: [填写不合格数量]
- 符合设计要求的百分比: [填写符合设计要求的百分比]
- 验收结论: [填写验收结论,如合格、不合格及处理意见]
四、验收人员
- 验收单位/部门: [填写验收单位/部门]
- 验收人员: [填写验收人员姓名]
- 验收日期: [填写验收日期]
五、备注
[填写备注信息]
以上为防火门安装检验批质量验收记录模板,供参考使用。
具体检验项目、安装情况及验收结果应根据实际情况进行填写。
防火门安装分项工程检验批质量验收记录1. 项目概况项目名称防火门安装分项工程建设单位XXX工程有限公司监理单位XXX监理有限公司施工单位XXX建设有限公司工程地址XXX街道XXX号工程负责人张三2. 检验批情况检验批编号日期FHM01 2022年1月1日FHM02 2022年1月5日FHM03 2022年1月10日3. 检验依据•《建筑工程防火门安装及验收规范》(GB 12955-2008)•《建筑门、窗、幕墙工程质量验收规范》(GB/T 8478-2008)4. 检验内容4.1 矿棉芯板1.矿棉芯板外观无损坏、发霉等现象。
2.材质符合要求。
3.相邻两块矿棉芯板接缝处矩形度≤ 1mm。
4.2 铰链1.铰链数量符合设计要求。
2.铰链表面光洁、无裂纹、无损伤。
3.铰链装配牢固,无松动现象。
4.3 锁具1.锁具数量符合设计要求。
2.锁具表面光洁、无裂纹、无损伤。
3.锁具装配牢固,无松动现象。
5. 检验结果经过检验,上述3个检验批的防火门安装分项工程符合以下要求:1.以上3个检验批的矿棉芯板外观完好,材质符合要求,相邻两块矿棉芯板接缝处矩形度≤ 1mm。
2.以上3个检验批的铰链数量符合设计要求,表面光洁、无裂纹、无损伤,装配牢固,无松动现象。
3.以上3个检验批的锁具数量符合设计要求,表面光洁、无裂纹、无损伤,装配牢固,无松动现象。
4.经检验,以上3个检验批的防火门安装分项工程达到设计要求,合格。
6. 不合格项整改情况经检验,以上3个检验批的防火门安装分项工程未发现不合格项。
7. 监理工程师意见本次防火门安装分项工程的施工质量较好,符合设计要求和技术规范。
建议施工单位加强质量管理,确保后续工程质量不断提升。
8. 检验单位意见按照《建筑工程防火门安装及验收规范》(GB 12955-2008)和《建筑门、窗、幕墙工程质量验收规范》(GB/T 8478-2008)的要求,对防火门安装分项工程进行检验,检验结果表明该工程符合设计要求和技术规范。
防火门安装检验批质量验收记录
项目名称:________________________
项目地点:________________________
安装批次:________________________
检验日期:________________________
1.检验目的
本次检验旨在确认防火门安装工程是否符合相关标准和规范要求,确保安装质量达到预期标准。
2.检验内容
2.1 防火门安装位置确认:确认防火门安装位置是否与设计要求相符,是否合理布置,确保防火隔离效果。
2.2 防火门密封性能检验:检验防火门与墙面、门框之间的密封性能,确保防火门具备良好的防火隔离功能。
2.3 防火门关闭及锁紧功能检验:确认防火门的关闭功能是否正常,门是否能够锁紧,确保防火门可靠地关闭并保持密封状态。
2.4 防火门门扇材质检验:检验防火门门扇的材质是否符合相关标准和规范要求,确保门扇具有良好的耐火性能。
2.5 防火门门扇装配检验:检验防火门门扇的装配工艺是否符合相关要求,确保门扇的安装质量。
2.6 防火门五金配件检验:检验防火门五金配件的材质、尺寸和安装效果是否符合要求,确保五金配件的质量可靠。
3.检验结果
经检验,本批次防火门安装质量符合相关标准和规范要求,各项检验指标均达到预期标准。
4.处理意见
基于本次检验结果,建议继续进行后续工程,无需对本批次防火门安装进行调整或修复。
5.备注
在此处记录其他需要说明的事项】
检验人员:________________________
检验日期:________________________。
防火门成品例行检验记录表防火门成品例行检验记录表(检验标准12955-2008)产品编号:生产批号:生产数量:编号:JT-Q-5-78(3)序号项目名称技术内容及技术指标规格型号标准条文实测单项判定1 门扇与门框的搭接尺寸≥12mm 5.8.1 □合格□不合格2 门扇与门框有合页一侧的配合活动间隙钢质防火门≤2.5mm木质防火门≤1.5mm5.8.2.1□合格□不合格3 门扇与门框有锁一侧的配合活动间隙≤3mm 5.8.2.2□合格□不合格4 门扇与上框的配合活动间隙≤3mm 5.8.2.3□合格□不合格5 双扇门扇之间缝隙≤3mm 5.8.2.4 □合格□不合格6 门扇与下框的活动间隙≤9mm 5.8.2.5 □合格□不合格7 门扇与门框贴合面间隙;门扇与门框有合页一侧、有锁一侧及上框的贴合面间隙≤3mm 5.8.2.6□合格□不合格8 开面上门框与门扇的平面高低差≤1mm 5.8.3□合格□不合格9 启闭灵活性防火门应启闭灵活、无卡阻现象5.9.1 □合格□不合格10 门扇开启力≤80N 5.9.2 □合格□不合格11 防火锁是防火锁;防火锁有执手;具有耐火性能不低于所安装防火门的检验报告。
5.3.1□合格□不合格12 防火合页板厚≥3mm;具有耐火性能不低于所安装防火门的检验报告。
5.3.2□合格□不合格13 防火闭门装置符合GA93规定,出具相应的检验报告。
5.3.3□合格□不合格14 防火顺序器能按顺序关闭门扇,具有耐火性能不低于所安装防火门的检验报告。
5.3.4□合格□不合格15 防火插销具有耐火性能不低于所安装防火门的检验报告。
5.3.5□合格□不合格16 盖缝板与门扇连接牢固,不妨碍门扇正常启闭5.3.6□合格□不合格17 防火密封件门框与门扇、门扇与门扇、玻璃四周的缝隙应嵌装防火密封件;性能符合要求,出具相应的检验报告。
5.3.7□合格□不合格18 防火玻璃具有耐火性能不低于所安装防火门的检验报告。
2#防火门安装分项工程检验批质量验收记录检验批次信息
检验批号:20191203B
安装时间:2019年12月3日
验收时间:2019年12月5日
安装单位:XX建筑公司
检验依据
•《钢质防火门》(GB12955-2008);
•《建筑装饰装修防火规范》(GB50168-2018);
•《建筑门与窗》(GB/T7106-2008)。
检验项目
序
号检验项目验收标准
1 防火门电
气功能测
试
开门、关门、紧闭、防火检测等电气功能均正常
2 防火门外
观质量
无划痕、变形、掉漆等表面缺陷
3 防火门密
封性能
门扇与门框紧密接触,门框无缝隙、无松动、无脱落现象4 防火门尺
寸
门扇开启部分与门框间隙≤2mm
5 防火门用
力试验门扇在关闭状态时,加力45N,门扇不能发生任何移动并应紧密关闭;门扇在开启状态时,加力200N,门扇不能发生任何移动并应紧密关闭
检验结果
本次检验项目共有5项,全部合格。
不合格项处理
无不合格项。
验收
本次防火门安装分项工程经过质量检验合格,符合设计要求,达到了相应的标
准及规定,可以投入使用。
验收人员签名:
•建设工程项目质量监督检测报告编号:XXXXXXXXXXXXXX
•建设工程项目竣工验收报告编号:XXXXXXXXXXXXXX
备注
验收人员应在验收上签字,并注明建设工程项目质量监督检测报告编号及建设
工程项目竣工验收报告编号。
如有不合格项,应在此项目下列出,并说明处理措施。
本文档仅供内部文件参考使用,请勿外传。