螺杆泵检修规程(通用)
- 格式:doc
- 大小:247.69 KB
- 文档页数:13
螺杆泵检修规程.doc 文档标题:螺杆泵检修规程文档大纲:封面文档标题单位名称制定日期审核人目录各章节标题及页码引言螺杆泵的作用与重要性检修规程的目的与适用范围检修前的准备工作安全措施工具与设备检修计划螺杆泵的拆卸拆卸步骤注意事项部件标记与记录部件检查与评估螺杆、定子、轴承等关键部件的检查磨损与损坏评估清洁与维护故障诊断与处理常见故障类型故障诊断方法故障处理措施部件更换与维修更换标准与流程维修技术要求部件安装与调试组装与调试组装步骤调试方法性能测试安全与环保要求操作安全环境保护措施质量控制与记录质量控制标准检修记录与报告故障分析与改进培训与考核培训计划培训内容考核标准检修后的试运行试运行程序性能监测问题记录与处理维护与保养日常保养定期维护预防性维护附录相关标准与规范工具与设备清单检修记录表格文档内容要点:封面明确展示文档标题和单位名称。
目录列出文档的主要章节和页码。
引言简述螺杆泵检修规程的重要性。
检修前的准备工作详细说明安全措施、所需工具与设备以及检修计划。
螺杆泵的拆卸描述拆卸步骤,注意事项和部件标记与记录。
部件检查与评估详细列出螺杆、定子、轴承等关键部件的检查和评估方法。
故障诊断与处理介绍常见故障类型、诊断方法和处理措施。
部件更换与维修阐述更换标准与流程,维修技术要求和部件安装与调试。
组装与调试描述组装步骤、调试方法和性能测试。
安全与环保要求强调操作安全和环境保护措施。
质量控制与记录制定质量控制标准,检修记录与报告以及故障分析与改进。
培训与考核制定培训计划,明确培训内容和考核标准。
检修后的试运行描述试运行程序、性能监测和问题记录与处理。
维护与保养介绍日常保养、定期维护和预防性维护。
附录提供相关标准与规范、工具与设备清单以及检修记录表格。
单螺杆泵检修规程单螺杆泵检修规程目录一、概况说明。
2二、检修及日常巡检维护内容。
3三、单螺杆泵解体检修。
4四、检修质量标准。
6五、常见故障及排除。
8六、螺杆泵的润滑。
10七、常用备件表。
11八、检修质量工序卡。
121——概况说明1.1 本规程适用于熙越公司所提供的如下位号泵:1H-CB01-3、2H-CB01-3、1H-JB01-3、2H-JB01/02、P-8101、P-8102A/B2——检修及日常巡检维护内容一. 检修周期注:水煤浆对泵磨损比较严重,可适当调整二. 检修内容:小修内容:1. 检查清理泵进、出口管道 2.检查更换轴承箱油封 3.检查定子和转子磨损. 冲蚀情况 4.紧固或更换填料(如果泄漏) 5、检查更换转子(磨损严重时) ;6. 检查联轴器弹性注销的磨损情况,必要时更换;大修内容:1. 包括小修内容 2.检查或更换轴承 3.解体减速箱, 检查轴承的磨损情况,必要时更换 4.检查齿轮的磨损. 啮合间隙情况,修理或更换齿轮及齿轮轴 5.检查更换万向节的十字头和保护套;6. 检查修理或更换传动轴三. 日常巡检项目3——泵解体检修泵检修用图纸资料请参照外形尺寸图、剖视图。
在泵检修前一定要熟悉泵检修用图纸资料。
1. 排出体2.定子3.转子4.万向节5.中间轴6. 吸入室7.轴密封部件8.轴承座部件3.1 准备工作3.1.1确认工艺已将设备处理完毕,接到设备交出单,相关人员均签字确认,设备已停电,断水断汽。
3.1.2 3.1.3准备好相应的工器具,拆除所有相关的密封、冷却等辅助管道以及仪表。
工器具清单3.2 泵的解体在拆卸前将泵及泵的连接管道清洗干净,然后拆掉与泵吸入室和排出体连接的管道3.2.1排出体. 定子及吸入室的拆卸1. 先拆卸连接机构(J0611)和支脚(3212)的螺栓. 垫片(9019)(9020)2. 松开并拆下六脚螺栓(9019)及垫片(9020),然后依次拆下排出体(2241),排出端支脚(3212/1)及垫片(9020)3. 用木块支垫吸入室(2221),松开六脚螺栓(9019),拆下拉杆(2311)拆下吸入端支脚(3212/2)及垫片(9020)4. 用管钳夹住定子外壳,手转动驱动装置将定子(2019 )推出5. 拆除吸入时与轴承座连接螺栓(9024)及垫片(9020)退出吸入室注意:排出体. 定子及吸入室的装配应在轴承座. 万向节. 转子等部件已装配后进行3.2.2万向节的拆卸1. 将轴承座(2110). 传动轴(2112). 中间轴(3301)及转子(2022)总成水平放置,用木块支好2. 使用螺丝刀将固定密封套(2556)的卡箍(2557)松开3. 将松开的密封套按照箭头的方向移动退出,与万向节脱离4. 使用螺丝刀松开螺钉(9093),按箭头方向敲击锁片(2555),使其从定位槽中退出后取出5. 转动转子,使拆去锁片的十字轴头部位与下方。
螺杆泵检修规程主题内容本规程规定了螺杆泵的检修周期与检修质量标准、试车与验收等内容。
适用范围本规程适用于石油化工常用的双螺杆和三螺杆泵。
在制造厂没有提供检修标准及对该设备没有特殊要求的情况下,参照该标准执行。
检修周期小修一般6~12个月。
大修一般12~24个月。
根据状态监测结果及设备运行状况,可以适当调整检修周期。
检修内容小修检查填料、轴封泄漏情况,调整压盖与轴的间隙,更换填料或检修机械密封。
检查轴承。
检查各部位螺栓紧固情况。
清扫冷却水、油封和润滑系统。
检查联轴器及对中。
大修内容包括小修项目。
解体检查各零部件磨损、腐蚀和冲蚀情况。
修理或更换联轴器、检查齿轮磨损情况,调整同步齿轮间隙。
检查修理或更换轴承、壳体和填料压盖。
更换填料或机械密封。
检查螺杆直线度及磨损。
检查泵体内表面磨损。
校验压力表及安全阀。
检修与质量标准拆卸前的准备掌握泵的运转情况,并备齐必要的图纸和资料。
备齐检修工具、量具、配件及材料。
切断电源及设备与系统的联系,放尽泵内介质,符合安全检修条件。
拆卸与检查拆卸联轴器安全罩,检查联轴器,必要时做好定位标记及测量对中数据。
拆卸泵压盖,拆卸检查同步齿轮。
拆卸泵后端盖检查轴承,垫片、调整垫片及定位销。
拆卸前端盖,拆卸检查主、从动螺杆及密封。
检修质量标准螺杆螺杆表面要求不得有伤痕,螺旋面粗糙度为1.6,齿顶表面粗糙度为1.6。
螺杆轴颈圆柱度为直径的1/4000。
螺杆轴线直线度为0.05mm。
螺杆齿顶与泵体间隙为0.14~0.33mm。
螺杆啮合时齿顶与齿根间隙为0.14~0.33mm,法向间隙为0.12~0.25mm。
泵体泵体内表面粗糙度为1.6。
泵体、端盖和轴承座的配合面及密封面应无明显伤痕,粗糙度为1.6。
轴承滚动轴承与轴的配合采用H7/k6。
滚动轴承与轴承箱配合采用H7/h6。
滚动轴承外圈与轴承压盖的轴向间隙为0.02~0.06mm。
滚动轴承采用热装时,加热温度不得超过100度。
严禁用火焰直接加热。
单螺杆泵检修规程单螺杆泵检修规程目录一、概况说明。
2二、检修及日常巡检维护内容。
3三、单螺杆泵解体检修。
4四、检修质量标准。
6五、常见故障及排除。
8六、螺杆泵的润滑。
10七、常用备件表。
11八、检修质量工序卡。
121——概况说明1.1 本规程适用于熙越公司所提供的如下位号泵:1H-CB01-3、2H-CB01-3、1H-JB01-3、2H-JB01/02、P-8101、P-8102A/B2——检修及日常巡检维护内容一. 检修周期注:水煤浆对泵磨损比较严重,可适当调整二. 检修内容:小修内容:1. 检查清理泵进、出口管道 2.检查更换轴承箱油封 3.检查定子和转子磨损. 冲蚀情况 4.紧固或更换填料(如果泄漏) 5、检查更换转子(磨损严重时) ;6. 检查联轴器弹性注销的磨损情况,必要时更换;大修内容:1. 包括小修内容 2.检查或更换轴承 3.解体减速箱, 检查轴承的磨损情况,必要时更换 4.检查齿轮的磨损. 啮合间隙情况,修理或更换齿轮及齿轮轴 5.检查更换万向节的十字头和保护套;6. 检查修理或更换传动轴三. 日常巡检项目3——泵解体检修泵检修用图纸资料请参照外形尺寸图、剖视图。
在泵检修前一定要熟悉泵检修用图纸资料。
1. 排出体2.定子3.转子4.万向节5.中间轴6. 吸入室7.轴密封部件8.轴承座部件3.1 准备工作3.1.1确认工艺已将设备处理完毕,接到设备交出单,相关人员均签字确认,设备已停电,断水断汽。
3.1.2 3.1.3准备好相应的工器具,拆除所有相关的密封、冷却等辅助管道以及仪表。
工器具清单3.2 泵的解体在拆卸前将泵及泵的连接管道清洗干净,然后拆掉与泵吸入室和排出体连接的管道3.2.1排出体. 定子及吸入室的拆卸1. 先拆卸连接机构(J0611)和支脚(3212)的螺栓. 垫片(9019)(9020)2. 松开并拆下六脚螺栓(9019)及垫片(9020),然后依次拆下排出体(2241),排出端支脚(3212/1)及垫片(9020)3. 用木块支垫吸入室(2221),松开六脚螺栓(9019),拆下拉杆(2311)拆下吸入端支脚(3212/2)及垫片(9020)4. 用管钳夹住定子外壳,手转动驱动装置将定子(2019 )推出5. 拆除吸入时与轴承座连接螺栓(9024)及垫片(9020)退出吸入室注意:排出体. 定子及吸入室的装配应在轴承座. 万向节. 转子等部件已装配后进行3.2.2万向节的拆卸1. 将轴承座(2110). 传动轴(2112). 中间轴(3301)及转子(2022)总成水平放置,用木块支好2. 使用螺丝刀将固定密封套(2556)的卡箍(2557)松开3. 将松开的密封套按照箭头的方向移动退出,与万向节脱离4. 使用螺丝刀松开螺钉(9093),按箭头方向敲击锁片(2555),使其从定位槽中退出后取出5. 转动转子,使拆去锁片的十字轴头部位与下方。
螺杆泵维护检修规程二○○七目录1 总则 (555)2 完好标准 (556)3 螺杆泵的维护和常见故障 (557)3.1 维护 (557)3.2 常见故障及处理方法 (558)4 螺杆泵的日常检测 (558)4.1 检测周期及内容 (558)4.2检测结果的评估和处理的修理 (559)5 螺杆泵的修理 (560)5.1 检修周期及内容 (560)5.2 检修方法及质量标准 (561)6 试车与验收 (564)7 维护检修安全注意事项 (565)5545551 总则 1.1适用范围根据天津工业泵总厂提供的《G 型单螺杆泵使用维护说明书》等有关资料,编制本规程。
本规程适用G40-2V -W111型单螺杆泵的维护检修,从国外引进的NM031BY04S24B 型偏心螺杆泵(四级)的维护检修可参照执行。
螺杆泵所配套的减速装置维护检修按《齿轮减速器维护检修规程》执行。
1.2结构简述 单螺杆泵是一种内 啮合密闭式螺杆泵,属 于转子式容积泵。
主要 工作部件由具有双头螺 旋空腔的定子孔与其啮 合的单头螺杆──转子 组成。
当输入轴通过万 向节驱动转子绕定子作行星回转时,定子──转子副就连续啮合形成密封腔,这些密封腔容积不变地作轴向运动,输入介质从吸入端流经定子─ 转子副输送至压出端。
由于输入密封腔内的介质流过定子而不被搅动和破坏,因此螺杆泵可以输送含有坚硬磨损性杂质及固体颗粒的介质和粘稠的液体。
G40-2V -W111型单螺杆泵由泵壳、传动轴、轴承、机械密封、联接轴、万向节、螺杆、衬套等零件组成(如图1);由无级变速电动机通过弹性联轴器驱动螺杆泵。
G40-2V -W111型单螺杆泵转子的公称直径为40cm ,二级,机械密封,衬套材质为氟橡胶,过流部件材质为1Gr18Ni9Ti 。
从国外引进的NM031BY04S24B 型偏心螺杆泵(四级)由泵壳、定子、转子、联接杆、轴承、万向节机架等零部件组成(如图2),由电动机驱动。
螺杆泵维护检修规程SN系列U型三螺杆泵一、概述用于低压范围(≤4.0MPa)SN系列三螺杆泵,是具有良好吸入能力的容积泵,适用于无固体颗粒的润滑性液体的输送,工作温度≤110℃.绝对禁止输送水及其它相似介质。
基于多年的实践经验,螺杆泵使用精选材料制造,按照GB…生产制造,产品质量达到国际水平。
只要选型合理,使用正确,可保证泵的正常运转和适用寿命。
质量保质期为一年,投入运行后如出现故障,建议将整各系统按故障检查表逐项检查、排除。
二、设备技术性能包括2台三螺杆泵主油泵型号: SNH1700R46U12.1W23型流量:m3/h设计压力:Mpa泵转速:r/min轴功率:kw扬程:m允许吸入高度:m电机功率:kw泵效率:%介质:氮气汽蚀余量:m辅油泵型号: SNH660R40U12.1W23型流量:529L/min设计压力:0.5Mpa泵转速:1450r/min轴功率: 6.28kw扬程:m允许吸入高度:m电机功率:kw泵效率:%介质:汽蚀余量:m三、简述一)、结构1.泵内主要运转元件为三根螺杆两根从杆,螺杆在泵体内装衬套内以相当小的间隙啮合旋转。
一端为前盖,另一端为后盖。
2.立式泵的后盖为圆盘底脚。
3.泵密封腔内的滚动轴承起固定主杆的位置的作用,并承受立式三根螺杆的重量。
4.泵可配备随机安全阀,阀装在泵体上。
5.芯子式泵没有泵体,可直接安装在油箱、油罐上。
二)、原理三根螺杆在啮合旋转时在齿型间形成了沿轴向匀速移动的密封腔,将液体由进口平稳地输送到出口。
作用在齿面上的轴向活塞平衡。
因此轴承仅受剩余轴向力。
从杆是液压驱动的,仅克服由液体摩擦引起的扭距,主要起密封作用,而非传递动力元件。
密封腔通过衬套上的回油管与吸入腔相通,压力受吸入腔的压力支配。
密封腔上装有控制阀,调整阀弹簧可使密封腔获得较低的正压,防止气体进入和密封的干运转,预压弹簧可使轴封处产生一定的压力。
腔内压力应在0.05~0.1MPa。
四、检修前的准备工作内容包括物资准备、技术准备、人员准备。
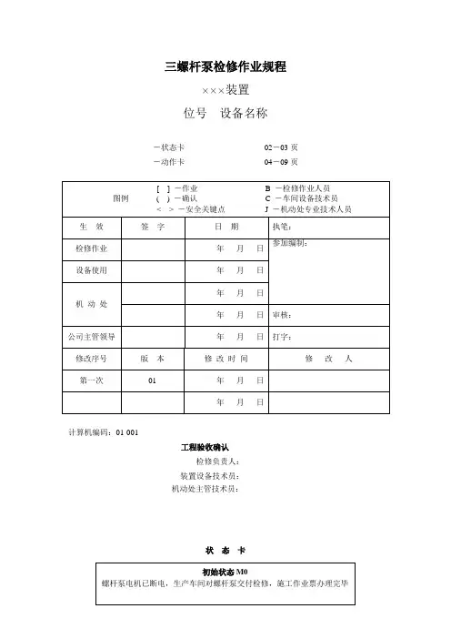
三螺杆泵检修作业规程×××装置位号设备名称-状态卡02-03页-动作卡04-09页计算机编码:01-001工程验收确认检修负责人:装置设备技术员:机动处主管技术员:状态卡000 检修前准备;010 办理施工作业票;020 确认机泵已经具备安全拆卸的条件。
100拆卸与机泵相连的所有管线,拆除保温,清洗干净 110机泵与电机联轴器拆检,检查对中 120 拆卸机泵进回油管线 130 拆卸泵后端机械密封140 拆卸泵前端轴承箱 150 拆卸泵前端机封,160 拆卸主从螺杆200 清扫并检查主从螺杆 210 清扫及检查泵体 220 检查轴承 230 检查机械密封300 回装前确认;310 回装前清洗干净螺杆;320 回装螺杆泵后端机械密封和后端盖及轴承 330 回装螺杆前端机械密封,和前端盖及轴承400 机泵与电机之间同心度;410 联轴器回装;420 附属管线回装;500 现场清扫;510 机泵试车和验收。
动作卡000 检修前准备001 B-( ) 检修施工的时间安排已经确定。
002 B-( ) 检修所需的零配件和相应的材料已备齐。
003 B-( ) 检查检修专用工具和经检验合格的量具、器具已备齐。
B-< > 对起吊设施进行检查,应符合安全规定。
签字( ) 004 B-( ) 查阅停机前各部位振动值、轴位移、轴承温度、供油压力及泄漏点。
005 B-( ) 查阅上次检修资料和有关图纸,准备好最新版本的检修作业规程。
010 办理施工作业票011 B-( ) 施工作业票已经按规定程序办理审批好。
B-< > 确认施工作业票规定的内容已经全部落实。
签字( ) 020 确认机泵已经具备安全拆卸的条件021 B -()-C ()J-()确认机泵已经具备安全拆卸的条件签字( ) ( ) ( )100 拆卸与机泵相连的所有管线,拆除保温,清洗干净111 B-[ ] 拆除机泵冷却水管线。
双螺杆泵检修维护规程1 总则本规程规定了双螺杆泵的检修周期、检修内容及质量标准,旨在规范双螺杆泵检修维护操作。
本规程适用于油气运销部范围内所有双螺杆泵检修维护操作。
2 参照文件《双螺杆泵使用维护使用维护说明书》3 检修周期及内容3.1 检修周期检修类别小修大修检修周期(月)624根据运行状况及状态监测结果可适当调整检修周期。
3.2检修内容3.2.1小修项目3.2.1.1检查轴封泄露情况,调整压盖与轴的间隙。
3.2.1.2检查轴承。
3.2.1.3检查各部位螺栓紧固情况。
3.2.1.4消除冷却水、油封、润滑系统在运行中出现的跑、冒、滴、漏等缺陷。
3.2.1.5检查联轴器及对中情况。
3.2.2 大修项目3.3.2.1 包括小修项目内容。
3.3.2.2 解体检查各部件磨损情况,测量并调整各部件配合间隙。
3.3.2.3 检查齿轮磨损情况,调整同步齿轮间隙。
3.3.2.4 检查螺杆直线度及磨损情况。
3.3.2.5 检查泵体内表面磨损情况。
3.3 检修及质量标准3.3.1 检修前的准备3.3.1.1 掌握运行情况,备齐必要资料。
3.3.1.2 备齐检修工具、量具、配件及材料。
3.3.1.3 切断电源及设备与系统联系,内部介质冷却、吹扫、置换干净,符合安全检修条件。
3.3.2 拆卸与检查的基本步骤。
3.3.2.1 拆卸联轴器。
3.3.2.2 拆卸检查同步齿轮。
3.3.2.3 拆卸前端盖,拆卸检查主,从动螺杆及密封。
3.3.2.4 必要时更换端盖与泵体之间的垫片。
3.3.2.5 联轴器对中。
3.3.3 检修及质量标准3.3.3.1 螺杆a) 螺杆表面要求不得有伤痕,螺旋型面粗糙度为Ra 1.6,齿顶面粗糙度为Ra 1.6,螺旋外圆表面粗糙度为Ra 1.6。
b ) 螺杆轴颈圆柱度为直径的0.25‰。
c ) 螺杆轴线直线度为0.05mm 。
d ) 螺杆齿顶与泵体间隙冷态为0.11~0.48mm 。
e ) 螺杆啮合时齿顶与齿根间隙冷态为0.11~0.48mm ,法向间隙为0.10~0.29mm ,且处于相邻两齿中间位置。
螺杆泵维护检修规程(完整)螺杆泵维护检修规程一、设备结构图及性能原理1.设备结构图1.1单螺杆泵1—泵壳2—衬套3—螺杆4—偏心联轴节5—传动轴6—密封装置7—径向止推轴承8—普通联轴节1.2二级螺杆泵1.3三级螺杆泵2.设备性能原理2.1螺杆泵是依靠螺杆相互啮合空间的容积变化来输送液体的当螺杆转动时吸入腔一端的密封线连续地向排出腔一端作轴向移动,使吸入腔容积增大,压力降低,液体在压差作用下沿吸入管进入吸入腔。
随着螺杆的转动,密封腔内的液体连续而均匀地沿轴向移动到排出腔,由于排出腔一端的容积逐渐缩小,即把液体排出。
二、检修1.适用范围及编写依据,采用的标准及参考资料目录1.1 本规程适用于石油化工单螺杆泵、双螺杆、三螺杆泵的维护和检修.1.2 编写标准及参考资料目录HGJ 1039—79化工厂螺杆泵维护检修规程GB 10885—89单螺杆泵技术条件GB 110887—89三螺杆泵技术条件GB11035—89船用电动双螺杆泵技术条件GB 3852—83联轴器轴孔和键槽型式及尺寸 IS0 3945泵振动评价标准SHS 01001--2004石油化工设备完好标准《化工厂机械手册》化学工业出版社1989 《工业泵选用手册》化学工业出版社1998 国际标准化组织推荐使用的日本川铁公司企业标准2检修周期与内容2.1 检修周期检修周期见下表,根据运行状况及状态监测结果可适当调整检修周期.2.2 检修内容与程序2.2.1 小修项目2.2.1.1 检查轴封泄漏情况,调整压盖与轴的间隙,更换填料或修理机械密封.2.2.1.2 检查轴承. .2.2.1.3 检查各部位螺栓紧固情况.2.2.1.4 消除冷却水、封油和润滑系统在运行中出现的跑、冒、滴、漏等缺陷.2.2.1.5 检查联轴器及对中情况.2.2.2 大修项目2.2.2.1 包括小修项目内容.2.2.2.2 解体检查各部件磨损情况,测量并调整各部件配合间隙.2.2.2.3 检查齿轮磨损情况,调整同步齿轮间隙. .2.2.2.4 检查螺杆直线度及磨损情况.2.2.2.5 检查泵体内表面磨损情况.2.2.2.6 校验压力表、安全阀o3.检修准备、检验程序及质量标准3.1 检修前准备3.1.1 掌握运行情况,备齐必要的图纸资料. 3.1.2 备齐检修工具、量具、配件及材料.3.1.3 切断电源及设备与系统联系,内部介质冷却、吹扫、置换干净,符合安全检修条件.3.2检修程序3.2.1 拆卸联轴器.3.2.2 拆卸检查同步齿轮.3.2.2.1 拆卸泵后端盖,检查垫片、止推垫片、轴承、轴向定位塞(单或三螺杆泵).3.2.2.2 拆卸泵后端盖,拆卸检查轴承及密封(双螺杆泵).3.2.3 拆卸前端盖,拆卸检查主、从动螺杆及密封. .3.2.4 必要时更换端盖与泵体之间垫片.3.2.5联轴器对中.3.3 检修质量标准本标准为一般性的要求,对于不同的螺杆泵,以设备生产厂家设计指标为准.3.3.1 螺杆3.3.1.1 螺杆表面要求不得有伤痕,螺旋型面粗糙度为Ral.6,齿顶表面粗糙度为Ral.6,螺旋外圆表面粗糙度为尺.l.6.3.3.1.2 螺杆轴颈圆柱度为直径的0.25%D.3.3.1.3 螺杆轴线直线度为0.05mm.3.3.1.4 螺杆齿顶与泵体间隙冷态为0.11~O.48mm.3.3.1.5 螺杆啮合时齿顶与齿根间隙冷态为0.11~0.48ram,法向间隙为0.10~o.29mm,且处于相邻两齿中间位置.3.3.2 泵体3.3.2.1 泵体内表面粗糙度为Ra3.2.3.3.2.2 泵体、端盖和轴承座的配合面及密封面应无明显伤痕,粗糙度为Ra3.2.3.3.3 轴承3.3.3.1 滚动轴承与轴的配合采用H7/k6.3.3.3.2 滚动轴承与轴承箱配合采用H7/h6. 3.3.3.3 滚动轴承外圈与轴承压盖的轴向间隙为O.o2~O.06mm.3.3.3.4 滚动轴承采用热装时,加热温度不得超过l00.C,严禁用火焰直接加热,推荐采用高频感应加热.3.3.3.5 滚动轴承的滚子和内外滚道表面不得有腐蚀、坑疤、斑点等缺陷,保持架无变形、损伤3.3.3.6 滑动轴承衬套与轴的配合间隙(经验值)如表2所示.表2轴颈与滑动轴承配合间隙注:D为轴颈直径,rain.3.3.3.7 滑动轴承衬套与轴承座孔的配合为R7/h6.3.3.4 密封3.3.4.1 填料密封a.填料压盖与填料箱的直径间隙一般为0.1~0.3mm.b.填料压盖与轴套的直径间隙为0.75~1.0mm,周向间隙均匀,相差不大于0.1mm.c.填料尺寸正确,切15平行、整齐、无松动,接IZl与轴心线成45.夹角.d.压装填料时,填料的接头必须错开,一般接El交错90.,填料不宜压装过紧.e.安装填料密封应符合技术要求. .液封环与填料箱的直径间隙一般为0.15~0.20mm.液封环与轴套的直径间隙一般为l.0~1.5mm.填料均匀压人,不宜压得过紧,压入深度一般为一圈盘根高度,但不得小于5mm.3.3.4.2 机械密封a.压盖与垫片接触面对轴中心线的垂直度为0.02mm.b.安装机械密封应符合技术要求.3.3.5 联轴器联轴器与轴的配合根据轴径不同,采用H7/js6、H7/k6或H7/m6.联轴器对中偏差和端面间隙如表3所示.表3联轴器对中偏差和端面间隙rnlTl3.3.6 同步齿轮3.3.6.1 主动齿轮与轴的配合为H7/h6,从动齿轮与锥行轮毂的配合为H7/h6,锥形轮毂与轴的配合为H7/h6.3.3.6.2 锥形轮毂质量应符合技术要求,内表面粗糙度为Ra0.8,如有裂纹或一组锥形轮毂严重磨损,厂值小于0.5mm时应更换(见图l).3.3.6.3 齿轮不得有毛刺、裂纹、断裂等缺陷.齿轮的接触面积,沿齿高不小于40%,沿齿宽不小于55%,并均匀地分布在节圆线周围,齿轮啮合侧间隙为0.08—0.10mm.4试车与验收4.1 试车前准备4.1.1 检查检修记录,确认符合质量要求. 、4.1.2 轴承箱内润滑油油质及油量符合要求. 4.1.3 封油、冷却水管不堵、不漏.4.1.4 检查电机旋转方向.4.1.5 盘车无卡涩,无异常响声.4.1.6 必须向泵内注入输送液体.4.1.7 出入口阀门打开,至少应有30%开度. 4.2 试车4.2.1 螺杆泵不允许空负荷试车.4.2.2 运行良好,应符合下列机械性能及工艺指标要求:a.运转平稳,无杂音.b.振动烈度应符合SHS 01003 2004((石油化工旋转机械振动标准》相关规定.C.冷却水和油系统工作正常,无泄漏.d.流量、压力平稳.e.轴承温升符合有关标准.f.电流不超过额定值.9.密封泄漏不超过下列要求:机械密封重质油不超过5滴/min;轻质油不超过l0滴/min.填料密封重质油不超过l0滴/min;轻质油不超过20滴/min.4.2.3 安全阀回流不超过3min.4.2.4 试车24h合格后,按规定办理验收手续,移交生产.4.2.5 试车期间维修人员和检修人员加强巡检次数.4.2.6 停车时不得先关闭出口阀. ’4.3 验收.4.3.1 检修质量符合SHS 01001--2004((石油化工设备完好标准》项目内容的要求和规定,检修记录齐全、准确,并符合本规程要求.4.3.2 设备技术指标达到设计要求或能满足生产需要.4.3.3 设备状况达到完好标准.三、维护与故障处理1. 日常维护1.1 定时检查泵出口压力.1.2 定时检查泵轴承温度及振动情况.1.3 检查密封泄漏及螺栓紧固情况.1.4 封油压力应比密封腔压力高0.05~0.1MPa.1.5 泵有不正常响声或过热时,应停泵检查.2 常见故障与处理(见下表)。
螺杆泵维护检修安全规程螺杆泵维护检修安全规程1 总则适用范围本规程适用于化工常用孔型和3G型螺杆泵,其它相类似的螺杆泵可作为参考。
1.2结构简述本泵由泵体、衬套、主动螺杆、从动螺杆、吸入室、安全阀组件以及机械密封或填料密封组成。
1.3设备性能表 12完好标准2.1零、部件2.1.1主体零部件完整齐全2.1.2电机及附属装置完整齐全。
2.1.3各部连接螺栓、螺母齐全,螺纹外露2-3扣,连接紧固。
2.1.4安全防护装置齐全、稳固。
2.1.5压力表、电流表等灵敏,并定期检验。
2.1.6基础、底座及地脚螺栓牢固。
2.2运行性能2.2.1油路畅通,油质符合规定,实行“五定”,“三级过滤”.2.2.2压力、流量平稳,各部温度正常,电流稳定。
2.2.3运转平稳,无异常振动、杂音等不正常现象。
2.2.4轴封处泄漏符合规定。
2.2.5能达到铭牌出力或查定能力。
2.3技术资料2.3.1有总装配图、主要零件图,易损件图。
2.3.2基础图。
2.3.3有使用说明书。
2.3.4操作规程、维护保养规程齐全。
2.3.5设备档案齐全,数据准确,包括:a、产品合格证或质量证明书。
b、安装及试车验收资料。
c、设备履历卡。
d、运转有记录。
e、设备缺陷及事故情况记录。
f、检修及验收记录。
2.4设备及环境2.4.1泵体、泵底及附属管件防腐完好。
2.4.2泵体清洁,外表无灰尘、油垢。
2.4.3基础清洁,表面及周围无积水、杂物等。
2.4.4进出口阀门、管口法兰、泵体、泵盖、封轴等均达到无泄漏。
3设备的维护3.1日常维护3.1.1保持设备和周围环境清洁,无积尘,无油垢。
3.1.2随时注意设备运转情况,检查有无异常声音和振动。
泵体的温度不能超过60℃.滚动轴承不超过70℃.3.1.3经常观察压力表、电流表所示值是否正常和稳定。
3.2定期检查表2 定期检查内容3.3常见故障及处理方法常见故障机处理方法见下表:表 33.4紧急情况停车下列情况之一者应紧急停车:3.4.1泵内发出严重的不正常声音。
螺杆泵维护检修规程SN系列U型三螺杆泵一、概述用于低压范围(≤4.0MPa)SN系列三螺杆泵,是具有良好吸入能力的容积泵,适用于无固体颗粒的润滑性液体的输送,工作温度≤110℃。
绝对禁止输送水及其它相似介质。
基于多年的实践经验,螺杆泵使用精选材料制造,按照GB…生产制造,产品质量达到国际水平。
只要选型合理,使用正确,可保证泵的正常运转和适用寿命。
质量保质期为一年,投入运行后如出现故障,建议将整各系统按故障检查表逐项检查、排除。
二、设备技术性能包括2台三螺杆泵主油泵型号: SNH1700R46U12.1W23型流量:m3/h设计压力:Mpa泵转速:r/min轴功率: kw扬程: m允许吸入高度: m电机功率:kw泵效率: %介质:氮气汽蚀余量:m辅油泵型号: SNH660R40U12。
1W23型流量:529L/min设计压力:0.5Mpa泵转速:1450r/min轴功率:6。
28kw扬程: m允许吸入高度: m电机功率:kw泵效率:%介质:汽蚀余量:m三、简述一)、结构1.泵内主要运转元件为三根螺杆两根从杆,螺杆在泵体内装衬套内以相当小的间隙啮合旋转。
一端为前盖,另一端为后盖.2。
立式泵的后盖为圆盘底脚。
3。
泵密封腔内的滚动轴承起固定主杆的位置的作用,并承受立式三根螺杆的重量。
4。
泵可配备随机安全阀,阀装在泵体上.5。
芯子式泵没有泵体,可直接安装在油箱、油罐上。
二)、原理三根螺杆在啮合旋转时在齿型间形成了沿轴向匀速移动的密封腔,将液体由进口平稳地输送到出口。
作用在齿面上的轴向活塞平衡。
因此轴承仅受剩余轴向力。
从杆是液压驱动的,仅克服由液体摩擦引起的扭距,主要起密封作用,而非传递动力元件.密封腔通过衬套上的回油管与吸入腔相通,压力受吸入腔的压力支配。
密封腔上装有控制阀,调整阀弹簧可使密封腔获得较低的正压,防止气体进入和密封的干运转,预压弹簧可使轴封处产生一定的压力。
腔内压力应在0。
05~0.1MPa。
1.总则1.1结构简述本泵由有泵体、衬套、主动螺杆、从动螺杆、吸入室、安全阀组件以及机械密封功填料组成。
2.完好标准2.1零、部件2.1.1主体零、部件完整齐全。
2.1.2电机及附属装置完整齐全。
2.1.3各部件连接螺栓、螺母齐全,螺纹外露2~3扣,连接坚固。
2.1.4安全防护装置齐全,稳固。
2.1.5压力表、电流表等灵敏,并定期校验。
2.1.6基础、底座及地脚螺栓牢固。
2.2运行性能2.2.1油路畅通、油质符合规定,实行“五定”、“三级过滤”。
2.2.2压力、流量平稳,各部温度正常,电流稳定。
2.2.3运转平稳,无异常振动、杂音等不正常现象。
2.2.4轴封处泄漏符合规定。
2.2.5能达到名牌出力或查定能力。
2.3技术资料2.3.1有总装配图、主要零件图、易损配件图。
2.3.2有基础图。
2.3.3有使用说明书。
2.3.4操作规程、维护保养规程齐全。
2.3.5设备档案齐全,数据准确,包括:2.3.5.1产品合格证或质量证明书。
2.3.5.2安装及试车验收资料。
2.3.5.3设备履历卡片。
2.3.5.4运转有记录。
2.3.5.5设备缺陷及事故情况记录。
2.3.5.6检修及验收记录。
2.4设备环境2.4.1泵体、泵座及附属管件防腐完好。
2.4.2泵体清洁,外表无灰尘、油垢。
2.4.3基础清洁,表面及周围无积水、杂物、环境整齐清洁。
2.4.4进、出口阀门、管口法兰、泵体、端盖、封轴等均达到无泄漏标准。
3.设备的维护3.1日常维护3.1.1保持设备和周围环境清洁,无积灰,无油垢。
3.1.2随时注意设备运转情况,检查有无异常声音和振动。
泵体的温度不能超过60℃。
滚动轴承温度不超过70℃。
滑动轴承温度不超过65℃。
3.1.3经常观查压力表、电流表所示值是否正常和稳定。
3.2定期检查3.2.1检查滚动轴承的运转情况。
3.2.2检查泵的振动情况。
3.3常见故障及处理现象原因处理方法泵不上量1.吸入管路漏气或堵塞 1.消除漏气或清理堵塞部位。
螺杆泵检修技术规程(试行)盐湖海纳化工有限公司目录1.目录 (1)2.总则 (2)3.规程合用范畴 (2)4.检修周期和检修内容 (3)5.螺杆泵常见故障、因素及解决办法 (9)6.重要零部件的检修技术 (5)7.试车与验收 (12)一.总则螺杆泵是依靠螺杆互相啮合空间的容积变化来输送液体的。
螺杆泵是一种容积式泵。
当螺杆转动时吸入腔一端的密封线持续地向排出腔一端作轴向移动,使吸入腔容积增大,压力减少,液体在压差作用下沿吸入管进入吸入腔。
随着螺杆的转动,密封腔内的液体持续而均匀地沿轴向移动到排出腔,由于排出腔一端的容积逐步缩小,即把液体排出。
螺杆泵的特性是流量和压力脉动较小,噪声不大,使用寿命长,有自吸能力,构造简朴紧凑。
根据工艺需要可设计成单螺杆、双螺杆、三螺杆、五螺杆。
由于螺杆泵是一种容积泵,它的压力决定于与它连接的管道系统的总阻力。
普通来说,为避免管道阻力增大,必须在泵的出口设立安全阀,在泵的入口设立过滤器,以确保泵的安全。
螺杆泵重要由同时齿轮、滚动轴承、泵体、主动螺杆、从动螺杆机械密封等零部件构成。
空分车间使用的螺杆泵有三种,分别是:1.空压机组润滑油泵型号:SNH/C2200R46U12.1W212.空压机组事故油泵型号:SNH/C680R46U12.1W213.膨胀机组润滑油泵型号:3GR36×4W2二.规程合用范畴1.合用范畴及编写根据,采用的原则及参考资料目录1.1本规程合用于盐湖海纳化工有限公司石油化工单螺杆泵、双螺杆、三螺杆泵的维护和检修,具体目录以下。
1.2编写原则及参考资料目录HGJ 1039—79 化工厂螺杆泵维护检修规程GB 10885—89 单螺杆泵技术条件GB 110887—89 三螺杆泵技术条件GB11035—89 船用电动双螺杆泵技术条件GB 3852—83 联轴器轴孔和键槽型式及尺寸IS0 3945 泵振动评价原则SHS 01001--石油化工设备完好原则《化工厂机械手册》化学工业出版社1989《工业泵选用手册》化学工业出版社1998国际原则化组织推荐使用的日本川铁公司公司原则三.检修周期和检修内容1.检修周期检修周期见下表,根据运行状况及状态监测成果可适宜调节检修周期。
计算机编码:
分类:
装置:
位号:
设备型号:
设备名称:
-状态卡 02-02页
-动作卡 03-10页
-附件 11-13页
状态卡
准备阶段
000 检修前准备
010 办理转动设备检修及风险评价作业票
020 确认机泵已经具备安全拆卸的条件
检修阶段
100 拆卸联轴器
110 拆卸泵压盖,拆卸检查同步齿轮
120 拆卸泵后端盖,检查垫片、止推垫片、轴承、定位塞
130 拆卸前压盖,拆卸检查主、从动螺杆及密封
200 检查螺杆螺旋面粗糙度、齿顶表面粗糙度、螺杆轴颈圆柱度、螺杆直线度210 检查泵体内表面粗糙度
220测量齿顶与泵体间隙
230 测量啮合时齿顶与齿根间隙
240 测量滑动轴承衬套与轴的配合间隙
250 回装前压盖,主、从动螺杆及密封
260 回装泵后端盖,垫片、止推垫片、轴承、定位塞
270 回装泵压盖,同步齿轮
280 回装联轴器、泵体找同心度
交工阶段
300 现场清扫
310泵试车及验收
动作卡
准备阶段
000 检修前准备
001 B-[]检修所需要的零配件和相应的材料已经确定
002 B-[]检修专用工具和经检验合格的量具已经备齐
003 B-[]了解机泵运行中存在的问题
004 B-[]查阅上次检修的资料和有关图纸,准备最新版本的检修作业规程
010 办理转动设备检修及风险评价工作票
011 B-[]作业票已经按规定程序办理审批完毕
012 B-<>作业票规定的内容已经全部落实
签字B()
020 确认机泵已经具备安全拆卸的条件
021 B-<>-C-<>确认电机已经停电
022 B-<>-C-<>确认泵出、入口阀门已经关闭,泵体放空完毕
签字B()C()
检修阶段
状态M1
拆卸泵,检查部件磨损情况
100拆卸联轴器
101 B-[]拆卸联轴器护罩
102 B-[]拆卸对轮螺栓,用专用拉力拉出泵侧对轮
103 B-[]检查联轴器磨损情况
110 拆卸泵压盖,拆卸检查密封
111 B-[]拆卸压盖螺栓,取出压盖
112 B-[]用专用工具取下密封
113 B-[]检查密封磨损情况
120 拆卸泵后端盖,检查垫片、止推垫片、轴承、定位塞
121 B-[]拆卸后端盖螺栓,取下后端盖、垫片、止推垫片、轴承、定位塞
122 B-[]检查轴承磨损情况
130 拆卸前压盖,拆卸检查主、从动螺杆
131 B-[]拆卸前压盖螺栓,取下前压盖,检查轴承,衬套磨损情况
132 B-[]取下主从动螺杆,检查主从动螺杆磨损情况
133 B-[]检查壳体衬套磨损情况
检查情况:
签字B()
状态M2
部件的测量、回装及调整
200 检查螺杆螺旋面粗糙度、齿顶表面粗糙度、螺杆轴颈圆柱度、螺杆直线度
201 B-[]检查螺杆螺旋面粗糙度、齿顶表面粗糙度
螺旋面齿顶表面
标准
实测
202 B-[]检查螺杆轴颈圆柱度、螺杆直线度
1#螺杆轴颈圆柱度
1#螺杆的直线度
2#螺杆的直线度
A B 圆柱度 C D 圆柱度
标准值
直径的
1/4000 直径的1/4000
Ⅰ—Ⅰ
Ⅱ—Ⅱ
3#螺杆的直线度
部位 1 2 3 4 5 6
标准值0.02 0.04 0.04 0.04 0.04 0.02
测量值
210 检查泵体内表面粗糙度
标准值实测值
220 测量齿顶与泵体间隙
221 B-[]使用塞尺测量出齿顶与泵体间隙
标准值0.14—0.33 实测值
230 测量啮合时齿顶与齿根间隙
231 B-[]使用塞尺测量啮合时齿顶与齿根间隙
螺杆啮合时齿顶与齿根的间隙法向间隙
标准值0.14—0.33 0.12—0.25
实测值
240
241 B-[]使用塞尺测量滑动轴承衬套与轴的配合间隙
标准值为轴颈的1—2‰实测值
签字B()242 更换、修复配件后的各部尺寸及间隙
检查螺杆螺旋面粗糙度、齿顶表面粗糙度
螺旋面齿顶表面标准
实测
1#螺杆轴颈圆柱度
A B 圆柱度 C D 圆柱度
标准值
直径的
1/4000 直径的1/4000
Ⅰ—Ⅰ
Ⅱ—Ⅱ
1#螺杆的直线度
部位 1 2 3 4 5 6 标准值0.02 0.04 0.04 0.04 0.04 0.02 测量值
2#螺杆轴颈圆柱度
A B 圆柱度 C D 圆柱度
标准值
直径的
1/4000 直径的1/4000
Ⅰ—Ⅰ
Ⅱ—Ⅱ
2#螺杆的直线度
部位 1 2 3 4 5 6 标准值0.02 0.04 0.04 0.04 0.04 0.02 测量值
3#螺杆轴颈圆柱度
A B 圆柱度 C D 圆柱度
标准值
直径的
1/4000 直径的1/4000
Ⅰ—Ⅰ
Ⅱ—Ⅱ
3#螺杆的直线度
部位 1 2 3 4 5 6
标准值0.02 0.04 0.04 0.04 0.04 0.02
测量值
检查泵体内表面粗糙度
标准值实测值
使用塞尺测量出齿顶与泵体间隙
标准值0.14—0.33 实测值
使用塞尺测量啮合时齿顶与齿根间隙
螺杆啮合时齿顶与齿根的间隙法向间隙
标准值0.14—0.33 0.12—0.25
实测值
标准值为轴颈的1—2‰实测值
250 回装前压盖,主、从动螺杆及密封
251 B-[]回装主、从动螺杆,回装前压盖,把紧螺栓,回装密封,检查压缩量标准压缩量3mm 实测压缩量
260回装泵后端盖,垫片、止推垫片、轴承、定位塞
261B-[]回装后端盖、垫片、止推垫片、轴承、定位塞,把紧螺栓
270回装泵压盖,密封
271B-[]回装泵压盖,密封,把紧螺栓
280回装联轴器、泵体找同心度
281 B-[]回装联轴器,把紧螺栓
联轴器同轴度要求:
联轴器两端面轴向间隙一般为2mm
泵-
282 B-[]回装联轴器护罩
签字B()
交工阶段
300 现场清扫
301 B-[]回收更换的配件,送回库房
302 B-[]回收工具
303 B-[]清扫检修现场,擦拭检修后的机泵
310 试车及验收
311 B-<>封工作票
312 B-[]联系生产装置,由生产装置进行试车
313 B-()检查运行参数: 壳体温度≯ 70 ºC 、振值≯ 5.0 mm/s
签字B()314 B-()C-()机泵运行合格
签字B()C()
附录
1、主要技术参数及联锁报警值: 入口压力(MPa):
出口压力(MPa):
入口温度(℃):
操作出口温度(℃):
流量: (m³/hr):
额定功率(Kw):
操作转速:
总效率:
转向:
级数:
2、泵主要间隙表(mm)
附件
1、检修更换主要备件:
2、改造情况:
3、检修后遗留的问题:。