衡重式挡土墙墙身设计12m全解
- 格式:doc
- 大小:91.50 KB
- 文档页数:11
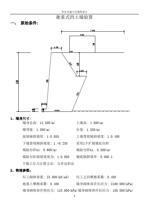
衡重式挡土墙验算一、原始条件:1、墙身尺寸:墙身总高: 12.000(m) 上墙高: 4.800(m)墙顶宽: 1.300(m) 台宽: 1.200(m)面坡倾斜坡度: 1:0.050 上墙背坡倾斜坡度: 1:0.400下墙背坡倾斜坡度: 1:-0.250 采用1个扩展墙址台阶:墙趾台阶b1: 0.600(m) 墙趾台阶h1: 0.500(m)墙趾台阶面坡坡度为: 1:0.000 墙底倾斜坡率: 0.000:1下墙土压力计算方法: 力多边形法2、物理参数:圬工砌体容重: 23.000(kN/m3) 圬工之间摩擦系数: 0.400地基土摩擦系数: 0.400 墙身砌体容许压应力: 2100.000(kPa) 墙身砌体容许剪应力: 110.000(kPa)墙身砌体容许拉应力: 150.000(kPa)墙身砌体容许弯曲拉应力: 280.000(kPa)挡土墙类型: 一般挡土墙墙后填土内摩擦角: 30.400(度)墙后填土粘聚力: 0.000(kPa) 墙后填土容重: 17.200(kN/m3)墙背与墙后填土摩擦角: 20.000(度) 地基土容重: 18.000(kN/m3)修正后地基土容许承载力: 500.000(kPa) 墙底摩擦系数: 0.400地基土类型: 岩石地基地基土内摩擦角: 30.000(度)3 、坡线土柱:坡面线段数: 1折线序号水平投影长(m) 竖向投影长(m) 换算土柱数1 7.800 0.000 1第1个: 距离1.000(m),宽度3.200(m),高度3.400(m)地面横坡角度: 0.000(度)墙顶标高: 402.5(m)二、验算内容1.、第1种情况: 一般情况[土压力计算] 计算高度为 12.000(m)处的库仑主动土压力计算上墙土压力按假想墙背计算得到:第1破裂角: 12.680(度)Ea=274.630 Ex=122.866 Ey=245.613(kN) 作用点高度 Zy=1.719(m),因为俯斜墙背,需判断第二破裂面是否存在,计算后发现第二破裂面存在:第2破裂角=23.830(度) 第1破裂角=12.680(度)Ea=235.077 、Ex=137.410 Ey=190.735(kN)、作用点高度 Zy=2.069(m),计算下墙土压力按力多边形法计算得到:破裂角: 35.701(度)、Ea=171.889、Ex=170.959、 Ey=17.859(kN) ,作用点高度 Zy=3.086(m)墙身截面积 = 40.086(m2) 重量 = 921.972 kN,衡重台上填料重 = 90.814(kN) 重心坐标(2.841,-2.473)(相对于墙面坡上角点)。
重⼒式挡⼟墙衡重式挡⼟墙重⼒式挡⼟墙重⼒式挡⼟墙,指的是依靠墙⾝⾃重抵抗⼟体侧压⼒的挡⼟墙。
重⼒式挡⼟墙可⽤块⽯、⽚⽯、混凝⼟预制块作为砌体,或采⽤⽚⽯混凝⼟、混凝⼟进⾏整体浇筑。
半重⼒式挡⼟墙可采⽤混凝⼟或少筋混凝⼟浇筑。
重⼒式挡⼟墙可⽤⽯砌或混凝⼟建成,⼀般都做成简单的梯形。
它的优点是就地取材,施⼯⽅便,经济效果好。
所以,重⼒式挡⼟墙在我国铁路、公路、⽔利、港湾、矿⼭等⼯程中得到⼴泛的应⽤。
常见的重⼒式挡⼟墙⾼度⼀般在5?6m以下,⼤多采⽤结构简单的梯形截⾯形式,对于超⾼重⼒式挡⼟墙(⼀般指6m以上的挡墙)即有半重⼒式、衡重⼒式等多种形式,如何科学地、合理地选择挡⼟墙的结构形式,是挡⼟墙技术中的⼀项重要内容。
由于重⼒式挡⼟墙靠⾃重维持平衡稳定,因此,体积、重量都⼤,在软弱地基上修建往往受到承载⼒的限制。
如果墙太⾼,它耗费材料多,也不经济。
当地基较好,挡⼟墙⾼度不⼤,本地⼜有可⽤⽯料时,应当⾸先选⽤重⼒式挡⼟墙。
重⼒式挡⼟墙⼀般不配钢筋或只在局部范围内配以少量的钢筋,墙⾼在6m 以下,地层稳定、开挖⼟⽯⽅时不会危及相邻建筑物安全的地段,其经济效益明显。
重⼒式挡⼟墙的尺⼨随墙型和墙⾼⽽变。
重⼒式挡⼟墙墙⾯胸坡和墙背的背坡⼀般选⽤1: 0.2?1: 0.3,仰斜墙背坡度愈缓,⼟压⼒愈⼩。
但为避免施⼯困难及本⾝的稳定,墙背坡不⼩于1: 0.25,墙⾯尽量与墙背平⾏。
对于垂直墙,当地⾯坡度较陡时,墙⾯坡度可有1: 0.05?1: 0.2,对于中、⾼挡⼟墙,地形平坦时,墙⾯坡度可较缓,但不宜缓于1: 0.4。
采⽤混凝⼟块和⽯砌体的挡⼟墙,墙顶宽不宜⼩于0.4m ;整体灌注的混凝⼟挡⼟墙,墙顶宽不应⼩于0.2m;钢筋混凝⼟挡⼟墙,墙顶不应⼩于0.2m。
通常顶宽约为H/12,⽽墙底宽约为(0.5?0.7 )H,应根据计算最后决定墙底宽。
当墙⾝⾼度超过⼀定限度时,基底压应⼒往往是控制截⾯尺⼨的重要因素。
为了使地基压应⼒不超过地基承载⼒,可在墙底加设墙趾台阶。
衡重式挡土墙计算书项目名称_____________日期_____________设计者_____________校对者_____________一、示意图:二、基本资料:1.依据规X与参考书目:《水工挡土墙设计规X》(SL379-2007),以下简称《规X》《水工建筑物荷载设计规X》(DL 5077-1997)《水工挡土墙设计》(中国水利水电)2.断面尺寸参数:墙顶宽度B1 = 0.60m,前趾宽度B2 = 0.40m,衡重台宽度B3 = 2.90m墙身高度H = 4.70m,上墙高度H1 = 3.60m,墙趾高H2 = 0.70m上墙背坡比= 1 : 0.300,下墙背坡比= 1 : 0.750,墙面坡比= 1 : 0.250 挡土墙底板前趾高程=0.00 m,底板底部坡比=0.000 : 1墙前填土顶面高程▽前地=4.00 m,墙前淤沙顶面高程▽沙=3.00 m 3.设计参数:挡土墙的建筑物级别为4级。
抗震类型:非抗震区挡土墙。
水上回填土内摩擦角φ=32.00度,水下回填土内摩擦角φ' =32.00度墙背与填土摩擦角δ=17.50度回填土凝聚力C =15.00kN/m2采用等代内摩擦角法计算粘性填土土压力。
地基土质为:松软墙底与地基间摩擦系数f =0.304.回填土坡面参数:回填土表面折线段数为:0段折线起点距墙顶高差=0.00 m填土面与水平面夹角β=0.00度原地面线水平角θ=30.00度,原地面与填土摩擦角δr =18.00度5.材料参数:回填土湿容重γs=18.00kN/m3,回填土浮容重γf=10.00kN/m3墙身材料容重γq=24.00kN/m3墙身材料容许压应力[R a] =500.00 kPa,墙身材料容许剪应力[R j] =110.00 kPa墙身材料容许拉应力[R l] =150.00 kPa,地基允许承载力[σo] =350.00 kPa 6.荷载计算参数:冰层厚度T b=0.00 m,静冰压力系数=0.000计算浪压力时采用的位置类型:内陆峡谷水库风区长度D =0.000 m,墙前河(库)底坡度i =1 : 100.00重现期为50年的年最大风速v o=24.000 m/s多年平均的最大风速v o' =30.000 m/s冻胀墙体变形系数m o=0.700,冻胀量Δhd=30.00 mm地震动态分布系数为梯形分布,最大值αm=2.00三、计算参数:程序采用库伦主动土压力公式计算土压力,计算公式如下:E =0.5×γ×H2×K aE x=E×cos(ε+δ)E y=E×sin(ε+δ)K a=cos2(φ-ε)/cos2ε/cos(ε+δ)/{1+[sin(φ+δ)sin(φ-β)/cos(ε+δ)/cos(ε-β)]0.5}2(《规X》式-2)式中:E为作用于墙背的主动土压力,作用点为距墙底1/3高处,方向与水平面成(ε+δ)夹角K a为主动土压力系数ε为墙背与铅直面的夹角,ε=36.87度当墙后填土为黏性土,粘聚力C=15.00kN时:采用等值内摩擦角法计算主动土压力。
衡重式挡土墙墙身设计12m 衡重式挡土墙验算[ 执行标准:公路] 计算项目:衡重式挡土墙1原始条件墙身尺寸:墙身总高: 12.000(m) 上墙高: 4.000(m) 墙顶宽: 0.600(m) 台宽: 2.500(m) 面坡倾斜坡度: 1:0.100 上墙背坡倾斜坡度: 1:0.500 下墙背坡倾斜坡度: 1:-0.200 采用1个扩展墙址台阶: 墙趾台阶b1: 0.700(m) 墙趾台阶h1: 1.000(m) 墙趾台阶与墙面坡坡度相同墙踵台阶b3: 0.600(m) 墙踵台阶h3: 1.000(m) 下墙土压力计算方法: 力多边形法物理参数:圬工砌体容重: 23.000(kN/m3) 圬工之间摩擦系数: 0.400 地基土摩擦系数: 0.300 砌体种类: 片石砌体砂浆标号: 5 石料强度: 30挡土墙类型: 一般挡土墙墙后填土内摩擦角: 22.000( 度)墙后填土粘聚力: 0.000(kPa)墙后填土容重: 19.000(kN/m3) 墙背与墙后填土摩擦角: 11.000( 度)地基土容重: 19.800(kN/m3) 修正后地基土容许承载力: 300.000(kPa)墙底摩擦系数: 0.300地基土类型: 土质地基地基土内摩擦角: 30.000( 度)坡线土柱:坡面线段数: 1折线序号水平投影长(m) 竖向投影长(m) 换算土柱数1 12.500 0.000 1第1个: 定位距离0.000(m) 汽车-超20级(计算荷载)地面横坡角度: 0.000( 度) 墙顶标高: 0.000(m) 挡墙分段长度: 10.000(m)基础类型: 钢筋混凝土底板基础悬挑长度: 1.200(m)根部高度: 0.750(m)端头高度: 0.500(m)榫头宽度: 0.000(m)榫头高度: 0.000(m)基础容重: 23.000(kN/m3) 钢筋容许拉应力: 150.000(MPa) 混凝土容许主拉应力: 0.530(MPa)混凝土容许剪应力: 0.800(MPa) 钢筋合力点到基底距离: 50(mm)第1 种情况: 计算荷载[ 土压力计算] 计算高度为12.000(m) 处的库仑主动土压力计算上墙土压力无荷载时的破裂角= 34.000( 度)汽车-超20级(计算荷载)路基面总宽= 12.500(m), 路肩宽=0.000(m) 安全距离=0.500(m) 单车车辆外侧车轮中心到车辆边缘距离= 0.350(m), 车与车之间距离经计算得,路面上横向可排列=0.600(m) 此种车辆4 列布置宽度= 7.198(m)布置宽度范围内车轮及轮重列表:第1列车:中点距全部破裂体轮号路边距离(m) 轮宽(m) 轮压(kN) 上轮压(kN)01 0.500 0.300 15.000 15.00002 2.300 0.300 15.000 15.00003 0.500 0.600 60.000 60.00004 2.300 0.600 60.000 60.00005 0.500 0.600 60.000 60.00006 2.300 0.600 60.000 60.00007 0.500 0.600 70.000 70.00008 2.300 0.600 70.000 70.00009 0.500 0.600 70.000 70.00010 2.300 0.600 70.000 70.000第2列车:中点距全部破裂体轮号路边距离(m) 轮宽(m) 轮压(kN) 上轮压(kN)01 3.600 0.300 15.000 15.00002 5.400 0.300 15.000 15.00003 3.600 0.600 60.000 60.00004 5.400 0.600 60.000 60.00005 3.600 0.600 60.000 60.00006 5.400 0.600 60.000 60.00007 3.600 0.600 70.000 70.00008 5.400 0.600 70.000 70.00009 3.600 0.600 70.000 70.00010 5.400 0.600 70.000 70.000第3列车:中点距全部破裂体轮号路边距离(m) 轮宽(m) 轮压(kN) 上轮压(kN)01 6.700 0.300 15.000 15.00002 8.500 0.300 15.000 0.00003 6.700 0.600 60.000 60.00004 8.500 0.600 60.000 0.00005 6.700 0.600 60.000 60.00006 8.500 0.600 60.000 0.00007 6.700 0.600 70.000 70.00008 8.500 0.600 70.000 0.00009 6.700 0.600 70.000 70.00010 8.500 0.600 70.000 0.000布置宽度B0=7.198(m) 分布长度L0=15.309(m) 荷载值SG=1375.000(kN) 换算土柱高度h0 = 0.657(m)按假想墙背计算得到:第1破裂角:36.650( 度)Ea=252.694 Ex=84.906 Ey=238.003(kN) 作用点高度Zy=1.498(m) 因为俯斜墙背,需判断第二破裂面是否存在,计算后发现第二破裂面存在:第2破裂角=34.002( 度) 第1破裂角=34.000( 度)Ea=164.282 Ex=91.862 Ey=136.199(kN) 作用点高度Zy=1.498(m) 计算下墙土压力无荷载时的破裂角= 40.722( 度) 汽车-超20级(计算荷载)路基面总宽= 12.500(m), 路肩宽=0.000(m) 安全距离=0.500(m)单车车辆外侧车轮中心到车辆边缘距离= 0.350(m), 车与车之间距离=0.600(m)经计算得,路面上横向可排列此种车4列布置宽度= 13.230(m)布置宽度范围内车轮及轮重列表:第1列车中点距全部破裂体轮号路边距离(m) 轮宽(m) 轮压(kN) 上轮压(kN)01 0.500 0.300 15.000 15.00002 2.300 0.300 15.000 15.00003 0.500 0.600 60.000 60.00004 2.300 0.600 60.000 60.00005 0.500 0.600 60.000 60.00006 2.300 0.600 60.000 60.00007 0.500 0.600 70.000 70.00008 2.300 0.600 70.000 70.00009 0.500 0.600 70.000 70.00010 2.300 0.600 70.000 70.000第2列车中点距全部破裂体轮号路边距离(m) 轮宽(m) 轮压(kN) 上轮压(kN)01 3.600 0.300 15.000 15.00002 5.400 0.300 15.000 15.00003 3.600 0.600 60.000 60.00004 5.400 0.600 60.000 60.00005 3.600 0.600 60.000 60.00006 5.400 0.600 60.000 60.00007 3.600 0.600 70.000 70.00008 5.400 0.600 70.000 70.00009 3.600 0.600 70.000 70.00010 5.400 0.600 70.000 70.000第3列车中点距全部破裂体轮号路边距离(m) 轮宽(m) 轮压(kN) 上轮压(kN)01 6.700 0.300 15.000 15.00002 8.500 0.300 15.000 15.00003 6.700 0.600 60.000 60.00004 8.500 0.600 60.000 60.00005 6.700 0.600 60.000 60.00006 8.500 0.600 60.000 60.000 07 6.700 0.600 70.000 70.000 088.500 0.600 70.000 70.000 09 6.700 0.600 70.000 70.000 108.5000.60070.00070.000第 4列车 :轮号 中点距全部轮压 (kN) 破裂体上轮压 (kN)路边距离 (m) 轮宽 (m)01 9.800 0.300 15.000 15.00002 11.600 0.300 15.000 15.00003 9.800 0.600 60.000 60.00004 11.600 0.600 60.000 60.00005 9.800 0.600 60.000 60.00006 11.600 0.600 60.000 60.00007 9.800 0.600 70.000 70.00008 11.600 0.600 70.000 70.00009 9.800 0.600 70.00070.0001011.6000.600 70.000 70.000布置宽度 B0=13.230(m) 分布长度 L0=19.928(m)荷载值SG换算土柱高度 h0 = 0.439(m)按力多边形法计算得到 : 破裂角: 39.469( 度 )Ea=431.955 Ex=431.948 Ey=-2.337(kN)作用点高度 Zy=3.376(m)墙身截面积 = 49.400(m2) 重量 = 1136.200 kN衡重台上填料重 = 178.504(kN) 重心坐标 (2.635,-1.894)( 相对于墙面坡上角点 ) ( 一 ) 滑动稳定性验算基底摩擦系数 = 0.300 因墙下基础为钢筋混凝土底板,所以需要验算基础底面的滑移稳定性 基础截面积 = 5.400(m2) 基础重量 Wj= 124.200 kN 滑移力 = 523.810(kN) 抗滑力 = 477.589(kN) 滑移验算不满足 : Kc = 0.912 <= 1.300 ( 二 ) 倾覆稳定性验算 相对于墙趾 , 墙身重力的力臂 Zw = 3.508 (m) 相对于墙趾 ,上墙 Ey 的力臂 相对于墙趾 ,上墙 Ex 的力臂 相对于墙趾 ,下墙 Ey 的力臂 相对于墙趾 ,下墙 Ex 的力臂基础为钢筋混凝土底板,验算挡土墙绕基础趾点倾覆稳定性基础截面积 = 5.400(m2) 基础重量 Wj= 124.200 kN 基础重心距离基础趾点的水平距离 =3.792(m)倾覆力矩 = 2723.776(kN-m) 抗倾覆力矩 = 7894.303(kN-m) 倾覆验算满足 : K0 = 2.898 > 1.500( 三 ) 地基应力及偏心距验算 基础为钢筋混凝土底板,验算底板下的偏心距及基底压应力 基础截面积 = 5.400(m2) 基础重量 Wj= 124.200 kN作用于基础底的总竖向力 = 1591.965(kN) 总弯距 =5170.527(kN-m) 基础底面宽度 B = 7.400Zx = 5.989 (m) Zy = 9.498 (m) Zx3 = 6.075 (m) Zy3 = 3.376 (m)(m) 偏心距e = 0.452(m) 基础底面合力作用点距离基础趾点的距离Z n = 3.248(m)基底压应力: 趾部=293.992 踵部=136.269(kPa)作用于基底的合力偏心距验算满足: e=0.452 <= 0.167*7.400 = 1.233(m)地基承载力验算满足: 最大压应力=293.992 <= 300.000(kPa)( 四) 基础强度验算基础为钢筋混凝土底板,需要作强度验算基础截面积= 5.400(m2) 基础重量Wj= 124.200 kN 基础底面宽度B = 7.400 (m) 偏心距e =0.452(m)基础底面合力作用点距离趾点的距离Zn = 3.248(m)基础底压应力: 趾部=293.992 踵部=136.269(kPa)剪应力验算满足: Q = 337.444(kN) <= h*[t] = 600.000(kN)主拉应力验算不满足: Q = 337.444(kN) > 322.770(kN)钢筋面积: As = 2249.98(mm2/m)( 五) 上墙截面强度验算上墙重力Ws = 165.600 (kN)上墙墙背处的Ex = 91.862 (kN) 上墙墙背处的Ey = 45.931 (kN) 相对于上墙墙趾,上墙重力的力臂Zw = 1.189 (m) 相对于上墙墙趾,上墙Ex的力臂Zy = 1.498 (m) 相对于上墙墙趾,上墙Ey的力臂Zx = 2.251 (m) 法向应力检算相对于上墙墙趾,合力作用力臂Zn = 0.769(m) 截面宽度B = 3.000 (m) 偏心距e1 =0.731(m)截面上偏心距验算满足: e1= 0.731 <= 0.250*3.000 = 0.750(m)截面上压应力: 面坡=173.610 背坡=-32.589(kPa)压应力验算满足: 计算值= 173.610 <= 800.000(kPa)拉应力验算满足: 计算值= 32.589 <= 80.000(kPa)切向应力检算剪应力验算满足: 计算值= 2.416 <= 80.000(kPa)斜截面剪应力检算斜剪应力验算满足: 计算值= 42.888 <= 80.000(kPa)( 六) 墙底截面强度验算法向应力检算作用于截面总竖向力= 1467.765(kN) 总弯距=3331.142(kN-m) 相对于验算截面外边缘,合力作用力臂Zn = 2.270(m)截面宽度B = 6.200 (m) 偏心距e1 = 0.830(m)截面上偏心距验算满足: e1= 0.830 <= 0.250*6.200 = 1.550(m)截面上压应力: 面坡=426.996 背坡=46.477(kPa)压应力验算满足: 计算值= 426.996 <= 800.000(kPa)切向应力检算剪应力验算满足: 计算值= -10.209 <= 80.000(kPa) ( 七) 台顶截面强度验算[ 土压力计算] 计算高度为11.000(m) 处的库仑主动土压力计算上墙土压力无荷载时的破裂角= 34.000( 度) 汽车-超20级(计算荷载)路基面总宽= 12.500(m), 路肩宽=0.000(m) 安全距离=0.500(m)单车车辆外侧车轮中心到车辆边缘距离经计算得,路面上横向可排列此种车辆布置宽度= 7.198(m) 布置宽度范围内车轮及轮重列表:第1列车:中点距= 0.350(m), 车与车之间距离=0.600(m) 4列轮号路边距离(m) 轮宽(m)01 0.500 0.300 15.000 15.00002 2.300 0.300 15.000 15.00003 0.500 0.600 60.000 60.000 全部破裂体轮压(kN) 上轮压(kN)布置宽度 B0=7.198(m) 分布长度 L0=15.309(m) 荷载值 SG=1375.000(kN) 换算土柱高度 h0 = 0.657(m) 按假想墙背计算得到 : 第 1破裂角: 36.650( 度)Ea=252.694 Ex=84.906 Ey=238.003(kN)作用点高度 Zy=1.498(m)因为俯斜墙背,需判断第二破裂面是否存在,计算后发现第二破裂面存在: 第2破裂角=34.002( 度) 第1破裂角 =34.000( 度 ) Ea=164.282 Ex=91.862 Ey=136.199(kN)作用点高度 Zy=1.498(m)计算下墙土压力无荷载时的破裂角 = 40.382( 度) 汽车 -超20级(计算荷载 )04 2.300 0.600 60.000 05 0.500 0.600 60.000 06 2.300 0.600 60.000 07 0.500 0.600 70.00008 2.300 0.600 70.000 09 0.5000.60070.000102.300 0.600 70.000 第2列车中点距轮号 路边距离 (m)01 3.600 0.300 15.000 02 5.400 0.300 15.000 03 3.600 0.600 60.000 04 5.400 0.600 60.000 05 3.600 0.600 60.000 06 5.400 0.600 60.000 07 3.600 0.600 70.000 08 5.400 0.600 70.000 09 3.6000.600 70.000 10 5.4000.60070.000第 3列车 :中点距轮号 路边距离 (m)01 6.700 0.300 15.000 02 8.500 0.300 15.000 03 6.700 0.600 60.000 04 8.500 0.600 60.000 05 6.700 0.600 60.000 06 8.500 0.600 60.000 07 6.700 0.600 70.000 08 8.500 0.600 70.000 09 6.7000.600 70.000 10 8.5000.60070.00060.000 60.000 60.000 70.000 70.000 70.000 70.000 全部 破裂体 轮宽 (m)轮压 (kN) 上轮压 (kN) 15.00015.000 60.000 60.000 60.00060.000 70.000 70.000 70.00070.000全部 破裂体 轮宽 (m)轮压 (kN) 上轮压 (kN) 15.0000.000 60.000 0.000 60.000 0.000 70.0000.000 70.000 0.000路基面总宽= 12.500(m), 路肩宽=0.000(m) 安全距离=0.500(m)单车车辆外侧车轮中心到车辆边缘距离经计算得,路面上横向可排列此种车辆布置宽度= 12.456(m) 布置宽度范围内车轮及轮重列表:第1列车:= 0.350(m), 车与车之间距离=0.600(m) 4列轮号中点距路边距离(m) 轮宽(m)01 0.500 0.300 15.000 15.00002 2.300 0.300 15.000 15.00003 0.500 0.600 60.000 60.00004 2.300 0.600 60.000 60.00005 0.500 0.600 60.000 60.00006 2.300 0.600 60.000 60.00007 0.500 0.600 70.000 70.00008 2.300 0.600 70.000 70.00009 0.500 0.600 70.000 70.00010 2.300 0.600 70.000 70.000第2列车中点距轮号路边距离(m) 轮宽(m)01 3.600 0.300 15.000 15.00002 5.400 0.300 15.000 15.00003 3.600 0.600 60.000 60.00004 5.400 0.600 60.000 60.00005 3.600 0.600 60.000 60.00006 5.400 0.600 60.000 60.00007 3.600 0.600 70.000 70.00008 5.400 0.600 70.000 70.00009 3.600 0.600 70.000 70.00010 5.400 0.600 70.000 70.000第3列车中点距轮号路边距离(m) 轮宽(m)01 6.700 0.300 15.000 15.00002 8.500 0.300 15.000 15.00003 6.700 0.600 60.000 60.00004 8.500 0.600 60.000 60.00005 6.700 0.600 60.000 60.00006 8.500 0.600 60.000 60.00007 6.700 0.600 70.000 70.00008 8.500 0.600 70.000 70.00009 6.700 0.600 70.000 70.000 全部破裂体轮压(kN) 上轮压(kN)全部破裂体轮压(kN) 上轮压(kN)全部破裂体轮压(kN) 上轮压(kN)10 8.500 0.600 70.000 70.000第 4列车 :轮号 中点距全部轮压 (kN) 破裂体上轮压 (kN)路边距离 (m) 轮宽 (m)01 9.800 0.300 15.000 15.00002 11.600 0.300 15.000 15.00003 9.800 0.600 60.000 60.00004 11.600 0.600 60.000 60.00005 9.800 0.600 60.000 60.00006 11.600 0.600 60.000 60.00007 9.800 0.600 70.000 70.00008 11.600 0.600 70.000 70.00009 9.800 0.600 70.00070.0001011.6000.600 70.000 70.000布置宽度 B0=12.456(m) 分布长度 L0=19.351(m)荷载值 SG=2200.000(kN)换算土柱高度 h0 = 0.480(m) 按力多边形法计算得到 : 破裂角:40.513( 度 )Ea=359.075 Ex=359.070 Ey=-1.942(kN) [ 强度验算 ]法向应力检算 作用于截面总竖向力 =1326.709(kN) 相对于验算截面外边缘,合力作用力臂 截面宽度 B = 4.800 (m)偏心距 e1 = 0.662(m)截面上偏心距验算满足 : e1= 0.662 <= 0.250*4.800 = 1.200(m) 截面上压应力 : 面坡 =505.072 背坡 =47.724(kPa) 压应力验算满足 : 计算值 = 505.072 <= 800.000(kPa) 切向应力检算剪应力验算满足 : 计算值 = -16.615 <= 80.000(kPa)作用点高度 Zy=2.988(m)总弯距 =2305.994(kN-m)Zn = 1.738(m)。
衡重式挡土墙设计一、衡重式挡土墙原始条件:地面横坡角度: 15.000(度)墙顶标高: 0.000(m)挡墙分段长度: 15.000(m)二、 车辆荷载换算()()210208.5211.875/8q KN m =-⨯-= 011.8750.625()19qh m γ=== 注:《公路挡土墙设计与施工技术细则》4.2.5规定当墙高H<=2.0m 时,车辆荷载q=20.0()2/KN m ; 当墙高H>=10.0m 时,车辆荷载q=10.0()2/KN m 三、上墙土压力计算及截面验算1)计算破裂角,判断是否出现第二破裂面01tan 1.533.69ββ==假想墙背倾角为111111tan 3.40.250.6tan 0.4263.423.10H d H ααα⋅+⨯+'==='=︒假设路堤墙第一破裂面交于荷载内()()()()11000sin cot tan 3.4sin 33.69cot 33.69tan 23.103.40.5551.50.4263.63h H m ββα'''=+=⨯+=⨯+=()()()()00000csc 2cot 23.63csc 7033.69cot 7033.695.43.63 1.0290.2445.40.936h Q H ϕβϕβ''=+-+=+-+=⨯+=1.11P ===()()()()()2222202200000000cos cot cot 2sin sin 22h cot cot sin 2cos 1tan cos 2cot sin h R P H h H H H pH h h h h d H H H ϕβϕϕβϕϕββββϕϕβϕβββ''+=+++⎧⎫⎡⎤''''---⎪⎪⎢⎥⎪⎪⎢⎥++-⎨⎬⎢⎥''+''⎛⎫''⎪⎪⎢⎥-+ ⎪⎪⎪⎢⎥⎝⎭⎣⎦⎩⎭()()()()200000200000000003.63cos 3533.69cot 35cot 7033.69 1.1129.16sin 35sin 7033.692 3.6313.18cot 33.69cot 33.6929.165.4sin 33.6929.161tan 3533.6920.625 3.6313.18cot 33.690.0935.4 5.4sin 33.69R +=++⨯+⨯⎡⎤---⎢⎢++⨯⎛⎫⎢-+ ⎪⎢⨯⎝⎭⎣()()()0002 1.11 5.4cos353.63cos 3533.697.26 1.50.452 1.52.9951.4280.24350.3670.6521 2.21 2.5647.4440.231 1.5 1.2120.0931.62⎧⎫⎪⎪⎥⎪⎪⎥⎪⎪⎥⎪⎪⎥⎨⎬⎦⎪⎪⎪⎪⨯⨯-⎪⎪+⎪⎪⎩⎭⎧⎫⎡⎤--⨯-⎪⎪⎢⎥=⨯-+⨯+⨯⨯-⎨⎬⎢⎥⎪⎪⨯-+⎢⎥⎣⎦⎩⎭=-111tan 0.9360.936 1.58tan 0.644,tan 2.516Q θθθ=-±=-±=-±==-得到0132.78θ=()()()()()()()()()0111010000101p cos tan cot 1tan tan sin 1.11 5.4cos35tan 33.69cot 3533.691tan 35tan 33.693.63sin3533.691.11 5.40.8190.3910.70.6673.630.9310.38433.6921.0312.66H h ϕαβϕβϕθϕβααα-=+--+⨯-=+--+⨯=-⨯-⨯=--=-=11αα'≤所以出现第二破裂面 验证假设是否正确:()()()()01111tan tan 3.420.686 3.40.42632.1530.5L H a H b m m θα'=++-=++⨯-=≥ 所以假设正确。
衡重式挡土墙设计说明文稿归稿存档编号:[KKUY-KKIO69-OTM243-OLUI129-G00I-FDQS58-衡重式挡土墙设计说明一、编制依据本图依据交通部颁发标准《公路路基设计规范》(JGT D30-2004)、《公路桥涵设计通用规范》(JTG D60-2004)、《公路圬工桥涵设计规范》(JTG D61-2005)编制二、适用范围本图仅适用于本项目一般地区,浸水区或者地震区别行计算并作工点设计。
三、设计资料1、荷载:路基规范挡土墙车辆荷载:2、墙顶填土高度;0米3、墙背填料计算内摩擦角;35度4、墙背圬工也填料间摩擦角;Ф/2(块石)5、填料容重;21KN/M3;圬工砌砖体容重;24KN/M3四、材料及构造1、墙身及基础采用C20砼2、基底应置于满足承载力要求的地基上,基底逆坡应符合设计要求,以保证墙身稳定。
3、基础位于横向斜坡地段时,前址埋置深度S及襟边宽度L应满足表2要求。
4、填料要求:应优先采用内摩擦角大、透水性好的填料,如小卵石、砾石、料砂、石屑。
5、挡土墙与路堤采用锥坡连接,墙端伸入路堤应不小于75CM;挡土墙墙端嵌入路堑原地层深度,土质地层应不小于1.5M,风化软质岩层应不小于1.0M,微风化岩层应不小于0.5M,6、墙身在岩土分界线以上部分应分层设置泄水孔,泄水孔间距2-3米,上下排交错布置,孔内预埋Ф5.59PVC管并长出墙背10CM,其端头用土工布滤布包裹,最下面一排汇水孔出口应保证排水顺畅,不得阻塞。
在泄水孔进水口处设粗颗粒材料(大粒径碎石或卵石)以利排水。
衡重台处应增设一排泄水孔。
7、在最底一排汇水孔处(一般设在岩土分界处)现浇30CM厚C20小石子砼,并于其上加设Ф50MM软式透水管形成纵向排水渗沟,纵向排水渗沟可按单向坡或人字坡纵向引水,受地形条件限制时,也可形凹形坡,在凹形坡最低处设泄水孔将水引至路基以外,软式透水管技术标准;内径Ф50MM,纵向拉伸强度;1.46KN/5CM,CBR顶破强度;4.07KN,渗透系数;2.75*10cm-1CM/S.8、基坑回填指最代一排泄水孔以下部位采用石灰土,墙背回填指最氏一排汇水孔以上部位采用透水性材料。
衡重式挡土墙验算[执行标准:公路]计算项目:衡重式挡土墙 1计算时间: 2012-02-13 09:21:56 星期一------------------------------------------------------------------------ 原始条件:墙身尺寸:墙身总高: 4.000(m)上墙高: 1.600(m)墙顶宽: 0.900(m)台宽: 0.800(m)面坡倾斜坡度: 1:0.050上墙背坡倾斜坡度: 1:0.450下墙背坡倾斜坡度: 1:-0.250采用1个扩展墙址台阶:墙趾台阶b1: 0.500(m)墙趾台阶h1: 0.800(m)墙趾台阶与墙面坡坡度相同墙底倾斜坡率: 0.100:1下墙土压力计算方法: 力多边形法物理参数:圬工砌体容重: 24.000(kN/m3)圬工之间摩擦系数: 0.400地基土摩擦系数: 0.500砌体种类: 片石砌体砂浆标号: 7.5石料强度(MPa): 30挡土墙类型: 一般挡土墙墙后填土内摩擦角: 35.000(度)墙后填土粘聚力: 0.000(kPa)墙后填土容重: 18.000(kN/m3)墙背与墙后填土摩擦角: 15.000(度)地基土容重: 18.000(kN/m3)修正后地基土容许承载力: 150.000(kPa)地基土容许承载力提高系数:墙趾值提高系数: 1.200墙踵值提高系数: 1.300平均值提高系数: 1.000墙底摩擦系数: 0.400地基土类型: 土质地基地基土内摩擦角: 30.000(度)坡线土柱:坡面线段数: 2折线序号水平投影长(m) 竖向投影长(m) 换算土柱数1 9.000 6.000 02 11.000 0.000 0地面横坡角度: 20.000(度)墙顶标高: 0.000(m)挡墙分段长度: 10.000(m)=====================================================================第 1 种情况: 组合1=============================================组合系数: 1.0001. 挡土墙结构重力分项系数 = 1.000 √2. 填土重力分项系数 = 1.000 √3. 填土侧压力分项系数 = 1.000 √4. 车辆荷载引起的土侧压力分项系数 = 1.000 √=============================================[土压力计算] 计算高度为 4.246(m)处的库仑主动土压力计算上墙土压力无荷载时的破裂角 = 45.440(度)按假想墙背计算得到:第1破裂角: 47.060(度)Ea=107.530 Ex=21.381 Ey=105.383(kN) 作用点高度 Zy=0.550(m) 因为俯斜墙背,需判断第二破裂面是否存在,计算后发现第二破裂面存在:第2破裂角=7.217(度) 第1破裂角=45.440(度)Ea=39.327 Ex=29.126 Ey=26.426(kN) 作用点高度 Zy=0.807(m) 计算下墙土压力无荷载时的破裂角 = 41.692(度)按力多边形法计算得到:破裂角: 41.692(度)Ea=60.611 Ex=60.602 Ey=1.019(kN) 作用点高度 Zy=1.168(m) 墙身截面积 = 8.214(m2) 重量 = 197.131 kN衡重台上填料重 = 40.092(kN) 重心坐标(1.764,-0.494)(相对于墙面坡上角点) (一) 滑动稳定性验算基底摩擦系数 = 0.400采用倾斜基底增强抗滑动稳定性,计算过程如下:基底倾斜角度 = 5.711 (度)Wn = 236.046(kN) En = 36.237(kN) Wt = 23.605(kN) Et = 86.552(kN) 滑移力= 62.947(kN) 抗滑力= 108.913(kN)滑移验算满足: Kc = 1.730 > 1.300滑动稳定方程验算:滑动稳定方程满足: 方程值 = 58.057(kN) > 0.0地基土摩擦系数 = 0.500地基土层水平向: 滑移力= 89.728(kN) 抗滑力= 135.054(kN)地基土层水平向: 滑移验算满足: Kc2 = 1.505 > 1.300(二) 倾覆稳定性验算相对于墙趾,墙身重力的力臂 Zw = 1.532 (m)相对于墙趾,上墙Ey的力臂 Zx = 3.018 (m)相对于墙趾,上墙Ex的力臂 Zy = 3.207 (m)相对于墙趾,下墙Ey的力臂 Zx3 = 2.751 (m)相对于墙趾,下墙Ex的力臂 Zy3 = 0.922 (m)验算挡土墙绕墙趾的倾覆稳定性倾覆力矩= 149.293(kN-m) 抗倾覆力矩= 483.319(kN-m)倾覆验算满足: K0 = 3.237 > 1.500倾覆稳定方程验算:倾覆稳定方程满足: 方程值 = 253.872(kN-m) > 0.0(三) 地基应力及偏心距验算基础为天然地基,验算墙底偏心距及压应力取倾斜基底的倾斜宽度验算地基承载力和偏心距作用于基础底的总竖向力 = 272.283(kN) 作用于墙趾下点的总弯矩=334.026(kN-m) 基础底面宽度 B = 2.471 (m) 偏心距 e = 0.009(m)基础底面合力作用点距离基础趾点的距离 Zn = 1.227(m)基底压应力: 趾部=112.513 踵部=107.888(kPa)最大应力与最小应力之比 = 112.513 / 107.888 = 1.043作用于基底的合力偏心距验算满足: e=0.009 <= 0.167*2.471 = 0.412(m)墙趾处地基承载力验算满足: 压应力=112.513 <= 180.000(kPa)墙踵处地基承载力验算满足: 压应力=107.888 <= 195.000(kPa)地基平均承载力验算满足: 压应力=110.200 <= 150.000(kPa)(四) 基础强度验算基础为天然地基,不作强度验算(五) 上墙截面强度验算上墙重力 Ws = 49.920 (kN)上墙墙背处的 Ex = 29.126 (kN)上墙墙背处的 Ey = 13.107 (kN)相对于上墙墙趾,上墙重力的力臂 Zw = 0.706 (m)相对于上墙墙趾,上墙Ex的力臂 Zy = 0.807 (m)相对于上墙墙趾,上墙Ey的力臂 Zx = 1.337 (m)[容许应力法]:法向应力检算:相对于上墙墙趾,合力作用力臂 Zn = 0.464(m)截面宽度 B = 1.700 (m) 偏心距 e1 = 0.386(m)截面上偏心距验算满足: e1= 0.386 <= 0.250*1.700 = 0.425(m) 截面上压应力: 面坡=87.518 背坡=-13.369(kPa)压应力验算满足: 计算值= 87.518 <= 1000.000(kPa)拉应力验算满足: 计算值= 13.369 <= 90.000(kPa)切向应力检算:剪应力验算满足: 计算值= 2.303 <= 90.000(kPa)斜截面剪应力检算斜剪应力验算满足: 计算值= 23.295 <= 90.000(kPa)[极限状态法]:重要性系数γ0 = 1.000验算截面上的轴向力组合设计值Nd = 63.027(kN)轴心力偏心影响系数αk = 0.617挡墙构件的计算截面每沿米面积A = 1.700(m2)材料抗压极限强度Ra = 1600.000(kPa)圬工构件或材料的抗力分项系数γf = 2.310偏心受压构件在弯曲平面内的纵向弯曲系数Ψk = 1.000计算强度时:强度验算满足: 计算值= 63.027 <= 726.855(kN)计算稳定时:稳定验算满足: 计算值= 63.027 <= 726.855(kN)(六) 墙底截面强度验算验算截面以上,墙身截面积 = 7.904(m2) 重量 = 189.696 kN相对于验算截面外边缘,墙身重力的力臂 Zw = 1.527 (m)[容许应力法]:法向应力检算:作用于截面总竖向力 = 257.234(kN) 作用于墙趾下点的总弯矩=328.786(kN-m) 相对于验算截面外边缘,合力作用力臂 Zn = 1.278(m)截面宽度 B = 2.520 (m) 偏心距 e1 = -0.018(m)截面上偏心距验算满足: e1= -0.018 <= 0.250*2.520 = 0.630(m)截面上压应力: 面坡=97.663 背坡=106.491(kPa)压应力验算满足: 计算值= 106.491 <= 1000.000(kPa)切向应力检算:剪应力验算满足: 计算值= -5.225 <= 90.000(kPa)[极限状态法]:重要性系数γ0 = 1.000验算截面上的轴向力组合设计值Nd = 257.234(kN)轴心力偏心影响系数αk = 0.999挡墙构件的计算截面每沿米面积A = 2.520(m2)材料抗压极限强度Ra = 1600.000(kPa)圬工构件或材料的抗力分项系数γf = 2.310偏心受压构件在弯曲平面内的纵向弯曲系数Ψk = 0.999计算强度时:强度验算满足: 计算值= 257.234 <= 1744.367(kN)计算稳定时:稳定验算满足: 计算值= 257.234 <= 1742.434(kN)(七) 台顶截面强度验算[土压力计算] 计算高度为 3.200(m)处的库仑主动土压力计算上墙土压力无荷载时的破裂角 = 45.440(度)按假想墙背计算得到:第1破裂角: 47.060(度)Ea=107.530 Ex=21.381 Ey=105.383(kN) 作用点高度 Zy=0.550(m) 因为俯斜墙背,需判断第二破裂面是否存在,计算后发现第二破裂面存在:第2破裂角=7.217(度) 第1破裂角=45.440(度)Ea=39.327 Ex=29.126 Ey=26.426(kN) 作用点高度 Zy=0.807(m) 计算下墙土压力无荷载时的破裂角 = 42.879(度)按力多边形法计算得到:破裂角: 42.879(度)Ea=33.452 Ex=33.448 Ey=0.563(kN) 作用点高度 Zy=0.717(m)[强度验算]验算截面以上,墙身截面积 = 5.824(m2) 重量 = 139.776 kN相对于验算截面外边缘,墙身重力的力臂 Zw = 1.600 (m)[容许应力法]:法向应力检算:作用于截面总竖向力 = 206.857(kN) 作用于墙趾下点的总弯矩=198.239(kN-m) 相对于验算截面外边缘,合力作用力臂 Zn = 0.958(m)截面宽度 B = 2.180 (m) 偏心距 e1 = 0.132(m)截面上偏心距验算满足: e1= 0.132 <= 0.250*2.180 = 0.545(m)截面上压应力: 面坡=129.273 背坡=60.504(kPa)压应力验算满足: 计算值= 129.273 <= 1000.000(kPa)切向应力检算:剪应力验算满足: 计算值= -9.252 <= 90.000(kPa)[极限状态法]:重要性系数γ0 = 1.000验算截面上的轴向力组合设计值Nd = 206.857(kN)轴心力偏心影响系数αk = 0.958挡墙构件的计算截面每沿米面积A = 2.180(m2)材料抗压极限强度Ra = 1600.000(kPa)圬工构件或材料的抗力分项系数γf = 2.310偏心受压构件在弯曲平面内的纵向弯曲系数Ψk = 1.000计算强度时:强度验算满足: 计算值= 206.857 <= 1446.636(kN)计算稳定时:稳定验算满足: 计算值= 206.857 <= 1446.636(kN)=====================================================================第 2 种情况: 组合2=============================================组合系数: 1.0001. 挡土墙结构重力分项系数 = 1.000 √2. 填土重力分项系数 = 1.000 √3. 填土侧压力分项系数 = 1.000 √4. 车辆荷载引起的土侧压力分项系数 = 1.000 √=============================================[土压力计算] 计算高度为 4.246(m)处的库仑主动土压力计算上墙土压力无荷载时的破裂角 = 45.440(度)按假想墙背计算得到:第1破裂角: 47.060(度)Ea=107.530 Ex=21.381 Ey=105.383(kN) 作用点高度 Zy=0.550(m) 因为俯斜墙背,需判断第二破裂面是否存在,计算后发现第二破裂面存在:第2破裂角=7.217(度) 第1破裂角=45.440(度)Ea=39.327 Ex=29.126 Ey=26.426(kN) 作用点高度 Zy=0.807(m) 计算下墙土压力无荷载时的破裂角 = 41.692(度)按力多边形法计算得到:破裂角: 41.692(度)Ea=60.611 Ex=60.602 Ey=1.019(kN) 作用点高度 Zy=1.168(m) 墙身截面积 = 8.214(m2) 重量 = 197.131 kN衡重台上填料重 = 40.092(kN) 重心坐标(1.764,-0.494)(相对于墙面坡上角点) (一) 滑动稳定性验算基底摩擦系数 = 0.400采用倾斜基底增强抗滑动稳定性,计算过程如下:基底倾斜角度 = 5.711 (度)Wn = 236.046(kN) En = 36.237(kN) Wt = 23.605(kN) Et = 86.552(kN) 滑移力= 62.947(kN) 抗滑力= 108.913(kN)滑移验算满足: Kc = 1.730 > 1.300滑动稳定方程验算:滑动稳定方程满足: 方程值 = 58.057(kN) > 0.0地基土摩擦系数 = 0.500地基土层水平向: 滑移力= 89.728(kN) 抗滑力= 135.054(kN)地基土层水平向: 滑移验算满足: Kc2 = 1.505 > 1.300(二) 倾覆稳定性验算相对于墙趾,墙身重力的力臂 Zw = 1.532 (m)相对于墙趾,上墙Ey的力臂 Zx = 3.018 (m)相对于墙趾,上墙Ex的力臂 Zy = 3.207 (m)相对于墙趾,下墙Ey的力臂 Zx3 = 2.751 (m)相对于墙趾,下墙Ex的力臂 Zy3 = 0.922 (m)验算挡土墙绕墙趾的倾覆稳定性倾覆力矩= 149.293(kN-m) 抗倾覆力矩= 483.319(kN-m)倾覆验算满足: K0 = 3.237 > 1.500倾覆稳定方程验算:倾覆稳定方程满足: 方程值 = 253.872(kN-m) > 0.0(三) 地基应力及偏心距验算基础为天然地基,验算墙底偏心距及压应力取倾斜基底的倾斜宽度验算地基承载力和偏心距作用于基础底的总竖向力 = 272.283(kN) 作用于墙趾下点的总弯矩=334.026(kN-m) 基础底面宽度 B = 2.471 (m) 偏心距 e = 0.009(m)基础底面合力作用点距离基础趾点的距离 Zn = 1.227(m)基底压应力: 趾部=112.513 踵部=107.888(kPa)最大应力与最小应力之比 = 112.513 / 107.888 = 1.043作用于基底的合力偏心距验算满足: e=0.009 <= 0.167*2.471 = 0.412(m)墙趾处地基承载力验算满足: 压应力=112.513 <= 180.000(kPa)墙踵处地基承载力验算满足: 压应力=107.888 <= 195.000(kPa)地基平均承载力验算满足: 压应力=110.200 <= 150.000(kPa)(四) 基础强度验算基础为天然地基,不作强度验算(五) 上墙截面强度验算上墙重力 Ws = 49.920 (kN)上墙墙背处的 Ex = 29.126 (kN)上墙墙背处的 Ey = 13.107 (kN)相对于上墙墙趾,上墙重力的力臂 Zw = 0.706 (m)相对于上墙墙趾,上墙Ex的力臂 Zy = 0.807 (m)相对于上墙墙趾,上墙Ey的力臂 Zx = 1.337 (m)[容许应力法]:法向应力检算:相对于上墙墙趾,合力作用力臂 Zn = 0.464(m)截面宽度 B = 1.700 (m) 偏心距 e1 = 0.386(m)截面上偏心距验算满足: e1= 0.386 <= 0.250*1.700 = 0.425(m) 截面上压应力: 面坡=87.518 背坡=-13.369(kPa)压应力验算满足: 计算值= 87.518 <= 1000.000(kPa)拉应力验算满足: 计算值= 13.369 <= 90.000(kPa)切向应力检算:剪应力验算满足: 计算值= 2.303 <= 90.000(kPa)斜截面剪应力检算斜剪应力验算满足: 计算值= 23.295 <= 90.000(kPa)[极限状态法]:重要性系数γ0 = 1.000验算截面上的轴向力组合设计值Nd = 63.027(kN)轴心力偏心影响系数αk = 0.617挡墙构件的计算截面每沿米面积A = 1.700(m2)材料抗压极限强度Ra = 1600.000(kPa)圬工构件或材料的抗力分项系数γf = 2.310偏心受压构件在弯曲平面内的纵向弯曲系数Ψk = 1.000计算强度时:强度验算满足: 计算值= 63.027 <= 726.855(kN)计算稳定时:稳定验算满足: 计算值= 63.027 <= 726.855(kN)(六) 墙底截面强度验算验算截面以上,墙身截面积 = 7.904(m2) 重量 = 189.696 kN相对于验算截面外边缘,墙身重力的力臂 Zw = 1.527 (m)[容许应力法]:法向应力检算:作用于截面总竖向力 = 257.234(kN) 作用于墙趾下点的总弯矩=328.786(kN-m) 相对于验算截面外边缘,合力作用力臂 Zn = 1.278(m)截面宽度 B = 2.520 (m) 偏心距 e1 = -0.018(m)截面上偏心距验算满足: e1= -0.018 <= 0.250*2.520 = 0.630(m)截面上压应力: 面坡=97.663 背坡=106.491(kPa)压应力验算满足: 计算值= 106.491 <= 1000.000(kPa)切向应力检算:剪应力验算满足: 计算值= -5.225 <= 90.000(kPa)[极限状态法]:重要性系数γ0 = 1.000验算截面上的轴向力组合设计值Nd = 257.234(kN)轴心力偏心影响系数αk = 0.999挡墙构件的计算截面每沿米面积A = 2.520(m2)材料抗压极限强度Ra = 1600.000(kPa)圬工构件或材料的抗力分项系数γf = 2.310偏心受压构件在弯曲平面内的纵向弯曲系数Ψk = 0.999计算强度时:强度验算满足: 计算值= 257.234 <= 1744.367(kN)计算稳定时:稳定验算满足: 计算值= 257.234 <= 1742.434(kN)(七) 台顶截面强度验算[土压力计算] 计算高度为 3.200(m)处的库仑主动土压力计算上墙土压力无荷载时的破裂角 = 45.440(度)按假想墙背计算得到:第1破裂角: 47.060(度)Ea=107.530 Ex=21.381 Ey=105.383(kN) 作用点高度 Zy=0.550(m) 因为俯斜墙背,需判断第二破裂面是否存在,计算后发现第二破裂面存在:第2破裂角=7.217(度) 第1破裂角=45.440(度)Ea=39.327 Ex=29.126 Ey=26.426(kN) 作用点高度 Zy=0.807(m) 计算下墙土压力无荷载时的破裂角 = 42.879(度)按力多边形法计算得到:破裂角: 42.879(度)Ea=33.452 Ex=33.448 Ey=0.563(kN) 作用点高度 Zy=0.717(m)[强度验算]验算截面以上,墙身截面积 = 5.824(m2) 重量 = 139.776 kN相对于验算截面外边缘,墙身重力的力臂 Zw = 1.600 (m)[容许应力法]:法向应力检算:作用于截面总竖向力 = 206.857(kN) 作用于墙趾下点的总弯矩=198.239(kN-m) 相对于验算截面外边缘,合力作用力臂 Zn = 0.958(m)截面宽度 B = 2.180 (m) 偏心距 e1 = 0.132(m)截面上偏心距验算满足: e1= 0.132 <= 0.250*2.180 = 0.545(m)截面上压应力: 面坡=129.273 背坡=60.504(kPa)压应力验算满足: 计算值= 129.273 <= 1000.000(kPa)切向应力检算:剪应力验算满足: 计算值= -9.252 <= 90.000(kPa)[极限状态法]:重要性系数γ0 = 1.000验算截面上的轴向力组合设计值Nd = 206.857(kN)轴心力偏心影响系数αk = 0.958挡墙构件的计算截面每沿米面积A = 2.180(m2)材料抗压极限强度Ra = 1600.000(kPa)圬工构件或材料的抗力分项系数γf = 2.310偏心受压构件在弯曲平面内的纵向弯曲系数Ψk = 1.000计算强度时:强度验算满足: 计算值= 206.857 <= 1446.636(kN)计算稳定时:稳定验算满足: 计算值= 206.857 <= 1446.636(kN)=====================================================================第 3 种情况: 组合3=============================================组合系数: 1.0001. 挡土墙结构重力分项系数 = 1.000 √2. 填土重力分项系数 = 1.000 √3. 填土侧压力分项系数 = 1.000 √4. 车辆荷载引起的土侧压力分项系数 = 1.000 √=============================================[土压力计算] 计算高度为 4.246(m)处的库仑主动土压力计算上墙土压力无荷载时的破裂角 = 45.440(度)按假想墙背计算得到:第1破裂角: 47.060(度)Ea=107.530 Ex=21.381 Ey=105.383(kN) 作用点高度 Zy=0.550(m) 因为俯斜墙背,需判断第二破裂面是否存在,计算后发现第二破裂面存在:第2破裂角=7.217(度) 第1破裂角=45.440(度)Ea=39.327 Ex=29.126 Ey=26.426(kN) 作用点高度 Zy=0.807(m) 计算下墙土压力无荷载时的破裂角 = 41.692(度)按力多边形法计算得到:破裂角: 41.692(度)Ea=60.611 Ex=60.602 Ey=1.019(kN) 作用点高度 Zy=1.168(m) 墙身截面积 = 8.214(m2) 重量 = 197.131 kN衡重台上填料重 = 40.092(kN) 重心坐标(1.764,-0.494)(相对于墙面坡上角点) (一) 滑动稳定性验算基底摩擦系数 = 0.400采用倾斜基底增强抗滑动稳定性,计算过程如下:基底倾斜角度 = 5.711 (度)Wn = 236.046(kN) En = 36.237(kN) Wt = 23.605(kN) Et = 86.552(kN) 滑移力= 62.947(kN) 抗滑力= 108.913(kN)滑移验算满足: Kc = 1.730 > 1.300滑动稳定方程验算:滑动稳定方程满足: 方程值 = 58.057(kN) > 0.0地基土摩擦系数 = 0.500地基土层水平向: 滑移力= 89.728(kN) 抗滑力= 135.054(kN)地基土层水平向: 滑移验算满足: Kc2 = 1.505 > 1.300(二) 倾覆稳定性验算相对于墙趾,墙身重力的力臂 Zw = 1.532 (m)相对于墙趾,上墙Ey的力臂 Zx = 3.018 (m)相对于墙趾,上墙Ex的力臂 Zy = 3.207 (m)相对于墙趾,下墙Ey的力臂 Zx3 = 2.751 (m)相对于墙趾,下墙Ex的力臂 Zy3 = 0.922 (m)验算挡土墙绕墙趾的倾覆稳定性倾覆力矩= 149.293(kN-m) 抗倾覆力矩= 483.319(kN-m)倾覆验算满足: K0 = 3.237 > 1.500倾覆稳定方程验算:倾覆稳定方程满足: 方程值 = 253.872(kN-m) > 0.0(三) 地基应力及偏心距验算基础为天然地基,验算墙底偏心距及压应力取倾斜基底的倾斜宽度验算地基承载力和偏心距作用于基础底的总竖向力 = 272.283(kN) 作用于墙趾下点的总弯矩=334.026(kN-m) 基础底面宽度 B = 2.471 (m) 偏心距 e = 0.009(m)基础底面合力作用点距离基础趾点的距离 Zn = 1.227(m)基底压应力: 趾部=112.513 踵部=107.888(kPa)最大应力与最小应力之比 = 112.513 / 107.888 = 1.043作用于基底的合力偏心距验算满足: e=0.009 <= 0.167*2.471 = 0.412(m)墙趾处地基承载力验算满足: 压应力=112.513 <= 180.000(kPa)墙踵处地基承载力验算满足: 压应力=107.888 <= 195.000(kPa)地基平均承载力验算满足: 压应力=110.200 <= 150.000(kPa)(四) 基础强度验算基础为天然地基,不作强度验算(五) 上墙截面强度验算上墙重力 Ws = 49.920 (kN)上墙墙背处的 Ex = 29.126 (kN)上墙墙背处的 Ey = 13.107 (kN)相对于上墙墙趾,上墙重力的力臂 Zw = 0.706 (m)相对于上墙墙趾,上墙Ex的力臂 Zy = 0.807 (m)相对于上墙墙趾,上墙Ey的力臂 Zx = 1.337 (m)[容许应力法]:法向应力检算:相对于上墙墙趾,合力作用力臂 Zn = 0.464(m)截面宽度 B = 1.700 (m) 偏心距 e1 = 0.386(m)截面上偏心距验算满足: e1= 0.386 <= 0.250*1.700 = 0.425(m) 截面上压应力: 面坡=87.518 背坡=-13.369(kPa)压应力验算满足: 计算值= 87.518 <= 1000.000(kPa)拉应力验算满足: 计算值= 13.369 <= 90.000(kPa)切向应力检算:剪应力验算满足: 计算值= 2.303 <= 90.000(kPa)斜截面剪应力检算斜剪应力验算满足: 计算值= 23.295 <= 90.000(kPa)[极限状态法]:重要性系数γ0 = 1.000验算截面上的轴向力组合设计值Nd = 63.027(kN)轴心力偏心影响系数αk = 0.617挡墙构件的计算截面每沿米面积A = 1.700(m2)材料抗压极限强度Ra = 1600.000(kPa)圬工构件或材料的抗力分项系数γf = 2.310偏心受压构件在弯曲平面内的纵向弯曲系数Ψk = 1.000计算强度时:强度验算满足: 计算值= 63.027 <= 726.855(kN)计算稳定时:稳定验算满足: 计算值= 63.027 <= 726.855(kN)(六) 墙底截面强度验算验算截面以上,墙身截面积 = 7.904(m2) 重量 = 189.696 kN相对于验算截面外边缘,墙身重力的力臂 Zw = 1.527 (m)[容许应力法]:法向应力检算:作用于截面总竖向力 = 257.234(kN) 作用于墙趾下点的总弯矩=328.786(kN-m) 相对于验算截面外边缘,合力作用力臂 Zn = 1.278(m)截面宽度 B = 2.520 (m) 偏心距 e1 = -0.018(m)截面上偏心距验算满足: e1= -0.018 <= 0.250*2.520 = 0.630(m)截面上压应力: 面坡=97.663 背坡=106.491(kPa)压应力验算满足: 计算值= 106.491 <= 1000.000(kPa)切向应力检算:剪应力验算满足: 计算值= -5.225 <= 90.000(kPa)[极限状态法]:重要性系数γ0 = 1.000验算截面上的轴向力组合设计值Nd = 257.234(kN)轴心力偏心影响系数αk = 0.999挡墙构件的计算截面每沿米面积A = 2.520(m2)材料抗压极限强度Ra = 1600.000(kPa)圬工构件或材料的抗力分项系数γf = 2.310偏心受压构件在弯曲平面内的纵向弯曲系数Ψk = 0.999计算强度时:强度验算满足: 计算值= 257.234 <= 1744.367(kN)计算稳定时:稳定验算满足: 计算值= 257.234 <= 1742.434(kN)(七) 台顶截面强度验算[土压力计算] 计算高度为 3.200(m)处的库仑主动土压力计算上墙土压力无荷载时的破裂角 = 45.440(度)按假想墙背计算得到:第1破裂角: 47.060(度)Ea=107.530 Ex=21.381 Ey=105.383(kN) 作用点高度 Zy=0.550(m) 因为俯斜墙背,需判断第二破裂面是否存在,计算后发现第二破裂面存在:第2破裂角=7.217(度) 第1破裂角=45.440(度)Ea=39.327 Ex=29.126 Ey=26.426(kN) 作用点高度 Zy=0.807(m) 计算下墙土压力无荷载时的破裂角 = 42.879(度)按力多边形法计算得到:破裂角: 42.879(度)Ea=33.452 Ex=33.448 Ey=0.563(kN) 作用点高度 Zy=0.717(m)[强度验算]验算截面以上,墙身截面积 = 5.824(m2) 重量 = 139.776 kN相对于验算截面外边缘,墙身重力的力臂 Zw = 1.600 (m)[容许应力法]:法向应力检算:作用于截面总竖向力 = 206.857(kN) 作用于墙趾下点的总弯矩=198.239(kN-m) 相对于验算截面外边缘,合力作用力臂 Zn = 0.958(m)截面宽度 B = 2.180 (m) 偏心距 e1 = 0.132(m)截面上偏心距验算满足: e1= 0.132 <= 0.250*2.180 = 0.545(m)截面上压应力: 面坡=129.273 背坡=60.504(kPa)压应力验算满足: 计算值= 129.273 <= 1000.000(kPa)切向应力检算:剪应力验算满足: 计算值= -9.252 <= 90.000(kPa)[极限状态法]:重要性系数γ0 = 1.000验算截面上的轴向力组合设计值Nd = 206.857(kN)轴心力偏心影响系数αk = 0.958挡墙构件的计算截面每沿米面积A = 2.180(m2)材料抗压极限强度Ra = 1600.000(kPa)圬工构件或材料的抗力分项系数γf = 2.310偏心受压构件在弯曲平面内的纵向弯曲系数Ψk = 1.000计算强度时:强度验算满足: 计算值= 206.857 <= 1446.636(kN)计算稳定时:稳定验算满足: 计算值= 206.857 <= 1446.636(kN)=================================================各组合最不利结果=================================================(一) 滑移验算安全系数最不利为:组合1(组合1)抗滑力 = 108.913(kN),滑移力 = 62.947(kN)。
衡重式挡土墙施工方案一、工程简介K0+345~K0+387.5该衡重式挡土墙位于线路左侧、K0+325~K0+470该衡重式挡土墙位于线路右侧,挡墙设计承载力不小于250Kpa。
挡墙高度在2—4米之间,挡土墙墙身(含基础)采用M7.5浆砌片石砌筑,采用M10砂浆勾缝,基础采用C20片石砼制。
C20砼共141.86m3,M7。
5浆砌片石共574。
41m3,HRB335钢筋共2263.9kg,换填砂砾石共352。
36m3。
二、施工准备1、图纸审核及原地貌复测,发现图纸有误或现场与设计不符的及时上报相关人员进行复查。
2、挡土墙选用质地坚实、无风化剥落及抗压强度不低于30mpa的片石。
3、原材料送检。
三、施工工序施工准备测量放样基坑开挖基础施工墙身施工台背回填四、施工方案1、施工场地准备1)测量放线,定出桩位中心线及开挖边界线2)清除挡墙用地范围内的树木、杂草、垃圾等所有障碍物,并排除地表水。
2、基础开挖1)采用1。
2m3,斗容量的挖掘机一台进行基槽开挖,开挖长度根据现场地质情况开挖,一般为60m。
2)基槽边坡坡度根据现场地质情况及边坡开挖深度确定,一般在1:0。
3~1:0.5范围内(岩层开挖深度较小时可适当放小开挖坡度),基坑开挖至工作面以外30cm.3)机械开挖至基础距设计标高以上20cm时,重新进行测量放样,确定开挖正确不偏位的情况下改用人工进行基底清理,该段设计地基承载力不小于250kpa。
150~250kpa部分进行换填1m砂砾石处理,要求换填后承载力不小于250kpa。
基底承载力需经驻地实验室检查合格后才能进行下一步施工,基底表面用5cm水泥砂浆封底,并在适当位置设置集水井。
3、浆砌片石基础首先将片石中的风化石、杂质等清理干净,砂必须是经过试验合格的,砂浆拌合采用搅拌机拌合。
砂浆加水量采用搅拌机自动计量器控制水的需用量砂用磅秤计量。
砌筑前,再次符合各部尺寸,另外测量组将基础标高控制桩打在基坑四周,以便砌筑基础时拉线控制基础顶标高。
衡重式挡土墙课程设计1、设计资料(1)地形中浅切割褶皱剥蚀中低山地区,地势起伏较大。
(2)工程地质条件自上而下土层依次如下:①号土层:耕植土,厚约0.9m ,黄褐色,含大量有机质。
②号土层,中风化砾岩,厚度未揭露,地基容许承载力R=800kPa 。
(3)墙身及墙后填料材料参数填料, 35=ϕ 3m kN 18=γ,下墙2ϕδ=,上墙(假想墙背)ϕδ=。
墙身容重3k m kN 22=γ。
基底摩擦系数f=0.6。
圬工材料[a σ]=600k a P ,[1σ]=100k a P ,=j τ500k a P 。
(4)荷载参数本题组号为5,挡土墙高度8.1m ,车辆荷载换算等代土层厚度为=0h 0.55m ,分布在路基横断面方向的宽度0b =5.5m 。
(5)水文地质条件本次勘测未发现地下水,可不考虑地下水影响。
2、初步确定墙身尺寸挡土墙高8.1m ,选用上墙1H =3m ,选墙顶宽1b =0.5m,则上墙底宽1b =1.65m,下墙底宽B=1.53m,墙背俯斜1:0.33('11518 =α),衡重台宽1d =1.0m ,下墙2H =5.1m ,墙背仰斜1:0.27('20615 -=α),墙面坡1:0.05,见下图:3、上墙土压力计算(1)求破裂角1θ计算破裂角,判别是否出现第二破裂面,假想墙背倾角见下图,则有'1tan α=0.3133.00.3tan 1111+⨯=+H d H α=0.67 则'1α= 82.33假想破裂面交于荷载内,按表5.6第一类公式计算,得5.2723545=-==i i θα 521.0tan =i θ 验核破裂面位置如下:第一破裂面距墙顶内缘距离为)tan (tan '11αθ+i H =3.0×(0.521+0.67)=3.573m <0b =5.5m破裂面交于荷载内,与假设相符,而且也不可能出现其他情况,故采用此类计算公式。
实用标准文档中国剑门蜀道文化博览园剑门大道南延线建设工程衡重式挡墙施工方案编制: __________________________审核:_________________________四川长和建筑工程有限公司剑门大道南延线项目经理部二0—六年^一月十二日一、编制依据 (2)二、图纸依据 (2)三、工程概况 (2)四、拟投入的设备 (3)五、施工部署 (4)六、分项工程施工方法 (5)七、分项工程质量验收 (10)八、安全技术管理措施 (12)九、成品保护措施措施 (13)一、 编制依据 1、规范规程《公路路基施工技术规范》(JTG F10-2006)《混凝土结构工程施工质量验收规范》 GB50204-2002二、 图纸依据《中国剑门蜀道文化博览园剑门大道南延线建设工程 挡土墙施工图》 三、 工程概况1、挡土墙工程量及形式K0+500- K0+985右侧段长565米,地面到顶面高度为9--10米,基础埋深不 小于1米,承载力为350kpa ,砼标号C25;K1+134-K1+226右侧段长92.5米,地面到顶面高度为13米,基础埋深不小 于1米,承载力为350kpa ,砼标号C25;K0+465- K0+573左匝道右侧段长108米,K0+788- K0+806左匝道右侧段长 58m 墙高为3--5米,基础埋深不小于1米,承载力为150kpa ,砼标号C25外 侧为1:0.05斜面,内侧呈1:0.25斜坡形,顶宽500伽,断面:基本形式见下面 附图:2、挡土墙各分项工程的做法特点及要求挡土墙地基开挖及处理:中风化或强风化地基,开挖过程会出现局部基础不 平整,暂定为C20混凝土找平至设计标高。
对边坡不稳定的沟槽采取挖完一段验收后不支模一次性浇筑迪峨至495标高。
模板工程:由于该断面上部呈梯形,基础呈不规则形状,采用钢模板不合模数,采用定型钢模板费用太高,为此选用木模板:即木质多层板与35X 85的木方配合钢管的体系结构。
衡重式挡土墙墙身设计12m衡重式挡土墙验算[执行标准:公路]计算项目:衡重式挡土墙 1------------------------------------------------------------------------ 原始条件:墙身尺寸:墙身总高: 12.000(m)上墙高: 4.000(m)墙顶宽: 0.600(m)台宽: 2.500(m)面坡倾斜坡度: 1:0.100上墙背坡倾斜坡度: 1:0.500下墙背坡倾斜坡度: 1:-0.200采用1个扩展墙址台阶:墙趾台阶b1: 0.700(m)墙趾台阶h1: 1.000(m)墙趾台阶与墙面坡坡度相同墙踵台阶b3: 0.600(m)墙踵台阶h3: 1.000(m)下墙土压力计算方法: 力多边形法物理参数:圬工砌体容重: 23.000(kN/m3)圬工之间摩擦系数: 0.400地基土摩擦系数: 0.300砌体种类: 片石砌体砂浆标号: 5石料强度: 30挡土墙类型: 一般挡土墙墙后填土内摩擦角: 22.000(度)墙后填土粘聚力: 0.000(kPa)墙后填土容重: 19.000(kN/m3)墙背与墙后填土摩擦角: 11.000(度)地基土容重: 19.800(kN/m3)修正后地基土容许承载力: 300.000(kPa)墙底摩擦系数: 0.300地基土类型: 土质地基地基土内摩擦角: 30.000(度)坡线土柱:坡面线段数: 1折线序号水平投影长(m) 竖向投影长(m) 换算土柱数1 12.500 0.000 1第1个: 定位距离0.000(m) 汽车-超20级(计算荷载)地面横坡角度: 0.000(度)墙顶标高: 0.000(m)挡墙分段长度: 10.000(m)基础类型: 钢筋混凝土底板基础悬挑长度: 1.200(m)根部高度: 0.750(m)端头高度: 0.500(m)榫头宽度: 0.000(m)榫头高度: 0.000(m)基础容重: 23.000(kN/m3)钢筋容许拉应力: 150.000(MPa)混凝土容许主拉应力: 0.530(MPa)混凝土容许剪应力: 0.800(MPa)钢筋合力点到基底距离: 50(mm)=====================================================================第 1 种情况: 计算荷载[土压力计算] 计算高度为 12.000(m)处的库仑主动土压力计算上墙土压力无荷载时的破裂角 = 34.000(度)汽车-超20级(计算荷载)路基面总宽= 12.500(m), 路肩宽=0.000(m) 安全距离=0.500(m)单车车辆外侧车轮中心到车辆边缘距离= 0.350(m), 车与车之间距离=0.600(m)经计算得,路面上横向可排列此种车辆 4列布置宽度= 7.198(m)布置宽度范围内车轮及轮重列表:第1列车:中点距全部破裂体轮号路边距离(m) 轮宽(m) 轮压(kN) 上轮压(kN)01 0.500 0.300 15.000 15.00002 2.300 0.300 15.000 15.00003 0.500 0.600 60.000 60.00004 2.300 0.600 60.000 60.00005 0.500 0.600 60.000 60.00006 2.300 0.600 60.000 60.00007 0.500 0.600 70.000 70.00008 2.300 0.600 70.000 70.00009 0.500 0.600 70.000 70.00010 2.300 0.600 70.000 70.000第2列车:中点距全部破裂体轮号路边距离(m) 轮宽(m) 轮压(kN) 上轮压(kN)01 3.600 0.300 15.000 15.00002 5.400 0.300 15.000 15.00003 3.600 0.600 60.000 60.00004 5.400 0.600 60.000 60.00005 3.600 0.600 60.000 60.00006 5.400 0.600 60.000 60.00007 3.600 0.600 70.000 70.00008 5.400 0.600 70.000 70.00009 3.600 0.600 70.000 70.00010 5.400 0.600 70.000 70.000第3列车:中点距全部破裂体轮号路边距离(m) 轮宽(m) 轮压(kN) 上轮压(kN)01 6.700 0.300 15.000 15.00002 8.500 0.300 15.000 0.00003 6.700 0.600 60.000 60.00004 8.500 0.600 60.000 0.00005 6.700 0.600 60.000 60.00006 8.500 0.600 60.000 0.00007 6.700 0.600 70.000 70.00008 8.500 0.600 70.000 0.00009 6.700 0.600 70.000 70.00010 8.500 0.600 70.000 0.000布置宽度B0=7.198(m) 分布长度L0=15.309(m) 荷载值SG=1375.000(kN)换算土柱高度 h0 = 0.657(m)按假想墙背计算得到:第1破裂角: 36.650(度)Ea=252.694 Ex=84.906 Ey=238.003(kN) 作用点高度 Zy=1.498(m) 因为俯斜墙背,需判断第二破裂面是否存在,计算后发现第二破裂面存在:第2破裂角=34.002(度) 第1破裂角=34.000(度)Ea=164.282 Ex=91.862 Ey=136.199(kN) 作用点高度 Zy=1.498(m) 计算下墙土压力无荷载时的破裂角 = 40.722(度)汽车-超20级(计算荷载)路基面总宽= 12.500(m), 路肩宽=0.000(m) 安全距离=0.500(m)单车车辆外侧车轮中心到车辆边缘距离= 0.350(m), 车与车之间距离=0.600(m)经计算得,路面上横向可排列此种车辆 4列布置宽度= 13.230(m)布置宽度范围内车轮及轮重列表:第1列车:中点距全部破裂体轮号路边距离(m) 轮宽(m) 轮压(kN) 上轮压(kN)01 0.500 0.300 15.000 15.00002 2.300 0.300 15.000 15.00003 0.500 0.600 60.000 60.00004 2.300 0.600 60.000 60.00005 0.500 0.600 60.000 60.00006 2.300 0.600 60.000 60.00007 0.500 0.600 70.000 70.00008 2.300 0.600 70.000 70.00009 0.500 0.600 70.000 70.00010 2.300 0.600 70.000 70.000第2列车:中点距全部破裂体轮号路边距离(m) 轮宽(m) 轮压(kN) 上轮压(kN)01 3.600 0.300 15.000 15.00002 5.400 0.300 15.000 15.00003 3.600 0.600 60.000 60.00004 5.400 0.600 60.000 60.00005 3.600 0.600 60.000 60.00006 5.400 0.600 60.000 60.00007 3.600 0.600 70.000 70.00008 5.400 0.600 70.000 70.00009 3.600 0.600 70.000 70.00010 5.400 0.600 70.000 70.000第3列车:中点距全部破裂体轮号路边距离(m) 轮宽(m) 轮压(kN) 上轮压(kN)01 6.700 0.300 15.000 15.00002 8.500 0.300 15.000 15.00003 6.700 0.600 60.000 60.00004 8.500 0.600 60.000 60.00005 6.700 0.600 60.000 60.00006 8.500 0.600 60.000 60.00007 6.700 0.600 70.000 70.00008 8.500 0.600 70.000 70.00009 6.700 0.600 70.000 70.00010 8.500 0.600 70.000 70.000第4列车:中点距全部破裂体轮号路边距离(m) 轮宽(m) 轮压(kN) 上轮压(kN)01 9.800 0.300 15.000 15.00002 11.600 0.300 15.000 15.00003 9.800 0.600 60.000 60.00004 11.600 0.600 60.000 60.00005 9.800 0.600 60.000 60.00006 11.600 0.600 60.000 60.00007 9.800 0.600 70.000 70.00008 11.600 0.600 70.000 70.00009 9.800 0.600 70.000 70.00010 11.600 0.600 70.000 70.000布置宽度B0=13.230(m) 分布长度L0=19.928(m) 荷载值SG=2200.000(kN)换算土柱高度 h0 = 0.439(m)按力多边形法计算得到:破裂角: 39.469(度)Ea=431.955 Ex=431.948 Ey=-2.337(kN) 作用点高度 Zy=3.376(m) 墙身截面积 = 49.400(m2) 重量 = 1136.200 kN衡重台上填料重 = 178.504(kN) 重心坐标(2.635,-1.894)(相对于墙面坡上角点) (一) 滑动稳定性验算基底摩擦系数 = 0.300因墙下基础为钢筋混凝土底板,所以需要验算基础底面的滑移稳定性基础截面积 = 5.400(m2) 基础重量 Wj= 124.200 kN滑移力= 523.810(kN) 抗滑力= 477.589(kN)滑移验算不满足: Kc = 0.912 <= 1.300(二) 倾覆稳定性验算相对于墙趾,墙身重力的力臂 Zw = 3.508 (m)相对于墙趾,上墙Ey的力臂 Zx = 5.989 (m)相对于墙趾,上墙Ex的力臂 Zy = 9.498 (m)相对于墙趾,下墙Ey的力臂 Zx3 = 6.075 (m)相对于墙趾,下墙Ex的力臂 Zy3 = 3.376 (m)基础为钢筋混凝土底板,验算挡土墙绕基础趾点倾覆稳定性基础截面积 = 5.400(m2) 基础重量 Wj= 124.200 kN基础重心距离基础趾点的水平距离 = 3.792(m)倾覆力矩= 2723.776(kN-m) 抗倾覆力矩= 7894.303(kN-m)倾覆验算满足: K0 = 2.898 > 1.500(三) 地基应力及偏心距验算基础为钢筋混凝土底板,验算底板下的偏心距及基底压应力基础截面积 = 5.400(m2) 基础重量 Wj= 124.200 kN作用于基础底的总竖向力 = 1591.965(kN) 总弯距=5170.527(kN-m)基础底面宽度 B = 7.400 (m) 偏心距 e = 0.452(m)基础底面合力作用点距离基础趾点的距离 Zn = 3.248(m)基底压应力: 趾部=293.992 踵部=136.269(kPa)作用于基底的合力偏心距验算满足: e=0.452 <= 0.167*7.400 = 1.233(m) 地基承载力验算满足: 最大压应力=293.992 <= 300.000(kPa)(四) 基础强度验算基础为钢筋混凝土底板,需要作强度验算基础截面积 = 5.400(m2) 基础重量 Wj= 124.200 kN基础底面宽度 B = 7.400 (m) 偏心距 e = 0.452(m)基础底面合力作用点距离趾点的距离 Zn = 3.248(m)基础底压应力: 趾部=293.992 踵部=136.269(kPa)剪应力验算满足: Q = 337.444(kN) <= h*[t] = 600.000(kN)主拉应力验算不满足: Q = 337.444(kN) > 322.770(kN)钢筋面积: As = 2249.98(mm2/m)(五) 上墙截面强度验算上墙重力 Ws = 165.600 (kN)上墙墙背处的 Ex = 91.862 (kN)上墙墙背处的 Ey = 45.931 (kN)相对于上墙墙趾,上墙重力的力臂 Zw = 1.189 (m)相对于上墙墙趾,上墙Ex的力臂 Zy = 1.498 (m)相对于上墙墙趾,上墙Ey的力臂 Zx = 2.251 (m)法向应力检算相对于上墙墙趾,合力作用力臂 Zn = 0.769(m)截面宽度 B = 3.000 (m) 偏心距 e1 = 0.731(m)截面上偏心距验算满足: e1= 0.731 <= 0.250*3.000 = 0.750(m)截面上压应力: 面坡=173.610 背坡=-32.589(kPa)压应力验算满足: 计算值= 173.610 <= 800.000(kPa)拉应力验算满足: 计算值= 32.589 <= 80.000(kPa)切向应力检算剪应力验算满足: 计算值= 2.416 <= 80.000(kPa)斜截面剪应力检算斜剪应力验算满足: 计算值= 42.888 <= 80.000(kPa)(六) 墙底截面强度验算法向应力检算作用于截面总竖向力 = 1467.765(kN) 总弯距=3331.142(kN-m)相对于验算截面外边缘,合力作用力臂 Zn = 2.270(m)截面宽度 B = 6.200 (m) 偏心距 e1 = 0.830(m)截面上偏心距验算满足: e1= 0.830 <= 0.250*6.200 = 1.550(m)截面上压应力: 面坡=426.996 背坡=46.477(kPa)压应力验算满足: 计算值= 426.996 <= 800.000(kPa)切向应力检算剪应力验算满足: 计算值= -10.209 <= 80.000(kPa)(七) 台顶截面强度验算[土压力计算] 计算高度为 11.000(m)处的库仑主动土压力计算上墙土压力无荷载时的破裂角 = 34.000(度)汽车-超20级(计算荷载)路基面总宽= 12.500(m), 路肩宽=0.000(m) 安全距离=0.500(m)单车车辆外侧车轮中心到车辆边缘距离= 0.350(m), 车与车之间距离=0.600(m)经计算得,路面上横向可排列此种车辆 4列布置宽度= 7.198(m)布置宽度范围内车轮及轮重列表:第1列车:中点距全部破裂体轮号路边距离(m) 轮宽(m) 轮压(kN) 上轮压(kN)01 0.500 0.300 15.000 15.00002 2.300 0.300 15.000 15.00003 0.500 0.600 60.000 60.00004 2.300 0.600 60.000 60.00005 0.500 0.600 60.000 60.00006 2.300 0.600 60.000 60.00007 0.500 0.600 70.000 70.00008 2.300 0.600 70.000 70.00009 0.500 0.600 70.000 70.00010 2.300 0.600 70.000 70.000第2列车:中点距全部破裂体轮号路边距离(m) 轮宽(m) 轮压(kN) 上轮压(kN)01 3.600 0.300 15.000 15.00002 5.400 0.300 15.000 15.00003 3.600 0.600 60.000 60.00004 5.400 0.600 60.000 60.00005 3.600 0.600 60.000 60.00006 5.400 0.600 60.000 60.00007 3.600 0.600 70.000 70.00008 5.400 0.600 70.000 70.00009 3.600 0.600 70.000 70.00010 5.400 0.600 70.000 70.000第3列车:中点距全部破裂体轮号路边距离(m) 轮宽(m) 轮压(kN) 上轮压(kN)01 6.700 0.300 15.000 15.00002 8.500 0.300 15.000 0.00003 6.700 0.600 60.000 60.00004 8.500 0.600 60.000 0.00005 6.700 0.600 60.000 60.00006 8.500 0.600 60.000 0.00007 6.700 0.600 70.000 70.00008 8.500 0.600 70.000 0.00009 6.700 0.600 70.000 70.00010 8.500 0.600 70.000 0.000布置宽度B0=7.198(m) 分布长度L0=15.309(m) 荷载值SG=1375.000(kN)换算土柱高度 h0 = 0.657(m)按假想墙背计算得到:第1破裂角: 36.650(度)Ea=252.694 Ex=84.906 Ey=238.003(kN) 作用点高度 Zy=1.498(m) 因为俯斜墙背,需判断第二破裂面是否存在,计算后发现第二破裂面存在:第2破裂角=34.002(度) 第1破裂角=34.000(度)Ea=164.282 Ex=91.862 Ey=136.199(kN) 作用点高度 Zy=1.498(m) 计算下墙土压力无荷载时的破裂角 = 40.382(度)汽车-超20级(计算荷载)路基面总宽= 12.500(m), 路肩宽=0.000(m) 安全距离=0.500(m)单车车辆外侧车轮中心到车辆边缘距离= 0.350(m), 车与车之间距离=0.600(m)经计算得,路面上横向可排列此种车辆 4列布置宽度= 12.456(m)布置宽度范围内车轮及轮重列表:第1列车:中点距全部破裂体轮号路边距离(m) 轮宽(m) 轮压(kN) 上轮压(kN)01 0.500 0.300 15.000 15.00002 2.300 0.300 15.000 15.00003 0.500 0.600 60.000 60.00004 2.300 0.600 60.000 60.00005 0.500 0.600 60.000 60.00006 2.300 0.600 60.000 60.00007 0.500 0.600 70.000 70.00008 2.300 0.600 70.000 70.00009 0.500 0.600 70.000 70.00010 2.300 0.600 70.000 70.000第2列车:中点距全部破裂体轮号路边距离(m) 轮宽(m) 轮压(kN) 上轮压(kN)01 3.600 0.300 15.000 15.00002 5.400 0.300 15.000 15.00003 3.600 0.600 60.000 60.00004 5.400 0.600 60.000 60.00005 3.600 0.600 60.000 60.00006 5.400 0.600 60.000 60.00007 3.600 0.600 70.000 70.00008 5.400 0.600 70.000 70.00009 3.600 0.600 70.000 70.00010 5.400 0.600 70.000 70.000第3列车:中点距全部破裂体轮号路边距离(m) 轮宽(m) 轮压(kN) 上轮压(kN)01 6.700 0.300 15.000 15.00002 8.500 0.300 15.000 15.00003 6.700 0.600 60.000 60.00004 8.500 0.600 60.000 60.00005 6.700 0.600 60.000 60.00006 8.500 0.600 60.000 60.00007 6.700 0.600 70.000 70.00008 8.500 0.600 70.000 70.00009 6.700 0.600 70.000 70.00010 8.500 0.600 70.000 70.000第4列车:中点距全部破裂体轮号路边距离(m) 轮宽(m) 轮压(kN) 上轮压(kN)01 9.800 0.300 15.000 15.00002 11.600 0.300 15.000 15.00003 9.800 0.600 60.000 60.00004 11.600 0.600 60.000 60.00005 9.800 0.600 60.000 60.00006 11.600 0.600 60.000 60.00007 9.800 0.600 70.000 70.00008 11.600 0.600 70.000 70.00009 9.800 0.600 70.000 70.00010 11.600 0.600 70.000 70.000布置宽度B0=12.456(m) 分布长度L0=19.351(m) 荷载值SG=2200.000(kN)换算土柱高度 h0 = 0.480(m)按力多边形法计算得到:破裂角: 40.513(度)Ea=359.075 Ex=359.070 Ey=-1.942(kN) 作用点高度 Zy=2.988(m)[强度验算]法向应力检算作用于截面总竖向力 = 1326.709(kN) 总弯距=2305.994(kN-m)相对于验算截面外边缘,合力作用力臂 Zn = 1.738(m)截面宽度 B = 4.800 (m) 偏心距 e1 = 0.662(m)截面上偏心距验算满足: e1= 0.662 <= 0.250*4.800 = 1.200(m)截面上压应力: 面坡=505.072 背坡=47.724(kPa)压应力验算满足: 计算值= 505.072 <= 800.000(kPa)切向应力检算剪应力验算满足: 计算值= -16.615 <= 80.000(kPa)。