罐体验收标准1.doc
- 格式:doc
- 大小:66.50 KB
- 文档页数:5
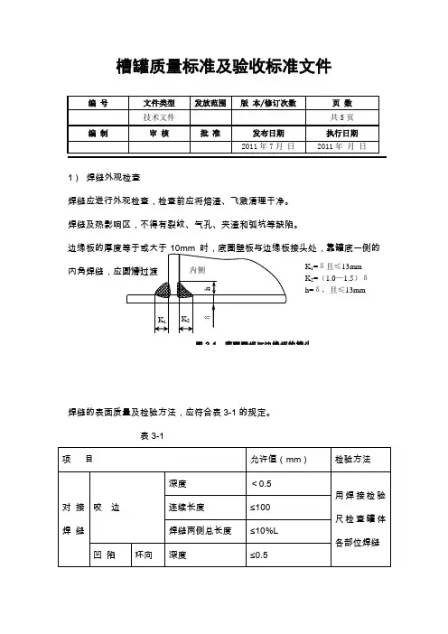
槽罐质量标准及验收标准文件1) 焊缝外观检查焊缝应进行外观检查,检查前应将熔渣、飞溅清理干净。
焊缝及热影响区,不得有裂纹、气孔、夹渣和弧坑等缺陷。
焊缝的表面质量及检验方法,应符合表3-1的规定。
表3-1 K 1=δ且≤13mmK 2=(1.0—1.5)δ h=δ,且≤13mm图3-1 底圈壁板与边缘板的接头(2)罐壁的焊缝的无损检测和试验方法按照图纸要求执行。
焊接修补施工过程中产生的各种表面缺陷的修补,应符合下列规定:深度超过0.5mm的划伤、电弧擦伤、焊疤等有害缺陷,应打磨平滑,打磨修补后在制造、运输和的钢板厚度,应等于或大于钢板名义厚度扣除负偏差值;应进行磁粉检测或渗透探伤。
缺陷深度或打磨深度超过1mm时,应进行补焊,并打磨平滑。
焊缝缺陷的修补,应符合下列规定:焊缝表面缺陷超过规定(详见焊接检验)时,应进行打磨或补焊;焊缝内部的超标缺陷在焊接修补前,应探测缺陷的深度,确定缺陷的清除面,清除的深度不宜大于板厚的2/3。
返修后的焊缝,应按原规定的方法进行探伤并应达到合格标准。
焊接的修补,必须严格按照返修焊接工艺进行,其修补的长度,不应小于50mm ;罐体充水试验时,如发现罐壁焊缝缺陷,应放水使水面低于该处300mm或更低,将水擦干后返修,并重新进行试验。
同一部位的返修次数,不宜超过二次,当超过二次时,应经技术负责人批准。
(3)焊缝无损检测3.1:焊逢检测由第三方检测;3.2:罐底板的对接接头:焊完第一道和最后一道分别按JB/T4730.4进行MT检测,合格级别按GB50128中的规定,水压试验前后应进行UT检测,并符合JB/4730.3中П级为合格,水压实验前后进行真空箱试验,试验负压值不低于53Kpa,无渗漏为合格。
3.3:罐底板与罐壁底圈的角焊缝(水压试验前后)按JB/T4730.4-2005进行MT检测,合格级别按GB50128中的规定。
内侧应进行真空箱试验,试验负压值不低于53Kpa,无渗漏为合格。
立式圆筒形焊接储罐施工及验收规范GB50128-2005 施工及检验流程一、材料报验所有建造储罐的材料和附件,应具有合格证和质量证明书,并符合相应国家现行标准规定及图纸设计要求。
二、储罐构件预制(注:底板、壁板、顶板预制前应绘制排版图)1、下料检查:底板、壁板、顶板(浮顶和内浮顶、固定顶)尺寸允许偏差2、碳素钢板及低合金钢板宜采用机械加工或自动、半自动火焰切割加工,不锈钢板应采用机械或等离子切割加工。
3、钢板坡口加工应平整,不得有夹渣、分层、裂纹等缺陷,火焰及等离子切割坡口产生在表面硬化层应去除。
4、厚度≥12mm的弓形边缘板,应在两侧100mm范围内进行超声波检测。
如采用火焰切割坡口,应对坡口表面进行磁粉检测或渗透检测。
5、如需要防腐则按设计文件及相关规范要求进行防腐质量检查。
6、储罐的所有预制构件完成后,应有编号,并应用油漆或其他方法做出清晰的标识。
三、基础验收复测1、基础中心标高允许偏差为±20mm。
2、支承罐壁的基础表面其高差:(1)有环梁时,每10米弧长内任意两点的高差不得大于6mm,且整个圆周长度内任意两点的高差不得大于12mm。
(2)碎石环梁和无环梁时,每3米弧长内任意两点的高差不得大于6mm,且整个圆周长度内任意两点的高差不得大于20mm。
3、沥青砂层表面应平整密实,无突出的隆起、凹陷和贯穿裂纹。
沥青砂表面凹凸度检查方法如下:(1)当储罐直径等于或大于25米时,以基础中心为圆心,以不同半径作同心圆,将各圆心分成若干等分,在等分点测量沥青砂层的标高,同一圆周上的测点其测量标高与计算标高之差不应大于12 mm。
(2)当储罐直径小于25米时,可从基础中心向基础周边拉线测量,基础表面凹凸度不应大于25 mm.。
4单面倾斜式基础表面倾斜度允许偏差为≤15mm。
四、罐体安装及检查(罐底组装)(1)罐底采用带垫板的对接接头时,垫板应与对接的两块钢板贴紧,并点焊固定,其缝隙不应大于1mm.。
一、总则第一条为保障人民群众生命财产安全,防止煤气罐事故的发生,根据《城镇燃气管理条例》等相关法律法规,结合本地区实际情况,制定本制度。
第二条本制度适用于所有使用煤气罐的单位和个人。
第三条使用煤气罐的单位和个人应严格遵守本制度,确保煤气罐安全使用。
二、煤气罐选购与验收第四条煤气罐选购应选择符合国家标准、具有生产许可证的厂家生产的煤气罐。
第五条购买的煤气罐应具备以下条件:(1)外观完好,无破损、裂纹;(2)阀门、接口等部件完好,无泄漏;(3)罐体表面无明显变形、凹陷;(4)煤气罐应有合格证、生产日期、检验日期等信息。
第六条购买煤气罐后,使用单位或个人应进行验收,确保煤气罐符合要求。
三、煤气罐存放与管理第七条煤气罐应存放在干燥、通风、防火、防爆的专用库房内,库房面积不小于2平方米,室内高度不小于2.2米。
第八条煤气罐存放时应远离火源、热源,不得与火炉、暖气片等高温设施同室存放。
第九条煤气罐存放时应按照种类、规格、使用期限等进行分类存放,并定期检查,确保存放安全。
第十条煤气罐存放库房内应配备灭火器、防暴灯等消防设施。
四、煤气罐使用与操作第十一条使用煤气罐前,应仔细阅读产品说明书,了解煤气罐的使用方法和注意事项。
第十二条使用煤气罐时,应确保煤气罐阀门关闭,避免泄漏。
第十三条使用煤气罐时,应保持室内通风,防止煤气积聚。
第十四条使用煤气罐时,严禁私自拆卸、安装、改装煤气罐及其附属设施。
第十五条使用煤气罐时,严禁将煤气罐放在床上、沙发上等易燃物品附近。
五、煤气罐维修与更换第十六条煤气罐出现以下情况之一时,应立即停止使用,并送专业维修机构进行维修或更换:(1)煤气罐泄漏;(2)煤气罐阀门、接口等部件损坏;(3)煤气罐罐体出现裂纹、变形;(4)煤气罐超过使用期限。
第十七条维修或更换煤气罐时,应选择具有资质的专业维修机构,确保维修质量。
六、监督检查与责任追究第十八条各级政府及相关部门应加强对煤气罐安全使用的监督检查,确保本制度得到有效执行。
奶粉罐子验收标准
一、概述
本标准规定了奶粉罐子的验收要求和方法,以确保罐子的质量、安全性和合规性。
验收标准涵盖了外观检查、密封性测试、完整性测试、清洁度检查、成分与标签核对、保质期核验、温度稳定性测试、罐盖与底部的牢固度以及内部无异物等方面的要求。
二、外观检查
1.检查罐子表面是否光滑,无划痕、凹陷、凸起等明显缺陷。
2.检查罐子颜色是否均匀,无明显色差。
3.检查罐子上的标签,包括品牌、产品名称、生产日期等是否清晰、完整。
三、密封性测试
1.检查罐子盖子是否紧密,无缝隙。
2.将罐子倒置,检查是否有泄漏现象。
3.在罐子中加水并加盖密封,将罐子倒置,观察是否有水渗出,以验证密封
性能。
四、完整性测试
1.对罐子进行抗压测试,以确保罐子在运输和存储过程中能够承受一定的压
力。
2.对罐子进行抗冲击测试,以确保罐子在受到冲击时不会破裂。
3.对罐子进行抗扭测试,以确保罐子在受到扭力时不会变形。
五、清洁度检查
1.检查罐子内部是否干净,无残留物。
2.将罐子浸泡在清洁剂中,然后用清水冲洗干净,以确保罐子的清洁度。
六、成分与标签核对
1.核对罐子上的成分表与实际产品是否一致。
2.检查罐子上的营养成分表,确保其符合相关法规和标准要求。
七、保质期核验
1.检查罐子的生产日期和保质期,确保其符合相关法规和标准要求。
2.在购买和使用过程中,要特别注意检查保质期,避免使用过期产品。
罐体检验报告
检验单位:XXX检测中心
被检单位:XXX化工有限公司
检验日期:20XX年XX月XX日
检验项目:罐体壁厚、焊缝、涂层质量等。
检测仪器:超声波探伤仪、涂层测厚仪等。
检验人员:检验员A、检验员B等。
检验结果:
经过对被检罐体的全面检测和测试,得到如下结果:
1.罐体壁厚:罐体壁厚平均值为8.5mm,各点测量值在合规范围内,未发现异常情况。
2.焊缝:罐体焊缝均匀、平滑,焊缝质量良好,未发现任何缺陷或裂纹等问题。
3.涂层质量:罐体涂层平整、均匀,涂层质量符合国家标准,未发现任何破损、剥落等情况。
综上所述,被检罐体符合国家相关标准和技术规范,可以安全使用。
检验报告书签发人:XXXXXXXX
检验报告书接收人:XXXXXXXX
备注:本报告书为原件,共计1份,不得涂改。
装车前后验罐操作规程
《装车前后验罐操作规程》
1、操作前准备
1.1 检查罐车的车况,确保车辆运行正常,车身没有漏油漏水等情况。
1.2 确认罐车内罐的情况,包括罐体是否有损坏,管道是否漏水等。
1.3 检查罐车的附属设备,如泵管、阀门等,确保其完好。
2、罐体验罐
2.1 打开罐顶进气阀,让罐内与大气压平衡。
2.2 确认罐内是否有残余气体,保证安全操作。
2.3 检查罐内是否有异物,保证罐内清洁。
2.4 关闭罐顶进气阀。
3、装车前
3.1 准备好装车所需的设备,如泵管、阀门等。
3.2 检查罐车与装车的设备连接处,确保连接牢固。
3.3 打开罐底进气阀,将罐体内的压力释放。
3.4 打开罐底排放阀,排除罐内的残余液体。
3.5 关闭罐底进气阀、排放阀。
4、装车后
4.1 关闭罐车与装车设备的连接处的阀门,防止液体泄漏。
4.2 清理罐车与装车设备的连接处,确保无残余液体。
4.3 检查罐车的车况,确保罐车运行正常。
4.4 对罐内进行验罐,确保无残余液体,并关闭罐内进气阀。
5、注意事项
5.1 操作人员需戴好安全帽、手套等防护用具。
5.2 操作人员需熟悉设备操作规程,确保操作安全。
5.3 定期对罐车进行检查维护,确保罐车设备的正常运行。
通过以上《装车前后验罐操作规程》,在罐体验罐、装车前后的操作中,可以确保罐车装车操作的安全性和有效性。
操作人员需严格按照规程进行操作,并且定期对罐车设备进行检查维护,以确保罐车的正常运行。
储罐安装验收操作标准手册编制部门:设备管理部一、目的为方便开展对储罐的安装验收工作,保证储罐的正常投用和后续使用,特制订本标准操作手册。
二、适用范围公司内负责储罐安装验收的相关人员。
三、术语解释无四、基本流程(一)储罐基础验收操作标准1、储罐基础大小应符合要求,基础的平面尺寸应较储罐底部四周各宽出100~150mm,基础顶部标高地面150mm以上。
2、储罐基础外观不得有裂纹,蜂窝,空洞,露筋,破损等缺陷,以免影响储罐后续安装。
3、储罐基础必须刷黄漆进行防腐标示,并且储罐基础卫生清洁无杂物。
(二)储罐安装验收操作标准1、储罐安装必须有隐蔽验收记录表(附表1、附表2)。
2、储罐外观无裂纹、重皮及疤痕,凹陷及麻坑深度不超过3~4mm 。
3、罐体若安装在两个鞍式支座上,其中一个支座应为固定端,另一个支座为活动端,目的是使罐体能够自由热胀冷缩。
基础四周基础刷漆防腐、卫生清洁基础标高基础外观无缺陷储罐外观平整鞍式支座4、罐体采用地脚螺栓进行固定时,地脚螺应垂直、无倾斜。
5、罐体若安装在基础预埋件上,罐体支撑底部必须满焊在基础预埋件上。
6、储罐放空管上端应设弯管或防雨帽,以免管内存水。
7、储罐必须进行刷漆防腐或安装保温层。
活动端固定端地脚螺栓支撑底部满焊在预埋件上预埋件8、储罐铭牌为防止酸性气体的腐蚀需要均匀涂抹黄油。
9、储罐位号标示清楚准确,悬挂设备管理卡且内容填写清楚、齐全10、储罐安装过程中,应做好储罐的防雷接地工作,储罐底部焊接扁钢作为静电接地。
刷漆保温层设备铭牌标示清楚准确扁钢扁钢11、储罐需要封堵的法兰口需要用标准的盲盖进行盲死。
盲盖附表1、2H3503-J302 立式设备安装记录工程名称:单元名称:设备名称位号型号及规格 h为两测点间的距离 h= mm。
项目方位允许值(mm)实测值(mm)项目测量部位允许值(mm)实测值(mm)标高偏差(A)0º中心线位置偏差0º90º90º180º铅垂度0º270º90º结论建设/监理单位施工单位专业工程师:年月日技术负责人:质量检查员:班(组)长:年月日SH3503-J303 卧式设备安装记录工程名称:单元名称:设备名称位号型号及规格注:1. 图中B、C、D、E分别为设备筒体上基准中心点到基础标高基准线的相对标高值;2. 轴向水平偏差应低向排液口方向。
罐体检验管理制度为了确保罐体设备的安全运行,保证生产过程的顺利进行,防止事故的发生,我公司制定了《罐体检验管理制度》。
本制度的目的是规范罐体检验工作流程,保证检验质量,确保罐体设备安全可靠运行。
一、适用范围本制度适用于我司所有涉及罐体设备的检验工作,包括罐体的定期检验、焊缝检验、材料检验等内容。
二、检验计划编制1. 检验计划由设备管理部门负责编制,内容包括检验的时间、地点、检验人员等信息。
2. 检验计划应提前制定,并经相关部门审核通过后执行。
3. 检验计划应与设备维护计划相结合,保证罐体设备在正常运行期间完成检验任务。
三、检验人员资质要求1. 检验人员应具备相关工程技术背景和专业知识,经过培训合格后方可从事罐体设备检验工作。
2. 任务分工明确,责任分明,检验人员应按照计划进行检验工作,并及时向相关部门报告检验结果。
四、检验方法和标准1. 罐体设备的检验应按照国家相关标准和规范进行,确保检验结果准确可靠。
2. 在检验过程中,应采用适当的检测仪器和设备,对罐体设备各项指标进行测量和评估。
五、检验报告和记录1. 检验人员应对检验结果进行详细记录,并及时编制检验报告。
2. 检验报告应包括罐体设备的检验情况、存在问题及解决建议等内容。
3. 检验报告应经相关部门审核确认后归档保存,作为设备管理的重要依据。
六、异常情况处理1. 当发现罐体设备存在异常情况时,应立即停止使用,并及时向设备管理部门报告。
2. 设备管理部门应立即组织专业人员进行检查,查明问题原因,并制定合适的修复方案。
3.修复完成后,应重新进行检验,确认设备完全符合要求后方可恢复使用。
七、定期检验与维护1. 罐体设备应定期进行检验和维护,确保设备的安全可靠运行。
2. 定期检验可以根据设备的具体情况制定,原则上每半年进行一次。
3. 定期检验应由专业的检验人员进行,检验内容包括罐体的外部、内部情况、焊缝状况等。
八、附则本制度自颁布之日起执行。
对于涉及罐体设备的检验工作,必须严格按照本制度的要求进行。
广东海宝罐头食品有限公司铁罐验收借鉴汇编 2013.12.18编制一铁罐用料标准用料质量要求罐身马口铁一级镀锡薄钢板厚度:0.20±0.01mm , T4, 镀锡量:2.8/2.8低盖马口铁一级镀锡薄钢板,厚度:0.19±0.01mm , T4, 镀锡量:2.8/2.8底盖密封胶SRW-40密封胶罐身外涂/内涂外涂:彩色印刷内涂:2004-822 双涂黄厚度10-12g/㎡罐底外涂/内涂外涂:ZM2006 厚度4-6g/㎡内涂:2004-822 双涂黄厚度10-12g/㎡外焊缝补涂PPG2875-801/A无色涂液内焊缝补涂99BF 白色粉喷涂布及印刷色差以双方确认的样板为验收参照物对内装物要求适合罐装非充气经高压杀菌的低酸性食品(6.8≤PH≤7.5),我公司将根据盛装内容物不同,对空罐进行产品相容性试验,并予以确认。
本资料仅为参考使用,请根据海宝罐头食品有限公司实际结合使用二铁罐相关参数(尺寸)标准检测项目单位验收标准检测项目单位验收标准●罐身厚度mm 0.18±0.01●罐盖厚度mm 0.20±0.01●铁罐高度mm 121.0±0.3●铁罐重量g 45±2.0●罐身内径mm 72.9±0.1●底盖重量g 9.5±1.●卷封宽度mm 3.0±0.2○翻边宽度mm 2.8±0.2○卷封厚度mm 1.4±0.2○翻边圆弧半径Rmm 2.0-2.5○身钩宽度mm 2.0±0.2○易开盖埋头度mm 3.2±0.3○盖钩宽度mm 2.0±0.2○底开盖埋头度mm 3.2±0.3○迭接长度mm ≥1○密封胶重量g 55±10●迭接率% ≥50●紧密度% ≥50●焊缝错角mm ≤0.5●完整率% ≥50●焊缝拖尾mm ≤0.5○滚筋数根16注明:以上为7113#铁罐的验收标准,请根据海宝罐头食品有限公司产品结合实际进行借鉴验收,(说明:○为抽检项目;●为必检项目)三罐头罐体检验方法检测项目检验方法验收标准感官目测检查一铁罐:卷边不得有卷封,切罐,滑罐,舌头,疑是卷边,大塌边现象;罐的翻边不得有内卷,严重变形或开裂等现象;罐内壁应清洁,不得有不可食用的油污,油漆或外来异物;罐内壁不得有漏金属的损伤;焊缝不得有漏焊,冷焊,穿孔等焊接不良的现象,内涂膜及内补涂带部能有明显的气泡,焦黄,划痕现象;罐身凹痕不得超过1cm2;不能有印刷图案倒置,内印色现象;卷边出的涂层不得有剥离,脱落现象;缩颈处涂层无起皱现象,不得有溢胶现象;焊接错位,拖尾不能超过0.5mm二易开盖/底盖:盖型完整无缺,钩边无明显皱褶,变形。
二级标准金属罐检定规程
1. 检定范围,二级标准金属罐检定规程首先明确了适用范围,
包括金属罐的材质、尺寸、设计结构等方面的要求。
2. 检定标准,规定了金属罐的检定标准,包括国家标准、行业
标准等,以确保金属罐的质量符合相关标准要求。
3. 检定方法,规定了金属罐的检定方法和步骤,包括外观检查、尺寸测量、密封性能测试、承载能力测试等内容,以确保金属罐的
各项性能符合要求。
4. 检定依据,明确了金属罐检定所依据的法律法规、标准规范等,以及检定机构的资质要求和责任分工。
5. 检定程序,规定了金属罐检定的具体程序和流程,包括申请、受理、检测、评定、报告发布等环节,以确保检定工作的严谨性和
可追溯性。
6. 检定结果,规定了金属罐检定合格和不合格的判定标准和结
果处理程序,以及相关的监督和管理措施。
7. 检定记录,规定了金属罐检定过程中的记录保存要求,包括检定记录、检测数据、评定报告等内容的保存和管理。
总之,二级标准金属罐检定规程是对金属罐检定工作进行规范和指导的文件,其制定旨在确保金属罐质量的稳定和可靠性,保障消费者的权益,促进相关行业的健康发展。
希望以上回答能够满足你的要求。
检验计划设备名称:1000L搪瓷反应罐生产编号:HYR11-26-1一、封头:1、下料检验:材料确认,下料规格检验:夹套封头φ1640×δ8 mm罐体封头φ1520×δ12 mm3、成型检验:(1)夹套封头形状偏差,外凸≥15 mm内凹≥7.5 mm罐体封头形状偏差,外凸≥16.25 mm内凹≥8.125 mm(2)直边高度 +4 -2 mm(3)圆度 +4 -3 mm(4)周长允差 +12 -9 mm4、封头合格证:内容是否符合要求,检验标准为GB/T25198-2010。
5、封头焊缝RT检测,检测比例100%,合格级别Ⅱ级,检测标准JB/T4730.2-2005。
二、筒体: 1、下料检验:材质确认,罐体下料规格L=3768×800/δ12 mm夹套下料规格L=4082×1200/δ8 mm。
2、卷筒检验:罐体错边量:≤3mm 棱角度:≤3.2mm圆度:≤25 mm,夹套错边量:≤2mm 棱角度:≤2.8mm圆度:≤25 mm焊缝外观质量检验,检验标准GB150-1998。
三、罐体组对检验:1、错边量:≤3mm2、棱角度:≤3.2mm3、直线度:≤0.8mm4、焊缝检验,外观质量,RT检测比例100%,合格级别Ⅱ级,检测标准JB/T4730.2-2005。
四、开孔划线检验:1、按工艺管口方位图开孔划线。
2、孔的位置、角度等符合图纸要求。
五、罐体、罐盖衬搪瓷:按HG24232-2001及本厂烧搪通用工艺规程的要求进行衬搪瓷,用直流20KV火花检测仪检查搪瓷面。
瓷面厚度为0.8-2.0mm。
六、夹套组对检验:1、错边量:≤2mm2、棱角度:≤2.8mm3、直线度:≤1.2 mm七、开孔划线检验:1、按工艺管口方位图开孔划线。
2、孔的位置、角度等符合图纸要求八、人孔(≥DN250接管)检验:材质确认、尺寸检验、有拼接时检验坡口,错边量:≤3mm,棱角度:≤3.2mm,RT检测比例100%,合格级别Ⅱ级,检测标准JB/T4730.2-2005。
罐体闭水试验方案一、实验目的1、罐底严密性;2、罐体强度及严密性;3、基础的沉降观测。
4、罐体的垂直度效验。
二、充水试验前的准备工作1、充水试验前,所有附件及其它与罐体焊接的构件,应全部完工;2、充水试验前,所有与严密性试验有关的焊缝,均不得涂刷油漆,且不做防腐处理;3、试验前罐外周3m内场地无障碍、无污物。
4、罐体的封闭,检查罐体所有管口:人孔、排水口、出料口等是否已完全封闭良好。
5、准备好水源及水泵:水温t≧5℃,水中氯离子含量≦25㎎/L。
6、充水设备接通电器电源,并经试验运转正常。
7、用具准备:送水泵和管道阀门、水准仪和经纬仪。
8、在罐基础周圈均匀分设4个基准桩,用作观察罐体沉降量的基准,具体位置选择在地基坚硬同时利于观察的位置。
在相应基础上划出4个观测标记,用作罐体及基础沉降的基点。
再在相应方向任意两方向做灌顶至罐底的铅垂线,用作观测罐体垂直度。
三、人员组织结构组长:负责该实验整体策划副组长:负责安全负责土建和设备安装人员的协调四、充水步骤及检验要求1、步骤○1在充水前对罐进行基础空载测量,做好记录作为对比基准值。
○2在罐进水0.5m后暂停充水,检查底板四周是否有渗漏现象,作出检查记录。
无渗漏可继续充水,如有渗漏放水干净后修补处理。
○3再次充水至罐高1/4处,停止充水,全面检查渗漏情况,及时报告。
并进行第二次基础沉降观测,与第一次对比计算出沉降量。
如沉降量过大,或出现侧偏现象及时报告,采取适当纠偏措施。
如果均衡沉降,且沉降值在13㎜以内,可继续充水。
○4再次充水罐高1/2处停止充水,进行全面检查,是否有渗漏现象,如发现渗漏时,作出标记,放水至渗漏标记标高以下300㎜左右,停止放水,按规范要求进行焊接修补。
修补结束可继续充水,再进行全面检查,作出记录。
如无渗漏为合格,进行第三次沉降观测,计算出实际沉降值按○3条相同处理。
正常后可继续充水。
○5再次充水罐高3/4处,停止充水,按○3条和○4条相同处理。
《金属常压储罐检验规范》xxxx省地方标准编制说明1 制定本标准的目的和意义常压储罐在国民经济发展中具有重要作用,特别是石油、石化企业,没有储罐,就无法组织生产。
储罐是储运单元储备原料,油品调和和成品油输转的重要设备。
无论是陆地或海洋原油开采,还是炼油厂油品的存储;也无论是长输管线的泵站,销售油库,还是国家物质储备与战略储备,均离不开各种容量和类型的常压储罐。
在用常压储罐属于重复使用的设备,随着使用年限的增长,其发生危险的可能性也在增加。
一些容器由于长期未经检验,以至于存在的缺陷未能及时处理,留下了安全隐患。
近年来,不断有在用危险化学品常压储罐发生腐蚀泄漏的事故报告,对储罐进行检验能及时发现隐患,从而全面降低了储罐事故发生的风险。
目前国内没有相应的国家标准指导常压储罐的检验工作,为了适应社会经济发展的需要,提高金属常压储罐的管理和检验水平,更好的保障常压储罐的使用安全,需要制定金属常压储罐检验规范。
2 任务及编制原则和依据2.1 任务根据xxxx《危险化学品安全管理条例》,为了保证在用金属常压储罐在使用中的安全,保障人民生命及财产的安全,xxxx省锅炉压力容器安全检测研究院向xxxx省质量技术监督局申请了xxxx省地方标准立项。
根据xxxx省质量技术监督局05月17日下达的豫质监标发127号《第一批xxxx省地方标准制修订计划》的通知文件,批准《金属常压储罐检验规范》地方标准的制定。
之后,xxxx 省锅炉压力容器安全检测研究院常压储罐研究所和化工容器室的专业技术人员组成了标准起草工作组,收集了有关资料,进行调查研究,还安排了相关的试验和检验,最终确定了标准征求意见稿。
2.2 编制原则和依据本标准的编写格式按GB/T 1.1-《标准化工作导则第1部分:标准的结构和编写规则》和GB/T 1.2-《标准化工作导则第2部分:标准中规范性技术要素内容的确定方法》的规定,主要内容参照有关金属钢制焊接储罐的制造、验收、修理、检验等国家标准和行业标准编写,如:SY/T 5921- 《立式圆筒形钢制焊接油罐操作维护修理规程》、SH/S01012- 《常压立式圆筒形钢制焊接储罐维护检修规程》、TSG R7001- 《压力容器定期检验规则》。
DB44-307―2006危险化学品常压储罐定期检验规范docBICS 23.020.10A 82备案号:*****-2006DB44 省地方标准DB44/ 307―2006 广东钢制固定式危险化学品常压容器定期检验规范2006-05-23发布2006-12-01实施广东省质量技术监督局发布DB44 /307―2006目次前言................................................................................. II 1 范围................................................................................ 1 2 规范性引用文件...................................................................... 1 3 总论................................................................................ 1 4 检验前的准备........................................................................ 2 5 检验内容与要求...................................................................... 2 6 缺陷处理与结果评定.................................................................. 5 7 检验结论 ............................................................................ 5 附录A (资料性附录)壁厚校核 ........................................................ 7 附录B (资料性附录)容器的修理 ...................................................... 8 附录C (资料性附录)检验报告格式 . (9)IDB44/307―2006前言本标准的第1章、第3章和第7章为强制性的条款,其余为推荐性的条款。
汽车罐体安装合同一、合同双方。
甲方(发包方):姓名:______联系地址:______联系电话:______乙方(承包方):姓名:______联系地址:______联系电话:______甲乙双方就汽车罐体安装事宜,本着友好协商、平等互利的原则,达成如下协议。
二、安装项目概况。
1. 汽车罐体型号。
乙方负责安装的汽车罐体系列号为______,具体规格为______。
这个罐体就像是汽车的一个超级大胃王,能装下好多东西呢。
2. 安装地点。
安装地点在甲方指定的地点,也就是______。
这个地方得方便车辆进出,可不能让咱的汽车和罐体在安装的时候受委屈呀。
三、安装内容及要求。
1. 乙方的工作内容。
乙方要负责汽车罐体的全面安装工作,从把罐体运到安装地点开始,到最后的调试,每一个环节都得精心操作。
就像照顾一个小宝贝一样,不能有一点马虎。
这其中包括罐体的固定、管道连接、阀门安装等等。
而且在安装过程中,要确保罐体安装牢固,就像大树扎根在土里一样稳稳当当的,管道连接要严密,不能有任何泄漏的小缝隙哦。
2. 质量要求。
安装完成后的汽车罐体得符合国家相关标准,这是最基本的要求啦。
质量就像是我们的生命线,可不能含糊。
罐体表面不能有明显的划伤或者变形,就像我们的脸蛋一样,要光滑漂亮。
而且各项功能都得正常运行,比如说罐体的容量要准确,不能缺斤少两的。
四、安装工期。
1. 总工期。
乙方要在______天内完成汽车罐体的安装工作。
这个时间可不能随便拖延哦,甲方还等着汽车带着罐体去干活呢。
2. 工期延误。
如果因为乙方的原因导致工期延误,比如说工人偷懒或者材料没准备好,那乙方可就要承担责任啦。
每延误一天,乙方要按照合同总金额的______%向甲方支付违约金。
如果是因为不可抗力的因素,像突然刮大风下大雨这种老天爷捣乱的情况,工期可以适当顺延,但是乙方要及时通知甲方哦,可不能让甲方干着急。
五、合同价款及付款方式。
1. 合同价款。
2. 付款方式。