11.4KW绞车计算
- 格式:xls
- 大小:21.00 KB
- 文档页数:2
绞车自动验算公式绞车验算公式: 1. )f1cos m2)(sin (m1)f2cos MpL(sin -Fmax αααα+++=N )2(sin )cos 1)(sin 21(ααααxos f MPL f m m N QP Ma ++++= JD-11.4基本参数:Fmax=10000kg 、mp=0.5412kg 、Qp=9730kg 、ma=6.5、m1+m2=2400kg 、f1=0.015、f2=0.2、a=、L =150m 。
公式:N=(1000-0.5412*150*(sin(4)+0. 2*cos(4)))/(2400*(sin(4)+0.015*cos(4))) Ma=9730/ (2*2400* (sin(4)+0.015*cos(4))+0.5412*200* (sin(4)+0. 2*cos(4)))JD-25基本参数:Fmax=1800kg 、mp=0.8457kg 、Qp=15200kg 、ma=6.5、m1+m2=2400kg 、f1=0.015、f2=0.2、a=、L =400m 。
公式: N=(1800-0.8457*200*(sin(6)+0. 2*cos(6)))/(2400*(sin(6)+0.015*cos(6)))Ma=15200/ (3*2400* (sin(6)+0.015*cos(6))+0.8457*200* (sin(6)+0. 2*cos(6)))JD-40基本参数:Fmax =2500kg ;M1+M2=2400kg;f1=0.015;f2=0.2; 6分绳mp=1.218kg/m ;p=19950,a=17.5度,L =400米。
N=(2500-1.218*100*(sin(13.3)+0. 2*cos(13.3)))/(2400*(sin(13.3) +0.015*cos(13.3)))JD-55基本参数:Fmax =4000kg ;M1+M2=2400kg;f1=0.015;f2=0.2; 7分绳mp=1.64kg/m ;Qp=269000N,a=17.5度,L =400米。
一、由厂家技术人员指导,SQ-80型无极绳牵引绞车机头拆卸部分为电机、齿轮滚筒、减速箱、机架等部件,并分别装车。
其最重部分物重为2吨,最高物件高度为2.1米(包括矿车高度)。
物件入罐及井下运输时,部分物件为“四超”车辆。
“四超”大件入罐及井下运输时,应严格按《运送大件“四超”车辆的技术措施》施工。
二、绞车机头位置靠近小眼,机头拆卸部分卸车码放时,应注意以下几点:1、小眼为封闭状态,上端用工字钢码起,并用道木垫实,上用矸石抹平。
2、机头拆卸大件最重2吨,大件吊运摆放位置不得在小眼上方,必须与小眼留出安全距离。
3、机头大件拖地拉运时,必须用3个以上符合安全要求的手拉葫芦可靠留住,并尽量避免直接从小眼上方通过。
4、需要登高作业时,应严格按照以下规定措施进行施工:(1)搭接脚手架,搭接的脚手架必须牢固、可靠,并符合安全施工要求。
(2)登高使用的梯子、保险带事先要检查,确认无安全隐患后方可使用。
(3)登高使用的梯子两侧要用拉绳拉住,防止向两侧滑开。
(4)登高时要将梯子放置平稳牢固,且下面要有专人看护扶持防止摔倒防止意外事故发生。
(5)登高作业人员要佩戴保险带,并悬挂在施工地点的上方,固定牢固可靠。
保险带留绳长度为人员落下时不能直接接触地面为宜。
(6)有恐高者严禁登高作业或登脚手架操作施工。
已知巷道倾角为8度,巷道长度120米,绞车最大部件重量为2.0吨,钢丝绳选用6×19,直径12.5mm,破断拉力10339kg,0.617kg/m,矿车阻力系数f=0.013,钢丝绳阻力系数f``=0.15。
实际牵引力校验:Fmax=n(q+qc)(sinα+fconα)+PL(sinα+f`conα)=1×(500+2000)(sin8+0.013con8)+0.617×120(sin8+0.15con8)=2500×(0.139+0.990×0.013)+0.617×120×(0.139+0.15×0.990)=400.7Kg<1000KgJD-11.4kw绞车M=Qz/ Fmax=10339/400.7=25.8>6.5满足要求。
第1部JDHB-30型稳车:1、载荷量W和矿车数n的确定:允许载荷量W===72367Kg允许载车数n ≤==9根据现场实际:实际载车数为1个。
其中:p:JDHB-30型稳车取20000kg;F1取0.015 F2取0.15L:巷道长度q:钢丝绳每米重量Q1:平盘车自重Q:掘进机中最重件-前机架2、钢丝绳安全系数校验:钢丝绳规格=18.5mm;破断力F=18000kg钢丝绳终端载荷:p1=n×(Q1+Q)×(SINα+F1COSα)=1×(1000+7000)×(SIN15+0.015×COS15)=2186kg钢丝绳的安全系数:n1 =F/P1 =18000/2186=8.2>6.5所以拉1个车符合要求。
第2部JD-25kw绞车:1、载荷量W和矿车数n的确定:允许载荷量W===9313Kg允许载车数n ≤==1.1实际载车数为1个。
其中:p:JD-25Kw取1850kg;F1取0.015 F2取0.15L:巷道长度q:钢丝绳每米重量Q1:平盘车自重Q:掘进机中最重件-前机架2、钢丝绳安全系数校验:钢丝绳规格=15.5mm;破断力F=12500kg钢丝绳终端载荷:p1=n×(Q1+Q)×(SINα+F1COSα)=1×(1000+7000)×(SIN10+0.015×COS10)=1507kg钢丝绳的安全系数:n1 =F/P1 =12500/1507=8.2>6.5所以拉1个车符合要求。
第3部JD-25kw绞车:1、载荷量W和矿车数n的确定:允许载荷量W===9746Kg允许载车数n ≤==1.2实际载车数为1个。
其中:p:JD-25Kw取1850kg;F1取0.015 F2取0.15L:巷道长度q:钢丝绳每米重量Q1:平盘车自重Q:掘进机中最重件-前机架2、钢丝绳安全系数校验:钢丝绳规格=15.5mm;破断力F=12500kg钢丝绳终端载荷:p1=n×(Q1+Q)×(SINα+F1COSα)=1×(1000+7000)×(SIN10+0.015×COS10)=1507kg钢丝绳的安全系数:n1 =F/P1 =12500/1507=8.2>6.5所以拉1个车符合要求。
斜巷绞车选型设计计算书MicrosoftWord文档斜巷绞车选型设计计算书一、相关参数:1、使用地点相关参数:使用地点:7240风巷使用地点斜巷最大倾角(α)10 度,使用地点斜巷长度(L)100 m;绞车绳端载荷(包括提升容器自身重量)(W)2000 kg;2、选用绞车性能参数:绞车型号:JD-11.4KW ;绞车额定牵引力(F):10 KN;绞车钢丝绳直径(φ):12.5 mm;绞车用钢丝绳每米重量(q):0.5412 Kg;绞车用钢丝绳最小总破断力(Q):80.1 KN。
二、选型计算1、实际提升时最大静拉力Pmax=Wg(sinα+f1cosα)+qLg(sinα+f2cosα)=2000*9.8*(sin10°+0.015cos10°)+0.5412*100*9.8(sin10°+0.5cos10°)=4046.3N=4.0463KN式中W:绳端载荷(提升容器自身重量+载荷的质量),kgg:重力加速度,9.8m/S2α:斜井中产生最大拉力处的倾角(应根据斜井坡度图逐点计算后确定),of1:提升容器在轨道上运行时的实测阻力系数,采用0.015;f2:钢丝绳在运行中的实测阻力系数,采用0.5;q:钢丝绳单位长度的质量,Kg/m;L:使用地点斜巷长度,m。
2、钢丝绳安全系数K=Q(钢丝绳最小总破断力)/Pmax(实际提升时的最大静力)=80.1/4.0463=19.83、判断F(绞车额定牵引力)> Pmax(实际提升时的最大静力)K(钢丝绳安全系数)19.8 > 6.5(提物时)4、判断结果所选用绞车JD-11.4KW 符合出货、材料运输提升要求。
设计人:审核人:日期:斜巷绞车选型设计计算书一、相关参数:1、使用地点相关参数:使用地点:中三轨道上山使用地点斜巷最大倾角(α)15 度,使用地点斜巷长度(L)200 m;绞车绳端载荷(包括提升容器自身重量)(W)2000 kg;2、选用绞车性能参数:绞车型号:JD-25KW ;绞车额定牵引力(F):18 KN;绞车钢丝绳直径(φ):15.5 mm;绞车用钢丝绳每米重量(q):0.84.57 Kg;绞车用钢丝绳最小总破断力(Q):125 KN。
11.4kw调度绞车结构分解
摘要:
1.11.4kw 调度绞车结构概述
2.11.4kw 调度绞车主要部件
3.11.4kw 调度绞车工作原理
4.11.4kw 调度绞车的维护与保养
正文:
11.4kw 调度绞车是一种常用于矿山、建筑工地等场合的机械设备,主要用于物料的升降和搬运。
其结构分解主要包括以下几个部分:
2.11.4kw 调度绞车的主要部件有:滚筒、减速器、电机、制动器、滑轮、钢丝绳等。
滚筒作为绞车的核心部件,负责承载物料;减速器用于降低绞车的输出速度,提高输出扭矩;电机是绞车的动力来源,为绞车提供所需的动力;制动器在绞车停止工作时,可以防止滚筒因重力作用而自由滚动;滑轮和钢丝绳则用于连接滚筒和电机,传递动力。
3.11.4kw 调度绞车的工作原理是:电机通过减速器将动力传递给滚筒,使滚筒旋转。
滚筒上的钢丝绳通过滑轮与物料提升装置相连,随着滚筒的旋转,物料提升装置被带动上升或下降。
通过控制电机的正反转,可以实现绞车的上升和下降。
4.对于11.4kw 调度绞车的维护与保养,首先应定期检查各部件的连接螺栓,确保其紧固可靠。
其次,要定期检查钢丝绳的磨损情况,发现磨损过快、断丝等问题时,应及时更换。
此外,还需定期检查制动器的性能,确保其能在
短时间内有效制动。
最后,要定期为绞车各部件加注润滑油,以延长其使用寿命。
回风绕道绞车提升负荷验算一、提升钢丝绳终端荷重 Q0Q=综掘机拆分最大尺寸×9.8= 6000kg×9.8=58800N二、验算绞车的最大静张力(以最大荷重计算)1、提升绞车为25KW调度绞车,额定提升能力为16KN。
钢丝绳采用6*19-φ15.5mm。
提升重物时F J≥Q (sinβ+f1cosβ)+P SB.L0(sinβ+f2cosβ)F J≥58800(sin3+0.01cos3)+0.9*500(sin3+0.2cos3)=58800*0.239+450*0.338=14.5KNF J =16KN>14.5KN,因此采用25KW绞车提升运输满足要求三、钢丝绳安全系数m(以最大荷重计算)1、绞车用φ15.5mm钢丝绳,提升时m=Q d/{ Q0(sinβ+f1cosβ)+9.8.P SB.L0(sinβ+f2cosβ)}m=124000*1.197/{58800(sin3+0.01cos3)+9.8*0.9*500(sin3+0.2cos3)m=148428/15543.78=9.54>8符号说明:F J --- 提升机强度要求允许的钢丝绳最大静张力,NQ --- 提升重物荷重,NP SB---每米钢丝绳标准质量,kg/mL0 --- 钢丝绳最大斜长,mf1 --- 矿车运行阻力系数,取0.01f2 --- 钢丝绳移动时的阻力系数,f2=0.15-0.2β --- 井筒倾角;m --- 钢丝绳安全系数(提升物料时不小于6.5);Q0 --- 钢丝绳终端荷重,NQ d=钢丝绳最小破断拉力*1.197sin3=0.14 cos3=0.99。
斜巷小绞车技术参数及计算方法一、调度绞车及回柱绞车技术特征说明:JD-1.6在容绳量允许的情况下,尽可能使用Ø18.5mm钢丝绳。
二、计算方式1、根据绞车实际提升能力F计算提升总量Q值及拉车数;maxj(1)一次提升总量Q 值计算:根据实际提升最大静张力公式:(下放时钢丝绳最大静张力))cos (sin )cos (sin 201max ααααf g LP f Qg F j +++=公式得:ααααcos sin )cos (sin /120max f f LP g F Q j ++-=(2)按最大重量计算拉车数量N: )cos sin ()G (G )cos sin (-F 12120ααααf f L P N +++=2、提放车钢丝绳安全系数计算: 根据公式钢丝绳安全系数验算公式)cos sin ()cos sin (Q 201Pααααf L P f G m +++=重得:)cos sin ()cos sin (5.6/Q 120P ααααf f L P G ++-=重3、矿车连接器提放车数能力验算1、矿车连器提放车数能力验算(矿车连接器一般允许承受拉力为58.8kN ))cos (sin 1ααf Q +重 < 58.8上述式中:P Q —钢丝绳破断力总和Kg ;F e —绞车钢丝绳最大静张力KN ; P —钢丝绳单位长度重量Kg/m ; L — 绞车道长度m ;α — 绞车道倾角度;1f — 矿车运行阻力系数,取0.015;2f — 钢丝绳运行阻力系数,根据托绳辊状态,取0.15~0.5;m — 钢丝绳安全系数取6.5;Q — 一次提升总量Q ;重Q — 提放相应车数总重量;。
61123工作面绞车选型计算书1、61123运输巷(1)1#JD-25型绞车参数:坡度15°,坡长100m,钢丝绳绳径15.5mm 根据公式Gmax=F-PLg(f2cos@+sin@)/ g(f1cos@+sin@)计算,该绞车最重可约拉5.7KN=5.7t.井下运输大巷巷实际运输设备与平板车合计最重不超过10t,根据公式G=Gmax*sin@=1.48t<10t,钢丝绳破断力为15t,符合要求。
(2)绞车参数:型号JD-11.4,坡度12°,坡长150m,钢丝绳绳径15.5mm。
根据公式Gmax=F-PLg(f2cos@+sin@)/ g(f1cos@+sin@)计算,该绞车最重可约拉4.2 KN=4.2t.井下运输大巷巷实际运输设备与平板车合计最重不超过10t,根据公式G=Gmax*sin@=0.87t<10t,钢丝绳破断力为15t,符合要求。
(3)绞车参数:型号JD-25,坡度7°,坡长300m,钢丝绳绳径15.5mm。
根据公式Gmax=F-PLg(f2cos@+sin@)/ g(f1cos@+sin@)计算,该绞车最重可约拉11 KN=11t.井下运输大巷巷实际运输设备与平板车合计最重不超过10t,根据公式G=Gmax*sin@=1.342t<10t,钢丝绳破断力为15t,符合要求。
(4)绞车参数:型号JD-25,坡度6°,坡长350m,钢丝绳绳径15.5mm。
根据公式Gmax=F-PLg(f2cos@+sin@)/ g(f1cos@+sin@)计算,该绞车最重可约拉12.5 KN=12.5t.井下运输大巷巷实际运输设备与平板车合计最重不超过10t,根据公式G=Gmax*sin@=1.31t<10t,钢丝绳破断力为15t,符合要求。
(5)绞车参数:型号JHMB-10,坡度6°,坡长50m,钢丝绳绳径21.5mm。
绞车提升能力计算方法一、单巷提升计算方法1、施工注意事项(1)、斜巷必须在变坡点安设牢固的阻车器和斜巷挡车栏。
挡车栏安装位置在变坡点下方20m处和施工巷道开门点上方10m处,其材料不低于㎏/m的矿用“工”字钢制作。
挡车栏打杆尾端悬挂高度低于矿车高度0.15mm以上,且打杆距挡车栏不得小于20m。
﹙2﹚、绞车安装在地面,必须牢固、可靠各附属装置和防护设施齐全,设备选型安装严格按相关规定执行2、设备选型(1)根据掘进规格﹙毛断面6m2﹚、进度﹙每天8m﹚,即:每天提升量70t计算。
(2)提升斜长(L)为:L=提升斜长+车场长度=150+12=162m(3)提升一次循环时间(t)t=2×提升斜长/提升速度+挂钩连接时间=2×162/1.3+120=370s。
(4)提升量及矿车数的确定A、小时提升量(Q小)Q小=提升不均匀系数×提升富裕系数×年生产能力/年工作日×日提升小时=1.2×1.2×70/15≈6.72(t)B、一次提升量(Q1)Q1=小时提升量(Q小)×一次循环时间(t)/一小时秒数=6.72×370/3600≈0.69(t)。
C、一次提升矿车数(N)N=Q1/装载系数×煤的集散密度×矿车容积=0.69/0.85×0.90×1=0.9个≈1个(取进位整数)通过上述计算一次提升矿车数为1个。
(5)钢丝绳的选择A、钢丝绳绳端的负荷(G)q=N(矿车自重+载荷重)×(sinα+矿车阻力系数×cosα)+钢丝绳每米质量×l×(sinα+矿车阻力系数×cos α)=1×(500+1000×0.9)×(sin24°+0.015×cos24°)+0.5412×162m×(sin24°+0.3 cos24°)=588.6+59.7=648.3(㎏)上式中α为巷道坡度B、钢丝绳的验算安全系数(M)=破断拉力总和(Q)/q=8870/648.3=13.68﹥7经计算,选用6×19股(1+6)—12.5—1550钢丝绳d=12.5mm,p=0.5412㎏/m,破断拉力总和Q=88.70KN,符合安全要求。
例子:(1)已知条件绞车型号:JD-1.6 最大静拉力(N):F JMAX=16KN 电机功率:25KW 平板车自重:M2=1240Kg支架重量:M1=17500Kg 平均坡度:ß≤8º(技术科提供)矿车运行摩擦阻力系数:ƒ1=0.015钢丝绳运行阻力系数:ƒ2=0.15钢丝绳:Ф=15.5 绳重:M P=0.94Kg/m(查资料得)绳速:V MAX=0.78-1.40m/s 重力加速度:g=10m/s钢丝绳抗拉强度:&=1670MPa(铭牌数据)钢丝绳破断力总和:Q P=152000N(铭牌数据)最大提升长度(容绳量):L=60m2、绞车提升物件需最大牵引力:F JMAX1=[g×(M1+M2)×(sinß+ƒ1cosß)] +[ L×M P×g×(sinß+ƒ2cosß)]=[(1240+17500)×(sin8+0.015×cos8)×9.8]+[9.8×0.94×60×(sin8+0.15×cos8)]=18740*0.154*9.8+56.4*0.29=28282.4+158.9=28441.3n则:绞车提放支架需牵引力为28441.3n而绞车最大牵引力为16000n<28441.3n,无法保证支架提升。
3、有上公式可求出绞车最大提升物件的重量为:G= F JMAX-[ L×M P×g×(sinß+ƒ2cosß)] / [g(sinß+ƒ1cosß)]=16000-[ 60×0.94×9.8×(sin8+0.15cos8)] / [9.8(sin8+0.015cos8)]=(16000-160.3)/1.5=10559.8Kg4、绞车提放车数计算:n= F JMAX/ (M1+M2)[g(sinß+ƒ1cosß)]+[ L×M P×g×(sinß+ƒ2cosß)] =16000/(1240+17500) ×[9.8(sin8+0.015cos8)]+ [ 60×0.94×9.8×(sin8+0.15cos8)]=16000/28441.3=0.56n(n取整数0车)5、按钢丝绳安全系数计算提升能力:M A=6.5M A= Q P/ F JMAX1 =Q P/[g×(M1+M21)×(sinß+ƒ1cosß)] +[ L×M P×g×(sinß+ƒ2cosß)]=151000/ [(1240+17500)×(sin8+0.015×cos8)×9.8]+[9.8×0.94×60×(sin8+0.15×cos8)] =151000/(18740*0.154*9.8+56.4*0.29)=151000/(28282.4+158.9)=151000/28441.3=5.37<6.5所以:选用钢丝绳不合格。
绞车安装计算1.绞车选型时根据提升重量和斜巷坡度计算牵引力牵引力计算公式:F max= n(W物重+W车重)×(SInа+u1COSa)+W绳重×(SInа+u2COSa)其中n---绞车所提车辆数а---为斜巷最大坡度u1——为车轮与轨道之间的摩擦系数,u1=0。
007——0。
02,一般取0。
015;u2——为钢丝绳与地辊之间的摩擦系数,一般u2=0。
2;W绳重=每米钢丝绳的重量×所需钢丝绳的长度2.根据牵引力选用绞车;确定钢丝绳。
例:1—550扩建内仓上口,最大坡度19○,长度30米,预计一次只提一辆矸石车,计划选用钢丝绳直径为φ12.5mm,公称抗拉强度1700M pa,钢丝绳最小破断拉力总和为9.3吨。
N=1辆,а=19○,u1=0。
015,u2=0。
2,W绳重=(54.12㎏/100米)×30米1、牵引力计算F max=W车物×(sinθ+u1cosθ)+W绳×(sinθ+u2cosθ)=(1.8+0.6)×1000×(sin19º+0.015cos19º)+(54.12/100)×30×(sin19º+0.2cos19º)=2400×0.33975+16.236×0.5147= 815+8.4=823.4公斤≈0.83吨< 1吨故绞车可以选用JD-11.4KW,斜巷提升安全系数大于6.5,9.3÷0.83=11>6.5,故钢丝绳可以选用直径为φ12.5mm。
例:2—550扩建内仓上口,最大坡度19○,长度30米,预计一次提两辆矸石车,计划选用钢丝绳直径为φ15.5mm,公称抗拉强度1700M pa,钢丝绳最小破断拉力总和为15.2吨。
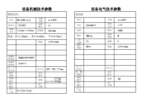
JD-11.4 绞车一次牵引矿车数计算说明一、基本参数1、掘进工作面JD-11.4型调度绞车参数:牵引力10KN、钢丝绳直径12.5mm、平均绳速0.73m/s、最大绳速1.033m/s、最小绳速0.433m/s、容绳量400m。
2、配用钢丝绳6×19×12.5参数:钢丝绳直径d=12.5mm,总断面积57.27mm2,钢丝绳单位长度重量P b =0.54kg/m,钢丝绳公称抗拉强度170kg/mm2,钢丝绳破断拉力总和Q p=9730kg。
3、U型固定车箱矿车参数:容积1.1 m3、名义载重量1t;空车自重Q=618kg、单车煤重量Q煤=1000 kg、单车矸重量Q矸石=1700 kg、单车煤矸重量Q煤矸=1350 kg。
4、7.5m3 V型翻斗式矿车参数:名义载重量0.7t、最大载重量1.2t、空车自重Q=514kg、单车煤重量Q煤=700 kg、单车矸重量Q矸石=1190 kg、单车煤矸重量Q煤矸=945kg。
二、JD-11.4型调度绞车一次牵引矿车数计算:JD-11.4型调度绞车一次牵引矿车数主要是根据钢丝绳最大拉力确定,对钢丝绳实际拉力的限制条件主要有三个:1、安全系数的限制根据《煤矿安全规程》规定,钢丝绳的安全系数应≥6.5,钢丝绳实际所受最大拉力应小于其破断拉力总和Q p的6.5倍,应为:F max =Q p / 6.5=9730kg / 6.5=1497kg =14670N 。
2、绞车牵引力的限制条件JD-11.4型调度绞车最大牵引力为F 额=10KN =10000N 。
3、功率的限制条件绞车的实际功率应不大于其额定功率P 额 ,即:N <P 额N =1.1102max ⨯ηVF <P 额=11.4KW V ——绞车最大绳速,取1.033m/s ;η——绞车工作效率,取85%; 则有F max =1.1102⨯⨯⨯V P η额=1.1033.1%851024.11⨯⨯⨯=869823N3、绞车一次牵引矿车数计算由上述可知,JD-11.4型调度绞车最大钢丝绳牵引力应为F max =10000N 。
绞车选型计算(1)选用JD-2型调度绞车。
主要用于工作面设备的运输安装及调试。
主要技术特征:牵引力:1800KG绳速:1.086m/s绳径:Φ18.5mm容绳量:400m电机功率:25KW电机电压:660V(2)JD-1型调度绞车。
主要用于工作面设备的运输安装及调试。
主要技术特征:牵引力:1000KG绳速:0.7m/s绳径:Φ15.5mm容绳量:200m电机功率:11.4KW电机电压:660V(3)回柱绞车型号:JH-14A回柱绞车牵引力:140(KN)绳径:21.5(mm)绳速:0.11(m/s)容绳量:120(m)滚简直径:380(mm)外形尺寸: 1965×680×815(mm)8.绞车选型验算:根据绞车选型及绳径的选取,选择受力最大的4400轨道下山第1部JD-2型绞车进行验算、校验:牵引力1800Kg,绳速1.086m/s,容绳量400m,选用绳径为18.5mm的钢丝绳,综采机组底座单重3.0t(运输的单件最大重量)。
提升方式:单钩串车提升,每钩提升1辆矿车。
提升能力校验如下:①校验最大静张力:F max= (Q+Q m)(Sinα+f1Cosα)+P L(Sinα+f2Cosα)= (200+3000)(Sin20°+0.015Cos20°)+0.8457×310×(Sin20°+0.2Cos20°)=1278Kg>1800Kg符合要求。
式中: Q:平盘自重,200Kg;Q m:矿车载重量,取3000Kg;α:下山坡度,20°;f1:矿车运行阻力系数,取0.015;f2:钢丝绳运行阻力系数,取0.2;P:钢丝绳每米重量,0.8457Kg/m;L:提升钢丝绳长度,取310m。
②验算绳的安全系数:m=Q z/F max=19950/1278=15.6>6.5符合《煤矿安全规程》的要求。
式中:m:钢丝绳安全系数,《煤矿安全规程》规定提升物料时不小于6.5。
三、绞车管理措施1. 11.4KW绞车及钢丝绳验算:巷道坡度为0°,长度为60m,预计一次最多拉重车(土料)15辆,一辆重车载重加自重,总重:重车最大为3.8t。
选用ф12.5mm圆股钢丝绳,每百米自重55kg,破断拉力总和9.7吨。
按60m计算自重:Q’=P.H=55×0.6=33kg钢丝绳的终端载荷:F=nQ(Sina+f1Cosa)+Q’(Sina+f15Cosa) 式中F-钢丝绳终端载荷;n-绞车所提车辆数为15。
Q-矿车自重加载重,重车取3800kg(矿车自重970kg,每车重车为2830kg)f1—矿车运行的摩擦阻力系数,矿车为滚动轴承,取0.02 f2—运行中钢丝绳的摩擦阻力系数,取0.2a—坡度0°①拉重车时计算得F=15×3800×(Sin0°+0.02Cos0°)+33×(Sin0°+0.2Cos0°)=15×3800×(0+0.02)+33×(0+0.02)≈1.1吨斜巷提升安全系数Ma=9.7/1.1=8.8>6.5,故拉15车重车符合标准。
2.JD-4.0绞车及钢丝绳验算斜巷运输采用一台JD-4.0型绞车单钩提升两辆1.5t矿车运输,最大牵引力4t。
(1)校核使用的钢丝绳:选用Φ21.5mm圆股钢丝绳,每米自重1.84kg,破断拉力总和26.6t。
由于施工过程中,绞车及时向斜巷内移动,按800m计算自重。
Q’=P.H=1.84×800=1472kg钢丝绳的终端载荷:F=nQ(Sina+f1Cosa)+Q’(Sina+f2Cosa) 式中F-钢丝绳终端载荷n-绞车所提车辆数,取2;Q-矿车自重加载重,取4670kg,P-90B耙矸机重取8吨,小于两车土产料重;f1—矿车运行的摩擦阻力系数,矿车为滚动轴承,取0.02;f2—运行中钢丝绳的摩擦阻力系数,或砧木上拖动,取0.2;a—上山角度15°;计算得F=2×4670×(Sin15°+0.02Cos15°)+ 1472×(Sin15°+0.2Cos15°)≈3.26t。