模具工程师面试题
- 格式:doc
- 大小:24.00 KB
- 文档页数:1
模具钳工面试题一、简介模具钳工是制造业中非常重要的一环,主要负责制作和维修模具,以确保产品的质量和生产效率。
在招聘模具钳工时,面试题的设计是评估候选人技能和经验的重要环节。
下面是一些常见的模具钳工面试题。
二、技能考察类问题1. 请描述您在制作模具方面的经验。
2. 您能起草和理解模具图纸吗?请列一些您熟悉的模具图纸的符号和标记。
3. 您使用过哪些常见的加工工具和设备?请描述一下它们的用途和操作步骤。
4. 您有使用CAD软件进行模具设计和建模的经验吗?请举例说明。
5. 在处理模具维修时,您遇到过哪些常见的问题?您是如何解决的?6. 您了解哪些常用的模具工艺和工艺流程?请解释一下您熟悉的工艺流程。
7. 模具在使用过程中可能会发生磨损和损坏,请列举一些您熟悉的模具维修方法和技巧。
8. 当出现模具故障时,您是如何确定问题所在的?请描述您的故障排除步骤。
9. 您有没有在团队合作中的模具工作经验?请分享一下您与团队成员合作处理模具项目的经验。
10. 请讲述您最具挑战性的模具制作或维修项目,并解释您是如何克服挑战的。
三、安全意识类问题1. 当您进行模具制作或维修工作时,您会采取哪些措施来确保自己和周围人员的安全?2. 您如何正确使用和保养模具制作和维修所需的个人防护设备?3. 您会关注哪些常见的模具加工和维修安全隐患?您对于这些隐患的预防措施有哪些了解和应用?4. 当在工作过程中发生事故时,您知道如何正确报告和处理吗?请描述您的做法。
四、工作态度类问题1. 您如何管理您的时间以确保按时完成模具制作或维修任务?2. 当您发现一个改进模具设计或工艺的机会时,您会怎么去利用它?请分享一下您的经验。
3. 您如何应对紧迫的模具制作任务和工作压力?请描述您处理这些情况的方法。
4. 当面临挑战或错误时,您是如何保持积极和灵活的态度的?请分享一下您的经验。
五、自我评估类问题1. 您认为自己在哪些方面是一个优秀的模具钳工?请解释一下。
模具工程师面试题目
1、自我介绍工作经历,从事过哪类产品的钣金件制造工艺及模具设计,
2、谈谈自已认为最满意的设计是什么?采用了什么方法?解决了什么问题?达到何种效果?
3、你认为做好一个模具工程师应具备哪些方面的素质?
4、请你谈谈长于哪方面的模具设计,该类模具的设计特点是什么?应注意什么问题?
5、我公司主要生产消毒柜/燃气灶/抽油烟机,请你谈谈这三大类产品钣金件的工艺特点是什么?举例说明模具设计难点是什么?
6、请你谈谈模具的选材以及一些材料的特点?
7、请你谈谈国内模具发展状况
8、你在审核一套模具时,你从哪些方面入手去评审模具的优劣
9、你作为一个模具工程师,你在工作过程中怎样去将你的水平发挥得淋漓尽致
10、假如你成为我公司的一员,谈谈你的打算及发展意向。
招聘模具设计岗位面试题及回答建议(某大型央企)面试问答题(总共10个问题)第一题题目:请描述一下您在过去的工作或项目中,遇到的最具挑战性的模具设计问题是什么?您是如何分析和解决这个问题的?答案:在过去的项目中,我遇到的最具挑战性的模具设计问题是设计一款高精度、复杂结构的汽车零部件模具。
该模具要求极高的尺寸精度和表面光洁度,同时还需要满足高速生产线的生产效率要求。
解决步骤:1.问题分析:首先,我与项目团队一起分析了模具设计的技术要求和生产线的特性。
我们确定了主要问题集中在模具的定位精度、冷却系统设计以及模具材料选择上。
2.方案优化:为了提高定位精度,我采用了高精度导柱导套系统,并优化了模具的导向结构。
针对冷却系统,我设计了一套多通道、多级冷却系统,以确保模具在高速生产过程中保持稳定温度。
3.材料选择:我选择了耐高温、高强度、耐磨性的模具钢,并进行了预硬处理,以减少后续热处理变形。
4.模拟分析:在模具设计初期,我利用有限元分析软件对模具结构进行了模拟分析,提前预测了可能出现的应力集中和变形问题,并进行了相应的结构优化。
5.团队合作:我与工程师、工艺师和生产团队紧密合作,确保模具设计能够满足生产线的实际需求。
结果:经过以上努力,该模具最终成功投入使用,不仅满足了设计要求,还提高了生产效率,降低了生产成本。
解析:这道题目考察的是应聘者对复杂模具设计问题的处理能力。
通过上述答案,可以看出应聘者具备以下能力:•问题分析能力:能够准确识别和定位问题。
•解决方案设计能力:能够提出有效的解决方案。
•技术应用能力:能够运用专业知识和工具进行设计优化。
•团队合作能力:能够在团队中发挥积极作用,确保项目顺利进行。
•结果导向能力:能够关注最终目标,确保项目成功实施。
第二题题目:请描述一次您在模具设计过程中遇到的挑战,以及您是如何解决这个问题的。
答案:在我负责的一个项目中,我们需要设计一款高精度、复杂结构的汽车零部件模具。
塑料模具工程师1.做为结构工程师,你如何保证你设计的结构能一次制模成功而不需做好后再改模具?答:做下 DFMA(失效模式分析)差不多了。
2.用在充电器(使用 220V 交流)上的塑料应具备那些要求,目前价位多少?答:塑件为手机允电器外壳,要求有一定的强度、刚度、耐热和耐磨损等性能。
同时,必须满足绝缘性。
结合以上要求以及经济因素,故该塑件采用 ABS 塑料。
ABS V0 级别的差不多 2W-2.5W/T。
3.透明材料有哪几种,哪种硬度更好,不易刮伤,前价格多少?答:看要求了 AS,PC,PMMA,ABS 也有透明的,不过是半透效果。
抗划伤 PC 好一点。
4.前模后模的模芯厚度尺寸(在做模时)应具备哪些要求?答:这个看产品来的了,保证离型腔最薄 30-40MM,别啤穿就成。
5.ABS V0 级防火材料是什么意思?答:HB:UL94 和 CSA C22.2 NO0~7 标准中最低的阻燃等级,要求对于 3~13MM 厚的样品,燃烧速度小于 40MM/MIN 的标准前熄灭.V2:对样品进行 2 次 10S 燃烧测试后,火焰在 60S 内熄灭可有燃烧物掉下 ;V1:对样品前 2 次 10S 燃烧测试后,火焰在 60S 内熄灭,不能有燃烧物掉下 ;V0:对样品进行 2 次 10S 燃烧测试后,火焰在 30S 内熄灭,不能有燃烧物掉下;5V:分:5VA,5VB 两种,相同的是每个样品有烟和无烟燃烧总时间不能超过 60S,低落物不能点燃脱纸棉,不同的是:5VA 的样品不能被燃烧穿,5VB 可以,同时5V 之前产品必须符合 V0,1,26.做 ABS V0 级防火材料的模具应使用什么材料?答:好的材料有 S136,NAK80,产量不大的 718,738 的加硬钢也能做。
7.做透明材料的模具应使用什么材料,为什么?答:产品的外观要求对模具材料的选择亦有很大的影响,透明件和表面要求抛镜面的产品,可选用的材料有 S136,2316,718S,NAK80,PAK90,420,透明度特高的模具应选 S136。
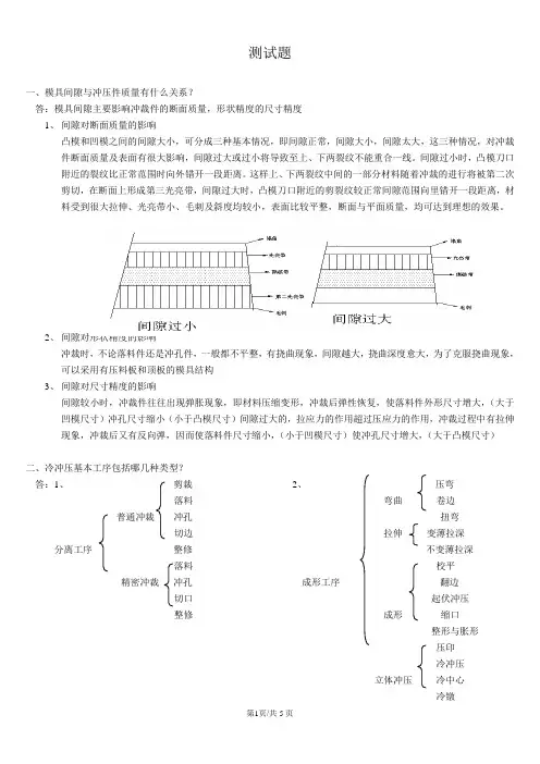
测试题一、模具间隙与冲压件质量有什么关系?答:模具间隙主要影响冲裁件的断面质量,形状精度的尺寸精度1、间隙对断面质量的影响凸模和凹模之间的间隙大小,可分成三种基本情况,即间隙正常,间隙大小,间隙太大,这三种情况,对冲裁件断面质量及表面有很大影响,间隙过大或过小将导致至上、下两裂纹不能重合一线。
间隙过小时,凸模刀口附近的裂纹比正常范围时向外错开一段距离。
这样上、下两裂纹中间的一部分材料随着冲裁的进行将被第二次剪切,在断面上形成第三光亮带,间隙过大时,凸模刀口附近的剪裂纹较正常间隙范围向里错开一段距离,材料受到很大拉伸、光亮带小、毛刺及斜度均较小,表面比较平整,断面与平面质量,均可达到理想的效果。
2、间隙对形状精度的影响冲裁时,不论落料件还是冲孔件,一般都不平整,有挠曲现象,间隙越大,挠曲深度愈大,为了克服挠曲现象,可以采用有压料板和顶板的模具结构3、间隙对尺寸精度的影响间隙较小时,冲裁件往往出现弹胀现象,即材料压缩变形,冲裁后弹性恢复,使落料件外形尺寸增大,(大于凹模尺寸)冲孔尺寸缩小(小于凸模尺寸)间隙过大的,拉应力的作用超过压应力的作用,冲裁过程中有拉伸现象,冲裁后又有反向弹,因而使落料件尺寸缩小,(小于凹模尺寸)使冲孔尺寸增大,(大于凸模尺寸)二、冷冲压基本工序包括哪几种类型?答:1、剪裁2、压弯落料弯曲卷边普通冲裁冲孔扭弯切边拉伸变薄拉深分离工序整修不变薄拉深落料校平精密冲裁冲孔成形工序翻边切口起伏冲压整修成形缩口整形与胀形压印冷冲压立体冲压冷中心冷镦三、冷冲模结构分几种?答:1、单工程模2、复合模3、连续模四、怎样确定凸模长度答:L=H1+H2+H3+H4+A’L—凸模长度H1—凸模固定板厚度H2—脱料板厚度H3—脱料背板厚度H4—料厚A’—自由尺寸自由尺寸A’包括凸模的修磨量,凸模进入凹模深度(0.5-1mm)五、冲模常用的卸料方式有哪几种?各有什么特点?答:1、刚性卸料装置特点:A、即起料作用,又起导向及保护作用B、由于没有压料,产品有翘曲现象C、多用于材料较硬,较厚且精度要求不太高的工作冲裁,并多用于连续冲模中2、弹性卸料装置特点:A、对细小凸模起导向及保护作用B、是在材料压平的情况下,冲裁工作后才卸料,故工作平整,所冲制的工件精度较高3、废料分块卸料特点:A、适用于材料厚度较大且用卸料板较困难的情况下落料和切边工作B、这种方法卸料,操作比较方便,且废料边得到了妥善处理。
模具专业面试题目及答案解析一、问题:请简单介绍一下模具专业。
答案解析:模具专业是指对模具相关知识和技能进行培养的专业,主要包括模具设计、模具制造、模具加工和模具应用等方面。
模具专业培养的学生通常需要具备一定的机械和材料知识,以及对模具制造和加工工艺的理解和掌握。
模具专业的学生毕业后通常能够在模具设计与制造企业、机械制造企业、汽车制造企业等相关行业就业。
二、问题:请说说模具设计的基本原理。
答案解析:模具设计的基本原理主要包括以下几个方面:1. 满足零件形状和尺寸的要求:模具的设计应考虑到待加工零件的形状和尺寸要求,确保加工后的零件能够满足设计要求。
2. 确保模具的强度和刚度:模具的设计应考虑到所加工零件的材料和加工工艺的特点,选择合适的材料和结构设计,使模具能够承受加工过程中的载荷并保持稳定。
3. 确保模具的可维护性:模具设计应考虑到模具加工过程中的磨损和疲劳等因素,使模具能够方便维修和保养,延长使用寿命。
4. 提高模具的生产效率:模具设计应考虑到加工工艺的特点和生产设备的条件,通过合理的结构设计和工艺优化,提高模具的加工效率和生产能力。
三、问题:请简单介绍一下常见的模具制造工艺。
答案解析:常见的模具制造工艺主要包括以下几种:1. 铣削加工:利用铣床进行面铣、立铣、缺口加工等操作,将模具的工件材料切削成所需的形状和尺寸。
2. 精密磨削:利用磨床进行平面磨削、内外圆磨削、齿轮磨削等操作,使模具工件的表面精度达到设计要求。
3. 线切割:利用电火花线切割机对模具工件进行切割,通常用于复杂形状的模具加工。
4. 装配和调试:将模具的各个部件进行装配,通过调试和调整使模具能够正常工作,满足产品的加工需求。
5. 表面处理:对模具表面进行涂覆、喷涂、热处理等操作,以提高模具的表面硬度、耐磨性和抗腐蚀能力。
四、问题:请说说模具加工中常见的材料有哪些,并简单介绍其特点。
答案解析:模具加工中常见的材料主要包括以下几种:1. 高速钢:高速钢具有较高的硬度和热硬性,适用于高速切削加工,常用于制造模具刀具。
模具工程师面试题及答案1.请介绍一下你的模具设计经验?答:我曾在模具设计方面工作了五年,主要从事模具设计和开发工作,熟悉模具设计流程、工具和软件,具有良好的团队合作能力和创新意识。
2.请列举你掌握的模具设计软件?答:我掌握SolidWorks、AutoCAD、ProE等多种模具设计软件,具有良好的设计和绘图能力,可以根据客户要求进行快速准确的设计。
3.请描述一下你的模具制造经验?答:我在模具制造方面工作了三年,主要从事模具加工和制造工作,熟悉模具加工工艺和操作规程,能够独立完成各种模具的加工和制造。
4.请谈一下你的模具维修经验?答:我曾在模具维修方面工作了两年,主要从事模具维修和保养工作,能够熟练掌握各种模具的维修和保养方法,确保模具的正常使用。
5.请问你在模具设计中的主要创新点是什么?答:我认为模具设计中最重要的创新点是结合生产工艺和客户需求,利用先进的技术和工具进行设计,提高模具的精度和效率。
6.请问你如何保证模具的制造精度?答:我会在设计阶段注重模具的结构和尺寸的精度要求,对模具加工过程进行严格的质量控制,确保模具的精度符合要求。
7.请谈一下你在模具制造过程中的主要挑战是什么?答:我认为在模具制造过程中的主要挑战是加工和制造工艺的不断提高和更新,需要及时掌握新技术和工具,不断提高自己的技能和能力。
8.请问你在模具设计中如何考虑模具的寿命?答:我会在设计阶段考虑模具的使用寿命和保养要求,根据模具的材料和使用环境进行合理的设计和选择,以提高模具的使用寿命。
9.请问你如何处理模具在生产中的故障?答:我会根据故障的情况对模具进行分析和排查,找出故障原因并采取相应的维修措施,确保模具在生产中的正常使用。
10.请问你在模具设计中如何考虑模具的可维修性?答:在模具设计中,我会考虑模具的易维修性和保养要求,对模具的结构和细节进行合理的设计和选择,以便在模具出现故障时能够快速准确地维修和保养。
11.请问你如何评估模具的制造成本和周期?答:在模具制造过程中,我会根据模具的复杂程度、材料、工艺等因素评估模具的制造成本和周期,并制定相应的计划和措施,以确保模具的质量和效率。
模具工程师岗位面试题及答案1.请简要介绍一下您的模具工程师背景。
答案:我拥有X年的模具工程师经验。
我在不同行业的模具设计、制造和优化方面有丰富的经验,尤其擅长在复杂项目中找到创新的解决方案。
2.能否分享一个您成功解决复杂模具设计问题的案例?答案:曾经,在一个高精度塑料模具项目中,我遇到了冷却不均匀导致产品变形的问题。
通过仿真和重新设计冷却系统,我成功降低了变形率,并提高了生产效率。
3.在模具设计中,如何平衡产品质量和制造成本?答案:我会首先优化设计以确保产品质量,然后考虑材料和制造工艺的可行性。
例如,我曾在汽车零部件模具中使用高强度材料,通过复杂的制造流程来确保产品质量和寿命。
4.您在如何减少模具生产周期方面有什么经验?答案:通过标准化部件、采用先进的加工技术以及优化流程,我成功地将一个模具项目的生产周期从X减少到Y。
5.在工程变更时,您如何管理模具设计的更新和调整?答案:我会建立清晰的变更管理流程,确保任何变更都得到充分评估,并与相关团队紧密合作,以确保模具设计的一致性和有效性。
6.您如何保证模具设计的可维护性和可持续性?答案:我注重模具结构的简洁性和标准化,以便于维护和维修。
在设计中考虑易损部件的更换,以延长模具的使用寿命。
7.请分享一个您在团队合作中解决冲突的经验。
答案:在一个紧急项目中,意见分歧导致进度受阻。
我组织了一次跨职能的会议,明确问题并倾听每个人的观点,最终找到了一个共同的解决方案,成功地推进了项目。
8.如何在设计过程中考虑制造和加工的可行性?答案:我在设计早期就与制造团队合作,了解他们的建议,并根据可行性分析做出调整。
例如,我在设计金属模具时会考虑到加工难度和工具可用性。
9.您如何评估新材料在模具设计中的应用潜力?答案:我会进行材料测试和仿真,评估其物理特性、耐用性和加工性能。
例如,我曾成功引入新型高温塑料材料,为耐高温模具设计带来了显著改进。
10.在设计模具时,如何确保产品的尺寸精度和一致性?答案:我会使用精密的CAD工具进行设计,并与测量团队紧密合作,以确保模具的尺寸满足严格的要求。
模具项目工程师面试题一、岗位背景介绍模具项目工程师是专门从事模具工程设计、制造和管理的职业,对模具工程项目进行全方位的规划与控制,以确保项目的质量、进度和成本的控制与管理。
二、技术能力要求作为一名模具项目工程师,需要具备以下技术能力:1.模具设计能力:熟悉模具工艺流程,能够独立完成模具的设计,并满足项目需求。
2.模具制造技术:了解模具加工工艺,能够协调模具制造过程中的各个环节,确保质量和进度。
3.项目管理能力:具备项目管理经验,能够有效规划、组织和控制项目,实现项目目标。
4.团队协作能力:良好的沟通能力和团队合作精神,能够与项目团队成员紧密配合,共同完成项目任务。
三、面试题目1.请介绍一下您的模具设计经验和技术背景。
2.您是否熟悉常用的模具设计软件?请列举并简要介绍您熟悉的软件。
3.描述一下您如何进行模具项目的规划和组织管理。
4.在模具项目中,您在质量控制方面有什么实施的经验或策略?5.请分享一次您处理模具项目中的紧急情况的经历,并说明您是如何解决的。
6.在模具项目中,您如何确保项目进度和成本的控制?7.您与项目团队成员如何协作与沟通,以确保项目的顺利进行?8.在您的项目经验中,是否遇到过模具项目失败的情况,您是如何处理的?9.您是否了解模具制造中的新技术和新材料?请分享您对其中一项技术或材料的了解。
10.您对自己未来在模具项目工程师岗位上的发展有哪些规划和期望?四、面试答题技巧1.回答问题时,要突出自己的经验和实践,用具体事例或项目来支持说辞。
2.对于技术问题,要清晰、简洁地回答,用专业术语表达自己的能力和知识。
3.回答问题时,尽量展示自己的解决问题的思路和方法,体现项目管理能力和团队协作能力。
4.要注重礼貌和谦虚,表达对面试机会的感谢和对公司的兴趣。
五、总结模具项目工程师是一个需要全面技术能力、良好项目管理经验和团队合作能力的职位。
通过合理的项目规划与组织管理,严格的质量控制,以及有效的沟通与协作,模具项目工程师能够实现模具项目的成功交付,为企业的发展做出贡献。
第1篇一、模具钳工基础知识1. 请简述模具钳工的主要职责。
2. 模具钳工需要掌握哪些基本技能?3. 请解释什么是模具?4. 模具钳工在模具制造过程中的作用是什么?5. 模具钳工需要了解哪些模具类型?6. 请列举模具钳工常用的工具和设备。
7. 模具钳工在装配模具时需要注意哪些问题?8. 模具钳工在调试模具时需要掌握哪些技巧?9. 请简述模具钳工在模具维修过程中的任务。
10. 模具钳工在模具制造过程中如何保证模具质量?二、模具结构及设计1. 请简述模具结构的基本组成。
2. 模具设计的主要原则有哪些?3. 模具设计过程中如何确定模具结构?4. 请解释什么是模具标准?5. 模具设计过程中如何进行模具强度校核?6. 模具设计过程中如何确定模具精度?7. 请简述模具设计过程中如何进行模具工艺分析?8. 模具设计过程中如何确定模具材料?9. 模具设计过程中如何进行模具成本控制?10. 模具设计过程中如何进行模具结构优化?三、模具加工与装配1. 模具钳工在模具加工过程中需要掌握哪些加工方法?2. 模具加工过程中如何保证加工精度?3. 请解释什么是模具装配?4. 模具装配过程中需要注意哪些问题?5. 模具装配过程中如何进行装配间隙的调整?6. 模具装配过程中如何进行模具调试?7. 请简述模具装配过程中的常见故障及处理方法。
8. 模具装配过程中如何进行模具精度检验?9. 模具装配过程中如何进行模具性能测试?10. 模具装配过程中如何进行模具维护?四、模具维修与保养1. 模具钳工在模具维修过程中需要掌握哪些维修方法?2. 模具维修过程中如何进行故障诊断?3. 模具维修过程中如何进行模具零件更换?4. 模具维修过程中如何进行模具修复?5. 模具维修过程中如何进行模具性能恢复?6. 模具维修过程中如何进行模具保养?7. 请简述模具维修过程中的常见问题及处理方法。
8. 模具维修过程中如何进行模具成本控制?9. 模具维修过程中如何进行模具寿命预测?10. 模具维修过程中如何进行模具技术改进?五、模具行业与市场1. 请简述我国模具行业的发展现状。
什么是模具面试题目及答案模具面试题目及答案是在模具制造行业中用于筛选和评估潜在候选人能力和知识的工具。
面试是招聘过程中非常重要的一环,通过提前准备和了解可能出现的面试题目及答案,应聘者可以增加成功的机会。
一、模具面试题目:常见问题在模具制造行业的面试中,以下是一些常见的问题:1. 请介绍一下你的个人背景和工作经验。
2. 对于模具设计和制造过程,你有哪些了解?3. 你在以往的工作中,面对过哪些挑战?你是如何解决的?4. 请谈谈你在模具设计和制造方面的专业技能和经验。
5. 你在以往的工作中,与其他团队成员合作的经验如何?6. 你对质量控制和安全性有何了解?7. 你在模具设计和制造过程中,如何解决常见的技术问题?8. 请谈谈你对模具行业的未来发展趋势的看法。
二、模具面试题目:技术问题在模具制造行业的面试中,以下是一些涉及技术方面的问题:1. 请解释什么是模具注塑成型工艺?它的优点和应用领域是什么?2. 制造一个模具的基本步骤有哪些?3. 请解释什么是注塑模具中的“射出”和“冷却”过程?它们对注塑成型有什么影响?4. 请谈谈你对CAD和CAM软件在模具设计中的应用。
5. 你对于模具材料有哪些了解?在模具制造中,材料的选择有什么原则?6. 请解释什么是模具寿命?你有什么方法可以延长模具寿命?7. 你在模具设计中常用的软件有哪些?它们的优点和特点是什么?8. 请谈谈你对于模具制造中的质量控制措施的认识。
三、模具面试题目:案例分析与解决方案在模具制造行业的面试中,越来越多的公司选择通过案例分析来考察应聘者的解决问题的能力。
以下是一个案例:假设你正在设计一个注塑模具,用于生产一个复杂的塑料零件。
你接到了一个客户的需求——希望在保证产品质量的前提下,尽量降低生产成本和周期。
请根据这个案例,回答以下问题:1. 你将如何分析并确定此案例下的模具设计和制造要求?2. 在设计和制造过程中,你将采取哪些方法和措施来降低成本和周期?3. 如何保证模具设计和制造的质量?4. 在面对意外情况或技术难题时,你将如何解决?通过案例分析,面试官可以更深入地了解应聘者在实际工作中解决问题的能力和思维方式。
模具专业面试题一、引言模具专业是制造业中的重要岗位之一,要求具备一定的技术水平和综合素质。
为了选拔优秀的候选人,以下是一些常见的模具专业面试题,旨在评估应聘者的专业知识和解决问题的能力。
二、基础知识考察1. 解释什么是模具?2. 请简要介绍模具的分类。
3. 你了解哪些模具材料?它们的特点和应用范围是什么?4. 什么是冲压模具?它的主要构成部分有哪些?5. 请解释冲压模具的工作原理。
6. 你熟悉哪些模具设计软件?它们的特点和使用场景有什么区别?7. 请简述模具加工的常用工艺流程。
三、问题解决能力考察1. 当遇到模具生产中的质量问题,你将如何解决?2. 请描述一次你参与的模具设备维修经历,并分享如何解决问题的过程。
3. 假设你在制造过程中遇到了设计图纸与实际尺寸不符的情况,你将如何处理?4. 当面临项目进度紧张和生产问题的同时,你如何合理安排工作并保证质量?5. 如果你发现模具设计存在缺陷,你打算如何提出改进建议并与团队沟通?6. 假设你需要设计一个复杂的模具,但你的技术经验有限,你将如何克服困难并顺利完成设计?四、团队合作和沟通能力考察1. 在过去的工作经验中,请分享一次你在团队中解决冲突或处理分歧的经历。
2. 在工作中,你与其他部门的同事需要频繁合作,请谈谈你在跨部门沟通方面的经验。
3. 当你发现团队中的一位成员在工作中存在问题时,你将如何与他/她沟通并提出改进建议?五、创新能力考察1. 请分享一次你在工作中提出的创新想法,并介绍其实践结果。
2. 当面临类似工作的重复性任务时,你如何提出创新的解决方案提高工作效率?六、总结模具专业面试题主要考察应聘者的专业知识、问题解决能力、团队合作和沟通能力以及创新能力。
以上题目仅供参考,实际面试过程中还需结合招聘职位要求和岗位职责进行适当调整。
希望通过面试,能找到具备全面素质的模具专业人才,为企业发展贡献力量。
手机方向模具工程师面试题第一篇:手机方向模具工程师面试题手机方向模具工程师1.材料应用较广的是 abs+pc,请问 PC+玻纤的应用有那些优缺点?.体材料应用较广的应该是PC+ABS,塑胶加玻纤的主要作用就是加强塑胶强度,PC+玻纤也是同理,同时还可以改善 PC 料抗应力的能力。
缺点:注塑流动性更差,提高注塑难度及模具要求。
因为 PC 本身注塑流动性就差。
2.哪些材料适合电镀?哪些材料不适合电镀?有何缺陷? 电镀首先要分清是水镀还是真空镀,常见的水镀材料很少,电镀级ABS 是最常用的。
PP,PE,POM,PC 等材料不适合水镀。
因为这些材料表面分子活动性差,附着力差。
如果要做水镀的要经过特殊处理。
真空镀适应的塑胶材料很广泛:PC,ABS,PMMA,PC+ABS,PET 等等。
3.后壳选择全电镀工艺时要注意那些方面?' 后壳一般不做全水电镀的,因为水镀会影响整机射频性能,也不利于防静电,还不利于结构,因为水镀时会造成胶件变硬变脆。
如果全电镀时要注意1)用真空镀方式,最好做不导电真空镀(NCVM),但成本高。
2)为了降低成本,用水镀时,内部结构要喷绝缘油墨。
4.前模行位与后模行位有什么区别? 如:挂绳口处的选择前模行位:开模时,前模行位要行位先滑开.模行位:开模动作与行位滑开同步进行。
前模行业与后模行位具体模具结构也不同。
挂绳孔如果留在前模,可以走隧道滑块。
挂绳孔如果留在后模:一般是挂绳孔所在的面走大面行位,如果不是,就走前模行位,不然,在胶壳外表面会有行位夹线。
5.模具沟通主要沟通哪些内容? 一般与模厂沟通,主要内容有:1、开模胶件的模具问题,有没有薄钢及薄胶及倒扣等。
2、胶件的入水及行位布置。
胶件模具排位。
3、能否减化模具。
4、T1 后胶件评审及提出改模方案等。
6.导致夹水痕的因素有哪些,如何改善?如U 型件夹水痕也叫夹水线,是塑料注塑流动两股料相结合的时造成的融接线。
原因有:水口设计位置不对或者水口设计不良。
模具工程师面试题,自我检测,请勿偷看答案前面是问题,后面附答案:1、结晶形和非结晶形塑料的区别在哪里?一样说出五种。
2、你常用的模具钢有哪些?不同钢材有何区加别?NAK80和S136的区别在哪里?NAK80有何特点?如果模仁用H13,斜顶用什么料,为什么?3、模具设计中的重点是什么?从重到轻的说。
4、热流道模具设计时应注意什么?5、卸螺纹模具设计时应注意什么?重点是什么下面是答案(1)结晶质是矿物内部质点(分子、原子、离子)作有规律的排列,形成一定的格子构造的固体,称为结晶质(晶体)。
质点有规律的排列的结果,表现为有规律的几何形体。
自然界大部分的矿物都是晶体。
(2)非结晶质凡是矿物内部质点(分子、原子、离子)作无规律的排列,不具格子构造的固体,称为非结晶质(或非晶体)。
这类矿物分布不广,种类很少,如火山玻璃。
结晶形塑料有:PE,PP,POM ,PA6,PBT,PET,PA66,PA6T,PA11,PA12非结晶形塑料有:ABS,PVC,PMMA,PS,PC,PPO,PSF,PES,PAI,PEI2.常用模具钢:P20、718、718H、S136、S136H、NAK80、NAK55、738、738H、S55C、H13、SKD、合金铍铜、DF2、8407、2311 NAK80不用热处理,预硬钢,硬度在HRC30多度,镜面效果佳,放电加工良好,焊接性较佳。
适合电极及抛光模具, NAK80抛光料纹比较明显。
S136要热处理,硬度HRC48-52,高镜面度,抛光性能好,适合PVC,PP,EP,PC,PMMA。
如果模仁用H13,斜顶用DF2。
3、模具设计中的重点:1模具整体布置合理,2分型面的选择3流道的布置,进胶口的选取4顶出装置5运水布置6排气的选择7分模时注意拔模角,镶件的抽取,擦位角的处理,材料的收缩选取8加工图应详细,但求简单。
能脫模!易加工!頂出易!H13也就是欧洲的2344,日本的SKD61同类的H13是软料,材料的淬透性和耐磨性很好,一般可用在30万啤以上的模具,热处理后可达到56HRC,一般常用的硬度也就在48~56HRC间。
模具工程师面试题目
1、自我介绍工作经历,从事过哪类产品的钣金件制造工艺及模具设计,
2、谈谈自已认为最满意的设计是什么?采用了什么方法?解决了什么问题?达到何种效果?
3、你认为做好一个模具工程师应具备哪些方面的素质?
4、请你谈谈长于哪方面的模具设计,该类模具的设计特点是什么?应注意什么问题?
5、我公司主要生产消毒柜/燃气灶/抽油烟机,请你谈谈这三大类产品钣金件的工艺特点是什么?举例说明模具设计难点是什么?
6、请你谈谈模具的选材以及一些材料的特点?
7、请你谈谈国内模具发展状况
8、你在审核一套模具时,你从哪些方面入手去评审模具的优劣
9、你作为一个模具工程师,你在工作过程中怎样去将你的水平发挥得淋漓尽致
10、假如你成为我公司的一员,谈谈你的打算及发展意向。