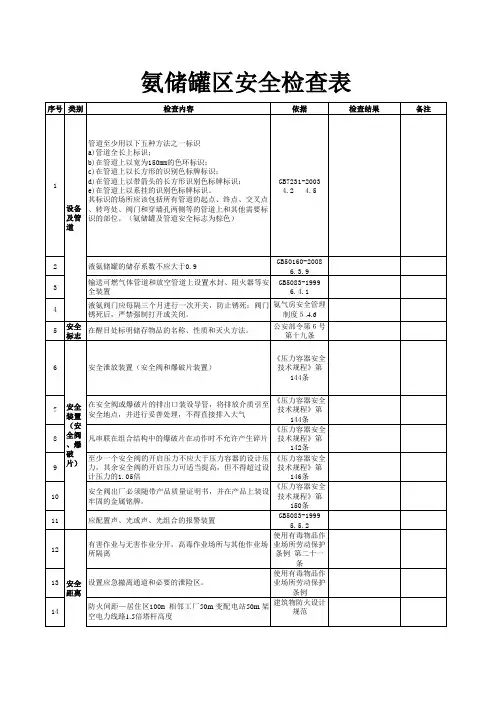
液氨储罐区安全检查表
- 格式:xls
- 大小:22.50 KB
- 文档页数:2
氨区安全检查表序号检查项目检查依照存在问题计划整顿达成时间一总平面布局氨区应独自部署,建在地势平展、通风《中国华电公司公司火电厂液氨重要危险源安1全管理规定》(2014 )422 号第 4 条顺畅的地段,且部署在厂区边沿。
氨区应避开人员集中的活动场所,并应部署在该场所及其余主要生产设备区全年最小频次风向的上风侧。
《中国华电公司公司火电厂液氨重要危险2源安全管理规定》( 2014)422 号第 5 条对位于在山区或丘陵地域的电厂,氨区不该部署在窝风地段。
氨区与周边居住区或村镇和学校、公共建筑、相邻工业公司或设备、交通线、邻近江河湖靠岸边以及邻近明火、发散火花地址和液氨区外建(构)筑物或设《中国华电公司公司火电厂液氨重要危险3施等之间的防火间距应切合规定。
源安全管理规定》( 2014) 422 号第 6 条氨区禁止部署在电力架空线路下边,氨区与电力线路应知足架空线路(中心线)许多于 1.5 倍杆高的距离要求。
已建成燃油罐区、制(供)氢区的发电《中国华电公司公司火电厂液氨重要危险源4500 米的距离安全管理规定》( 2014)422 号第 7 条厂,氨区宜部署在大于其以外,躲避组成危险化学品重要危险源单元的条件。
新建发电厂燃油罐区、制(供)氢区和氨区三者之间的间距宜大于500 米。
5 氨区控制室和配电室进出门口朝向装置《防备电力生产事故的二十五项要点要求》间。
( 2014) 161 号二设备系统安全设备液氨储存区应设置不低于 2.2m 高的非焚烧体实体围墙。
当液氨区围墙利用厂区围墙时,应采纳高度不低于 2.5m 的不焚烧体实体围墙。
《中国华电公司公司火电厂液氨重要危险源安1 位于发电厂区外独立部署的氨区,其四全管理规定》(2014 )422 号第 8 条周应设高度不低于 2.5m 的非焚烧体实体围墙。
氨区墙外四周应有醒目的“ 30 米内禁止烟火”字样。
2 氨区应设置两个及以上对角或对向部署《中国华电公司公司火电厂液氨重要危险源的安全出口,安全出口应向外开。
液氨储罐区每日安全检查记录表
背景介绍
液氨储罐区是一个危险化学品储存区,储存有大量的液氨。
因此,保证储罐区的安全性非常重要。
为此,我们需要做好每日安全检查记录,以确保该区域始终处于安全状态。
检查项目
•罐区周边道路、地面是否有异常情况
•罐体、支架是否有异常变形、裂纹、渗漏等情况
•是否有陌生车辆或人员闯入罐区
•管道、阀门、泵站等设备是否正常运行
•是否存在明火、静电等引起火灾、爆炸的危险因素
•是否存在其他不安全因素
检查记录表样例
时间检查项目是否正常
8:00-9:00罐区周边地面有泥泞情况否
8:00-9:00罐体、支架是否有裂纹、渗漏等情况是
9:00-10:00是否有陌生车辆或人员闯入罐区否
9:00-10:00管道、阀门、泵站等设备是否正常运行是
10:00-11:00是否存在明火、静电等危险因素否
10:00-11:00是否存在其他不安全因素否
处理措施
当检查发现不正常情况时,应快速采取相应的处理措施:
•发现罐体、支架有裂纹、渗漏等情况,应及时通知维修人员进行修复。
•发现陌生车辆或人员闯入罐区,应立即报警并采取相应措施将其驱离。
•发现设备出现异常情况,应及时通知维修人员进行维修。
•发现存在明火、静电等危险因素,应立即进行消防处理。
•发现存在其他不安全因素,应及时进行处理。
结论
通过每日安全检查记录,可以有效保证液氨储罐区的安全性,避免潜在的安全隐患。
参考文献
•《液氨使用安全技术规程》
•《危险化学品管理条例》
•《储罐安全监测技术规范》。
XXX
液氨储存、装卸专项检查表
安全部
零零七年六月十日
编制依据:
1、《安全生产法》( 2014 修订版)
2、《省安全生产条例》( 2017 修订版)
3、《省落实企业安全生产主体责任暂行规定》省2006年69 号政府令
4、《危险化学品安全管理条例》( 2013 修订版)
5、《职业病防治法》( 2011 修订版)
6、《防雷减灾管理办法》国家气象局2011年8号令
7、《液氨储存与装卸安全生产技术规》(试行)省2008年155号文
8、《建筑灭火器配置设计规》( GB50140-2005)
9、《石油化工可燃气体和有毒气体检测报警设计规》( GB50493-2009)
10、《石油化工装置防雷设计规》( GB50650-2011)
11、《建筑物防雷设计规》( GB50057-2010)
12、《储罐区防火堤设计规》( GB50351-2005)
13、《危险化学品重大危险源辨识》( GB18218-2014)
14、《特种设备安全法》( 2013 版)
15、其他相关法律法规、国家和行业标准。
彦博彩涂板业
液氨储罐区专项安全检查表
2、现场管理。